Page précédente Table des matières Page suivante


Inventaire des forêts tropicales naturelles

KARL EBERHARD HALLER

M KARL EBERHARD HALLER occupe un poste important à l'institut fédéral de recherche sur les forêts et les produits forestiers, Reinbek, République fédérale d'Allemagne (Bundes forschungsanstalt fur Forst-und Holzwirtschaft).

Programme de traitement par ordinateur des résultats

Pourquoi un programme de traitement par ordinateur? Le programme a été conçu à l'occasion de l'inventaire des forêts nationales du Libéria qu'effectuent depuis 1960, en collaboration, le bureau libérien de la conservation des forêts et de la faune et la mission forestière allemande au Libéria dans le cadre d'un projet d'assistance technique bilatérale.

Jusqu'en 1963, les données résultant de l'inventaire étaient élaborées en Allemagne par un procédé mécanographique. Or, pour transmettre les documents, reporter les données des feuilles de pointage sur les fiches perforées et préparer les tableaux, il fallait beaucoup de temps et la détection des erreurs, en particulier, était difficile, lente et coûteuse.

En 1965, un système de traitement des données IBM 1401 a été installé au Libéria pour la compagnie minière LAMCO, qui l'a mis à la disposition de l'équipe chargée de l'inventaire moyennant un loyer horaire d'environ 100 dollars. C'est pourquoi le Ministère de l'alimentation, de l'agriculture et des forêts de la République fédérale d'Allemagne a chargé la section de l'inventaire forestier de l'institut fédéral de recherche sur les forêts et les produits forestiers de Reinbek (Hambourg) de préparer un programme de traitement par ordinateur. (Je programme a permis de traiter régulièrement et rapidement les données provenant de l'inventaire directement sur place; le Libéria ayant besoin d'inventaires de types très divers, ce programme convient aussi bien aux prospections extensives qu'aux inventaires très intensifs des zones à exploiter. Les résultats de ces inventaires, ainsi qu'une description détaillée du programme de traitement par ordinateur, sont publiés dans une série de rapports de la mission forestière allemande au Libéria.

La possibilité de procéder à des évaluations sur place et de disposer rapidement des résultats intermédiaires doit être considérée comme utile et peut-être même comme indispensable à la conduite efficace des inventaires forestiers.

L'élaboration d'un programme complexe de traitement par ordinateur comporte toujours beaucoup de travail de programmation et des frais relativement élevés pour le mettre à l'épreuve. Il est donc extrêmement souhaitable d'élaborer un programme qui puisse convenir non seulement à la tâche immédiatement envisagée mais aussi à d'autres inventaires des forêts tropicales.

Considérations fondamentales

Dans l'élaboration du programme, on s'est attaché particulièrement à tenir compte des difficultés et des critères ci-dessous:

1. Le programme doit pouvoir s'adapter à une évaluation souple et complète des données relatives à des peuplements tropicaux naturels mélangés, qu'elles soient le résultat de l'inventaire initial ou. d'un inventaire ultérieur indépendant.

La première difficulté a trait aux caractéristiques particulières de la conduite des inventaires dans les peuplements tropicaux mélangés, par exemple:

a) Multitude des essences forestières;

b) Faible signification des indices caractérisant le peuplement (hauteur moyenne, âge moyen);

c) Problèmes particuliers de volumétrie (définitions, mesures et calculs), par exemple: volume du fût par opposition au volume de l'arbre, coefficient appliqué pour tenir compte des défauts;

d) Evaluation de l'état actuel seulement, sans détermination de la croissance.

La deuxième restriction, à savoir que le programme doit pouvoir s'appliquer aussi bien à un inventaire initial qu'à un inventaire ultérieur indépendant, revient à dire qu'il s'agit d'inventaires instantanés et non d'inventaires continus. Toutefois, il n'est pas exclu que, indépendamment de l'inventaire au sol, certains renseignements quantitatifs sur la zone puissent être obtenus à partir de sources existantes ou par la photo-interprétation pour choisir les échantillons ou calculer le volume total. Les données sur la superficie comme par exemple la superficie d'une forêt nationale donnée sont considérées comme données de référence et ne sont pas obtenues dans le cadre du programme. Toutefois, la répartition de la superficie, par exemple par classes de sol ou de terrain, est généralement déterminée dans le cadre des opérations au sol et cette détermination doit être possible à l'aide des listes fournies par le programme.

2. Le programme doit se prêter à de nombreuses modifications et ne pas être lié à une procédure particulière d'enregistrement des données. On ne saurait en effet compter qu'une procédure particulière d'enregistrement, des données valable aujourd'hui, quelque soin qui ait été apporté à son élaboration, puisse être utilisée sans modifications à l'avenir. Le programme doit donc être suffisamment souple pour:

a) Etre applicable dès le début aux renseignements réunis avec différents modes d'échantillonnage et

b) Rester utilisable tel quel ou avec des modifications mineures lorsque les techniques de mensuration auront changé.

3. Le programme doit comporter un groupe de sous-programmes qui puissent être réalisés individuelle ment et non pas prévoir le traitement intégré des données - c'est-à-dire la production de toutes les listes et tableaux à partir d'une seule entrée sans solution de continuité.

Le traitement intégré des données exige un système d'ordinateur disposant d'une mémoire extérieure. Ce système peut probablement être utilisé dans les pays industrialisés mais à l'heure actuelle se trouve rarement dans les pays en voie de développement. Le système IBM 1401 qui est installé au Libéria n'est pas équipé de mémoire extérieure sur bande ou sur disques.

Un autre inconvénient d'un programme prévoyant le traitement intégré des données pour ces inventaires est que, lors d'un premier inventaire en forêt tropicale, les essences ou les types de forêt présentant un intérêt particulier (et par conséquent les listes de sortie correspondantes) ne sont souvent pas évidentes avant la première évaluation. Grâce aux sous-programmes, il est possible de procéder à de nombreuses évaluations spéciales en prélevant une certaine partie des fiches perforées et en les disposant selon une séquence déterminée. Pour le traitement intégré des données, au contraire, il faut déterminer en détail à l'avance toutes les questions qui seront posées, souvent aux dépens de la souplesse.

4. Le programme doit comprendre une vérification détaillée et complète de toutes les entrées.

Le traitement des données n'est efficace que si les données de base fournies sont complètes et correctes. C'est pourquoi, avant tout calcul, il faut vérifier soigneusement que toutes les données enregistrées et transférées sur fiches perforées soient bien complètes, correctes et plausibles.

En outre, dans l'élaboration du programme, on a tenu compte du fait que le temps d'ordinateur disponible est limité. On s'est donc efforcé d'obtenir une quantité maximale de données au cours de chaque période de fonctionnement, même lorsque la clarté des listes devait en souffrir. Toutefois, les listes sont conçues de telle sorbe que tous les renseignements nécessaires pour un rapport d'inventaire puissent en être extraits sans difficultés.

Equipement

Au Libéria, on disposait des appareils et dispositifs ci-dessous:

a) Unité centrale de traitement IBM 1401/12K (avec dispositif facultatif permettant de perforer à nouveau une carte déjà perforée);

b) Lecteur perforateur IBM 1402;

c) Imprimante IBM 1403 avec 132 positions.

C'est là pratiquement l'équipement minimal pour un système de ce genre. En l'absence de mémoire extérieure, les cartes contenant l'information doivent remplir en partie la fonction de mémoire pendant le traitement. Pour chaque sous-programme, les cartes voulues doivent être sélectionnées par tri mécanique et introduites dans le lecteur perforateur dans un ordre déterminé. Il est donc aussi nécessaire de disposer d'une trieuse.

L'IBM 1401 est surtout utilisée à des fins commerciales. Elle est particulièrement propre à la production de listes et tableaux extensifs et convient moins bien aux analyses mathématiques telles que le calcul de la variance ou de l'écart type. Par exemple, l'extraction de racines carrées présente des difficultés techniques presque insurmontables.

Le programme de l'IBM 1401 peut être écrit soit en langue-machine, soit dans les langages SPS ou AUTOCODER Des langages conçus en fonction des problèmes tels que FORTRAN, ALGOL ou COBOL ne peuvent être utilisés que dans une mesure très limitée. Les programmes dont il est question ici sont exprimés en AUTOCODER.

Le système IBM 1401 est encore le calculateur électronique le plus répandu dans le monde. Dans presque tous les pays, il existe des firmes ou des organismes disposant de ce système. Presque partout, on peut le louer à l'heure, bien qu'il ne soit plus fabriqué. Ce sont essentiellement des ordinateurs de troisième génération, tels que ceux de la série IBM 360 qui le remplaceront. Ces nouveaux systèmes sont en général compatibles avec le 1401 de sorte que les programmes préparés pour l'IBM 1401 peuvent automatiquement être transformés en des programmes destinés aux nouveaux systèmes.

Termes techniques utilisés pour décrire les programmes

Les termes techniques sont ici en italique.

Chaque carte contient 80 colonnes numérotées.

Un groupe de colonnes utilisées pour enregistrer une donnée est appelé zone.

Les cartes ayant la même disposition et la même fonction constituent un type de carte et toutes appartiennent au même jeu. Toutes les cartes d'un même jeu portent le même numéro de jeu.

Pendant l'évaluation, il faut utiliser ou produire plusieurs jeux:

1. Les cartes de jeu de base sont perforées à partir des feuilles de pointage (voir figure 1, formulaire pour la parcelle échantillon). Pour des sous-programmes déterminés, on n'a besoin que d'une partie donnée des cartes de base - jeu partiel.

2. Les cartes d'un jeu de cartes maîtresses donnent les renseignements qui ne sont pas compris dans les cartes de base mais qui sont nécessaires au cours du traitement.

3. Les cartes d'un jeu de cartes récapitulatrices sont produites automatiquement pendant l'évaluation. Elles contiennent des données résumées et sont utilisées dans les sous-programmes ultérieurs.

4. Les cartes d'un jeu de cartes programmes donnent à l'ordinateur, en langage machine, les instructions concernant les opérations à effectuer et leur ordre.

La programmation du traitement des données commence normalement par la définition du contenu des listes de sortie nécessaires. quoi, l'on décide des renseignements nécessaires pour constituer ces listes et la façon de les calculer. Cette phase de la préparation du programme est appelée l'étude du problème qui comprend les opérations suivantes:

1. Préparation de la liste de sortie (unité, sujet, domaines et groupes).

2. Elaboration des codes numériques appropriés pour l'identification et la classification des données.

3. Préparation de la carte de base.

4. Préparation des listes auxiliaires, des cartes maîtresses et des cartes récapitulatrices.

5. Définition du plan complet du travail.

6. Spécifications détaillées des sous-programmes.

Disposition des cartes de base et contenu facultatif des zones de la carte

La figure 1 indique la disposition des feuilles de pointage utilisées au Libéria. Comme les numéros des colonnes sont déjà imprimés, ces feuilles donnent le contenu de la carte de base. Il faut une carte par ligne de la feuille contenant des données. Chaque carte contient les données relatives à la parcelle ainsi que celles qui concernent les arbres et/ou la reproduction.

La feuille est conçue de telle sorte qu'il suffise généralement d'en remplir une sur le terrain pour chaque échantillon et que la perforation des cartes soit simple et sûre.

Les feuilles sont établies pour un plan d'inventaire donné, mais il est possible de varier dans certaines limites le contenu des zones de chaque carte pour permettre de traiter avec le même programme les données provenant d'inventaires réalisés sur un autre plan.

Les inventaires au Libéria ont pour objectif principal de donner des renseignements sur des forêts nationales ou parties de forêts nationales d'une superficie minimale d'environ 25 000 hectares. Les forêts ont été démarquées par des photographies aériennes. Il n'est pas possible actuellement d'opérer sur photos une sous-division plus poussée en strates. C'est pourquoi on a effectué un levé à terre de la façon suivante:

Chaque unité étudiée est subdivisée en blocs carrés de dimensions égales (unités primaires).

Dans chaque bloc ou dans une partie de chaque bloc choisie au hasard (choix au hasard restreint ou échantillonnage à deux degrés), on prélève deux sections de longueur limitée (unités secondaires).

Le long de ces sections, on répartit à intervalles fixes des parcelles circulaires (échantillons).

Les arbres dont le diamètre dépasse 40 centimètres à hauteur de poitrine sont dénombrés dans des cercles de 500 mètres carrés. Pour ces arbres on enregistre l'essence, le diamètre de référence (à hauteur de poitrine ou au-dessus du contrefort) et la qualité des grumes de 5 mètres de long (ou la raison pour rejeter une grume donnée).

Pour les arbres dont le diamètre à hauteur de poitrine est compris entre 10 et 40 centimètres (arbres de reproduction), on ne note que l'espèce et le diamètre à hauteur de poitrine (par classes de 5 centimètres). Ces arbres sont dénombrés dans la limite d'un cercle concentrique de 100 mètres carrés.

Le contenu de la zone de la carte concernant l'échantillon (colonnes 6 à 9) peut varier considérablement selon le plan d'échantillonnage:

1. Sélection au hasard banal d'échantillons de dimensions égales: dans ce cas, la zone de quatre colonnes consacrée à la section du bloc sert à identifier l'échantillon; la zone destinée au numéro de la parcelle échantillon reste vide ou peut servir pour la sous-division des échantillons.

2. Sélection restreinte ou stratifiée d'échantillons (parcelles ou lignes) de dimensions égales dans les blocs ou strates: c'est le système normalement adopté au Libéria.

3. Echantillonnage à deux degrés, les blocs constituant l'échantillon primaire et les lignes ou parcelles de dimensions égales constituant l'échantillon secondaire.

Description du travail et des sous-programmes

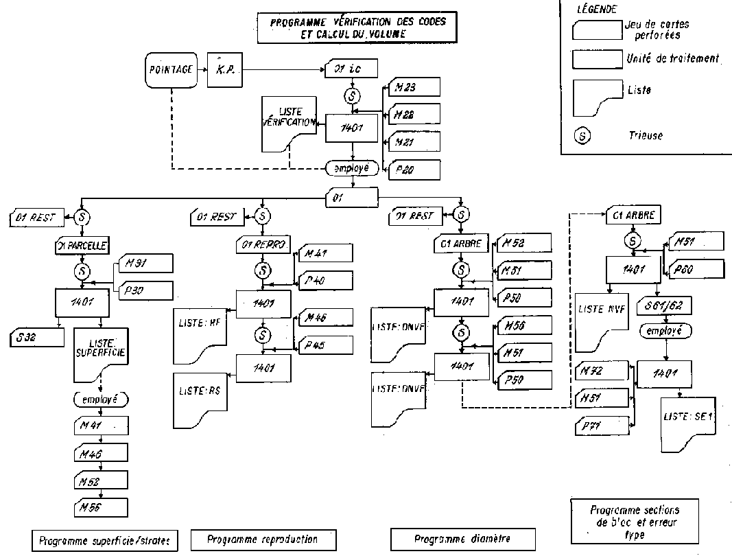
L'évaluation des données concernant une unité étudiée se fait dans le cadre de 8 sous-programmes partiellement interdépendants. On voit à la figure 2 l'organisation du travail; les différents supports de l'information (feuilles de pointage, cartes, listes) et les différents appareils sont représentés par des symboles (KP pour la perforatrice, S pour la trieuse et 1401 pour l'ordinateur). Le flux des données est indiqué par des flèches. Le type de carte est identifié par un numéro et par une lettre (P = jeu de cartes programmes, M = jeu de cartes maîtresses, S = jeu de cartes récapitulatrices et 01 = jeu de cartes de base).

Avant de pouvoir entreprendre le traitement des données, il faut connaître:

1. Tous les codes utilisés pour le dénombrement.

2. Le type et le nombre des échantillons dénombrés.

3. Les tarifs de cubage à utiliser.

PERFORATION DES CARTES CONTENANT L'INFORMATION

Le traitement commence avec la perforation des données extraites des feuilles de pointage. Ensuite, le programme de vérification des cartes permet de déceler les données incomplètes, ainsi que les erreurs faites sur le terrain ou pendant la perforation lorsque l'on a utilisé un nombre hors du cadre fixé par les instructions de codage. Pour les données relatives à la classification (colonnes 12 à 31 et 54 à 62), les erreurs de perforation dans le cadre fixé par les instructions de codage ne peuvent être décelées que par vérification de chaque carte perforée, le cas échéant par une perforation de contrôle. Au Libéria, le programme de vérification des cartes et une perforation très soigneuse ont permis d'éviter de vérifier chaque carte.

Les cartes de base (jeu 01 ic) doivent être triées avant que l'on puisse entreprendre le sous-programme, car les colonnes ne contiennent pas d'indications sur le volume des grumes et des arbres.

Zone de vérification. Los chiffres inscrits après dénombrement de la parcelle indiquent le nombre de cartes à perforer pour transcrire le contenu de cette feuille.

FIGURE 1. - Feuille de pointage utilisée au Liberia.

FIGURE 2. - Organisation du travail.

VÉRIFICATION DES CARTES ET PROGRAMME DES CALCULS DU VOLUME

Ce programme est la base de tous les programmes ultérieurs. Il permet de vérifier l'exactitude et la plausibilité des cartes perforées à partir des feuilles de pointage et le degré auquel elles sont complètes. Toute erreur ou incompatibilité dans les cartes de base est imprimée dans la zone erreurs d'une liste de contrôle. En outre, ce sous-programme calcule et enregistre par perforation des cartes encore incomplètes du paquet 01 (paquet 01 ic) le volume des grumes marchandes ainsi que le volume des arbres marchands. Le contenu de toutes les cartes est imprimé sur la liste de contrôle.

En dehors du jeu de cartes programmes (P20), il faut pour le programme un jeu de cartes maîtresses M21 contenant les codes relatifs à l'unité étudiée, à la strate et aux classes de gradient, un jeu de cartes maîtresses M22 contenant les codes de toutes les espèces appartenant à chaque groupe d'espèces et un jeu de cartes maîtresses M23 contenant le tarif de cubage, une carte étant consacrée à chaque classe de diamètre de 5 centimètres. Si l'on se sert de plusieurs tarifs de cubage le calcul du volume et le programme de vérification des cartes peuvent être effectués en deux stades.

Le résultat de ce sous-programme donne le jeu de cartes de base 01 (désormais complet) ainsi que le nombre exact de cartes du jeu 01 et des jeux partiels parcelle, repro et arbre.

PROGRAMME STRATES ET SUPERFICIE

Outre le jeu de cartes programmes P30 et le jeu de cartes maîtresses M31, qui contiennent les codes relatifs aux strates, le jeu partiel parcelle, qui comprend toutes les cartes correspondant au 01 des colonnes 16 et 17, est utilisé pour ce programme.

Les résultats de ce passage sont la liste des superficies et un jeu de cartes récapitulatrices S32. La liste superficie est produite pour chaque unité étudiée tandis que les cartes récapitulatrices S32 sont utilisées pour produire la liste NVS et l'erreur type des estimations de rapports. Ces sous-programmes n'ont ni l'un ni l'autre été nécessaires au Libéria et n'ont donc pas été programmés.

PROGRAMME REPRODUCTION

Le programme reproduction comprend deux parties: l'une aboutit à la liste RF (Reproduction/Forêts) au moyen d'un jeu de cartes programmes P40 et d'une carte coefficient de multiplication M41 pour la forêt considérée comme unité; la deuxième, avec le paquet de cartes programmes P45 et une carte coefficient de multiplication pour chaque strate (M46) donne la liste RS (Reproduction/Strate) pour chaque strate. Les deux listes ne comprennent que des arbres de reproduction; par conséquent, seul le jeu partiel repro (comprenant toutes les cartes portant 1 dans la colonne 54) est nécessaire. La liste RF est produite la première, la liste RS ensuite, ce qui permet de diminuer le travail de tri.

PROGRAMME DIAMÈTRE

On ne se sert que du jeu partiel arbre: cartes dans lesquelles la colonne 23 n'est pas vide.

Dans ce cas encore, les listes DNVF (Diamètre, Nombre d'arbres, Volume/Forêt) et DNVS (Diamètre, Nombre d'arbres, Volume/Strate) ne diffèrent que sur le point de l'unité étudiée. Le même jeu de cartes programmes (P50) et de cartes maîtresses (M51) contenant les espèces de chaque groupe d'espèces peut être utilisé pour établir l'une et l'autre liste. La carte maîtresse M52 donne le coefficient de multiplication valable pour la forêt et le paquet de cartes maîtresses M56 les coefficients correspondants pour chaque strate.

PROGRAMME SECTION BLOC

Les cartes du jeu partiel arbre ont également été utilisées pour ce programme qui n'est programmé que partiellement parce que la liste NVS (Nombre d'arbres, Volume/Strate) n'a pas été indispensable dans les inventaires exécutés au Libéria.

La liste NVF (Nombre d'arbres, Volume/Forêt) donne une idée générale de la répartition dans l'espace des arbres et de leur volume marchand.

Les cartes récapitulatrices S61/62 sont perforées pour le volume marchand des arbres relevé dans les échantillons et servent comme cartes informations dans le programme erreur type 1. Les cartes récapitulatrices S61 et 62 des blocs ou échantillons incomplets sont choisies d'après la liste «superficie».

PROGRAMME ERREUR TYPE 1

Ce programme donne dans la liste SE1 pour la forêt, les espèces et groupes d'espèces dans:

Ligne 1:

variance relative (carré de l'erreur type exprimé en pourcentage) calculée sur la variance de l'intérieur des blocs.

Ligne 2:

variance relative (carré de l'erreur type exprimé en pourcentage) calculée d'après la variance totale.

En dehors du jeu de cartes programmes P71 et du jeu M51 (espèces dans des groupes d'espèces), une carte M72 contenant le nombre de blocs complets, le nombre d'échantillons et le nombre de degrés de liberté sont nécessaires.

Applications des programmes et expérience acquise pour leur amélioration

Les sous-programmes décrits ci-dessus ont été utilisés pour évaluer presque tous les inventaires exécutés par l'équipe libérienne/allemande. Ainsi les données relatives à environ 50 000 parcelles échantillons et 200 000 cartes de base ont pu être traitées. En conséquence, les programmes ont été l'objet d'une vérification suffisante dans la pratique. L'auteur est disposé à communiquer sur demande des programmes énumérés ou des jeux de cartes pertinents.

Le programme de vérification des cartes s'est avéré extrêmement utile. Il permet d'établir des listes pratiquement exemptes d'erreurs, ce qui serait impossible même si l'on procédait manuellement à une vérification exhaustive des feuilles de pointage, en suivant et en contrôlant chaque carte perforée par une perforation double.

La nécessité de tris répétés peut causer des problèmes en raison de l'usure à laquelle sont soumises les cartes. Cet inconvénient est aggravé par les variations de température et l'humidité dans les fichiers. Ces variations sont particulièrement fortes dans les tropiques et provoquent des distorsions qui aboutissent à un déchirement de cartes pendant le tri.

Il est donc nécessaire d'effectuer l'évaluation le plus tôt possible après la perforation.

Il semble possible d'améliorer encore le système en accroissant sa souplesse. Il suffira à cet égard de citer quelques exemples:

1. Agrandissement ultérieur de la zone réservée à l'unité d'échantillon pour permettre des échantillonnages à trois degrés et plus.

2. Double classification des essences. A l'heure actuelle, chaque essence est attribuée à un seul groupe d'essences. Une zone supplémentaire pour la classification (par exemple, par classes d'utilisation telles que placages, bois de construction, etc.) pourrait être introduite de telle sorte que chaque essence puisse appartenir à plusieurs classes.

3. Le type actuel de calcul du volume ne peut être considéré comme une solution d'application générale. Il est basé sur une évaluation partielle qui ne considère que la qualité marchande d'une grume donnée. Au lieu du volume marchand des grumes et du volume marchand des arbres, on pourrait perforer dans les colonnes correspondantes la surface terrière, le volume total du fût et les volumes du fût répondant à diverses spécifications (A, B et C) et on pourrait produire plusieurs listes avec le programme diamètre et section-bloc.

4. Il est prouvé que la programmation pour la variance et l'erreur type pose des problèmes compliqués avec cet ordinateur, qui est plus approprié a des usages commerciaux. Il semble donc recommandé de l'utiliser pour traiter des listes et des cartes récapitulatrices et de faire les calculs plus complexes de l'erreur type avec les cartes récapitulatrices et avec un ordinateur mieux approprié à l'analyse mathématique.

UNION INTERNATIONALE DES SOCIÉTÉS DE FORESTIERS

L'Union internationale des sociétés de forestiers tiendra son Congrès d'ouverture à Washington, D.C., en 1969, sur l'invitation de la société des forestiers américains. Le programme du Congrès comprendra deux séances plénières d'une demi-journée ouvertes à tous les délégués et deux réunions fermées du Conseil international et du Comité de direction.

Le Conseil international étudiera les statuts et règlements de l'organisation en vue de leur adoption par le Congrès et élira le bureau et les membres du Comité de direction.

L'Union internationale a été organisée en 1966, au cours du sixième Congrès forestier mondial de Madrid; elle est composée des sociétés nationales de forestiers professionnels et a pour objet de faire progresser l'organisation, le prestige et l'efficacité des corps forestiers professionnels par l'intermédiaire des sociétés membres du monde entier. Entre autres activités, l'Union cherche à élever le niveau d'éducation des forestiers professionnels, à souligner la responsabilité de la profession à l'égard du public et à agir sur le plan international dans l'intérêt des sociétés nationales ainsi que de la profession forestière.

Pour tous renseignements sur le Congrès et les conditions d'adhésion à l'Union, prière d'écrire au Directeur exécutif, Apt. 841, 1500 Massachusetts Avenue, N.W., Washington, D.C. 20005.


Page précédente Début de page Page suivante