Fiche de stocks
Fiche de préparation d'aliments
Programme sanitaire poulets
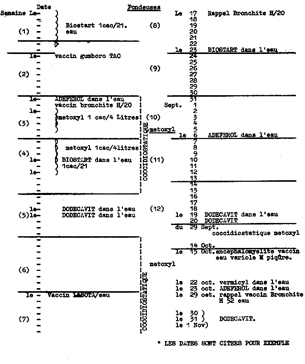
Programme sanitaire pondeuses
Grille d'alimentation volailles
Grille d'alimentation porcs
Fiche de vidange
Fiche d'alimentation étangs
Livre caisse.
Etat de stocks pour élevages.
| Responsable: | Semaine: | No |
| Stock Début (Kg) de la semaine | Entrée pendant la semaine (kg) | Total entrée | sortie pendant la semaine (kg) fiche no | Stock fin de la sem (kg) | ||||||||||||
| Kg | F.CFA | |||||||||||||||
| Jour | ||||||||||||||||
| Mais Sorgho Blé Riz Son de riz | ||||||||||||||||
| Tt. de coton Tt. de sésam Tt. d'arachie | ||||||||||||||||
| F. de sang Lait F. de poissons | ||||||||||||||||
| Sel Huitres Os Phph. bicalcique | ||||||||||||||||
| Vit. A 28 Vit. B | ||||||||||||||||
| Responsable: | Semaine | No |
| Jour | TOTAL | |||||||||||||||||
| Mais Sorgho Blé Riz Son de riz | ||||||||||||||||||
| Tt. de coton Tt. de sésame Tt. d'arachide | ||||||||||||||||||
| F. de sang Lai F. de poisson | ||||||||||||||||||
| Sel Huitres Os Phph.bicalcique | ||||||||||||||||||
| Vit. A 28 Vit. B | ||||||||||||||||||
| Poids | ||||||||||||||||||
| Destination |


| 100 VOLAILLES | 150 VOLAILLES | 200 VOLAILLES | |||||
| Q par jr | Q par S | Q/jour | Q/sem. | Q/jour | Q/Sem. | ||
| 1ère | Sem. | 600 g | 4,2 kg | 900 g | 6,3kg | 1200 g | 8,4 Kg |
| 2e | " | 1200 g | 8,4" | 1800 g | 12,6" | 4,4kg | 16,8 " |
| 3e | " | 1,4 kg | 9,8" | 2,1kg | 14,7" | 2,8" | 19,8 " |
| 4e | " | 3,0" | 21,0" | 4,5" | 31,5" | 6,0" | 42,0" |
| " | Total/Ms1 | 43,4kg | Total/Ms | 65,1" | Total | 87,0Kg | |
| 5e | Semaine | 5,0 kg | 35,0Kg | 7,5Kg | 52,5Kg | 10,0Kg | 70,0kg |
| 6e | " | 7,0 Kg | 49,0" | 10,5" | 73,5" | 14,0 | 98,0" |
| 7e | " | 9,0 " | 63,0" | 13,5" | 94,5" | 18,0 | 126,0" |
| 8e | " | 11,0 " | 77,0" | 16,5" | 115,5" | 22,0 | 154,0 " |
| Total/Ms2 | 224,0" | Total | 336,0" | Total | 448,0" | ||
| 9e | Semaine | 14,0 kg | 98,0kg | 21,0kg | 147,0kg | 28,0kg | 196,0 Kg |
| 10e | " | 14,0" | 98,0" | 21,0" | 147,0" | 28,0" | 196,0 Kg |
| 11e | " | 14,0" | 98,0" | 21,0" | 147,0" | 28,0" | 196,0" |
| 12e | " | 14,0" | 98,0" | 21,0" | 147,0" | 28,0" | 196,0 " |
| Total/Ms3 | 392,0kg | Total | 588 kg | Total | 784,0 kg | ||
| -"-/3Mois | 659,4Kg | -"- 3Mois | 989,1kg | Total3Ms | 1319 | ||
| Poids du porc | Ration quotidienne |
| 10–15 Kg | 0,75 Kg |
| 15–25 Kg | 1,00 Kg |
| 25–35 Kg | 1,50 Kg |
| 35–45 Kg | 1,50 Kg |
| 45–55 Kg | 2,00 Kg |
| 55–65 Kg | 2,00 Kg |
| 65–75 Kg | 2,50 Kg |
| 75–85 Kg | 2,50 Kg |
| 85–95 Kg | 3,00 Kg |
La :……………………………………………
Superficie :………………ares
Empoissonnement :
| Dates | Espèce | Nombre | P.T.(kg) | P.M.(g) | Densité |
| Total |
Nombre de jours de production : ………………………
Nombre de jours d'alimentation : ………………………
Production :
| Dates | Espèce - taille | Nombre | P.T.(kg) | P.M.(g) | Destinations |
| Total |
| P.T. sorti bord de l'étang : ………………………………Kg | P.N.March.: ------- = kg/ha/an |
| P.T. not : ………………………………………………… Kg | |
| Poids mis en vente : …………………………………… kg. | P.N. Tot.: ---------- = kg/ha/an |
| Alimentation/Traitement : |
| Période | Ration journalière | T.Dist./Période | |||||
| Dates | N.jrs | Total | |||||
| Quantité totale distribuée | = | ||||||
PROJET PISCICOLE
CENTRAFRICAINE
CAF/80/002
| FICHE D'ELEVAGE POUR | (Poulets de chair |
| Canetons | |
| Poulettes | |
| Nombre : | Souche : |
| Fournisseur : |
| Semaine | Dim | Lund | Mard | Merc | Jeu | Vend | Sam | TOTAL | Observation | |
| Aliment (Kg) | Mortalité (N) | |||||||||
| Date Aliment Mortalité | ||||||||||
| Date Aliment Mortalité | ||||||||||
| Date Aliment Mortalité | ||||||||||
| Date Aliment Mortalité | ||||||||||
| Date Aliment Mortalité | ||||||||||
| Date Aliment Mortalité | ||||||||||
| Date Aliment Mortalité | ||||||||||
| Date Aliment Mortalité | ||||||||||
| Date Aliment Mortalité | ||||||||||
| Date Aliment Mortalité | ||||||||||
| Date Aliment Mortalité | ||||||||||
| Date Aliment Mortalité | ||||||||||
| Date Aliment Mortalité | ||||||||||
| TOTAUX | ||||||||||
| TOTAL GENERAL : …. | ||||||||||
| DIRECTION DU CENTRE PISCICOLE | |||||||||||||
| NATIONAL BANGUI RCA | |||||||||||||
| Période du………………au | ………Responsable:……… | ||||||||||||
| Date | Noreçu | L i b e l l é | sommes perçues | ||||||||||
| Report | |||||||||||||
| Total | |||||||||||||
| DATE: | Quantité | Prix unitaire | Valeur F.CFA | ||
| Aliments | Céréales | Tourteaux | |||
| coton | |||||
| arachide | |||||
| sésame | |||||
| palmiste | |||||
| Maïs | |||||
| Mil | |||||
| Malt | |||||
| Blé | |||||
| Divers | Sang | ||||
| Os calcinés | |||||
| Os poudre | |||||
| Huitres | |||||
| Bananes | |||||
| Taros | |||||
| Chenilles | |||||
| Vitamines 1 | |||||
| Vitamines 2 | |||||
| Vitamines 3 | |||||
| Produits V. | |||||
| Aliments C. | |||||
| TOTAL | |||||
| Elevages | Poules pond | ||||
| Poussions | |||||
| Poulets | |||||
| Canetons | |||||
| Canards | |||||
| Poncetets | |||||
| Porcs engrais | |||||
| géniteurs | |||||
| TOTAL | |||||
| Caisse | liquidités | ||||
| chèques | |||||
| effets à recevoir | |||||
| TOTAL | |||||