Before establishing parameters for aquaculture development, the kind of fish to be cultured and the pond culture requirements must first be ascertained. This necessity has received only marginal consideration in many earlier assessments of coastal aquaculture potential in Malaysia. This section is therefore intended to establish certain basic elements in pond culture systems, in which the Government is interested.
From the state-of-the-art of brackishwater pond culture in Southeast Asia, the following species are considered by the Team as having development potential:
Lates calcarifer (seabass)
Epinephelus tauvina (estuarine grouper)
Lutjanus argentimaculatus (mangrove snapper)
Lutjanus johni (John's snapper)
Penaeus merguiensis (banana prawn)
Penaeus monodon (tiger prawn)
Of the finfishes, only Lates calcarifer is the most extensively cultured species with therefore substantial technical knowhow and experience available. As regards prawns. Penaeus merguiensis is considered to require more saline waters for optimum growth than is available in tidal estuaries surveyed. Further, its export value is lower than P. monodon. Accordingly, and in conformance with prior evaluations by the Government, P. monodon is selected as the prawn species for pond culture.
Within the context of the study, consideration was given to aquaculture systems in the Philippines, Indonesia, and Thailand as possible models for future Malaysian development. Applicability of Philippine and Indonesian practices to Malaysia was found to be limited.
In the Philippines, aquaculture in mangrove swamps is mainly the polyculture of Chanos chanos with P. monodon. C. chanos is omnivore and its culture depends upon induced or natural plankton feeds. Its culture is to a degree self-generating, with the addition of pond nutrients. Construction of ponds, particularly for small-scale aquaculture, is usually done by low-cost manual labour, often on a “bayanihan” or a neighbour helping neighbour concept. Other ponds in the Visayas are large-scale commercial enterprises. In addition, mangrove swamps in the Philippines have a long history of being over-exploited. On the positive side, very significant advances are now being made by the Government to implement conservation measures and to undertake comprehensive soil survey examinations of the swamps. A favourable aspect is the system of extension services and loans which have been developed to encourage and assist the owners of small-scale aquaculture enterprises.
Indonesia is generally similar to the Philippines in its development of pond culture and species reared.
Thailand is an excellent model for Malaysia, particularly in regard to high yield monoculture of L. calcarifer and P. monodon. The size of ponds for the former is reported to be 0.2 ha or less. This size is small because the depth of water in the pond requires 1.5 to 2.0 m, and the manual labour in the traditional method of construction impose certain limitations. Nursery ponds are about 100 sq m each, multi-compartmented and constructed of fine-meshed nylon netting suspended from poles set within the rearing pond to facilitate the grading of fry to uniform sizes.
Monoculture of P. monodon is usually carried out in rearing ponds each of 3 to 5 ha, in which the depth of water in the pond is about 50 cm. The pond bottom is at natural ground level and the water within the pond is contained by a dike constructed of material excavated from a deeper water channel area adjacent to the dike (Fig. 1.1).

Fig. 1.1 Cross-section of P. monodon rearing pond
In Thailand, the nursery for P. monodon is formed by a fine-meshed nylon netting, supported by poles and reaching from one side of the rearing pond to the other. A separate nursery pond is therefore, not required.
Tidal water flow is only partially used to fill the ponds, and very large pumps of 50 horsepower or more are used to complete the filling of P. monodon ponds. Pumps are also used to complete filling of the L. calcarifer ponds. The recommended daily water change is about 50 percent of the pond volume.
A Malaysian model is proposed using the Thai basic experience with high yield output as the target, but modified in size to Malaysian construction procedures and operational goals. Using applicable data from Thailand, the following broad guidelines were developed for the culture of L. calcarifer and P. monodon in coastal ponds.
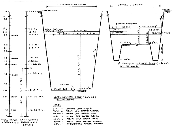
An area of about 1 ha was selected for the trial culture of L. calcarifer at Balik Pulau. Because of the high cost of labour in Malaysia, machine excavation, mainly by dragline and bulldozer, is the most efficient method of pond construction. To avoid costly rehandling of excavated material, pond dimensions of about length at 4 times the width of 50 m are used. The cross-section of this pond in relation to tidal stages are shown in Fig. 1.2, in which natural ground is 2.6 m (E1.4.0 ft RL)1. A water depth of 1.7 m (5.6 ft) below MHWS is estimated for this pond.
On a preliminary basis, a pond size of 3 to 5 ha used in Thailand appears excessive to support a single family. Thus, a reduced size of about 1.5 ha is assumed to be adequate for initial trial layout. Ideally, the natural ground should be between 0 to 0.50 m below the MHWS level of 2.5 m MHWS. At the Balik Pulau site, the ground is predominantly at 0.1 m (0.3 ft) above MHWS. An excavated pond bottom of 0.4 m below natural ground and 0.5 m below the operating pond surface (Fig. 1.2) has been assumed for the training study. The ground would be excavated by a bulldozer using low pressure treads. Excavated spoil would be pushed to the dike section. For a more advanced design, studies would be needed to balance excavation costs with the prescribed water surface elevation and with pumping costs, both capital and annual, for all ponds.
In accordance with the Thai experience, an average (not absolute) daily change of 50 percent in water volume is proposed. If a 1-ha idealized pond is assumed with a 6-hour intermittent pumping period, and a design drawdown of 50 percent, from MHWS to MHWN
= 5.7 cfs
= 2 574 gallons per minute (GPM)
say 3 000 GPM—
Horsepower (HP) — assume total dynamic head = 10 ft, and 65% efficiency
= 9.96
say, 10 HP
For this preliminary type study, the same pump size has been assumed for L. calcarifer and P. monodon ponds.
Ideally, the intake channel for the pond complex should be near the mouth of a small stream or river which tends to maintain a more stable bottom because of relatively lower rate of siltation. A separate drainage canal is needed to avoid the accumulation of wastes at the end of a drainage cycle, but this can also be achieved using a combined intake-drainage canal. Such a canal may drain directly to the sea through a beach area. However, a canal through a beach area may tend to clog because of littoral drift. Alternatively, another channel to the waterway may be necessary for the drainage canal.

Fig. 1.2 Tidal range and idealized 1 ha pond sections for Balik Pulau site
Siting in this section and pond layout in the following section are not in the context of a Malaysian model. Rather, they apply specifically to the Balik Pulau site recently selected by the Government. The guidelines for coastal aquaculture site selection are discussed in sections 5 through 7.
The site for which a very limited development plan has been prepared is in the Balik Pulau District just south of Sungai (River) Pinang. This mangrove forest areas has been designated by the Government for consideration.1 The area (Fig. 1.3) is bounded by two existing dikes running parallel to the shoreline. The land between the dikes is controlled by drainage outlets to produce a freshwater regime between the dikes. This proposed site is used primarily as a training area because Government engineers have only limited experience in the layout and siting of fishpond; and this is the only area for which topographic data can be developed during the study period. The area within the dikes is now an impounded freshwater drainage area for extensive irrigation lands to the east. The seaward dike is protected by about a 200 m width of mangroves bordering the Malacca Straits. Since the preservation of this mangrove border is essential, the development plan has to be confined to the area within the dikes. This site also present a serious engineering problem in that if brackishwater ponds are to be developed, such a change can adversely affect the freshwater regime of the existing irrigation system.
The time frame and resources were not available to make a comprehensive layout of a plan for a large-scale development. In addition, because of the apparent need for a pilot project of a suitable size to demonstrate the performance of high-yield coastal pond culture systems in Thailand, the proposed pond layout is based on only two ponds, each of 1.5 ha, for the tiger prawn and four ponds, each of 1 ha for the culture of the seabass (Fig. 1.3). This could be modified, if desired, using the same intake and drainage canal system. In effect, these could be designed to assimilate full-scale production ponds for realistic pilot culture trial data.
Appendices 3 and 4 present production management data for P. monodon and L. calcarifer. The data and techniques therein form the basis for the income projections presented in Section 4. The data are based on Thai experience for high-yield systems.
Highlights of the high-yield P. monodon culture system in Thailand as compared to the Malaysian situations are:
Highlights of the high-yield culture system for L. calcarifer in Thailand as compared to Malaysia are: