Marcelo de Ataide Silva
Introduction
The genus Prosopis L. comprises some 44 species, distributed throughout Western Asia, Africa and arid and semi-arid regions in the Americas, from the Southwestern United States to Central Chile and Argentina (Burkart).
Numerous native species occur in central and western Argentina, this area being considered as the center of polymorphism for the genus.
In Brazil, the range of this genus is concentrated at the southwestern corner of the State of Rio Grande do Sul and at the southern corner of the State of Mato Grosso do Sul, where two species of the genus Prosopis L. occur naturally at Parque Espinillo, namely Prosopis affinis and Prosopis nigra.
In the Northeast, at the western end of the State of Pernambuco, in the district of Afrânio, there is a population of Prosopis ruscifolia, at a site called Cachoeira do Roberto. The occurrence of three native species of the genus enriches the Brazilian flora.
Cultivated species of great economic importance can be found in the Northeast. When we speak of species it is because there is certain doubt whether only P. juliflora is cultivated, or some variations of it, or another species, namely Prosopis pallida.
For this reason, taxonomic studies will be conducted to identify these species.
Morphology
These species are trees or shrubs, rarely sub-shrubs, predominantly xerophytic, aculeate or spinescent, rarely thornless. Leaves are bipinnate with pinnas opposed in pairs, with an interpetiolate or cupuliform gland, sessile with apical pore. Folioles small and numerous, whole, elliptic, linear, oblong or fusiform, rarely large as in the case of Prosopis ruscifolia, downy, rarely glabrous. Inflorescence in spicate or clustered bunches, or ementiform, axillary and thick-flowered, short or long, yellow. Flowers are small, actinomorphous, pentamerous, and hermaphrodite. Calyx is campanulate; corolla with linear petals, free or slightly fused at the base, glabrous or finely pubescent. Androecium formed by 10 free stamens; antheras are elliptical, dorsifixed, with globous connectival gland at the apex, pedicellate apical. Pollen grain more or less spherical. Gynaeceum with stipitate ovary, glabrous or pilous, style filliform excerpt before the stamen. Anthesis protoginous.
Flowers greenish and then yellowish.
Fruit of leguminous type, straight, linear, falcate or anular, with coriaceous mesorcarp divided into one or various segments; seeds compressed, ovoid, hard, dark brown with mucilaginous endosperm surrounding the embryo; cotyledons flat, rounded, epigeous when germinating.
Taxonomy
Characterization of the genus Prosopis
Prosopis Linn. Mant. 1260; Benth and Hook, Gen. Pl. I 591 - Algarobia Benth. Pl. Houtw 13; Fl.
Brasil. Benth. 288 – 289; Linn. emend. Burk.
Prosopis, Linn. 1767 Leg. Mim.
Algarobia, Benth.
Lagonychium, Bieb.
Mitostax, Rafin.
Neltuma, Rafin.
Pleuromenes, Rafin.
Spirolobium, Orbign.
Strombocarpa, A. Gray.
Species type: Prosopis spicigera L.
The taxonomy of the genus Prosopis L. has already been the subject of several reviews by different authors, and it still needs further revisions to facilitate comprehension. The genus is easy to recognize, but its species are difficult to identify. This problem with identification results from the extreme variability among individual plants or among individuals of the same species. Another problem which makes recognition difficult is related to the species' facility for hybridization.
The most comprehensive studies on the genus Prosopis L. were carried out by the Argentine botanist Arthur Burkart, in his work “A Monograph of the genus Prosopis L. (Leguminosae subfam Mimosoideae)”, published in 1976, after a review of the genus, creating a new section, labelled Monilicarpa, and eight series, which facilitated enormously the taxonomy of this genus.
Classification of the genus Prosopis L. according to Linn
Classification of the genus according to Burkart
Prosopis Linn. emend. Burkart
I Section Prosopis (Syn. Sec. Adenopis)
Prosopis koelziana
II Section Anonychium
Prosopis africana
III Section Strombocarpa (Syn. Spirolobium)
Series Strombocarpae
Series Cavenicarpae
Prosopis tamarugo
IV Section Monilicarpa
Prosopis argentina
V Section Algarobia (Syn. Neltuma, Algarobia)
Series Sericanthae
Series Ruscifoliae
Series Denudantes
Series Humilis
Series Pallidae
Series Chilensis
Distribution
The species of the genus Prosopis L. are distributed throughout Western Asia, Africa and arid and semi-arid regions of the Americas, from southwestern United States and Mexico, to Central Chile and Argentina.
In central and western Argentina occur numerous species.
In Brazil, the range of the species is concentrated in the southwestern corner of the State of Rio. Grande do Sul, with two species, Prosopis affinis and Prosopis nigra, and in the southern tip of the State of Mato Grosso do Sul, where Prosopis rubriflora occurs.
Another species, Prosopis ruscifolia, cited by Burkart for Piauí and Paraíba, occurs in the western portion of the State of Pernambuco, more precisely in the Afrânio district, at Cachoeira do Roberto. There must be some error regarding the collection sites, as to date no collections for the State of Pernambuco exist.
In “Flora Brasiliensis,” Volume xvii, page 289, there is a mention of P. juliflora saying: “Habitat in Brasilia Meridionalis ad Rincon?”, which raises many doubts regarding dispersion and introduction of this species in Brazil.
Prosopis ruscifolia, in any case, must not be introduced, as collections exist since 1912 at the above mentioned location in Pernambuco.
The remaining species are cultivated, the most relevant of which being P. juliflora, introduced in 1942 in Pernambuco, at the Serra Talhada district. At present, it may be found throughout the entire Northeast and other regions of Brazil, with the greatest concentrations at the States of Pernambuco. Rio Grande do Norte, Minas Gerais and Paraíba.

Wild Prosopis growing in Irak's desert.

Dispersion of the genus Prosopis in the continents.
![]() | Occurrence of the genus Prosopis in Brazil. |





References
bentham, g.,: “Leguminosas, iii. Mimosea,” In: Flora Brasiliensis, martius, c.p.p., Monachii, Typographia Regia, 1879–1876, V. 15, Part 2, pp. 288–89.
burkart, a., 1940: “Materiales para uma monografía del género Prosopis,” Darwiniana, 4 (1): 57–128.
burkart, a., 1952: “Las leguminosas argentinas silvestres y cultivadas,” Buenos Aires, acme Agency, 569 p.
burkart, a., 1959: “Leguminosae,” In: Enciclopedia argentina de agricultura y jardinería, Parodi, l.r., Buenos Aires, acme s.a.c.i., Vol. 1, pp. 443–512.
burkart, a., 1967: “Leguminosas,” In: Flora de la Provincia de Buenos Aires, Cabrera, a.l., Buenos Aires, Colecc. Científica del inta, Part 3, pp. 394–647.
luetzelburg, p. von, 1922–1923: “Estudo botanico do Nordeste,” Rio de Janeiro, Insp. Fed. Obras Contra Secas, Vol. 3.
macbride, j. f., 1943: “Flora of Peru, Leguminosae,” Field Mus. Nat. History. Bot. Ser., 13 (1 pt 3): 66–74.
marchiori, j.n.c.; longhi, s.j. and galvao, l., 1983: “O genero Prosopis L. (Leguminosae Mimosoideae) no Rio Grande do Sul,” Separata de Ciencia e Natureza, Santa Maria, rs, 5: 171–77.
marchiori, j.c.n.; longhi, s.j. and galvao, l., 1985: “Composição floristica e estructura do Parque de Inhanduva no Rio Grande do Sul,” Separata de Revista do Centro de Ciencias Rurais, Santa Maria, rs, 15 (4): 319–34.
willis, j.c., 1973: “A dictionary of the flowering plants and ferns,” 8th Ed., Cambridge, University Press, 1245 p.
J.L. de Hamburgo Alves
Botany Department, Universidade Federal de Pernambuco
M.S. Arcoverde de Melo
G. D. Alves
M. Sc. Students in Botany
Biology Department, Universidade Federal Rural de Pernambuco
Introduction
Considering that anatomical characteristics are very important to understand environmental adaptations and that pollen morphology can help in taxonomic studies, this research study was undertaken with the purpose of elucidating detailed anatomical and ecological aspects of this species.
Material and Methods
Prosopis juliflora (Sw) dc material was collected from various locations at Arcoverde, Buique and Pesqueira in the State of Pernambuco. Part of this material was deposited at the Herbarium of the Botany Department of the Universidade Federal de Pernambuco, and the rest was placed in fixing solution as described by Prazeres and Hamburgo Alves (1980). Some fruits and seeds were maintained in greenhouse with temperature ranging from 18° C to 41° C and humidity from 41% to 96%. Phloroglucine acid, iodized zinc chloride and lugol, Sudan IV and saturated absolute alcohol solution, picric acid and eosin were used to detect lignin, cellulose, starch grains, cutin, lipidic and suberized substances, and aleurone, respectively, as described by Johansen (1940), Sass (1958), and Cutter (1969). To study the internal structure of vegetative organs, seeds were germinated in greenhouse, in plastic bags (22.5 × 14.0 cm) containing a mixture of soil from the “caatinga” and sand; fruits and seeds were maintained for 7 months in order to observe dehydration. Histochemical tests were carried out by free-hand slicing using a blade, while anatomical studies followed the process of dehydration, infiltration and embedding in paraffin. Tissue contrast was determined by safranine fast-green double staining (Johansen, 1940). Flower buds were first placed in glacial acetic acid and then treated with the acetolysis method (Erdman, 1966). Photomicrographs were taken with a Zeiss photomicroscope-III.
Results and Discussion
From 30 days of age (Fig. 1), plant analysis in transverse section at the subereous zone level revealed a protostelic tetrarch root, epidermis and cortex cells with thin cellulosic walls. These cells are large and irregular in outline. Endodermal cells present Casparian strips (Fig. 2). Elevating about 1 cm the slicing level to the proximal region, the secondary structure and the beginning of the transition zone inversion were detected, observing there a reduced pith and the beginning of a long transition zone extending to the cotyledon level. The pith is now abundant (Fig. 3). From the epicotyl region, the epidermal cells are large and cubic in outline within anticlinal and external periclinal walls, with a relatively thick cuticle.
Delimiting the cortex from the phloem, a sclerenchymatous sheath is noticed. At this level, phloem is more abundant than xylem. Both are organized in vascular bundles surrounding a reduced pith, whose cells contain few starch grains.
![]() Figure 1. Prosopis juliflora undergoing morphological development as from 30 days of age. | ![]() | Figure 2. Cross section of root in primary structure, 90X. |
![]() | ||
| Figure 3. Cross section at the transition zone level, 90X. | ||
The secondary structure proceeds from the hypocotyl. Tissue organization changes as from the epidermal cells, under which a wrapper-like thickening occurs which raises the epidermal cells onto a crest form in some points of the outline (Fig. 4). Phloem is less abundant than xylem. Starch grains are few in the pith, while some cells enclose other reserve substances (Figs. 4 and 5).
Cotyledonar blade (Fig. 6) in transverse section is thick and consists of 2–3 long cells in palisades and large, spongy parenchyma with no characteristic gaps. These tissues are rich in chloroplast. aleurone and lipoproteic substances. Stomata occur in adaxial and abaxial epidermis.
![]() Figure 4. Cross section at the hypocotyl level, end of transition zone, 90X. | ![]() | Figure 5. Cross section at epicotyl level, 60 X | |
| Figure 6. Cross section of cotyledonar blade; aspect of its organization, 60X. | ![]() | ||
Foliolule blade is dorsiventral and lacks trichomes in adaxial and abaxial epidermis, and anomocytic stomata are present in abaxial epidermis. The mesophyll consists of typical palisade and spongy parenchyma. The mid-rib possesses only one vascular bundle, and partially wrapped by a sclerenchymatous semi-sheath. Occasional rhombic crystals of calcium oxalate are observed (Fig. 7).
Fruit in cross section shows epicarp epidermal cells with thick cellulosic walls. Functional guardcells of stomata contain little and numerous starch grains. Under the epidermis, 3–4 layers of isodiametric thick-walled cells occur with reserve substances. The mesocarp is large and begins with parenchymatic cells of relatively thick cellulosic walls changing from isodiametric to elongated in outline. In the parenchyma, different sclerenchyma areas containing gelatinous fibers were noticed partly encircling little vascular bundles in which xylem bulk is less than phloem bulk. On the dorsal and ventral suture region, the sclerenchyma forms a continuous semi-sheath that hinders the natural opening of the fruit for seed liberation. Next are several layers of palisade cells with thin cellulosic walls, apparently devoid of reserve substances but probably having some water content, ending in thick-walled cells with irregular outline. Endocarp comprises 3–4 layers of simple fibers and some sclereids and stone cells can be also observed (Fig. 8). Figure 9 shows a cross section of fruit base and its respective vascularization, and Figure 10 shows a detail of fruit stalk.
![]() | ![]() |
| Figure 7. Cross section of foliolule blade at the mid-rid level. 60X. | Figure 8. Cross section of fruit showing its internal structural organization, 16X. |
![]() | ![]() |
| Figure 9. Cross section at the fruit base and its respective vascularization, 14X. | Figure 10. Cross section of fruit stalk, 60X. |
The seed is elipsoid in contour and smooth-textured. Its extraction from fruit is hard because it is surrounded by rigid endocarp tissues. Micropyle and hilum are located close to each other and at the slender end of the seed. Embryo axis is straight and about 3 mm long; cotyledons are 5 mm long, filling most of the tegumentary space (Fig. 11). In cross section, the external tegument can be observed, with its high, cellulosic-walled, thick-cuticled epidermal cells. The internal tegument has up to 8 layers of cells with thick cellulosic walls and round in outline (Fig. 12). Short, straight embryo axis and large cotyledonar blades enclosing many reserve substances and abundant endosperm are confirmed (Figs. 11 and 13). Figure 14, a lengthwise section at cotyledonar node level, shows hypocotyl axis and cotyledonar blade with a hint of a procambium.
![]() Figure 11. Aspect of embryo organization, showing the upright axis, large cotyledon and hint of procambium. | ![]() | |
| Figure 12. Aspect of teguments and endosperm, 90X | ||
![]() | ||
| Figure 14. Longitudinal section of embryo axis showing the insertion of cotyledon at the node level and hint of procambium, 16X. | ||
![]() | ||
| Figure 13. Aspect of abundant endosperm, 90X. | ||
Pollen grains present the following characteristics (Figs. 15 and 16): smooth and thin exine 1.25 ± 0.0 μm, subtriangular in polar view, diameter 37.5 ± 1.0 μm, subprolate P/E = 1.28, mean polar diameter 41.0 ± 2.0μm, equatorial diameter 32.0 ± 2.2 μm.
![]() | ![]() |
| Figure 15. Pollen grain in polar view, 460X. | Figure 16. Pollen grain in equatorial view 460X. |
Discussion
Although this paper does not deal with taxonomy, it is suitable to mention the divergences existing in literature on the taxonomic position of Prosopis juliflora (Sw) dc.
Burkart (1976), in his monograph on the genus Prosopis (Mimosoideae), writes Prosopis glandulosa (= P. juliflora). Paula (1983 and 1985) mentions Prosopis glandulosa Torrey (= P. juliflora (Schwartz) dc “algaroba”), as referred to in the Index Kewensis. Souza and Tenório (1982), following Burkart's classification, place Prosopis juliflora (Sw) dc in Section VI - Algarobia dc, while Leelavathi and Ramayya (1982) refer to P. juliflora in the study of trichomes for taxonomic purposes. On the other hand, Bragg (1982) refers to Prosopis glandulosa as a distinct taxon. In this paper, the species was considered as Prosopis juliflora (Sw) dc.
The root of Prosopis juliflora presents a normal internal structure common to Dicotyledoneae (tetrarch protostelic root). Malhotra and Misra (1983) report a new tannin in Prosopis juliflora roots. However, tannin was not detected in the material examined in this research, but only starch grains. It is possible that different methods lead to different results. In can also be argued that plant age was not sufficient to have synthesized such a substance (Cutter, 1969). The transition zone is long, stretching from the subereous region to cotyledon level. The inversion of vascular tissues occurring along that region slows up water flow to the stem. Consequently, there is a retention of water in the stem. It is known that in species of epigeal germination, like Prosopis juliflora, aerial branching takes place from the epicotyl region when the plants are adult, while the hypocotyl corresponds to the commercial part of the wood, the bole. It is probably here that most water retention takes place in Prosopis juliflora. This fact favors the evergreen condition of this plant, which enables it to bloom and bear fruit even in long dry periods. Kozlowski (1971) mentions the different coloration between softwood and heartwood at the transition zone of certain tree species, which might be due to the higher water retention for longer periods in the wood, as in the case of Prosopis juliflora.
Roth (1966), referring to the root-shoot transition zone, says that this zone is of special interest not only from the viewpoint of plant development, but also from the viewpoint of philogenetic considerations. The author then states that the connection between the root and shoot is completed, in general, at the hypocotyl region. This fact seems to be characteristic of plants growing in locations with water deficit.
Paula and Hamburgo Alves (1980), and Prazeres and Hamburgo Alves (1980) refer in turn to certain characteristics of the internal structure of some species occurring at the “caatinga” region, considered in some aspects as xeromorphism. The long transition zone in Prosopis juliflora can perfectly be understood against this background, according to Hills (1982), and Zimmermann and Brown (1971). Barros et al. (1981) say that this plant presents xerophilous characteristics, but they do not explain them. The significant ecological interest of the transition zone is mentioned among the results of this research. A hypodermis is formed beneath the epidermis of the epicotyl, but it is better observed in the secondary structure. Leelavathi and Ramayya (1983) and Shah and Rangayya (1982) refer to the occurrence of trichomes in Prosopis juliflora. In the material examined in this research, trichomes were not detected in any aerial organs of this species. As trichome presence is determined ecologically, the change of location could account for their absence.
Lima (1985) refers to the fruit of Prosopis juliflora as a pod. Barros (1984) classifies the fruits of genus Prosopis as a drupaceous loment. According to these studies, the fruit of Prosopis juliflora cannot be considered simply a dry fruit as a common pod or legume, because it contains a high proportion of water and perhaps other kinds of substances in its cells which make it a fleshy fruit. In fact, it is never completely dry, at least in the conditions under which this research took place. It normally hinders seed liberation by not opening (Trobok, 1985), a fact which can also be a constraining factor for seed dispersal. Lima (1985) and Muthana (1985) state that it is very hard to extract the seed from P. juliflora fruit. According to the research conducted in this study, the structural organization of Prosopis juliflora seeds hardly permits, if at all, natural absorption of water; furthermore, the funicle scar and micropyle are completely obliterated. These facts are mentioned by Cutter (1972) as common characteristics for the leguminous species. On the other hand, the nature of Prosopis juliflora seed teguments affords them effective protection against aggressive environmental factors, particularly in semi-arid regions.
The short embryo axis and the large cotyledons rich in reserve substances, in turn, permit rapid growth for the seedling and prompt establishment in the soil. In a preliminary germination test, it was determined that under natural conditions, the seeds take a period of about 30 days to germinate. The cotyledons hold at the seedlings for a further 30 days, until complete exhaustion occurs.
The morphological characters of Prosopis juliflora pollen grains are similar to those pointed out by Eames (1961) and Barroso (1984). This makes it possible for the flowers to be pollinated by both wind and animals, thereby enhancing fertilization capability and consequently providing greater seed production.
Conclusions
References
azevedo, g., 1960: “Algaroba,” Rio de Janeiro, M. A. Serv. Inf. Agric. Sér. sia. No. 843.
barros, n.a.m.t.; nobre, f.v.; azevedo, c.f.; barbosa, c.a.n. and brandao, f.n., 1981: “Boletim Técnico No. 5,” Natal-rn, emparn pp. 5–34.
barroso, g.m., 1984: “Sistemática de Angiosperma do Brasil,” Viçosa. Impr. Univ. Universidade Federal de Viçosa. 2 V.
braga, r., 1976: “Plantas do Nordeste, Especialmente do Ceará,” Mossoró. ii Congreso Brasileiro de Florestas Tropicais. Escola Superior de Agricultura de Mossoró. Coleção Mossoroense. Vol. 42. 540 p.
bragg, l.h., 1982: “Scanning electron microscopic comparison of the seed coats of Prosopis glandulosa and Prosopis pallida,” Scanning Electron Microscope 1982 (1): 213–220.
burkart, a., 1937: “Estudios morfológicos y biológicos en el género Prosopis,” Darwiniana 3: 27–48.
burkart, a., 1976: “Monograph of the genus Prosopis (Leguminosae, Sub-fam. Mimosoideae),” J. Arnold Arb. 57 (3): 219–249.
cutter, e.g., 1969: “Plant anatomy: Experiment and interpretation,” Part. 1. Cells and Tissues, Reading. Addison-Wesley Publishing Company. 168 p.
cutter, e.g., 1972: “Plant Anatomy: Experiment and interpretation,” Part 2., Organs, Reading. Addison-Wesley Publishing Company. 343 p.
eames, a.j., 1961: “Morphology of the Angiosperms,” Bombay. Tata McGraw-Hill Publishing Co. Ltd. 518 p.
erdtman, g., 1966: “Pollen morphology and plant taxonomy,” Angiosperms (An Introduction to Palynology I). New York. Hafner Publishing Company, 553 p.
hills, f.s., 1982: “Resistencia a seca e eficiencia no uso da agua,” In: I Simpósio Brasileiro sobre Algaroba, Natal. emparn (emparn. Documents, 7). 407 p.
Johansen, d.a., 1940: “Plant Microtechniqué,” New York. McGraw-Hill Book Company Inc. 523 p.
kozlowski, t.t., 1971: “Growth and development of These,” New York, Academic Press, 2 Vol.
leelavathi, p. and ramayya, n., 1982: “Trichomes in relation to taxonomy: 1. Mimosoideae,” Geophytology 12 (1): 6–21.
lima, p.c.f., 1985: “Research on species of the genus Prosopis at the Brazilian semi-arid region,” in: The Current State of Knowledge on Prosopis tamarugo, International Round Table on Prosopis tamarugo Phil, Arica, Mario Habit, fao Consultant, Editor, 464 p.
lima, p.c.f. and galvao, a.p.m., 1984: “A pesquisa com Algaroba desenvolvida pela embrapa/ibdf no Nordeste semi-arido,” Brasília, embrapa/ibdf, 21 p.
malhotra, s. and misra, k., 1983: “A novel tannin from Prosopis juliflora roots,” Curr. Sci. 52 (12): 583–585.
muthana, k.d., 1985: “Prosopis species development programmes in India,” In: The Current State of Knowledge on Prosopis tamarugo, International Round Table on Prosopis tamarugo Phil. Arica, Mario A. Habit, fao Consultant, Editor, 464 p.
paula, j.e. de, and hamburgo alves, j.l. de, 1980: “Estudo das estruturas anatomicas e de algumas propriedades físicas da madeira de 14 espécies ocorrentes em área de Caatinga,” Brasil Florestal, 10 (43): 47–58.
paula, j.e. de, 1983: “Exploração dos recursos naturais renováveis, conservação e preservação dos seus respectivos eco-sistemas,” Brasil Florestal, 13 (56): 5–9.
paula, j.e. de, 1985: “Estudo de madeiras indígenas, visando seu aproveitamento na geração de energia,” cnp, Atualidades, Brasília, 16 (92): 13–23.
prazeres, s.m. and hamburgo silva, j.l. de, 1980: “Algunos aspectos do desenvolvimento estrutural e fisiológico de Aspidosperma pyrifolium Mart. (Apocynaceae),” Brasil Florestal, 10 (43): 35–46.
rangayya, s.; shah, g.l. and rao, m.g., 1984: “Vessel elements in pericarp of some Mimosaceae,” Phytology 14 (2): 125–131.
roth, i., 1966: “Anatomía de las plantas superiores,” Universidad Central de Venezuela, Ediciones de la Biblioteca, Caracas, 357 p.
sass, j.e., 1958: “Botanical microtechnique,” The State College Press, Iowa, 28 p.
shah, g.l. and rangayya, s., 1982: “Pericarpeal trichomes in Mimosaceae: Structure and ontogeny,” Acta Bot. Indica. 11 (1): 1923.
souza, r.f. and tenorio, z., 1982: “Potencialidade da Algaroba no Nordeste,” in: Simpósio Brasileiro sobre Algaroba”, 1. Natal. emparn (emparn, Documents, 7), 407 p.
trobok, s., “Fruit and seed morphology of Chilean Prosopis (Fabaceae-Mimosoideae),” in: The Current State of Knowledge on Prosopis tamarugo, International Round Table on Prosopis tamarugo Phil., Arica, Chile, Mario A. Habit, fao Consultant, Editor, 464 p.
zimmerman, m.h. and brown, c.l., 1971: “Trees, structure and function,” New York. Springer-Verlag. 336 p.
Aracely Vidal Gomes
Wood Anatomy Laboratory
Universidade Federal de Paraná, Curitiba, Brazil
Graciela Inés Bolzón de Muñiz
Universidad Nacional de Santiago del Estero, Argentina
Introduction
The indiscriminate exploitation of the remaining arid and semi-arid tree species poses a risk to the ecological balance of these regions, accelerating the desertification process in many parts of the world.
The excessive logging of native drought-hardy species causes environmental deterioration, rendering the recuperation of the devastated plant cover, already limited by water deficit, much more difficult.
In an attempt to revert this process, extensive research is being carried out in many countries.
The solution to this problem may consist of afforesting arid and semi-arid regions with exotic or native drought-hardy tree species offering multiple advantages, such as timber and forage production, edible fruits, uncomplicated cultivation, etc.
Among the many possible species that could be used in the afforestation of such regions, those of the genus Prosopis have shown excellent adaptability and good production levels.
Much research has been conducted on the utilization of Prosopis species as a source of fodder, timber, fuelwood and charcoal, edible fruits; support to apiculture; soil enrichment through nitrogen fixation, organic matter and water contribution; in the production of alcohol, tannins and gum; in the improvement of saline areas; in association with other crops, etc. (Koutche & Carmelich, 1936; Contreras Tapia, 1982; Felker et al., 1982; Karlin & Ayerza, 1982; Lima, 1982; Sudzuki, 1982; Lima, 1984).
Emphasis has been laid mainly on their silvicultural qualities and as fodder producers; wood anatomy studies have received less attention (Cozzo, 1951; Tortorelli, 1956; Muñiz & Gómez, 1981; Villalba, 1985; Muñiz, 1986).
National and international meetings on Prosopis have greatly contributed to spreading knowledge on behavior, properties and potentialities of species of this genus used for reforestation, afforestation and for enriching the arid and semi-arid plant cover throughout the world.
This work aims at contributing to the knowledge available on the wood structure and ultrastucture of Prosopis caldenia and P. chilensis, from Argentina, and P. juliflora, from Peru and introduced in Pernambuco, Brazil.
The possible influence of climatic factors on wood structure is discussed, particularly regarding pluviosity and temperatures occurring in the zones where samples were collected (Atlas Climatológico do Brasil, 1969; Papadakis, 1973; Ledesman, 1973; Bruchmann, 1981).
Material and Methods
The species studied were:
For the optical microscope study, wood samples were cut with an ao Spencer Microtome, Model 860; cross, radial and tangential sections were stained with acridine red, chrysoidine and Astra blue, dehydrated in alcohol, xylene and mounted in slides with “Entellan.” Macerated tissue, obtained by the Jeffrey method and stained with safranine, was also mounted in slides.
For the ultrastructural study, 80 μm–120 μm-thick wood sections or small blocks were prepared, dehydrated and covered with a 200 Amstrong gold layer in a “Sputtering scd 030,” of Balzers Union.
Photomicrographies were taken through a Photomicroscope Carl Zeiss and electromicrographs through a Scanning Electron Microscope Philips sem 505, at 15 kW.
Histometric data were obtained according to the recommendations of Copant (1973), modified by Muñiz (1986).
Results
Prosopis caldenia Burk. (figures 1–4):
Microscopic description of the wood
Vessels: Constitute about 14% of the wood volume; wood ring-porous, with larger vessels grouped at the beginning of the growth ring, invisible to the naked eye, visible with a 10× lens. Vessels solitary, elliptical or rounded in cross section, plus radial and tangential multiples (2-3-5 vessels) and also in clusters; walls slightly thickened (2.5–5–8 μm); with thin vestured striations, visible only with a scanning electron microscope (sem). Vessels small to large, 20–115–240 μm in targential diameter; vessel elements short (30–180–290 μm); few to numerous, 4–14–40 vessels/mm2; appendices absent or present at one or both ends (20–38–70 μm). In tangential view, vascular lines winding to more or less geniculate, especially in small vessels, where some elements seem to derive through redifferentiation of axial parenchyma cells. Perforation plates simple, slightly oblique to horizontal. Intervascular pitting alternate, pits 3.5–7.5–9 μm, rounded vestured; pit apertures included, horizontally extended, sometimes coalescent. Vessel-parenchyma (2.5–5–7.5 μm) and vessel-ray (2,5–5–7 μm) pits similar to intervascular ones. Vessels, in heartwood, with gum-resin-like deposits.
Axial parenchyma: Represents about 46% of the wood volume; typically paratracheal, confluent in wide irregular bands; apotracheal diffuse parenchyma present in the middle of fibers, apart from continuous bands of apotracheal terminal parenchyma, which in part fuses with bands of paratracheal parenchyma at the growth ring's limit. Parenchyma cells fusiform or series of 2–4 cells (120–201–280 μm) high and 12–23–33 μm in diameter. Different-sized rhombohedric calcium oxalate crystals in chambers, forming vertical series in the parenchyma.
Rays: Represent about 12% of the total volume. All rays homogeneous, mostly normal; not numerous (3–6–9 rays/mm). Uniseriate scarce, extremely to very thin, 5–9–20 μm wide and extremely low, with 1–5–12 cells (22–55–145 μm) in height. Multiseriate rays varying from extremly low to low, with 5–32–61 cells (40–290–680 μm) high; extremely thin to narrow (20–52–65 μm), 2–4–7 cells wide; sometimes small calcium oxalate monocrystals present in procumbent cells.
Fibers: Fibrous tissue not abundant, constituting about 28% of the total volume; in irregular tangential bands; fibers libriform, non septate, often gelatinous; extremely short (500–1000–1250 μm); narrow, 12–15–19 μm in diameter; lumen diameter 5–9–15 μm; with very thick walls (2–3–5 μm).
![]() | ![]() |
![]() | ![]() |
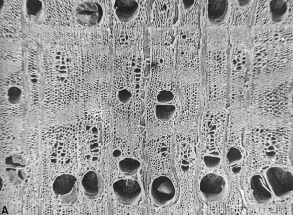
Figure 1. Prosopis caldenia Burk.: (A) Cross section, 50X. (B) Radial section, 5X. (C) Tangential section, 50X. (D) Tangential section, earlywood vessel witch intervascular pits, 200X. (E) Radial section, latewood vessel, 200X.


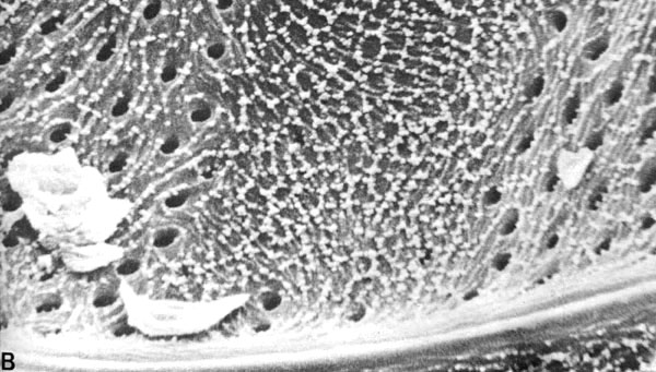
Figure 2. Prosopis caldenia Burk: (A) Transversal view showing annual growth ring, sem 81X. (B) Intervascular pit chambers with vestures, sem 5,240X.


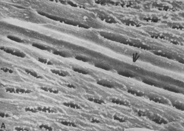
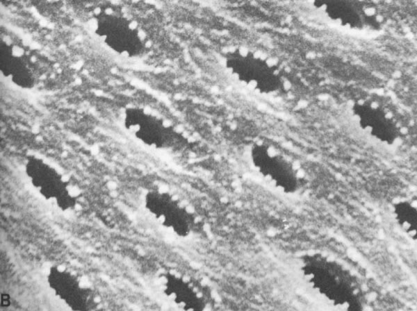
Figure 3. Prosopis caldenia Burk: (A) Vessel inner wall, showing simple perforation plate rim (arrow), vestured intervascular pits opening and striation, sem 2,620X. (B) Vessel inner wall, with vestured striation and vessel-parenchyma pits, sem 2,620X.
Sampling Site Climatic Data
Samples of Prosopis caldenia were collected in Santa Rosa, Province of La Pampa, Argentina. Temperature conditions are more or less similar throughout La Pampa (Koutche, 1935); during summer (d-j-f), mean temperature oscillates between 22.5° and 24.5° C, but maxima may reach 42° to 44° C.
During winter (j-j-a), mean temperatures oscillate between 7° and 9° C, but from May to October frosts occur often and minima may occasionally drop to -12° C.
As for pluviosity, the amount af rain at different sites may vary from 420 to 630 mm/year, but in rainy years it may reach 700 mm and in dry years it may be as little as 300 or 250 mm.
Figure 4-C shows a mean temperature curve (t) recorded for one year in La Pampa; P1 depicts, month by month, the pluviosity curve at Eng. Foster, the driest site in La Pampa; P2 depicts the pluviosity curve at Victorica, the most humid site. Observations made at these sites show alternation of rainy and dry years, the latter being more frequent (Koutche & Carmelich, 1935).
This difference in annual precipitation values is reflected upon the development of annual growth rings, as many be observed in Fig. 4-A, in the cross section of Prosopis caldenia wood sample collected at a dry site similar to Eng. Foster.
At La Pampa, summer is the rainiest season; from November on, precipitation increases to a maximum in December and January, and a significant decrease in February; twice again, in March and May, successive lower maxima occur, dropping to a minimum during winter (June to August).
When the rainy season starts in November, the cambium, dormant for about 5 months, is stimulated and a new growth ring starts to form. At this time (d-j), the large-diameter vessels, mostly solitary, characteristic of P. caldenia ringporous earlywood, are formed.
Simultaneous to the pluviosity (p) decrease, a reduction in diameter of vessels formed by the cambium occurs, which are more often grouped in radial multiples and clusters.
Figure 4-B depicts the vessel diameter variation in P. caldenia growth rings, where it may be observed that: i) decrease in pluviosity seems to coincide with the production of vessel multiples with smaller diameter, and ii) any increase in pluviosity values corresponds to a slight increase in vessel diameter.

Figure 4. Prosopis caldenia: Cross section of the wood, 50X.
Tangential diameter of vessels (μm)

Month of the year

Month of the year
Prosopis chilensis (Mol.) Stuntz (figures 5–7)
Microscopic description of the wood:
Vessels: Constitute about 12% of wood volume; diffuse-porous, tending to semi-ring porosity, evidenced not so much by the difference in vessel diameter but by the accumulation of larger vessels in the beginning of the growth ring: vascular lines, in tangential view, undulate, irregular, often geniculate; vessels numerous to very numerous, 2–18–36/mm2; solitary, in radial multiples (2–4) and clusters of small vessels. Tangential diameter small to large (20-90-190 μm); of medium thick walls (2.5–4–7 μm); with tenuous vestured spiral striations (sem). Vessel elements very short to short (37–130–188 μm); without appendices or with short ones (5–35–70 μm) at one or both ends. Perforation plates exclusively simple, transverse in large vessels, inclined to 45° in small vessels. Vessels in heartwood often filled by resin-like organic inclusion. Intervascular pitting alternate, small (2.5–5–8 μm), oval vestured, with lenticular horizontal to slightly oblique openings, often shortly coalescent. Vessel-parenchyma pits (2.5–5–7 μm) and ray-parenchyma pits (2.5–5–6 μm) alternate, semi-bordered, similar to intervascular pits.
Axial parenchyma: Constitutes about 37% of the wood volume; typically paratracheal, vasicentric, aliform, confluent; diffuse apotracheal parenchyma, often crystalliferous, also present. Growth rings beginning is characterized by an initial paratracheal parenchyma band which surrounds the large vessels, sometimes with accretion of a scant marginal apotracheal parenchyma. Parenchyma cells seriate, series 2–4 cells high, or fusiform, 150–205–250 μm high and 10–23–32 μm wide; frequently crystalliferous, with rhombohedric calcium oxalate monocrystals in vertical series of chambers.
Rays: Constitute about 13% of the wood volume; homogeneous, normal; few (4–5–6/mm). Uniseriate rays scarce, extremely low (25–74–137 μm), 1–7–12 cells high; extremely narrow (9–12–20 μm). Multiseriate rays extremely low to low (37–370–800 μm), 13–36–67 cells high; extremely thin to narrow, 2–5–7 cells (25–49–70 μm) wide. Occasionally, small calcium oxalate solitary crystals occur in some procumbent cells.
Fibers: Fibrous tissue composing about 38% of the wood volume, arranged in irregular tangential bands. Fibers libriform, without septs, frequently gelatinous; extremely short to short (550–998–1200 μm); narrow, 10–12–16 μm in diameter; lumen with 5–7-6 μm; with very thick walls (2–4–6 μm).
![]() | ![]() |
![]() | ![]() |
Figure 5. Prosopis chilensis (Mol.) Stuntz: (A) Cross section, 50×. (B) Radial section, 50×. (C) Tangential section, 50×. (D) Tangential section, detail of rays, 125×. (E) Fusiform, seriate and crystalliferous axial parenchyma, 200×.


Figure 6. Prosopis chilensis (Mol.) Stuntz: (A) Vessel inner wall with vestured spiral striations and intervascular pits; the arrow indicates perforation plate rim, sem 2,400×. (B) Intervascular pit chambers with vestures, sem 5,000×.
Sampling Site Climatic Data
The Prosopis chilensis wood studied was collected at the southern region of Catamarca, close to Santiago del Estero. The part of the Chaco Region which comprises southeastern Catamarca, Santiago del Estero, northern Cordoba, eastern Salta and northeastern Chaco, represents the South American “pole of heat,” with a temperature variation which may reach 56.6° C (Santiago del Estero, 1901–1966: absolute maximum 46.6° C in January and absolute minimum -10° C in July). According to Ledesma (1973), at the beginning of spring (s-o), this region lacks rains, with low temperature minima; by the end of October there is a rapid rise in temperature, but the soil remains dry and the plants are still dormant. From November on, the temperature rises more and the rain, not abundant at first, increases in intensity from December till March. During this period, which extends from the end of spring (n) to the end of summer (d-j-f), the amount of rainfall represents 80% of the annual precipitation. In spite of more abundant rains, this is the driest season due to high temperatures, with a maximum of up to 47° C, and to high levels of evapotranspiration, responsible for an average annual water deficit of about 600 mm. Autumn is the most humid season; with lower temperatures, a marked decrease in evapotranspiration occurs, with values approaching those of rainfall.
In spite of the fact that this latter represents only 20% of the yearly total, drizzles or heavy fogs, which can last up to a month, maintain soil humidity, due to the scant evaporation, to decreasing temperatures and lack of winds.
Figure 7-A shows a cross section of P. chilensis wood, with larger vessels formed at the beginning of the growth ring, with a gradual decrease in diameter until the end of the growing season (mid April or early May), when production of new cells stops and the cambium becomes dormant for about 5 months. The curve depicting the decrease in vessel tangential diameter can be observed in Figure 7-B, measured in a typical P. chilensis growth ring. In Figure 7-C, the average maximum (t1), average minimum (t2) and average extreme minimum (t3) temperatures, precipitation (p) and evapotranspiration (e) may be observed.

Figure 7. Prosopis chilensis: Cross section of the wood, 30X.
Tangential diameter of vessels (μm)

Month of the year

Month of the year
Prosopis juliflora (Sw.) dc (Figures 8–13)
Microscopic description of the wood:
Vessels: Constitute about 18% of the total volume; diffuse-porous. Vessels visible with a 10× lens; vascular lines irregular to slightly tortuous in tangential view; few to numerous (2–14-12/mm2); mostly solitary, often geminate, few radial multiples of 3–4 vessels and in clusters; when solitary, with a circular or oval cross section, polygonal in multiples; tangential diameter small to large, with 80–190–240 μm); walls more or less thick (2.5–10–12 μm). Vessel elements very short to short (40–207–300 μm); without appendices or present at one or both ends, short (30–40–70 μm). Vessel inner wall with thin, vestured, spiral or irregular striations (sem). Perforation plates exclusively simple, transverse in larger vessels to slightly oblique in smaller ones. Heartwood vessel; often filled by resin-like organic inclusion. Intervascular pitting alternate, small (2.5–6–8 μm), ovalshaped, with lenticular, horizontal to slightly oblique apertures, often short-coalescent up to 3 pits. Vessel-parenchyma pits and ray-parenchyma pits (2.5–6–7 μm) alternate, similar to the intervascular ones.
Axial parenchyma: Not abundant, constituting about 16% of the total volume; invisible to the naked eye and visible, with difficulty, with the 10× lens; typically paratracheal, vasicentric, aliform to fluent; also with scant diffuse apotracheal parenchyma present. Parenchyma cells fusiform and seriate, series 2–4 cells (100–195–245 μm) high and 12–27–35 μm wide. Chambered rhombohedric calcium oxalate solitary crystals, in vertical crystalliferous series, frequent in the whole parenchyma.
Rays: Constitute about 18% of the wood volume; homogeneous, mostly normal, sometimes aggregated or fused; few to numerous, 5–7–10/mm. Uniseriate rays very rare, extremely narrow (5-8-12 μm) and extremely low (25–62–150 μm), 2–5–8 cells high. Multiseriate rays extremely low to low, 130–403–900 μm and 10–30–130 cells high, thin to narrow, 2–5–8 cells (20–40–70 μm) wide. Occasionally small calcium oxalate solitary crystals present in procumbent cells.
Fibers: Fibrous tissue abundant, constituting about 48% of the wood volume; in regular tangential bands. Fibers libriform, non separate, often gelatinous; extremely short to short (620–1009–1228 μm); narrow, 10–13–18 μm in diameter; walls very thick (1.5–2.5–4.5 μm).
![]() | ![]() |
![]() | ![]() |
Figure 8. Prosopis juliflora (Sw) dc; (A) Cross section, 50X. (B) Radial section, 50X. (C) Tangential section, 50X. (D) Radial section, showing homogeneous rays and crystalliferous axial parenchyma, with vertical series or rhombohedric solitary calcium oxalate crystals in chamber, 400X.
![]() | ![]() |
![]() | |
![]() | |
![]() |
Figure 9. Prosopis juliflora (Sw) dc: Macerated wood tissue of P. juliflora, showing several types of vessel elements, similar to those found in other Prosopis species. All photomicrographs enlarged 200X.


Figure 10. Prosopis juliflora (Sw) dc: (A) Transversal aspect, sem 78X. (B) Tangential aspect, sem 326X.


Figure 11. Prosopis juliflora (Sw) dc: (A) Inner vessel wall, with simple perforation plates, vestured striation and vessel parenchyma pit opertures, sem 1,310X. (B) Vestured intervascular pits and striation, sem 5,000 ×.


Figure 12. Prosopis juliflora (Sw) dc: (A) Intervascular pit chambers with vestures, sem 5,000 X. (B) Vessel inner wall with slightly vestured vessel-ray pits, sem 5,000 X.
Sampling Site Climatic Data
The Prosopis juliflora wood studied was collected at Petrolina, Pernambuco, at an altitude of 365 m above sea level, with annual precipitation of about 750 mm, semi-arid hot climate and an annual average temperature of 25° C, having maxima up to 40° C and minima of 12° C (Atlas Climatológico do Brasil).
This species, brought from Peru, grows in sites with annual rainfall from 150 mm to 740 mm; from sea level up to an altitude of 1,500 m.
Figure 13-A depicts a cross section of P. juliflora wood, showing diffuse porosity. The curve in B represents the variation in vessel tangential diameter in a typical growth ring.
C shows temperature curves (maxima: t1, average: t2, minima: t3); rainfall (p) and evaporation (e), corresponding to the average observed in Petrolina over a 3-year period (January 1979 to December 1981), when annual pluviosity averaged 572,2 mm and thermal amplitude 17.8° C (Lima, 1982).
Observing the cross section of the wood in a, it is possible to recognize a correspondence between pluviosity indexes and vessel diameter. At the beginning of the growth ring, medium sized vessels are formed, coinciding with the beginning of the rainy season.
In November, notwithstanding the precipitations occurring (p), the higher temperature (t) and high avaporation indexes (e) do not favor the formation of maximum diameter vessels. These are probably formed from December until April, when the precipitation reaches a peak, approaching or even exceeding the evaporation level, thus reducing the hydric deficit. By late March or early April, with lower rainfall levels, medium sized vessels and few small-sized vessels are formed.

Figure 13. Prosopis juliflora: Cross section of the wood, 30X.
Tangential diameter of vessels (μm)

Month of the year

Month of the year
Discussion
The analysis of the wood structure of all three species makes some facts evident. Variation in porosity type seems to be influenced by climatic factors, such as pluviosity and thermal amplitude.
Careful observation of the wood samples of all three species shows a correlation between rainfall values and the prevailing porosity type in a given growth ring.
In P. caldenia, which grows in extremely dry regions of La Pampa, with annual precipitation usually below 450 mm and thermal amplitude stretching as far as 56° C, ring porosity is the predominant type. In P. chilensis, from southeastern Catamarca, with an annual precipitation varying from 500 to 700 mm and with thermal amplitude attaining about 57° C, the prevailing type is semi-ring-porous.
As for P. juliflora, the diffuse porosity observed may be related to slightly higher precipitation levels (550–750 mm or more), with higher average temperatures, and thermal amplitude (26° C–28° C or less) lower than that observed at Catamarca or La Pampa, Argentina.
These data are in line with the observations made by Villalba (1985) in Prosopis flexuosa, from the Ñancuñán Ecological Reserve at Mendoza, Argentina.
In this species, porosity varies from diffuse, characteristic of wider growth rings formed during rainy years, to semi-ring-porosity, correlated with drier years.
The same observation was made by Roig (1986) in Adesmia borrida (Leguminosae, Papilionoideae) collected at Uspallata Mountain, in Mendoza. The comparison of porosity between Adesmia wood samples collected at the western slope, with annual precipitation of some 100 mm, and those collected at the eastern slope, with 250 to 350 mm rainfall/year, showed the occurrence of ring porosity in samples from the drier slope and semi-ring-porosity in those from the more humid slope.
According to Baas et al. (1983), Baas & Carlquist (1985), Carlquist & Hoekman (1985), plants growing in arid regions show a tendency to shortening of vessel elements, a fact observed in the three Prosopis species examined. Often the wood from species growing in arid regions presents a combination of larger earlywood vessels (adapted for efficient water transportation during the rainy season), with numerous radial multiples and/or clusters of smaller latewood vessels (which represent a better insurance against negative pressures and embolism during unfavorable drier periods).
This adaptive tendency for rapid water transport in earlywood and for higher insurance against embolism in latewood is evident in both P. caldenia and P. chilensis. In P. juliflora the tendency leans towards more efficient transport than towards security, as fewer small-sized vessels are formed medium-sized to large vessels predominantly occurring, whose formation coincides with higher rainfall levels. According to Baas (1983), a 20% increase in vessel inner diameter causes a corresponding 50% increase in conduction capacity.
Considering that the precipitation levels needed to induce a certain porosity type may vary from one species to another, it is necessary to conduct more research on Prosopis wood, mainly on P. juliflora wood from other provenances with rainfall lower than 250 mm/year and from more humid sites (1,000 mm/year or more), to establish a more effective comparison.
Spiral thickenings or similar structures occur less frequently in vessels of xerophytic species (Baas, 1983) than in those of other environments. In five Prosopis species studied by Muñiz (1986) and in three studied here, the vessel's inner walls pressent only tenuous spiral or irregular striations, with vestures similar to those of the intervascular pits which are characteristic of Leguminosae. These vestured striations appear, to a major or minor degree, in all species examined and seem to be characteristic for the genus Prosopis.
As for the physiological or ecological relevance of these striations and vestures, one may only assume that their occurrence may enhance resistance to negative pressures and embolism in vessels, due to increase in surface contact of vessel walls with the water column within.
References
i simposio brasileiro sobre algaroba, 1982, Vol. i-ii, Natal, emparn, 1982. 407 p. illust. (emparn, Document 7) 96 p. (Documents, 8).
atlas climatologico do brasil, 1969 (Reedition of selected maps), Ministério da Agricultura, Escritório Central de Planejamento e Controle - eceplan. Escritório Central de Meteorológia. Rio de Janeiro.
baas, p. and carlquist, s., 1985: “A comparison of the ecological wood anatomy of the floras of southern California and Israel,” iawa Bulletin, Vol. (4): 349–353.
bruchmann, e.t., 1981: “Climatología general y agrícola de la provincia de Santiago del Estero,” Univ. Nac. de Tucuman, Publ. No. 1301, p. 199.
carlquist, s., 1975: “Ecological Strategies of Xylem Evolution,” Univ. California Press, Berkeley-Los Angeles-London, 259 p.
carlquist, s. and hoekman, d.a., 1985: “Ecological wood anatomy of the woody southern California flora,” iawa Bulletin, Vol. 6 (4) 319–347.
copant - Comisión Panamericana de Normas Técnicas, 1973. 30:1–019.
contreras tapia, d.l., 1982: “Distribução, productividade e manejo de ecossistemas naturais e artificiais de tamarugo e algaroba no Chile. First Brazilian Symposium on Prosopis juliflora, emparn, Natal, Vol. II, p. 25–96.
cozzo, d., 1951: “Anatomía del leño secundario de las Leguminosas, Mimosoideas y Caesalpinioideas argentinas silvestres y cultivadas,” Buenos Aires, Rev. del Inst. Nac. de Invest. de las Ciencias Naturales, Ciencias Botánicas, Tomo iii, No. 2: 63–158.
fao, 1985: “Estado actual del conocimiento sobre Prosopis tamarugo,” Ed. Mario A. Habit. Universidad de Tarapacá, Chile.
felker, p.; clark, p.r.; osborne, j.f.; cannell, g.h., 1982: “Produção de vagens de Prosopis - uma comparação de germoplasma norte americano, sul americano, havaiano e africano, em plantações de 3 a 5 anos de idade,” First Brazilian Symposium on Prosopis juliflora, Natal - rn, Vol. I:112–145.
karlin, v.o. and ayerza, r., 1982: “O programa da algaroba na República Argentina,” First Brazilian Symposium on Prosopis juliflora, Natal, RN, Vol. 146–197.
koutche, v. and carmelich, j.n.f., 1935: “Contribución al conocimiento de los bosques de la República Argentina - Estudio Forestal del Calden (Prosopis algarrobilla, Grist),” Boletín del Ministerio de Agricultura de la Nación, Vol. xxxvi (Nos. 1 to 4): 1–22, Buenos Aires, Argentina.
ledesma, n.r., 1973: “Características climáticas del Chaco Seco, Buenos Aires, Ciencia e Investigación, Vol. 29 (7-8-9-10): 168–181.
lima, p.c.f., 1982: “Comportamento de Leucaena leucocephala (Lam) de Wit comparado com Prosopis juliflora (Sw) dc e Eucalyptus alba Reinew. ex Blume em Petrolina (Pe), Região Semi-Arida do Brasil,” Curitiba, Master's Degree Dissertation. Univ. Fed. do Paraná. Sector de Ciencias Agrárias, Post-Graduate Studies in Forestry.
lima, p.c.f., 1984: “Espécies potenciais para reflorestamento em regiões semi-áridas,” In: Seminario sobre Potecialidade Florestal do Semi-árido Brasileiro, I. João Pessoa, 1984. Edição Especial de Silvicultura, 10 (37).
mendes b.v., 1984: “Potencialidade de Utilização da Algarobeira,” First Seminar on Forest Potential of the Brazilian Semi-Arid Zone, João Pessoa, Silvicultura, Year x, No. 37: 26–27.
muñiz, g.i.b., 1986: “Descrição de estrutura e ultraestrutura da madeira de cinco espécies de Prosopis da Argentina e análise da metodologia,” Curitiba, Thesis for Master's Degree. Univ. Federal do Paraná. Sector de Ciencias Agrárias, Post Graduate Studies on Forestry.
muñiz, g. b. i. and gomez, a. v., 1981: “Caracteres anatómicos de la madera de Prosopis ruscifolia y su evolución,” Cuadernos de la unse, Santiago del Estero, Argentina, Serie Didáctica. Vol. i, No. 1:1–12.
paradakis, j., 1973: “La región chaqueña - ecología, suelos, posibilidades agropecuarias,” Buenos Aires, Ciencia e Investigación, Vol. 29 (7-8-9-10): 182–201.
roig, f.a., 1986: “The wood of Adesmia borrida and its modifications by climatic conditions,” Leiden, iawa Bulletin, Vol. 7 (2): 129–135.
i semiflora - I Seminário Sobre Potencialidade do Semi-Arido Brasileiro, 1984. João Pessoa, Silvicultura, Year X, No. 37.
sudzuki, f., 1982: “Aspectos fisiológicos de importancia prática no cultivo de Prosopis,” First Brazilian Symposium on Prosopis juliflora, Natal, rn, emparn, pp. 55–89.
tortorelli, l.a., 1956: “Maderas y bosques argentinos,” Buenos Aires, acme, 910 p.
Stage I
Francisca M. Galera
Associate Professor of Agricultural Ecology
Faculty of Agricultural and Livestock Sciences
L. Ramírez
Associate Professor of Genetics
Faculty of Exact, Physical and Natural Sciences
L. Argüello
Biologist, cernar
N. Rubin
N. Julio
Genetics, Faculty of Exact, Physical and Natural Sciences
Universidad Nacional Córdoba, Argentina
Introduction
Prosopis spp. is one of the most plastic genera among Argentine trees. Of the once vast forests, only relicts are left. Permanent encroachment upon forests throughout the country and in Córdoba, caused by the critical spread of deforestation for timber extraction, livestock raising and agriculture, is a negative situation perceived as such not only by those interested in a correct and integrated management of the country's resources, but also by world organizations. Of the 44 species recognized for this genus, widely distributed in South, Central and North America, Africa and Asia, 32 have been cited by Burkart (1952, 64) for Argentina.
Luti et al. (1979) cited 17 species for Córdoba, distributed within the Chaqueña and Espinal phytogeographic provinces (Cabrera, 1976). Research conducted by Galera et al. (1984) showed that in the northwest of the Province of Córdoba there are 13 species with some varieties. The presence of such number of species within a small sector suggested the existence of a diversification center.
The importance of the genus from a practical viewpoint, the taxonomic difficulties it presents, its retreat and the aforementioned reasons prompted the undertaking of this project, which aims at the establishment of a germplasm bank. Fundamental aspects related to conservation, improvement, utilization and exchange, such as establishing genetic patterns and their relation with environmental patterns, are covered first.
Material and Methods
The importance of conserving the plasticity of this genus, added to the taxonomic difficulties it presents, called for the design of a sampling system which would make it possible to cover the entire northwest area of the Province of Córdoba, where work was started. The sampling method had to take environmental gradients into account and permit the performance of statistical tests, so as to determine the possible existence of a genetic flow along some environmental gradient.
Landsat color images at an approximate scale of 1:250,000 were used for the Province of Córdoba, and 1:20,000 aerial photos were used for the specific area mentioned above.
Forty-two 135-km2 grids were established for the are shaped sector shown in Map 1, bordering in the east with ridges and in the west with an enclosed saline basin. Fourteen of these grids comprise ridges or salt basin, 26 cover forests or communities growing at cleared or logged-out areas; and two grids comprise areas modified by farming or housing.
Considering that genetic variation is a response to the environment, randomized stratified sampling has been carried out. Homogeneous communities were used as algorithms for stratification in the aforementioned remote sensing elements and in the grids. Random samples were collected and individuals marked within a grid that receives environmental variation, with known intervals. The number of points was set at 10. In some cases, all the individuals found were included, even when they presented poor phenotypic appearance.
The minimum number for each point was five individuals separated from one another by at least 30 meters. The sampling intervals are small compared with those suggested in literature (1/2 to 2 degrees), as a result of the high variability encountered. Each individual has been marked, identified and filed according to fao standards (1982); material for preservation, samples for herbarium have been collected, and photographs have been made. An additional file with drawings of branches, flowers, fruits and bark was prepared for each species, in order to corroborate any vegetative clue. Information was filed in a computer.
In order to differentiate some of the species coexisting in the area, electrophoresis in starch gels applied to 20-day-old cotyledon extract were carried out. These gels were developed for the peroxidase isoenzymatic system, which has proved efficient for identification and classification processes, since it detects clearly and accurately the existing polymorphism (Saidmann et al., 1979, and Naranjo et al. 1984).
Results and Preliminary Conclusions
Table 1 shows the species confirmed to date in Córdoba. The species previously mentioned by Luti et al. have been collected and identified, collecting as well some other varieties and ecotypes so for unidentified.
Of the 17 species, 15 occur at the Chaqueña phytogeographic province, western district, according to Cabrera, and 5 in what the same author calls Espinal phytogeographic province, 3 of which occurring at both areas.
The environmental variables selected on the basis of previous information from Galera et al are rainfall, temperature, slope, soil salinity and ash content, permitting the study of the ecologic and phenotypic variation modules and of genic flow.
The species sampled so far are Prosopis alba Gris, P. nigra Gris, P. pugionata Burk, P. strombulifera (Lam) Benth, P. chilensis (Mol.) Stuntz; individuals not clearly identifiable were collected and numbered according to a prearranged code.
A file was made for each species mentioned, storing the data in order to have all the elements required for subsequent location, collection and exchange of material.
From a genetic viewpoint, the analysis made it possible to identify, among others, prosopis alba Gris, since all the individuals analized show enzymatic pattern A (understanding by pattern the different band combinations appearing); Prosopis nigra Gris showed maximum variety with the patterns and the individuals described as 3.8.1 and 3.9.1 showed 3 and 5 patterns, respectively (see Chart 1 and Tables 2 and 3). All the patterns showed the isoenzyme labelled “B”, except F and G, wherefrom it could be inferred that the codifying gen could be characteristic to the genus and may be the one best adapted to the environment where the species analyzed coexist.
TABLE 1
Prosopis Species Identified for Córdoba
Prosopis alba Gris. “algarrobo blanco”
Prosopis algarrobilla Gris. “ñandubay”
Prosopis alpataco Phill. “alpataco”
Prosopis caldenia Burk. “caldén”
Prosopis campestris Gris. “alpataco chico”
Prosopis chilensis (Mol.) Stuntz “algarrobo blanco”
Prosopis elata (Burk.) Burk. “algarrobito,” “guaschillo”
Prosopis flexuosa D.C.
Prosopis humilis Gill. ex H. et A. “algarrobilla”
Prosopis kuntzei Harms “itin;” “barba de tigre grande”
Prosopis nigra (Gris.) Hieron. “árbol,” “el árbol,” “algarrobo negro”
Prosopis pugionata Benth. “alpataco”
Prosopis reptans Benth. “retortón”
Prosopis ruscifolia Gris. “vinal”
Prosopis sericantha Gill. ex H. et A. “barba de tigre chico”
Prosopis strombulifera (Lam.) Benth. “mastuerzo”
Prosopis torquata (Lag.) D.C. “tintitaco”
TABLE 2
| BANDS | |||||
|---|---|---|---|---|---|
| Pattern | a | b | c | x | y |
| A | - | + | - | - | - |
| B | + | + | - | - | - |
| C | - | + | + | - | - |
| D | - | + | - | + | - |
| E | - | + | - | - | + |
| F | - | + | + | - | |
| G | - | + | - | - | |
Peroxidase patterns of 20-day-old cotyledons.
TABLE 3
| Pattern | P. nigra | P. alba | 3.8.1 | 3.9.1 |
|---|---|---|---|---|
| A | 0.444 | 0.5556 | 0.25 | |
| B | 0.2778 | 1 | ||
| C | 0.1667 | 0.0556 | 0.625 | |
| D | 0.1667 | 0.125 | ||
| E | 0.2222 | |||
| F | 0.1556 | |||
| G | 0.0556 |
Relative frequencies of electrophoretic patterns from peroxidases in different species of the genus Prosopis.
References
burkart, a., 1952: “Las leguminosas argentinas silvestres y cultivadas,” acme Agency, B. Aires. :1–569.
burkart, a., 1964: “Leguminosas nuevas o críticas,” vi. Darwiniana 13:428–448.
cabrera, a.l., 1976: “Regiones fitogeográficas argentinas,” Enciclopedia Argentina de Agricultura y Jardinería (2):1–81. acme, B. Aires.
fao, 1982: “Proyecto fao sobre recursos genéticos para las zonas áridas y semi-áridas,” Documento de Diseño Básico ii.
galera, f. m. et al., 1984: “Primeros resultados del efecto de tala y rolado sobre el bosque xerofilico chaqueño en el Noreste de Córdoba, Argentina,” vii Meeting of Southern Cone Forage Group, November 5, 1984, Porto Alegre, Brazil.
luti, a.; solis, a; galera, f. m.; berzal, m.; herrera, m. and barrera, j.c., 1979: “Vegetación,” 297–367, In: Geografía física de la Provincia de Córdoba, vasquez, b.; miatello, r. and roque, m., (Ed.), Editorial Bolt, B. Aires.
naranjo, c.a.; poggio, l. and enus zeiger, s., 1984: “Phenol chromatography, morphology and cytogenetic in three species and natural hybrids of Prosopis (Leguminosae-Mimosoideae),” Pl. Syst. Evol. 144: 257–276.
ramirez nasto, l., 1982: “Caracterización de cultivares de centeno argentino (Secale cereale L.) mediante técnica de bandeo C y estudio isoenzimático,” p. 1–148, incl. figs. and tables. Ph. D. Thesis, Faculty of Biological Sciences, Universidad Complutense de Madrid, Spain.
saidman, b.o. and naranjo, c., 1979: “Variaciones de esterasas en poblaciones de Prosopis ruscifolia (Leguminosae),” Facultad de Ciencias Exactas y Naturales, Departamento de Ciencias Biológicas. u.n.b.a., p. 1–16, incl. fig. and tables. Mimeographed.