Page précédente Table des matières Page suivante


Chapitre 3
Collecte des informations sur le terrain

Ce chapitre examine les techniques pour recueillir des informations sur les questions foncières et les problèmes de gestion de ressources naturelles. Il est divisé en sections, chacune s'articulant autour d'un exemple d'objectif de recherche type sur les questions foncières (voir l'encadré de la page 16 au chapitre 2). Dans le cadre de l'objectif 1, on cherchait à déterminer les caractères physiques du territoire, et la première section est donc consacrée aux techniques les plus utiles pour collecter cette information. Les deux sections suivantes traitent des techniques qui permettent de mieux comprendre l'utilisation des ressources dans la communauté (objectif 2), ainsi que des règles qui régissent l'accès à ces ressources (objectif 3). L'objectif 4, qui est une synthèse du processus de recherche, est d'identifier les problèmes liés au régime foncier et à la gestion des ressources naturelles; il est traité au chapitre 4, qui porte sur l'analyse de l'information.

De brèves explications sur l'utilisation de chaque technique sur le terrain précèdent une liste de questions à poser au cours de l'enquête, qui ne sont là qu'à titre d'exemple pour illustrer comment chaque outil permet de mieux comprendre les questions foncières et de gestion des ressources. Ces listes ne sont pas exhaustives, et l'intention n'est pas d'étudier tous les thèmes proposés quand on se sert d'un outil. Dans la plupart des cas, la discussion d'un outil se termine avec un exemple pratique d'utilisation de cette technique au cours d'un diagnostic rapide récent. D'ailleurs, ces outils ont déjà été utilisés dans le cadre de nombreux diagnostics rapides un peu partout, même si la plupart des exemples viennent de travaux récents menés en Afrique occidentale. L'expérience a prouvé qu'ils pouvaient s'appliquer dans beaucoup de situations.

Il est important de remarquer que, même si le chapitre est articulé en sections centrées autour des objectifs définis ci-dessus, il existe dans la réalité un certain nombre de recoupements entre les informations recueillies à l'aide des différents outils de recherche. En effet, une carte peut être précieuse pour interpréter l'environnement physique, mais elle peut aussi servir pour discuter des questions d'utilisation des ressources. Par exemple, il est possible de poser des questions sur la mise en valeur d'un pâturage à un interlocuteur qui l'aura dessiné sur la carte. Un calendrier présente surtout l'utilisation des ressources, mais, au fur et à mesure qu'il se complète, il facilite la discussion sur la gestion de ces ressources. A celui qui raconte que les femmes ramassent les fruits de baobab à telle saison, on demandera s'il est nécessaire d'avoir une autorisation pour cette cueillette, car c'est en posant des questions sur les mêmes choses à l'aide de techniques et d'outils différents que le chercheur commence à appliquer sa technique de triangulation et à effectuer des recoupements au niveau des informations recueillies.

L'ordre dans lequel on a recours à ces techniques a peu d'importance, bien que celui qui est indiqué dans le chapitre soit souvent le plus logique, car il progresse d'une information simple et descriptive à des renseignements plus complexes sur l'environnement physique et social, pour passer ensuite à des informations sur la gestion, les régimes fonciers et les conflits, sujets qui peuvent davantage porter à controverse. La disponibilité des villageois et les activités saisonnières sont des facteurs qui peuvent déterminer l'ordre à suivre; il vaut mieux ne pas marcher en pleine canicule sahélienne pour dresser un transect de 10 kilomètres.

Ce chapitre met plus particulièrement l'accent sur l'utilisation des outils de diagnostic rapide pour collecter des informations. Mais il ne faut pas oublier pour autant que seulement 60 à 70 pour cent du temps sur le terrain est réellement consacré à la collecte d'informations. Tous les jours, l'équipe doit réserver certains moments pour ce qu'on appelle «l'interaction au sein de l'équipe», au cours desquels les membres étudient les informations recueillies et notent les questions les plus importantes qui se font jour. Cet exercice débouche sur la préparation d'une liste complète des questions à traiter au cours de la prochaine phase d'activités. Les sujets suffisamment documentés disparaissent peu à peu de la liste, et de nouveaux sujets y sont inscrits. Quand l'équipe a décidé des questions à traiter, elle choisit les outils les plus adéquats pour collecter des informations et détermine ses partenaires pour mener à bien chaque activité.

L'interaction au sein de l'équipe permet également de passer en revue les questions de méthodologie. L'équipe doit s'assurer qu'elle applique bien la triangulation au niveau des informations. Les réponses obtenues par différentes personnes à l'aide de techniques et d'outils variés sont-elles similaires ou convient-il de procéder à des vérifications? Il est crucial de s'assurer qu'il n'y ait pas de distorsions sous-jacentes au sein de la recherche, ce qui impliquerait une rectification systématique pour l'éliminer. Si, par exemple, il ressort que l'équipe n'a interrogé que des hommes, la distorsion doit être rectifiée en consacrant la journée suivante aux activités des femmes. Une étude qui se sera essentiellement limitée à la technique des entretiens se doit d'envisager d'autres techniques pour prendre en compte des perspectives différentes sur telle ou telle question étudiée.

Collecte des informations sur les caractéristiques physiques du territoire

Dans le cadre de l'étude plus ou moins exploratoire sur le régime foncier présentée au chapitre 2, l'objectif 1 vise à identifier le territoire et les ressources principales qui s'y trouvent. Les projets cherchent de plus en plus à orienter leurs activités autour de l'espace que le village ou les villageois considèrent comme leur espace, plutôt que de se référer à une définition de l'unité de gestion émanant de l'extérieur. La description du «territoire» du village pourrait être celle des terres généralement cultivées par les membres d'une communauté agraire dont les frontières sont reconnues par les membres de l'unité géographique et par ceux qui résident à l'extérieur de ce territoire (Painter, 1991).

L'apparente simplicité de cette approche cache en fait une grande complexité, car les facteurs qui permettent d'identifier les territoires sont multiples. Dans certains cas, plusieurs villages gèrent ensemble un même territoire. Dans d'autres cas, les villageois nobles considèrent qu'ils exercent le contrôle à la fois sur leur propre village et sur le village de leurs captifs ou de leurs anciens captifs. La notion de territoire est très différente chez les cultivateurs sédentaires et chez les pasteurs. Les populations nomades ou semi-nomades s'identifient à un territoire qui se déplace avec eux et appliquent des règles de gestion des ressources en fonction de cette définition. Même les frontières territoriales reconnues par les villageois sédentaires peuvent évoluer, que ce soit avec les saisons ou en fonction des critères: une limite sera appliquée au contrôle ou à l'accès aux terres, une autre s'appliquera aux arbres et une autre encore aux pâturages. Tous ceux qui s'intéressent aux questions foncières et aux problèmes de gestion des ressources doivent impérativement comprendre comment les villageois définissent leur territoire et les règles qu'ils y appliquent.

L'importance de l'identification des différentes zones micro-écologiques du territoire villageois est énoncée dans le premier objectif, car ces différentes zones micro-écologiques sont souvent utilisées à des fins diverses et se caractérisent par des régimes fonciers variés. Il est également important d'avoir une idée du type de ressources qui existent sur le territoire. Au fur et à mesure que l'on recueille l'information, il est bon de commencer à réfléchir à la division possible du territoire en plusieurs grandes «niches» foncières: exploitations (gérées par des individus ou des ménages), terres communales (gérées par un groupe) et éventuellement réserves (protégées par le gouvernement)4.

Ce premier objectif vise essentiellement à préciser les caractéristiques physiques du territoire, mais dès que se présentent les problèmes fonciers on aborde alors la gestion par la communauté des ressources disponibles. Les règles foncières constituent un des principaux mécanismes dont se sert la communauté, tout d'abord pour définir son espace territorial, puis pour gérer les ressources à l'intérieur de ce territoire. L'objectif 1 fixe le cadre dans lequel on inscrira les informations plus détaillées concernant les systèmes d'utilisation des ressources du territoire (objectif 2) et les règles gouvernant l'accès à ces ressources (objectif 3).

Deux techniques sont décrites ci-dessous: la cartographie participative (et ses variantes) et l'établissement de transects.

Cartographie participative

Dans le système conventionnel de cartographie, la personne extérieure formée en la matière se charge de tracer la carte du village ou du territoire. Avec la méthode de cartographie participative, on donne aux personnes interrogées un bâton5 et on leur demande de faire le dessin. De nombreux intervenants extérieurs ont été surpris par les cartes très parlantes tracées ainsi par des personnes illettrées. L'essentiel n'est pas la précision du tracé, mais plutôt les informations utiles qui révèlent les perceptions locales des frontières, la disponibilité des ressources et leur répartition.

Dessiner une carte est en général une opération assez simple, de préférence faite en groupe (à l'exception des cartes «d'exploitations», mentionnées ci- après, qui sont faites soit à l'aide de plusieurs membres d'une même famille, soit avec le concours d'un seul individu).

La carte sera dessinée sur le terrain d'un vaste espace ouvert et dégagé. Il est souvent bon de commencer avec la carte du village (plutôt que celle du territoire) car cela présente généralement moins de difficultés. Au début, on place un rocher ou une feuille pour représenter un point de repère central et important, comme la mosquée, l'église ou l'école. Puis on demande aux interlocuteurs de placer d'autres choses sur la carte, qui correspondent à d'autres points de repère du village, à l'aide de pierres, de coquillages ou de feuilles, par exemple. Il faut les laisser faire tant qu'ils ne s'arrêtent pas d'eux-mêmes, et alors seulement leur demander s'ils n'ont pas oublié quelque chose d'important. Le chercheur peut recopier dans son cahier la carte au fur et à mesure, pour pouvoir s'y référer à l'avenir. C'est à lui de décider du niveau de détails souhaitable pour cette première carte du village. Si l'objectif essentiel est de rompre la glace et d'apprendre à se repérer autour du village, il n'est pas nécessaire d'obtenir un grand nombre de détails. Dans ce cas, la plupart des questions peuvent être posées plus tard, au moment du tracé de la carte du territoire.

Dans certains cas, les deux cartes, celle du village et celle du territoire peuvent être tracées en même temps. Après que le croquis du village central a été fait, on demande simplement aux informants d'indiquer les limites du village. Cet exercice peut se faire en deux fois, si le temps ou la place ne sont pas suffisants. A la deuxième reprise, un rocher peut représenter la partie habitée du village, et on insistera alors sur le reste du territoire environnant.

L'«exploitation» d'une seule famille constitue une troisième forme de carte, dans laquelle on indique les diverses parcelles cultivées par la famille et peut-être les domaines réservés aux pâturages.

Un débat autour de la carte peut déboucher sur des informations historiques utiles. S'il semble y avoir eu des changements intéressants, il est possible de tracer des cartes supplémentaires montrant par exemple ce à quoi ressemblait le territoire une ou deux générations avant; ou bien, plutôt que de réaliser d'autres cartes, on peut modifier les limites inscrites sur la première carte pour montrer l'évolution dans le temps.

 

Quelques questions à poser quand on réalise une carte

 
Carte du territoire
  • Le village étudié possède-t-il son propre territoire ou partage-t-il un territoire avec d'autres villages?

  • Les frontières sont-elles clairement définies? Existe-t-il des domaines moins bien délimités? (Il faut noter tout conflit potentiel.)

  • Quelle est l'histoire de la délimitation du territoire?

  • Certaines terres sont-elles partagées avec d'autres villages? Quels sont les villages qui possèdent des terres limitrophes? Quels sont les rapports avec ces autres villages?

  • Le territoire est-il utilisé par des personnes extérieures à la communauté? A quelles fins?

  • Au sein du territoire, quelles sont les principales formes de mise en valeur: champs, friches, forêts, pâturages, etc.? (On pourra peut-être aborder ici la différence entre terres communales et exploitations individuelles.)

  • L'«espace» du village a-t-il changé avec les années?

Croquis d'une «exploitation» ou d'une ferme
  • Qui est l'«exploitant» de la terre?

  • Qui se sert effectivement de la terre? Quels sont les rapports entre ces deux personnes?

  • Quelles sont les activités sur les différentes parcelles? Cela change-t-il en fonction des années ou des saisons des jachères?

  • Des régimes fonciers différents s'appliquent-il aux differentes parcelles?

  • L'interlocuteur prête-t-il ou emprunte-t-il des terres? Quelles sont les dispositions prises à ces fins?

  • Quelles sont les ressources de l'exploitation qui sont exclusivement réservées aux membres de la famille, et quelles sont les ressources les plus exploitées?

  • Quelle est la différence entre les droits fonciers des hommes et des femmes?

  • Est-il facile d'agrandir la superficie de l'exploitation?

La carte de la page suivante représente un village au nord du Sénégal. Le conflit avec le village voisin à propos des terres situées au nord est apparu au cours de l'élaboration du tracé de la carte, et de nombreuses discussions ont suivi. L'équipe a constaté que le village de Ndam Mor Fademba n'avait pas de territoire propre, mais gérait ses terres en collaboration avec cinq autres villages Ndam. L'équipe s'est donc penchée sur la division des champs et des jachères. C'était la première indication de la complexité et du caractère évolutif d'un système de gestion communautaire des terres en jachère.

Transect

Une carte donne une vue aérienne d'une région, alors qu'un transect traverse ce même territoire pour donner un profil des diverses zones micro-écologiques. En fonction de l'étendue de la région couverte et de la nature du terrain, un transect peut s'effectuer à pied, à dos d'animal, en charrette ou en véhicule à moteur. Il convient d'effectuer le parcours lentement pour pouvoir bien observer. A l'aide d'une carte ou sur les conseils des personnes interrogées, la route choisie traversera plusieurs zones micro-écologiques diverses. Quand on étudie un territoire où l'altitude varie, il est bon de choisir un transect qui passe par les zones les plus élevées et les zones les plus basses. Si le territoire est relativement plat, le tracé choisi devra traverser la plus grande diversité possible de zones micro-écologiques, y compris les zones forestières, les zones basses, les champs situés en hauteur et les prairies. Quand cela a été établi, le chercheur, en compagnie des interlocuteurs locaux, traverse la région, à pied ou par d'autres moyens. Il est toujours bon d'atteindre le point le plus élevé du territoire ou bien l'endroit d'où l'on a la meilleure vue de la région, car de là il est souvent possible de voir les repères de démarcation, les utilisations variées des terres, etc.

Figure 2. Carte d'un territoire villageois

Figure 2

Source: Fields, fallow and flexibility: natural resource management in Ndam Mor Fademba, Senegal.

Au cours de cet exercice, on peut poser des questions sur les régions traversées, en fonction de ce qui paraît intéressant. Souvent, pour ce qui est des sujets sensibles, comme les problèmes ou conflits de propriété, les villageois sont plus ouverts quand ils sont loin du village, et le fait de poser des questions à la suite d'observations immédiates semble moins indiscret que dans le cadre d'un entretien plus officiel. Des notes sont prises au fur et à mesure de l'établissement du transect, mais ce n'est que plus tard que l'information sera transcrite sur un transect comme celui de la figure 3 (page 32). Le premier parcours ne fournira pas forcément toutes les informations, et c'est grâce aux autres activités que l'on pourra progressivement compléter le diagramme.

 Quelques questions à poser quand on réalise un transect 
  • A quel moment le groupe entre-t-il dans une zone micro-écologique différente? (Le changement de sol peut fournir cette indication.)

  • La mise en valeur des terres varie-t-elle en fonction des zones micro-écologiques?

  • Au fur et à mesure que l'on traverse des zones micro-écologiques différentes, il faut poser des questions pour élucider les modes de jouissance foncière. Les terres sont-elles la propriété de quelqu'un? Sont-elles empruntées? Sont-elles l'objet de différends? Qui les exploite? Des hommes? Des femmes? Des personnes venant de l'extérieur?

  • Certaines parcelles sont-elles plus recherchées que d'autres? Comment se fait la répartition des terres?

  • A quoi correspondent les clôtures ou les limites que l'on peut observer? Sont-elles plus nombreuses à certains endroits qu'à d'autres? Pourquoi? (La présence de clôtures correspond souvent à une compétition pour la terre ou à la présence de systèmes de mise en valeur concurrents, comme les pâturages et les cultures.)

  • Il faut se renseigner sur l'utilisation des différents arbres. Qui a le droit d'utiliser les arbres et pour quoi faire? Les règles sont-elles les mêmes pour tous les arbres? Varient-elles en fonction de leur emplacement?

  • Les habitants plantent-il des arbres? Les protègent-ils?

  • Quelles sont les sources d'eau sur le territoire? Comment sont-elles gérées et qui en a la maîtrise?

  • Dans les zones traversées, y a-t-il des terres empruntées? Dans l'affirmative, il est utile de se renseigner sur les pratiques d'emprunt des terres au sein de la communauté.

  • Où paissent les animaux? Où s'abreuvent-ils? Cela cause-t-il des conflits?

  • Est-ce que des animaux provenant de l'extérieur utilisent le territoire du village?

  • Quels changements interviennent dans la mise en valeur des terres en cours d'année?

  • Le groupe traverse-t-il des domaines de propriété communale? Dans l'affirmative, il faut se renseigner sur la gestion de ces terres.

Un transect classique est le résultat d'une traversée directe d'un bout du territoire à l'autre. L'expérience a prouvé qu'il était souvent pratique de procéder à des adaptations. Par exemple, une équipe de six membres peut se diviser en trois groupes de deux personnes, qui avec un ou deux informants (de préférence un de chaque sexe) choisiront un centre d'intérêt spécifique. Un groupe se penchera sur la mise en valeur des terres et sur les cultures, un deuxième sur la mise en valeur des terres et l'élevage, et le troisième étudiera les ressources forestières et les ressources en eau. Tout en suivant le même chemin, chaque groupe peut, s'il le désire, faire des détours pour voir de plus près ce qui les intéresse; plus tard, les trois groupes partageront les informations qu'ils auront collectées en cours de route.

Le transect reproduit ci-après est celui du territoire situé entre deux villages qui ont fait l'objet de recherches dans le Fouta Djallon, au Sénégal. Entre ces villages, il existait des rapports historiques de domination nobles captifs. L'équipe de diagnostic rapide, divisée en trois groupes, a recueilli une partie des informations le premier matin. Une personne de la région accompagnait chacun des groupes pour obtenir des informations sur les arbres et l'eau, la mise en valeur des terres, les animaux et les pâturages, respectivement. Après avoir parcouru le territoire à pied, les équipes ont échangé leurs informations et ont commencé à les classer sur une grande feuille de papier. Un villageois qui avait accompagné un des groupes a aidé l'équipe au cours de la retranscription du profil en répondant à des questions supplémentaires. Puis, au fur et à mesure des recherches, toutes les nouvelles informations pertinentes recueillies (en particulier sur les rapports fonciers) étaient à leur tour inscrites sur le transect.

Collecte des informations sur l'utilisation des ressources

L'objectif 2 de l'étude foncière du chapitre 2 est l'identification de l'utilisation des ressources naturelles dans la communauté. On cherche à savoir quelles ressources sont utilisées (ou non utilisées), comment et pourquoi elles le sont et qui sont les utilisateurs. Ces informations sont cruciales pour comprendre les contraintes qui existent au niveau de l'utilisation de ces ressources et pour identifier celles qui pourraient être exploitées de façon plus poussée ou plus efficace. La question d'équité est abordée: qui a le meilleur accès à ces ressources, qui n'a qu'un accès limité, et qui n'y a pas droit du tout?

Figure 3: Transect

Figure 3

Source: Resource management practices and tenure constraints and opportunities in the Koundou watershed, Fouta Djallon, Guinea.

En étudiant ces problèmes, on accordera une attention accrue à certains sujets plus sensibles, comme les différences entre hommes et femmes ou entre les groupes ethniques, le niveau social ou économique et autres facteurs qui influent sur l'accès des habitants aux ressources de leur communauté. Au cours de l'étude des régimes d'utilisation, les utilisateurs marginaux ou invisibles ne doivent pas être oubliés. Ces gens-là, en effet, de par leur pauvreté ou leur statut social marginal, tendent à être sous-représentés lors des discussions, et les autres membres de la communauté ne mentionneront pas forcément leur façon d'utiliser la terre. Et pourtant, ces personnes sont extrêmement vulnérables et dépendent davantage de l'exploitation des ressources naturelles pour gagner leur vie. Elles se consacrent par exemple à la récolte des produits des arbres sauvages, qui demande moins d'investissements financiers que d'autres activités générant des revenus.

Collecte d'informations sur le niveau de vie relatif des membres de la communauté. Pour que ces informations aient un sens, il est fondamental de comprendre la structure sociale des ménages et des communautés de la région étudiée. Si les membres de l'équipe ne sont pas familiers avec cette structure sociale avant de se lancer dans le diagnostic rapide, il faudra sans doute prévoir cette analyse de la structure sociale lors de l'étude des sources d'information secondaires, avant de commencer les études sur le terrain. Des discussions informelles au cours de repas dans les familles des villageois fournissent certes des informations, mais d'autres questions nécessiteront des entretiens formels. Quelle est l'unité de production agricole? Comment s'organisent les repas? Les familles sont-elles monogames ou polygames? Le logement regroupe-t-il la famille nucléaire ou la famille élargie? Comment se définissent ces termes? Existe-t-il des castes ou des distinctions sociales marquées au sein de la communauté?

Classification du niveau de richesse. La classification du niveau de richesse est une série de techniques très utiles pour mieux comprendre la distribution de la richesse et d'autres caractéristiques sociales d'une communauté. Ces techniques permettent au chercheur de recueillir des informations sur le niveau relatif de richesse des membres de la communauté (et d'éviter toute question sur le niveau absolu de richesse). La classification du niveau de richesse constitue un sujet trop vaste pour être étudié ici en détail. Cette technique comporte de nombreuses variantes qui ont été utilisées partout dans le monde, et il serait bon de regarder de plus près cette documentation pour repérer celle qui semble la plus appropriée pour l'étude entreprise6.

En quelques mots, une des techniques de classification du niveau de richesse le plus souvent utilisée est la cartographie sociale. Le croquis dessiné au village sert à mettre au point une carte sociale. On identifie sur la carte les parcelles, et c'est au groupe qui participe à l'élaboration de la carte d'indiquer le statut social relatif des familles à l'aide de différents jetons (haricots, graines ou cailloux, par exemple). Ceux-ci peuvent être représentatifs du niveau général de richesse (cinq haricots représentant une famille riche, un ou deux haricots une famille plus modeste), ou bien du statut des villageois: qui prête ses terres et qui en emprunte, familles dont certains membres travaillent en dehors du village, ou tout autre indicateur.

Une autre technique fréquemment utilisée pour la classification du niveau de richesse est la classification de cartes. On place tout d'abord les noms des familles du village sur des cartes. Une discussion préliminaire permet d'expliciter ce que la personne interrogée entend par «richesse». Puis, celle-ci doit constituer des piles de cartes qui correspondent à des familles de richesse équivalente, ce qui débouche sur une discussion approfondie de la richesse et de ses implications. La technique de cartographie sociale est le plus souvent utilisée en public, alors que le système de cartes se déroule généralement en privé, avec un seul interlocuteur à la fois. Le choix de telle ou telle technique est fonction de facteurs culturels et du cadre le plus approprié pour discuter de ces questions avec la population.

Au cours de cette classification du niveau de richesse, la discussion peut facilement passer à d'autres sujets, comme l'accès équitable aux ressources pour les personnes issues de différentes couches socio-économiques, l'utilisation comparable des ressources, les finalités de cette utilisation, etc. De plus, quand on a identifié les personnes les plus pauvres, il est possible de les consulter pour être sûr que leurs points de vue soient pris en considération.

Trois techniques sont exposées ci-après qui permettent d'étudier les problèmes d'utilisation des ressources dans la communauté: le calendrier, la matrice et la technique de quantification.

Calendrier

Les calendriers sont des outils qui permettent de se pencher sur les changements qui se déroulent sur une année. Ils sont utiles pour rectifier certaines déformations saisonnières car ils prennent en compte tout ce qui se passe au fil des mois. Le danger, en effet, est de ne discuter que de ce qui se passe au moment de l'enquête. Les calendriers facilitent l'étude de différents thèmes, comme la charge de travail en fonction des saisons, les fluctuations de revenu au cours de l'année, ce qui est précieux pour un projet qui a besoin de savoir quand la population dispose de ressources (en temps ou en argent) à investir dans des activités spécifiques.

Dans de nombreux systèmes fonciers, les règles qui gouvernent l'accès aux ressources changent fréquemment avec les saisons. Par exemple, la collecte du produit des arbres sur les exploitations individuelles est autorisée en saison sèche sans qu'il faille demander la permission, mais en période de culture, l'autorisation de l'exploitant pour récolter ces mêmes produits peut se révéler nécessaire, ou l'accès peut en être carrément interdit. Certaines terres seront classées comme exploitation individuelle quand elles sont cultivées et comme propriété collective des villageois le reste de l'année, quand elles servent de pâturage ouvert par exemple. Le calendrier aide à approfondir les questions liées au caractère saisonnier des systèmes de culture.

Il est souvent bon de commencer par discuter de ce que font les gens à tel ou tel moment. Quand plantent-ils, quand récoltent-ils? A quel moment récolte-t-on les différents produits des arbres? Quand gardent-ils leurs bêtes attachées ou dans des enclos, et à quelles périodes celles-ci peuvent-elles paître librement? Une fois que l'on a établi ces rythmes d'utilisation, il est possible de poser des questions sur les règles et habitudes de gestion qui varient avec les saisons.

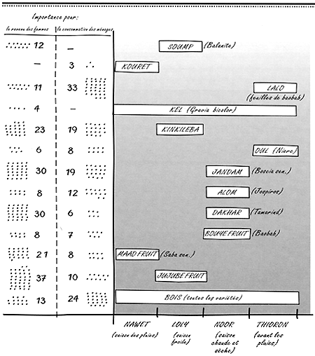
L'exemple de la figure 4 (page 37) représente un calendrier simple des récoltes de différents produits forestiers. On pourrait y ajouter les cultures, ce qui donnerait une idée de la complémentarité des activités de culture et de cueillette pour l'économie locale. Ces calendriers peuvent être dessinés sur de grandes feuilles de papier étalées par terre, ou bien tracés à même le sol sur du sable ou de la terre battue. C'est le genre d'exercice qu'il vaut mieux mener en groupe, chacun s'entraidant au fur et à mesure que l'on progresse. On commence tout d'abord par tracer vers le bas une ligne qui indique les mois ou les saisons. Les définitions de cette échelle du temps dépendent des repères utilisés par les villageois. Dans certains cas, les mois portent des noms locaux; dans d'autres cas, on fait appel à un calendrier religieux. Certaines populations sont plus familières avec le concept de saison qu'avec celui de mois. Il faut reprendre le système qui est le plus courant pour les personnes consultées.

Le début du calendrier doit correspondre à un moment logique (la saison des pluies ou le premier mois du calendrier, par exemple). Ensuite, on demandera aux villageois de réfléchir à tous les produits forestiers qu'ils récoltent à cette période et on l'indiquera sur le calendrier. Si l'on se sert de feutres et de papier, différentes couleurs indiqueront qui procède à la récolte - hommes, femmes ou enfants. Le recours à d'autres symboles permettra d'indiquer si le produit est vendu, consommé sur place, ou les deux à la fois. Après avoir tout noté, on recommence l'exercice pour la période suivante.

Le calendrier de la page suivante a été élaboré dans un village du bassin de l'arachide au Sénégal. L'équipe de diagnostic rapide avait été assez surprise de constater que même dans cette région, qui avait connu une sévère désertification, la population continuait à attacher une grande importance à l'arbre et à la récolte de ses produits. Par la suite, l'équipe a proposé des techniques de quantification aux villageois (voir page 41) pour classer les produits récoltés selon leur importance pour l'économie du ménage. Dans ce cas, le nombre de jetons indiquait l'importance relative de chaque culture pour la consommation des ménages et pour les revenus des femmes.

 Quelques questions à poser quand on élabore un calendrier 
  • Les produits indiqués ont-ils une importance particulière, soit pour la consommation du foyer, soit pour la vente?

  • Existe-t-il des conflits à propos de la récolte de ces produits?

  • Ces ressources sont-elles plus recherchées à certaines saisons qu'à d'autres et pourquoi?

  • Quels sont les produits les plus demandés et ceux qui le sont le moins?

  • L'importance ou l'abondance de certains de ces produits a-t-elle changé avec les années? (en se référant à l'époque à laquelle les anciens du village étaient enfants)

  • Parmi les produits indiqués, lesquels nécessitent une autorisation pour les récolter?

  • Lesquels proviennent d'arbres situés dans des exploitations individuelles et dans les terres communales?

  • Y a-t-il des règles gouvernant l'accès ou l'utilisation des ressources qui changent en fonction des saisons?

Figure 4. Calendrier de récolte des produits fournis par les arbres

Figure 4

Note: Les points correspondent aux symboles (haricots, cailloux). Un grand nombre de points signifie un grand nombre de symboles et souligne l'importance de telle ou telle essence.

Source: Le foncier et la gestion des ressources naturelles: une étude de cas employant la méthode MARP.

Matrices

La matrice est un outil efficace; elle peut être adaptée en fonction de différents besoins d'information. Les deux matrices les plus utiles pour obtenir des renseignements sur la gestion des ressources sont les matrices de classification et les matrices historiques.

La matrice de classification permet d'obtenir des renseignements sur l'importance ou la fréquence de certains événements. Si l'on souhaite par exemple savoir qui utilise les diverses ressources de la communauté, on dessinera une matrice simple ressource/utilisation, qui se limite à réaliser une comparaison entre les utilisations des ressources par les femmes ou par les hommes. Dans ce cas, on inscrit les différentes ressources le long de l'axe vertical et on trace deux colonnes, une pour les femmes et l'autre pour les hommes. On demande alors à l'interlocuteur de comparer les utilisations par les hommes et les femmes de la première rubrique, par exemple les fonds de vallée. Grâce à un système de jetons - haricots, graines ou cailloux -, l'interlocuteur peut indiquer une utilisation plus ou moins intensive: 10 est le nombre maximum de jetons que l'on peut placer dans une seule case. Si les hommes, par exemple, exploitent beaucoup ces fonds de vallée, l'interlocuteur placera dix jetons dans la case homme/vallée. Si les femmes les exploitent aussi, mais de façon moins intensive, il ne placera que quatre jetons dans la case femme/vallée. On passe ensuite à la deuxième ressource - zones de collines, par exemple - en reposant les mêmes questions, et cela jusqu'à ce qu'on ait rempli toutes les cases.

A l'aide d'une série de comparaisons, il est possible d'enrichir ce genre de matrice. On inscrit sur l'axe horizontal les groupes qu'on veut comparer. Comme dans l'exemple précédent, on peut effectuer une comparaison entre hommes et femmes. On peut ensuite faire une comparaison entre les riches et les pauvres, en passant en revue les différentes richesses et en comparant leur utilisation respective par ces deux groupes. Par la suite, une troisième comparaison peut opposer les habitants du village aux habitants du village voisin et aux personnes qui sont totalement étrangères au village. Ces matrices peuvent être dessinées soit à même le sol, soit sur du papier. C'est un exercice qu'il vaut mieux faire en groupe, car les discussions sur le nombre de jetons à placer sont souvent très révélatrices.

La matrice de la page suivante a été effectuée dans un village de Guinée. L'équipe de diagnostic rapide s'était divisée en deux groupes; le premier avait travaillé avec les hommes, le deuxième avec les femmes. Les points correspondent aux jetons placés par les interlocuteurs pour expliquer par exemple que les hommes ou les femmes se servent davantage de telle ou telle ressource. Il était absolument fondamental que les termes utilisés pour expliquer la matrice soient très clairs, ainsi que leur traduction. Il s'était révélé nécessaire de préciser si la question portait sur l'exploitant ou le bénéficiaire. Par exemple, un villageois pauvre coupe le bois, mais le donne ou le vend à son maître.

Figure 5: Matrice de classification

Figure 5

Note: Les points correspondent aux symboles (graines, par exemple), et le nombre de ces symboles indique le niveau d'utilisation des ressources. Plus il y a de points, plus l'utilisation est intense.

Source: Resource management practices and tenure constraints and opportunities in the Koundou watershed, Fouta Djallon, Guinea.

La matrice historique s'intéresse à l'évolution dans le temps des différents facteurs. Dans le cadre d'une enquête sur l'utilisation des ressources, une telle perspective historique est fondamentale. Une erreur fréquente au niveau des projets est de considérer la gestion des ressources comme un phénomène immuable. Nombreux sont les projets qui ne perçoivent pas l'évolution des stratégies locales en fonction des changements de conditions. Du coup, leurs plans d'action manquent de flexibilité et ils entreprennent - sans se rendre compte des conséquences - des activités qui risquent de freiner la capacité d'adaptation de la population locale.

Les matrices historiques permettent de ne pas se cantonner aux analyses statiques de la gestion et de l'utilisation des ressources. Comme le montre la figure 6, l'axe horizontal représente, en ordre chronologique, différentes périodes, en commençant par la plus éloignée. En parlant avec les interlocuteurs, on pourra repérer les événements qui ont été à la source d'importants changements au niveau de la disponibilité des ressources et de leur utilisation. L'axe vertical correspond aux diverses ressources. On remplit la matrice de façon verticale, pour ne pas à avoir à sauter d'une époque à l'autre. Les questions couvrent tout d'abord la période la plus ancienne de la matrice (la première colonne). Y avait-il beaucoup de terres en friche à cette époque-là, selon eux? Si tel était le cas, ils mettront beaucoup de jetons dans la case. Puis on discutera des superficies cultivées, du nombre de têtes de bétail, de la densité ou du nombre d'arbres, etc. Une fois la première colonne terminée, on passera à la seconde. Si la seconde période de la matrice est celle de la mécanisation, on demandera s'il y avait davantage de friches qu'à la première période. Au fur et à mesure, on demandera de placer les jetons en fonction des changements de ressources.

Figure 6: Matrice historique

Figure 6

Note: Les points correspondent aux jetons (haricots ou cailloux). Ils servent à indiquer la disponibilité de telle ou telle ressource.

Source: Fiels, fallow and flexibility: natural resource management in Mdam Mor Fademba, Senegal.

La matrice citée ici en exemple a été élaborée par des villageois du nord du Sénégal, et les points correspondent aux jetons placés par les interlocuteurs afin d'indiquer les variations de disponibilité dans le temps de diverses ressources. Par exemple, de nombreuses terres étaient en friche avant la mécanisation; pendant les années 60, les friches ont diminué et les superficies cultivées ont augmenté proportionnellement. On demanda alors aux trois villageois âgés qui faisaient la matrice, et qui en avaient terminé avec les trois premières colonnes, d'imaginer l'évolution future des ressources.

Technique de quantification

Quand on élabore des matrices, on se sert de symboles, comme des haricots, et à l'aide de ces «jetons» les villageois classent ces diverses variables. Mais ce système permet également d'établir des classements pour d'autres comparaisons plus simples. Si l'enquêteur apporte un sac de cailloux ou de haricots, il peut alors facilement demander à ses interlocuteurs de procéder à des estimations quantitatives qui pourraient être utiles pour l'étude. Par exemple, il peut être intéressant de savoir si l'emprunt de terres est une pratique courante. Après avoir mis un tas de jetons devant l'interlocuteur à qui l'on a expliqué que le tas représente le nombre total d'agriculteurs dans le village, on lui demande de faire deux tas pour illustrer le nombre de ceux qui empruntent des terres et ceux qui n'en empruntent pas. On peut ensuite chercher à se renseigner sur les personnes de l'extérieur qui empruntent des terres du village et sur les villageois qui empruntent des terres à l'extérieur du territoire. S'agit-il d'hommes ou de femmes? (Pour cela, on peut également avoir recours au système des tas, un pour les hommes, un pour les femmes.) La même méthode peut servir pour déterminer la proportion de la population qui possède des bovins, des moutons ou des chèvres. Les renseignements obtenus seront certes assez vagues, mais en général suffisants pour les besoins du projet, et cette méthode a l'avantage d'être plus rapide que les méthodes utilisées au cours des enquêtes détaillées. De plus, le caractère approximatif des résultats obtenus à l'aide de ces jetons est plus rassurant qu'une collecte d'informations plus précises dans le cadre d'une enquête officielle. Il y a donc moins de chances que les interlocuteurs donnent intentionnellement des réponses trompeuses. Dans certains cas, les résultats obtenus à l'aide de ces méthodes qualitatives peuvent être plus justes que d'autres résultats quantitatifs plus précis mais erronés.

 Quelques sujets à discuter au cours de l'élaboration de matrices 
Une matrice permet d'explorer pratiquement n'importe quel sujet. Elle se révèle particulièrement utile pour lancer les discussions. Mais il faut avoir bien choisi les diverses variables inscrites le long des deux axes, afin d'être sûr qu'elles sont pertinentes, logiques et facilement comprises. Il faut également réfléchir aux avantages des classifications horizontales et verticales car de ce choix pourra dépendre le genre d'informations que l'on recueillera. De plus, certaines dispositions sont plus logiques et facilitent les comparaisons. Les exemples ci-dessous illustrent la diversité des possibilités d'utilisation des matrices pour obtenir des renseignements sur l'utilisation des ressources.
Matrices de classification:
  • Utilisation des produits des arbres: essences sur l'axe vertical et produits sur l'axe horizontal (feuilles, fruits, écorces, racines).

  • Préférence pour certaines essences: essences sur l'axe vertical et critères de choix (combustible, consommation par l'homme, par les animaux, utilisation médicinale, produits de rente) sur l'axe horizontal.

  • Sources de revenus et utilisation de ces revenus: différentes sources de revenus possibles sur l'axe vertical (vente d'animaux, vente des produits des arbres - liste détaillée - vente des récoltes, etc) et les utilisations possibles de ces fonds sur l'axe horizontal (alimentation, habillement, frais de scolarité, frais médicaux, etc.)

Matrices historiques:
  • Evolution des stratégies de subsistance: les diverses stratégies (culture; élevage, pêche, travail en ville) sur l'axe vertical et les repères chronologiques sur l'axe horizontal.

  • Evolution des stratégies de survie en temps de crise: les différents modes de survie évoqués par la population sur l'axe vertical (cueillette des fruits sauvages, vente des animaux, émigration, etc.) et les périodes de crise sur l'axe horizontal.


 Quelques questions à poser quand on utilise la technique de quantification à l'aide de haricots 
  • Quelle proportion de la population utilise les diverses ressources?

  • Parmi les habitants, quelle est la proportion de ceux qui possèdent des terres? des animaux? De ceux qui empruntent des terres?

  • Quelle est la taille relative des gros troupeaux par rapport aux petits troupeaux? des grandes exploitations par rapport aux petites?

  • Les revenus de la personne consultée ont-ils changé au cours des cinq dernières années?

  • Quel revenu procure une activité particulière par rapport à l'ensemble?

Collecte des informations sur la gestion des ressources

L'objectif 3 de l'étude foncière est d'identifier les personnes qui prennent les décisions sur l'utilisation des ressources, les règles qui s'appliquent et les personnes qui interviennent pour résoudre d'éventuels différends. Il faut se rappeler qu'en ce qui concerne les décisions sur l'utilisation des ressources il existe différents niveaux de prise de décision, et que c'est souvent au niveau informel et individuel que sont prises de nombreuses décisions importantes. Le cadre familial constitue un autre niveau, au sein duquel l'influence de certains membres de la famille peut se faire sentir sur d'autres. Il existe également des décisions officielles, prises par des comités ou des individus puissants qui exercent une fonction spécifique au sein de la communauté. Ce n'est pas parce qu'on met l'accent sur les mécanismes officiels de prise de décision qu'il faut oublier pour autant le rôle des individus et des familles. C'est souvent d'ailleurs à ce stade-là que l'on repère le rôle des femmes, alors qu'il n'apparaît pratiquement pas dans les structures officielles de prise de décision. Il peut exister, par exemple, des règles déterminant les arbres qui peuvent être utilisés pour le bois de feu. Mais les femmes qui se chargent de la coupe peuvent les respecter ou ne pas les respecter. De plus, elles peuvent réaliser certaines pratiques de taille pour encourager la repousse, pratiques qui ne sont pas codifiées mais qui sont cruciales pour la gestion des ressources.

Les règlements s'appliquant à la gestion des ressources se définissent également à différents niveaux. Comprendre la nature et la diversité des règlements qui ont une incidence sur la communauté étudiée fait partie du travail de diagnostic rapide. S'agit-il de règlements officiels qui ont une application théorique, ou bien de règlements qui ont une influence réelle sur la situation? Existe-t-il également des règlements locaux? Comment coexistent ces deux formes de réglementations? Par la suite, il s'agit de comprendre la situation réelle sur le terrain, qui peut être différente de ce que laisseraient supposer les règlements locaux et la législation officielle. On se réfère parfois aux expressions latines de jure et de facto pour évoquer des cas où la réalité diffère de ce qu'elle devrait être si les textes officiels étaient appliqués. De jure signifie simplement «de droit» et correspond à ce qui devrait se passer si toutes les règles étaient observées. De facto, «de fait», correspond à la réalité.

Très souvent, le village est pris comme unité d'observation dans le cadre d'un diagnostic rapide, et le danger consiste à traiter la communauté comme une entité indépendante et à ignorer les influences du monde extérieur. Il est en effet peu probable que la gestion des ressources de la communauté échappe sous une forme ou une autre à l'influence de règles ou d'autorités extérieures. Dans certains cas, la population adaptera son comportement afin de respecter ces règles, et dans d'autres elle résistera à cette ingérence extérieure et cherchera à mettre en œuvre ses propres stratégies. Mais dans les deux cas de figure, le monde extérieur a une influence qui doit être identifiée dans le cadre de l'étude. Cela impliquera peut-être quelques recherches à l'extérieur du village, y compris l'étude de diverses sources écrites, afin de savoir quels règlements officiels s'appliquent. Il est également souhaitable d'interroger les administrations impliquées.

Il est fréquent de trouver des régimes fonciers différents dans des zones micro-écologiques distinctes où il existe des systèmes variés d'utilisation des ressources. C'est la raison pour laquelle la collecte de renseignements permettant d'identifier les ressources et leur utilisation, décrite dans les sections précédentes, est particulièrement importante. Le terme «exploitation» se réfère souvent au régime foncier d'une terre qui est exploitée à titre privé par un ménage. En revanche, l'expression «terres communautaires» correspond à des terrains qui sont exploités par la communauté. Une troisième situation foncière peut couvrir les «réserves publiques», dont l'utilisation est du ressort des autorités. Pour chacune de ces trois catégories, différentes règles sont applicables, pour décider qui a le droit d'utiliser ces ressources et qui a le droit d'en exclure les autres7.

Les conflits qui existent au niveau de l'utilisation des ressources sont souvent très révélateurs des problèmes rencontrés par la communauté dans ce domaine. Ils font aussi ressortir les mécanismes en place pour les résoudre. L'étude de ces situations conflictuelles permet d'illustrer le fonctionnement réel de ces règlements au sein de la communauté et de ne pas en rester à une représentation idéalisée. Cependant, il s'agit là de questions parfois très sensibles, et beaucoup de doigté s'impose.

Dans cette partie de la recherche, l'objectif consiste donc à comprendre les pratiques de gestion (à la fois officielles et officieuses), ainsi que les règles d'accès et d'exclusion pour chacune des ressources au sein des niches foncières identifiées sur le territoire.

Toutes les techniques décrites jusqu'à présent peuvent servir à obtenir des renseignements sur les questions foncières. De fait, il se révèle souvent plus facile d'obtenir ces renseignements au cours d'activités variées, plutôt que d'essayer de consacrer tout un entretien au problème foncier. Quelques questions peuvent être posées sur le statut foncier des champs et pâturages environnants au cours du parcours du transect, d'autres sur les droits se rapportant aux arbres au moment de la préparation du calendrier des activités de récolte des produits des arbres. L'élaboration des cartes et des matrices devrait se révéler propice à de nombreuses questions.

Les techniques qui sont exposées par la suite facilitent la compréhension des problèmes de gestion des ressources, à savoir le diagramme de Venn, la matrice des conflits (qui est une variante des matrices décrites ci-dessus) et l'entretien semi-structuré.

Diagramme de Venn

Le diagramme de Venn est une forme de carte sociale de la communauté (voir figure 7). Il permet de faire ressortir les personnes et les groupes qui ont une influence sur les prises de décision, ainsi que de préciser les rapports entre les institutions du village et les forces extérieures, comme les services administratifs ou les agences de développement. On peut le tracer soit par terre, soit sur une grande feuille de papier. Avec des feuilles de couleurs variées, il est possible de découper des morceaux plus ou moins grands pour représenter diverses institutions (les comités regroupant les hommes ou les femmes, par exemple) ou des individus. Plus le morceau sera grand, plus l'acteur représenté sera influent. On place à l'intérieur d'un grand cercle qui symbolise le village toutes les cartes représentant certains habitants et les groupes de villageois. Si les cartes se touchent, cela correspond à une interaction entre ces deux acteurs, ou à une double appartenance. A l'extérieur du cercle, on place les cartes correspondant aux organisations extérieures, et un système de flèches indique l'influence de celles-ci sur les institutions du village.

Il peut être intéressant de compléter l'ensemble du diagramme pour savoir quels sont les différents centres locaux de prise de décision, mais il sera plus utile de cibler la discussion sur ceux qui s'occupent des questions de ressources naturelles.

 Quelques questions à poser quand on utilise un diagramme de Venn 
  • Qui (individus ou groupes) a le pouvoir de dicter des règles dans le domaine de la gestion des ressources?

  • Qui se charge de les faire appliquer?

  • Que se passe-t-il en cas de conflit? (donner un exemple)

  • Quel est le rôle des femmes au niveau de la prise de décision? Et au niveau des décisions spécifiques concernant la gestion des ressources?

  • Le village prend-il de façon autonome les décisions de gestion des ressources naturelles ou bien le fait-il en collaboration avec d'autres communautés?

  • Quelles sont les aides ou les sanctions potentielles qui proviennent de l'extérieur du village et qui concernent la gestion des ressources?

  • Certaines institutions sont-elles en perte de vitesse ou gagnent-elles de l'importance? Pourquoi?

Figure 7: Diagramme de Venn

Figure 7

Source: Resource management practices and tenure constraints and opportunities in the Koundou watershed, Fouta Djallon, Guinea.

Le diagramme de Venn présenté à la figure 7 correspond à un ancien village captif de Guinée. Il est particulièrement intéressant d'y voir que les décisions du Conseil des anciens du village (l'organisme qui prend la plupart des décisions pour l'utilisation des ressources dans le territoire) doivent être confirmées par les Conseils des anciens des villages nobles. Dans le diagramme de Venn d'un des villages nobles, cette forme de contrainte n'existe pas au niveau du Conseil des anciens de ce village. Cela permet en fait de repérer la permanence de liens historiques (officiellement abolis) entre les deux villages. Par la suite, il est possible d'approfondir l'impact de ces phénomènes sur les questions de gestion de ressources.

Matrice des conflits

Nous avons expliqué ci-dessus la technique d'élaboration des matrices. Une des variantes possibles est la matrice des conflits. Celle-ci soulève parfois des questions difficiles et risque de rendre les interlocuteurs soupçonneux quant à l'objectif de la recherche. Il faut donc attendre que l'équipe ait établi de bons rapports avec le village avant de se lancer dans cette démarche. Pour cette matrice, on inscrit les différentes ressources sur l'axe vertical et les potentielles parties en conflit sur l'axe horizontal (voir figure 8). Il est extrêmement important d'indiquer clairement aux interlocuteurs que l'objet de la recherche n'est pas de se pencher sur des conflits spécifiques, mais plutôt sur les formes de litiges et leur fréquence.

 Quelques questions à poser quand on fait une matrice des conflits 
  • Quelles sont les raisons les plus importantes à l'origine des conflits concernant les ressources naturelles du village?

  • Pourquoi telle ou telle ressource fait-elle l'objet de davantage de conflits que les autres (si le cas se présente)?

  • Existe-t-il des mécanismes pour résoudre ces conflits?

  • La nature ou la fréquence des conflits a-t-elle changé au cours des années?

  • Quelles leçons peut-on tirer quant à l'accès et aux règles d'exclusion à partir des conflits mentionnés?

On demande aux interlocuteurs de placer des jetons afin d'indiquer les parties impliquées dans le conflit: différents groupes du village, villageois et habitants d'autres villages, ou encore villageois et fonctionnaires (par exemple des administrateurs). Il peut être utile d'ajouter une première colonne qui indique les conflits au sein de la famille. Si les jetons sont peu nombreux, cela révèle un petit nombre de conflits; un gros tas de jetons traduit au contraire une situation problématique. Quand le tableau est rempli, on peut reprendre le sujet et poser des questions sur les méthodes employées pour trouver une solution. Cela s'est-il fait sans intervention extérieure? Les villageois ont-ils fait appel à un médiateur de leur choix? Les autorités villageoises sont-elles intervenues, ou bien encore a-t-il fallu une intervention à un niveau plus élevé?

La figure 8 montre une matrice élaborée lors d'une étude au Sénégal, au cours de l'avant-dernier jour, alors que les interlocuteurs connaissaient bien les membres de l'équipe. Ces derniers avaient souligné le fait que toute communauté a ses problèmes et avaient donné des exemples de difficultés au sein de leur propre communauté au début de la discussion. Grâce à cette matrice, ils ont pu voir l'importance des problèmes entre les habitants qui établissaient des cultures maraîchères ou des vergers et les propriétaires de troupeaux de chèvres. Ces nouveaux jardins et vergers, et les conflits qu'ils avaient provoqués, avaient amené un grand nombre de propriétaires de chèvres (en grande majorité des femmes) à se débarrasser de leurs animaux. Cette question n'avait été mentionnée qu'en passant, au cours des conversations précédentes. Une fois son importance révélée, il a été possible d'en rediscuter au cours d'autres entretiens.

Figure 8: Matrice des conflits

Figure 8

Note: Les points correspondent à des symboles, par exemple des graines, dont le nombre correspond à la fréquence des conflits.

Source: Non publiée.

Entretien semi-structuré

A tout moment, au cours d'un diagnostic rapide, on peut faire appel à un entretien semi-structuré (ESS). Dans la plupart des cas, un tel entretien doit accompagner l'utilisation de tous les autres outils car il sera bon d'approfondir quelques thèmes. Dans le cadre d'entretiens formels, on se sert généralement de questionnaires préparés à l'avance, alors que dans le cadre d'un entretien semi-structuré l'enquêteur n'a devant lui qu'une liste de points qu'il souhaite discuter. Certains enquêteurs préfèrent établir des listes détaillées afin de ne rien oublier, d'autres préfèrent improviser au fur et à mesure que se déroule l'entretien. Quoi qu'il en soit, une atmosphère détendue et amicale s'impose. L'enquêteur devra chercher à orienter la discussion pour couvrir les rubriques de sa liste, tout en se réservant la possibilité d'approfondir certains sujets mentionnés par son ou ses interlocuteurs.

 Comment transformer en entretien un thème de discussion 
Thème de discussion: Le rôle des femmes dans les prises de décision
Questions susceptibles d'être posées au cours de l'entretien:
  • Qui sont les femmes du village qui ont une influence sur les décisions prises dans le village?

  • Comment ont-elles gagné cette influence?

  • Quel est leur rôle quand les décisions sont prises?

  • Y a-t-il eu des exemples qui prouvent l'influence spécifique des femmes sur la façon d'exploiter les ressources forestières (ou les terres, ou les pâturages) du village?

  • Au niveau du ménage, quel est le rôle des femmes quand il s'agit de prendre des décisions sur l'utilisation des terres (ou autres ressources)? La question peut porter non seulement sur les terres de la famille, mais aussi sur les terres de la femme si elle en possède en propre.

  • Qui décide où les femmes peuvent planter, ce qu'elles peuvent planter et quand?

  • Qui gère la récolte des champs appartenant aux femmes?

Il faut remarquer qu'en fonction des réponses des interlocuteurs on peut enchaîner sur d'autres questions.

Dans la mesure du possible, il est bon d'avoir recours dès les premiers jours à des techniques participatives comme le tracé de cartes ou l'établissement de calendriers et de matrices, afin de s'assurer une participation maximale de la population. C'est aussi une façon de garantir une «triangulation» des techniques utilisées et une approche multiple des différentes questions. Pour en revenir à la métaphore du puzzle utilisée au chapitre 2. ces techniques permettent de mettre la main sur les gros morceaux qui sont nécessaires pour reconstituer l'image. Les trous deviennent plus évidents et, au fur et à mesure que l'on progresse, les lacunes à combler ressortent. C'est à ce moment-là qu'un entretien semi-structuré bien ciblé peut être très utile, car les interlocuteurs ont été le plus souvent choisis en fonction de leurs connaissances spécifiques et non pas au hasard. Il s'agit alors d'entretiens avec des interlocuteurs préférentiels.

Il peut arriver qu'au cours de la préparation d'une carte ou d'une matrice un interlocuteur ait fait des allusions voilées à un ancien conflit à propos des ressources, qui remonte à plusieurs années. Une discussion de groupe n'est pas le cadre idéal pour ce genre de sujet, mais on peut essayer de rouvrir la question en privé avec une des personnes qui l'avaient évoquée pour obtenir des renseignements plus détaillés. Peut-être a-t-on besoin de plus d'informations sur le rôle des femmes dans les prises de décision au sein du village. Là, on apprendra qu'il existe au village une femme particulièrement respectée, avec qui un entretien semi-structuré serait précieux. On peut citer parmi les interlocuteurs préférentiels qui peuvent être très utiles dans le cadre d'une enquête sur l'utilisation des ressources: a) une personne âgée, pour tout ce qui a trait à l'histoire du village; b) un spécialiste de l'élevage ou de la collecte des produits forestiers (par exemple ceux qui ont des propriétés médicinales); c) des personnes qui jouent un rôle spécifique au niveau des prises de décision ou qui sont connues pour leurs talents de négociateurs; d) une personne très pauvre; e) des personnes qui utilisent les ressources de la communauté d'une façon différente (par exemple quelqu'un qui cultiverait un jardin ou un verger).


Page précédente Début de page Page suivante