12. Elaboración de los cereales (distintos del arroz)

Indice - Precedente - Siguiente

La reeolección y trilla de los cereales es tan importante como la recolección de ralees y tubérculos. Si las operaciones no se realizan con verdadera eficacia, las demás actividades para evitar pérdidas poseosecha resultarán seguramente de poco valor.

Por ejemplo, no debería romperse la cáscara de los granos durante la reeoleeción, porque de lo contrario el ataque y la infestación de insectos se propagará más rápidamente. La utilización de equipo apropiado para la reeolección y la trilla, y la capacitación para su uso correcto constituyen elementos esenciales de toda actividad para impedir pérdidas poscoseeha.

Las principales operaciones de elaboración de los cereales son:

 

12.1 Trilla

El proceso de trilla sirve para separar los granos de los tallos o espigas en los que han crecido. La trilla puede realizarse en el campo, en la granja o en la aldea; puede realizarse manualmente con ayuda de animales o con maquinaria. Los métodos más sencillos consisten en golpear las espigas contra un muro o el suelo, pisar las espigas contra una superficie dura, caminando encima las personas, haciendo pasar directamente a los animales sobre el grano o haciéndoles arrastrar una máquina o rastra.

Las máquinas trilladoras pueden ser accionadas por personas o animales o, en formas más modernas, mediante motores de combustión interna. Se han ensayado diversos modelos que han dado resultados satisfactorios.

Los granos de maíz deben separarse de la mazorca después de haber eliminado las espatas; se dispone de una variedad de sistemas manuales y mecánicos para esta operación.

 

12.2 Clasificación

La clasificación consiste en separar los granos sanos de la paja y las impurezas, y puede hacerse tamizándolos o aventándolos.

Figura 12.1: Tamizado manual

 

12.2.1 Tamizado. Las impurezas se separan sobre la base de sus diferencias de tamaño con respecto al grano. Los tamices manuales se utilizan generalmente uno por uno, mientras que las máquinas más sencillas disponen de dos tamices: uno con orificios de gran tamaño (que retiene impurezas de gran tamaño y deja pasar los granos de cereal) y otro con orificios más pequeños (que retiene los granos pero deja pasar impurezas más pequeñas).

 

12.2.2 Aventado. En este proceso se separan las impurezas tomando como base sus diferentes densidades con respecto a las de los granos de cereal. La operación consiste en aprovechar una corriente de aire para separar las fracciones más ligeras. El método más sencillo es el de hacer caer una cestada de granos e impurezas, en chorro delgado, a una superficie limpia y en medio de una ligera brisa natural. Es un proceso lento y laborioso pero que aún se practica ampliamente.

Las máquinas aventadoras funcionan aplicando el mismo principio, pero creando una corriente de aire mediante un ventilador.

 

12.2.3 Limpieza selectiva. Un cilindro internamente alveolado separa las impurezas más pequeñas que los granos de cereal, transportándolas más allá del punto en que los granos sanos son expulsados y depositándolas en una cuba a medida que va girando el cilindro.

Figura 12.2: Separadora de tres tamices

Hay en uso maquinaria sofisticada (SORTEX) para seleccionar los distintos granos según su color, pero son máquinas muy costosas y sólo se utilizan en aplicaciones especializadas.

La limpieza manual es una operación eficaz pero posada que, no obstante, es ampliamente practicada por los agricultores.

Figura 12.3: Aspiradora sencilla

 

12.3 Molienda

La molienda consiste en la producción de harina a partir del endosperma de los granos de cereal. En la mayoría de los cereales, incluido el maíz, se elimina primero la cubierta de la semilla (bien mediante el machacado manual después de tener el grano a remojo, o bien en una blanqueadora) antes de transformarla en harina. La molienda puede efectuarse mediante trituración manual en un mortero, haciendo pasar el grano entre dos piedras, o utilizando molinos de martillos, de placas o de rodillos mecánicos.

Figura 12.4: Limpiadora de dos tamices con aspiradora frontal

 

12.3.1 Equipo de molturación. Los molinos más comúnmente utilizados son el de placas y el de martillo en las aldeas, y el molino de rodillos para operaciones comerciales.

El molino de placas consiste en dos placas circulares de hierro colado con estrías superficiales, montadas sobre un mismo eje horizontal, de forma que las placas se mantienen en posición vertical. Una de las placas es fija y está sujeta al cuerpo del molino. La otra está montada sobre el eje motor y puede ajustarse para variar el espacio que la separa de la placa fija. Para el funcionamiento se introduce el grano por el centro de la placa fija y se va triturando a medida que pasa entre las dos placas hacia el extremo exterior. La harina molida sale luego por el conducto de salida. Algunos modelos disponen de tres placas, dos exteriores fijas y una central rotatoria.

Figura 12.5: Limpiadora de tres tamices con aspiradoras frontal y posterior

Hay que tener mucho cuidado de que las placas no entren en contacto. Cuando el molino gira en vacio, hay que separarlas utilizando un volante de mano. Se necesita un dispositivo de alimentación para suministrar un flujo homogéneo de grano en el punto de entrada, que generalmente está situado en el centro de la placa fija. La separación de las placas se regula mediante un volante de mano, que aprieta el eje motor y su placa rotatoria en sus cojinetes lisos contra un muelle de compresión.

Figura 12.6: Aventado

El eje gira a poca velocidad, generalmente menos de 1500 rpm, y la producción de un molino típico con un motor de 5 hp y placas de 270 mm de diámetro es de unos 250 kg/hora. El molino de placas puede moler cereales húmedos, cosa que en cambio bioquearia a un molino de martillo. La finura de molienda en un molino de placas depende de:

Los molinos de placas de diámetro más pequeño pueden accionarse a mano.

El molino de martillo original derivó del sistema de machacado a mano. El mortero de mano se sustituyó con un martillo de madera más pesado aplicado al extremo de una palanca que pivote cerca de su centro. En reposo, el martillo queda en una cavidad (generalmente excavada en una piedra) en la que se coloca el grano. La trituración se efectúa levantando el martillo (bajando la palanca en el extremo opuesto) y dejándolo caer por su propio peso.

Los molinos de martillos modernos se componen de un juego de martillos fijos u oscilantes montados sobre un eje rotatorio y rodeados de un tambor metálico perforado. El eje gira a una velocidad de hasta 6 000 rpm, según el diseño y diámetro de los martillos, que generalmente se mueven a una velocidad de 75-100 m/s en su extremo. El grano se introduce en el recorrido de los martillos rotatorios a través de una ranura del tambor, y el material molido sale luego a través de los orificios del tambor.

Un ventilador de rueda de paletas aspira el aire a través del tambor perforado y transporta la harina al conducto de salida, donde se la separa de la corriente de aire mediante un clasificador de aire y/o bolsas de filtro textil.

El molino de martillos moderno es excelente para la molturación fina de cereales secos. No se estropea cuando funciona en vacío y puede accionarse fácilmente con motores de combustión interna o motores eléctricos de alta velocidad. La producción es de unos 60 kg/hora por kW de energía. Hasta el 25 por ciento de la energía lo consume el ventilador, que no sólo extrae la harina molida, sino que proporciona además la corriente de aire necesaria que pasa a través del tambor perforado.

La finura de molturación depende casi exclusivamente del tamaño y la forma de los orificios del tambor, que rodean parcial o totalmente los martillos. La trituración se realiza por la repetida fricción y machucamiento de los granos contra el tambor perforado y unos contra otros y, en particular, contra los materiales frágiles, por el impacto de los martillos. Los martillos son generalmente reversibles para compensar el desgaste.

El molino de rodillos es un modelo de molino más sofisticado que el molino de placas o de martillos y se utiliza para producir harina fina de alta calidad, generalmente de trigo, pero también de maíz y sorgo.

Los rodillos de precisión de acero colado tienen superficies estriadas y giran en direcciones opuestas a velocidades ligeramente diferentes. La separación de los rodillos puede regularse con precisión, de forma que cuando es alimentado con una sola capa de grano de tamaño cuidadosamente seleccionado, de la superficie de cada grano se elimina una pequeña cantidad predeterminada a medida que pasa verticalmente hacia abajo entre los rodillos. Toda la operación de molturación consiste en hacer pasar el grano a través de una serie de tales molinos en sucesión, posiblemente hasta en diez fases. El producto de cada fase se tomiza, de forma que la operación permite recoger separadamente las distintas partes constituyentes del grano, tales como el germen y el salvado. Estos molinos tienen gran capacidad de producción y generalmente producen harina para la población urbana.

 

 


13. Elaboración del arroz en pequeña escala

13.1 Introducción

La producción de arroz blanco a partir de arroz con cáscara es compleja y comprende numerosas operaciones. En los establecimientos de elaboración en gran escala se utiliza maquinaria y equipo muy especializados, en que cada parte realiza quizás sólo una de las 20 o mas operaciones que se necesitan para la elaboración comercial del arroz. Dichos establecimientos deben funcionar a gran capacidad para justificar la inversión en equipo.

En la elaboración del arroz en pequeña escala, con capacidades de hasta 500 kg/hora, cada parte de la maquinaria realiza varias operaciones de 1a elaboración del arroz a partir del arroz cáscara, bien en una sola pasada a través de la máquina o bien en varias pasadas, ajustando la máquina para cada pasada. Pueden utilizarse dos o más máquinas idénticas en sucesivas etapas del proceso, ajustando cada una para realizar una tarea especifica.

 

13.2 Fases de la elaboración del arroz

En la Figura 13.1 se indican las diversas fases de elaboración del arroz, que abarcan las operaciones desde la cosecha de la panícula hasta la producción del arroz blanco clasificado y pulido

El contenido de humedad del arroz cosechado suele ser superior al 20 por ciento c.h.p.h. Este contenido de humedad se ha de reducir al 12-14 por ciento c.h.p.h. para realizar eficazmente las operaciones de descascarado y elaboración. El arroz cáscara puede descascararse con un contenido de humedad fuera de esta gama, pero el rendimiento de las máquinas es bajo. Las operaciones normales de predescascarado son:

  1. sancochado, es un proceso que consiste en remojar el arroz cáscara, tratarlo con vapor y secarlo. El sancochado mejora la calidad nutricional del arroz, facilita la operación de descascarado, y permite obtener una mayor proporción de arroz blanco de grano entero. El arroz cáscara sancochado debe secarse antes de elaborarlo. El arroz elaborado a partir de arroz cáscara sancochado se conserva mejor que el arroz no sancochado, y su sabor, color y propiedades de cocción son diferentes. El sancochado es una operación costosa, pero los beneficios generalmente compensan con creces el costo;
  2. hay dos métodos principales de secado; el método local predominante es el secado al sol. El arroz cáscara se extiende en una superficie limpia (telón, plata forma de cemento o una superficie de tierra lisa y limpia) y se revuelve a mano regularmente. El secado excesivamente rápido produce grietas capilares en el endosperma del grano de arroz cáscara (agrietamiento por el sol). Esas grietas se agrandan y producen una mayor proporción de granos quebrados en las operaciones subsiguientes. La incidencia de grietas se reduce con un secado más lento, que puede lograrse aumentando hasta 150 mm el espesor de la capa de arroz cáscara durante el secado al sol y removiéndola frecuentemente.

Figura 13.1: Fases de la elaboración del arroz

Figura 13.2: Sección vertical ampliada del grano de arroz càscara

Si el secado se hace con sistemas artificiales deberán seguirse las instrucciones del fabricante. Cuando el arroz cascara esta muy húmedo, y sobre todo después del sancochado, es práctica común secarlo en dos fases, separadas por un intervalo de reposo durante el que se airea el arroz cáscara.

La limpieza es una operación importante; las piedrecitas y trocitos de metal pueden perjudicar a la descascaradora, mientras que los trocitos de paja pueden entorpecer la continuidad del flujo de arroz cáscara a la descascaradora. Deberán separarse todas las impurezas antes de descascarar el arroz. Generalmente se utiliza una combinación de tamizado y aspiración para separar las impurezas ligeras y un separador de piedrecitas para eliminar impurezas más densas.

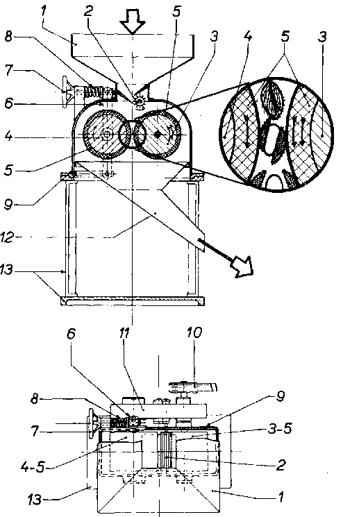
Se utiliza para descascarar el arroz càscara y blanquear

Clave

1. Tolva de alimentación; 2. Asiento de tolva; 3. Compuerta para regular la alimentación; 4 Cubierta; 5. Eje; 6. Rodillo/eje de acero; 7. Criba; 8 Soporte de la criba; 9. Armazón; 10. Cuchilla descascaradora; 11. Perno de sujeción de la cubierta; 12. Conducto de salida; 13 Cojinetes; 14. Polea motriz; 15 Armazón.

Figura 13.3: Descascaradora de rodillo de acero tipo Engleberg

Se utiliza para descascarar el arroz càscara

Figura 13.4: Descascaradora de rodillos de caucho

Clave

1. Tolva de alimentación; 2. Rodillo de alimentación; 3. Rodillo de movimiento rápido; 4. Rodillo de movimiento lento; 5. Superficie de caucho; 6. Brazo regulador de los rodillos; 7. Manilla para regular la luz entre los rodillos; 8. Muelle de compresión; 9. Cubierta; 10. Polea motriz; 11. Cubierta del equipo de accionamiento; 12. Conducto de salida; 13. Base y armazón. Ampliación: separación de la cáscara entre rodillos.

Se utiliza para descascarar el arroz càscara y pulir, blanquear el arroz integral, y pulir el arroz blanco

Figura 13.5 Descascaradora tipo Engleberg con pulidora de arre:

Clave

1. Tolva de alimentación, 2. Base de tolva, 3. Compuerta para regular la alimentación 4. Cubierta; 5. Eje; 6. Rodillo/eje de acero; 7. Criba; 8. Soporte de la criba; 9, 22, 23 y 24. Armazón y cubierta de la máquina; 10. Cuchilla descascaradora; 1 1. Perno sujetador de la cubierta, 12. Conducto de salida, 13. Entrada del grano a la pulidora; 14. Tambor; 15. Eje; 16. ora de cuero; 17. Criba; 18. Ventilador; 19. Conducto de salida del ventilador; 20. Con ducto de salida del grano; 21. Conducto de salida del salvado y la cáscara.

Se utiliza para clasificar y limpiar el arroz càscara, clasificar el arroz descascarado y clasificar el arroz elaborado

Figura 13.6: Limpiadora de cilindro alveolado

Clave

1. Tolva de alimentación; 2. Cilindro alveolado, 3. Rodillo de soporte del cilindro; 4. Llanta del cilindro exterior; 5. Caja de reducción de la velocidad; 6. Bandeja colectara; 7. Transportador de tornillo helicoidal; 8. Engranajes de mando del transportador; 9. Polea motriz; 10. Manilla reguladora de la posición de la bandeja; 11. Armazón; 12. Esparcidora de granos; 13. Salida de productos levantados; 14. Salida del grano.

Si se ha de sancochar el arroz antes de descascararlo, hay que lavarlo y secarlo antes de ponerlo a remojo, para eliminar las impurezas solubles que de lo contrario podrían alterar el color de los granos.

 

13.2.1 Operaciones de descascarado. Durante esta operación se elimina la cáscara (o corteza, o cubierta exterior) del arroz cáscara para producir arroz integral Las cáscaras no tienen ningún valor nutricional, pero pueden utilizarse como combustible, tal vez en la operación de sancochado (véase Figura 13.2). Las cenizas pueden utilizarse como fuente de carbón puro para la producción de acero

Existe una variedad de máquinas para el descascarado del arroz Las tres más populares son:

La descascaradora Engleberg (Grant, Planter) es un antiguo modelo que todavía se utiliza ampliamente en las aldeas, puede emplearse también para elaborar maíz Consta de un eje de tubo de acero que trabaja dentro de un tambor de acero perforado que lleva también una tira de acero que sobresale, cuya distancia del eje puede variar Para que funcione satisfactoriamente, la descascaradora debe estar llena. El grado de descascarado se regula graduando el espacio entre la tira de acero y e] eje, y también graduando la cantidad de arroz, de cáscaras y de arroz no descascarado que se deja salir de l;a cámara de trabajo. La cantidad de salida se regula mediante una lámina deslizable.

A la descascaradora Engleberg pueden añadirse diversos accesorios Los más comunes son una pulidora que consiste en cilindros giratorios dotatos de tiras de cuero que aprietan e] arroz contra un tambor perforado y un sencillo aspirador de cáscaras

En la descascaradora de rodillos de caucho se hace pasar el arroz en un solo estrato entre rodillos recubiertos de caucho que giran en direcciones opuestas y con diferentes velocidades en la superficie A medida que pasa entre los rodillos el arroz es sometido a una acción de quebrantamiento que hace separar la cáscara Esta acción es mucho más suave que en la descascaradora de eje de acero, y por lo tanto da un mayor porcentaje de arroz no quebrado.

La descascaradora de rodillos de caucho está dotada de un accesorio de aspiración de las cáscaras Sirve para separar las cáscaras y los granos de arroz cáscara inmaduros de] arroz descascarado

Las descascaradoras de discos no se utilizan generalmente para las operaciones de elaboración de arroz en pequeña escala

 

13.22 Operaciones. posteriores al descascarado. Consisten principalmente en blanqueo, pulido y clasificación En los establecimientos de elaboración en gran escala, estas operaciones se efectúan en diversas etapas, para las cuales se utiliza una serie de máquinas especializadas En la elaboración en pequeña escala, pueden omitirse algunas operaciones (p ej., la clasificación) ya por ser innecesarias (es decir, la ela boradora de rodillos de acero elimina también los estratos de salvado), o porque pueden realizarse con una segunda máquina descascaradora ajustada para ello.

El blanqueo consiste en la eliminación de los estratos de salvado como operación posterior al descascarado. Son estratos que están intimamente adheridos al endosperma y que deben eliminarse frotando contra una superficie abrasiva y contra otros granos. La descascaradora de tipo Engleberg puede eliminar la cáscara y e] salvado en una única operación.

El pulido es la fase final, más suave, del limpiado de las partículas de salvado y polvo de arroz blanco y de alisamiento de su superficie para darle mejor aspecto.

Las operaciones de blanqueo y pulido se combinan en la elaboradora de rodillos de acero acoplando una pulidora.

La clasificación del arroz pulido en granos enteros y granos quebrados es necesaria si se quiere vender el arroz blanco, o para poder almacenarlo durante algún tiempo. Los granos quebrados se deterioran más rápidamente que los granos enteros, y éstos generalmente obtienen precios más elevados.

La clasificación se realiza mediante máquinas que seleccionan los granos según e] tamaño (cribas o cilindros alveolados) o según la densidad del grano (aspiración) o con una combinación de ambos sistemas.


Indice - Precedente - Siguiente