by
Z,O, Müller
Asia Research (Pte.) Ltd.
Singapore
| Summary | Résumé |
| The paper identifies investment opportunities for integrated agroindustrial projects converting livestock manures, industrial and municipal wastes into feed for livestock. The economic viability of such projects depends on several factors such as the livestock management system, the quantity (and price, if any) of waste available, the moisture content of the waste, the location of wastes (and thus transportation costs), the nutritive value of wastes, environmental considerations and the nature of the end product, whether it is suitable for direct feeding, for feeding after processing or as a marketable product. The paper concentrates on commercially viable feeding, or processing systems involving the utilization of poultry litter, based on different bedding materials, and of poultry manures, and their most economic use within and integrated agro-industrial project. The conversion of poultry litters and poultry manures into feed for ruminants is economically evaluated under various processing systems involving drying, ensiling, fermentation and other processes. The economic potential of utilizing cattle manures derived from various cattle management systems includes direct refeeding of manure and simple processing methods to improve its palatibility. More technologically advanced systems for the utilization of cattle manure are described. They include the aerobic and anaerobic production of protein biomass, mechanical and chemical treatments, biochemical recycling process, oxidation ditch, Corral System, Grazen Process, Cereco System, production of activated sludge and the conversion of cattle manure through a biodegradation process into fly larvae. Special consideration is given to cattle manure and other livestock waste recycling within an integrated system offering an ecologically closed cycle (municipality-poultry-dairy-beef-horti- culture). The design is particularly suitable for urban areas. The recycling of pig waste to pigs, within a circular-integrated livestock project involving other livestock species including fish, is compared under various conditions showing their relative technological and economic merits. Two types of waste derived from municipalities (garbage and sewage sludge) are described. The technology developed by the author involves the conversion of solid municipal waste into a pelleted product containing 62.5% crude protein equivalent for cattle. The product is designed in such a way that its nitrogen release coincides with the requirements of nitrogen in the rumen. It has minimum toxicity (compared to urea) and it can be spread on pastures, acting as a fertilizer when it is not taken up by cattle. The incorporation of activated and fortified sludge into cattle diets can offer, under a specific feeding system, an economic solution as described in a specific case study. | Ce document recense les possibilités d'investissement dans les projets agroindustriels intégrés assurant la conversion des engrais animaux, des résidus industriels et des déchets urbains en aliments du bétail. La rentabilité économique de ces projets dépend de plusieurs facteurs, tels que le système de conduite de l'élevage, la quantité (et le cas échéant, le prix) des déchets disponibles, leur teneur en humidité, leur lieu de dépôt (et partant leurs frais de transport), leur valeur nutritivé, les considérations relatives à l'environment et la nature du produit fini, selon qu'il convient à l'alimentation directe, à l'alimentation après traitement ou comme produit commercialisable. Le document envisage essentiellement une alimentation rentable au plan commercial, ou des systèmes de traitement fondés sur l'utilisation de la litière des volailles (constituée de diverses substances et de fumiers de poule) et leur usage le plus économique dans le cadre d'un projet agroindustriel intégré. La conversion des litières de volailles et des fumiers de poule en aliments des ruminants fait l'objet d'une évaluation économique pour les divers systèmes de traitement fondés sur le séchange, la fermentation et d'autres techniques. Le potentiel économique de l'utilisation des fumiers de bovins provenant des divers systèmes de conduite de l'élevage englobe l'utilisation directe du fumier et de simples méthodes de traitement destinées à améliorer ses qualités gustatives. L'auteur décrit des systèmes relevant d'une technique plus poussée pour l'utilisation du fumier de bovins. Parmi ceux-ci figurent la production aérobique et anaérobique d'une biomasse protéique, les traitements mécaniques et chimiques, un procédé de recyclage biochimique, l'oxydation en fosse, le système Corral, le procédé Grazen, le système Cereco, la production de boues activées et la conversion du fumier de bovins en larves de mouches selon un procédé de biodégradation. L'auteur accorde une attention particulière au recyclage du fumier de bovins et des autres déchets animaux dans le cadre d'un système intégré constituant un cycle fermé du point de vue écologique (déchets urbains - volailles - vaches laitières - bovins à viande - horticulture). Cette conception convient tout particulièrement aux zones urbaines. |
Resumen
Se identifican las oportunidades de inversión de proyectos agroindustriales integrados de transformación de estiércol de animales y de desperdicios industriales y municipales en alimentos para el ganado.
La viabilidad económica de estos proyectos depende de factores tales como el sistema de manejo del ganado, la cantidad (y el precio, si lo tiene) de desperdicios disponibles, el contenido de humedad de los mismos, su ubicación (y por ende los costos de transporte), su valor nutritivo, las consideraciones ambientales y la índole del producto acabado, ya sea idóneo para la alimentación directa o previo tratamiento, o comercializable.
Se concentra la atención en la alimentación comercialmente viable o en los procesos que permiten la utilización de las camas de los gallineros de diferentes materiales y del estiércol de aves de la manera más económica, en un proyecto agroindustrial integrado. Se hace una evaluación económica de la transformación de las camas y del estiércol de los gallineros en alimentos para los rumiantes, empleando diferentes procesos de secado, ensilado, fermentación, etc.
El potencial económico de la utilización del estiércol de vacuno depende del sistema de manejo del ganado, ya sea que se le administre el guano directamente como alimento o que se someta a tratamientos sencillos para hacerlo más apetitoso. Se dan a conocer sistemas tecnológicamente más avanzados de utilización del estiércol de vacunos. Entre éstos figuran la producción aeróbica y anaeróbica de biomasa proteínica, tratamientos mecánicos y químicos, procesos de reciclaje bioquímico, zanja de oxidación, el sistema Corral, el proceso Grazen, el sistema Cereco, la producción de fango activado y la transformación del estiércol de vacuno a través de un proceso de biodegradación en larvas de moscas. Se toma en consideración especialmente el reciclaje del guano de vacunos y otros desperdicios ganaderos en un sistema integrado en circuito ecológicamente cerrado (municipalidad-aves-ganado de leche-ganado de carne-horticultura). El diseño es muy conveniente para zonas urbanas.
Se compara en diversas condiciones dando a conocer sus méritos tecnológicos y económicos relativos, el reciclaje de los desperdicios de cerdo a los porcinos, en un proyecto ganadero circular integrado que incluya otras especies animales tales como los peces.
19.1 Introduction
The irreversible trend in urbanization, with inputs of food and outputs of garbage in an ever-accelerating cycle, directly affects waste disposal problems in cities and indirectly creates the same problems in peripheral rural areas. One of the results on the countryside of a growing urban population is the expansion of the livestock industry, which produces an enormous volume of its own wastes in confined areas. Thus, municipalities are becoming increasingly burdened with garbage disposal, and some rural areas with the disposal of livestock wastes. Both problems are essentially the same: they interfere with the human environment.
The attitude toward overcoming these problems is usually quite negative; either nothing is done to remedy the injury to the environment and to the population or, if action is taken the motivation is sheer necessity, and it is undertaken only with reluctance, because it is an additional charge on the public purse.
It was not until the recent energy and commodity crises that some became aware that these problems had a positive aspect: the latent economic potential of the neglected resources. Animal and municipal wastes represent, in fact, a vast reservoir of cheap nutrients for ruminants. The cost of these wastes, as a raw material for feed, is generally the cost of transport alone; wastes are easily collected as they are concentrated in small areas. The only expensive item is the equipment required for converting wastes into feed by various processing systems, but the capital outlay involved, which is relatively small, is recoverable from the profit margins arising out of the low cost of feed. Traditional feed costs usually represent 60 to 90% of the total livestock production cost; this can be reduced to 30 to 50% by utilizing animal (and other) waste resources.
The overall economic viability of any recycling system depends upon several factors including the type of animals, production intensity, livestock management, traffic patterns, market, waste disposal system, as well as the avilability of various other wastes, by-products and raw materials which may become an important part of the recycling process. Other factors that must be taken into account include the impact of food and environmental legislation and the attitude of society, its customs and traditions.
Livestock manures and processed municipal wastes can, of course, be utilized as organic fertilizers, fuel or feed, but the value of these wastes as a feed is far superior, in monetary terms, to the other uses, as shown in Table 19.1.1
19.2 Economics of Waste-based Integrated Agro-industrial Projects
These projects are based on the author's 20 years of experience with feeding poultry waste to cattle as the main constituent of feeding rations (Müller, 1956; Müller et al., 1959; Müller and Herold, 1959; Müller et al., 1968; Müller, 1974–75). The use of poultry waste, particularly poultry litter, is usually not well understood, and in order to obtain maximum benefits from the nutrients contained in this waste, it is important to recognize the large variation in its nutritive, and thus its economic, value. Poultry litter can be greatly influenced by the class of poultry, the quantity and quality of bedding, the treatment during rearing, as well as by final processing into a feed or forage substitute.
19.2.1 The Role of Poultry Litter in Integrated Agro-Industrial Projects
The feeding of poultry litter to cattle, carried out by the author in diffent ecoclimatic zones, has conclusively proved that litter can effectively be substituted for expensive feed ingredients by up to 40% of the total ration (on a DM basis)
Crude fibre, cell-wall, lignin and minerals are the main constituants limiting its use, and their level must be strictly observed in formulating poultry litter-based rations. Much also depends upon the nature of the energy of the other constituants, because energy is the first limiting factor in deep litter-based rations.
1 All references to dollars in the text and the tables refer to US dollars unless otherwise stated.
| Index | Unit | Mode of Waste Conversion | |||
| Feed | Fuel | Fertilizer | |||
| Dried layer manure | Cattle manure ensiled | Methane on Farm | |||
| Manure used for non-fertilizer use | % | 100 | 100 | 50 | nil |
| Total Cost1 | $/† | 45 | 7 | 32 | 3–10 |
| Value of primary products2 | $/† | 50–70 | 40 | 11 | 9 |
| Net value per ton of manure | $ | 5–25 | 33 | -21 | -1 to 6 |
| Size of economic cattle operation | No. of Head | 2 2003 | 720 | 100 | n/a |
1 Includes processing cost of primary product, transportation and disposal of fertilizer residue (on DM basis);
2 Based on value of one ton of manure (on DM basis) and fertilizer residue;
3 Based on 50 000 layers.
Source: J.M. Harper and D. Seckler, 1975
The overall availability of poultry litter offers attractive commercial possibilities, but differences in quality, and thus the market value, of poultry litter derived from broilers, replacement birds or layers, are very significant, as can be seen in Table 19.2.
Moreover, the nature of the bedding material has a great influence on both poultry performance and on the value of deep litter for ruminants. 44 different bedding materials have been tested by the author (Müller, 1966; Müller et al., 1968); results for the most important materials used in developing countries are given in Table 19.3. They show that some (cocoa hulls, pea straw and coffee hulls) have a significant negative effect on broiler growth, and that the nature of the bedding material had great influence on the crude protein content in the litter, either as a result of the inherited protein level already contained in the bedding material or due to its specific chemical properties (pH).
As demonstrated by the example of rice hulls, high levels of constituents such as silica, fibre, lignin and cutin can be responsible for low ruminal digestibility.
The quantity of bedding material used per bird has also a pronounced effect on the protein and vitamin value of the litter (Table 19.4).
Similarly, the addition of limestone during the rearing period results in a considerable loss of nitrogen, manifested by the displacement of ammonia, with an adverse effect on the micro-climate of the poultry house. Deep litter treated by CaCO3 has a low level of crude and true protein and the litter mineralizes rapidly (see Table 19.5).
| Kind of litter | Crude Protein % | Crude Fibre % | Lignin % | Ash % | Value /ton |
| Broiler | 25.3 | 14.6 | 8.9 | 10.1 | 40 |
| Replacement birds | 13.7 | 18.3 | 16.5 | 14.9 | 18 |
| Laying hen | 11.6 | 16.2 | 7.9 | 20.1 | 15 |
| Kind of bedding material | Response of Chicks to bedding material | Nutritive Value of Deep Litter for cattle | ||||
| Relative Value | Crude Protein % | Ash % | DM digestibility1 | Value $/†2 | ||
| Growth | Feed/gain | |||||
| Coniferous wood waste | 100 | 100 | 21.5 | 12.7 | 71.7 | 47 |
| Foliaceous wood waste | 91 | 111 | 20.9 | 12.0 | 72.4 | 55 |
| Maize straw | 98 | 99 | 22.0 | 19.3 | 71.8 | 51 |
| Maize cobs | 93 | 91 | 26.5 | 13.9 | 73.5 | 62 |
| Rice straw | 97 | 98 | 21.7 | 20.1 | 70.4 | 40 |
| Rice hulls | 89 | 96 | 19.7 | 32.5 | 52.5 | 15 |
| Sugarcane bagasse | 99 | 99 | 22.3 | 16.4 | 70.1 | 47 |
| Peat | 98 | 99 | 25.6 | 15.7 | 68.5 | 52 |
| Pea straw | 86 | 109 | 21.7 | 16.1 | 70.2 | 56 |
| Furfural waste (dried) | 87 | 101 | 30.1 | 15.6 | 71.7 | 73 |
| Cocoa hulls | 83 | 91 | 30.7 | 15.5 | 70.8 | 65 |
| Sunflower hulls | 97 | 100 | 18.4 | 16.7 | 68.4 | 44 |
| Groundnut hulls | 101 | 102 | 24.7 | 19.6 | 66.7 | 56 |
| Coffee hulls | 87 | 89 | 19.6 | 17.4 | 69.5 | 42 |
Note: 1 Organic matter digestibility in vivo (sheep) (4 replications of each deeplitter);
2 Calculated from the following parameters: True protein: $0.30/kg, non-protein nitrogen: $0.08/kg as crude protein equivalent or $0.50/kg
as nitrogen (N); Phosphorus: $0.50/kg; residual organic matter: $0.01/kg; ash content exceeding 10% is charged at $0.10/kg and deducted from
the total monetary value of deep litters. Estimated costs: urea containing 46% N; $230/†; phosphoric acid (H3PO4) containing 27% P: $270/†.
Source: Müller, 1966; Müller et al., 1968.
| Quantity of Bedding Material (on DM basis) | Content of nutrients in deep litter | |||||
| per bird (in g) | per m2 (in kg) | Crude Protein % | Ash % | Tocopherols mg/% | Vitamin B12 mg/kg | Value $/† |
| 267 | 4.00 | 27.9 | 11.4 | 5.5 | 1.8 | 64.0 |
| 443 | 6.65 | 26.5 | 10.3 | 4.3 | 1.4 | 65.0 |
| 533 | 8.00 | 24.6 | 10.4 | 3.1 | 1.5 | 62.0 |
| 709 | 10.64 | 22.8 | 9.7 | 2.6 | 1.3 | 57.0 |
| 800 | 12.00 | 21.8 | 9.9 | 2.4 | 1.6 | 56.0 |
| 887 | 13.30 | 19.3 | 10.0 | - | 1.2 | 50.0 |
Source: Müller et al., 1968.
| Type of bedding material | Without CaCO3 | With 0.5% CaCO3 | ||
| Crude Protein % | Value $/† | Crude Protein % | Value $/† | |
| Wood shavings | 26.1 | 61 | 23.5 | 42 |
| Peat | 29.8 | 69 | 26.2 | 48 |
| Peat + wood shavings | 30.5 | 67 | 20.5 | 52 |
| Maize cobs | 28.5 | 63 | 24.7 | 54 |
| Maize cobs + shavings | 29.2 | 71 | 23.1 | 53 |
| Wheat straw | 26.4 | 57 | 21.7 | 49 |
Source: Müller et al., 1968.
On the other hand, supplementing deep litter with mineral phosphorus significantly increases the content of crude protein, especially digestible protein in vitro (see Table 19.6). There is usually no need to add phosphorus to ruminant rations when the litter is treated by phosphate, preferably phosphoric acid.
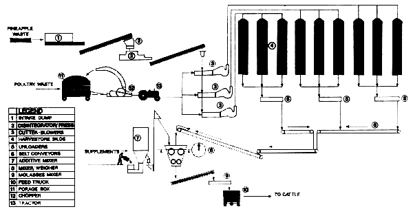
19.2.2 Beef Feedlot Project Based on Pineapple and Poultry Wastes
This Malaysian Government project currently being executed, is designed for 2 000 head of cattle (Müller and Wilkins, 1975). The key element in the production system is the utilization of pineapple and poultry wastes as 80 to 85% (DM) of the feeding ration. Only 15 to 20% of conventional feed is required, of which about 15% consists of molasses and 5% of solid supplements containing minerals, vitamins and other additives. The latter are a vital component of the feeding ration because they balance the nutrients to ensure a minimum average daily gain of 750 g per head. The flow diagram of the feed processing system is shown in Figure 19.1. A summary financial analysis of the project is given in Table 19.7.
| Mineral Supplement | Composition of broiler litter | ||||
| Dry Matter % | Crude Protein % | Crude Fibre % | Digestible Protein % | Value* $/† | |
| none | 91.1 | 19.7 | 28.2 | 10.7 | 42 |
| P | 91.6 | 22.4 | 25.0 | 11.9 | 54 |
| P + S | 91.6 | 22.4 | 25.8 | 13.2 | 56 |
| P + S + ME | 91.6 | 22.9 | 24.4 | 13.4 | 57 |
Note:
P = Superphosphate -40 g/m2;
S = Sulphur -1.4 g/m2;
ME = Microelements mixture
(10 g/m2) containing (%): 0.3 KCl; 8.0 MnSO4, 7H201; 25.0 FeSO4. 7H2O; 2.0 CoCl2.
6H2O; 3.0 ZnSO4. 7H2O; 20.OnaHPO4, 41.7CaHPO4. 10.64 kg of bedding material
per m2 were used.
Source: Müller et al., 1968.
| Total Investment: | (a) Assets | 1 120 000 | |
| (b) Working Capital | 900 000 | $2 020 000 | |
| Average Net Profit (Years 1–8) | 312 298 | ||
| Return on Investment: | |||
| (a) Initial Investment | 27.9% | ||
| (b) Average Investment | 55.8% | ||
| Pay-back Period: | (a) From date of initiation of project | 5.1 years | |
| (b) From date of commencement of operations | 4.6 years | ||
Assumptions: (1) Sales; (a) all cattle sold will be at an average weight of 350 kg at $2.20/kg; (b) average cattle loss: 5%/year; (2) purchases of cattle; (a) all cattle purchased at $2.20/kg; (b) year 1, purchase of 1 000 cattle (av. wt. 150 kg) with a 9-month turnover, (c) year 2, purchase of 2 000 cattle (av. wt. 125 kg) with a 10-month turnover, (d) year 3† purchase of 2 000 cattle (av. wt. 100 kg) with an 11-month turnover; (3) feed costs: (a) cost feed; $100/ton, (b) cattle lost have on average consumed 60% of the feed cost per head; (c) year 1 cattle consume 1.6 tons of feed per head; (d) year 2 cattle consume 1.8 tons of feed per head; (c) year 3 + cattle consume 2 tons of feed per head; (4) Veterinary/drug expenses: (a) average cost: $5 per head; (b) average cost of cattle lost; $2.50 per head.

Figure 19.1 Schematic Flow Sheet for Feed Processing Plants
19.2.3 Development of National Beef-Cattle Herd Based on the Recycling of Organic Waste
This project, designed by the author for the Malaysian National Livestock Development Authority, envisaged an initial herd of 5 000 beef cows kept under a confinement feeding system based on the utilization of a variety of organic wastes constituting a completely balanced ration (Müller, 1975a). The reproduction of the herd would result in about 15 000 head of cattle by the end of the fourth and successive years (see Figure 19.2). The implementation, in Malaysia, of such a project under a traditional pastoral system would require US $6.2 million for the establishment of 5 000 ha of improved pasture, whereas the cost of a processing plant for all the feed required under this system amounts to US $0.9 million and the area required to accommodate the same number of cattle would be only about 22 ha. including all facilities for administration, cattle housing, and feed and waste processing plants. An additional 200 to 300 ha are required as a reserve for a possible integrated agricultural project.
As the herd produces about 400 tons of manure (solid waste) per day, a manure processing plant is included to overcome the waste disposal problem and also to generate marketable products (protein concentrate, forage and organic fertilizer) to be recycled within the project or sold. The entire system represents a circular-integrated agro-industrial project.
The project is designed so that it can be located in the close vicinity of organic waste resources such as pineapple waste, fibrous oil-palm waste, poultry waste, crop residues, sugarcane molasses and other waste materials available in abundant quantities. A projected statement of capital appreciation and cost/ benefit ratio is given in Table 19.8.
19.2.4 A Circular-integrated Agroindustrial Project Utilizing Recycled Waste Resources and Dates for Supplying an Urban Population of 300 000 inhabitants in an Arid Environment
The technology behind this project, which is based on replacing the traditional soil-plant-animal cycle, converts waste resources, such as poultry litter and other livestock waste, municipal garbage, vegetable waste, crop residues and dates, into feed, meeting the nutrient requirements of animals with a minimum of inputs from conventional feedstuffs (Müller, 1975b).
Figure 19.3 illustrates the flow of the project. The following units lead to circular integration: municipal garbage plant, dairy farm, dairy plant, poultry farm, sheep feedlot, agricultural sector and feed-processing plant.
The municipal garbage plant generates annually 29 200 † of organic fertilizer, including bedding material for a poultry farm, and 7 300 † of forage substitute for cattle and small ruminants. Organic fertilizer is used as a compost (soil conditioner) and a buffer for chemical fertilizers to reclaim low fertile, or infertile, soils.
The dairy farm comprises 500 cows and 750 followers, generating 1.2 million litres of milk per year and 400 live cattle, part for slaughter and part as a replacement herd. The feed input consists of poultry litter, poultry manure, organic waste derived from garbage, dates and conventional feed supplements. All cattle manure derived from the dairy farm is recycled via the feed-processing plant as forage component for the sheep feedlot.
The poultry farm consists of heavy breeders producing broller chicks and laying breeders as replacement birds for egg production. The poultry farm produces annually 450 000 broilers, 13 000 culled breeders and 1.3 million eggs. All poultry liller and manure are recycled through the feed-processing plant for ruminants, particularly dairy and beef cattle.
All waste products emanating from the project, together with dates and a small percentage of conventional feedstuffs, mineral supplement and micro-additives, are used to constitute specific formulas for different species and classes of animals. The major part of the waste resources is microbially converted into highly nutritious and palatable feed.
The municipal garbage plant and sheep/goat feedlot, as well as liquid effluent separated from cattle manure solids, supply an abundance of organic fertilizer, permitting cultivation of vegetables and other crops, subject to capital investment for adequate irrigation. The viability of an agro-industrial project based on this system is shown in summary in Table 19.9.

Figure 19.2. Recycling System of Beef Cattle Development Project

© ASIA RESEARCH PTE LTD. Singapore. 1975.
Figure 19.3. Flow Diagram of Proposed Agro - Industrial Project
Table 19.8 Projected Statement of Capital Appreciation and Return on Original Investment
(M $ = 000)
| Year | Capital Appreciation1 | Return on Original Investment2 |
| 1 | (1 867.7) | - |
| 2 | ( 616.3) | - |
| 3 | 940.0 | 8.2% |
| 4 | 3 149.9 | 27.5% |
| 5 | 4 943.4 | 43.2% |
| 6 | 5 628.03 | 49.2% |
| 7 | 6 016.53 | 52.5% |
| 8 | 6 383.73 | 55.8% |
| 9 | 6 764.83 | 59.0% |
| 10 | 7 143.43 | 62.4% |
| Average annual rate of return | ||
Year 3 – 104 | 44.7% | |
Year 1 – 10 | 35.8% | |
1 Based on net income before tax.
2 Original investment = M$11.45 million.
3 In years 6 to 10, no herd appreciation over and above sales value.
4 Average animal capital appreciation expressed as percentage of original investment.
The total estimated capital for the entire project would be of the order of US$4 694 000, with a net profit margin of 41.9%, a return on average investment of 71.6%, a return on initial investment of 35.8%, and a 2.37 year payback period. Gross revenue at conservatively estimated prices would be about US$ 4 010 000 per year, with production costs running at about US$2 329 000 per year. The annual net profit would be approximately US$1 681 000.
19.3 Municipal Waste as Forage or Feed Substitute
Two types of waste are derived from municipalities; garbage (municipal solid waste) and sewage (sludge), Garbage includes a wide variety of raw materials. In developed countries, daily household refuse runs as high as 2 to 4 kg per person. In Southeast Asian cities the figure is estimated at 0.3 to 1 kg per person per day.
19.3.1. Municipal garbage
The composition of city garbage in some Southeast Asian cities is given in Table 19.10. A more detailed analysis (Müller 1975c) of household waste is given in Table 19.11.
There is a marked variation in garbage composition in Malaysia, Indonesia and Singapore during the 6-month durian (a tropical fruit) season, when fruit waste, at its peak, may reach 50% of the total waste classified as “household waste”.
Garbage is relatively rich in cellulose and lignin. While newspaper and writing paper are almost pure donors of free cellulose, in other wastes some cellulose is more or less locked up with lignin in a firm cellulose-lignin bond that degrades relatively slowly. The transformation products of lignin N-free polymers react with the degraded products of protein to form humic substances. Macroscopic and microscopic investigation of garbage classified as “paper” is shown in Table 19.12.
| Municipal Plant1 | Dairy Farm & Plant2 | Poultry Farm3 | Sheep Feedlot4 | Others* 5,6,7,8 | Total | |
| INVESTMENT | ||||||
Assets (Excluding Land) | 1 842 | 555 | 455 | 56 | 890 | 3 798 |
Working Capital | 55 | 140 | 260 | 300 | 141 | 896 |
Total Investment | 1 897 | 695 | 715 | 356 | 1 031 | 4 694 |
| PROFITABILITY | ||||||
Gross Revenue | 1 314 | 480 | 1 216 | 1 000 | - | 4 010 |
| Less | ||||||
Production Costs | 110 | 280 | 520 | 600 | 282 | 1 792 |
Depreciation | 184 | 26 | 14 | 6 | 71 | 301 |
Average Interest (5% on Total Investment) | 95 | 35 | 36 | 18 | 52 | 236 |
Total Expenses | 389 | 341 | 570 | 624 | 405 | 2 329 |
Total Segment Net Profit | 925 | 139 | 646 | 376 | (405) | 1 681 |
| FINANCIAL ANALYSIS | ||||||
Net Profit Margin (%) | 70.4 | 28.9 | 53.1 | 37.6 | - | 41.9% |
| Return on Investment: | ||||||
Average Investment (%) | 97.5 | 40.0 | 180.7 | 211.2 | - | 71.6% |
Initial Investment (%) | 48.8 | 20.0 | 90.3 | 105.6 | - | 35.8% |
Annual Cash Inflow | 1 109 | 165 | 660 | 382 | (334) | 1 982 |
Payback Period (Years) | 1.7 | 4.2 | 1.1 | .9 | - | 2.37 |
Note: * Includes feed-processing plant, assets not specifically allocated and turn-key operation.
Based on the following assumptions ($ '000):- Capital Assets (Land Excluded) -
(1) Municipal garbage plant: plant and infrastructure $1,387, civil engineering work $ 455;
(4) Sheep feedlot: sheep sheds $41, fencing and infrastructure $15;.
(5) Feed processing plant; plant and infrastructure $270, construction costs $40;
(6) Vegetable, horticulture, crops (excluded);
(7) Combined assets: housing/offices $ 125, roads and other infrastructure $30, vehicles $80;
(8) Turn-key operation 10% $345;
Gross Revenue - (1) Municipal garbage plant: organic fertillyer (29 200t at $35) $ 1 022, feed forage (7 300t at $40) $292, metal scrap, glass etc. not valued; (2) Dairy farm; milk (1.2 million 1 at $0.30/1) $360, live cattle for sale ($400 each) $120; (3) Poultry farm: broilers (450 000 at $2.50 each) $1,125, eggs (1.3 million at $0.05 each) $65, culled breeders (13 000 at $2.00 each) $26; (4) Sheep feedlot: finished lambs and sheep (50 000 at $20 each) $1 000; (5) Vegetable, horticulture, crops (excluded).
| Item | Sample 1 | Sample 2 | Sample 3 | Sample 4 |
| Moisture | (45) | (38) | (43) | (35) |
| Paper | 18 | 22 | 17 | 28 |
| Plastic material | 7 | 5 | 3 | 8 |
| Household waste | 64 | 60 | 56 | 45 |
| Metal (all) | 7 | 5 | 3 | 8 |
| Glass | 3 | 2 | 2 | 3 |
| Soil | - | - | 5 | - |
| Unsorted | 1 | 6 | 14 | 8 |
Table 19.11 Composition of Household Waste in Garbage
(Müller 1975c)
| Kind of Waste | % |
| Fruit waste | 15 |
| Bones | 3 |
| Eggshells | 2 |
| Fibrous shells | 7 |
| Food waste | 10 |
| Non-food waste (mostly leaves) | 42 |
| Unsortable | 21 |
Table 19.12 Composition of Paper Fraction in Garbage
(Müller 1975c)
| Paper type | % |
| Newsprint | 18.7 |
| Office paper (writing) | 12.5 |
| Printing paper | 7.1 |
| Corrugated paper | 21.3 |
| Packing paper | 28.0 |
| Other | 12.4 |
The nature of lignin in garbage varies according to the variety of fruit waste, hulls, shells, peelings and, particularly, wood waste. The lignin in plant materials varies from 5 to 40% of their content. In view of the fact that garbage of Southeast Asian cities contains a large volume of leaves, branches, wooden materials and other donors of lignin, the main lignin monomers of deciduous trees (ferulic and sinapic acids) occur in larger quantities in Asian garbage.
19.3.1.1 Conversion of Garbage into Feed
A method for converting garbage into feed for ruminants has only recently been developed. The technology is similar to garbage-compost production, but a more critical system for sorting edible products from glass, metal and plastic must be employed. The remaining organic material is coarsely shredded and transferred to a digester, where an aerobic microbial process takes place. This digesting action may last 4 to 7 days. The digested slurry is then removed, dehydrated, balanced and mixed with other feed ingredients and finally pelleted, using urea, molasses or other substances as a binder, forming a dry non-pathogenic material. Alternatively, instead of the digester, an autoclaving technology can be used to sterilize the product. It would also be possible to process further either digested or autoclaved slurry by fermentation or by simply ensilling the product; this eliminates drying and economizes energy. The lactic fermented slurry serves as a forage substitute.
The organic matter content of processed garbage is a decisive factor for the quantity that can be used in ruminant diets. It is therefore necessary to use fresh garbage immediately after processing to avoid its mineralization, which results in a decrease in organic matter. Feeding recommendations cannot be rigid until the exact composition of the processed garbage is known.
The importance of garbage as an ingredient in cattle diets is particularly relevant to feeding systems in which cassava, grain or molasses are the main feeding components of finishing cattle diets; garbage would serve as a donor of roughage.
19.3.1.2 Fortification of Garbage with NPN Compounds
Kompuk is a trade name of a garbage-based product developed by Asia Research Pte. Ltd. (Müller, 1975c). This product, containing 10% nitrogen, has 62.5% crude protein equivalent. It is designed so that its N release coincides with the requirement of nitrogen in the rumen.
The product releases nitrogen gradually, thus ensuring a minimal toxicity as compared to urea or other NPN sources. These specific properties of the product make it suitable for any feeding scheme. For example, when spread on pastures it can act as a fertilizer when it is not taken up by cattle. Cattle and sheep instinctively regulate their feed intake, and during the dry season (or when pasture is overgrown) the protein level of pasture is so low that cattle or sheep would instinctively pick up the pellets to regulate their supply of nitrogen to meet their protein requirements.
A summary financial analysis carried out by Asia Research Pte. Ltd., Singapore, for a commercially viable project based on the disposal of 2 000 tons of garbage a day is given in Table 19.13. It assumes that the project will start up in 1980 and daily production will comprise 750 tons of Kompuk (US$100 per ton) 40 tons of scrap metal (US$40 per ton), 40 tons of glass (US$20 per ton) and 260 tons of rejects to be used for land reclamation.
19.3.2 Sludge
The feeding potential of municipal sludge has only recently been discovered. The incorporation of sludge into cattle diets depends upon the ratio of organic to inorganic matter, the moisture content and several other considerations, including the presence of heavy metals. The composition of municipal sludge is given in Table 19.14.
Activated sludge can be used as a supplement in poultry and pig rations and as feed or forage substitute in ruminant diets (15 to 35%). Sludge is rich in Vitamin B12 and unidentified growth factors
A process developed by Asia Research Pte. Ltd. in conjunction with Kompuk (garbage pellets) incorporates activated municipal sludge into a commercial cattle pellet. Figure 19.4 depicts the schematic flow of the process. It uses any kind of easily available waste product from agriculture or industry (including abattoir waste, rumen and intestine contents), or mycelium from the production of glutamic acid. The final feed product is sterile, odourless and can be adjusted to a required level of crude protein by using a NPN source (urea). The specific features of the nitrogenous fraction are then gradually released in the rumen, giving the product important properties for cattle or ruminant nutrition in general.
Although the process is quite simple and complete it has not reached a commercial scale and an economic analysis is not available.
Table 19.13 Summary Financial Analysis of Plant Converting Garbage into Kompuk
(Asia Reserach Pte. Ltd., 1975)
(Müller, 1975c)
| Investment Required 1977–1980 | $76,000,000 |
| Average Annual Net Profit (1980–1991) Before Tax | $17,792,000 |
| Average Rate of Return (Before Tax) on: | |
(a) Average Investment | 46.82% |
(b) Initial Investment | 23.41% |
| Internal Rate of Return (D.C.F.) | 22.95% |
| Pay-back Period (From date of commencement of project - 1976) | 8.5 years |
| Minerals | Vitamins1 2 | ||||||
| Dry matter | 22 – 40 | Ca | 1.7 – 3.5 | Riboflavin | 12.7 – 29.0 | ||
| Organic matter | 60 – 75 | P | 0.7 – 3.0 | Pyridoxin | 1.2 | ||
| Organic matter digestibility | 60 – 72 | Mg | 0.5 – 1.2 | Niacin | 76.4 | ||
| Crude protein | 20 – 35 | Na | 0.3 – 0.7 | Pantothenic Acid | 4.0 | ||
| Ether extract | 1.5 – 7 | K | 0.1 – 0.6 | Cholin | 212 | ||
| Crude fibre | 6 – 12 | Cl | 0.1 – 0.2 | Inosit ol | 640 | ||
| Ash | 25 – 40 | S | 0.6 – 1.1 | Biotin | 0.7 | ||
| Ash insoluble in HCl | 6 – 10 | Mn | 0.03 – 0.1 | Vitamin B12 | 0.1 – 5 | ||
1 As percentage of MDR.
2 Compiled from various sources.
19.4 Economics of Individual Waste Recycling Systems
19.4.1 Dehydration
The simplest and most common technology is the dehydration of livestock waste. This process is widely applied, for commercial purposes, from poultry waste (poultry litter or poultry manure). Dried poultry waste can be used either as feed and/or as urban fertilizer (Flegal and Zindel, 1971; C:C, Sheppard et al., 1975).
Dehydration is a costly process, requiring substantial investment and operational costs. The cost of drying poultry manure is estimated to be between $22 to $45 per ton. The nutritive value of poultry litter is extremely variable, ranging from 14% to 30% crude protein, with drying costs between $5 to $12 per ton. The economic potential of various dryers is, however, extremely variable because of wide differences in relative efficiency. The comparative performance of a manure dryer in processing excreta from different livestock species is shown in Table 19.15.
The economics and technology of drying poultry waste were recently evaluated by British authors (Akers et al., 1975). They concluded that rotary drum and batch-agitated pan-driers were the most economically suitable for smaller farmers, while industrial pneumatic dryers were commercially attractive for large-scale poultry operations of 106 birds. Table 19.16 shows the cost of drying poultry manure (16 hr/day) drom 25% to 65% solids.
The investment and operating costs of dehydration of poultry manure has been evaluated by the United States Environmental Protection Agency (USEPA) (1974). The total cost was found to be $39.25/t (see Table 19.17.

Figure 19.4. Typical Processing Patterns for Conversion of Municipal Sludge into Cattle Feed
Table 19.15 Comparative Performance of a Manure Dryer
Source: Sheppard, 1970
| Manure | Fresh excreta | Moisture | ||||
| feeding rate kg/hr | initial % | final % | Fuel | Electricity | Efficiency | |
| 1/hr | kw | % | ||||
| Poultry | 155 | 76.3 | 11.1 | 9.1 | 4.2 | 71.8 |
| Cattle (2% straw) | 110 | 82.4 | 12.0 | 9.9 | 4.2 | 51.6 |
| Pig | 100 | 72.2 | 12.5 | 9.1 | 4.2 | 44.1 |
Table 19.16 Cost of Drying Poultry Manure From 25% to 65% Solids
Source: Akers et al., 1975
| Type of dryer | Throughput 1 16 hr/day t/yr | Cost 16 hr/day £/† |
| 1/Batch-agitated | ||
- Package unit (a) | 693 | 17.36 |
- Package unit (b) | 346 | 23.36 |
| 2/Pneumatic conveying | ||
- Package unit | 1 040 | 17.22 |
- Industrial dryers (a) | 1 300 | 25.02 (17.18)2 |
- Industrial dryers (b) | 2 600 | 18.29 |
- Industrial dryers (c) | 26 000 | 11.68 |
| 3/Rotary drum | ||
- Package unit | 620 | 26.83 |
- Industrial dryers (a) | 1 030 | 42.16 (34.72)2 |
- Industrial dryers (b) | 2 060 | 33.22 |
- Industrial dryers (c) | 20 600 | 22.58 |
1 5 days/week;
2 Figures in brackets indicate the effect of using farm
labour costs.
19.4.2 Ensiling
Manure or litter silage is more acceptable than the dehydrated product on ethical grounds. The economic advantages of ensiling are obvious, particularly if silos are already part of the farm establishment. A table comparing production costs of a nutritionally equivalent cattle feed based on four types of animal waste is given in Table 19.18.
The most important advantages of the ensiling process are the elimination of most pathogens, better palatability and a larger intake of waste-based silage by animals. The economics of ensiling is further enhanced by the fact that ensiling enables high-moisture wastes, derived from canneries and other agro-related industries, to be used. Drying costs of some of these wates could be prohibitive, and their seasonal availability would render the plant idle for several weeks in the year.
19.4.3 Wastelage
This recycling concept was pioneered in the United States by W.B. Anthony (1969, 1971) of Auburn University, Alabama.
Table 19.17 Economic Analysis of Dehydration of Poultry Manure
Source: USEP Agency, 1974
| Item | Cost $/† |
| Material & Supplies | 0.55 |
| Utilities | 11.03 |
| Labour | 13.78 |
| Indirect | 13.89 |
| Total | 39.25 |
Assumptions:- Investment Cost: - Purchased Equipment - $30,000 for a rotary drum dryer produces 0.2t/hr of dried waste. Buildings - None required, system usually installed outdoors. Land - Minimal, 6.1 m × 12.2 m plot required per machine. Site Work - Purchase price includes price of dryer, shipping, concrete pad, and auxiliary equipment. Operating Cost: Materials and Supplies - None required for refeed program unless excess is bagged and sold. Maintenance costs are $0.55/t. Utilities - Electrical - 22 kw/ton at $0.23/kw equals $0.55/t, Fuel - 36.0 l/hr × 5.5 hr/t × $0.05/l. Labour - 5.5 hr/t at $2.50/hr. Indirect Costs - Depreciation and interest, for 5 years at 9 1/2 % interest, operating 60 hours per week for 50 weeks per year.
| Type of Waste | Cost of 1 ton of ration (DM) | |
| Dry Mash | Silage | |
| $/t | $/t | |
| Poultry litter | 58 | 47 |
| Poultry manure | 72 | 55 |
| Cattle manure | 68 | 57 |
| Feedlot waste | 67 | 54 |
Anthony's classic silage (wastelage) consists of a mixture of 57 to 60% cattle manure and 40 to 43% hay which, after ensiling, is fed to feeder cattle in a ratio of 40% wastelage and 60% maize grain. The system is commercially applied in the USA. The total cost of processing is estimated to be about $7.00 at a net value of $33 per ton of manure calculated on a DM basis (Harper and Seckler, 1975). The minimum size of operation is 2 200 feeder cattle. A design of this process with a quantative mass balance is shown in Figure 19.5. Fresh manure participates in the ration of wastelage-fed cattle from 8 to 15% and only 25 to 40% of the manure can be fed back to the same group of cattle.
An optional extension of this process is the fermentation of a part of the cattle manure (from cows kept in confinement) into 40% crude protein concentrate. The fermentation process has not yet reached a commercial stage; an economic evaluation would therefore be premature.
19.4.4 Oxidation Ditch
The oxidation ditch is a technologically advanced aerobic process applicable to all livestock wastes. The principle is the refeeding of treated liquid waste in the form of nutrient-rich drinking water. The method, developed by Day and Harmon (1975), converts organic matter into single-cell protein by aerobic action, enabling the protein level in pig rations to be reduced by 15% (Day, 1975).

Figure 19.5. Flow sheet for recycling cattle manure
(W.B. Anthony, 1970)

Figure 19.6. Feed Recycle Process
(Source: U.S. Environmental Protection Agency, 1974a)
The disadvantage of this system is the high initial investment required and high requirements for maintenance, power and water; there is also a danger of harmful gases in case of mechanical failure.
Variables such as the type of animals, location and the cost of building material and land affect the amount of capital needed. The average capital investment (1976) required for a large commercially viable pig operation would be in the range of $13 per individual in a standing pig population (assuming a properly composed pig herd consisting of boars, sows, piglets, growing and finishing pigs). The annual operating cost would average $2.50 per pig marketed (assuming 1.6 pigs are marketed per year per individual in the standing pig population). The capital includes the cost of land, construction, concrete, fencing, purchase and installation of mechanical equipment, labour and energy (Taiganides, 1976, personal communication).
Capital and operating costs for an oxidation ditch for cattle would be as follows:
| Equipment and site work | - | $50 per head |
| Building | - | $65 – 75 per head |
| Land | - | Negligible in relation to other costs |
Based on a 10-year equipment depreciation, operating costs on a non-feed basis are estimated at $0.13 per day or $47.45 per year per animal (U.S. Environmental Protection Agency, 1974a).
No data are currently available to indicate the economic viability of refeeding treated liquid waste.
19.4.5 Feed Recycle Process
Feed Recycle Process (Anon. 1972a, b, 1973a; Senior, 1974) is a commercial process based on the separation of the basic contaminants of livestock waste (silicate and other mineral matter, fibre, cell -wall, lignin as well as other structural carbohydrates); it claims a recovery of 89% protein. The final product contains 20% crude protein, 6% crude fat and sugar, 19% starch, 37% cellulose and lignin, 6% salt and 12% free ash. The flow sheet of the process appears in Figure 19.6.
Feed Recycle Process was originally designed for processing feedlot cattle waste, but it can be used for other types of livestock waste. The summary of the process published by the USEP (1974b) gives the following economic data:
“Costs for a 100 †/day plant were calculated at $33.04/† treated, if operated at 25 †/day; $19.22 if operated at 50 †/day and $13.04 if operated at 100 t capacity. Values recovered per net ton of manure (based on 140 kg crude protein, 36 kg either extract and 440 kg of roughage) were $55.70/†. The maximum cash outlay was $350,000 at 85% operational capacity. It is contemplated that the plant would operate as a service unit processing manure which remains the property of the feedlot. At $35 per net dry ton it is calculated that the plant would show a pre-tax profit of $510 000 per year and that the annual saving on feed would total $508 000.”
19.4.6 Biochemical Recycle Process
This aerobic process was originally designed for dairy waste, but it could be modified for all cattle wastes (Dale and Swanson, 1975). The mass balance for a 100-cow system is shown in Figure 19.7. The process recovers daily about 110 kg to 200 kg of forage containing 25% moisture and valued at $22/†.
The following data from a 100-cow system can be used as a basis for economic evaluation:
| Input: | 100 dairy cow per year |
Total manure | 1 548 – 2 099 † |
Solids | 240 – 391 † |
Alum | 0.475 – 0.584 † |
| Output | |
Roughage (on DM) | 54 – 97 † |
Fertilizer | unknown |
Purified water | unknown |
NH3 and CO2 | unknown |
The author claims that the payback period is $6 200/yr/100-cow operation (Carlson, 1971). The Total Recycle Unit (TRU) is preassembled and weighs 636 kg. Operating weight is 1.4 † and power requirements 50 kw/day.

Figure 19.7. Biochemical Recycle Process
(Source: U.S. Environmental Protection Agency, 1974a)

Figure 19.8. CERECO Process
Table 19.19 Projected Statement of Net Income for Beef Herd Project Over First Ten Years*
(Asia Research Pte. Ltd., March, 1975)
(in M$ = 000)
| Item | 1st yr | 2nd yr | 3rd yr | 4th-10th yr (per year) |
| INCOME | ||||
| Sales of: | ||||
Product 1 (Protein feed) M$350/†1 | 735.0 | 787.5 | 903.0 | 1,260.0 |
Product 2 (Forage) M$75/†2 | 210.0 | 225.0 | 315.0 | 360.0 |
Product 2 (Humus) M$30/† | 63.0 | 67.5 | 77.4 | 94.5 |
| Sub-Total | 1,008.0 | 1,080.0 | 1,295.4 | 1,714.5 |
| Inflationary increase (10%) | - | 108.0 | 259.1 | 514.4 |
| GROSS INCOME | 1,008.0 | 1,188.0 | 1,554.5 | 2,228.9 |
| EXPENSES | ||||
| Total costs | 768.7 | 813.0 | 950.4 | 1,197.7 |
| Inflationary increase (10%) | - | 50.0 | 113.4 | 198.4 |
| TOTAL EXPENSES | 768.7 | 863.0 | 1,063.8 | 1,396.1 |
| NET INCOME (before tax) | 239.3 | 325.0 | 490.7 | 832.8 |
| NET INCOME (1975 currency and market values) | 239.3 | 267.0 | 345.0 | 516.8 |
1. Based on 0.300 † per mature unit (MU)/year.
2. Based on 0.400 † per (MU)/year.
3. Excluding inflationary factor to express totals at 1975 currency values.
* from manure processed by Cereco System
19.4.7 The Cereco Process
This process was originally designed for the treatment of cattle waste, but it has now been extended for other livestock waste (Seckler, 1975). Figure 19.8 illustrates the flow of the process. The livestock waste is processed to yield three products:
| Alternative | ||
| Feedlot Waste | Dairy Waste | |
| (Forage-Silage) | 30% | 30% |
| (Protein Feed) | 30% | 45% |
| (Humus-Soil Conditioner) | 40% | 25% |
Investment (equipment, building, infrastructure), excluding land, for a confined beef herd project (12 000 animals) designed by Asia Research Pte. Ltd., was estimated (1975) to be M$1 784 000, with a projected income for the first 10 years as given in Table 19.19.

Figure 19.9. Principle of Corral Phase 1 System
(Source: Corral, 1975)
The projected statement of income shows a satisfactory trend assuming that all products derived from the process are used or sold.
19.4.8 Corral System
This system is designed for both open feedlots and confinement housing of beef and dairy. Its principle is the collection of liquid and solid wastes that are pumped into a vibrating screen and press separating liquids from solids. The liquid effluent is discharged into a holding pond and applied as a crop fertilizer. Solids are either composted, ensiled or pasteurized in the corral pathocide process. The treated product can be directly refed either to the cow herd or, after mixing with conventional feeds from crops fertilized by the liquid effluent, to confined cattle.
Figure 19.9 illustrates the Corral System. The recovery data and economic analysis of the Corral Process in open feedlots with 5 000, 20 000 and 60 000 head of cattle are given in Tables 19.20 and 19.21.
The Corral system is commercially applied and independent tests carried out with 25% recycled solids as a replacement for a standard feed concentrate showed economic benefits (Bunger, 1974).
Table 19.20 Estimated Recovery from Corral Process
Source: Corral, 1975
| Daily Production | Size of Operation (head of cattle) | ||
| 5 000 | 20 000 | 60 000 | |
| Feed: tons (DM) | 6 | 23 | 68 |
| Fertilizer: N/kg | 157 | 629 | 1 887 |
| P/kg | 47 | 195 | 584 |
| K/kg | 166 | 665 | 1 996 |
Assumptions: 364 kg av. animal wt., 8% body wt. daily excreta; 15% solids in excreta; 67% solids available; 70% collection efficiency; 50% machine recovery; N÷3, 08%, P÷0. 95%, K÷3.25%; Operating - 365 days. Note: These data were developed from experiments and projections, and should be considered as broad indications only, subject to local variations.
Table 19.21 Summary of Economic Data from Corral Process
(1000 US$)
Source: Corral, 1975
| Item | Size of operation (head of cattle) | |||
| 5 000 | 20 000 | 60 000 | ||
| Annual operating cost1 | $'000 | 42.0 | 107.7 | 240.5 |
| Total Profit (Pretax) | $'000 | 101.4 | 466.2 | 1 480.2 |
| Investment cost | $'000 | 125.0 | 180.0 | 500.0 |
| Simple Payout | years | 1.2 | 0.4 | 0.3 |
Note: Values, Phoenix USA, August 1975: N= 50.6 ¢/kg; P= 57.2 ¢/kg; K= 48.4 ¢/kg; direct cost prorata: 50% feed, 50% fertilizer.
19.4.9 The Organiform Process
The organiform process (Davis et al., 1975) converts organic wastes, such as livestock manures or municipal sludge, into feed. The nitrogen content increases from 2% to 14% and the product can be used as a high NPN concentrate for ruminants. Since urea-formaldehyde technology is applied, the product has a slow release nitrogen and minimum toxicity as compared with direct feeding of untreated urea. The economic advantages of organiform processes are obvious, because the process enhances both the value of the carrier waste product and the added urea. The economics of this process can only be established under specific conditions of a feeding system. Data from commercial application are not available.
19.4.10 Grazon Process
The Grazon Process does not require special mechanical equipment. Fresh animal wastes are treated with a 37% formaldehyde solution (10 kg HCHO per ton of manure (DM)) and mixed in an auger-type mixer-blender. The product, called “Formulage”, can be fed immediately after mixing. If the moisture content of the mixture is 40% or less, it can be stored indefinitely under aerobic conditions; if the moisture is as high as 75% it must be fed to cattle within 10 days. Normally, the rest of the feed ingredients comprising the ration are added to the prepared waste after thorough mixing.
The savings produced by replacing forage with formulage depend on the quantity used and the other ingredients comprising the ration. The company provides simple mechanical metering units at a cost of $1 000. Formulage can be fed up to 50% for maintenance and up to 25% for finishing rations. The process is designed for cattle feedlots and is not practical for confinement facilities, where waste is in slurry from. The proprietor charges $1.00 per head/month for the use of the patented process (Larson, 1975).
19.4.11 Conversion of Waste into Protein Biomass by Fermentation
Several aerobic processes (Bellamy, 1969 a,b; Anon. 1972a, b, 1975) have been developed for converting livestock and municipal wastes into single-cell protein, yeasts or other types of protein biomass.
Aerobic processes (SCP and yeast) produce, from 1 ton of manure (DM), about 500 kg of dry prodùct containing 50% crude protein with amino acid patterns similar to those of soya. The value of such a protein concentrate would be in the range of $180–$220. Lower protein yields (35–50% crude protein) were obtained from materials such as feedlot waste.
Based on the processing of 18 000 tons of feedlot waste from 25 000 head of cattle, the cost of plant was estimated in 1973 at $5.5 million, producing 3 600 † calculated on 100% protein annually, or 8 182 tons of protein concentrates similar to soybean meal (44%).
The operating cost factor (Brewer, pers, com. 1975) can be established for specific conditions from the following data:
| Item | |
| Major chemicals | Units/Year |
caustic soda | 714 |
ammonia | 736 |
sulphuric acid | 736 |
| Labour: | |
direct | 29 000 man/hours |
indirect | 25 000 man/hours |
| Utilities: | |
electricity | 14.9 million |
fuel oil | 2.7 × 1012 joules |
water | 242 000 hl |
This plant represents a minimum economic scale for US production of feed supplement.
Anaerobic Processes (anon. 1972e, 1973b) are based on an input of livestock manures and an output of protein concentrate and methane. The application has not yet reached a commercial stage. It is claimed that the process is a zero pollution discharge.
The technology is said to be profitable for cattle feedlots over 5 000 head. The total investment for 45 tons of manure per day was estimated in 1972 at $550 000, which included a slurry system, fermenter with related equipment, centrifuges, dryers and power generator. Operating costs were estimated at $ 18 to $ 50 per ton for the product, valued at $ 40 per ton, based on 1971 grain prices. Methane derived from the process is utilized as a source of energy, so that the process has low energy requirements.
19.4.12 Insect and Earthworm cultures
The inoculation of caged poultry manure and solid pig waste with fly eggs has been practised on a small scale for several years (Calvert et al., 1969a, b, 1970, 1971; Morgan et al., 1970).
One fly produces 200 to 300 eggs in a batch. These eggs are seeded into manure (3 eggs/g manure). One ton of manure requires 10 000 to 14 000 flies which produce 2.7 million eggs, resulting in 23 to 27 kg of protein concentrate in the form of dried ground pupae and 450 to 540 kg of odourless compost. Dry pupae contain 63.1% protein, 15.5% fat, 5.3% ash and 12.2% nitrogen-free extract, fibre and other constituents (calculated on 3.9% moisture). The process is very suitable for pig manure and caged poultry manure, but it can be used also for other livestock wastes. The value of the product would be approximately $250 per ton. There are no data available for economic analysis.
Earthworm cultures have a small-scale potential similar to that of insect cultures, but the economics of this system are not available.
19.4.13 Photosynthetic Reclamation of Nutrients
This concept is based on the conversion of diluted nutrients from livestock manures through photosynthesis into higher and lower plants such as water hyacinth, Lemnacae spp., algae and several other water plants.
| Assumptions as to yield 50 tons/ha dry wt., 90% of available minerals utilized | |
| Capital costs | |
Land leveling (or shore installations) | $ 1,000 ha |
Pump-seration units (50/ha) | 10,000 |
Piping and valves (300m/ha) | 2,000 |
Frames, channels, repair Jigs, etc. | 2,000 |
Central facilities (pro-rated) | 1,000 |
| $ 16,000 ha | |
Operating Costs | |
Labour (50 workers per 1,000 ha, $1,000 annual wage) | $ 50/yr./ha |
Water and minerals | 200 |
Power (at 1–2¢ per kw/hr) | 300 |
Plastics replacement and materials for repairs | 150 |
| $ 700/yr./ha | |
| Total Costs | |
(10-yr, amortization, 8% interest on capital) | $ 3,500/yr./ha* or about $70/ton |
Source: Martin and Madewell, 1971
Water hyacinth may produce over 10 t of forage per hectare, but the plant has a high moisture content (92 to 96.5%) (Miner et al., 1974). It is widely grown in Southeast Asia by pig farmers, who re-use the plant as a source of forage. The economic viability of the system is questionable.
A combined biological treatment of diluted pig waste by Lemna minor L. and Euglena pp. combined with the production of fish and shellfish has been introduced by Stanley and Madewell (1975). This system may, under specific conditions, be an economically feasible waste disposal system, because dry Lemnacae can be considered as a protein concentrate (33% crude protein) and are also very rich in caroten and xanthophylls (Müller and Lautner, 1954); no economic evaluation is however available.
Growing algae on liquid effluent has been practiced for several decades, but very few projects have reached the scale of commercial application. In Table 19.22 are shown tentative economic estimates, prepared by Martin and Madewell (1971), indicating the potential of blue-green algae production.
References
Akers, J.B., B.T. Harrison and J.M. Mather 1975. Drying of Poultry Manure - An Economic and Technical Feasibility Study, Proc. 3rd. Int. Symp., Managing Livestock Wastes, ASAE, 1975, 473–477.
Anon. 1972a. Breeding and Taining Hot Bacteria to Convert Steer Manure into Valuable Protein, Calf News, May, 1972, 4.
Anon. 1972b. General Electric Opens Arizona Pilot Plant for Converting Cattle Manure to Protein Supplement, Feedstuffs, September 11, 1972, 4.
Anon. 1973b. Microbial Protein Production, 73rd Annual Meeting of the Society of Microbiology, Miami, Florida, May 1973.
Anon. 1972e. Processing Animal Waste by Anaerobic Fermentation, Paper presented at the 164th National Meeting of American Chemical Society, New York City, August 1972.
Anon. 1972a. The Wittingham Venture, Calf News, March 1972.
Anon. 1972b. The Wittingham Venture Calf News, September 1972.
Anon. 1973a. Feed Recycling Showing Promise, Calf News, January 1973.
Anthony, W.B. 1969. Cattle Manure Reuse Through Wastelage Feeding, Proc. 1969 Cornell Agricultural Waste Management Conf., Syracuse, New York, 105–113.
Anthony, W.B. 1971. Cattle Manure as feed for cattle, Livestock Waste Management and Pollution Abatement, Proc. Inter. Symp. Livestock Wastes, Ohlo State University, Columbus, Ohio, ASAE, 1971, 293–296.
Bellamy, W.D. 1969a. Cellulose as a Source of Single-Cell Proteins - A Preliminary Evaluation, General Electric Technical Series Report No. 69-C-35, September 1969.
Bellamy, W.D. 1969b. U.S. Patent No. 3,462,275, August 19, 1969.
Brewer, T.L. 1975. pers. com., September 16, 1975.
Bunger, R.E. 1974. Animal waste handling and “can the tail wag the dog?” Beef Confinement Workshop, Feed Ingredients Assoc. (Corral Industries, Phoenix, Arizona).
Calvert, C.C., N.O. Morgan and R.D. Martin. 1970. House-fly Pupae as feed for Poultry, J. Entom., 1969.
Calvert, C.C., N.O. Morgan and R.D. Martin 1970. House-fly Larvae, Biodegradation of Hen Excreta to Useful Products, Poult, Sci., March 1970.
Calvert, C.C., N.O. Morgan and H.J. Eby. 1974. Biodegraded Hen Manure and Adult House Flies: Their Nutritional Value to the Growing Chick, Livestock Waste Management and Pollution Abatement, Proc. Inter. Symp. on Livestock Wastes, Ohio State University, Columbus, Ohio, ASAE Publication 1971, 319–321.
Carlson, L.G. 1974. A Total Biochemical Recycle Process for Cattle Wastes, Livestock Waste Management and Pollution Abatement, Proc. Inter. Symp. on Livestock Wastes, Ohio State University, Columbus, Ohio, ASAE 1971, 89 – 92.
Cereco System: Ceres Ecology Corp., Denver, Colorado.
Dale, A.C., R. Swanson. 1975. A Total Recycle Unit System for Dairy Manure Management, Proc. 3rd. Int. Symp. Managing Livestock Wastes, ASAE, 1975, 144–146.
Day, D.L. 1975. Utilization of Livestock Wastes as Feed and other Dietary Products Int. Sem. on Animal Wastes, September 28-October 5, 1975, Bratislava, Czechoslovakia.
Day, D.L., D.D. Jones, A.C. Dale and D. Simons. 1975. Oxidation Ditches for Livestock Wastes, Proc. 3rd. Int. Symp. Managing Livestock Wastes, ASAE, 1975, 510–513.
Davies, C.K., G.A. Varga and R.S. Hinkson 1975. Conversion of Animal Wastes to Feed Supplements Via the Organiform Process, Proc. 3rd. Int. Symp. Managing Livestock Wastes, ASAE, 1975, 227–229.
Dŕevjany, L., Z. Müller and B. Bauer.
1969. Vliv substrátu pou
itého k
yalo
ení hluboké podestýlky na její
krmnou hodnotu. (Effect of the substrate
used as a base for deep litter on its
feeding value) Biol. Chem. Vý
. Zvířat,
5, 155–172.
Flegal, C.J., H.C. Zindel. 1974. Dehydrated Poultry Waste (DPW) as a Feedstuff in Poultry Rations, Livestock Waste Management and Pollution Abatement, Proc. Inter. Symp. on Livestock Wastes, Ohio State University, Columbus, ohio, ASAE, 1971, 305–307.
Grazon 1975. Grazon, Champaign, lllinois.
Harper, J.M. and D.W. Seckler. 1975. Livestock Waste Utilization Techniques, Proc. 3rd. Int. Symp. Managing Livestock Wastes, ASAE, 1975, 22–25.
Larson, R.R. 1975. Pers. com., Sept. 4, 1975.
Lautner, V. and Z. Müller. 1954. Feeding
value of some Water Plants - Part 1.,
ivočiš Výroba (27), 4: 333–354.
Martin, J.B. and C.E. Madewell. 1971. Environmental and Economic Aspects of Recycling Livestock Wastes - Algae Production Using Waste Products, South. J. Agri. Econ. Dec. 1971, 137–142.
Miner, J.R., J.W. Wooten, J.D. Dodd. 1974. Water Hyacinths to Further Anaerobia Lagoon Effluent, Livestock Waste Management and Pollution Abatement, Proc. Inter. Symp. on Livestock Wastes, Ohio State University, Columbus, Ohio, ASAE, 19/1, 170–173.
Morgan, N.O., C.C. Calvert, R.D. Martin 1970. Biodegrading Poultry Excreta with House-fly Larvae; The Concept and Equipment, USDA Agricultural Research Service, Bull. 33:136, February 1970.
Müller, Z. 1956. Research Report: Microbiological Activity of Poultry Litter under Controlled Environment. Laboratories for Agricultural Biochemistry, Prague.
Müller, Z, M. Herold, J. Scherks,
K.
áček 1959a:
Cyechoslovak patent registration:
Způsob výroby bilkovinného krmiva
(Method of protein feed process).
Müller, Z. and M. Herold. 1959b. Biosynthetic activity of poultry litter with particular respect to protein and vitamins. Research Report of Antibiotic Research Institute Roztoky near Prague - Laboratory of Antibiotics in Animal Nutrition, Horni Pocernice.
Müller, Z. 1975a. Livestock Waste as Future Energy Resources, Proc. 5th Int. ERE Symp., Kuala Lumpur, Malaysia, February 19, 1975, p. 287–297.
Müller, Z. 1966. Drů
í podestylka
Jako krmivo pro skot (Recommended
cattle rations based on deep litter),
Extension Service of The Research
Institute for Biofactors in Animal
Nutrition, Horni Počernice,
Czechoslovakia.
Müller, Z., L. Dřevjany and V. Kozel, 1968. Influences of different Material used for Poultry Deep Litter upon Gains and Feed Conversion and upon Final Deep Litter Value as Feed for Cattle - 3rd Europ. Poult. Conf. Jerusalem, Israel, 8–13 Sept.
Müller, Z. 1974–75. The Recycling of Organic waste, Asia Research Pte. Ltd., Singapore.
Müller, Z. and T.A. Wilkins. 1975. Financial Analysis of Majuternak-TLP Feedlot Pertama Sdn. Bhd., Johore Baru, Malaysia.
Müller, Z. 1975a. Pre-Investment Study “Integrated Livestock - Industrial Beef Cattle Development Project (Recycling of Organic Wastes)”, Asia Research Pte. Ltd., Singapore, March 1975.
Müller, Z. 1975b. Circular-Integrated Agro-Industrial Project Utilizing Waste Resources and Dates, Asia Research Pte. Ltd.
Müller 1975c. Pre-Investment Study “Conversion of Jakarta City Garbage into Compost or Organo-chemical Fertilizer”, Asia Research Pte. Ltd., Singapore, October 1975.
Seckler, D. 1975. Pers. com., April 1975.
Senior, F.C. 1974. Evaluation of Economics Feed Recycle, Inc. Unit at Colorado River Yard Showing Cash Flow, Costs and Breakeven Chart and Derivation of Rational Toll, USEP Agency, EPA 430/9-74-003, Washington, D.C.
Sheppard, C.C. 1970. Poultry pollution problems and solutions, Research Farm Science Report 117, MSU, East Lansing, Mich.
Sheppard, C.C., C.J. Flegal, H.C. Zindel, T.S. Chang, J.B. Gerrish, M.L. Esmay and F. Walton. 1975. Modifications of the Michigan State Poultry In-House Drying System, Proc. 3rd Int. Symp. Managing Livestock Wastes, ASAE, 1975, 74.
Stanley, R.A., C.E. Madewell. 1975. Optimum Dilution of Swine Wastes for Growth of Lemna Minor L. and Euglena Sp., Proc. 3rd Int. Symp. Managing Livestock Wastes, ASAE, 1975, 331.
Taiganides, E.P. 1976. Correspondence and pers. com., October 26, 1976.
U.S. Environmental Protection Agency 1974a. Study EPA-440/1-74-004-a, January 1974, Washington, D.C.
U.S. Environmental Protection Agency 1974b. Study EPA-430/9-74-003, January 1974, Washington, D.C.