Table 7 - Portuguese fishery in CECAF Water-1983 Length composition of Rubberlip grunt - Plectorhinchus mediterraneus - Sampling from landings - № and ‰.
| Gear | Trawl fishery | Line fishery | Gillnets fishery | Line + Gillnets | Total | |||||
|---|---|---|---|---|---|---|---|---|---|---|
| Classes (2 cm) | № | ‰ | № | ‰ | № | ‰ | № | ‰ | № | ‰ |
| 25 | 153 | 1.8 | 153 | 1.8 | ||||||
| 7 | 1767 | 20.5 | 360 | 0.4 | 360 | 0.4 | 2127 | 2.3 | ||
| 9 | 5372 | 62.2 | 921 | 1.1 | 921 | 1 | 6293 | 6.8 | ||
| 31 | 7080 | 82.0 | 14 | 17.8 | 3295 | 3.9 | 3309 | 4.0 | 10389 | 11.3 |
| 3 | 8036 | 93.0 | 26 | 33.0 | 9090 | 10.9 | 9116 | 110.9 | 17152 | 18.6 |
| 5 | 7157 | 82.9 | 8 | 10.2 | 17652 | 21.1 | 17660 | 21.1 | 24817 | 26.9 |
| 7 | 8016 | 92.8 | 18 | 22.9 | 46217 | 55.4 | 46235 | 55.3 | 54251 | 58.9 |
| 9 | 7961 | 92.2 | 18 | 22.9 | 60213 | 72.1 | 60231 | 72.1 | 68192 | 74.0 |
| 41 | 6056 | 70.1 | 123 | 156.2 | 122508 | 146.8 | 122631 | 146.8 | 128687 | 139.6 |
| 3 | 9717 | 112.5 | 173 | 219.7 | 139004 | 166.5 | 39177 | 166.6 | 148894 | 161.5 |
| 5 | 8873 | 102.7 | 171 | 217.2 | 141101 | 169.0 | 141172 | 169.0 | 150145 | 162.9 |
| 7 | 8493 | 98.3 | 132 | 167.6 | 101975 | 122.2 | 102107 | 122.2 | 110600 | 120.0 |
| 9 | 3880 | 44.9 | 80 | 101.6 | 66838 | 80.1 | 66918 | 80.1 | 70798 | 76.8 |
| 51 | 1219 | 14.1 | 8 | 10.2 | 49136 | 58.9 | 49144 | 58.8 | 50363 | 54.6 |
| 3 | 1216 | 14.1 | - | - | 28781 | 34.5 | 28781 | 34.5 | 29997 | 32.5 |
| 5 | 778 | 9.0 | 8 | 10.2 | 16462 | 19.7 | 16470 | 19.7 | 17248 | 18.7 |
| 7 | 476 | 5.5 | - | 10586 | 112.7 | 10586 | 12.7 | 11062 | 12.0 | |
| 9 | 94 | 1.1 | - | 6327 | 7.6 | 6327 | 7.6 | 6421 | 7.0 | |
| 61 | 26 | 0.3 | - | 4043 | 4.8 | 4043 | 4.8 | 4069 | 4.4 | |
| 3 | 8 | 10.2 | 4389 | 5.3 | 4397 | 5.3 | 4397 | 4.8 | ||
| 5 | 2634 | 3.2 | 2634 | 3.2 | 2634 | 2.9 | ||||
| 7 | 837 | 1.0 | 837 | 1.0 | 837 | 0.9 | ||||
| 9 | 427 | 1.7 | 1427 | 1.7 | 1427 | 1.5 | ||||
| 71 | 497 | 0.6 | 497 | 0.6 | 497 | 0.5 | ||||
| 73 | 10 | 0.01 | 10 | 0.01 | 10 | 0.01 | ||||
| Total | 86370 | 787 | 834303 | 835090 | 921460 | |||||
| Landings sampled (Kg) 63.203 | 1013 | 791898 | 792911 | 856114 | ||||||
| Mean length (cm) 38.9 | 43.5 | 44.3 | 43.9 | 41.4 | ||||||
| Mean Weight (Kg) 0.7 | 1.3 | 0.9 | 1.1 | 0.9 | ||||||
Table 8 - Portuguese fishery in CECAF Waters - 1984 Length composition of landings of Rubberlip grunt (P. mediterrameus) by different gears - Trawl, line and - gillnets. For trawl and gillnets total landings; for line only sampling.
| Gear | Trawl fishery | Line fishery | Gillnets fishery | Line + Gill nets | TOTAL | |||||
|---|---|---|---|---|---|---|---|---|---|---|
| Classes (2 cm) | № | ‰ | № | ‰ | № | ‰ | № | ‰ | № | ‰ |
| 21 | ||||||||||
| 23 | 224 | 0.6 | 224 | 0.2 | ||||||
| 25 | 448 | 1.3 | 112 | 0.1 | 112 | 0.1 | 560 | 0.4 | ||
| 27 | 3960 | 11.1 | 7162 | 7.9 | 7162 | 7.9 | 11122 | 8.8 | ||
| 29 | 13971 | 39.2 | 16950 | 18.8 | 16950 | 18.8 | 30921 | 24.6 | ||
| 31 | 20326 | 57.0 | 3 | 65.2 | 28383 | 31.5 | 28386 | 31.5 | 48712 | 38.7 |
| 33 | 42721 | 119.8 | 4 | 87.0 | 40875 | 45.3 | 40480 | 45.3 | 83601 | 66.5 |
| 35 | 73911 | 207.3 | 4 | 87.0 | 66423 | 73.7 | 66436 | 73.7 | 140347 | 111.6 |
| 37 | 65428 | 183.5 | 4 | 87.0 | 78737 | 87.3 | 78741 | 87.3 | 144169 | 114.6 |
| 39 | 48692 | 136.6 | 4 | 87.0 | 130540 | 144.8 | 130544 | 144.8 | 179236 | 142.5 |
| 41 | 28260 | 79.3 | 1 | 21.7 | 155890 | 172.9 | 155891 | 172.9 | 184151 | 146.4 |
| 43 | 20930 | 58.7 | 4 | 87.0 | 105834 | 117.4 | 105838 | 117.4 | 126774 | 100.8 |
| 45 | 17515 | 49.1 | 4 | 87.0 | 931256 | 103.4 | 93260 | 103.4 | 110775 | 88.0 |
| 47 | 11049 | 31.0 | 2 | 43.5 | 69880 | 77.5 | 69882 | 77.5 | 80931 | 64.3 |
| 49 | 5903 | 16.6 | 5 | 108.5 | 51821 | 57.5 | 51826 | 57.5 | 57729 | 45.9 |
| 51 | 1720 | 4.8 | 5 | 108.5 | 22097 | 24.5 | 22102 | 24.5 | 23822 | 18.9 |
| 53 | 1219 | 3.4 | 3 | 65.2 | 13198 | 14.6 | 13201 | 14.6 | 14420 | 11.5 |
| 55 | 38 | 0.1 | - | 6520 | 7.2 | 6520 | 7.2 | 6558 | 5.2 | |
| 57 | 76 | 0.2 | 2 | 43.5 | 6659 | 7.7 | 6961 | 7.7 | 7037 | 5.6 |
| 59 | 59 | 0.2 | 1 | 21.7 | 2518 | 2.8 | 2519 | 2.8 | 2578 | 2.0 |
| 61 | - | - | 1323 | 1.5 | 1323 | 1.5 | 1323 | 1.1 | ||
| 63 | - | - | 1201 | 1.2 | 1201 | 1.3 | 1201 | 1.0 | ||
| 65 | - | - | 1316 | 1.5 | 1316 | 1.5 | 1316 | 1.0 | ||
| 67 | 38 | 0.1 | 538 | 0.6 | 538 | 0.6 | 576 | 0.5 | ||
| 69 | - | - | ||||||||
| 71 | 25 | 0.0 | 25 | 0.0 | 25 | 0.0 | ||||
| Total | 356495 | 46 | 901568 | 901614 | 1258108 | |||||
| Weight landed (Kg) 228663.0 | 59.2 | 794760.0 | 794819.2 | 1023482.2 | ||||||
| Mean length (cm) 36.8 | 43.2 | 41.3 | 37.2 | 40.2 | ||||||
| Mean weight (Kg) 0.6 | 1.3 | 0.9 | 1.1 | 0.9 | ||||||
Table 9 - Portuguese fisheries in CECAF waters - 1983 - Zone 34.1.1 Length composition of landings of Redbanded seabream (Sparus auriga) by different gears (Trawl, line and gill nets) - Sampling - № and ‰
| Gear | Trawl | Line | Gill nets | Line+ Gill nets | TOTAL | |||||
|---|---|---|---|---|---|---|---|---|---|---|
| Classes (2 cm) | № | % | № | % | № | % | № | % | № | % |
| 23 | 494 | 22.2 | 494 | 5.1 | ||||||
| 25 | 671 | 30.1 | 671 | 6.9 | ||||||
| 27 | 1028 | 46.3 | 51 | 0.7 | 51 | 0.7 | 1079 | 11.1 | ||
| 29 | 1620 | 79.9 | 153 | 2.0 | 153 | 2.0 | 1773 | 18.2 | ||
| 31 | 2032 | 91.4 | 10 | 38.0 | 681 | 9.1 | 691 | 9.2 | 2723 | 28.0 |
| 33 | 944 | 42.5 | 4 | 15.2 | 883 | 11.8 | 887 | 11.8 | 1831 | 18.8 |
| 35 | 1679 | 75.6 | 10 | 38.0 | 595 | 7.9 | 605 | 8.1 | 2284 | 23.5 |
| 37 | 1007 | 45.3 | 10 | 38.0 | 2452 | 32.7 | 2462 | 32.8 | 3469 | 35.6 |
| 39 | 1043 | 46.9 | 11 | 41.8 | 7370 | 98.4 | 7381 | 98.2 | 8424 | 86.6 |
| 41 | 588 | 26.5 | 15 | 57.0 | 12218 | 163.2 | 12233 | 162.8 | 12821 | 131.7 |
| 43 | 1365 | 61.4 | 16 | 60.8 | 11627 | 155.3 | 11643 | 154.9 | 13008 | 113.7 |
| 45 | 1119 | 50.4 | 23 | 87.41 | 8912 | 119.0 | 8925 | 118.9 | 110054 | 103.3 |
| 47 | 1519 | 68.4 | 23 | 87.4 | 9033 | 120.6 | 9056 | 120.5 | 10575 | 108.7 |
| 49 | 1034 | 46.5 | 21 | 79.8 | 7042 | 94.0 | 7063 | 94.0 | 8097 | 83.2 |
| 51 | 1648 | 74.2 | 50 | 190.0 | 5471 | 73.1 | 5521 | 73.5 | 7169 | 73.7 |
| 53 | 1761 | 79.2 | 17 | 64.6 | 4157 | 55.5 | 4174 | 55.5 | 5935 | 61.0 |
| 55 | 1151 | 51.8 | 16 | 60.8 | 1704 | 22.8 | 1720 | 22.9 | 2871 | 29.5 |
| 57 | 849 | 38.2 | 14 | 53.2 | 1063 | 14.2 | 1077 | 14.3 | 1926 | 19.8 |
| 59 | 315 | 14.2 | 10 | 38.0 | 498 | 6.7 | 508 | 6.8 | 823 | 8.5 |
| 61 | 197 | 8.9 | 2 | 7.6 | 257 | 3.4 | 259 | 3.4 | 456 | 4.7 |
| 63 | 60 | 2.7 | 10 | 38.0 | 142 | 1.9 | 152 | 2.0 | 212 | 2.2 |
| 65 | 215 | 2.9 | 215 | 2.9 | 215 | 2.2 | ||||
| 67 | 1 | 3.8 | 224 | 3.0 | 225 | 3.0 | 225 | 2.3 | ||
| 69 | 19 | 0.9 | 121 | 1.6 | 121 | 1.6 | 140 | 1.4 | ||
| 73 | ||||||||||
| 75 | ||||||||||
| 77 | 19 | 0.9 | 12 | 0.2 | 12 | 0.2 | 31 | 0.3 | ||
| TOTAL | 22162 | 263 | 74881 | 75144 | 97306 | |||||
| Weight landed (kg) | 26897 | 537 | 107890 | 108426 | 135423 | |||||
| Mean length (cm) | 40.7 | 47.3 | 44.5 | 44.6 | 43.7 | |||||
| Mean weight (Kg) | 1.2 | 2.0 | 1.4 | 1.4 | 1.4 | |||||
Table 10 - Portuguese fishery in CECAF waters Div. FAO 34.1.1.- 1984 Composition of redbanded seabreams landings (Sparus auriga) No. of fishes by 2cm classes. Sampling.
| Gear | Line fishery | Gill netts | TOTAL |
|---|---|---|---|
| Classes (2cm) | (1) | (2) | (1+2) |
| 29 | 10 535 | 10 535 | |
| 31 | 12 928 | 12 928 | |
| 3 | 19 046 | 9 935 | 28 981 |
| 5 | 10 535 | 10 700 | 21 235 |
| 7 | 184 | 5 732 | 5 916 |
| 9 | 2 162 | 11 273 | 13 435 |
| 41 | 138 | 33 436 | 33 574 |
| 3 | 138 | 43 372 | 43 510 |
| 5 | 92 | 49 486 | 49 578 |
| 7 | 18151 | 18151 | |
| 9 | 184 | 32 099 | 32 283 |
| 51 | 3439 | 3439 | |
| 3 | 3630 | 3630 | |
| 5 | 1529 | 1529 | |
| 7 | 3630 | 3630 | |
| 9 | 1911 | 1911 | |
| 61 | 3821 | 3821 | |
| 3 | 2070 | 2070 | |
| 5 | - | ||
| 7 | 4140 | 4140 | |
| 62 152 | 232 144 | 294 296 | |
| W Weight landed Kg | 57000 | 355000 | 412000 |
Mean length-cm | 35.3 | 44.0 | 39.0 |
Mean weight-cm | 0.8 | 1.5 | 1.2 |
Table 11 - Portuguese trawl fishery in CECAF waters 1983 Length composition of (Pagellus acarne) ‰ Sampling
| Gear | Trawl | |
|---|---|---|
| Classes(2cm) | № | ‰ |
| 15 | 1891 | 63.8 |
| 17 | 8106 | 273.8 |
| 19 | 6452 | 217.9 |
| 21 | 6444 | 217.7 |
| 23 | 3567 | 120.5 |
| 25 | 2367 | 80.0 |
| 27 | 399 | 13.5 |
| 29 | 279 | 9.4 |
| 31 | 72 | 2.4 |
| 33 | 21 | 0.7 |
| 35 | 7 | 0.2 |
| TOTAL | 29605 | |
| Weight landed (Kg) | 3501 | |
| Mean length (cm) | 19.4 | |
| Mean weight (Kg) | 0.1 | |
Table 12 - Portuguese fishery in CECAF waters - 1983 Length composition of Dentex (Dentex spp.) ‰ - Sampling
| Gear | Line | Gill nets | Line + Gill nets | |||
|---|---|---|---|---|---|---|
| classes (2 cm) | № | ‰ | № | ‰ | № | ‰ |
| 17 | 4 | 13.5 | 4 | 5.0 | ||
| 19 | 14 | 47.3 | 14 | 17.4 | ||
| 21 | 10 | 33.8 | 32 | 63.0 | 42 | 52.3 |
| 23 | 27 | 91.2 | 59 | 116.1 | 86 | 107.0 |
| 25 | 25 | 84.5 | 100 | 196.9 | 125 | 155.5 |
| 27 | 98 | 331.1 | 168 | 330.8 | 266 | 330.8 |
| 29 | 110 | 371.6 | 64 | 126.0 | 174 | 216.4 |
| 31 | 1 | 3.4 | 44 | 86.6 | 45 | 56.0 |
| 33 | 1 | 3.4 | 19 | 37.4 | 20 | 24.9 |
| 35 | 6 | 20.3 | 22 | 43.3 | 28 | 34.8 |
| TOTAL | 296 | 508 | 804 | |||
| Weight landed (Kg) | 94 | 1200 | 1294 | |||
| Mean length (cm) | 22.0 | 26.4 | 26.3 | |||
| Mean weight (Kg) | 0.3 | 2.4 | 1.6 | |||
Table 13 - Portuguese line fishery in CECAF waters 1983 length composition of Red (=common) seabream (Pagellus bogaraveo) - Sampling. № and ‰
| Classes (2cm) | № of fishes | ‰ |
|---|---|---|
| 25 | 29 | 34.2 |
| 7 | 76 | 89.6 |
| 9 | 142 | 167.5 |
| 31 | 141 | 166.3 |
| 3 | 259 | 305.4 |
| 5 | 50 | 59.0 |
| 7 | 75 | 88.4 |
| 9 | 12 | 14.2 |
| 41 | 16 | 18.9 |
| 3 | 6 | 7.1 |
| 5 | 9 | 10.6 |
| 7 | 10 | 11.8 |
| 9 | 8 | 9.4 |
| 51 | 11 | 13.0 |
| 53 | 4 | 4.7 |
| TOTAL | 848 | |
| Landings sampled (Kg) 448 | ||
Mean length ( ) 32.3 | ||
Mean weight ( ) 0.5 | ||
Table 14- Portuguese line fisherý in CECAF waters Div. FAO 34.11.1984 length composition of landings of Red(=Common) seabream(Pagellus bogaraveo). № and ‰
| Classes (2cm) | № of fishes | ‰ |
|---|---|---|
| 21 | 708 | 23.4 |
| 3 | 388 | 12.8 |
| 5 | 571 | 18.9 |
| 7 | 571 | 18.9 |
| 9 | 1645 | 54.4 |
| 31 | 2 102 | 69.5 |
| 3 | 5 802 | 191.8 |
| 5 | 6 876 | 227.4 |
| 7 | 3 906 | 129.1 |
| 9 | 2 444 | 80.8 |
| 41 | 2 330 | 77.0 |
| 3 | 548 | 18.1 |
| 5 | 731 | 24.2 |
| 7 | 617 | 20.4 |
| 9 | 571 | 18.9 |
| 51 | 228 | 7.5 |
| 3 | - | - |
| 55 | 206 | 6.8 |
| TOTAL | 30244 | |
| Total landed (Kg) 18.000 | ||
Mean length( )cm 35.4 | ||
Mean weight ( )Kg 0.6 | ||
| Effort : | ||
| № of hauls ± 2033 | ||
| № of hooks ± 384000 | ||

Fig. 1 - Portuguese fishery in CECAF waters (1949–1984)
Landings of seabreams (Sparidae)

Fig. 2 - Portuguese fishery in CECAF waters (1949–1984)
Seabreams (Sparidae); Hakes (Merluccius spp.) and rubberlip grunt (Pleet
hinchus mediterraneus)

Fig. 3 - Portuguese fishery in CECAF waters 1949–1984.
Landings of Dentex spp. and Sparus spp.
Tons × 103

Fig. 4 - Portuguese fishery in CECAF waters 1949–1984
Landings of sparidae, hakes, and rubberlip grunt (‰).
Confrontation on four period of time - A: 1949–1959, A': 1949–1963,
B: 1969–1979, B': 1970–1984.

Fig. 5 - Portuguese fishery in CECAF waters 1949–1984
Landings of hakes, seabreams, rubberlip grunt and other fishes and crustaccans
along three period of time 1949–1959, 1964–1969 and 1970–1984.

Fig. 6 - Portuguese fishery in CECAF waters 1979–1984.
Main species landed from all divisions (Mainly Divisions FAO 34.1.1, 34.1.2,
34.1.3 and 34.3.1)

Fig. 7 - Portuguese fishery in CECAF waters - 1984
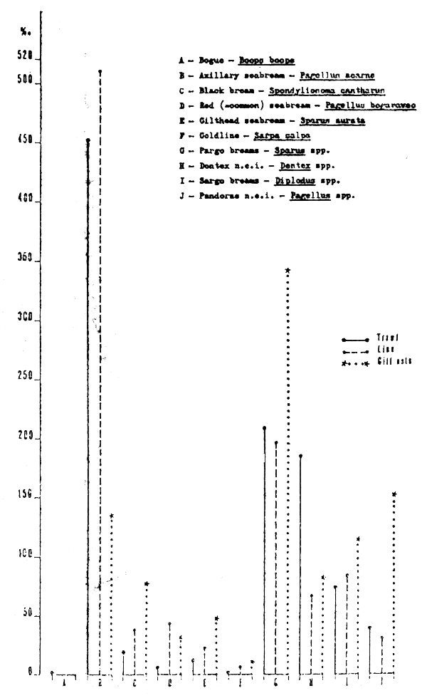
Total langings of seabream by trawl, line and gill nets fisherien. (‰)

Fig. 8 - Portuguese fishery in CECAF waters - 1983
Length composition of hakes (Merluccius spp.) - ‰
Sampling

Fig. 9 - Portuguese fishery in CECAF waters FAO Div. 34.1.1 - 1984
Length composition of European hake - Merluccius merluccius
Trawl, line (and both gears). Sampling (‰)

Fig. 10 - Portuguese fishery in CECAF waters - 1983
Length composition of Rubberlip grunt - (Plectorhinchus mediterraneus) - ‰
- Sampling

Fig. 11 - Portuguese fishery in CECAF waters - 1984
Length composition of landings of Rubberlip grunt - (Plectorhinchus mediterraneus) - ‰
by different gears - Trawl, line and gill nets.
For trawl and gill nets total landings; for line only sampling. ‰

Fig. 12 - Portuguese fishery in CECAF waters - 1983
Length composition of landings of Redbanded seabream (Sparus auriga) by
different gears (Trawl, line and gill nets).
Sampling - ‰

Fig. 13 - Portuguese fishery in CECAF waters - 1984
Length composition of landings of Redbanded seabream (Sparus auriga) by
different gears (Line and gill nets).
Sampling - ‰

Fig. 14 - Portuguese fishery in CECAF waters - 1983
Length composition of Axillary seabream (Pagellus acarne) ‰ - Sampling

Fig. 15 - Portuguese fishery in CECAF waters - 1983
Length composition of Dentex (Dentex spp.) ‰ - Sampling

Fig. 16 - Portuguese fishery in CECAF waters - 1983
Length composition of Red (=common) seabream Pagellus bogaraveo (‰) - Sampling

Fig. 17 - Portuguese fishery in CECAF waters FAO - DIV. 34.1.1 - 1984
Length composition of landings (‰) of Red (=common) seabream -

Fig. 18 - Portuguese fishery in CECAF waters 1949–1984
Relationship between total landings and seabream landings and total effort
Tons × 103 and hours fished × 103

Fig. 19 - Portuguese fishery in CECAF 1949–1984
Relationship between total effort (hours fished × 103) and c.p.u.e. (Kg/h)