OBJECTIFS
Au terme de l'étude de ce module, vous devriez être capable de:
Définir la nutrition et l'état nutritionnel.
Présenter les moyens d'évaluer l'état nutritionnel.
Evaluer l'état nutritionnel d'un enfant en fonction:
du rapport poids/âge;
du rapport taille/âge;
du rapport poids/taille;
du tour du bras.
Catégoriser les besoins en énergie en fonction de l'âge, du sexe et de l'activité.
Définir les besoins en protéines des enfants, des femmes enceintes et des femmes allaitantes relativement à ceux des hommes adultes.
Définir les effets des carences en vitamines et en sels minéraux.
Définir les sources alimentaires des vitamines et des sels minéraux.
Identifier les groupes vulnérables sur le plan nutritionnel.
1.1. L'ÉTAT NUTRITIONNEL
1.1.1. Définition de la nutrition et de l'état nutritionnel1
L'Organisation des Nations Unies pour l'Alimentation et l'Agriculture (FAO) précise que la “nutrition humaine est la discipline scientifique qui s'occupe de la nutrition chez l'homme en particulier; elle traite des besoins nutritionnels, de la composition des aliments, de la consommation et des habitudes alimentaires, de la valeur nutritive des aliments et des rations, des rapports entre l'alimentation, la santé et les maladies, ainsi que des recherches dans ces domaines”.
L'Organisation Mondiale de la Santé (OMS) définit la santé comme “une relation équilibrée et harmonieuse entre les hommes et le milieu physique et social, c'est-à-dire l'environnement”.
La santé doit faire l'objet d'une approche globale. Il faut envisager tous les aspects aussi bien biologiques, psychologiques, économiques que sociaux, à tous les âges de la vie pour tous les individus, dans tous les milieux.
Il n'existe pas un point qui corresponde à un bon état de nutrition mais plutôt une zone de bon état de nutrition. Si l'on s'écarte de cette zone par excès ou par défaut, on observe d'abord des anomalies biochimiques (par examen du sang), puis des signes cliniques (maladies) qui peuvent conduire au stade ultime: la mort.
Prenons deux exemples:
Chez l'enfant, si l'alimentation n'apporte pas assez de protéines (carence), on observe en mesurant les protéines dans le sang des anomalies biochimiques; si la situation s'aggrave, le médecin observe des signes cliniques: oedèmes, transformation de la peau, des cheveux, diarrhées; cette maladie que l'on appelle kwashiokor peut conduire à la mort si les soins n'interviennent pas à temps.
Chez l'adulte consommant quotidiennement une alimentation trop riche en graisses (excès), on peut aussi observer des anomalies biochimiques dans l e sang; si la situation se prolonge, le médecin peut observer des signes cliniques, tels que des accidents vasculaires cérébraux: cette maladie appelée artériosclérose peut conduire à la mort.
Il faut retenir que la santé ainsi que le développement physique et intellectuel sont directement liés à l'apport nutritionnel, donc à la consommation alimentaire (quantité et qualité des aliments consommés).
1.1.2. La mesure de l'état nutritionnel
1.1.2.1. Les indicateurs de l'état nutritionnel
Pour évaluer l'état nutritionnel d'un individu, on recourt à trois types d'indicateurs
les indicateurs biologiques, que l'on obtient par l'analyse du sang ou des urines;
les indicateurs cliniques, que le médecin recueille par l'auscultation, l'observation et la palpation de l'individu (P. ex. la xérophtalmie, ou cécité nocturne, due à la carence en vitamine A, se manifeste par des signes cliniques observables);
les indicateurs anthropométriques, ou mensurations de parties du corps humain.
Nous nous intéressons ci-dessous à quatre indicateurs anthropométriques de la malnutrition chez l'enfant:
le rapport poids/âge:
le rapport taille/âge:
le rapport poids/taille;
la mesure du tour du bras.
1.1.2.2. La mesure du poids en fonction de l'âge
Intérêt de la mesure
La mesure du poids en fonction de l'âge permet une détection précoce de la malnutrition protéino-énergétique.
Outils de mesure
une balance à ressort (balance SALTER) à laquelle on suspend l'enfant dans un panier léger ou dans un sac troué spécial, jusqu'à trois ans:
une balance plate-forme ou un pèse-personne pour les grands enfants et les adultes.
Technique de mesure
L'enfant doit être pesé nu. Dans certaines populations rurales, les jeunes enfants portent des clochettes ou de lourdes amulettes qu'il est préférable d'enlever si aucun obstacle physique ou rituel ne s'y oppose. Dans le cas contraire, il est nécessaire d'estimer le poids de ces objets et de le retrancher du poids enregistré.
Dans le cas de très jeunes enfants particulièrement agités, on doit les peser dans les b r a s de leur mère sur un pèse-personne, le poids de la mère étant ensuite retranché.
La précision des pesées doit être de deux chiffres après la virgule pour les nourrissons, d'un chiffre après la virgule après deux ans. Le poids est donné en kilogrammes.
Au cours des pesées successives, il est recommandé de toujours se servir du même outil de mesure.
Les adultes et les adolescents peuvent être pesés avec une moins grande précision, habillés légèrement et déchaussés.
Interprétation
Il s'agit de comparer le poids enregistré aux normes de poids en fonction de l'âge. On utilise le plus souvent les normes internationales. Lorsque l'âge précis des enfants n'est pas connu, on doit le définir indirectement en établissant des repères dans l'année, liés au climat, aux travaux agricoles, aux fêtes traditionnelles.
On considère que l'enfant est en état de malnutrition lorsque son poids se situe à plus de deux écarts-types sous la médiane internationale, selon les normes de l'OMS (annexe 1).
La mesure du poids permet d'établir la courbe de croissance pondérale au cours des premières années de la vie. C'est un instrument précieux pour la surveillance nutritionnelle.
La seule mesure du poids référée à l'âge de l'enfant ne permet cependant pas de déterminer si l'enfant souffre d'une malnutrition aiguë (enfant maigre) ou d'une malnutrition dite chronique (enfant de petite taille).
1.1.2.3. La mesure de la taille en fonction de l'âge
Intérêt de la mesure
Une diminution du poids peut avoir d'autres causes que la malnutrition, par exemple, survenir brusquement à l'occasion d'une diarrhée ou d'un épisode infectieux, tandis qu'une taille insuffisante est presque toujours le résultat d'un état de carence nutritionnelle de longue date.
Outils de mesure
On utilise une toise *horizontale pour les nourrissons et une toise* verticale à partir de deux ans.
Technique de mesure
Le nourrisson est étendu à plat sur le dos, la tête est contre la partie fixe de la toise: on appuie sur les genoux pour que les jambes soient bien tendues; on immobilise la planche mobile contre la plante des pieds et on lit la mesure sur la graduation, en centimètres, avec un chiffre après la virgule.
Les grands enfants et les adultes se tiennent debout, les talons et le dos bien droits contre le montant de la toise; la partie mobile est placée au ras de la tête et on lit la mesure sur la graduation, en centimètres.
Interprétation
On compare les mesures obtenues aux normes internationales (annexe 2). L'âge doit être précisé.
Un enfant de petite taille pour son âge peut être considéré comme un enfant souffrant d'une «malnutrition chronique».
1.1.2.4. La mesure du poids en fonction de la taille
Intérêt de la mesure
Il s'agit d'une mesure de la masse musculaire et de la masse grasse rapportées à la taille de l'enfant. On considère ce rapport comme un bon reflet de la situation nutritionnelle actuelle et ceci quelque soit l'âge.
Outils de mesure
On utilise les balances et les toises décrites plus haut.
Technique de mesure
Idem: voir plus haut.
Interprétation
On compare les mesures obtenues aux normes internationales (annexe 3). Pour un faible poids en fonction de la taille, on parle de maigreur, d'amaigrissement et, par extension, de malnutrition aiguë.
Pour un poids tros élevé en fonction de la taille (plus de deux écarts-types au dessus de la médiane internationale), on parle d'obésité.
Prenons un exemple:
Ousmane et Ali ont 24 mois et pèsent tous deux 9kg 500. En fonction du rapport poids âge (annexe 1), ils se situent tous deux dans la zone de malnutrition. Cependant, Ousmane mesure 76 cm alors qu'Ali mesure 82 cm. Si on examine les rapports taille/ âge (annexe 2) et poids/taille (annexe 3), on constate qu'Ousmane souffre d'une “malnutrition chronique” (il est petit pour son âge, mais il n'est pas maigre), alors qu'Ali souffre d'une malnutrition aiguë (il est maigre).
1.1.2.5. Le tour du bras
Intérêt de la mesure
La mesure du tour du bras est certainement la plus facile à réaliser. Lorsqu'on ne dispose pas de balance, elle permet une détection rapide de la malnutrion protéino-énergétique aigue chez l'enfant de un à trois ans. De même, elle peut être pratiquée facilement par des agents non alphabétisés. Elle n'a de signification que sur un plan statistique et mérite d'être contrôlée par les mesures de la taille en fonction de l'âge.
Outil de mesure
Confection d'un brassard pour la mesure du tour du bras:
Utiliser une matière souple et flexible mais non élastique: pellicule usagée, négatif de radiographie découpé en bandes, bande d'étoffe…
Réunir les matériels suivants: papier blanc, règle ou ruban gradué, ciseaux, colle, crayons ou marqueurs de couleurs verte, jaune, rouge.
Procéder au marquage selon le schéma.
Technique de mesure
Mesurer le tour du bras gauche pendant (relâché) le long du corps, à mi-hauteur entre le sommet de l'épaule et le coude.
Le ruban ne doit être ni serré, ni lâche.
Interprétation
La mesure du tour du bras n'est valable que chez les enfants de un à trois ans car dans cette tranche d'âge, le tour du bras est à peu près constant chez un enfant en bonne santé.
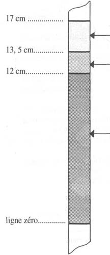
Le tour du bras est supérieur à 13,5 cm, quand l'enfant est en bonne santé.
Le tour du bras est compris entre 12 cm et 13,5 cm, quand l'enfant est légèrement mal nourri.
Le tour du bras est inférieur à 12 cm, quand l'enfant est sévèrement mal nourri.
Les figures 1 et 2 présentent un brassard et la façon de l'utiliser.
![]() |
Le marquage est facilité par une bande de papier collé sur la
pellicule La zone verte est la zone de bonne santé, à partir de 13,5 cm et plus de la ligne zéro. La zone jaune est la zone de malnutrition légère probable, elle est située à une distance comprise entre 13,5 et 12 cm de la ligne zéro. La zone rouge est la zone de malnutrition sévère, à moins de 12 cm de la ligne zéro. Déterminer le point de départ (ligne zéro) à partir duquel on évalue le tour du bras. |
Enfants 1- 3 ans: on place la bandelette antour de la partie médiane du bras.

Figure 2 - La mesure du tour du bras
1.2. LES BESOINS NUTRITIONNELS
1.2.1. Besoins nutritionnels et apports recommandés
L'organisme humain ne présente de besoins que pour un nombre de substances nécessaires à sa vie, à son développement et à sa croissance, substances dont la carence provoque des altérations fonctionnelles.
Il s'agit essentiellement des glucides, des lipides, des protéines, des vitamines, de certains sels minéraux et de l'eau.
Les besoins nutritionnels varient d'un individu à l'autre et, chez le même individu à des moments particuliers de la vie. Il s'agit en général de situations dans lesquelles l'organisme produit des masses de tissus (croissance chez l'enfant, grossesse chez la femme) ou des substances particulières (le lait chez la nourrice).
On parlera alors de:
besoins nutritionnels de l'enfant;
besoins nutritionnels de la femme enceinte;
besoins nutritionnels de la femme allaitante;
besoins nutritionnels pour les différents types d'activités.
En cas de maladie, l'organisme est soumis à un effort supplémentaire pour la production des défenses et la récupération pendant la convalescence.
1.2.2. Besoins en énergie
L'organisme subit chaque jour des pertes d'énergie dues aux phénomènes vitaux tels que la croissance, le renouvellement des tissus, le fonctionnement des organes, le maintien de la température interne, le travail physique, les mouvements et déplacements, etc. Ces pertes sont compensées à travers l'utilisation des nutriments* énergétiques (glucides, lipides et protéines) fournis journellement par l'alimentation.
La valeur énergétique des nutriments, c'est-à-dire la quantité d'énergie nécessaire à la combustion de 1 gramme de substance se présente comme suit:
Quand les besoins énergétiques sont satisfaits, l'organisme utilise en priorité les protéines comme aliments de construction et de réparation; par conséquent, ce sont les glucides et les lipides qui constituent les sources d'énergie par excellence.
Si l'apport en énergie du régime alimentaire est insuffisant pour couvrir les besoins, l'organisme brûle les réserves d'énergie qu'il possède sous forme de graisses, ce qui entraîne une perte de poids.
Si la carence énergétique persiste, une fois épuisées les réserves de graisses, l'organisme commence à brûler ses propres protéines. L'amaigrissement se fera par la fonte musculaire comme c'est le cas chez les enfants atteints de marasme ou de kwashiorkor. C'est ce qui explique que la longueur du tour du bras diminue en cas de malnutrition aiguë.
Dans le cas contraire, lorsque l'apport énergétique du régime alimentaire est supérieur aux dépenses, l'organisme met en réserve l'énergie non utilisée sous forme de graisse et l'individu prend du poids (surpoids et, à la longue, obésité).
Les besoins énergétiques de l'homme et de la femme adultes varient selon l'activité physique considérée, ainsi que l'indique la figure 3.
| Activités | Légères | Modérées | Lourdes |
|---|---|---|---|
| Homme adulte | 2 700 kcal | 3 000 kcal | 3 500 kcal |
| Femme adulte | 2 000 kcal | 2 200 kcal | 2 600 kcal |
Figure 3 - Besoins énergétiques selon le type d'activité
Activités légères: employé de bureau, secrétaire.
Activités modérées: artisan, ménagère avec 1 ou 2 enfants et avec facilité d'approvisionnement en eau.
Activités lourdes: paysan, paysanne, ménagère avec plusieurs enfants et difficultés d'approvisionnement en eau.
En milieu rural et en économie de subsistance, les dépenses d'énergie peuvent varier considérablement d'une période à l'autre de l'année, suivant le calendrier des activités agricoles. C'est souvent aussi à ce moment appelé “période de soudure” que les disponibilités sont au plus bas: les greniers à céréales sont vides et les gens commencent alors à puiser dans leurs réserves internes pour maintenir une activité normale. Ils maigrissent et, si aucune solution n'est envisagée, ils pénètrent dans le cercle infernal et vicieux de la malnutrition que nous analyserons avec soin dans le chapitre sur les déséquilibres alimentaires.
En ce qui concerne les enfants, il faut considérer que leurs besoins énergétiques sont étroitement liés à la vitesse de croissance: plus grande est la vitesse de croissance, plus l'enfant a besoin d'énergie pour bâtir ses nouveaux tissus.
Or la vitesse de croissance est très élevée chez les plus petits (un enfant double son poids à environ 5 mois et le triple à 10 mois). La vitesse de croissance diminue au fur et à mesure que l'enfant grandit.
Ainsi que l'indique la figure 4, les besoins énergétiques évoluent en fonction de l'âge.
| Ages | Garçons | Filles | ||
|---|---|---|---|---|
| Poids (kg) | Kcal(n) | Poids (kg) | kcal (n) | |
| Moins de 1 an | 7,3 | 818 | 7,0 | 784 |
| 1 an | 10,8 | 1061 | 9,9 | 1049 |
| 2 ans | 12,6 | 1260 | 12,3 | 1230 |
| 3 ans | 14,6 | 1460 | 14,3 | 1416 |
| 4 ans | 16,7 | 1653 | 16,8 | 1613 |
| 5 ans | 18,9 | 1720 | 18,7 | 1683 |
| 6 ans | 21,0 | 1827 | 21,1 | 1794 |
| 7 ans | 23,2 | 1926 | 23,6 | 1888 |
| 8 ans | 25,6 | 2022 | 26,3 | 1999 |
| 9 ans | 28,2 | 2143 | 28,9 | 2110 |
| 10 ans | 30,9 | 2287 | 32,5 | 2210 |
| 15 ans | 54,6 | 2894 | 53,2 | 2554 |
| adulte | 65,0 | 3000 | 55,0 | 2200 |
Figure 4 - Besoins énergétiques en fonction de l'âge et du poids corporel
En rapportant les besoins énergétiques d'un individu au poids de son corps, nous arrivons ainsi à des conclusions très frappantes. Par exemple, un enfant de deux ans a besoin de 100 kcal par kilogramme de poids corporel tandis qu'un homme adulte ayant une activité physique modérée n'atteint même pas un besoin de 50 kcal par kilogramme de poids corporel.
On comprend qu'un petit enfant a besoin d'un plus grand nombre de repas que l'adulte pour satisfaire ses besoins énergétiques. On comprend ainsi qu'il est préférable de donner à l'enfant des aliments très énergétiques tels que des bouillies enrichies avec des matières grasses.
La grossesse et l'allaitement constituent des états physiologiques pour lesquels les femmes doivent, dans le premier cas assurer la croissance intra-utérine de l'enfant, dans le second cas, produire du lait pour le nourrir.
Des calculs ont ainsi montré que la femme a un besoin supplémentaire en énergie de 150 kcal par jour pendant le premier trimestre de la grossesse et de 350 kcal par jour pendant les deux derniers trimestres tandis que pour la production de lait, les besoins supplémentaires ont été estimés à 600 kcal par jour pendant les 9 premiers mois et à 400 kcal par jour jusqu'à l'ablactation*.
Les besoins énergétiques totaux de la femme enceinte et allaitante sont calculés en ajoutant aux besoins énergétiques dus à l'activité habituelle, les besoins supplémentaires dus à l'état physiologique (grossesse et production de lait). Les suppléments en kilocalories calculés pour la grossesse et l'allaitement sont les mêmes pour toutes les femmes: ce qui varie, c'est la dépense énergétique journalière en fonction des activités.
Ainsi une femme allaitant un enfant de moins de neuf mois voit ses besoins énergétiques grimper de 2000 à 2600 kcal/jour si elle n'a que des activités légères à effectuer. Ses besoins sont alors quasi-équivalents à ceux d'un homme exerçant lui aussi des activités légères (2700 kcal/jour).
1.2.3. Besoins en protéines
Les protéines représentent environ 20% du poids d'un adulte. Leur importance est liée au fait que l'organisme ne peut pas les synthétiser. Elles doivent donc être introduites à travers les aliments. Les protéines jouent dans l'organisme un rôle structural (formation de nouveaux tissus, réparation des pertes) et énergétique (en cas d'apport insuffisant en glucides et lipides).
Les besoins en protéines sont relativement plus grands chez l'enfant que chez l'adulte. Ainsi, les enfants de moins de trois ans ont besoin de 2g de protéines par kg de poids corporel alors que le besoin des adultes n'atteint même pas 1g par kg de poids corporel.
L'insuffisance de l'apport en protéines chez un enfant provoque d'abord un ralentissement de la croissance, et, dans les cas les plus avancés, de graves maladies nutritionnelles telles que le kwashiorkor.
Chez la femme, les besoins en protéines s'élèvent lorsqu'elle est enceinte et s'élèvent encore davantage lorsqu'elle allaite. Ainsi, on peut considérer qu'une femme de 55 kg allaitant un enfant de moins de six mois a besoin de 65 g de protéines par jour, soit, 24 g de plus que lorsqu'elle n'était pas enceinte, mais aussi 12g de plus que son mari si celui-ci pèse 65 kg.
Ces chiffres doivent nous convaincre que les aliments riches en protéines (viande, poisson, produits laitiers, légumineuses, etc) doivent en priorité être servis aux jeunes enfants et aux femmes enceintes ou allaitantes. Cette recommandation nutritionnelle entre parfois en contradiction avec les habitudes traditionnelles, comme nous le verrons plus loin.
1.2.4. Besoins en vitamines
Les vitamines sont des substances nutritives dont l'homme a besoin en petites quantités. L'organisme humain étant incapable lui-même de les fabriquer2, les vitamines lui sont fournies par les aliments.
Chaque vitamine joue un rôle précis, mais d'une manière générale, elles interviennent dans le développement, l'entretien et le fonctionnement de l'organisme.
Une alimentation carencée en vitamines provoque des avitaminoses*.
Les informations concernant le rôle, les effets de carence et les sources alimentaires des vitamines les plus importantes sont résumées dans le tableau suivant.
| Vitamine | Rôle | Effets de carence | Sources principales |
|---|---|---|---|
| Vitamine A | Protection de l'oeil, de la peau et de l'appareil respiratoire | Cécité nocturne jusqu'à cécité totale | Beurre, lait, foie poissons gras, huile de palme, papaye, feuilles vertes foncées (amaranthe, feuilles de patate, feuilles de manioc, etc.) |
| Vitamine D | Régulation du métabolisme du calcium | Rachitisme (mauvaise croissance des os). | Oeufs, beurre, foie, poissons gras. |
| Vitamine B1 | Libération d'énergie dans l'organisme | Béribéri, troubles nerveux | Céréales complètes, légumineuses (arachide, niébé, haricots, etc.) |
| Vitamine B2 | Protection des tissus | Mauvaise régénération des tissus | Foie, poisson, oeuf, céréales, légumineuses. |
| Vitamine B12 | Maturation des globules rouges | Anémie | Surtout aliments d'origine animale (viande et produits laitiers) |
| Vitamine C | Elaboration du tissu conjonctif interstitiel, résistance des vaisseaux sanguins | Scorbut (hémorragies) | Fruits (orange, citron, mangue, goyave) et légumes verts |
| Vitamine PP | Oxydation des tissus | Pellagre (dermatose, diarrhée, démence) | Légumes frais, arachide, haricot, foie, oeuf |
| Acide folique | Formation de l'hémoglobine | Anémie | Foie, rognon, légumes verts |
Figure 5 - Tableau synoptique relatif aux vitamines
Ajoutons encore à ce tableau sur les vitamines deux informations relatives à leur solubilité et à leur résistance à la chaleur.
La vitamine A et la vitamine D sont solubles dans l'huile alors que les vitamines B, C et PP sont solubles dans l'eau. Quand des aliments contiennent des vitamines solubles dans l'eau, on veillera à les laver rapidement, à leur éviter un séjour prolongé dans l'eau et à consommer l'eau de cuisson.
Certaines vitamines sont sensibles à la chaleur, c'est-à-dire que la chaleur de la cuisson, voire même la simple exposition au soleil les détruit progressivement. C'est le cas de la vitamine A et de la vitamine B1, mais c' est surtout le cas de la vitamine C, très sensible à la chaleur. Ne cuissons pas trop longtemps ces aliments riches en vitamine A et consommons chaque jour un aliment riche en vitamine C sous sa forme crue (un fruit, par exemple).
1.2.5. Besoins en sels minéraux
Nombreux sont les sels minéraux qui entrent dans la composition du corps humain. Certains d'entre eux sont très abondants comme le calcium, d'autres par contre sont présents en faible quantité mais ils accomplissent également des rôles fondamentaux dans l'organisme. Étant donné que l'homme n'est pas capable de les synthétiser, ils doivent être nécessairement apportés par l'alimentation.
Le rôle et les sources alimentaires des principaux sels minéraux figurent dans le tableau suivant.
| Minéral | Rôle | Effets de carence | Sources principales |
|---|---|---|---|
| Calcium | Croissance et ossification. Elaboration du lait maternel. Coagulation du sang. Contraction musculaire (coeur). | Déminéralisation de l'os (chez la femme enceinte). Retard de croissance (chez l'enfant). | Produits laitiers, feuilles de baobab, gombo sec, soumbara, niébé, soja, arachide. |
| Fluor | Protection de la dent contre la carie. | Carie dentaire. | Produits de la mer. Thé. |
| Fer | Formation de l'hémoglobine des globules rouges. | Anémie | Viande, foie, oeuf, fonio, gombo, soumbara, arachide, feuilles vertes. |
| Iode | Constitution de l'hormone de la glande thyroïde, nécessaire au développement de l'organisme. | Goitre, retard de développement, <crétinisme>. | Produits de la mer, sel de cuisine, produits cultivés sur des sols riches en iode, animaux élevés sur des sols riches en iode. |
| Phosphore | Croissance. Utilisation des aliments. | Retard de développement | Pois de terre, niébé, riz, fonio, arachide, gombo, viande, lait, soja, oeuf. |
Figure 6 - Tableau synoptique relatif aux sels minéraux
1.2.6. Notion de groupes vulnérables
Les groupes vulnérables sont les groupes qui sont les plus exposés aux maladies de carence du point de vue nutritionnel.
Les causes de cette vulnérabilité peuvent être soit physiologiques, soit politiques, soit économiques.
En Guinée, les groupes vulnérables du point de vue physiologique sont constitués par les enfants de 0 à 5 ans et les femmes en âge de procréer (en particulier, les femmes enceintes et les femmes allaitantes).
Les deux autres catégories de groupes vulnérables qu'on y rencontre également sont:
les populations démunies des villes et celles des campagnes sans terres cultivables et même sans ressources de production.
Les réfugiés et personnes déplacées à la suite de conflits politiques (guerres) dans les pays voisins.
OBJECTIFS
A l'issue de l'étude de ce module, vous devriez être capable de:
Recenser les aliments disponibles localement.
Estimer la valeur nutritionnelle de ces aliments.
Décrire les avantages du lait maternel sur les autres types de lait.
Décrire et commenter les habitudes alimentaires locales.
Décrire les modes tranditionnels de conservation, de transformation et de préparation des aliments.
Proposer des modes de transformation et de préparation des aliments qui protègent leurs éléments nutritifs.
Identifier les facteurs de la sécurité alimentaire des ménages et de l'accessibilité des aliments.
2.1. LES ALIMENTS
2.1.1. Définition simple de l'aliment
L'aliment est une substance dont l'introduction dans l'organisme assure le maintien, la croissance et le renouvellement des tissus, ainsi que la satisfaction des besoins énergétiques. Les aliments sont tous composés mais en proportions différentes de six types de substances appelées nutriments*, qui sont:
L'eau;
Les protéines;
Les glucides ou sucres;
Les lipides ou corps gras;
Les éléments minéraux;
Les vitamines.
2.1.2. Les différents aliments et leur fonction
Du point de vue nutritionnel, on classe les aliments en trois grands groupes:
Premier groupe: les aliments énergétiques ou aliments de force.
Ce sont les aliments sources d'énergie. Ils comprennent les aliments riches en glucides et en lipides. Ils sont essentiellement composés des céréales, des tubercules, du sucre, du miel et des graisses animales et végétales.
| Céréales riz, mil, sorgho, maïs etc. | Ils constituent la principale source d'énergie dans les régimes traditionnels guinéens: ils fournissent également des protéines, des vitamines du groupe B et du fer. |
| Tubercules igname, manioc, patate douce, taro, pomme de terre, etc. | Ils constituent une importante source d'énergie, mais ils sont pauvres en protéines et en vitamines. |
| Graines oléagineuses arachides, noix de palme, etc. | Ils constituent une importante source d'énergie, surtout quand ils sont transformés sous forme d'huile. L'arachide est aussi riche en protéines, car c'est une légumineuse. L'huile de palme est une source importante de vitamine A |
Deuxième groupe: les aliments constructeurs et réparateurs
Ce sont les aliments sources de protéines d'origine animale ou d'origine végétale.
| Viandes, poissons et oeufs | Ils apportent des protéines de très bonne qualité, mais aussi, différentes vitamines et du fer. |
| Lait et ses dérivés… (fromage, beurre, etc.) | Ils fournissent des protéines de très bonne qualité, mais aussi, du calcium. Ils sont pauvres en fer. |
| Légumineuses (haricots, etc.) | Elles sont riches en protéines, en énergie, en fer et en vitamines du groupe B. Associés aux céréales, elles peuvent remplacer les aliments d'origine animale lorsque ceux-ci ne sont pas disponibles. |
Troisième groupe: les aliments protecteurs
Ce sont les aliments sources de sels minéraux et de vitamines tels que les légumes et les fruits.
| Légumes et fruits (oseille de Guinée, gombo, aubergine, tomate, mangue, orange, citron, banane…) | Ils apportent surtout des vitamines et des sels minéraux. Ils sont généralement pauvres en énergie et en protéines. |

Figure 7 - Illustration des trois groupes d' aliments par quelques exemples
2.1.3. La ration alimentaire
La ration alimentaire est la quantité journalière moyenne d'aliments qu'un individu doit consommer pour maintenir son poids et sa santé. Une bonne ration alimentaire doit obligatoirement comporter des aliments variés pour couvrir les différents besoins de l'organisme en énergie, en protéines, en vitamines et sels minéraux. Elle doit être équilibrée, c'est-à-dire que la ration calorique totale doit être répartie ainsi:
55 à 65% d'origine glucidique;
20 à 30% d'origine lipidique;
12 à 15% d'origine protéique.
Nous devons retenir que la ration alimentaire journalière doit satisfaire les besoins de l'organisme.
Pour être équilibrée, elle doit apporter:
une quantité suffisante d'aliments énergétiques pour couvrir les besoins en énergie;
une quantité suffisante d'aliments constructeurs pour permettre la croissance et l'entretien des tissus de l'organisme;
une quantité suffisante d'aliments riches en vitamines et sels minéraux qui servent d'outils protecteurs et régulateurs pour l'organisme.
Pourtant la ration n'est pas facile à équilibrer:
Elle varie avec chaque individu de la famille suivant l'âge et l'activité, elle n'est pas la même chez l'homme, l'enfant, la femme enceinte, allaitante et l'adolescente en pleine croissance;
Les aliments considérés comme «nobles» dans la tradition guiéenne à savoir les protéines animales sont chères et difficiles à se procurer en quantité suffisante.
2.1.4. Le lait maternel
Le lait maternel est le seul aliment réellement adapté aux besoins du nouveau-né et du nourrisson pendant les premiers mois de la vie. Il apporte sous une forme appropriée, des glucides, des protéines, de la graisse, des minéraux et la plupart des vitamines nécessaires au développement du bébé.
De la naissance jusqu' à l'âge de 6 mois, le lait maternel suffit largement pour nourrir l'enfant. Le lait maternel ne nécessite aucune préparation et il est sain.
Les avantages du lait maternel sur les autres laits sont bien connus:
Il est toujours frais.
Sa température est stable et adaptée.
Il est très facile à digérer.
Il est ajusté aux besoins spécifiques de chaque bébé: il élimine les risques de fausse préparation (prédosé).
Il contient des anticorps*: le bébé reçoit l'immunité* maximale contre les maladies.
Il diminue le risque d'allergie.
Il limite le risque de diarrhée et d'infection respiratoire aiguë.
Il assure une nutrition optimale, car il contient, dans des proportions équilibrées, des glucides, des lipides, des protéines, des vitamines et des sels minéraux.
Il est économique.
Il est disponible à tout moment.
La relation mère-enfant est renforcée par l' allaitement maternel.
La composition du lait maternel évolue avec le temps, en fonction de l'évolution des besoins de l' enfant.
A partir de 6 mois, le lait maternel ne suffit plus à couvrir les besoins de l' enfant.
2.2. LES HABITUDES ALIMENTAIRES EN GUINÉE
En guinée, l'allaitement maternel, bien que pratiqué par près de 85% des mères, ne commence pas toujours immédiatement après la naissance. Certaines mères attendent plusieurs heures, voire quelques jours, avant de mettre l'enfant au sein. Il leur arrive alors de donner au nouveau-né des infusions, notamment des infusions de quinkéliba. Le colostrum, premier liquide qui sort du sein après l'accouchement, n'est pas toujours donné à l'enfant. Ces erreurs, quoique minoritaires dans la population guinéenne, existent. Elles devraient être corrigées avec tact.
On peut parfois s'appuyer sur la tradition plutôt que sur la science pour corriger ces erreurs. Ainsi, dans certaines sociétés, il est dit que «si l'enfant ne tête pas le colostrum de sa mère, plus tard il sera battu par les autres enfants». Cette image, très juste si on l'évalue à la lumière de nos connaissances scientifiques, peut être utilisée par les communicateurs pour promouvoir une mise au sein rapide, juste après la naissance de l'enfant.
Les pratiques alimentaires, notamment le sevrage*, sont inadéquates.
L'enquête ENAMOG, réalisée en milieu rural (Moyenne Guinée), témoigne les faits suivants:
Des liquides autres que le lait maternel (lait de vache, de chèvre, infusion, etc.) sont souvent introduits prématurément: avant 3 mois.
Les aliments semi-solides sont parfois introduits trop tardivement: à 11 mois et même davantage.
Les bouillies de sevrage existent, mais elles sont inadéquates sur le plan nutritionnel: composées de maïs, riz ou fonio avec une addition de sucre dans les 2/3 des cas et de lait dans 1/5 des cas, elles ont indiscutablement une densité énergétique trop faible.
Lors des épisodes de maladies, la prise en charge diététique est très mauvaise: près de la moitié des enfants ne mangent pas en cas de diarrhée.
Ces mauvaises pratiques ne semblent pas exclusives du milieu rural puisque les résultats de l'enquête réalisée à Conakry (ENCOMEC) révèlent que 20% des mères introduisent des aliments complémentaires avant 3 mois, donc à un âge où les enfants n'en ont pas besoin. D'un autre côté, 30% des femmes diversifient seulement après 10 mois, donc beaucoup trop tardivement.
Dans les comportements habituels, le nombre insuffisant de repas - un, deux ou trois repas par jour influence négativement la croissance des enfants en bas âge. La prise de repas se faisant en groupe, les plus jeunes sont lésés tant pour la qualité que pour la quantité. Les meilleures parties des repas (protéines, matières grasses) sont attribuées au père de famille. Les enfants et les femmes sont lésés.
Par ailleurs, il existe des interdits qui sont soit permanents, soit temporaires.
Les interdits permanents sont le plus souvent d'origine religieuse ou totémique: le porc pour les musulmans, la chair de certains animaux (reptiles, singes, panthères, etc.) pour les autres;
Les interdits temporaires touchent des groupes particuliers d'individus à un moment donné de leur vie (femmes enceintes, femmes allaitantes, enfants en bas âge, en particulier avant les cérémonies rituelles). Paradoxalement, ces interdits portent sur des aliments indispensables à ces groupes (viande, oeuf, poisson, etc.)
Il faut remarquer que dans l'évolution récente des habitudes alimentaires en Guinée, le riz est devenu la céréale dominante dans la consommation des populations. Autrefois, jusqu'aux premières années après l'indépendance du pays (1958), le régime alimentaire était fonction de la production de chacune des quatre régions naturelles: en Basse Guinée, l'aliment de la base était déjà le riz, le maïs, en Moyenne Guinée, c'était le fonio, le maïs, et le taro; en Haute Guinée, c'était le manionc et le mil, alors qu'en Guinée Forestière, c'était le manioc et le riz.
Le repas principal comprend deux bols de tailles différentes: le plus grand, constituant le plat de résistance est toujours fait de céréales (riz, maïs, fonio, mil ou sorgho, etc.) ou de féculents (manioc, igname, etc.). Le plus petit, qui vient accommoder le premier plat, est la sauce à base de protéines animales (viandes, poisson, etc.) ou végétales (niébé, arachides), de feuilles vertes (manioc, patate, etc.) et de légumes (aubergines, citrouilles), d'huile d'arachide, de palme, de palmiste ou de karité auxquelles sont ajoutés des condiments (piment, sel, soumbara).
Au regard de ce qui précède, nous constatons que l'alimentation traditionnelle de l'adulte guinéen est plus ou moins équilibrée, mais que ce qui pose problème, c'est l'alimentation des groupes vulnérables: les jeunes enfants, les femmes enceintes et les femmes allaitantes, les populations pauvres ou déplacées. Ajoutons encore que les procédés de conservation, de transformation et de préparation des aliments ne permettent pas toujours de préserver leur qualité nutritive.
2.3. LA TRANSFORMATION DES ALIMENTS
2.3.1. Les procédés traditionnels
Les moyens de conservation des aliments sont très réduits en Guinée. Les manipulations des aliments sont quotidiennes depuis la récolte ou l'achat jusqu'à la consommation. Toutefois, la conservation de type artisanal reste un fait au niveau des producteurs et vendeurs, pour qui le respect de l'hygiène est conditionné par les habitudes culturelles, l'éducation, l'accessibilité à l'eau et aux agents conservateurs. Au niveau de la paysannerie, les céréales sont conservées dans les greniers; les tubercules tels le manioc sont séchés ou conservés en terre, les viandes et poissons sont fumés.
La transformation des produits se fait dans la plupart des cas de façon artisanale. Elle est limitée généralement au monde rural en raison des équipements difficilement accessibles face au faible revenu et aux coûts de fonctionnement et d'entretien très élevés.
| Transformation des céréales (ex. : le riz) | manuelle | battage, étuvage, décorticage, stockage |
| Transformation des tubercules (ex. : le manioc) | manuelle | épluchage, rouissage, cuisson ou non, séchage |
| Transformation de la viande | locale | séchage |
| Tansformation du poisson: | manuelle mécanisée, rare | fumage, séchage fumage, congélation |
Figure 8 - Procédés traditionnels de transformation des aliments
La contribution du secteur industriel à la capacité de transformation est très reduite.
Il n'existe pas en Guinée de différence fondamentale de préparation des aliments d'une région à l'autre à cause de la grande interpénétration des populations. Les aliments sont soit cuits, soit frits, soit grillés. Certaines de ces techniques culinaires présentent des inconvénients par la destruction des substances thermolabiles (certaines vitamines par exemple), et par la perte d'autres substances riches en minéraux rejetées avec l'eau de cuisson.
2.3.2. Quelques procédés de transformation des aliments qui protègent leurs éléments nutritifs
Les façons traditionnelles de transformer et de préparer les aliments ne sont pas toujours adéquates. Souvent, des éléments nutritifs se perdent durant la transformation de ces aliments, notamment durant la cuisson.
Les propositions formulées ci-dessous vous aideront à protéger les éléments nutritifs des aliments durant leur transformation.
2.3.2.1. Les méthodes de transformation avant cuisson
Préparation des farines de céréales (riz, mil, fonio, maïs)

Figure 9 - Préparation de la farine de céréales
Résultat: Pas de pertes d'éléments nutritifs à condition de:
Tremper les graines dans leur enveloppe
Ne pas chauffer l'eau
Ne pas mettre dans l'eau du bicarbonate de soude ou un autre produit permettant un ramollissement de la graine et une cuisson accélérée.
Préparation des farines de tubercules (manioc)
Il existe en Guinée deux variétés de manioc: le manioc doux, consommé comme la pomme de terre ou l'igname, et le manioc amer, qui nécessite un rouissage, c'est-à-dire un trempage dans l'eau afin d'éliminer la substance toxique.

Figure 10 - Préparation de la farine de manioc
Résultat: Perte de vitamines du groupe B
Séchage des feuilles, des légumes et des fruits
Les feuilles séchées, toujours très utiles pour leur apport en minéaux, sont moins riches en vitamines. Cependant, le séchage à l'ombre des feuilles, légumes et fruits entraîne une perte moindre en vitamine que le séchage au soleil.
2.3.2.2. Les méthodes de cuisson
Cuisson à la vapeur
Etuvage des graines de mil ou de riz
Etuvage du couscous
Résultat: Très peu de perte d'éléments nutritifs
Cuisson à l'eau
Des céréales: graines entières, brisures, farines, graines pour la bouillie
Des tubercules: manioc doux, taro, igname, patate douce
Blanchiment rapide des feuilles vertes.
Résultat: Perte d'éléments nutritifs solubles si la cuisson est prolongée et si l'excès d'eau est jeté.
Des tubercules et légumes divers, coupés en tronçons ou rondelles
Des poissons frais dans les sauces
Du poisson fumé qui remplace souvent la viande dans les sauces
De la viande coupée en petits morceaux et cuite dans les fonds de sauce aux légumes.
Résultat: Peu de perte d'éléments nutritifs si le liquide de cuisson est consommé.
Cuisson à la chaleur sèche (sur braises)
Viande - poisson
Des épis de maïs frais
Des tubercules non épluchés.
Résultat: Perte de vitamines C et B et aussi une partie de protéines quand la chaleur est très élevée.
Cuisson à la friture
Des poissons frais
Des beignets
Des tubercules
Résultat: Les pertes sont aussi importantes que pour la cuisson à la chaleur sèche.
Comment préserver les éléments nutritifs des fruits, des feuilles et des légumes? La vitamine C est très sensible à la chaleur et même à la lumière et à l'air. La seule façon d'assurer un apport quotidien suffisant en vitamine C est de consommer chaque jour un fruit et / ou un légume cru riche en vitamine C.
La vitamine A peut être partiellement préservée à la cuisson si celle- ci n'est pas trop vive ni trop longue.
D'une façon générale, les fruits devraient être consommés crus. Les légumes et les feuilles devraient être lavés rapidement et pelés finement. Il ne faut pas les laisser tremper. Il faut les couvrir à la cuisson. Il faut consommer le jus de la cuisson. Enfin, il faut banir l'utilisation de potasse pour attendrir certaines feuilles. De cette manière, les vitamines et les sels minéraux sont préservés d'une façon optimale.
2.4. LA SÉCURITÉ ALIMENTAIRE DES MÉNAGES
La sécurité alimentaire exige la disponibilité des aliments au niveau des ménages. Cette disponibilité dépend de la circulation des aliments et surtout du pouvoir d'achat. Les denrées disponibles proviennent de la production nationale de l'importation et de l'assistance extérieure (dons). Elles couvrent surtout les besoins énergétiques (85 à 90 %) et sont essentiellement constituées de céréales.
La production agricole nationale est fonction du climat, de la fertilité du sol, de la qualité des semences et surtout de la technologie adoptée. Sans les importations et dons les besoins de la population ne seraient pas couverts.
La libéralisation non contrôlée des prix, l'état défectueux des infrastructures routières, le bas niveau de technologie, le manque d'industrie de transformation, l'importation non rationnelle des denrées alimentaires et la faiblesse du pouvoir d'achat diminuent l'accessibilité de certains produits essentiels.
Du point de vue qualitatif, les Guinéens consomment en moyenne 7,4 kg de poisson et 6,53 kg de viande et abats, toutes espèces confondues, par personne et par an. Ces quantités sont loin de couvrir les besoins protidiques de l'adulte, à plus forte raison ceux des groupes vulnérables (femmes enceintes, allaitantes et enfants de 0 à 5 ans);
L'apport en sels minéraux et en vitamines se fait par l'adjonction de certains légumes à la sauce du repas familial et de fruits consommés de façon routinière, mais non systématique, durant toute l'année.
En raison du rythme rapide de la croissance démographique, par rapport à la croissance économique, des efforts importants sont à faire pour assurer la sécurité alimentaire des ménages. En effet, le nombre des bouches à nourrir augmente sans cesse, plus rapidement que la production agricole.
EXERCICE No 1: SOURCES D'ENERGIE DANS L'ALIMENTATION
Voici un bref rappel des aliments disponibles en Guinée qui constituent une importante source d'énergie et de protéines.
Dans la deuxième colonne, inscrivez les aliments que l'on trouve dans votre localité.
Dans la troisième colonne, décrivez les modes de transformation des aliments que vous avez
identifiés.
| Sources d'énergie en Guinée | Sources d'énergie dans votre localité | Mode habituel de transformation |
|---|---|---|
| Céréales | Céréales | |
| riz | ex.: riz | séchage, pilage, décorticage |
| sorgho | ||
| mil | ||
| fonio | ||
| maïs | ||
| Tubercules | Tubercules | |
| manioc | ||
| taro | ||
| patate douce | ||
| pomme de terre | ||
| igname | ||
| Lipides et corps gras | Lipides et corps gras | |
| huile d'arachide | ||
| huile de palme | ||
| huile de palmiste | ||
| huile de coco | ||
| beurre de karité |
EXERCICE No 2: SOURCES DE PROTÉINES DANS L'ALIMENTATION
Voici un bref rappel des aliments disponibles en Guinée qui constituent une importante souce de protéines.
Dans la deuxième colonne, inscrivez les aliments que l'on trouve dans votre localité.
Dans la troisième colonne, décrivez les modes de transformation des aliments que vous
avez identifiés.
| Sources de protéines animales en Guinée | Sources de protéines animales dans votre localité | Mode habituel de transformation |
|---|---|---|
| Viande de boucherie | Viande de boucherie | |
| boeuf | ||
| mouton | ||
| chèvre | ||
| porc | ||
| Volaille | ||
| poulet | ||
| canard | ||
| Oeufs | ||
| Viande de chasse | Viande de chasse | |
| Laits (toutes sortes) | Laits (toutes sortes) | |
| Poissons frais, fumés ou séchés | Poissons frais, fumés ou séchés | |
| d'eau douce | ||
| de mer | ||
| Crevettes séchées | Crevettes séchées | |
| Sources de protéines végétales en Guinée | Sources de protéines végétales dans votre localité | Mode habituel de transformation |
| Légumineuses et graines | Légumineuses et graines | |
| arachide | ||
| haricot | ||
| graine de néré | ||
| (soumbara) |
EXERCICE No 3: SOURCES DE VITAMINES DANS L'ALIMENTATION
Voici un bref rappel des aliments disponibles en Guinée qui constituent une importante source de vitamines. Dans la deuxième colonne, inscrivez les aliments que l'on trouve dans votre localité. Dans la troisième colonne, décrivez les modes de transformation des aliments que vous avez identifiés.
| Sources de vitamine en Guinée | Sources de vitamines dans votre localité | Mode habituel de transformation |
|---|---|---|
| Vitamine B1 | Vitamine B1 | |
| Céréales complètes | ||
| arachides | ||
| poisson | ||
| viande | ||
| légumes feuilles | ||
| Vitamine C | Vitamine C | |
| agrumes surtout citron | ||
| tous les légumes et fruits frais | ||
| Vitamine A | Vitamine A | |
| Produits animaux | Produits animaux | |
| beurre | ||
| oeufs | ||
| lait frais entier | ||
| foie de boeuf, de chèvre, | ||
| de mouton | ||
| poissons entiers | ||
| Produits végétaux | Produits végétaux | |
| fruits | ||
| fruits et légumes de | ||
| couleur jaune, orange et | ||
| vert foncé | ||
| Légumes à feuilles vert foncé | Légumes à feuilles vert foncé | |
| feuilles d'arachides | ||
| feuilles de manioc | ||
| feuilles de patate douce | ||
| feuilles d'amaranthe | ||
| oseille de Guinée | ||
| feuilles de haricot | ||
| Produits maraîchers:légumes | Produits maraîchers:légumes | |
| tomate | ||
| carotte | ||
| courge | ||
| gombo | ||
| épinards | ||
| poivron rouge | ||
| haricot vert | ||
| courgette | ||
| patate douce (variété orange et jaune) | ||
| piment frais rouge | ||
| Fruits | Fruits | |
| papaye mûre | ||
| mangue | ||
| melon | ||
| banane douce | ||
| goyave |
EXERCICE No4: SOURCES DE SELS MINÉRAUX DANS L'ALIMENTATION
Voici un bref rappel des aliments disponibles en Guinée qui constituent une importante source de sels minéraux.
Dans la deuxième colonne, inscrivez les aliments que l'on trouve dans votre localité.
Dans la troisième colonne, décrivez les modes de transformation des aliments que vous
avez identifiés.
| Sources de sels minéraux en Guinée | Sources de sels minéraux dans votre localité | Mode habituel de transformation |
|---|---|---|
| Fer | Fer | |
| abats tel que foie, rognons | ||
| jaune d'oeufs | ||
| poissons entiers | ||
| lentilles | ||
| céréales | ||
| légumes à feuilles vert foncé | ||
| Calcium | Calcium | |
| les produits laitiers : lait, | ||
| fromages, yaourts | ||
| légumes à feuilles vert foncé | ||
| orange | ||
| néré | ||
| Iode | Iode | |
| sel de mer | ||
| tous les produits de la mer |