农药施用机具标准
及相关测试程序准则

第二卷
拖拉机悬挂式及牵引式喷雾机


联合国粮食及农业组织
2003年, 罗马



本出版物中使用的名称和介绍的材料,并不意味着联合国粮食及农业组织对任何国家、 领地、城市、地区或其当局的法律地位、或对其边界或国界的划分表示任何意见。

ISBN 92-5-504723-X

版权所有。为教育和非商业目的复制和传播本信息产品中的材料不必事先得到版权持有者的书面准许,只需充分说明来源即可。未经版权持有者书面许可,不得为销售或其它商业目的复制本信息产品中的材料。申请这种许可应致函联合国粮食及农业组织新闻司出版管理处处长,地址:意大利罗马Viale delle Terme di Caracalla, 00100或以电子函件致[email protected]

© 粮农组织 2003年


 

目 录

致 谢

背 景

引 言

1. TR 模块 1 – 总体要求
2. TR 模块 2 – 贮液箱
3. TR 模块 3 – 液泵
4. TR 模块 4 – 过滤器和输液管
5. TR 模块 5 – 控制阀和监测仪表
6. TR 模块 6 – 喷杆
7. TR 模块 7 – 风机(用于气流辅助喷雾)
8. TR 模块 8 – 喷头
9. TR 模块 9 – 防护服贮藏箱

拖拉机悬挂式和牵引式喷雾机: 测试程序

1. TR 测试程序 1 – 整台喷雾机的漏液测试
2. TR 测试程序 2 – 化学耐腐蚀性
3. TR 测试程序 3 – 药液箱机械强度测试
4. TR 测试程序 4 – 药液箱搅拌性能测试
5. TR 测试程序 5 – 压力/流量控制系统
6. TR 测试程序 6 – 喷雾机残液量测试
7. TR 测试程序 7 – 喷雾质量
8. TR 测试程序 8 – 喷雾药液的分布测试
9. TR 测试程序 9 – 喷杆悬挂性能测试


致 谢

这些准则是由英国奇切斯特的TL威尔士联合有限股份公司的T.L.Wiles先生和D.G.Sharp先生在伦敦大学西尔伍德公园帝国学院国际农药使用技术研究中心(IPRAC)G.A.Matthews教授的协助下完成的。许多来自公共和私营部门的国际专家对这些准则提出了有价值的意见,作出了贡献,在此一并致谢。

背 景

并不是所有的粮农组织成员国都制定了农药喷雾机(器)的安全和质量标准,就这类机具已经制定的国际标准对于许多成员国来说常常又不合适。从1995年起,粮农组织的农业工程分部(AGSE)开展了标准指南的编写工作,以期推进最普遍使用的喷雾机具的安全性和效率。

粮农组织标准指南是基于已经制定的国际标准、欧洲标准以及国家标准和其它公布的参考资料。同时,它们也吸收了分管的项目专家对国际喷雾机(器)标准的深入了解和体验以及准则编写人员对发展中国家农药使用技术的认识。

经粮农组织农药注册、注册要求、使用标准和农药预先告知同意专家组以及粮农组织农业工程专家组的审核,粮农组织在1997年5月出版了有关农药施用机具标准指南的第一版。

本次出版的是标准指南第一版的修订版,它收集补充了成员国的评论和建议以及1997年后国际的新进展。共有两套标准指南:第一套包括了最低要求准则,第二套则涵盖了更多完整的标准以及是否符合标准的测试程序。

最低要求

这些准则的一个重要的目的是帮助粮农组织和其它机构保证购买的喷雾机具除了工作效率和耐用性外,对于用户和环境来说还要安全,即使最廉价的喷雾机具也应该满足安全和耐久性的最低标准。

粮农组织最低要求准则考虑到那些已经进入市场的喷雾机具,多数已经满足了这个最低要求,因此,主要的任务是各成员国家应该尽快地采用这些准则,开始从国内的市场上清理不合规格的和不安全的喷雾机具,最终使这类喷雾机具从国际市场消失。

最低要求准则是按照不同种类的喷雾机具,单独出版成册,例如包括旋转式喷雾机的主要便携式(操作者携带)喷雾机(器)的最低要求准则,拖拉机悬挂和牵引喷雾机以及其它类型喷雾机的最低要求准则。

标准和测试程序准则

比起最低要求准则,农用喷雾机(器)的标准准则更加严格,它对喷雾机具提供了更加明确的安全目标。针对粮农组织成员国生产或销售的主要类型的便携式(操作者携带)、拖拉机悬挂和拖拉机牵引的农用喷雾机具,标准准则提供了详细的技术规范和要求,通过测试程序的支持来检测机具是否符合粮农组织标准。这些标准反映了当前制造业的现状、其它相关的国家标准和国际标准以及各成员国在田间喷雾作业的真实情况。

最低要求准则和标准准则的目的是给喷雾机生产厂家和政府部门提供可操作并且一致的质量保证系统。每个成员国可以决定其对此准则的引进和引进速度,在适当的机会分别把各个准则引入作为国家行为以及法律条文。

全部准则系列还包括下列其它准则:

新的农药施用机具登记认证和测试的程序准则

这些准则提供了一个政府通过控制国内生产的或进口到国内的施药机具的质量来影响农药安全性的更进一步的方法。通过与国家立法相结合,要求喷雾机具生产商和进口商发表声明,声明所生产或进口的施药机具满足安全和耐久性的标准,这样做就有可能逐步减少并最终从市场上消除不合规格的施药机具。

使用中的农药喷雾机(器)测试和认证计划的组织准则

这本准则包含了在农业生产中正在施用农药的喷雾机具的测试和认证程序,它满足了许多国家的迫切需要,确保在作物生产中使用农药过程中,施药机具是安全的和性能良好的。这套准则适用于大型大田作物喷雾机和果园喷雾机,也适用于操作者携带式喷雾机具。

农药施用机具操作人员培训计划和认证程序的组织实施准则

这些准则是为那些真正使用施药机具的操作人员进行培训、考试和认证而制订的,即使那些设计和保养最好的喷雾机,在一个不熟练的操作人员手中,也能遭到不可估量的损坏,因此,这些准则的重要性不容忽视。

此外,这套系列准则中还有两本关于采用飞机以及大田喷雾机和果树喷雾机施用农药的准则:

    航空施用农药的正确操作准则

    地面施用农药的正确操作准则

这些操作准则的制订是为所有那些从事粮食和纤维生产以及公众卫生防疫的农药使用者提供实用的帮助和指导。它们涵盖了主要的地面和航空喷雾施药技术。

第二卷

拖拉机悬挂式及牵引式喷雾机

引 言

标准准则第二卷涵盖了主要的拖拉机悬挂和牵引式喷雾机以及果园喷雾机。便携式(操作者携带)喷雾机(器):背负手动喷雾器、机动背负液力喷雾机、压缩式喷雾器、机动背负气力喷雾机和离心式喷雾机等则包括在第一卷中。每一卷都包括有每种喷雾机的技术规格和判定被测喷雾机是否符合技术规格的一系列测试程序。

这些准则是为了向农业生产者、喷雾机(器)制造者以及政府部门提供有关在发展中国家销售或生产的所有主要的农用喷雾机(器)的实际可行并协调一致的质量保证体系。准则针对操作者和环境安全给予了特殊的关注,涉及安全问题时,也包括了耐用性的测试。

技术规格和测试程序是基于已经制定的国际标准、欧洲标准以及国家标准和其它已经出版的参考书。同时也吸收了项目的分管专家对国际喷雾机(器)标准的丰富知识和实际经验,以及准则编写人员在发展中国家的农药使用经验。

技术规格的格式

技术规格是以模块形式编写,它是由编写人员按1995年6月出台的《粮农组织选择农用喷雾机具的基础准则》指导文件为依

据编写的,此文件用于指导粮农组织或其它采购部门选购大田喷雾机。

每个模块分别为喷雾机的一个主要组成部分或主要组成部件中的功能性组合,各模块编组成整台喷雾机要遵循的技术规格。拖拉机悬挂和牵引喷雾机的各模块组成见图3。

每个模块由若干有编号的条文组成,每一条文讲述一独立的技术规格或技术要求。此技术规格并不规定喷雾机具的工艺设计,它们只详细说明了喷雾机具的功能或操作方面的各项要求,技术规格不应限制喷雾机具制造厂的工艺设计自由。

在技术要求和测试程序相同的情况下,只要可行,不管喷雾机(器)的类型,都采用同样的模块、条文和文字。例如,便携式喷雾机(器)和拖拉机悬挂或牵引喷雾机上都有液力式喷头模块。

测试程序

测试程序以清晰连贯的顺序逐步测试的条文形式提供给参与测试人员,其目的是用简明文字,保证测试技术的准确性。

确认是否符合标准

系统的关键环节是判定喷雾机是否符合技术规格的确认方法,确认方法是一个简单的“是或否”系统。此系统中所包含的有数值的各测试条文的根据是已出版的标准中可采纳部分和文件制定者及顾问们的见解,对这些标准的判断是测试条文必须与田间及工厂实际需要情况相联系。此系统在技术规格各项条文的最后(例如对各项设计和性能的判断标准)都标有必须执行的单项或一系列的操作。这些操作分为四类:检查、测量、测试及测试程序,在文件中均以黑体标出,分别定义如下:

检查 只需要进行简单的观察或操作即可确定喷雾机(器)是否符合条文规定。例如:“所有软管都应永久标有软管能承受的压力值。”

测量 只需要简单的测量工作。例如:容量、厚度、长度或者压力等。

测试 在某些情况下,测试内容很明了,不需书写测试程序。例如:“不论药液箱中装有多少药液,喷雾机(器)都必须能在15%(1 : 7)坡度的斜坡上稳定地放置。”

测试程序 必须顺序逐步测试,就像本卷各部分所描述的那样。

图 3

拖拉机悬挂或牵引喷雾机的组件模块

* 药液箱容量超过1000升的喷雾机必须配备

拖拉机悬挂和牵引喷雾机(TR):技术规格

下面的技术规格适用于所有在地面使用的、与拖拉机联合使用的、或安装在专用底盘上的、或安装在多用途农业/园艺机动车上的农用喷雾机具。为方便起见,本准则把这些类型的喷雾机具统称为“喷雾机”。

1. TR 模块 1 – 总体要求

喷雾机应该安全、可靠,能在田间实际条件下有效地作业。喷雾机应该用坚固、耐用的材料制成,在田间使用时,这些材料不会明显地发生不适当的损坏,否则,因为腐蚀、生锈、变形或过早地磨损会影响喷雾机的安全性,降低作业效率。

为达到粮农组织标准,喷雾机应该符合下面的要求。

1.1 喷雾机与拖拉机的连接应牢固可靠。 检查

1.2 所有的驱动轴应有足够的防护装置,以使运动部件不会暴露在外。 检查

1.3 能造成人体伤害的潜在危险部位,例如在喷杆折叠或喷杆调整过程中对人的意外伤害,应该装配有防护装置。在无法安装防护装置的部位,喷雾机应该配有合适的、清晰的警示标志。 检查

1.4 所有的手柄、把手或手把,与任一铰链点的间距至少要有300毫米。 测量

1.5 液压装置的连接应该采用快速接头系统,在175巴的压力条件下,每一次接合/分离操作,液压油的泄漏量不应超过2.5毫升。

渗漏测试应该在额定压力(厂家推荐的最大压力)下,在每一次结合/分离操作时测量,可使用已知重量的、清洁的、吸湿的棉签,通过称量记录棉签擦拭渗漏液后增加的重量,就能测量出液压油的泄漏量。 测试

1.6 备有1000升或更大药液箱的喷雾机,应该装配一个低位置的灌水加药系统。 检查

1.7 当用人工灌水加药的情况下,操作人员应该能够站在地面上、或站在面积不小于0.5米2的专用平台上往药液箱加药或加水。 测量

1.8 专用平台应用防滑板制成,周围有护栏。 检查

1.9 从地面或平台到加液口的距离不应超过1.0米,加液口周围在水平方向上应有0.3米宽的无障碍区。 测量

1.10 在厂家推荐的最大加液速度下,药液箱加液系统应该满足安全、容易地加注药液,不会发生药液溢出或飞溅。
检查

1.11 喷雾机以额定压力和流量工作,不得出现漏液现象。
测试程序1

1.12 喷雾机的内部和外表都必须很容易被彻底清洗,要避免粗糙的表面和难以清洗的凹坑。 检查

1.13 喷雾机的外表面不应潴留或持留喷雾药液。 检查

1.14 喷雾机的外表应无尖角锐边、粗糙的磨削面或多余的凸出部分,以防伤害操作人员。 检查

1.15 喷雾机内药液喷到通常认为喷完的状态时,残留在喷雾机(药液箱、液泵、输液管和喷杆)内的药液不得超过规定的限制标准。 测试程序6

1.16 对于牵引式喷雾机,不论药液箱中装有多少药液,当与牵引拖拉机分开后,喷雾机不论以任何方向放置,都应该能平稳地站立在15%(1 : 7)的坡度的斜坡上。 测试

1.17 不需用特殊工具(也就是:专门为喷雾机设计的工具),就能很容易地进行喷雾机上所有部件的操作、维修、调整和清洁工作。 检查

1.18 生产厂家必须与喷雾机一起提供简单、明了并有图解的说明书。说明书用生产厂所在国以及英语、法语或西班牙语等文字书写。 检查

1.19 说明书中应该包括下列内容:

  • 替换部件的识别方法,配有零件剖视图;
  • 安装和校准方法;
  • 把用后剩余废弃药液处置减少到最小程度的方法;
  • 经加药斗清洗农药包装瓶的方法;
  • 清洗和安全处置清洗液的方法;
  • 日常保养和贮存方法;
  • 田间准确喷施农药的方法;

检查

说明书还必须提供下列资料:

  • 安全贮存农药制剂、农药混合和药液灌注药液箱的方法;
  • 处理剩余药液和排空药液箱药液的方法;
  • 喷头流量和雾化质量(见模块8);
  • 喷雾机能使用的最大喷嘴尺寸,和工作压力;
  • 可减少对操作者及环境污染(特别是雾滴飘失引起的污染)的预防措施。

检查

1.19 所有的控制部件都应有清晰的标志,操作者在正常工作位置就能方便触摸到。 检查

1.20 为便于准确查明更换部件,喷雾机上必须清楚地标出制造厂名和通讯地址、喷雾机的名称和型号,以上标记应能永久保持。 检查

1.21 应该有一个适当的实用制度,要求喷雾机生产厂家至少在喷雾机生产五年后仍能帮助提供需要更换的零部件。喷雾机生产厂家在产品说明书中就这一点应该提供书面保证(见1.18)。 检查

1.23 喷雾机直接与药液接触的零部件,必须使用非吸收材料,此种材料适合于登记注册农药的使用。 测试程序2

1.24 喷雾机暴露在外的零部件都应该采用抗老化材料制造,喷雾机生产厂家应该就这一点在说明书中提供书面保证(见1.18)。 检查

1.25 喷雾机在使用中应该可靠耐用。在喷雾机药液循环管路关闭、各节喷杆打开的情况下,经过在“起伏路面”试验台上模拟田间作业行走1000小时后,喷雾机应该仍能符合全部的标准。 测试

2. TR 模块 2 – 贮液箱

喷雾机通常有几个贮液箱或类似的结构,包括有:

  • 装喷雾用水或稀释药液的主药液箱;
  • 装干净清水的清洗水箱,用来帮助清洗干净主药液箱和喷雾管路;
  • 用于操作者个人清洗的装干净清水的水箱;
  • 有助于把农药安全加入喷雾机的加药斗。

2.1 FAO的标准要求喷雾机应该装备有:

  • 一个主药液箱;
  • 一个操作者清洗用的清洗水箱;

检查

2.2 药液箱容积等于或大于1000升的喷雾机,还应该配备有:

  • 加药斗;
  • 清洗水箱。

检查

喷雾药液箱

拖拉机悬挂式或牵引式喷雾机可能配备有一个或多个喷雾药液箱,所有的药液箱必须符合下面的技术规格,然而,为使准则更明确,“药液箱”应指明是一个还是多个药液箱。

2.3 药液箱的制造应该保证其坚固耐用。 测试程序3

2.4 加液口应该用有密封垫的药液箱盖盖住,并且箱盖能牢靠地盖在喷雾药液箱上。 检查

2.5 药液箱盖应做成正向机械强制式闭合系统(正旋),戴着手套就可盖紧或松开(用于测试目的手套最小厚度不得薄于0.5毫米)。 检查

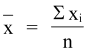
2.6 直径大于400毫米的圆形或大于400毫米×300毫米的长方形加液口,加液口应设有格栅,格栅只能用工具卸下。 检查

2.7 加液口应该安装有滤网,滤网网眼尺寸不得大于1.0毫米。 测量

2.8 戴着手套(见2.5提及的手套)就很容易把滤网取出或装上。 检查

2.9 加液过程中,滤网应牢靠,不应脱离底座。 测试

2.10 药液箱上应清晰永久的标出额定容量(厂家推荐的最大容量)水位线,额定容量不得大于药液箱总容积的95%。 测量

2.11 喷雾机应有指示药液箱中液位的方法。 检查

2.12 液位指示系统的刻度间隔不得大于额定容量的20%,刻度读数的误差不得超过额定容量的1.5%。 测试

2.13 在药液箱额定容量10%~80%的刻度范围内选择5个水平液位,通过称量喷雾机在这5个水平液位下的重量,检查喷雾机刻度间隔的准确性。 测量

2.14 喷雾机操作者在正常的工作位置就能清楚地看到液位标示。 检查

2.15 为方便清洗药液箱,箱体内外表面应是r = 100毫米(衡量表面粗糙度的指标)的抛光表面。 测量

2.16 药液箱应设有一个安全方便的系统,能把排放出去的药液收集起来,或者加以安全处置。 检查

2.17 正常排放后,残留在药液箱中液体量不得超过额定容量的1.5%或者5升。 测量

2.18 在所有的工作条件下,药液箱中的压力与大气压的差异不得大于0.3巴。 测量

注意: 压力的测定要在药液箱顶部。压力表通过一根密封管插入药液箱顶部,测试应在药液箱盖盖紧的条件下进行。

2.19 为满足测试程序4的要求,药液箱应配有搅拌系统。只有当喷雾机配有专门的控制系统,可以分别把稀释剂(清水)和农药制剂输送到喷头(在喷头处混合),可以不满足这项需要。 检查

个人清洗水箱

2.20 个人清洗用水箱及相连的放水管,只应与干净的清水接触,并且应该完全与输送农药药液的喷雾机药液主管路隔离开。 检查

2.21 水箱的容量不得小于15升。 检查

2.22 个人清洗用水箱应该牢靠地安装在喷雾机上。 检查

2.23 个人清洗用水箱的制造应选用防锈或防腐的材料,否则,生锈或腐蚀都会污染清水。 检查

加药斗/箱

加药斗/箱是一个位置方便的容器,未经稀释的农药制剂可以安全地注入或加入。清水通过管路引入加药斗,溶解或稀释农药制剂,稀释的药液被转送进入喷雾机的药液输送主管路。

当喷雾机装备有加药斗时,喷雾机生产厂家有责任保证加药斗符合技术规格要求,尽管这些信息很可能是加药斗生产厂家提供的。

为符合技术规格,药液箱容量大于1000升或更大容量的喷雾机必须装备有加药斗,加药斗要符合下面的要求:

2.24 加药斗应该对液体制剂、可湿性粉剂、水溶性包装袋等常用农药制剂都能有效地进行处理。 检查

2.25 加药斗最小的工作容量为15升。 测量

2.26 加药斗上应清晰永久的标出额定加药量标志线,额定容量不得大于加药斗总容积的95%。 测量

2.27 加药斗应该配有箱盖,箱盖能永久牢靠地盖在加药斗上。 检查

2.28 加药口的尺寸不得小于250毫米。 测量

2.29 加药口距离地面的高度应该在0.5米~1.0米之间。 测量

2.30 加药斗周围应该有至少500毫米的净空区(即没有障碍物的自由区域),如图4所示。 测量

2.31 加药斗应该配有一个清洗农药包装容器的装置。如按照规定操作程序去做,残留在原包装容器内的农药不得超过原量的0.01%,喷雾机说明书(见1.18)应该提供有关的清洗程序。 测试

2.32 加药斗直接接触药液的部位应该用非吸收材料制成,选用的非吸收材料必须适合于登记注册农药的使用。
测试程序2

2.33 加药斗的使用说明应该清楚永久地标明在喷雾机或加药斗上。 检查

2.34 厂家在喷雾机说明书中(见1.18)应该提供加药斗的详细资料。 检查

2.35 说明书中还应该包括:

  • 与加药斗相匹配的农药包装容器种类和尺寸范围;
  • 不用特殊的工具(也就是专门为喷雾机设计的工具),就能把加药斗安全有效地安装到喷雾机上,应有简单明了并附有图解的说明;
  • 对加药过程中的流速、工作压力和其它特定要求的说明;
  • 适当的清洗程序。检查

图 4

加药斗周围的净空区

冲洗水箱

2.36 冲洗水箱的用途是供应清水,清洗药液箱和管路中的农药药液。为符合粮农组织标准,药液箱容量大于1000升或更大容量的喷雾机必须配备有冲洗水箱,冲洗水箱必须符合本模块的要求。 测量

2.37 喷雾机的设计要保证操作人员不可能把冲洗水箱的水用于个人清洗。 检查

2.38 冲洗水箱的容量至少应是喷雾机主药液箱的10%。 测量

3. TR 模块 3 – 液泵

3.1 当喷杆安装最大尺寸的喷头,并在厂家推荐的最大工作压力下喷雾时,液泵在额定转速下的输液量应能达到喷杆最大喷量的120%。 测试

3.2 不需排出药液箱的药液就能拆卸液泵。 检查

3.3 液泵上应有如下永久标志:

  • 最大流量和工作压力;
  • 额定转速和最大转速;
  • 生产厂家名称、地址;
  • 序列号。检查

4. TR 模块 4 – 过滤器和输液管

4.1 当喷雾机装备有带阀门的液泵时,在液泵吸液口应安装过滤器,滤网网眼最大尺寸不得大于0.5毫米。 测量

4.2 喷雾机的压力输液管路中应安装有过滤器,过滤器滤网网眼最大尺寸不得大于0.3毫米。 测量

4.3 压力输液管路中的过滤器的滤网应有足够大的表面积,当50%的滤网表面被堵塞时,还能允许喷雾机的最大药液流量通过,并且液泵为此增加的工作压力不会超过10%。 测量

4.4 过滤器应该容易触摸到,便于清洗和维护保养。 检查

4.5 不需排放干净药液箱内的药液就能容易地清洗过滤器。 检查

4.6 安装在喷雾机上的输液管所能承受的额定压力等于或高于喷雾机最大工作压力的120%。 检查

4.7 所有的输液管路都应永久地标明其所能承受的额定压力。 检查

4.8 输液管路的安装位置应保证:当出现管路漏液或管路爆裂时,操作人员的污染风险最小。输液管路不得穿过拖拉机的驾驶室,在没有驾驶室的情况下,靠近操作人员的输液软管应该有防护设施,防止污染操作人员。 检查

4.9 往喷雾机灌注药液的输液管应配有滤网,滤网网眼尺寸不得超过1.0毫米。 测量

4.10 输液管的安装应保证没有扭结,否则会减小管路的有效内径。 检查

4.11 戴着手套(参见2.5提及的手套),使用标准工具就能对输液管路的连接进行调整和装卸,输液管重新接好后,不会发生药液渗漏。 检查

5. TR 模块 5 – 控制阀和监测仪表

5.1 所有的喷雾机都应装配有压力安全装置,以防药液管路中任何部位的压力超过最大工作压力的20%。 测量

5.2 当压力安全装置发挥作用时,所有的药液应流回主药液箱。 检查

5.3 喷雾机应安装有控制向各节喷杆输送药液的输液管和分配阀,以便输送到各节喷杆的药液可以独立控制。 检查

5.4 当向不同的分节喷杆输送不同流量的药液时,在任一喷头位置(直到推荐使用的最大尺寸喷头)所测得的流量与额定流量之间的偏差不得大于5%。 测试程序5

5.5 在给出开/关指令10秒后,从分节喷杆喷出的药液应能回复到稳定状态。 测试程序5

5.6 应有一个单独的控制总开关,能控制输送到所有喷杆的药液。 检查

5.7 喷雾机药液管路中应装配有“防滴阀”,一旦关闭输送到各分节喷杆的药液时,可以把喷头处药液的滴漏减少到最低。在关闭输送到分节喷杆的药液8秒后开始记时,喷头的渗漏量在5分钟内不得超过2毫升。 测量

5.8 在向喷头输送药液的管路中增加上述“防滴阀”后,使用厂家推荐的最大尺寸喷头喷雾时,流量的减少量不得超过2.5%。 测量

5.9 喷雾机应设有防障系统,在向药液箱和清洗水箱加水时,防止由于虹吸现象导致的药液倒流。 检查

5.10 使用液力喷头的喷雾机应该设计安装压力表,操作人员从工作位置就能清楚地看清压力表读数。装配标度盘状的压力表时,压力表的最小盘面直径为:

  • 63毫米,如果安装在操作人员在工作位置用手就能够得到的位置;
  • 100毫米,在其它所有的情况下。

其它的读数显示形式,例如数字显示,操作人员在工作位置就应看清楚。检查

5.11 压力表的读数应该稳定。 检查

5.12 喷雾机上安装的压力表必须进行校准,准确度应为±0.2巴。 测量

5.13 压力表读数显示的分辨率应是±0.2巴。 检查

5.14 压力表的表壳应该与药液隔离,当发生药液渗漏时,操作者不会被污染。 检查

6. TR 模块 6 – 喷杆

大田作物

6.1 喷杆的结构应是刚性的,保证安装在喷杆上的所有喷头都能保持在靶标上面50毫米以内的同一高度上。 检查

6.2. 喷杆高度的调节范围不得小于1米。 测量

6.3 调整喷杆高度需要的力不得超过250 N。 测量

6.4高度调整装置应设有防障系统,当高度调整装置发生故障时,喷杆高度的变化不得超过0.2米。 测试

6.5 当采用人力调节系统调整喷杆高度时,调节系统应是自锁型。 检查

6.6 对于动力高度调节系统,喷雾机应安装有下面装置中的一种:

  • 自锁(防坠落)装置,检查
  • 限位器,它能把喷杆离地面的高度最低限制在0.5米。 测量

6.7 喷杆设置高度小于0.5 米时,只有靠手工操作才有可能跨过0.5米的限位控制线。 检查

6.8 所有的高度调节系统都应设有一个锁定装置。 检查

6.9 宽度大于10米的喷杆应装配有一个能使喷杆不受拖拉机颠簸运动影响的机械装置,也就是喷杆配有符合测试程序9要求的悬挂机构。

6.10 喷杆也应不受拖拉机摇摆运动的影响,在喷杆伸展开的状态下,当拖拉机停车时,喷杆会有一个向前的惯性,每1米宽的喷杆的末端可能会在水平方向上摆动20毫米,而喷杆结构不会改变。 测量

6.11 喷杆应装备有“应急折返”装置,在喷雾机前进过程中,当喷杆外端的10%喷杆宽度部分碰撞到固体障碍物时,喷杆位置移动,也就是喷杆“应急折返”,而不会造成喷杆或喷雾机任何部位的损坏。强制通过障碍物后,喷杆应该能迅速地自动恢复原来的工作位置。测试

本项测试应在拖拉机前进速度为2.5米/秒的条件下进行。

6.12 当把各节喷杆折叠成运输状态,各节喷杆不应出现下面的情况:

  • 妨碍操作人员进出工作位置。 检查
  • 把喷头定位在操作人员进出工作位置的通道上方,除非有防护装置来避免药液滴落在操作者身上。 检查

6.13 喷雾机应设有把各节喷杆安全锁定在运输位置的机械装置。 检查

6.14为减少喷杆折叠过程中刮碰高架电缆线的危险,在任何情况下,喷杆上所有部件或喷杆都不能超过地面5米以上。 测量

6.15当喷杆折叠后的高度超过地面3.5米以上时,喷杆上应印有指明可能碰到高架电缆线的警告标志。警告标志应醒目易懂,操作者在工作位置就能清楚看到。 检查

6.16 喷杆的设计应确保喷头不会因碰撞地面而造成损坏。 检查

6.17设计采用气流辅助的喷杆喷雾机,不仅需要符合6.1到6.17所有的标准要求,另外,这种类型喷雾机的生产厂家在产品说明书(见1.18)中还需提供:

  • 不同操作条件下,气流速度设置的详细资料,包括不需要气流辅助的情况; 检查
  • 有关气流产生和分配系统的特定维护保养的要求。 检查

6.18 当喷雾机装备风机来产生气流时,风机应符合模块7的要求。 检查

果树和灌木喷雾机(气流辅助喷雾机)

本模块包括了气流辅助果园和森林喷雾机的喷杆结构。

6.19 喷杆(弓形喷杆)应该能允许:

  • 能独立控制把药液输送到喷雾机的每一边; 检查
  • 不同尺寸的喷头和喷头盲片同时安装在喷杆上。 检查

6.20 喷杆应刚性地连接到喷雾机上。 检查

6.21当通过调整辅助气流的方向,喷杆以不同的姿势喷雾作业时,针对不同的作物和不同的气象条件,喷雾机说明书(见1.18)中应提供清楚详细的有效的设置方法。 检查

6.22 当喷杆可以在没有气流辅助的情况下喷雾作业时,喷雾机说明书(见1.18)中应包括有详细的说明,说明针对不同的作物和条件,如何设置喷雾机才能有效地喷雾。 检查

7. TR 模块 7 – 风机(用于气流辅助喷雾)

7.1 风机的驱动装置应能够与风机分开,而不会影响药液在喷雾机中的循环和搅拌的进程。 检查

7.2风机进气口的设计和安装位置应保证碎石等杂物不会吸入风机,甚至在风机最大转速下也不会吸入。 检查

7.3 风机进气口的最低点距离地面的高度不得小于25厘米。 测量

7.4风机应装有耐用的防护网,防护网网眼的最小尺寸不得小于5毫米,最大不得大于10毫米。 测量

7.5 当喷雾机在最大气流流量下作业时,操作人员耳边的噪音水平不得超过85分贝。 测量

8. TR 模块 8 – 喷头

喷雾机生产厂家有责任保证其喷雾机提供或推荐使用的喷头符合下面的技术要求,即使这些资料很可能是来自喷头生产厂家。

液力喷头

8.1 喷雾机生产厂家在使用说明书(参见1.18)中应提供下列资料:

  • 喷头在2、3和4巴工作压力下的流量;
  • 喷头在2、3和4巴工作压力下的喷雾雾型特征和喷雾角;
  • 根据测试程序7表1中的喷雾类别来表示的喷雾质量类别(测量雾滴粒径分布);
  • 为在靶标上获得需要的施药液量,所推荐使用的喷头类型、喷头安装位置、离地面的高度和喷头间距;
  • 喷头的校准步骤和方法,用来判定喷头是否因为已磨损至其实际流量已达到推荐工作压力下的初始流量的125%而需要更换。检查

8.2 喷嘴尺寸应该如图5所示。 测量

8.3 任何一个喷头,或者具有相同识别代码即具有相同作业参数的喷头,其流量与规定压力下的额定流量之差,应小于10%。 测量

8.4 对于产生扇形雾的液力喷头,包括“均匀扇形雾”,其药

液量分布模型应符合测试程序8中的要求。

8.5 对于狭缝式扇形雾喷头,喷头的喷头帽应能确保喷头在喷头帽中有正确的安装方向。 检查

图 5

喷嘴尺寸(根据ISO)

双流体喷头

双流体喷头是利用压缩空气和受压药液在喷头体内形成雾滴。

喷雾机生产厂家有责任保证其喷雾机提供或推荐使用的双流体喷头符合下面的技术要求,即使这些资料很可能是来自喷头生产厂家。

8.6 对装配双流体喷头的喷雾机,为独立控制压缩空气和药液流速,应分别安装压力控制阀和压力表。 检查

8.7 喷雾机生产厂家在使用说明书(参见1.18)中应提供下列资料:

  • 喷头设计使用的工作压力和流量范围; 检查
  • 在规定药液压力和空气压力条件下,喷头的喷量和雾化质量能符合测试程序7的要求; 检查
  • 对所提供喷头或推荐使用喷头的特定维护保养要求; 检查
  • 对所提供喷头或推荐使用喷头的特定操作说明。 检查

8.8 任何一个喷头,或者具有相同识别代码即具有相同作业参数的喷头,其流量与规定压力下的额定流量之差,应小于10%。 测量

离心喷头

8.9 除了在1.18喷雾机说明书中规定的要求外,喷雾机生产厂家还需要在说明书中提供以下信息:

  • 喷量(用清水测定);
  • 安装厂家推荐的限流器,并以推荐的转速喷雾时,喷头所产生的雾滴大小;
  • 针对主要靶标和田间条件,所需采用的特定转速和设置方法的详细资料;
  • 在推荐的操作参数下,喷头在喷杆上的间距;
  • 判定何时更换喷头的检查办法。

检查

8.10 任何一个离心喷头的限流器,或者具有相同识别代码即具有相同作业参数的限流器,其流量与额定流量之差不得大于10%。 测量

8.11 喷头能以最大转速连续工作50小时,不会影响雾化性能,或无需维护保养。 测试

9. TR 模块 9 – 防护服贮藏箱

9.1 药液箱等于或大于1000 升的喷雾机,必须装配有防护服贮藏箱。 检查

9.2 喷雾机应该配有两个贮藏箱,一个放置干净的防护服,另一个存放已污染的防护服。 检查

9.3 贮藏箱在喷雾机上的位置应尽可能远离加药位置。 检查

9.4 贮藏箱内部的最小尺寸应为450毫米×450毫米×300毫米。 测量

9.5 贮藏箱应有如下清楚的永久标志:

  • 标明贮藏箱的用途,即存放防护服,两个贮藏箱分别标上“干净”或“污染”字样; 检查
  • 警示标志:不得把农药存放在此箱内。 检查

拖拉机悬挂式和牵引式喷雾机:测试程序

TR 测试程序

1. TR 测试程序 1 – 整台喷雾机的漏液测试

1.1 把喷雾机与拖拉机按正常工作位置悬挂或连接好,放置在一个坚固的平台上。

1.2 开始本项测试前,把喷雾机的外表面彻底清洗干净,要特别注意把连接部件和输液管接口的周围部分清洗干净。

1.3 除了各节喷杆药液流向最远端的喷头位置外,在所有的喷头位置都安装上空白的喷头堵件。

1.4 在药液流向最远端的每个喷头处套上一接收管,测试过程中接受喷头喷出的药液,避免药液污染喷头附近的区域。

1.5 往喷雾机中加入额定容量(厂家推荐的最大容量)的含有合适的示踪染料的水溶液(即一种性质稳定而且在0.1%的浓度下就能定量的染料),例如橙色G,染料水溶液中要加入0.1%的非离子表面活性剂。

1.6 在加入染料水溶液的过程中,要仔细擦净泼溅到喷雾机表面的染料溶液。

1.7 在喷雾机和喷杆下面,仔细摆放干净的、吸收性的材料,例如棉垫或滤纸,用于回收示踪染料。

1.8 在正常的工作状态下,以最高的额定工作压力使喷雾机工作15分钟。

1.9 15分钟测试过程结束后,查找染料溶液渗漏的迹象。当发现或怀疑喷雾机有染料溶液渗漏的地方时,用干净的有吸收性能的棉签把渗漏部位和周围的收集装置彻底擦拭干净。

1.10 把渗漏点下面集液板上的吸收性材料收集起来,并与同一渗漏点周围擦拭喷雾机具的棉签放在一起。

1.11 从药液箱中的染料水溶液取样做为参比样本,用分光光度法和荧光测定法测定每个渗漏点收集到的吸收性材料和棉签中的渗漏出的示踪染料溶液的量。

符合以下条件者为合格:

  • 喷雾机任何一点的渗漏量不得超过2.5毫升;
  • 喷雾机渗漏总量不得超过10毫升。

2. TR 测试程序 2 – 化学耐腐蚀性

对于经常与农药原液或农药稀释液直接接触的密封垫以及其它喷雾机零部件,都必须进行本项测试。

2.1 对每个零部件单独进行称重和测量。

2.2 在20°C的条件下,把这些零部件在煤油、甲苯和二甲苯(40 : 20 : 40)的混合溶剂中浸泡12小时。

2.3 用干净的清水把浸泡过的零部件漂洗干净,晾干,在空气温度为20°C的条件下放置24小时。

2.4 对每个部件重新称重和重新测量。

符合以下条件为合格:

  • 与原来相比,每个零部件的重量和尺寸的变化不应该超过±5%;
  • 每个零部件应该能够重新组装,并能达到其原来设计要求。

3. TR 测试程序 3 – 药液箱机械强度测试

3.1 把喷雾机药液箱安放在一个安全的试验空地上,用3米长的绳索悬挂50公斤重的圆形重砣,重砣的悬挂点正好在药液箱被撞面的上方,把重砣以45°角放下,让其撞击药液箱。

3.2 当喷雾机装备有车轮时,应把车轮架起,使之不接触地面。

3.3 让重砣分别撞击以下三个表面,各重复五次,也就是:

  • 药液箱的一个侧面;
  • 与上一个撞击面成90°角的一面(即背面或前面);
  • 上两个撞击面之间的夹角。

经过15次的撞击,药液箱仍能符合药液渗漏测试的要求,即为合格。 TR 测试程序1

4. TR 测试程序 4 – 药液箱搅拌性能测试

4.1 本项测试,采用浓度大约为1%的氧氯化铜悬浮液,即药液箱中每100升水中含有1.0公斤的氧氯化铜(参见[附录1]的配方)。

4.2 药液箱中先加入一半清水,配制浓度为每2.5升水含有1.0公斤氧氯化铜的悬浮液。根据药液箱容量大小,按照4.1的要求,通过加液口或加药斗往药液箱内加入一定量配制好的悬浮液,然后再往药液箱内加入清水至额定容量。

4.3 在正常的工作速率下,用喷雾机的装配的常规搅拌系统把药液箱内悬浮液搅拌10分钟。

4.4 迅速在药液箱内三个水平上取样:药液箱液面顶部以下大约50毫米;药液箱中部;药液箱底部以上50毫米。

4.5 让药液箱中悬浮液静止16小时。

4.6 重新按照4.3的步骤,搅拌10分钟。按照4.4的方法再次在药液箱中相同的三个水平上取样。

4.7 在100°C ±5°C温度条件下烘干样品,然后对每个样品中的氧氯化铜进行重量分析。

任何样品中(即在静止放置以前或经过4.5所描述的16个小时静止放置后取的水样)的氧氯化铜浓度,与根据药液箱中加入的氧氯化铜悬浮液的量和额定容量所计算出的浓度相比,相差不得超过± 10%,即为合格。

5. TR 测试程序 5 – 压力/流量控制系统

本项测试包括了有以下功能的喷雾机部件的性能:

  • 不管有几节喷杆在作业,都能保持输送到喷头的药液流量稳定一致;
  • 不管喷雾机行走速度有何变化(在限定范围内),都能保持施药液量一致。

测 量

5.1 测量工作应该在所有调整程序完成后才开始。

5.2 应该从所有调整结束那一刻开始记录测量的时间。

5.3喷雾机一旦达到稳定状态,当以2.0Hz或更高的频率取样,测量参数的读数数值之间的差异不应大于测量仪器的分辨率。

测量喷杆和分节喷杆的流量

5.4 在喷杆组件的输液管路中安装流量计,用来监测每节喷杆的总流量。

5.5 在所有的喷头位置安装喷雾机生产厂家推荐的喷头,单个喷头的喷量大概为:

  • 对于大田喷杆喷雾机为2升/分钟;
  • 对于果园喷雾机为4升/分钟。

5.6 关闭喷杆的输液管路,使喷雾机运转2分钟。

5.7 打开喷杆输液管路,记录药液流量达到所期望的总流量(误差范围可以在± 10%范围内)时所需要的时间。

本项测试内容有:

  • 整个喷杆;
  • 每节喷杆;
  • 两节相连的喷杆。

5.8 紧接上面的步骤,一旦喷雾机达到稳定状态,关闭向每节喷杆供液的管路,等待10秒后,重新打开供液管路。测量记录在每项测试内容中喷杆流量达到稳定状态做所要的时间。

5.9 重复以上测试过程(见5.6到5.8)三次。

在所有的情况下,每节喷杆达到稳定状态需要的时间不得超过10秒,即为合格。

行走速度改变时,测量流量调整系统

5.10 在整个喷杆上安装中等流量的喷头,当喷雾机达到稳定状态时开始喷雾,并按照以下参数设置喷雾机:

前进速度:

2.0 米/秒

动力输出轴转速:

400 转/分

施药液量:

300 升/公顷

5.11 如下所示,与参照前进速度相比,逐步把喷雾机的前进速度提高或降低20%:

  • 从2.0米/秒降低到1.6米/秒;
  • 从2.0米/秒提高到2.4米/秒。

5.12 在每种情况下,记录喷杆(所有喷杆)药液流量达到总流量的期望值(误差范围可以在± 10%范围内)时所需要的时间。

5.13 重复进行三次测试,计算记录平均值。

改变前进速度,喷雾机达到稳定状态所需时间间隔不超过10秒为合格。

6. TR 测试程序 6 – 喷雾机残液量测试

6.1 把名义上已经排“干净”(即经过常规的药液排放程序)的喷雾机牢靠地放置在一个坚固的平面上,喷雾机喷杆和所有的输液管路还保持在正常的工作位置。

6.2 除了各节喷杆药液流向最远端的喷头位置外,把喷杆上所有的喷头都卸下,换上空白的喷头堵件。没有堵死的喷杆药液流向最远端喷头套上收集管,当喷雾机工作时,喷出的药液可以返回药液箱。

6.3 对于大型药液箱,加入250升在TR测试程序1之1.15部分选用的示踪染料水溶液,在本项测试中,不需要加入表面活性剂。对于小型药液箱,只需加入半箱的染料水溶液。

仔细地标记药液箱中的液面高度。

6.4 把所有喷杆的供液管路打开,使喷雾机运转2分钟,示踪染料与喷雾机中的清水充分混合,药液箱中的染料水溶液可以通过液泵和输液管路自由循环,这样就可以保证药液箱中的染料水溶液与喷雾管路中残留药液充分混合。

6.5 从药液箱中取水样做为参比样品。

6.6 在所有的喷头位置都安装上喷雾机生产厂家推荐大小的喷头,喷头的流量大概是:

  • 对于大田喷杆喷雾机,单个喷头喷量为2升/分钟;
  • 对于果园喷雾机,单个喷头喷量为4升/分钟。

喷量范围符合生产实际要求的其它类型的喷头也可以。

6.7 按照6.4部分相同的设置要求操作喷雾机,直至喷雾完毕(即第一次观察到喷雾压力在1秒内下降了25%)。

6.8 关闭喷雾机,按照6.3标记的液面高度往药液箱中加入清水。

6.9 准确记录加入的清水量。

6.10 按照6.2所叙述的步骤重新安装喷头堵件和收集管,使喷雾机运转工作2分钟。

6.11 从药液箱中取水样,用分光光度法或荧光光度法测定水样中示踪染料的浓度,通过与参比样品(见6.5)中示踪染料浓度的比较,计算喷雾机中的药液残留量。

6.12 重复进行本项测试三次,三次测试结果的平均值用来判定喷雾机残液量是否符合标准。

整台喷雾机中的药液残留量不得超过药液箱容积的2%,或者不超过30升,符合以上条件者为合格。

7. TR 测试程序 7 – 喷雾质量

喷雾质量的限定

本项测试,被测喷头的喷雾质量是根据其雾滴粒径分布,与做为参比喷头的一系列常规扇形雾喷头(见表2的详细说明)的雾滴粒径分布比较来确定。

表 2

判定喷雾质量的参比喷头系统

喷头类型

喷量

(升/分钟)

工作压力

(巴)

雾化质量分类

110° 扇形雾喷头

0.48

4.5

极细雾和细雾

110°扇形雾喷头

1.20

3.0

细雾和中等雾

110°扇形雾喷头

1.96

2.0

中等雾和粗雾

80°扇形雾喷头

2.92

2.5

粗雾和极粗雾

评价被测喷头

7.1 从最少为25个喷头的一批喷头中,随机选择至少三个喷头做为被测试喷头。

7.2 按照标定参比喷头(见图2)所用的测试程序,参照7.3到7.7所描述的那样评定每个喷头的雾化质量。

7.3 按照表2标明的工作压力和喷量,用被测喷头喷雾,喷雾时用干净的清水。

7.4 在各种喷量条件下,用合适的激光粒径测定仪对空中飞行的雾滴取样,测定其雾滴粒径分布。

7.5 取样方法应保证到喷头产生的药雾中不同部位的雾滴都能收集到,取样位置在距离喷头350~500毫米为宜。

7.6 以雾滴累计体积为横坐标(X轴),以雾滴粒径为纵坐标(Y轴),参照图6绘制被测喷头的雾滴粒径分布图。

7.7 把绘制的被测喷头的雾滴粒径分布图与参比喷头的雾滴粒径分布图相比。

三个被测喷头的测试结果平均值应该和喷雾机生产厂家标明的喷头喷雾质量分类相符合,即为合格。 在给定的喷量和工作压力条件下喷雾,雾滴累计体积在10%~90%的范围内,被测喷头的雾滴粒径分布和参比喷头相符合,即为合格。

图 6

根据累计体积/雾滴粒径曲线图确定喷头雾化质量的例子

8. TR 测试程序 8 – 喷雾药液的分布测试

这是一项为判定多喷头喷杆的喷雾药液分布均匀性的而设计的测试,把喷雾药液收集起来进行测量。本项测试结果不反映喷雾作业的生物效果,它受包括雾滴粒径分布、喷雾机前进速度以及风速和风向等其它一些因子的影响。然而,满足本项测试程序以及测试程序7的要求,是喷雾机喷杆取得安全、有效喷雾效果的重要步骤。

8.1 本项测试使用的是加入0.1%非离子表面活性剂的水溶液。

8.2 在排列直径为100毫米接收管的标准喷雾分布测试台上安装一个被测喷头,喷头距取样台的高度应该与厂家推荐的喷头距靶标的高度相一致。

8.3 被测喷头在稳定的压力下喷洒表面活性剂水溶液,测试过程中压力变化误差不得超过2.5%。

8.4 当最满的接收管内液面的高度达到管子高度的90%时,记录分布测试台各接收管内液面的高度。在2、3和4巴压力下分别进行以上测试。

8.5 针对单个被测喷头测试记录的在喷雾分布测试台收集管内的液面高度,用计算机来计算分析喷头的合适间距,在有喷头雾型重叠的情况下,不包括两端没有药液叠加的部分,计算3米宽内的药液分布(即30根收集管叠加后的分布)。用下面的公式计算变异系数:

公式中

xi 是第I根收集管中液面的高度;n是喷雾分布测试台的接收管数量

按照以上操作,当考虑到相邻喷头的雾形叠加时,从喷雾药液分布测试台得到的30个数据的变异系数不得超过10%。

9. TR 测试程序 9 – 喷杆悬挂性能测试

9.1 用拖拉机带动喷雾机,拖拉机车轮间距设为2.0米(或非常相近的数据)

9.2 选择一个坚硬平整的地块做测试,喷雾机可以直线行驶100米。

9.3 在其中任何一侧车轮行驶的路线上放置三块0.2米宽的坚硬木块,木块放置间距为25米,使木块在100米的车轮行驶路线表面突出出来。

9.4 喷雾机喷杆距离地面高度设为0.5米,沿着车轮行驶路线,以2.5米/秒的速度驾驶喷雾机往前走。

在以上测试过程中,喷杆不得碰撞地面,符合这个条件为合格。

附录 1

在测试程序5中使用的磨损物质的大概组成

SiO2 含量

87%

CaO 含量

0.5%

Fe2O2 含量

0.2%

Al2O3 含量

0.6%

NaCl 含量

1.0%

容积密度

160 公斤/米3

比重

1.95

平均颗粒粒径

0.022 米

颜色

白色

折射率

135-165 Gardner-Sward 测试单位

表面积

140-160 米2/克

pH值(水悬浮液)

7.3

在105o C下失重

5%

在1200o C下失重

10%

测试用悬浮液的浓度应该是每1升水中含有20克按上述组成配制的二氧化硅粉剂,在整个测试过程中,悬浮液应该保持稳定不分层。

附录 2

测试采用的氧氯化铜粉剂的组成

成 分

三水氧氯化铜(3CuO×CuCl2×3H2O):

45%

木质素磺酸盐:

5%

碳酸钙:(CaCO3):

8%

十水硫酸钠:(Na2SO4×10H2O):

11%

颗粒粒径

< 20 毫升:98% 以上

< 10 毫升:90% 以上

< 5 毫升: 70% 以上

工业品中杂质含量(最高3.5%)

水: 低于2%

灰分:低于1.5% (铜除外)

溶解性

能缓慢溶于在水和有机溶剂中

能在强无机酸中溶解

溶于氨水和胺溶液中形成络合物。

Top Of Page