 |
DIRECTIVES SUR LES NORMES RELATIVES AU MATERIEL AGRICOLE D’APPLICATION DE PESTICIDES ET METHODES D’ESSAI
DEUXIEME PARTIE PULVERISATEURS TRACTES PORTES ET TRAINES
Organisation des Nations Unies pour l'Alimentation et l'Agriculture Rome, 2002
|
Les appellations employées dans cette publication et la présentation des données qui y figurent n'impliquent de la part de l'Organisation des Nations Unies pour l'alimentation et l'agriculture aucune prise de position quant au statut juridique des pays, territoires, villes ou zones ou de leurs autorités, ni quant au tracé de leurs frontières ou limites
ISBN 92-5-204723-9
Tous droits réservés. Les informations ci-après peuvent être reproduites ou diffusées à des fins éducatives et non commerciales sans autorisation préalable du détenteur des droits d'auteur à condition que la source des informations soit clairement indiquée. Ces informations ne peuvent toutefois pas être reproduites pour la revente ou d'autres fins commerciales sans l'autorisation écrite du détenteur des droits d'auteur. Les demandes d'autorisation devront être adressées au Chef du Service des publications et du multimédia, Division de l'information, FAO, Viale delle Terme di Caracalla, 0100, Rome, Italie ou, par courrier électronique, à [email protected]
© FAO 2002
TABLE DES MATIERES
REMERCIEMENTS
CONTEXTE
INTRODUCTION
PULVERISATEUR TRACTES PORTES ET TRAINES : SPECIFICATIONS
1.Module 1 – SPECIFICATIONS GENERALES
2.Module 2 –CUVES
3.Module 3 –POMPES
4.Module 4 – FILTRES ET TUYAUX
5.Module 5 – REGULATEURS ET MANOMETRES
6.Module 6 – RAMPES
7.Module 7 – VENTILATEURS (à jet porté)
8.Module 8 – BUSES
9.Module 9 – CASIERS DE RANGEMENT DES VETEMENTS
PULVERISATEUR TRACTES PORTES ET TRAINES : METHODES D’ESSAI
1.METHODE D’ESSAI 1 – FUITES ISSUES DE LA TOTALITE DU PULVERISATEUR
2.METHODE D’ESSAI 2 – RESISTANCE AUX PRODUITS CHIMIQUES
3.METHODE D’ESSAI 3 – RESISTANCE MECANIQUE DE LA CUVE
4.METHODE D’ESSAI 4 – SYSTEME D’AGITATION
5.METHODE D’ESSAI 5 – SYSTEME DE CONTROLE DE PRESSION ET DE DEBIT
6.METHODE D’ESSAI 6 – RETENTION DU LIQUIDE A L’INTERIEUR DU PULVERISATEUR
7.METHODE D’ESSAI 7 – QUALITE DU JET
8.METHODE D’ESSAI 8 – MODELE DE REPARTITION DU JET
9.METHODE D’ESSAI 9– PERFORMANCE DU SYSTME DE SUSPENSION DE LA RAMPE
APPENDICE 1
APPENDICE 2
REMERCIEMENTS
Ces directives ont été préparées par
MM. T.L. Wiles et D.G. Sharp, de la Société “
T L Wiles and associates Limited ”, Chichester, UK avec l’assistance
du Professeur G.A. Matthews, de l’»IPARC», collège
Impérial de Silsoe, Université de Londres. Les précieuses
contributions et commentaires de plusieurs experts internationaux
aussi bien du secteur public que du secteur privé sont également
appréciés.
CONTEXTE
Les normes de sécurité et de qualité relatives
aux pulvérisateurs agricoles n’existent pas dans tous les pays
membres de la FAO et celles disponibles à l’échelle
internationale ne sont pas toujours appropriées. Depuis 1995,
la FAO-AGSE a travaillé sur la formulation de directives afin
d’améliorer la sécurité et l’efficacité
du matériel de pulvérisation le plus communément
utilisé.
Les directives de la FAO sur les normes sont basées sur celles
existantes au niveau national, européen et international ainsi
que sur d’autres publications. Elles s’inspirent également
des connaissances approfondies et des expériences, sur les
normes internationales relatives aux pulvérisateurs, des experts
assignés au projet et des expériences d’auteurs sur
l’application des pesticides dans les pays en voie de développement.
Les premières versions des directives de la FAO ont été
approuvées pour publication en mai 1997 par, le Panel d’Experts
de la FAO sur les Spécifications de Pesticides, les procédures
d’inscription, les normes d’application et le principe de l’information
et du consentement préalable et le Panel d’Experts de la FAO
du Génie Agricole.
Cette publication est la première révision de ces directives
incorporant les commentaires et les suggestions reçus des Etats
membres et les nouveaux développements internationaux apparus
depuis 1997. Deux directives sont présentées : la première
comprend des exigences minimales et la seconde comprend des normes
plus précises et des méthodes d’essai pour déterminer
la conformité.
Exigences minimales
Un important objectif des directives sur les exigences minimales
est d’aider la FAO et les autres agences à s’assurer que les
pulvérisateurs achetés sont aussi bien sans dangers
pour les utilisateurs et pour l’environnement qu’efficaces et durables
durant leur utilisation. Le prix jouera toujours un rôle important
dans les décisions d’achat ; cependant, même les
modèles des pulvérisateurs les moins chers devraient
également obéir aux normes minimales de sécurité
et de durabilité.
Ces exigences minimales prennent en considération les équipements
déjà disponibles sur le marché dont bon nombre
y sont déjà conformes. Par conséquent, l’objectif
principal est que les pays membres, doivent les adopter immédiatement
et puis commencer à éliminer les pulvérisateurs
non conformes et dangereux, des marchés nationaux et finalement
de la scène internationale.
Les directives sur les exigences minimales sont présentées
en deux parties : la première partie couvre les pulvérisateurs
portatifs (portés par l’opérateur) en incluant les buses
rotatives et la deuxième couvre les pulvérisateurs tractés,
portés et traînés.
Directives sur les normes et les méthodes d’essai
Les directives sur les normes sont plus strictes que les exigences
minimales et prévoient plus d’objectifs précis relatifs
à la sécurité du matériel de pulvérisation.
Elles comportent des spécifications et des exigences détaillées,
appuyées par des méthodes d’essai pour mesurer la conformité,
de la majorité des pulvérisateurs agricoles fabriqués
ou utilisés dans les pays membres, avec les normes de la FAO.
Ces normes sont le reflet des pratiques de fabrication courantes,
des autres normes nationales et internationales et de la réalité
sur le terrain des Etats membres.
L’objectif de ces directives concernant les exigences minimales et
les normes est de doter les fabricants et les gouvernements d’un système
pratique et d’assurance de qualité. Chaque pays peut ensuite
décider de la forme et de la rapidité de l’introduction
de ces directives respectives dans les pratiques nationales et dans
le domaine de la législation.
La série complète comprend les autres directives suivantes
:
Directives sur les procédures relatives à l’inscription,
la certification et le contrôle du nouveau matériel d’application
des pesticides;
Ces directives abordent un moyen supplémentaire permettant
aux gouvernements d’agir sur la sécurité des pesticides
par le contrôle de la qualité du matériel d’application
fabriqué dans le pays, ou importé. En incorporant dans
la législation nationale, une norme relative aux fabricants
et aux importateurs où ils déclarent que le matériel
d’application répond aux normes de sécurité et
de durabilité, il devrait être possible de réduire
progressivement et éventuellement éliminer du marché
le matériel non conforme.
Directives sur l’organisation de systèmes de contrôle
et de certification des pulvérisateurs agricoles en cours d’utilisation;
Cette publication comprend le contrôle et la certification des
pulvérisateurs actuellement en service dans les fermes commerciales.
Un besoin urgent s’est fait sentir dans de nombreux pays pour s’assurer
que les pesticides utilisés dans la production agricole sont
appliqués par l’intermédiaire du matériel sans
danger et entièrement fonctionnel. La publication s’applique
aussi bien pour les grands pulvérisateurs pour cultures basses
et arboricoles que pour les pulvérisateurs portatifs.
Directives sur l’organisation, la mise en œuvre des projets de
formation et les procédures de certification pour les utilisateurs
du matériel d’application de pesticides ;
Ces directives concernent la formation, le contrôle et la certification
de ceux qui utilisent réellement le matériel d’application
de pesticides. Même les pulvérisateurs les plus performants
et les plus entretenus peuvent causer de grands dégâts
quand ils sont entre les mains d’un opérateur inexpérimenté
et par conséquent l’importance de ces directives ne doit pas
être sous estimée.
Deux directives supplémentaires dans la série couvrent
l’application des pesticides par les aéronefs, les pulvérisateurs
pour cultures basses et les pulvérisateurs arboricoles.
Directives sur la bonne pratique de l’application aérienne
de pesticides;
Directives sur la bonne pratique de l’application terrestre de pesticides.
Ces directives ont été préparées dans
le but d’offrir une aide pratique et des conseils à tous ce
qui sont impliqués dans l’utilisation des pesticides pour la
production de nourriture et de fibre ou dans les programmes de la
santé publique. Ils couvrent les principales techniques d’application
terrestres et aériennes
Deuxieme partie
PULVERISATEURS TRACTES PORTES ET TRAINES
INTRODUCTION
La deuxième partie de ces directives couvre les principaux
pulvérisateurs tractés portés et traînés
pour cultures basses et arboricoles. Le matériel portatif (porté
par l’opérateur) : pulvérisateur à dos à
pression entretenue, pulvérisateur à dos à moteur
thermique, pulvérisateur à dos à pression préalable,
pulvérisateur à dos pneumatique et pulvérisateur
centrifuge sont traités dans la première partie. Chaque
partie contient des spécifications pour chaque type de pulvérisateur
et une série de méthodes d’essai pour déterminer
si le pulvérisateur testé répond aux spécifications.
Les Directives de la FAO sur les normes ont pour but de mettre à
la disposition des agriculteurs, des fabricants et des agences gouvernementales
un système pratique et garant d’une grande qualité,
de la plupart des pulvérisateurs qui sont fabriqués
dans les pays en voie de développement ou qui leurs sont fournis.
Une attention particulière a été accordée
à la sécurité de l’utilisateur et de l’environnement.
Des essais de durabilité sont inclus lorsque des implications
sur la sécurité sont observées.
Les spécifications et les essais sont basés sur les
normes existantes au niveau national, européen et international
et sur d’autres publications. Ils s’inspirent également des
connaissances approfondies et des expériences, sur les normes
internationales relatives aux pulvérisateurs, des experts assignés
au projet et des expériences d’auteurs sur l’application des
pesticides dans les pays en voie de développement.
Présentation des spécifications
Les spécifications sont présentées selon un
format modulaire qui a été développé par
les auteurs sur la base du document de la FAO destiné à
aider la FAO ainsi que les autres revendeurs dans la sélection
des pulvérisateurs agricoles : «Guide de la FAO
pour la sélection des pulvérisateurs agricoles de pesticides,
Juin 1995».
Chaque module se réfère à un composant principal
ou à un groupe de composants fonctionnels à partir desquels
des spécifications cohérentes concernant des appareils
de pulvérisation complets peuvent être réunies.
Les différents modules relatifs aux pulvérisateurs portés
ou traînés sur un véhicule, qui sont généralement
désignés par pulvérisateurs tractés, sont
présentés dans la Figure 3.
Les modules sont composés de paragraphes numérotés
s’adressant chacun à une exigence ou à une spécification
séparée. Les spécifications n’ont pas pour objectif
de dicter ou d’ordonner la conception du pulvérisateur. Elles
définissent les exigences fonctionnelles ou opérationnelles,
et ne doivent en aucune manière restreindre l’imagination du
fabricant concernant la conception.
Dans le cas où les spécifications ou les méthodes
seraient les mêmes, quand c’est pratique, les mêmes modules,
paragraphes et termes sont employés. Ceci est appliqué
quel que soit le type de pulvérisateur. Par exemple, la buse
à pression liquide est incluse pour les pulvérisateurs
portatifs et tractés.
Méthodes d’essai
Elles sont présentées en étapes successives
pour aider les contrôleurs et offrir une clarté et une
cohérence. Le but est d’employer un langage clair et simple,
sans compromettre la précision technique.
Conformité avec les normes
Un élément-clé du système est la méthode
de détermination de la conformité, qui est un simple
système oui/non. Dans le cas d’utilisation des valeurs numériques,
celles-ci sont basées soit sur des normes standards ou sur
un jugement des auteurs et de leurs conseillers se rappelant souvent
que les critères employés doivent être liés
aux besoins des pratiques de terrain et de fabrication. Le système
implique, à la fin de chaque paragraphe de spécifications,
la définition (c’est à dire pour chaque élément
ou critère de performance) de l’action ou de la série
d’actions nécessaires.
Ces actions sont regroupées en quatre catégories: vérifier,
mesurer, contrôler et méthode d’essai, qui sont définies
de la manière la suivante :
VERIFIER: Quand une simple observation ou action est entièrement
suffisante pour établir si le pulvérisateur est conforme
ou non. Par exemple, «Tous les tuyaux doivent indiquer la pression
admissible».
MESURER: Quand une simple mesure est entièrement suffisante.
Par exemple pour le volume, l’épaisseur, la longueur ou la
pression.
CONTROLER: Dans certains cas, les contrôles exigés sont
évidents et ne nécessitent donc pas une méthode
d’essai plus poussée. Par exemple, le pulvérisateur
devrait être stable et maintenu en position verticale sans tomber
quand il est posé sur une pente de 15 %, quelle que soit la
quantité de liquide dans la cuve.
METHODE D’ESSAI: Série d’essais, étape par étape,
comme indiqué dans chaque partie de ce volume.
Figure 1 Modules des composants
Vol2_1.gif)
PULVERISATEURS TRACTES PORTES ET TRAINES: SPECIFICATIONS
PULVERISEURS TRACTE PORTES OU TRAINES
Les caractéristiques ci-après concernent tous les pulvérisateurs
agricoles portés ou traînés par des tracteurs,
montés sur un châssis spécialement construit ou
intégré à un porte-outil universel agricole ou
horticole. Pour des raisons pratiques, tout au long de cette partie,
ce type d’appareil sera simplement appelé «le pulvérisateur».
1. TR Module 1 - SPECIFICATIONS GENERALES
Les pulvérisateurs doivent être sans dangers, résistants,
fiables et aptes à travailler efficacement dans les conditions
réelles de terrain. Ils doivent être fabriqués
à partir de matériaux résistants et durables
qui ne sont pas prédisposés à des détériorations
abusives pendant le travail au champ affectant négativement
la sécurité et l’efficacité, en raison des problèmes
de corrosion, de rouille, de déformation et d’usures prématurées
Pour être conforme aux normes de la FAO, un pulvérisateur
doit répondre aux exigences ci-dessous.
1.1 L’unité de pulvérisateur doit être fixée
en toute sécurité au système véhicule.
VERIFIER.
1.2 Tous les arbres de transmission doivent être bien protégés
de manière à ce qu’aucune des parties en mouvement ne
soit exposée. VERIFIER.
1.3 Les point-pièges potentiels qui peuvent causer des blessures
physiques, créés par le système de pliage de
la rampe ou par le mécanisme de réglage de la hauteur
à titre d’exemple, doivent être équipés
de dispositifs de protection. Dans le cas où les protections
ne seraient pas pratiques, le pulvérisateur doit être
muni d’une signalisation de prudence claire et appropriée.
VERIFIER.
1.4 Toutes les poignées, manettes ou points d’appui doivent
être placés à une distance minimale de 300 mm
par rapport à tous les points d’articulation.. MESURER.
1.5 Les connexions d’huile doivent être dotées d’un système
permettant de limiter toute fuite à une valeur maximale de
2,5 ml pour chaque opération de branchement et de débranchement
à des pressions supérieures à 175 bars. Les fuites
doivent être mesurées à la pression de travail
nominale (maximale recommandée par le fabricant) à chaque
fois que l’appareil est branché ou débranché,
au moyen d’un chiffon propre et absorbant dont le poids est connu.
Le total de fuites est mesuré par différence de poids.
CONTROLER.
1.6 Les pulvérisateurs dont la capacité de la cuve est
de 1.000 litres ou plus doivent être équipés d’un
système de remplissage à niveau bas pour l’eau et les
produits chimiques. VERIFIER.
1.7 Dans le cas où le remplissage de l’eau ou du produit serait
manuel, il devrait être possible d’additionner l’eau ou le produit
dans la cuve avec l’opérateur en position debout sur le sol
ou sur une plate-forme de 0,5 m2 de surface minimale spécialement
conçue pour cette opération. MESURER.
1.8 Les plate-formes doivent être fabriquées de produits
antidérapants et munies de protection. VERIFIER.
1.9 La distance des points à atteindre verticalement depuis
le sol ou la plate-forme ne doit pas dépasser 1,0 m et il doit
y avoir une zone libre de tout obstacle de 0,3 m horizontalement autour
de l’orifice de remplissage. MESURER.
1.10 Le système de remplissage de la cuve du pulvérisateur
doit permettre, en toute sécurité, un remplissage facile
jusqu’à niveau maximum recommandé par le fabricant sans
débordement ni éclaboussure. CONTROLER.
1.11 Le pulvérisateur ne doit pas présenter de fuites
dans les conditions de travail aux pressions et aux débits
nominaux. METHODE D’ESSAI 1.
1.12 Le pulvérisateur doit être facile à nettoyer
aussi bien à l’intérieur comme qu’à l’extérieur.
Les surfaces rugueuses et les recoins peu accessibles sont à
éviter. VERIFIER.
1.13 Toutes les parties extérieures du pulvérisateur
ne doivent pas retenir ou emprisonner la bouillie. VERIFIER.
1.14 Il ne doit pas y avoir d’angles aigus, de surfaces abrasives
ou de parties saillantes inutiles qui pourraient blesser l’utilisateur.
VERIFIER.
1.15 Le volume de la bouillie retenu dans le pulvérisateur
(cuve, pompe, tuyauterie et rampe), quand le pulvérisateur
est vide, ne doit pas excéder la limite spécifiée.
METHODE D’ESSAI 6.
1.16 Dans le cas d’un pulvérisateur traîné, il
doit rester stable lorsqu’il est détaché du point d’accrochage
du tracteur. Il doit rester stable et maintenu en position verticale
quand il est posé sur une pente de 15% (1 sur 7), orienté
dans toutes les directions et quel que soit le niveau de remplissage
de la cuve(s). CONTROLER.
1.17 Les réglages du pulvérisateur, les opérations
de maintenance habituelles, la vidange et le nettoyage doivent être
facilement réalisés sans avoir recours à des
outils spéciaux (c’est à dire des outils spécialement
conçus pour le pulvérisateur). VERIFIER.
1.18 Le fabricant doit fournir un manuel d’utilisation clair, simple
et illustré, dans la langue du pays de fabrication, et en anglais,
en français ou en espagnol. VERIFIER.
1.19 Le manuel d’utilisation doit contenir les opérations pour
:
- l’identification de toutes les pièces de rechange
accompagnées d’une vue éclatée de l’ensemble
de l’appareil;
- le montage et le calibrage;
- la réduction des besoins en matière de bouillie
non utilisable ;
- le nettoyage des emballages à partir de la trémie
d’incorporation ;
- le nettoyage et le déchargement en toute sécurité
de tous les restes de lavages
- la maintenance habituelle et le stockage
- la sécurité et l’utilisation précise
sur le terrain.
Il doit également fournir les informations sur:
- la manipulation sans risques des pesticides non dilués,
le mélange des produits chimiques et le remplissage de la cuve;
- l’élimination des excès de bouillie et des
emballages vides de pesticides ;
- le débit des buses et la qualité de la pulvérisation
(voir module 8) ;
- le calibre maximum des buses et la pression à utiliser
dans le pulvérisateur ;
- les précautions à prendre pour réduire
les risques de contamination de l’utilisateur et de l’environnement,
particulièrement à travers la dérive. VERIFIER.
1.20 Tous les organes de contrôle doivent être clairement
marqués et situés dans un endroit facile à atteindre
par l’opérateur à partir de sa position de conduite/d’application.
VERIFIER.
1.21 Afin de faciliter l’identification des pièces de rechange,
le pulvérisateur doit être clairement et durablement
marqué pour indiquer le nom et l’adresse du fabricant ainsi
que le modèle et le nom du pulvérisateur. VERIFIER.
1.22 Un système fonctionnel doit être mis en place afin
de permettre un approvisionnement en pièce de rechange pour
une période minimum de cinq ans après la date de fabrication.
Le fabricant doit fournir une garantie mentionnant ceci dans le manuel
d’utilisation du pulvérisateur. VERIFIER.
1.23 Toutes les parties du pulvérisateur qui entrent en contact
direct avec les produits de pulvérisation, doivent être
fabriquées de matériaux non-absorbants adaptés
à une utilisation avec les formulations des pesticides homologuées.
METHODE D’ESSAI 2.
1.24 Toutes les parties du pulvérisateur qui sont habituellement
exposées à la lumière directe du jour doivent
être fabriquées de matériaux qui ne se dégradent
pas indûment. Le fabricant doit fournir une garantie mentionnée
dans le manuel d’utilisation du pulvérisateur (voir paragraphe
1.18). VERIFIER.
1.25 Le pulvérisateur doit être fiable et durable. Après
1.000 heures de travail simulé sur un «tapis roulant»
avec le circuit liquide arrêté et les rampes à
leur position de travail, le pulvérisateur doit être
conforme à la norme complète. CONTROLER.
2. TR Module 2 - CUVES
Très souvent, plusieurs cuves ou structures similaires sont
montées sur le pulvérisateur.
Ces cuves incluent :
- la cuve principale(s) contenant l’eau de pulvérisation
ou la bouillie ;
- une cuve de rinçage contenant de l’eau propre qui
permet de laver l’intérieur de la cuve et le circuit de la
bouillie ;
- un lave-mains à utiliser par l’opérateur pour
le nettoyage personnel ;
- une trémie d’incorporation pour aider le transfert
des produits chimiques dans le pulvérisateur en toute sécurité.
2.1 Pour être conforme aux normes de la FAO, un pulvérisateur
doit être équipé de :
- une cuve(s) principale pour la bouillie
- un lave-mains
2.2 Les pulvérisateurs ayant une cuve de 1000 litres de capacité
ou plus, nécessitent :
- une trémie d’incorporation,
- une cuve de rinçage.
Cuve(s) de bouillie
Il peut y avoir une ou plus de cuves à bouillie montées
sur un pulvérisateur tracté porté ou traîné.
Toutes les cuves à bouillie doivent être conformes aux
spécifications suivantes, par conséquent, pour ces directives
la cuve désigne un ou plusieurs cuves.
2.3 La cuve à bouillie doit être construite de façon
à être mécaniquement durable. METHODE D’ESSAI
3.
2.4 Les orifices de remplissage doivent être fermés moyennant
des couvercles hermétiques, bien attachés à la
cuve. VERIFIER.
2.5 Les couvercles doivent être équipés d’un système
de fermeture mécanique qui peut être manipulé
par des gants (Pour les besoins de l’essai, les gants doivent avoir
une épaisseur minimale de 0,5 mm). VERIFIER.
2.6 Les orifices de remplissage des cuves qui font plus de 400 mm
de diamètre ou plus de 400 mm x 300 mm quand ils sont rectangulaires,
doivent être équipés avec une grille qui ne peut
pas être enlevée sans outils. VERIFIER.
2.7 Les orifices de remplissage doivent être équipés
d’un tamis avec une dimension d’ouverture des mailles maximale de
1,0 mm. MESURER.
2.8 Les tamis doivent être faciles à monter et à
démonter avec des gants.(voir paragraphe 2.5 concernant les
gants). VERIFIER.
2.9 Les tamis doivent être bien fixés et ne doivent pas
bouger de leur siège pendant le remplissage. CONTROLER.
2.10 La cuve doit être marquée clairement et durablement
pour indiquer le niveau de remplissage nominal (le maximum recommandé
par le fabricant) qui ne doit pas dépasser 95% du volume total
de la cuve. MESURER.
2.11 Le pulvérisateur doit être équipé
d’un indicateur du niveau du liquide dans la cuve. VERIFIER.
1.12 L’indicateur du niveau doit avoir un intervalle d’échelle
ne dépassant pas 20% du volume nominal de la cuve et la précision
d’échelle doit être égale à moins de 1,5%
du volume total de la cuve. CONTROLER.
1.13 La précision de l’échelle doit être vérifiée
en pesant le pulvérisateur avec la cuve remplie d’eau à
cinq niveaux, couvrant un intervalle entre 10 et 80 % du volume total
nominal. MESURER.
2.14 L’indicateur(s) de niveau doit être clairement visible
par l’utilisateur à partir de la position de travail normale.
VERIFIER.
2.15 Pour faciliter le nettoyage des cuves de pulvérisation,
les surfaces intérieures et extérieures doivent avoir
un niveau de polissage supérieur à ry = 100 µm
qui est une mesure de la rugosité. MESURER.
2.16 La cuve doit comporter un système sûr et pratique
pour permettre de vidanger la bouillie ; cette dernière
peut être soit récupérée soit jetée
en toute sécurité. VERIFIER.
2.17 Le volume de liquide restant dans la cuve, après qu’il
a été égoutté, ne doit pas dépasser
1,5% du volume nominal de la cuve ou 5,0 litres. MESURER.
2.18 La pression dans la cuve ne doit pas différer de la pression
atmosphérique de plus de 0,3 bar dans n’importe quelles conditions
de travail. CONTROLER.
N.B. Ce contrôle doit être réalisé dans
la partie supérieure de la cuve. La connexion du manomètre
doit être faite par l’intermédiaire d’un tuyau étanche
fixé sur la partie supérieure de la cuve et le contrôle
doit être fait avec le couvercle bien fermé.
2.19 La cuve doit être équipée d’un mécanisme
d’agitation qui doit satisfaire aux exigences de la METHODE D’ESSAI
4. La seule exception à cette exigence est quand le pulvérisateur
est conçu pour être utilisé avec un système
de contrôle dans lequel l’eau et les pesticides concentrés
sont contrôlés d’une manière indépendante.
VERIFIER.
Le lave-mains
2.20 Le lave-mains et le circuit liquide qui lui est associé
ne doivent contenir que de l’eau propre et doivent être totalement
isolés des circuits du pulvérisateur qui contiennent
des produits chimiques. VERIFIER.
2.21 Le lave-mains doit contenir un volume minimum de 15 l. VERIFIER.
2.22 Le lave-mains doit être bien fixé au pulvérisateur.
VERIFIER.
2.23 Le lave-mains doit être construit à partir de matériaux
qui ne rouillent pas ou ne se corrodent pas de manière à
ne pas contaminer l’eau. VERIFIER.
Trémie d’incorporation
Une trémie d’incorporation est un récipient situé
dans un endroit commode où les formulations chimiques non diluées
peuvent être versées ou placées en toute sécurité.
L’eau est ensuite introduite dans la trémie pour dissoudre
ou diluer le pesticide et pour les transférer à l’intérieur
du circuit liquide principale du pulvérisateur.
Quand le pulvérisateur est fourni avec une trémie d’incorporation,
il est de la responsabilité du constructeur de s’assurer que
cette trémie est conforme aux normes, même si ces informations
devraient normalement provenir du fabricant de la trémie.
Pour être conforme, les pulvérisateurs ayant une capacité
de la cuve de 1000 l ou plus doivent être équipés
d’une trémie d’incorporation répondant aux exigences
2.24 La trémie doit manier efficacement toutes les formulations
de pesticides les plus utilisées, liquides, poudres, granulés,
sachets solubles ou sac. VERIFIER.
2.25 La trémie doit avoir un volume de travail minimum de 15
l. MESURER.
2.26 La trémie doit être clairement et durablement marquée
pour indiquer le niveau de remplissage nominal, qui ne doit pas dépasser
95% de son volume total. MESURER.
2.27 La trémie doit être fournie avec un couvercle qui
est bien attaché d’une manière permanente. VERIFIER.
2.28 L’orifice de remplissage de la trémie doit avoir une dimension
minimale de 250 mm. MESURER.
2.29 L’orifice de remplissage doit être placé à
une hauteur de 0,5 à 1 m à partir du sol. MESURER.
2.30 Il doit y avoir une zone dégagée minimale (c’est
à dire dégagé de tout obstacle) d’environ 500
mm de largeur autour de la trémie comme indiquer dans la figure
4. MESURER.
2.31 La trémie doit être équipée d’un dispositif
permettant de nettoyer les emballages de pesticides de telle sorte
que la quantité de pesticides à l’intérieur du
récipient ne dépasse pas 0,01% de produit initial, selon
une méthode définie qui doit être incluse dans
le manuel d’utilisation. (voir paragraphe 1.18). CONTROLER.
2.32 Tous les éléments de la trémie ayant un
contact direct avec la bouillie doivent être fabriqués
à partir de matériaux non absorbants qui sont résistants
aux formulations de pesticides homologuées. METHODE D’ESSAI
2.
2.33 Les instructions concernant l’utilisation de la trémie
doivent être indiquées clairement et durablement sur
le pulvérisateur ou sur la trémie. VERIFIER.
2.34 Le manuel d’utilisation doit aussi inclure:
- les détails sur les types et les dimensions des emballages
pour lesquels la trémie d’incorporation est conçue ;
- les instructions claires, simples et illustrées concernant
l’installation efficace et sûre de la trémie sur le pulvérisateur
sans avoir recours à des outils spéciaux (c’est à
dires des outils spécialement conçus pour le pulvérisateur) ;
- les instructions concernant les débits et les pressions
de service ainsi que toutes autres exigences spécifiques ;
- les opérations appropriées de nettoyage. VERIFIER.
Figure 4
Zone de dégagement autour de la trémie d’incorporation
Vol2_2.gif)
Cuve de rinçage
2.36 Cette cuve(s) est nécessaire pour fournir de l’eau propre
afin de nettoyer la cuve(s) et le circuit liquide dans le pulvérisateur
qui contient la solution de pesticide. Afin d’être conformes
aux normes de la FAO, les pulvérisateurs dont la capacité
de la cuve principale est de 1000 l ou plus, doivent être équipés
d’une cuve de rinçage qui doit répondre à ce
module. VERIFIER.
2.37 Le pulvérisateur doit être conçu de manière
à ce que l’utilisation du liquide à partir de la cuve
de rinçage devient impossible pour le lave-mains. VERIFIER.
2.38 La capacité de ce réservoir doit être au
moins égale à 10 % de la capacité de la cuve(s)
principal. MESURER.
3. TR Module 3 - POMPES
3.1 A son régime nominal, la pompe doit avoir suffisamment
de capacité pour alimenter la rampe quand celle-ci est munie
des plus grands calibres des buses et travaillant à la pression
de service maximale recommandée, plus 20%. CONTROLER.
3.2 Il doit être possible de démonter la pompe du pulvérisateur
sans avoir à vider la cuve(s).VERIFIER.
3.3 La pompe doit être marquée d’une manière permanente
avec :
- le débit maximal et la pression de service,
- la vitesse de rotation nominale et maximale,
- le nom et l’adresse du fabricant,
- le numéro de série. VERIFIER.
4. TR Module 4 - FILTRES ET TUYAUX
4.1 Dans le cas où le pulvérisateur serait équipé
d’une pompe fonctionnent à l’aide de clapets, il doit y avoir
un filtre du côté de l’aspiration avec une dimension
d’ouverture des mailles maximale de 0,5 mm. MESURER.
4.2 La conduite d’alimentation sous pression doit être munie
d’un filtre avec une dimension d’ouverture des mailles maximale de
0,3 mm. MESURER.
4.3 Le filtre(s) des conduites sous pression doit avoir une surface
totale suffisamment grande pour permettre le passage du débit
maximal recommandé, le filtre bouché à 50%, sans
que cela augmente la pression dans la pompe de plus de 10%. MESURER.
4.4 Les filtres doivent être facilement accessibles pour permettre
leur nettoyage et leur maintenance. VERIFIER.
4.5 Les filtres doivent être faciles à nettoyer sans
avoir à vider la cuve(s).VERIFIER.
4.6 Les tuyaux fixés sur le pulvérisateur doivent avoir
une pression admissible égale ou supérieure à
la pression maximale de travail du pulvérisateur, plus de 20%.VERIFIER.
4.7 Les tuyaux doivent être durablement marqués pour
indiquer leur pression de travail admissible. VERIFIER.
4.8 Les tuyaux doivent être disposés de manière
à ce que même avec des fuites ou éclatement, le
risque de contaminer l’opérateur est réduit. Ils ne
doivent pas traverser la cabine du véhicule. Quand il n’y a
pas de cabine, les tuyaux placés près de l’utilisateur
doivent être couverts par des protections pour éviter
la contamination de l’opérateur. VERIFIER.
4.9 Les tuyaux utilisés pour le remplissage des pulvérisateurs
doivent être équipés d’une crépine dont
la dimension d’ouverture des mailles n’excède pas 1,0 mm. VERIFIER.
4.10 Les tuyaux doivent être installés de telle manière
qu’il n’y ait pas de plis ni de torsions qui puissent réduire
leur diamètre effectif. VERIFIER.
4.11 Les connexions des tuyaux doivent être facilement réglables
et démontables avec des outils standards en utilisant des gants
(voir paragraphe 2.5 concernant les gants) et ne doivent pas présenter
de fuites quand elles sont de nouveau connectées. VERIFIER.
5. TR Module 5 - REGULATEURS ET MANOMETRES
5.1 Tous les pulvérisateurs doivent être équipés
d’un dispositif de sécurité pour éviter les surpressions,
dans n’importe quelle partie du pulvérisateur, dépassant
les 20% de la pression maximale. MESURER.
5.2 Le dispositif de sécurité doit être conçu
de telle manière que tout le liquide en surpression soit renvoyé
en direction de la cuve principale. VERIFIER.
5.3 La rampe doit être équipée de conduites de
liquide et de valves de manière à ce que l’alimentation
de chaque tronçon soit contrôlée indépendamment.
VERIFIER.
5.4 Quand la rampe est mise en marche pour alimenter les différents
tronçons, selon des combinaisons variées, le débit
mesuré à n’importe quelle buse (au-dessus de la plus
grande taille des buses recommandée) ne doit pas varier de
plus de ± 5% par rapport à la valeur nominale. METHODE
D’ESSAI 5.
5.5 Le débit de chaque tronçon de la rampe doit revenir
à un état de stabilité, 10 secondes après
avoir changer une consigne. METHODE D’ESSAI 5.
5.6 Il doit y avoir une seule commande de contrôle d’alimentation
marche/arrêt qui alimente tous les tronçons de la rampe.
VERIFIER.
5.7 Des dispositifs antigouttages doivent être incorporés
aux circuits du pulvérisateur pour réduire les pertes
de bouillie aux buses un fois l’alimentation d’un seul tronçon
de rampe est arrêté. La fuite maximale au niveau d’une
buse ne doit pas dépasser 2 ml pour une période de 5
minutes, après avoir fermé la rampe de 8 secondes. MESURER.
5.8 L’ajout des dispositifs antiégouttages dans les tuyaux
d’alimentation des buses (voir paragraphe 5.7) ne doit pas réduire
le débit de plus de 2,5% en travaillant avec la plus grande
taille des buses recommandées par le fabricant. MESURER.
5.9 Un clapet anti-retour doit être installé sur le pulvérisateur
pour empêcher le retour de liquide par siphonnage au moment
du remplissage de la cuve principale et de rinçage. VERIFIER.
5.10 Les pulvérisateurs conçus pour être utilisés
avec des buses à pression liquide doivent être équipés
d’un manomètre qui doit être clairement visible par l’utilisateur
en position de travail. Dans le cas d’un cadran de lecture analogique,
celui-ci devra avoir un diamètre minimum de:
- 63 mm s’il est à la porté des mains de l’utilisateur
quand il est en position de travail ;
- 100 mm dans tous les autres cas.
D’autres formes de lectures (digitale par exemple) doivent être
clairement visibles. VERIFIER.
5.11 Le manomètre doit assurer une lecture stable. VERIFIER.
5.12 Le manomètre fixé au pulvérisateur doit
être calibré pour une précision de ± 0,2
bars. MESURER.
5.13 La résolution du système de lecture de pression
doit être aussi de ± 0,2 bar. VERIFIER.
5.14 Le logement du manomètre doit être isolé
de la bouillie de manière à ce que, en cas de défaillance
conduisant à de fuites, l’opérateur ne soit pas contaminé.
VERIFIER.
6. TR Module 6 - RAMPES
Cultures basses
6.1 Les rampes doivent être rigidement construites de telles
sortes que toutes les buses soient placées à la même
hauteur le long de la rampe. VERIFIER.
6.2 Un minimum d’intervalle de réglage de la hauteur de la
rampe de un mètre doit être possible. MESURER.
6.3 La force nécessaire pour régler la hauteur de la
rampe ne doit pas excéder 250 N.
VERIFIER.
6.4 Le mécanisme de réglage de la hauteur doit incorporer
un système anti-chute spécial de manière à
ce que même avec une défaillance du mécanisme,
la hauteur de la rampe ne se déplace pas de plus de 0,2 m.
CONTROLER.
6.5 Dans le cas d’utilisation du système de réglage
manuel, il est doit s’agir d’un type “ auto arrêt ”.
VERIFIER.
6.6 Pour les systèmes de réglage de la hauteur par vérin
hydraulique, le pulvérisateur doit être équipé
soit:
- d’un dispositif de blocage anti-chute ; VERIFIER.
- ou d’une butée qui limite la hauteur de la rampe à
un minimum de 0,5 m au-dessus du sol. MESURER.
6.7 Les réglages de la hauteur de la rampe en dessous de 0,5
m ne doivent être possibles qu’en cas de déblocage manuel
de la butée de sécurité. VERIFIER.
6.8 Tous les systèmes de réglage de la hauteur doivent
être équipés d’un dispositif de blocage. VERIFIER.
6.9 Les pulvérisateurs dont la largeur de la rampe dépasse
10 m doivent incorporer un mécanisme qui isolera la rampe des
mouvements issus du tracteur, c’est à dire ils doivent être
équipés d’un système de suspension conforme aux
normes de la méthode d’essai 9.
6.10 La rampe doit être également isolée des mouvements
de lacet issus du tracteur. Avec la rampe dépliée et
l’appareil en position stationnaire, il doit être possible de
déplacer horizontalement d’une distance de 20 mm pour chaque
largeur de 1 m de la rampe sans que celle-ci subisse des déformations.
MESURER.
6.11 La rampe doit être équipée d’un système
d’escamotage lui permettant, lorsque les 10 % externes des deux cotées
se heurtent contre un obstacle physique avec l’avancement de l’appareil,
de se déplacer sans qu’elle soit endommagée mécaniquement
ou sans provoquer des dégâts pour les autres organes
du pulvérisateur. Après avoir heurté l’obstacle,
la rampe doit revenir automatiquement et rapidement à sa position
de travail initiale. CONTROLER.
Ce test doit être conduit avec une vitesse d’avancement du tracteur
de 2,5 m/s.
6.12 Quand les rampes sont pliées en position de transport,
les tronçons ne doivent pas:
- gêner l’accès au poste de conduite ou au point
de remplissage, VERIFIER.
- positionner les buses au-dessus de l’accès aux postes
de travail ou au point de remplissage à moins qu’un système
de protection soit mis en place permettant d’éviter que la
bouillie s’égoutte sur l’opérateur. VERIFIER.
6.13 Les différents tronçons de la rampe doivent être
équipés d’un mécanisme de blocage solide en position
de transport. VERIFIER.
6.14 Pour réduire le risque de contact avec des câbles
électriques aériens pendant les opérations de
pliage, aucune partie du pulvérisateur ou de la rampe ne doit
dépasser une hauteur de 5 m au-dessus du sol. MESURER.
6.15 Les rampes, qui lorsqu’elles sont dépliées à
une hauteur de 3,5 m au-dessus du sol, doivent être équipées
d’un signal avertisseur indiquant le danger potentiel dû à
la présence de câbles. Ce signal doit être clairement
visible à l’opérateur à partir de sa position
de travail. VERIFIER.
6.16 Les rampes doivent être conçues de manière
à ce que les buses soient protégées des dommages
qui pourraient résulter d’un contact avec le sol. VERIFIER.
6.17 Les pulvérisateurs à rampes conçus pour
fonctionner avec l’assistance de l’air (jet porté) doivent
obéir à toutes les exigences mentionnées dans
les paragraphes 6.1 à 6.17. De plus, les fabricants de ce type
de pulvérisateur doivent inclure dans le manuel d’utilisation
(voir paragraphe 1.18) :
- les détails concernant les réglages de la
vitesse de l’air pour les différentes conditions d’utilisation
incluant celles où l’air n’est pas nécessaire ;
- les opérations de maintenance spécifiques concernant
la production d’air et les systèmes de distribution.
6.18 Lorsque le pulvérisateur est équipé d’un
ventilateur, ce dernier doit être conforme aux exigences du
Module 7. VERIFIER.
Arboriculture (Jet porté)
Ce module couvre les structures de rampes des pulvérisateurs
à jet porté pour les vergers et les plantations.
6.19 La rampe (distribution en arc) doit permettre:
- à la distribution du liquide dans chaque coté
du pulvérisateur d’être contrôlée indépendamment ;
VERIFIER.
- aux buses de différents calibres et aux obturateurs
d’être fixés à la rampe. VERIFIER.
6.20 La rampe doit être solidement fixée au pulvérisateur.
VERIFIER.
6.21 Quand la rampe est conçue pour être utilisée
à différentes positions en relation avec le courant
d’air, des instructions claires et détaillées doivent
être prévues dans le manuel d’utilisation (voir paragraphe
1.18) décrivant les dispositions pour un travail efficace dans
les différentes conditions culturales et climatiques. VERIFIER.
6.22 Lorsque la rampe peut être utilisée sans courant
d’air, des instructions détaillées doivent être
incluses dans le manuel d’utilisation (voir paragraphe 1.18) du pulvérisateur
sur la manière de régler le pulvérisateur pour
une utilisation efficace à différentes cultures et conditions.
VERIFIER.
7. TR module 7 - VENTILATEURS (pour la pulvérisation à
jet porté)
7.1 L’unité de transmission du ventilateur doit pouvoir être
déconnectée sans que cela n’affecte le mécanisme
de circulation et d’agitation de la bouillie dans le pulvérisateur.
VERIFIER.
7.2 L’entrée du ventilateur doit être conçue et
positionnée de telle manière qu’aucun débris
ne puisse pénétrer à l’intérieur, même
à des grandes vitesses de travail. VERIFIER.
7.3 La partie la plus basse de l’entrée du ventilateur doit
être située à une distance minimale de 25 cm du
sol. MESURER.
7.4 Le ventilateur doit être protégé avec une
grille permanente dont les dimensions d’ouverture des mailles doivent
être au minimum de 5 mm et au maximum de 10 mm. MESURER.
7.5 Le niveau de bruit sonore, avec le pulvérisateur travaillant
à son débit d’air maximum, ne doit pas dépasser
une valeur de 85 dB aux oreilles de l’opérateur. MESURER.
8. TR Module 8 - BUSES
La responsabilité du fabricant du pulvérisateur l’oblige
à se conformer aux exigences ci-après relatives aux
buses recommandées ou fournies avec le pulvérisateur
bien que ces informations puissent provenir du fabricant de la buse.
Buses à pression liquide
8.1 Le fabricant du pulvérisateur doit indiquer dans le manuel
d’utilisation (voir paragraphe 1.18) les informations sur :
- le débit des buses à des pressions de 2, 3
et 4 bars ;
- les caractéristiques des formes et des angles du jet
à des pressions de 2, 3 et 4 bars ;
- la catégorie de la qualité du jet (comme la
mesure de la distribution des dimensions des gouttelettes), exprimée
selon les catégories des jets mentionnées dans le tableau
1 de la méthode d’essai 7 ;
- les buses recommandées, les positions, la hauteur
et l’écartement qui permettent d’obtenir le volume de pulvérisation
adapté à la cible ;
- une méthode pour déterminer quand les buses
sont usées de 125% de leurs débits d’origine aux pressions
de service. Dans ce cas, ces buses doivent être remplacées.
VERIFIER.
8.2 Les dimensions des embouts des buses doivent être conformes
aux indications de la Figure 5. MESURER.
8.3 Le débit de n’importe quelle buse individuelle ou inter-buses
avec le même code d’identification, c’est à dire qui
sont supposées avoir les mêmes caractéristiques,
ne doit pas varier de ± 10% par rapport au débit nominal
à n’importe quelle pression recommandée. MESURER.
8.4 Pour les buses à pression liquide formant un jet en forme
d’éventail plat, incluant celles nommées “ à
répartition régulière ”, la forme de la
distribution du volume doit répondre aux exigences de la méthode
d’essai 8.
8.5 Pour les buses à fente, le système de support doit
inclure un moyen permettant une orientation correcte de la buse à
l’intérieur de son porte-buse. VERIFIER.
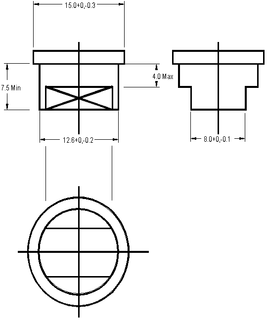
Figure 5
Dimensions des embouts de la buse (selon les normes ISO)
Vol2_3.gif)
Buses bifluides
Ces dispositifs génèrent un jet dans un corps de buse
par l’intermédiaire d’une alimentation sous pression du liquide
et de l’air.
8.6 Les pulvérisateurs munis des buses bifluides doivent être
équipés de systèmes de contrôle de pression
et de manomètre séparés afin de contrôler
l’alimentation du liquide et de l’air indépendamment.
8.7 Le fabricant doit indiquer dans le manuel d’utilisation les informations
sur :
- l’intervalle des pressions et des débits à
l’intérieur duquel les buses ont été conçues
pour fonctionner; VERIFIER.
- le débit et la qualité du jet, basés
sur la méthode d’essai 7 qui peuvent être obtenus suivant
des pressions du liquide et d’air définies à la buse.
VERIFIER.
- les exigences spécifiques pour la maintenance des
buses fournies ou recommandées; VERIFIER.
- les instructions spécifiques de service pour les buses
fournies ou recommandées; VERIFIER.
8.8 Le débit de n’importe quelle buse individuelle ou inter-buses
avec le même code d’identification, c’est à dire qui
sont supposées avoir les mêmes caractéristiques,
ne doit pas varier de ± 10% par rapport au débit nominal
à n’importe quelle pression recommandée. MESURER.
Buses rotatives
8.9 Le fabricant du pulvérisateur doit fournir dans le manuel
d’utilisation les informations sur :
- débits (mesurés avec l’eau) ;
- caractéristiques des gouttelettes générées
correspondant aux débits des gicleurs et aux vitesses de rotation
du disque recommandés ;
- détails sur les vitesses spécifiques de travail
et les réglages pour les principales cibles et conditions de
terrain ;
- écartement entre les buses rotatives au niveau de
la rampe pour les différentes cibles et conditions ;
- une méthode de contrôle du disque pour déterminer
le moment de son remplacement. VERIFIER.
8.10 Le débit d’un seul gicleur de la buse rotatif ou inter-gicleurs
avec le même code d’identification c’est à dire qui sont
supposés avoir les mêmes caractéristiques, ne
doit pas varier de plus de ± 10% du débit nominal. MESURER.
8.11 Les buses rotatives doivent être capables de fonctionner
pendant 50 heures à vitesse maximale, sans perte de performances.
CONTROLER.
9. TR Module 9 - CASIERS DE RANGEMENT DES VETEMENTS DE PROTECTION
9.1 Les pulvérisateurs, dont les capacités des cuves
sont de 1000 l ou plus, doivent être équipés de
casiers de rangement des vêtements de protection qui doivent
être conformes à ce module. VERIFIER.
9.2 Le pulvérisateur doit être équipé
de deux casiers, un pour les vêtements propres et l’autre pour
les vêtements souillés. VERIFIER.
9.3 Les casiers doivent être placés au niveau du pulvérisateur
aussi loin que possible du point de remplissage du pesticide. VERIFIER.
9.4 Les dimensions minimales internes des casiers doivent être
de 450 x 450 x 300 mm. MESURER.
9.5 Les casiers doivent être marqués clairement et durablement
pour indiquer:
- la nature de leur fonction, c’est à dire pour stocker
les vêtements de protection : soit “propres” ou “contaminés”
; VERIFIER.
- une mise en garde contre le rangement des produits chimiques
dans ces casiers. VERIFIER.
PULVERISATEURS TRACTES PORTES ET TRAINES: METHODES D’ESSAI
TR METHODES D’ESSAI
1. TR Méthode d’essai 1 - FUITES ISSUES DE LA TOTALITE DU
PULVERISATEUR
1.1 Positionner le pulvérisateur porté ou traîné
derrière le tracteur dans sa position de travail normal, sur
une surface ferme et horizontale.
1.2 Avant de commencer l’essai, nettoyer soigneusement les surfaces
extérieures en faisant particulièrement attention aux
zones proches des joints et des connexions des tuyaux.
1.3 Boucher les buses à l’exception de celles qui sont les
plus éloignées en aval sur chaque tronçon de
rampe.
1.4 Fixer un tube sur chacune de ces buses en aval pour permettre
au liquide d’être recueilli pendant la durée d’essai
afin d’éviter la contamination de la zone de travail.
1.5 Remplir le pulvérisateur à sa capacité nominale
(maximale recommandée) avec une solution colorée adaptée,
ex. G orange (c’est à dire un colorant qui doit être
stable et quantifiable à une précision supérieure
à 0,1%), à laquelle on ajoute un surfactant non-ionique
à 0,1%.
1.6 Nettoyer soigneusement toute trace de solution qui se renverse
sur le pulvérisateur pendant le remplissage.
1.7 Placer minutieusement, sous le pulvérisateur et la rampe,
un matériau propre et absorbant qui permettra de retenir le
liquide coloré, par exemple du coton ou du papier pour chromatographie.
1.8 Faire fonctionner le pulvérisateur dans sa position normale
de travail à la pression maximale recommandée pendant
une période de 15 minutes.
1.9 A la fin de la période des 15 minutes d’essai, inspecter
la machine pour repérer les signes de fuites. Quand des fuites
sont observées ou suspectées, nettoyer soigneusement
les éléments de l’appareil concernés et les surfaces
de captage autour de ces points avec des chiffons additionnels absorbants
et propres.
1.10 Collecter les matériaux absorbant de la surface placée
sous les points de fuites et les conserver avec ceux qui ont servi
à nettoyer les mêmes points de fuites de l’appareil.
1.11 En prenant la solution dans la cuve comme référence,
déterminer par spectrophotométrie ou fluorimétrie,
la quantité de liquide colorée se trouvant à
chaque point de fuite.
Pour être conforme :
- la fuite de n’importe quelle partie du pulvérisateur
ne doit pas dépasser 2,5 ml ;
- le total des fuites mesuré ne doit pas dépasser
10,0 ml.
2. TR Méthode d’essai 2 - RESISTANCE AUX PRODUITS CHIMIQUES
Ces contrôles s’appliquent à tous les éléments
qui entrent en contact direct avec les formulations de pesticides
concentrées ou diluées.
2.1 Peser et mesurer les composants individuels.
2.2 Immerger les composants dans une solution contenant 40% de kérosène,
20% de toluène et 40% de xylène pendant une période
de 12 heures à une température de 20°C.
2.3 Rincer les composants avec de l’eau propre, les sécher
et les conserver pendant 24 heures dans l’air à une température
de 20° C.
2.4 Peser et mesurer de nouveau chaque composant.
Pour être conforme :
- Les modifications de poids et de taille des composants,
par rapport aux mesures initiales, ne doivent pas dépasser
± 5% ;
- Les composants doivent pouvoir être ré assemblés
et pouvoir remplir leur fonction d’origine.
3. TR Méthode d’essai 3 - RESISTANCE MECANIQUE DE LA CUVE
3.1 Placer le pulvérisateur dans une zone de contrôle
sans danger de manière à ce que la cuve puisse subir
un choc moyennant une masse arrondie de 50 kg suspendue par un câble
de 3 m et lâcher à un angle de 45° par rapport à
la verticale. Le point de suspension de la masse est situé
dans un plan vertical au-dessus de la surface à heurter
3.2 Quand le pulvérisateur dispose de ses propres roues, il
doit être surélevé à une hauteur suffisante
de manière à ce que les roues ne soient pas en contact
avec le sol.
3.3 Lâcher le poids cinq fois sur chacune des surfaces suivantes
:
- un côté de la cuve;
- une face à angle droit par rapport au coté
précédent (sur l’arrière ou sur l’avant) ;
- un coin entre les deux surfaces heurtées.
Pour être conforme, après avoir reçu les 15 coups,
la cuve doit continuer à répondre aux exigences des
essais sur les fuites. TR Méthode d’essai 1.
4. TR Méthodes d’essai 4 - SYSTEME D’AGITATION DE LA CUVE
4.1 Pour cet essai, utiliser une solution en suspension d’oxychlorure
de cuivre dosée à environ 1 % c’est à dire une
proportion de 1 kg pour tous les 100 l d’eau de la cuve (pour la composition,
voir Appendice 1).
4.2 Remplir la cuve à moitié avec de l’eau et préparer
une solution épaisse à une concentration de 1 kg d’oxychlorure
de cuivre dans 2,5 l d’eau. Additionner la quantité d’oxychlorure
de cuivre nécessaire à la cuve (voir paragraphe 4.1)
sous forme de cette solution épaisse à travers le tamis
de remplissage ou la trémie d’incorporation. Compléter
ensuite le remplissage de la cuve à sa capacité nominale.
4.3 Agiter le contenu de la cuve en utilisant le système normal
d’agitation du pulvérisateur à une vitesse de travail
normal pour une période de 10 minutes.
4.4 Immédiatement, prélever dans la cuve des échantillons
de référence à trois niveaux différents,
approximativement à 50 mm en dessous de la surface du liquide,
au milieu de la cuve et à 50 mm au-dessus du fond de la cuve.
4.5 Laisser la suspension dans la cuve pendant 16 heures sans la remuer.
4.6 Recommencer l’agitation comme décrit dans le paragraphe
4.3 et continuer pendant 10 minutes. Prélever des échantillons
aux mêmes niveaux en utilisant la même méthode
du paragraphe 4.4.
4.7 Sécher les échantillons à une température
de 100°C ± 5°C, puis déterminer par gravimétrie
la quantité d’oxychlorure de cuivre présente dans chaque
échantillon.
Pour être conforme, la concentration en oxychlorure de cuivre
de chaque échantillon (pris avant ou après les 16 heures
de repos du paragraphe 4.5) doit se situer à ± 10% par
rapport à la concentration calculée, basée sur
la quantité d’oxychlorure de cuivre initial ajouté et
la capacité nominale de la cuve.
5. TR Méthode d’essai 5 - SYSTEME DE CONTROLE DE PRESSION
ET DE DEBIT
Ces essais concernent les performances des dispositifs du pulvérisateur
lui permettant :
- de maintenir un débit uniforme au niveau des buses
quel que soit le nombre de tronçons de la rampe en service
;
- de maintenir un volume de bouillie par hectare constant,
quelle que soit la vitesse d’avancement (selon des limites définies).
Mesures effectuées
5.1 Les temps de mesure doivent débuter après l’achèvement
de toutes les opérations de réglage ;
5.2 La mesure du temps doit être prise à partir du moment
où tous les réglages sont réalisés ;
5.3 Une fois qu’un régime de stabilité est atteint,
les valeurs des paramètres mesurés ne doivent pas varier
plus que la résolution des instruments de mesure quand l’échantillonnage
est fait à une fréquence de 2 Hz ou plus.
Pour mesurer le débit de la rampe et ses tronçons .
5.4 Installer des débitmètres dans les tuyaux des tronçons
de la rampe pour mesurer le débit total de chaque tronçon.
5.5 Monter sur les porte-buses des buses avec un calibre recommandé
par le fabricant du pulvérisateur permettant d’obtenir approximativement
un débit de :
- 2 litres par minute par buse pour les pulvérisateurs
pour cultures basses ;
- 4 litres par minute par buse pour les pulvérisateurs
arboricoles.
5.6 Faire fonctionner le pulvérisateur pendant 2 minutes avec
les tuyaux d’alimentation de la rampe fermés.
5.7 Ouvrir les tuyaux d’alimentation de la rampe et mesurer le temps
mis pour atteindre ± 10 % du débit total attendu.
Ces mesures doivent être prises pour :
- la rampe complète ;
- chaque tronçon de la rampe ;
- deux paires de combinaisons de tronçons de la rampe.
5.8 Suivre les opérations précédentes, une fois
qu’un régime de stabilité a été atteint,
fermer le tuyau d’alimentation du tronçon(s) de la rampe, attendre
10 secondes, ensuite ouvrir de nouveau l’alimentation. Dans chaque
cas mesurer le temps mis pour que le débit revienne à
un régime de stabilité.
5.9 Répéter l’opération (voir les paragraphes
de 5.6 à 5.8) trois fois pour chaque tronçon de la rampe.
Pour être conforme, le temps mis pour atteindre un débit
stable pour chaque tronçon ne doit pas dépasser dans
tous les cas 10 secondes.
Pour mesurer les systèmes à débit proportionnel
à la vitesse d’avancement :
5.10 Faire fonctionner le pulvérisateur à un régime
stabilisé avec toute la rampe équipée de buses
de calibre moyen, selon les indications suivantes :
vitesse d’avancement 2,0 m/s ;
régime de la prise de force 400 tours/mn ;
volume de bouillie par hectare 300 l/ha.
5.11 Procéder à des variations de 20% au-dessus et
en dessous de la vitesse de service de référence (2,0
m/s) comme suit :
- de 2,0 à 1,6 m/s
- de 2,0 à 2,4 m/s
5.12 Pour chacun cas, mesurer le temps mis par le débit dans
la rampe (pour tous les tronçons) pour atteindre ±10
% du débit total attendu.
5.13 Conduire l’essai trois fois et calculer la valeur moyenne.
Pour être conforme, le temps entre les régimes de stabilisation
ne doit pas excéder 10 secondes.
6. TR Méthode d’essai 6 - RETENTION DU LIQUIDE A L’INTERIEUR
DU PULVERISATEUR
6.1 Placer le pulvérisateur à sa capacité nominale
vide (c’est à dire après avoir suivi les consignes pour
les opérations de vidange) sur une surface ferme et horizontale
avec la rampe et les tuyaux d’alimentation dans leurs positions de
travail normales.
6.2 Démonter les buses de chaque tronçon et les remplacer
par des bouchons à l’exception des portes buses situées
en aval. Monter sur ces porte-buses des tuyaux permettant au liquide
d’être renvoyé à la cuve pendant le fonctionnement
du pulvérisateur.
6.3 Pour des grandes cuves, ajouter 250 l d’eau avec un colorant traceur
comme spécifié dans la méthode d’essai 1 TR paragraphe
1.5. L’ajout de surfactant n’est pas nécessaire dans ce cas.
Pour des cuves de faibles capacités, remplir uniquement la
moitié de la cuve avec de l’eau. Attention marquer le niveau
du liquide dans la cuve.
6.4 Mélanger soigneusement la solution colorée contenue
dans la cuve en faisant fonctionner le pulvérisateur pendant
2 minutes avec toutes les vannes d’alimentation des tronçons
de la rampe ouvertes. Le liquide dans la cuve doit circuler librement
à travers la pompe, la tuyauterie d’alimentation et au niveau
du retour vers la cuve. Ceci assurera un mélange minutieux
du contenu de la cuve avec le liquide dans le circuit de pulvérisation.
6.5 Prélever un échantillon de référence
du liquide dans la cuve.
6.6 Monter, dans tous les porte-buses, des buses de calibres recommandés
par le fabricant du pulvérisateur pour obtenir un débit
approximatif de :
- 2 litres par minute par buse pour les pulvérisateurs
pour cultures basses ;
- 4 litres par minute par buse pour les pulvérisateurs
arboricoles ;
D’autres débits spécifiques à l’intérieur
d’un intervalle normal et pratique de débits sont acceptables.
6.7 Faire fonctionner le pulvérisateur de la même manière
que celle précisée dans le paragraphe 6.4 jusqu’à
ce que la cuve soit vide à son niveau nominal, c’est à
dire jusqu’à ce que la chute de pression de 25 % en une seconde
soit observée.
6.8 Arrêter le pulvérisateur et remplir de nouveau la
cuve au niveau repéré dans le paragraphe 6.3.
6.9 Enregistrer la quantité d’eau exacte ajoutée.
6.10 Remonter les bouchons et les tuyaux de circulation, comme indiqué
dans le paragraphe 6.2 et faire fonctionner le pulvérisateur
pendant 2 minutes.
6.11 Prélever le liquide de la cuve et déterminer, par
la fluorimétrie ou par la spectrophotométrie, la quantité
de liquide restante dans le pulvérisateur, en comparant l’échantillon
final avec l’échantillon de référence (paragraphe
6.5).
6.12 Répéter l’essai trois fois et utiliser la moyenne
des trois résultats pour déterminer la conformité.
Pour être conforme, il ne doit pas y avoir plus de 2% du volume
du réservoir ou 30 litres de liquide restant dans tout le pulvérisateur.
7. Méthode d’essai 7: QUALITE DE JET.
Détermination de la qualité du jet.
Pour cet essai, la qualité du jet produit par une buse à
tester est exprimée en termes de distribution des différentes
tailles de gouttelettes, en comparaison à celle produite par
une série de buses à fente de références
conventionnelles qui sont mentionnées dans le Tableau 2.
Tableau 2
Buses de références déterminant les différentes
catégories de qualité du jet
|
Type de buse
|
Débit (l/min)
|
Pression (bar)
|
Limites des catégories
|
|
Buse à fente 110°
|
0,48
|
4,5
|
Très fines et fines
|
|
Buse à fente 110°
|
1,20
|
3,0
|
Fines et moyennes
|
|
Buse à fente 110°
|
1,96
|
2,0
|
Moyennes et grosses
|
|
Buse à fente 80°
|
2,92
|
2,5
|
grosses et très grosses
|
Pour évaluer une buse
7.1 Choisir un minimum de trois exemples de buses à tester
d’une manière aléatoire à partir d’un lot contenant
un minimum de 25 buses.
7.2 Evaluer la qualité du jet de chaque buse en utilisant la
même méthode utilisée pour calibrer les buses
de références dans le tableau 2, comme il est décrit
dans les paragraphes 7.3 à 7.7 comme suit.
7.3 Pulvériser de l’eau propre à travers les buses aux
pressions et aux débits mentionnés dans le tableau 2
7.4 Déterminer la distribution des différentes tailles
des gouttelettes pour chaque débit par un échantillonnage
des gouttelettes en vol en utilisant un instrument à rayon
laser approprié.
7.5 Procéder à l’échantillonnage de l’ensemble
du nuage de pulvérisation formé par la buse à
une distance variant entre 350 et 500 mm à partir de la buse.
7.6 Reporter les résultats obtenus dans un graphique sous forme
de pourcentage du volume cumulé de bouillie (axes des x) et
de dimensions des gouttelettes mesurées (axe des y) comme indiqué
dans la Figure 6.
7.7 Comparer le graphique obtenu par la buse testée avec les
catégories de distribution des buses de référence.
Pour être conforme, la distribution moyenne des trois buses
testées doit correspondre aux catégories de qualité
du jet des buses de références avancées par le
fabricant du pulvérisateur. La conformité est atteinte
quand la majorité du volume cumulé à un débit
et une pression donnés, correspond à la catégorie
appropriée dans l’intervalle 10 à 90 %.
Figure 6
UN EXEMPLE DE DETERMINATION DE LA QUALITE DU JET BASEE SUR DES GRAPHES
DU VOLUME CUMULE/DIMENSION DES GOUTTES
Vol2_4.gif)
8. TR Méthode d’essai 8 – MODELE DE RÉPARTITION DU JET
C’est un essai statique pour déterminer la répartition
transversale de la bouillie obtenue avec une rampe à buses
multiples. Il ne reflète pas la qualité biologique de
l’application qui peut être influencée par d’autres facteurs
tels que les dimensions des gouttelettes, la vitesse d’avancement
du pulvérisateur, la vitesse et l’orientation du vent. Cependant,
la conformité avec cet essai, en parallèle avec la méthode
d’essai 7, reflète une étape raisonnable vis à
vis de l’obtention de la sécurité et de l’efficacité
de l’application à travers la rampe.
8.1 Conduire l’essai avec de l’eau à plus de 0,1 % de surfactant
non-ionique.
8.2 Installer une seule buse sur un banc de répartition standard
équipé de gouttières de récupération
de 100 mm. La hauteur de la buse au-dessus du plan de récupération
doit correspondre à celle recommandée par le fabricant
quand elle est placée au-dessus de la cible.
8.3 Pulvériser la solution avec le surfactant au moyen de la
buse à une pression constante qui ne doit pas varier plus que
2,5% pendant toute la durée de l’essai.
8.4 Enregistrer la répartition de la bouillie sur le banc de
répartition quand la hauteur du liquide dans la colonne la
plus remplie atteint 90%. Réaliser les enregistrements à
des pressions de 2, 3, et 4 bars.
8.5 Moyennant une analyse par ordinateur, à partir des niveaux
du liquide enregistrés dans les éprouvettes, calculer
la distribution pour une largeur de 3 m (c’est à dire 30 éprouvettes)
en excluant les extrémités quand il n’y a pas de chevauchement.
Calculer le coefficient de variation en utilisant la formule suivante
:

où 

et xi est la hauteur du liquide dans l’éprouvette et n est
le nombre de gouttières.
Pour être conforme, les 30 valeurs données par les éprouvettes
du banc de répartition doivent montrer un coefficient de variation
qui ne dépasse pas 10% quand il est calculé dans les
endroits de chevauchement de la bouillie.
9. TR Méthode d’essai 9 – PERFORMANCE DU SYSTEME DE SUSPENSION
DE LA RAMPE
9.1 Faire fonctionner le pulvérisateur à l’aide d’un
tracteur dont la voie est réglée à de 2 m. (réglage
approximatif).
9.2 Choisir une surface d’essai ferme et horizontale qui permet de
conduire le pulvérisateur en ligne droite sur une distance
de 100 m.
9.3 Placer 3 blocs rigides de 0,2 m de large alternativement dans
chaque passage des roues espacées de 25 m le long de la piste
de manière à ce qu’ils dépassent de 100 mm la
surface du sol.
9.4 Conduire le pulvérisateur le long de cette piste à
une vitesse de 2,5 m/s, avec la rampe placée à une hauteur
de 0,5 m au-dessus du sol.
Pour être conforme, la rampe ne doit pas toucher le sol pendant
l’essai.
APPENDICE 1
COMPOSITION APPROXIMATIVE DE LA SUSPENSION ABRASIVE UTILISEE
DANS LES METHODES D’ESSAI 5
| SiO2 proportion |
87% |
| CaO proportion |
0,5% |
| Fe2O2 proportion |
0,2% |
| Al2O3 proportion |
0,6% |
| NaCl proportion |
1,0% |
| Masse volumique |
160 kg/m3 |
| Densité |
1,95 |
| Dimension moyenne des particules |
0,022µm |
| Couleur |
Blanche |
| Index relatif |
135 – 165 unités d’essai “ Gardner-Sward ”
|
| Surface spécifique |
140 – 160 m2/g |
| PH (eau en suspension) |
7,3 |
| Perte à 105°C |
5% |
| Perte à 1200°C |
10% |
La suspension doit contenir 20g de poudre de silica synthétique
précitée par litre d’eau et doit rester homogène
au cours l’essai.
APPENDICE 2
Composition de la poudre de L’ESSAI CONTENANT DE l’oxychlorure
de cuivre
Composition
| Cuivre sous la forme d’oxychlorure triple-hydrate
de cuivre (3CuO.CuCl2.3H2O) : |
45% |
| Lignosulfonate : |
5% |
| Carbonate de Calcium (CaCO3) : |
8% |
| Sulfate decahydrate de Soude (Na2SO4.10H2O) : |
11% |
DIMENSIONS DES PARTICULES
< 20 mm : 98% minimum.
< 10 mm : 90% minimum.
< 5 mm : 70% minimum.
NIVEAUX D’IMPURETES DANS LA MATIERE ACTIVE (3,5% max.)
Eau : 2% max.
Cendres : 1.5% max. (en addition au cuivre).
SOLUBILITE
Solubilité lente dans l’eau et dans les solvants organiques.
Soluble dans les acides minéraux forts.
Soluble dans les solutions d’ammoniaque et d’amine à travers
la création de complexes.
|