Ibrahim Bin Mat 1
I. Introduction
![]() | Key: | (A) Perlis |
| (B) Kedah | ||
| (C) Penang | ||
| (D) Perak | ||
| (E) Selangor | ||
| (F) N. Sembilan | ||
| (G) Melaka | ||
| (H) Johor | ||
| (I) Pahang | ||
| (J) Terengganu | ||
| (K) Kelantan | ||
| (1), (2), (3), (4), (5), | ||
| (6)= Major Area Cage culture. Not include East Malaysia. | ||
| - 1976 - | at Penang (First Project) |
| - 1979 - | Government Start Airing Incentives |
| - 1988 - | 5,000 Cages (1,250 unit, 4 cage/unit) at Penang alone |
Enlarge Scale for Penang State
![]() | Key: | |||
| Jelutong-A | = | 8 | Group | |
| Bt Maung-B | = | 3 | Group | |
| Brt Tambun-C | = | 50 | Group | |
| Sg Udang-D | = | 5 | Group | |
| Total | = | 64 | Group |
1 Assistant Fisheries Officer, Penang Office, 36th Floor, Komtar 10000, Penang, Malaysia.
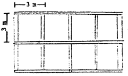
II. Netcage Structure
| 3 Design - | (i) | 4 Cages/Unit |
| (ii) | 8 Cages/Unit | |
| (iii) | 16 Cages/Unit |
(i) 4 Cage/Unit -

(ii) 8 Cage/Unit

(iii) 16 Cage/Unit

Explanation:
| Technique | (i) High Speed Wave |
| (ii) & (iii) Low Speed Wave | |
| - Pole to tide the cage | |
| - Hut at the centre of the project | |
| - Water breakers - High speed wave | |
| - Float - 7 gallon or 44 gallon of | |
| plastic drum | |
| - Wood - Chengal Batu | |
| Net | 3–5 Category (i) - 3/8" |
(ii) - 1/2;" | |
(iii) - 1" | |
(iv) - 1 1/4" | |
(v) - 1 1/2" | |
| e.g. Polyethylene net - 3/8" × 18.ply × 300 MD × 1500 ML. |
III. Stocking Rate
| - Size of fry - 2" and above. | |
| - Fry - 800 try to 1,000 Fry/6 Feet × 4 Feet × 4 Feet depth. | |
| - Culture until fingerling size. | |
| - 300–400 fish - Culture until market size using 8' × 8' × 6' area. | |
![]() | |
| Hapa will be put inside here 6' × 4' × 4' depth. |
IV. Species of Fish
| 3 major species | (i) Grouper |
| (ii) Seabass | |
| (iii) Snapper | |
| - Lobster | |
| - Others | |
| Supply if fish fry | - Research Institute (Gov/private) |
| - Import | |
| - Wild |
V. Feed
| (i) Trash Fish | |
| (ii) Pellet (very rare cases) |
VI. Harvesting
| - After 8 – 12 month | |
| - 600 g or above | |
| - $10/kg - seabass & snapper $30/kg - grouper (over sea market) | |
| - Export - Singapore | |
| Hong Kong |
VII. Economic
(A) CAPITAL
| 1. | Cost of cage | - Frame | $2,500.00 | |
| Net | 1 Unit | |||
| Anchor | 4 Unit/cage | |||
| Float | ||||
| 2. | Cost of fry | - Seabass | $1,000.00 | |
| - 1 Fry = 50¢cents | ||||
| - 2,000 Fry = $1,000.00 | ||||
| 3. | Cost of feed | - Stocking 2,000 fry | $2,688.00 | |
| 80% Survival Rate = 1,600 Fish | ||||
| 1 Fish = 600 gm | ||||
| 1,600 Fish = 960 gm | ||||
| F.C.R. = 7:1 | ||||
| .. 7 × 960 = 6,720 kg | ||||
| 1 kg = 40 ¢ | ||||
| .. 6,720 kg = $2,688.00 | ||||
| 4. | Contingencies - $1,000.00 | |||
| e.g. | - Fuel | $1,000.00 | ||
| - Container | ||||
| - Scoop Net | ||||
| - Weight machine | ||||
| “Not include labour charge” | ||||
| Total Cost | $7,188.00 | |||
(B) INCOME
| 1 Kg = $10.00 | $9,600.00 |
| 960 Kg = $9,600.00 | |
| Gross Income | $9,600.00 |
| Net Income | 2,412.00 |
This culture period is 8 – 10 month.
- 4 Unit/Persons → Economical Unit