Daniel Alkalay
Universidad Técnica Federico Santa María
Departamento de Procesos Químicos
Valparaíso Chile
INTRODUCCIÓN
En este trabajo se discutirán las posibilidades que existen de aprovechamiento de desechos de la agricultura y de la crianza de animales que tengan como producto final, o a veces como subproducto un energético.
Antes de entrar en los diferentes procesos y sus productos en particular, se requiere entregar una definición de «desecho» presentada por el profesor Paul Taiganides de la UNDP/FAO y que, a juicio del autor, es interesante e ilustrativa.
Según Taiganides, desecho es «un producto fuera de lugar». Con esto, quiere decir que, una misma materia puede ser un «desecho» o un «producto útil» dependiendo de la utilidad que pudiera prestar. Si se analiza el caso de las excretas de vacunos de lechería: desde el punto de la lechería, éstas son «desechos» que hay que eliminar, pues atraen insectos y producen malos olores; pero si se las mira desde el punto de vista del campo labrado, inmediato a la lechería, estas excretas, ahora con el nombre de «guano», son un abono y acondicionador de suelos muy apreciado por el agricultor por lo que pasa a ser un «producto útil».
Sin embargo, no siempre basta con cambiar el enfoque o punto de vista para transformar un desecho en producto útil y en particular, en un energético.
Frecuentemente se requiere de algún proceso industrial o semi-industrial para realizar esta transformación. La Fig. 1 presenta los principales caminos de transformación disponibles para convertir un desecho agropecuario en un energético.
El nivel de tecnificación y la inversión que requiere cada uno de estos procesos se puede ordenar en la forma que indica el siguiente cuadro:
| PROCESO | ESCALA | TECNIFICACIÓN | INTENSIDAD CAPITAL |
|---|---|---|---|
| 1. Etanol | |||
- Azúcares y almidones - Celulosa | PI, PA PI | media (en desarrollo) | regular alto |
| 2. Biogás | PI, PA, P | simple-media | bajo |
| 3. Pirólisis | PI, PA | media | regular |
| 4. Gasificación | PI, PA | media | regular |
| 5. Licuefacción | PI | compleja (en desarrollo) | alto |
PI = Planta Industrial
PA = Planta Agrícola
P = Predio individual
Obs.: Debe tenerse en cuenta que el nivel de tecnificación medio o complejo implica personal calificado para operar la planta y no sólo equipamiento de alta tecnología, lo que estaría incluido en el capital.
En cuanto al potencial energético de los residuos agrícolas y agropecuarios disponibles en los diferentes países al presente, es difícil indicar cifras confiables. Sin embargo, los correspondientes Ministerios de Agricultura o de Energía se encuentran abocados a este problema, de tal forma que en el corto plazo se dispondrá de las cifras actualizadas.
Sólo a título informativo y para poder comparar el aporte relativo de los diferentes desechos, se entregará a continuación una tabla que presenta las disponibilidades energéticas potenciales en la Comunidad Europea (250 millones de habitantes):
| Contenido energético Bruto | Contenido energético como comb. sólido | Energía como Biogás | |||||
| DESECHO | 106 GJ año | Mton Diesel año | 106 GJ año | Mton Diesel año | 106 GJ año | Mton Diesel año | |
|---|---|---|---|---|---|---|---|
| EXCRETAS: | Cerdos | 130 | 2.7 | - | - | 70 | 1.5 |
| Vacunos | 1520 | 32.0 | - | - | 510 | 10.7 | |
| Aves | 90 | 1.9 | - | - | 50 | 1.0 | |
| TOTAL EXCRETAS | 1740 | 36.6 | - | - | 630 | 13.2 | |
| AGRICOLAS: | Granos | 1470 | 31.0 | 1030 | 21.6 | 180 | 3.8 |
| Plantas verdes | 320 | 6.7 | - | - | 190 | 4.0 | |
| Leñosos | 120 | 2.5 | 120 | 2.5 | - | ||
| TOTAL AGRICOLAS | 1910 | 40.2 | 1150 | 24.1 | 370 | 7.8 | |
| SILVICOLAS: | Residuos de | ||||||
| maderas | 720 | 15.0 | 720 | 15.0 | - | - | |
| TOTAL | 4370 | 91.8 | 1870 | 39.1 | 1000 | 21.0 | |
La primera conclusión que es posible extraer del cuadro, es que los desechos agrícolas o agropecuarios no son la solución a nuestros problemas energéticos, ni lo serán nunca.
Es necesario entonces enfocar el problema desde otro punto de vista, para justificar su desarrollo y eventual implementación. Entre los considerandos están:
En lo particular de este trabajo, en que se analizará con mayor detalle el proceso de la Biodigestión Anaerobia de desechos, se cumple simultáneamente que:
Por otra parte, el fertilizante o complemento de forraje producido puede ser utilizado en el mismo predio donde se genera.
1. PROCESOS BIOQUÍMICOS
1.1 BIODIGESTIÓN ANAEROBIA
La materia orgánica contenida en los desechos, bajo ciertas condiciones, es posible que sea tratada biológicamente por acción de microorganismos, en recipientes herméticamente sellados.
Este es un proceso de fermentación en ausencia de oxígeno, donde se genera una mezcla de gases que, en su conjunto, reciben el nombre de biogás. El principal componente de éste es el metano, un combustible bastante limpio y eficiente que puede ser utilizado directamente. Por otro lado, los residuos de la fermentación (efluentes), contienen una alta concentración de nutrientes y materia orgánica, lo cual los hace susceptibles de ser utilizados como un excelente fertilizante que puede ser aplicado en fresco, ya que el proceso de digestión anaerobia elimina los malos olores y la proliferación de moscas. Otra ventaja es la eliminación de agentes patógenos presentes en las heces, lo cual significa que el efluente líquido puede ser utilizado para regadío de cualquier tipo de cultivos.
Básicamente, el proceso considera tres etapas: Hidrólisis, etapa en la que los polisacáridos (celulosa, almidón, etc.), los lípidos (grasas) y las proteínas, son reducidas a moléculas más simples; Acidogénesis, etapa en que los productos formados anteriormente son transformados principalmente en ácido acético, hidrógeno y CO2; Metanogénesis, los productos resultantes de esta etapa son metano CH4 y CO2, principalmente.
Considerando que las bacterias son el ingrediente esencial del proceso, es necesario mantenerlas en condiciones que permitan asegurar y optimizar su ciclo biológico. A continuación, se analizarán brevemente los principales parámetros que influyen en la producción de biogás.
Temperatura: Para que las bacterias formadoras de biogás trabajen en forma óptima, es necesario que se mantengan en temperaturas que oscilan entre los 30 y 65°C. Se distinguen dos rangos de temperatura:
A su vez, la producción de biogás depende de la temperatura; en el rango termofílico se produce una mayor cantidad de gas que en el rango mesofílico, a igual tiempo de digestión. Ver Figura 2.
Para condiciones rurales, en zonas de clima cálido y digestores pequeños, es posible encontrarse con operaciones de digestores a temperatura ambiente (psicrofílica: 15 a 25°C).
El equilibrio ecológico en el digestor es muy delicado, tanto así que una variación en 2°C le afecta adversamente, haciendo disminuir la producción de biogás.
Tiempo de Retención: La velocidad de degradación depende en gran parte de la temperatura, pues a mayor temperatura el tiempo de retención requerido es menor. Para un digestor batch el tiempo de retención es el tiempo que transcurre entre la carga y descarga del sistema; para un digestor continuo, el tiempo de retención determina el volumen diario de carga, según la relación:

Por lo general, se trabaja con tiempos de retención entre 20 y 55 días, variando la alimentación diaria entre 1 y 5 Kg de sólidos totales por metro cúbico de digestor.
Relación Carbono/Nitrógeno: La cantidad y la calidad del biogás producido por la materia orgánica al ser sometida a un proceso anaerobio depende de la composición del desecho utilizado.
El carbono y el nitrógeno son las principales fuentes de nutrientes para las bacterias formadoras de metano (metanogénicas). El carbono es la fuente de energía y el nitrógeno contribuye a la formación de nuevas células en el proceso.
La relación ideal de éstos es de 30:1 hasta 20:1. Si el nitrógeno presente es menor al necesario, se ve limitada la velocidad de producción de biogás; por otra parte, si está en exceso, se produce más amoníaco del requerido, el cual es tóxico e inhibidor del proceso.
Los desechos animales presentan una relación C:N menor a la óptima, debido a su alto contenido de nitrógeno; los residuos agrícolas, en cambio, contienen poco nitrógeno por lo que suele mezclarse con las excretas para obtener de este modo una óptima relación. Ver Figura 3.
Porcentaje de sólidos: Experimentalmente, se ha demostrado que una carga en el digestor que contenga entre un 7 y 9% de sólidos es la óptima para la digestión.
Del total de sólidos, normalmente entre un 70 y 90% son materia orgánica biodegradable, denominándose «sólidos volátiles».
pH: En operación normal de un digestor, el pH fluctúa entre 6.8 y 7.6 siendo un buen índice del equilibrio ecológico requerido.
Un aumento en el pH es índice de exceso de amoníaco; en tanto que una disminución en el pH es índice de un aumento en el contenido de ácidos grasos volátiles, lo que provoca una menor producción de biogás.
Agitación: Para que se produzca la digestión y se obtenga un buen rendimiento, debe haber un íntimo contacto entre los microorganismos y la materia prima o sustrato, por lo que es necesaria una agitación a la masa interna del digestor.
Esta agitación también ayuda a prevenir la formación de «natas» o «costras». La agitación puede obtenerse por medios mecánicos, por recirculación del contenido del digestor, o bien reinyectando por el fondo el biogás producido.
CARACTERÍSTICAS Y TIPOS DE DIGESTORES
Características del digestor
Para una buena operación, es necesario que el digestor reúna las siguientes características:
Tipos de digestores
Según su modo de operación, se clasifican en:
Digestores por lote
Se cargan de una vez en forma total, descargándose cuando han dejado de producir biogás o la biomasa está suficientemente degradada. Consisten en tanques herméticos con una salida de gas conectada a un gasómetro flotante, donde se almacena el biogás.
Digestores de régimen semi continuo
Es el tipo de digestores más usado en el medio rural, cuando se trata de sistemas pequeños para uso doméstico. Los que más difusión tuvieron en un principio fueron el tipo Chino y el tipo Hindú. Más adelante se han desarrollado nuevas tecnologías de diversas aplicaciones.
Digestores horizontales
Se construyen enterrados y son poco profundos y alargados, semejando un canal y de sección transversal circular, cuadrada o en «V». Se opera a régimen semi continuo y se recomienda cuando se requiere trabajar con volúmenes mayores a los 15 m3.
Digestores de régimen continuo
Fueron desarrollados principalmente para el tratamiento de aguas negras, extendiéndose su uso, en la actualidad, al manejo de otros sustratos. Por ser plantas muy grandes y contar con equipamiento apropiado, este tipo de plantas genera una gran cantidad de biogás, el que es aprovechado en aplicaciones industriales.
Otros tipos de digestores
En busca de una mayor eficiencia en la generación de biogás, se han desarrollado diversos tipos de digestores, entre ellos el filtro anaerobio, que proporciona grandes ventajas frente a los digestores convencionales (menor tiempo de retención), lográndose reducir en forma significativa el tamaño de la planta (con la consecuente disminución de costos de instalación y operación).
Otro sistema es el llamado de etapas múltiples, diseñados para aislar las bacterias, operando cada una de ellas en las condiciones óptimas para el tipo específico de bacterias, lográndose una mayor degradación de la materia orgánica con el consecuente aumento de la cantidad de biogás producido.
APLICACIONES
La principal aplicación agropecuaria de la Digestión Anaerobia se refiere al tratamiento de desechos de criaderos de animales estabulados o semiestabulados, como ser lecherías y criaderos de cerdos o de aves.
Sin embargo, no se puede descartar su aplicación en el procesamiento de desechos agrícolas o agroindustriales a partir de bagazos, cascarillas, rastrojos y otros residuos vegetales.
Sistemas de energía total
Desde el punto de vista energético, se ve con especial interés el analizar la posibilidad de un máximo aprovechamiento, sobre todo si se encuentra involucrada la generación de electricidad con un equipo electrógeno accionado por un motor de combustión interna que usa como combustible el biogás.
En este caso, resulta ideal la aplicación del principio del TOTEM (Total Energy Motor), en el cual se aprovechan los calores residuales del motor como medio de calefacción del biodigestor. Ver Figura 4.
Al respecto, se debe tener presente los rendimientos de los diferentes motores de combustión interna. Los datos necesarios para elaborar los balances de energía presentados, son valores medios dados por la literatura, cuando no han estado disponibles a partir de estudios cinéticos de Biodigestión Anaerobia de excretas de cerdo, realizados en los laboratorios de investigación del Departamento de Procesos Químicos de la Universidad Técnica Federico Santa María.
1.2. CONVERSIÓN MICROBIOLÓGICA DE BIOMASA EN COMBUSTIBLES LÍQUIDOS
Sin duda el proceso más conocido es el de la fermentación alcohólica a partir de azúcares fermentables (hexosas principalmente) y con la levadura Saccharomyces Cerevisiae. No se desarrollará en este trabajo, ya que existe profusamente publicaciones al respecto.
Sin embargo, dependiendo de los microorganismos y en parte también del sustrato, se han desarrollado procesos industriales desescalables a nivel rural, para la obtención de:
Industrialmente, se ha llegado a desarrollar procesos continuos de fermentación; pero a pequeña escala sigue siendo más conveniente el proceso Batch (por lotes).
Entre las materias primas susceptibles de fermentar a combustibles líquidos están:
| Etanol | Butanol/acetona | Butanol/isopropanol | Etanol/acetona |
|---|---|---|---|
Melaza | Melaza | Melaza | Melaza |
Licor sulfítico | Licor sulfítico | Licor sulfítico | Papas |
Pulpa de celulosa | Mazorcas de maíz | Caña de azúcar | Maíz |
Jugo de piña | Azúcares de madera | Azúcar cruda | Cáscara de maní |
Papel y prod. deriados | Cassava | Azúcar de madera | Cáscara de avena |
Desechos de cítricos | Prod.deriv.de almidones | Mazorcas | |
Camote | Azúcares de madera | ||
Harina de mandioca |
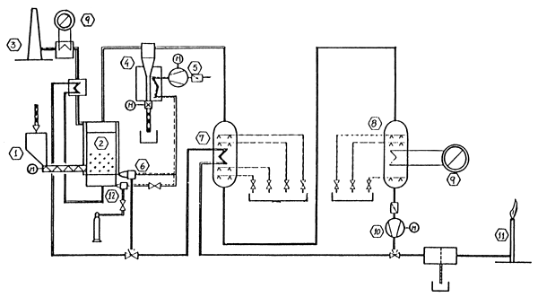
Un diagrama de planta industrial para la producción de butanol/acetona a partir de residuos de azucarera se muestra en la Figura 5.
Los últimos avances en la sacarificación de maderas y en general, en la hidrólisis de metales celulósicos, permite suponer un mayor desarrollo futuro de la fermentación de estos residuos a productos químicos útiles o combustibles.
2. PROCESOS TERMOQUÍMICOS
Son muy variados. A continuación, se describirán brevemente algunos de estos procesos a través de ejemplos aplicables a desechos agrícolas.
2.1 GASIFICACIóN DE BIOMASA
Se aplica principalmente a residuos leñosos o directamente a biomasa procedente de cultivos energéticos.
Las alternativas de aprovechamiento son varias y se ilustran en la Figura 6.

Figura 6: Rutas de Conversión Termoquímica de biomasa
Existen diferentes tecnologías disponibles y cabe dividirlas en pequeña y mediana escala. A pequeña escala (50 – 500 Kg/h) existen las siguientes, con diferentes disponibilidades de tecnología.
| Tipo de gasificador | Capacidad Kg/h |
| Lecho móvil en co-corriente | 50 –250 |
| En contra-corriente | 40 |
| De lecho fluidizado | 50 – 150 |
| De ciclón | 100 |
A mediana escala (500–5000 Kg/h) se pueden recomendar los siguientes, en general, disponibles en el mercado.
| Tipo de gasificador | Capacidad Kg/h | Presión bar |
| De lecho fluidizado | 2500 | 10 – 15 |
| De lecho fluidizado doble | 1000 | atmosférica |
| De lecho fluidizado circulante | 400 | atmosférica |
| De lecho móvil en co-corriente | 2000 | 10 – 15 |
| En contra-corriente | 1000 | atmosférica |
| 2500 | 10 |
PROCESO DE GASIFICACIÓN
Se describe un caso de gasificador co-corriente (de flujo descendente), combinado con motor tipo Diesel para uso de bombeo de agua.
El gasificador se puede alimentar con residuos de madera (en trozos mayores a 50×10×15 mm) o rastrojo de tabacalera, y tiene las siguientes características:
| Tipo | Flujo descendente (gas inducido) |
| Diámetro del hogar | 50 cm |
| Capacidad de flujo de gas | 12 Nm3/h |
El sistema usado para enfriar y purificar el gas pobre (producir gas) está descito junto con el motor (bomba de 3,7 KW), se muestra en la Figura 7.
El siguiente cuadro presenta los resultados obtenidos con diferentes residuos.
Datos de laboratorio de gasificador motor Diesel (3.7 KW)
A. Sistema gasificador, purificador y enfriador
| 1. | Flujo de gas | 10 | Nm3/h | |
| 2. | Velocidad de carga madera | 3.4 | Kg/h | |
| 3. | Caída total de presión | 60 | mm de H2O | |
| 4. | Temperatura zona combustión | 1100 | °C | |
| 5. | Temp. estabilizada del gas de salida del gasificador | 125 | °C | |
| 6. | Temp. del gas después de enfr. y purificado | Ambiente | ||
| 7. | Análisis de gas | % CO | 21.2 | |
| % H2 | 18.5 | |||
| 8. | Poder calorífico del gas | 1110 | Kcal/Nm3 | |
| 9. | Alquitrán en el gas | No detectable | ||
B. Motor
| Potencia Total KW | Veloc. Rpm | Tipo de Combustible | Cons.de combus. Kg/h | Relación aire/gas | Flujo gas pobre Nm3/h | Consumo Medio L/h | Reemp. Diesel % | |
| C/gas | S/gas | |||||||
| 3.7 | 1500 | Desechos de madera | 3.4 | 1.1 | 10 | 1.27 | 0.254 | 80 |
| 3.7 | 1500 | Madera de Babul | 3 | 1.1 | 10 | 1.14 | 0.149 | 87 |
| 3.7 | 1500 | Desechos de madera de Teca | 3 | 1.1 | 10 | 1.15 | 0.137 | 88 |
| 3.7 | 1500 | Rastrojo Tabaco | 3.13 | 1.1 | 10 | 1.11 | 0.278 | 75 |
No hay duda de que las productividades y características del gas producido varían según los residuos usados, no obstante este tipo de diseño tiene suficiente flexibilidad, además de ser portátil.
2.2 PROCESO DE PIRÓLISIS
Se describirá a continuación un proceso de pirólisis diseñado como planta móvil, especialmente indicado para el procesamiento de desechos leñosos (Ver Figura 8).
El sustrato leñoso, finamente desmenuzado (< 5 mm Æ), se descompone por efecto de alta temperatura en un lecho fluidizado entre 400 y 500 °C.
En el caso descrito, se usan chips de pino (abeto) con 20% de humedad, obteniéndose, con una carga de 300 Kg/h, los siguientes productos:
| Carbón de leña (82% C; 4% H) | 96 Kg/h |
| Ácido Acético | 8 Kg/h |
| Espíritu de madera (Metanol+Acetona+Metilacetato) | 3 Kg/h |
| Gases (CO2; H2; CH4) (34 Nm3/h) | 38 Kg/h |
| Alquitrán | 39 Kg/h |
| Agua | 116 Kg/h |
El carbón producido es muy fino y debe ser aglomerado (briquetado) para consumo en procesos productivos o domiciliarios, y tiene una temperatura de ignición de 200 a 250 °C. El poder calorífico fluctúa entre los 4500 y 5000 Kcal/Kg.
Los destilados son utilizados, principalmente, como solventes o reactivos químicos, así como también el alquitrán. No obstante, también pueden quemarse directamente o agregarse al petróleo combustible, en el caso del alquitrán.
La composición tipo de los gases es la siguiente: CO 36%; CH4 32%; H2 8%; CO2 24% Su poder calorífico medio es de 4000 Kcal/Nm3 0 4500 Kcal/Kg
2.3 PROCESO DE LICUEFACCIÓN
Este tipo de proceso existe desde hace largo tiempo, fue desarrollado en Sudáfrica por SASOL motivados por el boicot a la venta de petróleo a ese país, como consecuencia de su política de Apartheid.
El proceso SASOL se inicia con carbón como materia prima y pasa por gas de síntesis (CO+H2), el cual es convertido catalíticamente a hidrocarburos líquidos (C7 a C17), en una segunda etapa.
Se han desarrollado procesos similares, a partir de biomasa, y pasando también por un proceso pirolítico a gas de síntesis (1a etapa) y una posterior licuefacción en forma similar al proceso SASOL (2a etapa).
En el último tiempo, se han venido desarrollando procesos de pirólisis controlada, de tal manera de maximizar la producción de aceites combustibles, en una sola etapa, agregando una posterior fase de purificación para emular un combustible tipo Diesel. No obstante, conceptualmente no es otra cosa que un proceso de pirólisis de biomasa, que ya ha sido descrito con anterioridad.
El proceso de por sí es altamente complejo y de poca aplicabilidad para residuos variables de biomasa, aunque obviamente tiene un importante futuro si se considera el uso de cultivos energéticos (renovables) como materia prima.

Figura 1. Vías de Transformación de Desechos en Energéticos


Figura 2
| Material | % N (base seca) | % C (base seca) | C:N |
| Desechos Animales | |||
Bovinos | 1.7 | 30.6 | 18:1 |
Equinos | 2.3 | 57.6 | 25:1 |
Ovinos | 3.8 | 83.6 | 22:1 |
Porcinos | 3.8 | 76.0 | 20:1 |
Aves | 6.3 | 50.0 | 7.9:1 |
Excretas humanas | 0.85 | 2.5 | 3:1 |
| Desechos Vegetales | |||
Paja de trigo | 0.53 | 46.0 | 87:1 |
Paja de arroz | 0.63 | 42.0 | 67:1 |
Rastrojo de maíz | 0.75 | 40.0 | 53:1 |
Hojas secas | 1.00 | 41.0 | 41:1 |
Rastrojo de soya | 1.30 | 41.0 | 32:1 |
Figura 3. Relación Carbono: Nitrógeno de diversos desechos disponibles en el medio rural.


Figura 5.


Figura 7

Figura 8 : PLANTA MÓVIL PARA PIRÓLISIS DE DESECHOS (300 kG/H)
(Fritz Werner GMBH, Alemania)
Ing. Gerardo Almeida
Montevideo - Uruguay
GENERACION DE ENERGIA A PARTIR DE BIOMASA EN URUGUAY
1- PANORAMA ENERGETICO NACIONAL
La estructura de abastecimiento de energía en Uruguay, que se ilustra en el cuadro, muestra que los energéticos mas sensibles a las coyunturas económicas son el petróleo y la biomasa, ya que son los mas usados en la economía energética nacional.
Como muestra el cuadro l, el energético mas importante en la matriz nacional es el petróleo que presenta un 58.2% de participación, leña y biomasa con 22.5% e hidroelectricidad con un 19.3%. En los últimos 20 años se observa una participación decreciente del uso de derivados del petróleo que pasa del 68.8% a 58,2% lo que implica una disminución de divisas ya que en su totalidad es importado.
La leña por su parte, ha aumentado su participación en la matriz energética, fundamentalmente en los sectores residencial e industrial, debido a su viabilidad económica frente a los derivados del petróleo y electricidad.


2- PRODUCCION Y CONSUMO DE LEÑA Y RESIDUOS DE BIOMASA.
El término de leña se utiliza genéricamente para designar los productos forestales destinados a la producción de energía incluyendo no sólo madera en bruto, sino también los desechos que quedan en el bosque después de su cosecha y los desechos de los procesos industriales.
En Uruguay la leña y sus derivados ocupan un lugar importante en el abastecimiento energético con un consumo de 463.2 ktep del 22.5% que corresponde a 2 millones de metros cúbicos anuales, el cual representa un 79% del consumo de madera rolliza que se corta en el país.
El consumo de Biomasa (cáscara de arroz, cáscara de girasol y bagazo) del año 1995, es de 84.5 ktep lo que equivale al 1.5% del consumo final energético.
3- DISTRIBUCION SECTORIAL DEL CONSUMO DE LEÑA.
El consumo de leña y derivados, desagregado por sectores, para 1995 se muestra en el gráfico siguiente.
De acuerdo a estas cifras, se aprecia que el sector residencial tiene una participación del 65%, con un consumo de 301.7 ktep frente al 32% del sector industrial 150 ktep. El sector rural consume más energía a partir de la Biomasa que el urbano, ésto debido a la mayor disponibilidad de este producto en dicho sector y la dificultad de acceder a otras fuentes de energía.


4- POLITICAS Y LEGISLACION VIGENTES.
El mayor potencial de desarrollo de las energías no convencionales está en el ámbito rural.
La política adoptada para el área de energías no convecionales, entre las que se incluye la biomasa para la producción de vapor y cogeneración de electricidad, es coherente con la estrategia energética nacional.
La política forestal ha estimulado en los últimos años un aumento en el área implantada de bosques de alto rendimiento de alrededor de 200.000 hectáreas, esto trae como consecuencia una menor presión sobre los bosques nativos para la extracción de madera con fines energéticos.
La utilización de la leña y residuos forestales en instalaciones no provoca impacto ambiental negativo importante sobre el medio ambiente, en la medida que el manejo sea el apropiado en cuanto al control de las variables que aseguren la combustión.
Por otra parte la utilización de los residuos generados en los aserraderos provoca un impacto positivo, puesto que la utilización de los mismos disminuye la contaminación del medio ambiente. Los residuos en muchos establecimientos se queman en condiciones que provocan contaminación del medio ambiente por falta de control en dicha combustión, lo que trae como consecuencia una alta emisión de partículas y de CO.
CONCLUSIONES
En Uruguay existe disponibilidad de residuos biomásicos que permiten su uso racional y con perspectiva de satisfacer demandas energéticas rurales pequeñas, aisladas y diversas en el futuro.
Existe en el país tecnología apropiada para realizar emprendimientos energéticos a partir de la madera como combustible, pero tiene carácter de limitado en el país y es de interés bajar los costos con la finalidad de inserción en el medio productivo.
Se deben incentivar mecanismos tendientes a difundir las tecnologías involucradas en la generación de energía a partir de biomasa y de sus beneficios en la economía nacional.
Implementar mecanismos de difusión en forma intensiva en relación al desarrollo de proyectos en los órdenes económico, técnico y ambiental en relación al uso de Biomasa
Dr. Alfredo Curbelo Alonso
Dra. Bárbara Garea Moreda
Agencia de Ciencia y Tecnología - Cuba
INTRODUCCION
La introducción de la biomasa como fuente de energía en el mercado energético se dificulta desde el punto de vista tecnológico por:
Sus características físicas: Baja densidad, forma y tamaño irregular, bajo poder calórico.
Necesidad de preparación como combustible.
Los costos de inversión de la mayoría de las tecnologías comerciales hasta el momento son altos.
Las tecnologías dirigidas a lograr el uso competitivo de la biomasa como combustible en un mayor número de casos están en desarrollo.
A continuación se muestra por medio de esquemas la situación actual de las tecnologías comerciales y en desarrollo, dirigidas al uso de la biomasa como combustible.

EQUIPOS Y DISPOSITIVOS PARA EL USO FINAL DE LOS BIOCOMBUSTIBLES

CONVERSION DE MATERIALES LIGNOCELULOSICOS EN COMBUSTIBLES SOLIDOS
| PRODUCTO | ESTATUTOS DE DESARROLLO | USO EN AMERICA LATINA | CARACTERISTICAS | |
|---|---|---|---|---|
| • POLVO • ASTILLAS • PELLETS • BRIQUETAS • PACAS | • | Aumenta el costo. | ||
| COMERCIAL | BAJO | • | Aumenta la eficiencia del uso final. | |
| SUECIA: | • | Facilita su empleo incluyendo la escala doméstica. | ||
| • 14 plantas de briquetas con capacidad total de 220 Mt/año. | ||||
| • 15 plantas de pellets con capacidad de 555 Mt/año. | ||||
| • 6 plantas de polvo de madera con capacidad de 200 Mt/año. | ||||
| • LEÑOS | COMERCIAL | ALTO | • | Dificulta el empleo final en dispositivos de alta eficiencia. |
| • CARBON VEGETAL | COMERCIAL | ALTO | • | Disminuye la eficiencia energética de la cadena de uso. |
USO DIRECTO DE LOS COMBUSTIBLES SOLIDOS

CONVERSION DE LOS COMBUSTIBLES SOLIDOS

USO DIRECTO BIOFUELS
| APLICACION | PRODUCTO | ESTATUS | OBSERVACIONES | LIMITACIONES |
|---|---|---|---|---|
| HORNOS Y CALDERAS | BIOCOMBUSTIBLES A PARTIR DE LA PIROLISIS | DESARROLLO DEMOSTRATIVO | UNION FENOSA ENLITALIA | BAJO PODER CALORICO CORROSION INESTABILIDAD CALIDAD COSTO |
| MOTORES DE COMBUSTION INTERNA | BIOCOMBUSTIBLES A PARTIR DE LA PIROLISIS | I & D | SE TRABAJA EN | |
• Mejorarlo hasta calidades de gasolina o diesel | ||||
• Motores específicos para este combustible | ||||
| ALCOHOL ETILICO | COMERCIAL | BRASIL | RELACION COSTO/BENEFICIO | |
| ACEITE VEGETAL TRANESTERIFICADO | DEMOSTRATIVO | FRANCIA | RELACION COSTO/BENEFICIO |
USO DE LOS COMBUSTIBLES GASEOSOS
| APLICACION | PRODUCTOS | ESTADO DESARROLLO | LIMITACIONES |
|---|---|---|---|
| HORNOS Y CALDERAS | • Biogás • Gas pobre • Biogás, Metano | Comercial | • Relaciones costo/beneficio |
| MOTORES DE COMBUSTION INTERNA | • Gas pobre • Hidrógeno | Demostrativo/desarrollo | • Calidad del gas |
| I & D | • Disminución del costo del hidrógeno | ||
| TURBINAS DE GAS | Biogás, metano | Desarrollo | • Relación costo/beneficio, por el factor de escala (turbinas y plantas) |
| CELDAS COMBUSTIBLES | Metano | Demostrativo/desarrollo | • Costos celdas • Equipamiento para la conversión |
| Hidrógeno | • Conversión de metano a hidrógeno • Costos celdas• Costos del H2 |
RESUMEN DEL ESTADO DE LAS TECNOLOGIAS PARA EL APROVECHAMIENTO ENERGETICO DE LA BIOMASA
| Estado de madurez | Tecnología | Conclusiones |
|---|---|---|
| • COMERCIAL | • Producción de combustibles mejorados a partir de residuos lignocelulósicos. | • Producir biocombustibles sólidos de calidad. |
• Hornos y calderas de alta eficiencia que utilizan estos productos como combustibles. | • Explotar con beneficios económicos hornos y calderas utilizando biocombustibles sólidos. | |
• Gasogeneradores para la producción de gas en sustitución de fuel oil y diesel en hornos y calderas. | ||
• Conversión de hornos y calderas de combustibles líquidos a biocombustibles sólidos. |
CONCLUSIONES
La utilización de la biomasa para el accionamiento de hornos y calderas y la generación de electricidad a mediana escala cuenta con tecnologías comerciales que son competitivas en el uso de hidrocarburos. A mediano plazo debe estar lista la tecnología de gasificación de la biomasa para aplicaciones de ciclos combinados de generación de electricidad.
El accionamiento de motores de combustión interna utilizando biocombustible como el alcohol y los aceites vegetales es tecnológicamente madura pero limitada su aplicación por interés de rentabilidad. Está en desarrollo la producción de combustibles a partir de los productos de la pirólisis de la biomasa.
La generación de electricidad a pequeña escala utilizando la biomasa aún no cuenta con tecnologías comerciales, existen las condiciones para que en dependencia de la presión del mercado mundial comercialmente las tecnologías de gasificación, a mediano plazo las aplicaciones de motores Stirling y algo mayor, el uso integrado de celdas combustibles.