PLUVIOMETRIE (moyennes annuelles en mm)
| Localité | 1988 | 1989 | 1990 | 1991 | 1992 | 1993 | MOY./AN |
| Conakry | 4516 | 3285 | 3817 | 3812 | 4453 | 2907 | 3798 |
| Boké | 2278 | 1886 | 1925 | 2701 | 2707 | 2018 | 2253 |
| Kindia | 1903 | 1906 | 1649 | 1821 | 2124 | 1714 | 1853 |
| Labé | 1346 | 1376 | 1505 | 1722 | 1454 | 1328 | 1455 |
| Mamou | 1556 | 1695 | 1661 | 1450 | 1243 | 1505 | 1518 |
| Koundara | 956 | 885 | 989 | 932 | 120 | 848 | 788 |
| Kankan | 1030 | 1397 | 1506 | 1265 | 1 421 | 1307 | 1321 |
| Faranah | 1212 | 1570 | 1 177 | 1378 | 1376 | 1518 | 1372 |
| Siguiri | 824 | 908 | 1288 | 1015 | 1 191 | 863 | 1015 |
| N'Zérékoré | 1910 | 1944 | 1699 | 1780 | 1768 | 1712 | 1802 |
| Kissidougou | 1 573 | 2205 | 1596 | 1786 | 1694 | 1956 | 1801 |
| Macenta | 2844 | 1918 | 2381 | 2490 | 2729 | 2250 | 2435 |
| Guinée maritime | 2899 | 2359 | 2464 | 2778 | 3094 | 2213 | 2634 |
| Moyenne Guinée | 1286 | 1319 | 1385 | 1368 | 939 | 1227 | 1254 |
| Haute Guinée | 1022 | 1292 | 1323 | 1219 | 1329 | 1229 | 1236 |
| Guinée forestière | 2109 | 2022 | 1892 | 2018 | 2064 | 1973 | 2013 |
NOMBRE DE JOURS DE PLUIE (moyennes annuelles)
| Localité | 1988 | 1989 | 1990 | 1991 | 1992 | 1993 | MOY./AN |
| Conakry | 131 | 124 | 133 | 167 | 146 | 146 | 1 41 |
| Boké | 129 | 120 | 119 | 1 15 | 127 | 1 1 1 | 120 |
| Kindia | 127 | 143 | 135 | 120 | 1 51 | 137 | 136 |
| Labé | 1 10 | 128 | 135 | 1 17 | 1 25 | 135 | 125 |
| Mamou | 143 | 143 | 139 | 145 | 1 51 | 150 | 1 45 |
| Koundara | 67 | 78 | 84 | 84 | 73 | 84 | 78 |
| Kankan | 98 | 106 | 1 14 | 101 | 1 08 | 128 | 109 |
| Faranah | 108 | 1 15 | 125 | 1 1 1 | 1 21 | 1 19 | 1 17 |
| Siguiri | 78 | 69 | 98 | 81 | 91 | 68 | 81 |
| N'Zérékoré | 164 | 146 | 175 | 181 | 1 55 | 179 | 167 |
| Kissidougou | 1 13 | 130 | 129 | 1 52 | 169 | 162 | 143 |
| Macenta | 167 | 157 | 162 | 167 | 156 | 177 | 164 |
| Guinée maritime | 1 29 | 129 | 129 | 134 | 141 | 131 | 132 |
| Moyenne Guinée | 107 | 116 | 119 | 1 15 | 1 16 | 123 | 1 16 |
| Haute Guinée | 95 | 97 | 1 12 | 98 | 107 | 105 | 102 |
| Guinée forestière | 148 | 144 | 155 | 167 | 160 | 173 | 158 |
TEMPERATURES (moyennes annuelles des maxima en °C)
| Localité | 1988 | 1989 | 1990 | 1991 | 1992 | 1993 | MOY./AN |
| Conakry | 30.10 | 30.00 | 29.80 | 30.00 | 29.90 | 28.00 | 29.63 |
| Boké | 33.50 | 33.70 | 34.00 | 34.00 | 32.60 | 31.30 | 33.18 |
| Kindia | 31.00 | 31.50 | 31.30 | 31.40 | 31.00 | 28.70 | 30.82 |
| Labé | 29.00 | 28.70 | 29.30 | 29.60 | 29.80 | 26.70 | 28.85 |
| Mamou | 29.80 | 29.20 | 29.70 | 29.70 | 29.50 | 27.50 | 29.23 |
| Koundara | 33.10 | 33.90 | 34.90 | 35.20 | 34.40 | 31.80 | 33.88 |
| Kankan | 33.40 | 33.40 | 33.70 | 33.60 | 33.20 | 30.80 | 33.02 |
| Faranah | 32.00 | 31.80 | 32.20 | 31.10 | 32.30 | 29.60 | 31.50 |
| Siguiri | 30.50 | 36.10 | 37.10 | 38.40 | 36.90 | 32.00 | 35.17 |
| N'Zérékoré | 30.00 | 30.80 | 30.10 | 30.00 | 32.50 | 28.10 | 30.25 |
| Kissidougou | 31.10 | 30.80 | 31.10 | 30.90 | 30.80 | 28.60 | 30.55 |
| Macenta | 30.30 | 29.80 | 30.50 | 30.40 | 30.40 | 27.80 | 29.87 |
| Guinée maritime | 31.53 | 31.73 | 31.70 | 31.80 | 31.17 | 29.33 | 31.21 |
| Moyenne Guinée | 30.63 | 30.60 | 31.30 | 31.50 | 31.23 | 28.67 | 30.66 |
| Haute Guinée | 31.97 | 33.77 | 34.33 | 34.37 | 34.13 | 30.80 | 33.23 |
| Guinée forestière | 30.47 | 30.47 | 30.57 | 30.43 | 31.23 | 28.17 | 30.22 |
TEMPERATURES (moyennes annuelles des minima en °C)
| Localité | 1988 | 1989 | 1990 | 1991 | 1992 | 1993 | MOY./AN |
| Conakry | 23.00 | 22.80 | 22.90 | 22.90 | 23.10 | 21.40 | 22.68 |
| Boké | 21.50 | 21.30 | 21.60 | 21.40 | 21.50 | 18.20 | 20.92 |
| Kindia | 20.30 | 19.90 | 20.30 | 20.80 | 20.60 | 18.80 | 20.12 |
| Labé | 14.80 | 14.70 | 14.90 | 14.80 | 15.20 | 14.00 | 14.73 |
| Mamou | 18.20 | 17.10 | 18.30 | 16.80 | 16.40 | 15.60 | 17.07 |
| Koundara | 21.10 | 21.10 | 22.20 | 21.10 | 21.10 | 20.00 | 21.10 |
| Kankan | 20.70 | 17.90 | 20.30 | 20.30 | 20.10 | 20.50 | 19.97 |
| Faranah | 19.30 | 19.80 | 19.50 | 19.70 | 19.20 | 17.70 | 19.20 |
| Siguiri | 19.60 | 18.30 | 17.50 | 18.60 | 18.00 | 19.10 | 18.52 |
| N'Zérékoré | 19.40 | 16.40 | 18.80 | 19.90 | 19.80 | 18.30 | 18.77 |
| Kissidougou | 18.00 | 16.40 | 17.50 | 18.90 | 19.70 | 17.10 | 17.93 |
| Macenta | 18.10 | 17.40 | 16.00 | 18.10 | 17.30 | 16.40 | 17.22 |
| Guinée maritime | 21.60 | 21.33 | 21.60 | 21.70 | 21.73 | 19.47 | 21.24 |
| Moyenne Guinée | 18.03 | 17.63 | 18.47 | 17.57 | 17.57 | 16.53 | 17.63 |
| Haute Guinée | 19.87 | 18.67 | 19.10 | 19.53 | 19.10 | 19.10 | 19.23 |
| Guinée forestière | 18.50 | 16.73 | 17.43 | 18.97 | 18.93 | 17.27 | 17.97 |
- Localisation: Guinée Maritime -/- Préfecture de Kindia, “voile de la mariée”. Exploitant du site: opérateur privé
- Caractéristiques du site: anciens étangs abandonnés, en dérivation, peu profonds, pourvus d'un moine en mauvais état, alimentés en eau par une chute d'eau à vocation touristique (“voile de la mariée”) collectée par un petit barrage déversoir, puis un canal d'alimentation qui dessert 5 étangs.
| - Paramètres physico-chimiques relevés à 11H40: | pH: | 6,8 |
| T°eau: | 24,5°C | |
| O2: | sat. |
- Schéma du site:

- Description des activités en cours: 5 étangs en dérivation, abandonnés, font l'objet de pêches collectives après la saison des pluies. Le remplissage des étangs ne se fait plus actuellement que par inondation et pluies. On observe dans la rivière des Hémichromis et des Ctenopoma. Pas d'activité piscicole proprement dite. Le site, proche de Conakry (50 km), reçoit 3 000 visiteurs par an et possède une capacité d'hébergement de 33 personnes (11paillottes de 3 places).
- Observations: Le site a une vocation touristique indiscutable, qu'il pourrait perdre s'il était aménagé en centre de production piscicole associé ou non à d'autre élevages. La proximité de Conakry rend le poisson de pisciculture difficile à produire à un prix compétitif du poisson pêché en mer. Les étangs sont peu profonds, mais faciles à remettre en état.
- Recommandations: ce site ne constitue pas une priorité dans le développement piscicole. Il serait souhaitable d'en renforcer l'attrait touristique par l'aménagement des étangs en pièces d'eau décoratives où une collection de plantes aquatiques (nénuphars…) pourrait être installée avec quelques poissons consommateurs de larves de moustiques et quelques oiseaux en semi-liberté.
- Localisation: Haute Guinée -/- Préfecture de Faranah, retenue de Founkama (4,5 ha). Exploitant du site: Institut Supérieur Agro-Vétérinaire (ISAV/VGE)
- Caractéristiques du site: barrage - retenue collinaire permanente de 4,5 ha pourvue d'un déversoir et d'un dispositif de vidange (vanne), destinée à l'irrigation de parcelles rizicoles en aval.
Deux étudiants ont entrepris un
essai d'élevage de Tilapia en cage posée de 4 m2 pour expérimenter
les possibilités d'élevage de poissons en cage dans la retenue (mémoire de fin
d'étude).
| - Paramètres physico-chimiques relevés à 18H10: | pH: | 6,9 | à 8H20: | 6,2 |
| To: | 32°C | 27°C | ||
| 02: | 5, 8 ppm | 5,1 ppm |
- Schéma du site: (voir photo № 3)

- Description des activités en cours: une cage posée (en bois et filet) de 4 m sur 4 m a été empoissonnée le 18/12/95 avec 338 “Tilapias sps“ non sexés d'un poids moyen de 45 gr toutes espèces confondues (T. zilii, S. galilaeus, O. niloticus ; proportions inconnues). Suite à la surpopulation observée dans la cage ( reproduction et introduction de poissons sauvages à travers les mailles de la cage) 20 Clarias gariepinus d'un poids individuel compris entre 15 et 50 gr ont été volontairement introduits le 14/3/96. Les poissons sont nourris quotidiennement avec un mélange d'aliments contrôlé et pesé; les poissons sont pesés à la mise en charge et à la récolte pour permettre le calcul d'un rendement et d'un coefficient de transformation.
- Observations: même avec un très bon suivi, des expériences de ce type en cage posée (volume d'eau variable) avec plusieurs espèces en proportions inconnues (dans une retenue surpeuplée en petits poissons de différentes espèces qui traversent la cage en permanence et consomment une partie de l'aliment distribué) sont impossibles à interprèter.
La retenue elle-même n'est pas entièrement maîtrisable car plusieurs mares résiduelles en amont contiennent de nombreuses espèces de poissons sauvages qui se reproduisent et sont régulièrement balayées par les crues dans la retenue.
- Recommandations:
• Si d'autres essais d'élevage en cage sont entrepris dans le cadre de travaux de fin d'étude, il serait souhaitable de limiter les facteurs de variations: hauteur d'eau, espèces piscicoles, poids moyen individuel, sexe etc… Dans cette optique nous recommandons la confection et l'usage de cages flottantes à petites mailles (volume immergé constant et introductions de poissons extérieurs limitées) et l'élevage d'une seule espèce à la fois, représentée par des individus de même taille/poids et si possible, de même sexe (quand poids moyen supérieur ou égal à 50 gr).
Les cages flottantes peuvent être construites en matériaux locaux:bambou, bidons - flotteurs de 20 litres et filets à maille de 5 mm (voir bibliographie en fin de note technique).
• La surpopulation en petites espèces (Barbus, Cichlidae…) constatée dans la retenue pourrait avantageusement être contrôlée par des prédateurs comme: Clarias gariepinus, Heterobranchus longifilis, Lates niloticus, Parachanna obscura (à n'introduire dans la retenue que s'ils sont présents dans le bassin au sens large) en contrôlant leur nombre et leur croissance par des pêches régulières à la palangre appâtée à gros hameçons pour n'extraire de la retenue que les specimens de grande taille.
• Les recherches programmées (pour le futur) en matière de rizipisciculture en aval de la retenue doivent tenir compte de la présence (dans la retenue) de T. zillii (espèce phytophage susceptible de causer des dégâts considérables sur les jeunes plants de riz). Dans cette optique, nous recommandons de démarrer prudemment ce programme par des essais (très localisés et isolés des autres parcelles rizicoles) d'évaluation des dégâts occasionnés par ces poissons indési rables mais définitivement présents dans la retenue et en amont de celle-ci. Un schéma d'aménagement de parcelle rizipiscicole est figuré ci-dessous.
Modèle d'aménagement rizipiscicole à expérimenter:
- empoissonnement:25 à 50 alevins par are de rizipisciculture
- nourrissage au son de riz (125 à 250 gr par are de parcelle rizicole par jour)
- la hauteur du plan d'eau dans la parcelle suit le riz au 1/5° de sa hauteur

- Localisation: Guinée Forestière -/- Préfecture de Yomou, s/p Diécké, station de Gwi.
Exploitant du site: Société Guinéenne d'exploitation du Palmier et de l'Hevea-SOGUIPAH Responsables aquaculture: Mr Sékou Touré et Mme Sow Née.
- Caractéristiques du site: une des 46 retenues d' 1 ha aménagée par la SOGUIPAH pour l'irrigation du riz dans la préfecture de Yomou a servi de base à l'installation d'une petite station de pisciculture expérimentale susceptible de permettre l'identification de techniques valorisant les retenues rizicoles par la production complémentaire de poisson et de produire assez d'alevins pour empoissonner ces retenues.
- Paramètres physico-chimiques relevés entre 14H15 et 15H30:
| • Dans la retenue: | pH: | 6 |
| To: | 30,4°C | |
| O2: | 3, 1 ppm | |
| Secchi: 44 cm | ||
| • Dans les étangs: | pH: | 7,5 à9 |
| To: | 30 à 34°C | |
| O2: | 5 ppm à sat. | |
| Secchi: 5 à 7 cm | ||

- Schéma du site:
1 retenue collinaire de 1 ha (approximation)
1 étang de stock de 2 ares
5 étangs (en dérivation) de 4 ares
2 étangs (en dérivation) de 6 ares
2 étangs (vid. en série) de 4 ares
- Description des activités en cours:
Les étangs en dérivation sont utilisés pour la reproduction, le prégrossissement et le grossissement de l'espèce O. niloticus importé de Côte d'Ivoire selon les schémas de production suivants:
• reproduction: 150 femelles (pm 2lgr) et 50 mâles (pm 49gr) par étang de 4 ares
- alimentation: 12 kg de son par jour et par étang de 4 ares
- fertilisation: 12 kg de fientes par semaine et par 4 ares
- 1o pêche après 1 mois à l'aide de 2 sennes (1 senne de 12 mm pour enlever les géniteurs, puis 1 senne de 8 mm pour prélever les plus gros alevins); production estimée à 10 000 alevins de 0,2 à 0,5 gr avec une mortalité de 15 à 30% due aux manipulations et à la petite taille des alevins produits (récoltés trop tôt).
• Etangs de prégrossissements: 10 alevins de 0,2 à 0, 5 gr par mètre carré, étangs de 4 ares
- alimentation: 12 kg de son par jour et par 4 ares et un sac de 80 kg de fientes poules pondeuses mélangées à des brisures de maïs sur 2 mois d'élevage.
- récolte des alevins à 20 – 25 gr (après 2 mois) par sennage, puis empoissonnement des retenues expérimentales.
- Observations:
- l'intérêt manifesté par le projet intégré SOGUIPAH (palmier-hévea-riz) pour une augmentation de la productivité piscicole des retenues rizicoles représente un atout très positif pour le développement de la pisciculture en Guinée forestière: l'identification d'une méthode de production piscicole semi - extensive permettant l'obtention de rendements compris entre 1 et 2 tonnes/ha/an sur 46 retenues d' 1 ha représente un potentiel de démarrage non négligeable (50 à 100 tonnes /an) que beaucoup de pays africains ont mis longtemps à obtenir.
- les paramètres physico-chimiques mesurés à la station piscicole de Gwi confirment qu'à partir d'une eau légèrement acide (pH =6 dans la retenue), il est facile d'obtenir une eau favorable aux productions piscicoles dans des étangs en dérivation avec des techniques simples de fertilisation des eaux (déjections animales, son de riz). Les mesures effectuées au disque de Secchi indiquent toutefois que tous les étangs sont sur-fertilisés (transparence comprise entre 5 et 7 cm au lieu de 20 à 30 cm) ce qui risque d'affecter la croissance des poissons par manque d'oxygène la nuit (compétition phytoplancton-poisson en matière de consommation d'oxygène pendant la nuit). Ce diagnostic est confirmé par le dosage alimentaire excessif constaté dans tous les étangs: 2 à 3 fois supérieur à la normale (voir description des activités en cours).
- la taille et le poids des géniteurs utilisés sont très faible; la quantité d'oeufs par ponte est fonction du poids individuel des femelles et varie de 300 à 3000 par femelle et par ponte. Sachant que les très grosses femelles ont un comportement agressif vis à vis des mâles et une fréquence de ponte réduite, le poids moyen idéal des géniteurs se situe entre 150 et 250 gr.
- Recommandations:
• Il faut diminuer de moitié les quantités d'aliments et de fertilisants utilisés dans tous les étangs pour éviter la surfertilisation des étangs, les mortalités de poisson et le gaspillage d'aliments, en contrôlant la transparence de l'eau au disque de Secchi (disponible à la station de Gwi) pour ajuster les dosages.
• Il faut utiliser des géniteurs d'un poids moyen compris entre 150 et 250 gr pour optimiser l'alevinage. La mise en charge idéale des étangs de 4 ares expérimentée par J. Lazard consiste à prendre 70 mâles (150 à 200 gr) pour 200 femelles (150 à 250 gr). L'alimentation recommandée consiste à déverser 4 kg de son par jour et par étang de 4 ares et un kg supplémentaire de tourteaux de palmiste par jour dès l'apparition des premiers alevins sur les bords de l'étang.
• Pour éviter les mortalités élevées d'alevins à la récolte, il est souhaitable de ne pêcher à la senne qu'après 2 à 3 mois dans l'étang de reproduction, ou mieux encore, de vider complètement le bassin après 3 mois, sans prélèvements intermédiaires. Cette méthode, par sa simplicité, est plus facilement vulgarisable auprès des pisciculteurs privés; elle fournit des alevins plus gros et plus rustiques.
• Il faut renforcer les systèmes de protection contre les introductions de poissons étrangers (T.Zillii, H. bimaculatus, etc…) à partir du canal d'alimentation en eau par la mise en place (dans chaque étang à l'entrée d'eau) de boîtes de capture en toile moustiquaire à contrôler tous les jours.
- Localisation: Guinée Forestière -/- Préfecture de Yomou, s/p Diecke, station de Gwi.
Exploitant du site: Société Guinéenne d'exploitation du Palmier et de l'Hevea-SOGUIPAH Responsables aquaculture: Mr Sékou Touré et Mme Sow Née.
- Caractéristiques du site: les 2 étangs de 4 ares vidangeables en série font l'objet d'un protocole expérimental de grossissement d'Oreochromis niloticus sexés en acadja - bambous fertilisés, financé par la Communauté Européenne et supervisé par Mr Hem Saurin. (Projet 7 GUI 60 - CEE/ORSTOM).
| - Paramètres physico-chimiques: | pH: | 8,5 à 9 |
| To: | 30 à 34°C | |
| O2: | 5 ppm à sat. | |
| Secchi: 5 à 7 cm | ||
- Schémas: (voir fiche № 3 et photo № 4)

- Description des activités en cours: Dans ces 2 étangs fertilisés à partir de bambous fourrés aux fientes de volailles (480 kg de fientes par étang de 4 ares, répartis dans des bambous “plantés” à 2 densités différente: 4 par m2 et 2 par m2) des alevins mâles d'O. niloticus (pm:25 gr) sont placés en grossissement pendant 6 mois et nourris au son de riz (alimentation complémentaire à dose unique de 3 kg de son par jour et par 4 ares). Cette méthode d'inspiration béninoise, mise au point et utilisée récemment avec succès en lagune ivoirienne (milieu ouvert) est utilisée en Guinée pour la première fois en étang (milieu fermé) dans le but de tester une nouvelle forme de pisciculture rurale semi-extensive.
- Observations: Les résultats de croissance individuelle constatés après 100 jours dans le premier étang fertilisé par la méthode acadja - bambou sont excellents : 1,5 gr de croît journalier par individu (O. niloticus de 25,5 à 175 gr).
Ils s'expliquent toutefois par:
- la faible densité à la mise en charge (1 alevin de 25,5gr /m2 ),
- le sexage (quoique très difficile, voire impossible sans un grand pourcentage d'erreur, avant 50 gr), les O. mâles ayant une croissance très supérieure à celle des femelles,
- la forte charge en matières organiques des bambous (480 kg de fientes de volaille représentent à eux seuls une production potentielle de 60 à 70 kg de poisson),
- une alimentation complémentaire abondante en son de riz :
3kg/jour/4 ares représentent un dosage alimentaire à 29,4% de la biomasse de départ pour 400 poissons de 25,5 gr et 4,3% de la biomasse des 400 poissons de 175 gr; les 300 kg de son représentent donc une production additionnelle potentielle de 38 kg de poisson pour un coefficient de transformation de 8.
Le rendement net calculé pour 4 ares sur 100 jours est de 59,8 kg (soit 54,6 kg/are/an) alors que les quantités d'aliments/fertilisants déversés dans l'étang pendant ces 100 jours permettent d'obtenir 98 kg de poissons par d'autres méthodes plus classiques (soit 89,5 kg/are/an).
Compte tenu de tous ces facteurs, tout en admettant qu'il reste une bonne partie des fientes stockées dans les bambous en réserve après 100 jours, ce rendement (en biomasse) peut être facilement obtenu sans bambou, par des dosages quotidiens de fertilisants et de son de riz dans des étangs bien gérés, avec la même quantité totale d'intrants répartis différemment dans le temps, et sans avoir à effectuer ce travail long et fastidieux de mise en place de bambous fourrés et plantés.
Cette méthode de production présente un avantage anti-vol évident (les bambous plantés gènent le braconnage dans les étangs) et permet d'assurer un volant de sécurité en matière de réserve assurée de fertilisants (une fois le gros travail d'installation des bambous fourrés accompli). Par contre l'alimentation complémentaire et quotidienne en son de riz impose de toute façon un déplacement journalier du pisciculteur et le travail de découpe, de transport, de garnissage en fientes et de plantation des bambous en étang représente une dépense d'énergie considérable, quand on suppose que la même quantité d'intrants dans une pièce d'eau fermée doit produire la même quantité de poissons.
La quantité de bambou nécessaire en phase d'extension de cette méthode, représenterait 20 km linéaire de bambou par ha ( à 1bambou de 2 m de long par mètre carré) à 120 km linéaire par ha (à 6 bambous de 2m par mètre carré). D'autre part, les quantités de fientes de volailles disponibles en Guinée forestière (480 kg/are ou 12 tonnes par ha) constituent un deuxième facteur limitant la vulgarisation d'une telle méthode.
- Recommandations:
• Des expériences témoins devraient être mises en parallèle aux essais acadja-bambou, toutes conditions égales (quantité d'intrants sur la période inclu, à l'exception des bambous nus) pour pouvoir choisir la (ou les) méthodes à vulgariser ultérieurement après plusieurs répétitions. Pour compléter l'information sur l'effet bénéfique du bambou refuge en étang, des essais avec alimentation des poissons au son de riz et bambous nus (sans fertilisant à l'intérieur) devraient être entrepris, puis comparés aux mêmes essais sans bambou (toute autre condition étant égale).
• Il parait souhaitable de ne tenter un sexage manuel des mâles qu'après une différenciation sexuelle plus visible qu'à 25 gr de poids moyen pour rendre cette opération délicate plus performante et moins aléatoire; un poids moyen minimum de 50 gr, en écartant tout individu de sexe douteux, semble plus réaliste.
• Des études de coût d'opportunité doivent être entreprises (avec et sans appui logistique de la SOGUIPAH), pour justifier ou non un tel travail de préparation des étangs en acadja-bambou en milieu fermé: horaire et main d'oeuvre nécessaire par unité de surface (transport, découpe, fourrage, installation dans l'étang etc…) et coûts correspondants en argent ou en nature (valeur poisson à déduire de la production pour payer la main d'oeuvre).
• Cette méthode, intéressante du point de vue technique, devrait principalement être expérimentée en milieu ouvert (retenues rizicoles à courant d'eau continu en saison des pluies).
- Localisation: Guinée Forestière - /- Préfecture de Yomou, s/p Diecke, diverses retenues.
Exploitants des sites: Société Guinéenne d'exploitation du Palmier et de l'Hevea-SOGUIPAH et divers groupements rizicoles privés.
- Caractéristiques des sites: 7 retenues rizicoles complémentaires sur les 46 mises en place par la SOGUIPAH ont été visitées par la mission. Toutes les retenues ont en commun d'être alimentées en eau par un courant continu 9 mois sur 12 (système ouvert), d'être équipées d'un déversoir central de crue et d'être envahies par des espèces piscicoles locales dont T. zillii (espèce phytophage susceptible de brouter le riz) et H. bimaculatus (prédateur d'oeufs et d'alevins ).
- Paramètres physico-chimiques relevés dans les retenues:
| Nom de la retenue | Superficie | Date et heure | pH | T° | 02 dissous | Secchi | |
| Koïmpa | 1 ha | 21/3/96: | 16H15 | 6,5 | 31°C | 3,5 ppm | 37 cm |
| Bala 5 | 0,233 ha | 21/3/96: | 16H55 | 6,5 | 32°C | 3,5 ppm | 36 cm |
| Bala 2 bis | approx. 0,5 ha | 21/3/96: | 17H15 | 6,5 | 33°C | 3,8 ppm | 35 cm |
| Bala 2 | 1,75 ha | 21/3/96: | 17H30 | 6,0 | 32°C | 2,8 ppm | 33 cm |
| Pé Gbairy | 1.4 ha | 22/3/96: | 8H30 | 6,3 | 28°C | 2,9 ppm | 38 cm |
| Alphonse Bereton | 3 étgs +/-3ha | 22/3/96: | 9H10 | 6,0 | 29°C | 3,0 ppm | 35 cm |
| Bala 1 | 0,575 ha | 22/3/96: | 9H45 | 6,0 | 29°C | 3,2 ppm | 35 cm |
- Schémas:

- Description des activités en cours: la plupart des retenues sont construites et aménagées sur le modèle de base SOGUIPAH ; certaines sont empoissonnées telles qu'elles sont en O. niloticus et alimentées en son de riz: comme Bala 1, Bala 2 (qui a produit 3 tonnes en 1994), Bala 5, et Bereton. L'inconvénient majeur réside dans la perte d'aliments/ fertilisants par le déversoir. Celle de Pé Gbairy est partiellement et récemment aménagée en acadja-bambou (4 000 bambous fourrés à 540 kg de contenu de panse sur 40 ares); elle a produit en première phase 250 kg de poissons (du 15/9/94 au 20/10/95) et devrait produire plus par cette nouvelle méthode.
La méthode par compostière latérale n'a pas encore été testée (ni envisagée) dans la zone.
- Observations:
- Cette méthode acadja - bambou est appliquée en phase expérimentale et devrait permettre d'améliorer les productions en système ouvert jusqu'à 1,5 à 2 tonnes /ha maximum. Il serait cependant intéressant de tester également la méthode par compostières latérales (1m de large, des 2 cotés sur toute la longueur de la retenue ), bien remplies en matières organiques: fauches de Pueraria (légumineuse de couverture palmier-hévéa), déjections animales, déchets ménagers, tourteaux de palmistes (brûlés actuellement?) et excédents de son de riz.
- Ces aménagements contribueront certainement à augmenter la productivité des retenues; ils ne résoudront pas entièrement les problèmes de perte de fertilisants par courant d'eau continu en saison des pluies, ni encore moins ceux liés à la compétition alimentaire exercées par les espèces sauvages (moins performantes en croissance) présentes dans les retenues, ni es problèmes de prédation incontrôlée par des espèces sauvages.
- Recommandations:
• D'autres type de recherche complémentaire sur l'aménagement des retenues rizicoles en système fermé et vidangeable (plus productif) devraient être entrepris sur base des propositions suivantes:

Ces modifications dans la conception de l'aménagement des retenues rizicoles permettraient de transformer les retenues d'eau en véritables étangs entièrement maîtrisables et par conséquent, beaucoup plus productifs (jusqu'à 5–8 tonnes/ha/an au lieu de 2 t/ha/an maximum pour les retenues non maîtrisables). La faisabilité des travaux dépendra du profil en travers des vallées concernées et de la disponibilité des bulldozers pour la construction des canaux d'évacuation latéraux. De petits étangs de 4 ares peuvent être aménagés en amont des casiers rizicoles.
- Localisation: Guinée forestière -/- Préfecture de N'Zerekoré, ville de N'Zerekoré.
Propriétaire du site:Jean-Bosco Balamou, porcipisciculteur. Profession principale: Douanier
- Caractéristiques du site: 4 étangs de 3 ares sur nappe phréatique, alimentés en eau par source et eaux de ruissellement. Etangs fertilisés par déjections de porcs (80 porcs en élevage).
| - Paramètres physico-chimiques relevés à 17H00: | pH: | 6,5 à 8 (selon étang contrôlé) |
| To: | 33,7 à 34,9 °C (“---”) | |
| O2: | 3, 8 à saturation (“---”) | |
| Secchi:12 à 41 cm (“---”) | ||
- Schéma du site: (voir photo № 5)

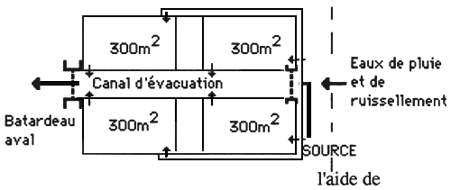
- Description des activités en cours: quatre étangs de 3 ares chacun sont alimentés en eau à l'aide d'un batardeau aval qui permet de faire varier le plan d'eau dans le canal d'alimentation-évacuation des eaux de source et de ruissellement amont. Les étangs sont empoissonnés en O. niloticus (150 alevins de 10 gr par étang de 3 ares) et Silures (20 Clarias de 25 gr/ étg.) plus des indésirables locaux (T. zilii) et 80 alevins d'Heterotis niloticus dans un des étangs.
Selon le volontaires AFVP, certains étangs seraient empoissonnés avec 5 alev.d' O.niloticus par mètre carré, mais le porcipisciculteur a modifié de lui-même les empoissonnements initiaux.
- Observations: l'aménagement du site (réalisé après étude par un entrepreneur local sous supervision du BTGR et sous financement AFVP) a coûté près d'un million de Fr Gui. pour un résultat peu enthousiasmant; alimentation et vidange des étangs se font alternativement à partir du même canal central en faisant varier la hauteur du plan d'eau à l'aide de planches placées dans le batardeau aval. Un relevé topographique réalisé en cours de visite a démontré la possibilité d'améliorer cet aménagement en plaçant un petit batardeau amont (barrage-déversoir) et en modifiant le schéma initial comme suit:
| cette modification permet d'alimenter chaque étang individuellement sans avoir à faire varier la hauteur d'eau dans le canal de vidange. | ![]() |
Un test de faisabilité/crédibilité a aussitôt été entrepris par le pisciculteur à laide de planches et d'argile; il a ainsi confirmé en une journée le diagnostic posé.
Par ailleurs, le porcipisciculteur fertilise quotidiennement ses étangs le matin à 10 H (avec 2 seaux de déjections porcines par étang et par jour) et alimente ses poissons quotidiennement à 17H à raison de 3kg d'un mélange de maïs en poudre et son de riz (50/50) par étang et par jour. Les contrôles de fertilisation effectués au disque de Secchi en cours de visite ont démontré une sur-fertilisation dans un étang (12 cm) et une sous-fertilisation dans un autre (41 cm), les 2 étangs restants étant correctement fertilisés (transparence comprise entre 20 et 30 cm).
- Recommandations :
• Le test d'aménagement du batardeau amont étant positif, il convient de modifier définitivement le plan d'alimentation en eau des étangs par la construction d'un petit déversoir amont en dur, réglable en hauteur par planchettes en bois, et d'assurer ainsi l'alimentation en eau de chaque étang (individuellement), par les canaux latéraux selon le plan indiqué sur le schéma.
• Pour ajuster les quantités quotidiennes de fertilisant par étang en fonction des besoins, le pisciculteur devrait effectuer quotidiennement un contrôle de la transparence de l'eau dans chaque étang à l'aide d'un disque de Secchi “bricolé”, avant de déverser les déjections dans les étangs. La répartition des déjections pourrait alors se faire en fonction des besoins par étang et non plus de façon systématique, par partage équitable (mais injustifié) des quantités disponibles entre les quatre étangs.
• Le respect des normes d'empoissonnement par le pisciculteur (2 alevins d'O. niloticus par mètre carré, sans mélange hazardeux d'espèces) et la collaboration effective avec son encadreur sont des critères essentiels à la réussite de ses premières productions piscicoles.
• Ce n'est qu'après avoir maîtrisé l'espèce piscicole de base (O. niloticus) et obtenu régulièrement des rendements supérieurs ou égaux à 50 kg/are/an que le pisciculteur pratiquera une polyculture raisonnée, sur base de ratios connus et performants (1 alevin de silure pour 2 alevins d'O. niloticus).
- Localisation: Guinée forestière -/- Préfecture de Macenta, Sérédou, usine panneaux bois.
Exploitation privée du site: ref. Mr Aliou Nadhel Diallo, Dir.centre forestier de Seredou
- Caractéristiques du site: barrage - retenue de 2,5 ha conçu pour le débardage et le trempage des grumes destinées à l'usinage. Ex-station FAO privatisée en 1988; zone située en bordure de la forêt classée de Ziama (112 300 ha).
| - Paramètres physico-chimiques relevés à 15H40: | pH: | 6,5 |
| To: | 33,4°C | |
| O2: | 5,4 ppm | |
| Secchi:17 cm | ||
- Schéma du site:

- Description des activités en cours: pas d'activité piscicole. Le propriétaire cherche des idées pour valoriser la retenue.
- Observations: le site se prête bien à la mise en place d'un élevage associé porcs-poissons (maximum 250 porcs) ou volailles-poissons (maximum 2500 poules); si le propriétaire souhaite investir dans cette voie, les bâtiments d'élevage devraient être construits sur la presqu'île pour faciliter l'écoulement des déjections dans la retenue.
- Recommandations: si le propriétaire envisage l'exploitation de sa retenue en élevages associés (après une sérieuse étude de marché), il serait bon de vidanger la retenue et d'examiner la possibilité de construire un petit barrage amont (1) et un déversoir latéral d'évacuation des eaux excédentaires (2), puis de niveller en pente douce (vers le dispositif de vidange) la pente de l'étang ainsi aménagé pour une meilleure maîtrise des conditions de production piscicole.
- Localisation: Guinée forestière -/- Préfecture de Macenta, ville de Macenta.
Exploitation privée du site: par l'Ecole Normale Supérieure d'Elevage et d'Agriculture.
- Caractéristiques du site: ancienne retenue de barrage de 15 ha construite en 1977, réparée en 1979, détruite à nouveau en 1984 et en voie de réfection par la CEE, avec cette fois, un déversoir de crue suffisant (?). L'ENEA disposera alors de 17 ha de terres irrigables pour le riz et la pisci culture (activités productrices de l'ENEA). L'école compte 37 enseignants pour 200 élèves (cycles d'étude de 3 ans, 98 % réussite) et 40 bâtiments dont 7 bureaux, 9 classes, 12 magasins, 16 logements et bâtiments d'élevage.
| - Paramètres physico-chimiques relevés à 9H55: | pH: | 6,5 |
| To: | 24, 8°C | |
| O2: | 4, 3 ppm | |
| Secchi: 38 cm | ||
| - Schéma du site: | ![]() | |
| - Sps présentes dans la retenue: | ||
| T.zillii S. gallilaeus Silures Epiplatys Macrobrachium Crabes Divers | ||
| - Superficie des étangs: | ||
| 1 étang de 50 ares 1 étang de 1 are 3 étangs de 0,5 ares | ||
- Description des activités en cours: pas d'activité piscicole en cours, le barrage étant en voie de réfection.
Avant la rupture du barrage, l'ENEA obtenait des rendements rizicoles de 6 tonnes par hectare et par cycle (sur 18 ha) et arrivait à réaliser 3 cycles par an! (variété Nankin 1).
Pas de renseignements disponibles sur les rendements piscicoles obtenus antérieurement, ni sur les espèces et techniques de production utilisées.
Actuellement, l'ENEA produit du maïs sur 1 ha, des cultures maraichères sur 30 ares, élève 17 porcs croisés (local × Large white) et 25 bovins Ndama.
- Observations:
- un barrage qui cède à 2 reprises en moins de 10 ans traduit un problème évident de conception des déversoirs de crues . Les 16 mètres de déversoir bétonnés sont insuffisants et doivent impérativement être complétés par un très long déversoir de sécurité complémentaire (longueur double de celle du déversoir actuel, à installer sur les digues en terre compactée et à renforcer par des gabions bétonnés sur les voies d'eau). Ce n'est qu'au prix de cette modification que le barrage sera opérationnel et durable.
- compte tenu des très hauts rendements rizicoles obtenus avant la destruction partielle du barrage, une comparaison d'opportunité économique grossière des spéculations s'impose:
• Riz: 6000 kg/ha de riz par cycle × 3cycles /an à 25 000 Fr Gui le sac de paddy de 80 kg
= recettes brutes à l'ha/an: 5 625 000 Fr Gui.
• Poisson: 5 000 Kg/ha de poisson par an à 1 500 – 2 000 Fr Gui/kg
= recettes brutes à l'ha/an: 7 500 000 – 10 000 000 Fr Gui.
La comparaison reste à l'avantage de la pisciculture, même si on décompte les intrants alimentaires poisson (calculés sur base du prix local max. du kg de son de riz: 42 Fr Gui/kg et d'un coefficient de transformation son de riz/poisson de 8 = 1 680 000 Fr Gui).
Il faut noter que le travail demandé par ha en pisciculture en 2 cycles par an (hors construction des étangs) est beaucoup moins pénible que celui exigé par 3 cycles de riz par an (repiquages, sarclages, surveillance, récoltes, battage, mises en sac…). Le rendement annuel moyen obtenu en riziculture en Guinée Forestière est seulement de 1 520 kg par ha en 1cycle.
- les 200 à 300 élèves de L'ENEA ont 50 à 60% de travaux pratiques dans leur programme d'étude selon la spécialité choisie (assistant ou contrôleur). Ainsi, si des infrastructures piscicoles adéquates sont installées dans l'enceinte de l'école, une formation de base en pisciculture sera garantie pour tous les élèves aussi longtemps que fonctionnera l'école (et le barrage).
- Recommandations:
• une telle opportunité de formation doit constituer une des priorités du programme de développement de la pisciculture en Guinée:il faut former les enseignants aux techniques piscicoles et équiper l'ENEA en étangs de production piscicole adaptés aux besoins de formation.
• les anciens étangs sont inadaptés (trop grands ou trop petits) et doivent être remplacés par plusieurs étangs de 4 ares (modèle vulgarisable en milieu rural) pour former les élèves (future réserve de recrutement d'encadreurs agricoles et piscicoles nationaux) à travailler avec des modèles reproductibles en milieu rural.
• une douzaine d'étangs de 4 ares pourraient être construits en ligne le long du canal d'irrigation principal; une partie d'entre eux seront conçus pour fonctionner en association avec d'autres élevages (bovins, porcs, chèvres, volailles, lapins) pour couvrir toutes les situations et comparer l'efficacité des associations et le coût des infrastructures d'élevages associés intégrées aux étangs (box d'engraissement 8 porcs jouxtant 2 étangs, poulailler 40 pondeuses sur pilotis etc…).
N.B.: - ces recommandations ne pourront être suivies que si le barrage est effectivement réhabilité et équipé d'un déversoir de crue suffisant pour garantir la perennité du plan d'eau et des infrastructures de production.