Adequate supply of good quality of fresh and salt-water must be available year round in the site. Good quality water suitable for fish culture is rich in oxygen, nutrients and free from pollutants.
Freshwater is important for mixing with sea water to maintain salinity level especially in the dry season when evaporation is rapid. Freshwater is also necessary for the daily use of the workers in the fish farm.
For freshwater, the reliability of supply or flow rate from the source can be evaluated by knowing the: (1) required rate of flow, Q (2) required depth for the pond, h (3) prescribed time, t of filling a given area, A of pond with water, and (4) total losses during filling time arising from the evaporation and seepage or leakage from water delivery canals and fishpond itself. The required rate of flow is determined from the formula:
![]() | ||
| Where | Q | = required rate of flow from the source (m3/sec) |
| t | = time required to fill the pond (sec) | |
| h | = equivalent depth of water to be added to the pond for maintaining salinity (m) | |
| A | = pond area (m2) | |
The available rate of flow from the source (ground-water, spring, irrigation canal, river, creek, etc.) is compared to the required rate of flow by the farm. The available flow must be equal or greater than the required flow.
In brackishwater areas, knowledge of tidal characteristics in the site is very important in determining its suitability for fishponds. The height of the tide and its range determine the sufficiency of water, height of dikes, elevation of pond bottom and water gates, size of gate opening, construction cost and others. Sites near the source of pollutants that would pollute water supply such as mines, factories, food processing plants, oil rigs and densely populated areas should be avoided.
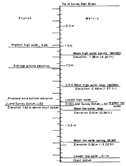
The depth of water in pond to be maintained is determined by the height of incoming tide and height or elevation of pond bottom based on zero tidal datum. Whenever possible, the available tidal range must be able to fill the ponds by gravity to the specified depths. In relation to tide ground elevation, this depth should allow the most economical construction (least cut and fill) of pond which would have an ideal pond elevation. The elevation of pond bottom is considered ideal if it enables draining of the pond almost any day of the year and flood it with seawater to the desired depth within five days or less during the critical spring tides. The critical spring tides usually occur in the Philippines during the months of February, March and April (Denila, 1976).
Figure 2.1 serves as a guide in determining the suitability of fishpond site in relation to tidal conditions in the area.

Fig. 2.1 Suitability of proposed fishpond site based on tidal ranges and
ground elevation under Philippine condition with tide range of (-) 0.6 to 2.2 m or 2.8 m
(After Jamandre and Robanal, 1975)
The tidal characteristics and effect of the magnitude of tidal range in fish farm management in the Southeast Asian region is described in Table 2.1. A typical example in relating the tidal characteristics with the ground elevation of the site is shown in the Ban Merbok estuary, Malaysia (Fig. 2.2).
The desired elevation for a pond bottom of a milkfish farm appears to be at least 20 cm from the zero datum (MLLW) or at an elevation when at least 50 cm depth of water can be maintained in the pond during ordinary tides.

Fig. 2.2 Tidal characteristics of Ban Merbok estuary, Kedah state,
Malaysia in relation to existing ground elevation of an area
(After Hechanova and Tiensongrusmee, 1980)
Table 2.1
Tidal characteristics and suitabilities for aquaculture in
some areas of the South China Sea region (after Jamandre and Rabanal, 1978)
| Locality | Highest recorded tide (m) | Lowest recorded tide (m) | Absolute annual range (m) | Normal daily fluctuation low/high (range) (m) | Remarks |
|---|---|---|---|---|---|
| INDONESIA | |||||
| Jambi River, Jambi, Sumatra | 3.7 | 0.5 | 3.2 | 1.4/3.4(2.0) | Tidal characteristics favourable for proper fish farm management |
| Musi River, Palembang South Sumatra | 3.8 | 0.1 | 3.7 | 0.9/2.7(1.8) | -do- |
| Tanjung Pandan, Belitung Island, South Sumatra | 2.7 | 0.0 | 2.7 | 0.9/1.8(0.9) | Tidal fluctuation slightly narrow for proper fish farm management |
| Tanjung Priok, Jakarta, West Java | 1.1 | 0.1 | 1.0 | 0.3/0.7(0.4) | Tidal fluctuation too narrow: unfavourable |
| Samarinda, West Java | 2.7 | 0.0 | 2.7 | 0.7/2.2(1.5) | Tidal characteristics favourable for proper fish farm management |
| Little Kapuas River, Pontianak, West Kalimantan | 1.8 | 0.0 | 1.8 | 0.5/1.3(0.8) | Tidal fluctuation slightly narrow for proper fish farm management |
| Barito River, Banjarmasin South Kalimantan | 2.8 | 0.1 | 2.7 | 0.8/2.2(1.4) | Tidal fluctuation favourable for proper fish farm management |
| Balikpapan East Kalimantan | 2.9 | 0.1 | 2.8 | 0.5/2.3(1.8) | -do- |
| Ujung Pandang, South Sulawesi | 1.3 | 0.1 | 1.2 | 0.3/1.0(0.7) | Tidal fluctuation narrow for proper fish farm management |
| Menado, North Sulawesi | 2.4 | 0.0 | 2.4 | 0.6/1.7(1.1) | Tidal fluctuation slightly narrow tidal range for proper fish farm management |
| Jayapura, Irian Jaya | 1.1 | (-)0.1 | 1.2 | 0.3/1.0(0.7) | Tidal range narrow for proper fish farm management |
| Manokwari, Irian Jaya | 1.9 | 0.0 | 1.9 | 0.4/1.6(1.2) | Fair tidal range for proper fish farm management |
| Sorong, Irian Jaya | 1.9 | (-)0.1 | 2.0 | 0.3/1.4(1.1) | Slightly narrow tidal range for proper fish farm management |
| Aiduna, Irian Jaya | 2.6 | 0.0 | 2.6 | 0.4/2.1(1.7) | Tidal characteristics favourable for proper fish farm management |
| Merauke, Irian Jaya | 5.3 | 0.2 | 5.1 | 1.3/4.3(3.0) | Tidal fluctuations too high for proper fish farm management |
| MALAYSIA | |||||
| Penang, Penang | 2.8 | 0.2 | 2.6 | 0.7/2.2(1.5) | Tidal fluctuation favourable for proper fish farm management |
| Kelang, Selangor | 5.4 | (-)0.1 | 5.5 | 1.2/4.1(2.9) | Tidal fluctuation high for proper fish farm management |
| Kuala Batu, Pabat, Johore | 3.2 | (-)0.2 | 3.4 | 0.7/2.6(1.9) | Tidal fluctuation favourable for proper fish farm management |
| Kuantan, Pahang | 3.5 | (-)0.2 | 3.7 | 0.6/2.7(2.1) | -do- |
| Kuala Trengganu, Trengganu | 2.7 | (-)0.4 | 3.1 | 0.3/1.8(1.5) | -do- |
| Kuching, Sarawak | 6.0 | 0.5 | 5.5 | 1.4/5.0(3.6) | Tidal fluctuation too high for proper fish farm management |
| Miri, Sarawak | 2.1 | 0. | 2.1 | 0.5/1.6(1.1) | Tidal fluctuation slightly narrow for proper fish farm management |
| Sandakan, Sabah | 2.7 | (-)0.1 | 2.8 | 0.4/1.9(1.5) | Tidal fluctuation favourable for proper fish farm management |
| PHILIPPINES | |||||
| San Fernando La Union | 1.04 | (-).21 | 1.25 | (-).03/.61(0.64) | Tidal fluctuation too narrow for proper fishpond management |
| Manila City | 1.46 | (-).34 | 1.8 | 0.14/1.05(0.91) | Tidal fluctuation slightly narrow for proper fishpond management |
| Legaspi City | 1.83 | (-).40 | 2.23 | (-)0.09/1.4(1.49) | Tidal fluctuation favourable for proper fishpond management |
| Cebu City | 1.98 | (-).40 | 2.38 | (-).03/1.49(1.52) | -do- |
| Davao City | 1.98 | (-).49 | 2.47 | (-).03/1.77(1.80) | -do- |
| Jolo, Sulu | 1.19 | (-).12 | 1.31 | (-)0.03/.98(1.01) | Tidal fluctuation slightly narrow for proper fishpond management |
| SINGAPORE | |||||
| Singapore | 3.30 | (-).30 | 3.60 | 0.6/2.7(2.1) | Tidal fluctuation favourable for proper fishpond management |
| THAILAND | |||||
| Bangkok Bar | 4.2 | 0.1 | 4.1 | 1.1/3.2(1.1) | Tidal fluctuation slightly low for proper fishpond management |
| Laem Sing, Chantaburi | 2.50 | 0.50 | 2.00 | 1.2/1.9(0.7) | Low tidal fluctuation; low for proper fishpond management |
| Ko Nu, Songkhla | 1.30 | 0.20 | 1.10 | 0.5/1.0(0.5) | -do- |
| Ko Taphao, Phuket | 3.7 | 0.5 | 3.2 | 1.2/3.0(1.8) | Tidal fluctuation favourable for proper fish farm management |
Areas reached only by the high spring tides should not be selected as it is expensive to move large quantities of soil during excavation. There is also an added problem of disposing excess soil material. While constructing higher and wider dikes may solve the problem, this would result to occupying more space in the pond compartment and hence, less area intended for fish production. Low areas on the other hand will require much higher and wider dikes, thus soil is moved at far distances further increasing construction cost. Excessive construction cost for larger dikes is also true in areas where tides can reach as high as 3.5 m such as in East Java, Indonesia (Djajadiredja and Daulay, 1982).
Many soil characteristics, especially those related to texture, determine its suitability for fishpond purposes. Soil texture refers to the relative proportion of sand, silt and clay content of the soil. Table 2.2 below shows the different soil classification based from the U.S. Department of Agriculture Classification System.
Table 2.2
Texture and textural name of the three main types of soil
| Common name | Texture | Basic soil textural class name |
|---|---|---|
| Sandy soils | Coarse | Sandy; sandy loam |
| Moderately coarse | Sandy loam; fine Sandy loam | |
| Loamy soils | Medium | Very fine sandy loam |
| Moderately fine | Loam, silty loam Silt | |
| Clayey soils | Fine | Sandy clay; silty clay; clay; clay loam; sandy clay loam; silty clay loam |
Areas suitable for fish production must possess properties which allow for the economical construction of dikes, efficient growth of fish food, extended water holding and load carrying capacity and favourable chemical properties.
(a) Desirable soil texture for ponds. Soils belonging to the following textural classification are desirable for fishpond development: clay, clay loam, silty clay loam, silty loam, loam and sandy clay loam (Dureza, 1982).
Clayey soils are preferable because they are superior material for diking and holding water. They have good compaction characteristics and low permeability. A very simple general rule can be followed: As a clay content of the soil decreases, its suitability for fishpond construction also decreases. This is illustrated in Table 2.3
Loamy soils are also recommended. They have good organic matter content which favour the culture and growth of natural fish food.
(b) Determination of soil texture. Soil texture can be determined by various methods ranging from the sophisticated mechanical and laboratory methods to the simple practical and field methods. The following sections outline some of these methods.
(i) Mechanical method
The amount of each soil separate (size fraction of sand, silt and clay) in a soil mixture determine its texture. The popular Bouyocous mechanical test is a reliable method of determining the amount of each soil separate in the soil through laboratory tests. The test results are then compared with a soil triangle (Fig.2.3) to determine the textural name.
(ii) Field identification
There are three practical field identification methods to determine soil texture. These are the feel method using a modified soil triangle, feel method (alternative) and ball method.
Table 2.3
Relationship of soil classes and suitability for dike material (after BFAR-UNDP/FAO, 1981)
| Class | Permeability | Compressibility | Compaction | Suitability |
|---|---|---|---|---|
| Clay | Impervious | Medium | Fair to good | Excellent |
| Sandy clay | Impervious | Low | Good | Good |
| Loamy | Semi-pervious | High | Fair to very poor | Fair |
| to impervious | high | |||
| Silty | Semi-pervious | Medium | Good to very poor | Poor |
| Sandy | to impervious | to high | ||
| Peaty | Pervious | High | Good | Poor |
| Peaty | Negligible | Very poor |

Fig. 2.3 Texture triangle showing the percentages of sand, silt and clay in the textural classes. The intersection of the dotted lines shows that the soil with 55 percent clay, 32 percent silt and 13 percent sand has a clay texture (After Dureza, 1982)
The use of feel method requires considerable practice in order to attain accurate interpretations. Textural determination by feel involves the rubbing of a moist soil between the thumb and index finger. The ability of the soil mixture to form good, medium or poor or no ribbons determine the corresponding texture as indicated in a modified soil triangle shown in Figs. 2.4 and 2.5
Textural approximation by feel (alternative method) is also done by pressing a moist soil between the thumb and forefinger. The corresponding texture is then compared with the U.S. Soil Survey definitions of soil for various classes (Table 2.4)
The ball method consist of forming and squeezing a ball of moist soil in the hand. The stability of the balled soil mixture to hold its shape when released or touched determines its texture. Table 2.4 is a helpful guide in approximating soil texture for both the feel and ball methods.
| VIEW OF SAMPLE AFTER ROLLING | DESCRIPTION OF TEXTURE |
|---|---|
![]() | No roll, sand, loamy sand |
![]() | Beginning of a roll, sandy loam |
![]() | The roll is continuous, but breaks when ring is formed, loam and silt loam |
![]() | The roll is continuous, but the ring cracks; clay loam, sandy clay loam, silty clay loam |
![]() | The roll is continuous; the ring is also complete; silty clay; clay and sandy clay |
Fig. 2.4 View of samples of rolling, description and texture of soil by touch and feel (After Singh, 1982)

Fig. 2.5 Modified textural triangle for determining soil texture by the feel method (After Dureza, 1982)
Table 2.4
Definition of soil for various textural classification
| Textural class | Definition |
|---|---|
| Sand | Sand is loose and single-grained. The individual grains can readily be seen or felt. If squeezed in the hand when dry, it will fall apart when the pressure is released. If squeezed when moist, it will form a cast, but will crumble when touched; will not form ribbon between thumb and finger. |
| Sandy loam | This soil contains much sand but which has enough silt and clay to make it somewhat coherent. The individual sand grains can be readily seen and felt. If squeezed when dry, it will form a cast which will readily fall apart, but if squeezed when moist, a cast can be formed that will bear careful handling without breaking. Sands and sandy loams are classed as course, medium, fine or very fine, depending on the proportion of the different sized sand particles that are present. |
| Loam | Has a relatively even mixture of the different grades of sand, silt, and clay. It is mellow with a some-what gritty feel, yet fairly smooth and slightly plastic. If squeezed when dry, it will form a cast that will bear careful handling, while the cast formed by squeezing the moist soil can be handled quite freely without breaking. |
| Silt loam | Has a moderate amount of fine grades of sand and only a small amount of clay, over half of the particles being of the size called silt. When dry, it may appear quite cloddy but the lumps can be readily broken and when pulverized it feels soft, smooth, and floury. When wet, the soil readily runs together and puddles. Either dry or moist, it will form casts that can be freely handled without breaking; it will not form a ribbon if squeezed between the thumb and finger when moist but will given a broken appearance. |
| Clay loam | This is a fine textured soil, the characteristics of which are midway between the characteristics of the silt loam and the clay loam. If moisture conditions are ideal, it is possible to form a ribbon with it when squeezed between the thumb and finger. |
| Silty clay loam | A silty clay loam is a fine textured soil which breaks into clods and lumps that are hard to break with the squeeze of the hand when the clods are dry. When the moist soil is pinched between thumb and finger it will form a cast that will bear much handling. When kneaded in the hand, it does not crumble readily but tends to work into a heavy, plastic, compact mass. |
| Clay | A clay is a fine textured soil usually forms very hard lumps or clods when dry and is quite plastic and is usually sticky when wet. When the moist soil is pinched out between the thumb and fingers, it will form a long, flexible ribbon. Some fine clays very high in colloids are friable and lack plasticity in all conditions of mixture. |
(c) Soil investigation procedures and equipment. Both physical and chemical properties of the soil must be investigated and considered in making the final decision on the suitability of a site for fishpond development. The procedure consists of taking soil samples properly from the site from which measurements of some parameters that describe the characteristic of the soil useful in engineering are obtained. There are standard methods of tests which are specifically applied to determine certain soil properties.
(i) Soil sampling
As standard practice, several samples should be obtained from pre-determined and scattered locations within a given site through borings. It is better to have more number of borings in well-planned locations to cover the whole site.
For relatively shallow boring, soil samples are obtained by means of augers (Fig.2.6). The auger is turned vertically into the wet soil by hand and withdrawn after reaching a short distance. The soil sticking to tha auger is collected and labeled properly. The auger is driven again into the soil deeper and again withdrawn to get the soil. The process is repeated until the soil samples are collected from selected intervals of soil depth. Soil samples should at least be drawn from 10 random locations per hectare.
The preliminary examination and classification of the soil texture may be done at the site. The samples from each selected depth interval is packed in a sealed plastic bag for further laboratory test. The bags should be marked with information on the date of boring, location, water table elevation and boundary or thickness of each soil layer. Rough sketches on the location and depth of borings from each site should be kept.

Fig. 2.6 A typical soil auger
Soil auger can also be fitted with sampling spoons for obtaining a tube size sample or “spoon sample” for undisturbed samples needed for permeability and compressibility tests (Hechanova, 1982). The device consists of a pipe with inside diameter ranging from 3.5 to 10 cm and split lengthwise. The operation of this device is similar to that of a soil auger. The total depth of sampling varies depending on the type of investigation being carried out. As a rule of thumb, the depth to be investigated should reach the hard soil (impermeable) layer. If the hard soil is so deep, depth of investigation should reach at least three meters.
(ii) Measurements to be done from the soil
The most important factors to be determined from the soil are, for physical properties — textural class, load bearing capacity, and permeability; for chemical properties — soil pH and presence of acid-forming substance such as pyrites and sulfides.
The texture is the most important physical property of the soil in fishpond engineering. Knowing the texture, much can already be said on the characteristics of the soil. Soil texture gives information on its ability to resist the flow of water through it (seepage), attainable compaction, and load bearing capacity.
Load bearing capacity refers to the capability of the soil to carry, heavy loads. This information guides designers in determining the type of foundation for structures (gates and dikes) and the amount of pilings needed up to a certain point. Brackishwater pond site usually has low bearing capacity of foundation. In addition to driving piles to strengthen foundation, structures should be of lightweight construction. It has been experienced that these structures should not exert a contact pressure of more than 150 g/cm2 or 1.5 tons/m2 (Tang, 1976).
The possible seepage flow at the site or loss of water in the pond by passing through dikes and pond bottom is calculated by determining the permeability of the soil and the nature of foundation. There are extensive procedures in literatures in determining permeability of soil in the laboratory or in-situ.
Soil pH provides an initial and immediate measure of the chemical nature of the site. The soil reaction whether basic or acidic has direct relationship to fish production. The pH scale varies from 1 to 14 units and the desirable range of soil as well as water pH for aquaculture is 6.5 to 8.5. Lower than 6 is too acidic for most fish species and other aquatic animals and greater than 9 is likewise infavourable for growth. Greater values than 9 approach polluted condition.
Measurement of pH may be done on-site or in the laboratory by using pH meters or for less accurate values, litmus paper. Extensive determination of pH is done down to 1 m deep, at 0.25 m interval, especially in problematic acid sulfate soils.
Incidentally, a large hectarage of coastal areas tend to have acidic pH. It is noted that approximately 5 million ha of coastal area in the South and Southeast Asia are known to be potential or actual acid sulfate soils (Poernomo and Singh, 1982). Acid sulfate soils are associated with the accumulation of sulfides and pyrites after undergoing biological and chemical processes.
Sulfides are compounds that produce acidity upon oxidation. The resulting acidic soil condition in turn facilitate the release of aluminum and iron to levels that may be toxic to pond biota including the cultured species. Pyrite is a mineral which is fixed and accumulated by the reduction of abundant sulfate from seawater. The usual pH range of acid sulfate soils is 3 to 6.5 (Poernomo and Singh, 1982). Further discussion on this kind of soil is given in Appendix C.
Topography refers to the “lay of the land” or the changes in the surface elevations of the ground whether flat, rolling or sloping, undulating, and hilly. Fishpond design, layout and specifications are made largely in accordance with the land topography.
A suitable site for fishpond has a topography that can be converted into a pond economically. The cost of construction can be greatly reduced if the surface features of the land are used to advantage.
Flat coastal swamplands whose elevation are within the range of ideal pond bottom elevation are preferred for brackishwater pond culture. In such areas, excavation or filling are at a minimum, if any. Sites with rolling topography or those with elevations varying from lower than MLLW (00 tidal datum) to 4–5 m high must be avoided as these will be too costly to level (de los Santos, 1980).
Denila (1980) describes four zones in the coastal edge as probable sites for fishpond (Fig. 2.7).
(a) Zone A. Marginal lands along edges usually planted to lowland rice but generally unproductive due to salt water seepage can be converted into fishpond by lowering the elevation through excavation. These are usually productive as fishponds because of good soil quality. The cost of excavation can make these areas relatively more expensive to develop due to their high elevation.
(b) Zone B. The elevation is generally high with occasional earth mounds along the edges but can be reached by tides. High dikes not necessary but development cost may be expensive if a big portion of the area needs excavation.
(c) Zone C. This area is within the ideal range of pond bottom elevation, thus excavation cost is less. However, extreme acidity may occur because of the presence of vegetation that contributes to acidity.
(d) Zone D. The elevation is low or just a little higher than the 00 datum (MLLW). It is very exposed to wave action which may require expensive big dikes and wave protection structures. No acidity problem, hence, may be ideal for shrimp culture.
Coastal fishponds in the tropical and sub-tropical zones are constructed on tidal lands, river estuaries, bays and sheltered coasts. The vegetation present in these areas are varied depending on the land elevation and soil type. However, mangrove trees pose serious concern to fishpond development because of their extensive rooting system.

Fig. 2.7 The four zones in typical swamps as probable sites for fishpond (After Denila, 1980)
(a) Vegetation uses and related benefits. Vegetation provides several beneficial uses not only in fish culture but also for other purposes. In Thailand, Malaysia, Bangladesh, and the Philippines, mangrove trees are utilized as timber for construction, furniture, charcoal sources and other uses. They have also been found to be useful in big offshore shrimp fisheries not only in these areas but also in Indonesia.
In addition to playing an important role in the maintenance of various forms of biological life, mangrove forests also serve as silt collectors promoting soil accretion, absorber of wave impact and buffer of storm surge levels (Menasveta, 1982).
(b) Effects of soil properties. The type and density of vegetation is also an important criterion in fishpond site selection. Knowledge of their composition and abundance can provide information for an easy and practical evaluation of the physical and chemical properties of soil.
A practical guide in evaluating some physical and chemical properties of soil based on type of vegetation is presented in Table 2.5 (Menasveta, 1982; Adisukresno, 1982; Poernomo and Singh, 1982).
Table 2.5
Physical and chemical characteristics
of soil in relation to type of vegetation found
| Description of soil property | Type of vegetation/species |
|---|---|
| Physical | |
Elevated areas | Avicennia |
Low areas | Rhizophora, Melaleuca, Phoenix, certain shrubs and ferns |
Sandy soils | Nipa palm (Nypa fruticans), grasses |
Peaty soils | Nypa, Melaleuca |
High organic content | Rhizophora |
| Chemical | |
Potentially acidic | Nypa, Rhizophora, Melaleuca |
Less acidic | Avicennia |
Mangroves with Avicennia usually indicate productive soil. Mangroves with Rhizophora, Bruguiera and Sonneratia are sometimes less suitable for fishponds.
(c) Relationship to amount and cost of construction work. There is a direct relationship between vegetation and the amount and cost of fishpond construction work. Areas where mangrove trees with dense rooting systems like Rhizophora, Nypa and Melaleuca are more difficult to excavate. At the same time, densely vegetated areas takes longer time to clear of stumps. As a result, cost of fishpond construction is higher.
Vegetative density is dependent upon the kind, size and quantity per unit area. Total vegetation from the site can be estimated by obtaining at least five random samples regardless of area. Then the vegetation is classified according to kind, size (3 cm trunk diameter and above only) and number. Total vegetation is computed using the following formula as suggested by BFAR-UNDP/FAO, 1982.
The climatic factors largely affecting site selection and fishpond design are wind and rainfall. The direction of prevailing wind is reckoned with in designing the layout of fishponds as it generates erosive wave action against the dikes. The wind energy also causes natural water circulation and aeration in the pond. For rainfall information, maximum intensity, duration, frequency and annual distribution within the watershed are important as these are associated with flooding that would affect the site.
The land area that surrounds or lies above the site is referred to as a watershed. This drains its collected surface runoff through a river, river system or body of water causing flood water which could affect the site. The volume of flood water or runoff are affected by the rainfall and soil characteristics, type of vegetative cover, topography, and area of the watershed. Much higher rate of runoff can be expected in a watershed that has high rainfall intensity and duration, clay or heavy-textured soil covered with less vegetation or grassland, high slopes and covering large area than a watershed characterized with low rainfall intensity and short duration, loamy or coarse-textured soil that is forested with flat or gently rolling slope and small area.
The pattern and recurrence of maximum height of flood waters in the site must be determined. These information can be obtained from the rainfall or flood records of appropriate agency for each country. It is common, however, that the sites are located in remote areas where such records may not be available. In this situation, rough information on flood may be obtained from knowledgeable residents who have seen the recurrence of floods for years in the area.
The design of fish farm should be based on a flood height with recurrence interval of 10–15 years. Longer recurrence interval of 25 or 50 years means much higher flood level and hence, much bigger dikes and structures which makes the design uneconomical or impractical. It would be more economical to repair damaged fishponds (designed for 10–15 years flood) during the sudden occurrence of say 25 years or longer term floods than to design the entire farm for such floods.
There are other factors which are significant in fishpond site selection. These are equally as important as those previously mentioned and likewise require the same careful evaluation during the survey.
Accessibility. This is important for the transport of construction equipment and material, and for production inputs required for daily operations. Transporting costs can considerably increase if materials are manually carried through long distances. It is better if the site is accessible throughout the year by means of land and water.
Availability of labour. The cheapest sources of labour are those which can be provided by the local residents, or people living within or near the area. It is important that the customs and tradition of local labourers are known. The pattern of labour distribution and utilization should be considered as this is important in preparing the calendar of activities. In the Philippines, it is generally difficult to obtain enough labour during the rice planting and harvesting season or during milling season for sugarcane.
Availability and cost of material. In fishpond production, it is important that critical production inputs such as fishseeds, fertilizers, pesticides and other related materials are readily available when needed. For some inputs, especially inorganic fertilizers, the supply is restricted and the cost is uncontrolled for non-agricultural uses. Other inputs like organic manures are difficult to obtain, or may be available only at certain times of the year. If purchase in bulk is necessary, then storage space must be available. If material is to be imported, restrictions and corresponding costs must be known.
Availability of marketing outlets and prices. Aquaculture products are highly perishable. Immediately upon harvest, products must be disposed of to maintain good quality and for better prices. If marketing outlets are located at a distance, larger quantities must be harvested and transported requiring some post-harvest marketing practices. If so, then the required support facilities especially ice-making plants must be available.
Availability of credit and technical assistance. Fishpond operations require high initial capital investment. In this respect, credit at reasonable terms play a major role in providing the needed cash outlays.
Technical assistance may be obtained from government extension services, public or private university research stations and lending institutions. The services rendered by these agencies are important especially in cases of emergency.
Pattern of land and water use. It is important to assess the pattern of land and water use in the area to determine the impact of this on the project. Activities such as navigation, fishing, industries, public utilities, recreation and nursery areas must be included in the overall assessment. It is best that a complementary rather than competitive relationship between these various uses and the project be established.
Peace and order situation. Good peace and order conditions at site are favourable for both public and private interests.
The success of coastal fishpond operations depends not only on the general site suitability for fish production but also on other related factors such as input and labour availability, accessibility, marketing considerations and others. Site selection not only involves the determination of desirable physical, chemical and biological factors. It is also important in providing valuable information in the preparation of the overall design and layout of the facility, engineering modifications to be made and the choice of management practices appropriate for the given site.
It is important to remember that there is no site that possesses all the desirable characteristics for fishpond operation. Moreover, no two sites are exactly identical with one another. Hence, the degree of suitability of various sites evaluated vary from one area to another.
The evaluation of the suitability of fish farm sites involves a detailed survey of both technical and non-technical aspects, and the processing of information gathered in order to make the final selection.
The survey. If possible, the survey should be comprehesive to cover aquacultural, ecological, engineering, socio-economic, management and financial aspects. As a standard practice at least two surveys should be conducted during the year—one each during the dry and rainy seasons. It is important to evaluate the prevailing conditions for different seasons because there are factors that change at different times of the year. A wrong judgement could be made in the selection if only one survey is conducted.
Conducting the survey can be a costly, laborious and time-consuming exercise if the proper steps, procedures and preparation are taken for granted. Adisukresno (1982) recommends the following to save money, time and effort:
Sufficient and complete questionnaires or forms should be prepared before leaving for the survey;
Questionnaries must be properly and completely accomplished during the survey;
An itinerary or travel schedule should be prepared;
Only trained or capable personnel should conduct the survey;
Needed field equipment should always be put together and brought along;
A list of people to be the met and purpose of meeting should be prepared ahead of time.
Processing of information. Data and information collected during the survey are combination of quantitative and qualitative; thus, it is very difficult to arrive at a general decision. The most commonly used method of deciding the suitability of sites from among a number of prospective sites surveyed is the point and ranking system.
Applying the point and ranking system. Under this system, all data and information are transferred into numbers or assigned numerical points or scores. The scoring could be from 1 to 10 or from 1 to 100. A site with the most desirable characteristic for a certain criterion is assigned the highest score, the lower the value, the less ideal or desirable site becomes and vice-versa. For example, in evaluating the accessibility, if a road leads right into the central area, a score of 10 can be given to this site; if reached within walking distance, 9; and if reached along across a river or creek, 8 or less. With regard to the type of vegetation, presence of Nypa sp. can be ranked lowest; mangrove with Avicennia sp. can be ranked highest, and so on.
There are two ways of assigning points for the different items in the criteria: (i) one may consider every criterion to have equal degree of importance; and (ii) the other way recognizes the varying degree of importance of each criterion by assigning weights or multiplying factors. The latter (ii) is considered better than the former. Essentially it is just an added step from the first (i) in order to get the weighted score. Jamandre and Rabanal (1975) suggest the following relative weight multiplier for various criteria under conditions in Peninsular Malaysia.
| Criterion | Relative weight (multiplier) | |
|---|---|---|
| (a) | Accessibility | 1 |
| (b) | Socio-economic impact | 3 |
| (c) | Water supply system | 2 |
| (d) | Available area | 2 |
| (e) | Water quality | 3 |
| (f) | Soil quality | 3 |
| (g) | Kind of vegetation | 0.5 |
| (h) | Density of vegetation | 0.5 |
| (i) | Elevation | 3 |
| (j) | Possibility of mechanization | 1 |
| (k) | Protection from winds, waves, currents, etc. | 1 |
The points earned under each criterion using either the unweighted or weighted method are added together. Final selection from among the sites is done by setting a cut-off score. Sites that obtained total points above the cut-off score are qualified for selection. However, the sites that qualify must be ranked according to the total scores earned. Sites with the highest scores are the most desirable. Rabanal and Jamandre (1975) suggest an evaluation range for scores earned under Malaysian conditions as follows:
| Range of scores (%) | Evaluation |
|---|---|
| 80 to 100 | Excellent site for development |
| 60 to 79 | Very good |
| 40 to 59 | Good |
| Below 40 | Not worth considering |
To illustrate the system described, two examples (2.1 and 2.2) are hereto presented. Example 2.1 is modified after Adisukresno (1975) and Example 2.2 deals with surveyed sites in West Malaysia taken from Jamandre and Rabanal (1975).
In Example 2.1 (Table 2.6), four sites (A, B, C and D) were evaluated. Considering the relatively high scores, all four sites can be considered for fishpond development. Based upon the ranking, area D is the top priority and area B is second.
However, it must be noted that all the criteria used have been assigned equal weights. If factors are used to convert the individual scores into weighted scores based on the criteria are given emphasis, the ranking of the evaluated sites is likely to change.
In Example 2.2 (Table 2.7), the different criteria used are assigned relative weights with maximum point equivalents totalling 100. Evaluation scores for each criterion is assigned with the maximum point or less depending on the results of the survey. Evaluated sites with scores below the cut-off of 40 percent are not considered for fishpond development.
Example 2.1 Application of unweighted point system
Table 2.6
Characteristics and points earned by four sites
(modified after Adisukresno, 1982)
Criteria | Location | |||
|---|---|---|---|---|
| A | B | C | D | |
| Soil quality: | ||||
Texture | Sandy loam | Sandy loam | Sandy | Sandy loam |
| (30% sand) | (35% sand) | (60% sand) | (35% sand) | |
Depth of top soil (cm) | 20 | 25 | 10 | 20 |
pH | 4.5 | 5.0 | 5.0 | 4.8 |
| Water quality: | ||||
pH | 7.8 | 7.9 | 8.0 | 7.9 |
Salinity (ppt) | 20 | 22 | 24 | 20 |
| Environmental and climatic factors: | ||||
Land elevation (m b.s.l.) | 1–2 | 1–2 | 1–3 | 1–3 |
Tidal fluctuation (m) | 1–2 | 1.5–2.5 | 0.5–2.5 | 1–2 |
Water flow capacity (cu.m/sec) | 3 | 2.4 | 6 | 5 |
Rainfall (days/year) | 150 | 130 | 120 | 100 |
Annual precipitation (mm) | 1 800 | 1 500 | 1 500 | 2 000 |
Vegetation | Rare | Dense | Rare | Dense |
| Other factors: | ||||
Distance to source of supplies (km) | 25 | 20 | 10 | 5 |
Distance to nearest industrial area (km) | 15 | 15 | 10 | 5 |
Presence of stream from the industrial area | No | No | Yes | - |
Presence of stream from ricefield | No | No | No | No |
Accessibility | Good | Good | Good | Good |
Distance to source of fishseed (km) | 50 | 70 | 30 | 60 |
Distance to nearest source of labour (km) | 5 | 3 | 2 | 2 |
Distance to nearest market outlet (km) | 50 | 50 | 25 | 30 |
Availability of area | Yes | Yes | Yes | Yes |
Occurrence of typhoon in the area | None | None | None | None |
Occurrence of monsoon toward the area | East (Jul-Aug) | West (Dec-Feb) | West (Dec-Feb) | West (Dec-Feb) |
Beach abrasion by monsoon | No | No | No | No |
Flood hazard | Yes, during heavy rain | No | No | No |
Criteria | Score | |||
|---|---|---|---|---|
| A | B | C | D | |
| Soil quality: | ||||
Texture | 8 | 7 | 4 | 7 |
Depth of top soil | 7 | 8 | 6 | 7 |
pH | 6 | 8 | 8 | 7 |
| Water quality: | ||||
pH | 7 | 8 | 9 | 8 |
Salinity | 8 | 9 | 10 | 8 |
| Environment and climatic factors: | ||||
Land elevation | 8 | 8 | 6 | 6 |
Tidal fluctuation | 8 | 10 | 6 | 8 |
Water flow capacity | 6 | 5 | 8 | 7 |
Rainfall | 8 | 7 | 6 | 9 |
Annual precipitation | 9 | 7 | 6 | 10 |
Vegetation | 9 | 6 | 9 | 6 |
| Other factors: | ||||
Distance to source of supplies | 6 | 7 | 9 | 8 |
Distance to nearest industrial area | 9 | 9 | 8 | 7 |
Presence of stream from the industrial area | 10 | 10 | 0 | 10 |
Presence of stream from ricefield | 10 | 10 | 10 | 10 |
Accessibility | 10 | 10 | 10 | 10 |
Distance to source of fishseed | 8 | 6 | 10 | 7 |
Distance to nearest source of labour | 7 | 9 | 10 | 10 |
Distance to nearest market outlet | 5 | 5 | 7 | 6 |
Availability of area | 10 | 10 | 10 | 10 |
Occurrence of typhoons in the area | 10 | 10 | 10 | 10 |
Occurrence of monsoon toward the area | 8 | 7 | 7 | 7 |
Beach abrasion by monsoon | 10 | 10 | 10 | 10 |
Flood hazard | 5 | 10 | 10 | 10 |
Total points | 192 | 196 | 189 | 198 |
Rating (%)* | 80 | 82 | 79 | 83 |
* Maximum total points is 240, maximum score per item is 10.
Example 2.2 The weighted point system
Table 2.7
Evaluation of suitability for fishpond development of various swampland sites surveyed in West Malaysia
(Adopted Jamandre and Rabanal, 1975)
| Location of site | Accessibility (× 1) | Socio-economic impact (× 3) | Water supply system (× 2) | Available area (× 2) | Water quality (× 3) | Soil quality (× 3) | Kind of vegetation (× 0.5) | Vegetation density (× 0.5) | Elevation (× 3) | Mechanization (× 1) | Protection (wind-flood) (× 1) | Weighted total (%) | Remarks |
|---|---|---|---|---|---|---|---|---|---|---|---|---|---|
| Kuala Perlis-Utara, Perlis | 6 | 6 | 3 | 1 | 4 | 6 | 8 | 8 | 7 | 7 | 4 | 50 | Coop has M$5 000 intended for seabass, crabs |
| Pulau Langkawi, Perlis Tanjong Dawai (Left bank due south), Kedah | 3 8 | 2 8 | 6 7 | 9 10 | 8 8 | 5 8 | 3 4 | 6 6 | 4 5 | 5 7 | 8 6 | 54 74 | On an island Good demonstration project site, 4 ha pond under construction (planned for shrimp) |
| Tanjong Dawai (Right bank due south), Kedah | 8 | 8 | 6 | 10 | 8 | 8 | 4 | 6 | 6 | 6 | 6 | 74 | Should be supervised and encouraged or make into demonstration project |
| Kuala Moda, Penang | 7 | 6 | 2 | 2 | 3 | 4 | 7 | 5 | 5 | 7 | 6 | 44 | Fair |
| Peatal Acheh, Penang | 6 | 4 | 3 | 4 | 6 | 5 | 6 | 5 | 6 | 6 | 7 | 51 | North end of mud flat, fair |
| Kuala Jalan Baharu Penang | 7 | 5 | 5 | 5 | 4 | 5 | 6 | 5 | 7 | 4 | 7 | 53 | Good |
| Pulau Betong Penang | 8 | 6 | 6 | 4 | 5 | 7 | 6 | 5 | 5 | 5 | 7 | 57 | Maybe good for Chanos demonstration project |
| Kuala Kurau, Kuala Gula: Telok Rubian, Perak | 2 | 2 | 4 | 5 | 5 | 7 | 7 | 5 | 3 | 6 | 4 | 44 | Fair |
| Larut Matang Selingsing Island, Perak | 5 | 7 | 6 | 6 | 7 | 7 | 4 | 5 | 7 | 4 | 5 | 63 | Good |
| Jabong (roadside), Perak | 9 | 4 | 4 | 4 | 5 | 4 | 2 | 5 | 4 | 6 | 5 | 45 | Fair |
| Larut Matang: Sungei Kechil, Perak | 7 | 7 | 5 | 8 | 7 | 6 | 4 | 5 | 4 | 4 | 5 | 59 | Good |
| Bagan Pancor: Sungai Tinggi; Passir Hitam; Sungai Kerang; Jaron Mas, Perak | 7 | 7 | 7 | 10 | 8 | 6 | 5 | 4 | 3 | 6 | 5 | 64 | Can be good for state demonstration pond at Bagan Pancor (8 to 15 ha recommended) |
| Kuala Selangor, Selangor | 6 | 6 | 3 | 4 | 4 | 6 | 5 | 4 | 2 | 8 | 4 | 45 | Fair |
| Sungai Lukut, Negeri Sembilan | 5 | 4 | 5 | 3 | 5 | 3 | 4 | 4 | 2 | 8 | 4 | 40 | Not recommended |
| Sungai Linggi Negeri, Sembilan | 4 | 3 | 5 | 5 | 5 | 3 | 3 | 4 | 2 | 8 | 4 | 39 | Not recommended |
| Sungai Rembau, Negeri Sembilan | 5 | 3 | 3 | 4 | 4 | 3 | 3 | 4 | 2 | 8 | 5 | 36 | Not recommended |
| Gelang Patah, Johore | 6 | 5 | 6 | 5 | 3 | 6 | 5 | 4 | 3 | 8 | 5 | 48 | Project site salinity and water quality poor when it rains |
| Sungai Chukoh Serkat, Johore | 6 | 3 | 5 | 4 | 5 | 5 | 6 | 4 | 3 | 7 | 5 | 45 | Fair |
| Kampong Celo Dawa. Johore | 8 | 4 | 7 | 1 | 6 | 6 | 5 | 5 | 4 | 8 | 5 | 51 | Existing and profitable crab fattening ponds |
| Plentong Tebrau. Johore | 7 | 5 | 8 | 4 | 6 | 5 | 6 | 6 | 5 | 8 | 5 | 57 | Good |
| Kampong Kuala Penor, Penang | 7 | 1 | 2 | 0 | 5 | 2 | 3 | 4 | 1 | 6 | 5 | 26 | Very poor not recommended |
| Kudatan Riverside. Pahang | 5 | 2 | 7 | 1 | 8 | 5 | 6 | 4 | 5 | 5 | 5 | 48 | Very fair |
| Kampong Cherating. Pahang | 8 | 2 | 7 | 4 | 7 | 4 | 4 | 4 | 8 | 6 | 5 | 54 | Good |
| Sungai Chukai, Trengganu | 7 | 7 | 5 | 6 | 6 | 5 | 5 | 6 | 6 | 6 | 5 | 59 | Fairly good |
| Sungai Kemaman, Trengganu | 7 | 7 | 5 | 7 | 3 | 4 | 6 | 5 | 5 | 6 | 4 | 52 | Good |
| Kuala Kerteh, Trengganu | 8 | 7 | 6 | 6 | 7 | 6 | 5 | 6 | 6 | 7 | 5 | 64 | Good demonstration site for east coast |
| Sungai Datu, Trengganu | 7 | 7 | 6 | 4 | 3 | 5 | 5 | 5 | 5 | 6 | 5 | 52 | Good |
| Kampong Pulau Krengga Merchang. Trengganu | 9 | 3 | 5 | 1 | 6 | 4 | 8 | 9 | 8 | 8 | 6 | 53 | Recommended for experimental pond only |
| Kuala Ibai, Trengganu | 7 | 5 | 4 | 1 | 4 | 2 | 6 | 4 | 7 | 6 | 5 | 44 | Fair |
| Kampong Penarek, Trengganu | Negligible swamps | - | - | - | - | - | - | - | - | - | Not worth considering | ||
| Kampong Fikri, Trengganu | 6 | 5 | 5 | 2 | 5 | 3 | 2 | 3 | 5 | 7 | 5 | 44 | Not worth considering |
| Sabak, Kelantan | Very marginal mangrove | - | - | - | - | - | - | - | - | Not worth considering | |||
| Tumpat, Kelantan | 7 | 6 | 6 | 3 | 1 | 2 | 6 | 7 | 6 | 7 | 1 | 42 | Flooded |