par
F. Gerlottor1/, B. Stéquert1/ et M.A. Barbieri2/
1/ Océanographes ORSTOM, CRODT, B.P. 2241, Dakar - Sénégal
2/ Stagiaire, Antenne ORSTOM, COB, B.P. 337, 29273 Brest CEDEX - France
1. INTRODUCTION
Deux campagnes de prospection acoustique effectuées sur le plateau continental guinéen en décembre 1978 et mars 1979, lors de deux saisons climatiques différentes (Marchal et al., 1979), ont montre limportance de la biomasse de balistes dans cette région (environ 45 000 t). Cette observation nous a conduit à entreprendre quelques études ponctuelles sur la biologie de ce poisson. Nous avons échantillonné les balistes au chalut pélagique, ce qui fait que nos observations ne portent que sur la partie de la population présente entre deux eaux. En particulier, les poissons proches du fond nous échappent. De la même manière, notre échantillonnage est limité aux régions du plateau où la profondeur dépasse 10 m. En principe celà ne doit pratiquement pas avoir de conséquence pour les balistes qui sont absents des zones peu profondes.
Durant le dépouillement de ces campagnes, lapparition massive des balistes dans les eaux sénégalaises nous a conduit à effectuer également quelques opérations ponctuelles dans cette région. Cest ainsi quune campagne de chalutage (chalut de fond) a été entreprise au nord de Dakar, et que des prélèvements biologiques ont été recueillis dans la région du Cap-Vert.
Les résultats que nous présentons ici, hormis quelques données fragmentaires en provenance de Côte-dIvoire, concernent donc la partie nord-ouest du golfe de Guinée et la côte nord-ouest de lAfrique, soit du banc Sainte-Anne au fleuve Sénégal.
2. REPARTITION
2.1 LIMITES GEOGRAPHIQUES DE LA BIOMASSE
On rencontre des balistes jusquen Europe, mais il sagit dindividus isolés. Les premières biomasses importantes apparaissent actuellement au Sénégal où elles sont arrivées massivement en juin, cest-à-dire au début de la saison marine chaude. Des sondages auprès des pêcheurs semblent indiquer que ce phénomène a débuté en juin 1978, mais que les balistes sétaient retirés lors de la saison froide (novembre 1978 à mai 1979).
La première zone où B. capriscus constitue la majorité de la biomasse est située à la limite sud de larchipel des Bissagos (Stéquert et Gerlotto, 1977). A partir de cette zone, les balistes sont présents à lheure actuelle en quantités importantes de la Guinée-Bissau au Nigéria (Robertson, 1977). Aucune donnée nexiste concernant le Libéria, mais on voit mal pourquoi ce pays représenterait une solution de continuité dans la répartition de la biomasse du baliste. Daprès les résultats du N/O FIOLENT (Robertson, 1977), il ny aurait plus de balistes au sud du Nigéria.
2.2 REPARTITION BATHYMETRIQUE
Les biomasses de balistes rencontrées en Guinée sont limitées aux régions du plateau continental où la profondeur dépasse 30 m. Ce phénomène apparaît clairement sur la figure 1 (de cette annexe) où la répartition générale des balistes sur le plateau continental de Guinée et de Sierra Leone est présentée. Les balistes ne se sont dailleurs pratiquement pas déplacés entre les deux campagnes. Dautre part, les balistes sont absents des pêches professionnelles côtières (10 m). La limite supérieure est plus délicate à mettre en évidence, car on trouve des balistes au-delà du plateau continental. Il semble toutefois que lessentiel de la biomasse se tienne entre 30 et 100 m. Cette observation est à relier à celles faites au Ghana par le Fishery Research Unit de Tema et dans ce même pays et en Côte-dIvoire par nous-mêmes (Ansa-Emmim, 1978; CRODT, 1977)
Rendements en balistes pour différentes profondeurs
sur la radiale de Tema (chalut de fond)
(Daprès Ansa-Emmim, 1978)
|
Profondeur (m) |
Rendements (kg/j) |
Rendements moyens (kg/j) |
|
18 |
28,7 |
14,6 |
|
27 |
0,5 |
|
|
36 |
158 |
|
|
45 |
32 |
64,0 |
|
54 |
2 |
|
2.3 REPARTITION PAR TAILLE
Nous navons pu mettre en évidence aucune relation entre la longueur des poissons et la bathymétrie au cours de la campagne de mars 1979 (figure 2). Par contre en décembre 1978 nous avons pu constater que les trois cohortes observées navaient pas une répartition similaire: les petits individus (12 cm) se rencontraient partout, mais à une taille supérieure (17 cm) on ne les rencontrait plus en deçà des 50 m, et les plus gros (20 cm) nont été observes que sur la limite du plateau (100 m).
Néanmoins les résultats contradictoires que nous avons obtenus ne nous permettent pas de tirer de conclusions sur la répartition par taille.
Par contre nous avons pu observer une assez bonne corrélation entre la taille et la profondeur de pêche (figure 3). Les balistes semblent être dautant plus proches de la surface quils sont plus petits.
3. BIOMETRIE
Pour établir la relation longeur-poids, 357 individus ont été mesures en longueur à la fourche au millimètre et pesés au gramme près. Les poissons mesures se situaient dans un intervalle de taille compris entre 7 et 25 cm. Il faut noter toutefois que nos échantillons ne provenaient pas de la même origine: les petits (LF < 10 cm) ont été captures en Côte-dIvoire et les grands (LF > 10 cm) en Guinée et en Sierra Leone (figure 4).
La relation longueur-poids, calculée par la méthode des moindres carres, est de la forme:
P = 4,03.10-5 LF2,87
A partir de cette relation, nous avons calculé une clé longueur-poids pour B. capriscus:
Clé longueur-poids de B. capriscus
|
LF (cm) |
Poids (g) |
|
7 |
8,0 |
|
8 |
11,7 |
|
9 |
16,4 |
|
10 |
22,1 |
|
11 |
29,1 |
|
12 |
37,4 |
|
13 |
47,0 |
|
14 |
58,2 |
|
15 |
70,9 |
|
16 |
85,3 |
|
17 |
102 |
|
18 |
120 |
|
19 |
140 |
|
20 |
162 |
|
21 |
186 |
|
22 |
213 |
|
23 |
242 |
|
24 |
273 |
|
25 |
307 |
|
26 |
344 |
|
27 |
383 |
|
28 |
425 |
|
29 |
470 |
|
30 |
518 |
4.1 REGIME ALIMENTAIRE
Une soixantaine de tubes digestifs a été conservée dans le formol en vue didentifier le régime alimentaire. Cette identification a été faite de manière rapide et grossière. Le régime alimentaire des balistes est très varié. B. capriscus est un prédateur à large spectre alimentaire: il se nourrit aussi bien de plancton que de benthos ou de poissons. Pour lessentiel, les contenus stomacaux étaient composes de:
|
- Plancton |
oeufs de poissons pélagiques
(clupéidés) |
|
|
mollusques pélagiques |
|
|
euphausiacées et larves de crustacés |
|
|
copépodes |
|
|
larves de poissons (clupéidés) |
|
|
|
|
- Poissons et céphalopodes |
Myctophidés |
|
|
poissons de DSL (Deep Scattering Layer = Couche profonde
diffusante) |
|
|
calmars |
|
|
|
|
- Benthos |
débris de coquilles (gastéropodes et
bivalves) |
|
|
oursins |
|
|
coraux |
|
|
bryozoaires |
|
|
petits crabes |
|
|
débris de macrophytes, sable, etc. |
4.2 RYTHMES ALIMENTAIRES
Nous navons trouvé de balistes, lestomac plein, quune fois, lors dune pêche effectuée au niveau de la DSL vers 20 heures. Dans tous les autres échantillons et quelle que soit lheure de la capture, les estomacs étaient presque vides (Guinée).
Les poissons capturés sur le fond (chalutages au Sénégal), semblent avoir lestomac plus souvent plein que lors de leur phase pélagique; il sagit alors exclusivement daliments dorigine benthique (coquilles, épines doursins, etc.).
Tout en gardant à lesprit le coté toujours fragmentaire de nos données, il semble que, hormis le cas où la population se trouve dans des eaux profondes (alimentation sur la DSL, les balistes se nourrissent essentiellement sur le fond et que lalimentation pélagique constitue une nourriture dappoint, bien que parfois non négligeable.
5. REPRODUCTION
5.1 SEX-RATIO
Lors des campagnes en Guinée, la distribution des sexes chez les balistes, observée sur plus de 800 individus, na donné que des femelles à divers stades de maturité, des immatures au sexe indiscernable, et chez les gros individus des gonades de structure inhabituelle. Il sagit en effet de gonades minuscules, eu égard à la taille du poisson, en forme de boules sans aucune vascularisation apparente et immatures en tout état de cause.
La figure 5 montre la répartition par taille des poissons possédant ce type de gonade, que nous avions classe comme stade de maturité sexuelle VII.
On voit que ce stade apparaît chez les gros individus, surtout à partir de 20 cm, et quil représente lessentiel des observations à partir de 24 cm. En revanche, les poissons de moins de 18 cm sont pratiquement tous des femelles.
Une série restreinte dobservations histologiques nous a montre que ce stade VII correspondait en fait à des testicules immatures, sans quil nous ait été possible de noter des cas dintersexualité. A la même époque (novembre 1978), nous avons pu également observer sur quelques coupes histologiques des ovaires en stade de maturité avancée (stades IV/V), sans que la non plus nous ayons pu mettre en évidence des plages dintersexualité.
Nous pouvons donc émettre deux hypothèses sans quaucun élément nous permette de vérifier lune ou lautre: ou bien il y aurait changement de sexe avec lâge, tout ou partie des individus âgés prenant le sexe mâle, ou bien il y aurait répartition différentielle suivant les sexes, les mâles mûrs étant par exemple au fond.
Un complément dobservation sur de gros individus (16 à 35 cm) au Sénégal nous a fourni, dans les plus grandes tailles, des mâles au stade II (et presque III pour les plus mûrs). Au-delà de 25-30 cm, la détermination du sexe des balistes ne présente plus dambiguïté; quant au sex-ratio, il montre que les femelles sont toujours présentes quelle que soit la taille. Le phénomène dintersexualité, sil existe, ne toucherait donc que les mâles qui passeraient au préalable par un stade femelle au cours de leur existence. Ceci permet de mieux comprendre lévolution annuelle du sex-ratio étudiée sur les stocks ghanéens (Ansa-Emmim, 1978).
Il reste cependant un point non élucidé dans le cadre relativement étroit de nos observations. Il sagit de la fraction de la population représentée par les mâles mûrs (stades III à VI), que nous navons observée dans aucun de nos prélèvements bien que nous ayons capturé des femelles prêtes à pondre. A titre dexemple, la rapport gonadosomatique (RGS) de la femelle la plus mure est égal à 7,84 (poids du corps = 640 g) alors que le mâle le plus mûr (stade II/III, pour un poids de corps de 1 kg) atteint un RGS de 0,1.
5.2 DIMORPHISME SEXUEL
Des observations sur la livrée des balistes nous ont montré que lon pouvait séparer la population en deux groupes distincts daprès la couleur de la peau au niveau de la région sous-operculaire, lun présentant une coloration blanc-grisâtre et lautre une coloration jaune.
Faisant abstraction dune part non négligeable dindividus à la coloration indécise, nous avons note le sexe de 289 individus aux couleurs bien marquées. Il apparaît que la couleur jaune est liée au sexe mâle: nous avons pu noter en effet pour les poissons à gorge jaune 49 mâles et 8 femelles, et pour les poissons à gorge blanche 223 femelles et 9 mâles (figure 6).
Sil en était besoin, un test de x2 sur ces valeurs nous a confirmé létroite relation existant entre le sexe et la coloration.
Il serait cependant bon de vérifier dans quelle mesure la coloration ne dépendrait pas également, au moins en partie, de la taille, les femelles observées étant en moyenne plus petites que les mâles. Dans la mesure où il y aurait changement de sexe avec lâge, ceci reviendrait dailleurs au même.
Les observations supplémentaires obtenues sur les gros individus (LF > 25 cm) au Sénégal, sembleraient dailleurs démontrer quen effet, la coloration jaune correspond plus au bouleversement physiologique existant à lâge où les mâles potentiels changent de sexe quà un réel dimorphisme sexuel. Cependant les deux hypothèses mériteraient dêtre étudiées plus complètement.
5.3 PERIODES DE PONTE
Il nest pas possible de délimiter les périodes de ponte avec les données ponctuelles dont nous disposons. Nous pouvons seulement indiquer que lors de la campagne de novembre les balistes étaient en période de ponte, et quau contraire en mars ils étaient en repos sexuel (figure 7).
Ceci pourrait dailleurs expliquer les différences observées entre les deux campagnes dans les distributions par tailles en fonction de la bathymétrie, mais nous ne disposons à lheure actuelle daucun élément pour étayer ou infirmer cette hypothèse.
Enfin notons simplement que les balistes dont les gonades ont été observées au Sénégal en juillet 1979 étaient en période de reproduction (abstraction faite du problème posé par les mâles).
6. CROISSANCE
6.1 DISTRIBUTION DES TAILLES
Dans cette optique, seule la campagne de mars 1979 a été analysée.
Les captures de balistes sont en général unimodales. Nous présentons en figure 8 les principaux types de structure de taille rencontres.
Nous y avons adjoint les résultats dun chalutage effectue en Côte-dIvoire, au large de San-Pedro qui a été le seul à présenter une valeur modale à 8 cm. Dans la mesure où ce coup de pêche a donné en même temps un mode à 13 cm, modèle que lon retrouve aussi en Guinée, nous avons admis en première approximation que reproduction et croissance étaient synchrones dans les deux régions.
On rencontre donc 4 valeurs modales principales, à 8, 13/14, 17 et 21 cm. Cette structure à 4 cohortes apparaît également sur lhistogramme de lensemble des mesures (en valeurs pondérées) de la campagne (figure 9), les deux cohortes principales se situant à 14 et 21 cm, la cohorte 17 cm étant en partie masquée.
6.2 Etude des marques de croissance
Le premier rayon de la première nageoire dorsale de B. capriscus a été prélevé sur 70 individus lors de la campagne de mars 1979 et sur des poissons capturés au Sénégal; une quinzaine dautres ont été fournies par le Centre de recherches océanographiques dAbidjan. Des coupes fines (environ 400 m) ont été effectuées au moyen dune scie lente 1/
1/ ISOMET 11-1180 low-speed saw, BUEHLER Ltd.Une première série de coupes à diverses hauteurs des rayons nous a permis de délimiter la zone la plus propice aux observations, qui se situe dans le premier tiers à partir de larticulation du rayon (figure 10).
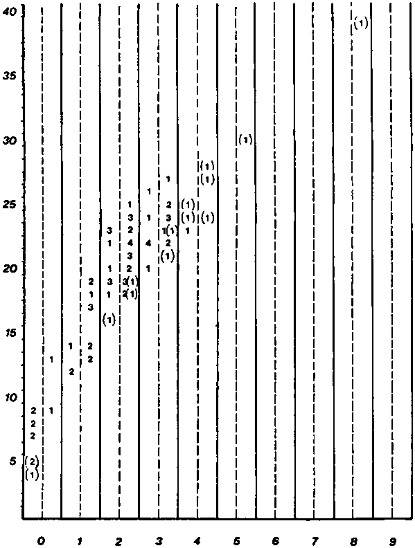
Les rayons observés nous ont permis de constater que les stries daccroissement étaient suffisamment visibles sur B. capriscus pour permettre une interprétation: seules 3 coupes sont restées illisibles.
Les stries visibles chez B. capriscus vont le plus souvent par paires (figure 10 coupe B) Le baliste marquerait donc deux stries annuelles, phénomène déjà décrit pour dautres espèces tropicales (Dia, 1975). Nous avons pu dresser une clé âge-longueur observée (figure 11) en tenant compre du fait que la dernière paire soit complète ou pas.
Si lon applique ensuite cette clé à lhistogramme de fréquence de tailles de la campagne, on voit que la cohorte de 8 cm aurait 6-7 mois, celle de 14 cm, un peu plus dun an, la suivante (17 cm), un peu plus dun an et demi et la dernière (21 cm), légèrement plus de 2 ans.
Ces âges sont, bien sûr, indicatifs et il faudrait disposer de plus de données pour être plus catégorique et calculer une courbe de croissance.
Néanmoins ces observations, pour superficielles quelles soient, sont une première indication sur la croissance du baliste. En outre elles semblent démontrer quil y aurait deux pontes annuelles principales, lune vers octobre - novembre, lautre vers avril - mai.
Nous avons indiqué ci-dessus que lors de la campagne de novembre, les balistes étaient encore en ponte, alors quen mars ils étaient en repos sexuel. Ces observations sont donc compatibles avec lhypothèse des deux pontes annuelles, mais ne sont, bien sûr, pas suffisantes pour être affirmatives.
7. CONCLUSION
Cette étude préliminaire nous a permis de mettre en lumière quelques points sur la biologie de B. capriscus, notamment sur la reproduction et la croissance. Cependant le peu de données dont nous disposons ne nous permet de considérer cette étude que comme une approche préliminaire à des études plus poussées qui sont encore à entreprendre.
Néanmoins plusieurs points intéressants ont pu être mis en évidence. En particulier les problèmes que posent les variations du sex-ratio, qui nont pas pu être résolus, devraient pouvoir lêtre facilement si lon dispose dun minimum de renseignements supplémentaires.
B. capriscus forme lune des populations les plus importantes de la région et joue un rôle non négligeable dans la chaîne alimentaire: il se nourrit de tout et sert lui-même daliments aux grands prédateurs tels que la sériole, Seriola dumerili (Marchal et al., 1979) et probablement les thons (Dragovich, 1971).
Lun des problèmes les plus intéressants que pose le baliste est celui de sa soudaine apparition en quantités énormes vers 1972, sur lensemble du golfe de Guinée alors quauparavant, il nétait présent quà létat de traces (GTS, radiales systématiques du Ghana et de Côte-dIvoire, etc.).
Il serait utile, maintenant que lon dispose de quelques renseignements sur son écologie, de vérifier cette hypothèse ou de déterminer si, au contraire, les balistes nexistaient pas avant 1972 en quantités sinon égales à celles observées actuellement, du moins plus importantes quon la prétendu.
Dans la région guinéenne, B. capriscus est surtout situe dans les zones du large, au-delà des 30 m; il est essentiellement pélagique (dans les 20 premiers m sur la surface) et en général dispersé ou en très petits bancs; on le trouve au-delà du plateau continental où il se nourrit sur la DSL. Ces caractéristiques font quune prospection au chalut de fond pouvait fort bien ne pas rencontrer de balistes. De même des senneurs recherchant des bancs denses navaient aucune raison de tourner sur cette espèce. La seule prospection susceptible den fournir en quantités appréciables aurait été le fait de chaluts pélagiques. Or cette technique na pas été utilisée au large dans le golfe de Guinée avant ces dernières années.
Si lon considère maintenant la population présente au Sénégal de ce point de vue, le problème apparaît alors différent. En effet les balistes y sont vulnérables dans toutes les zones et toutes les couches deau. Nétant apparus (du moins ces dix dernières années) quà partir de 1978 et sachant que les divers engins de pêche explorent depuis très longtemps lensemble de la région, il est clair quil sagit dans ce cas dune véritable invasion due sûrement à une migration depuis la Guinée. A la lumière de ce que nous voyons au Sénégal, il semble donc bien que B. capriscus, lorsquil existe en abondance, soit assez facilement détecté en particulier par le chalutage de fond.
Sil est alors très probable que lapparition des balistes dans le golfe de Guinée soit pour lessentiel due à une augmentation de la population, il nen reste pas moins vrai que la population initiale a pu être fortement sous-estimée dans les régions peu explorées du golfe et en particulier aux accores.
Quoi quil en soit, lapparition de B. capriscus dans les prises des radiales de référence montre bien quun changement brutal sest produit chez cette espèce vers 1972. Mais il serait extrêmement intéressant dapprofondir la nature de ce changement avant de pousser plus avant les études écologiques sur le golfe de Guinée.
REFERENCES
Ansa-Emmim, M., 1979 Occurrence of the trigger fish, Balistes capriscus (Gmel) on the continental shelf of Ghana. COPACE/PACE Sér., (79/14): 20-32
CRODT (Centre de recherches océanographiques de Dakar-Thiaroye). 1977 Compte rendu de la mission ECHOPREG I, N/O CAPRICORNE, 16 juin-4 juillet 1977. Rapp. Intern. Cent. Rech. Océanogr. Dakar-Thiaroye, 1 octobre 1977: 10 p. (miméo)
Dia, A.K., 1975 Détermination de lâge des machoirons (Chrisichthys nigrodigitatus): première estimation de la croissance. Doc. Sci. Cent. Rech. Océanogr. Abidjan, ORSTOM, 6(2): 139-51
Dragovich, A., 1971 The food of skipjack and yellowfin tunas in the Atlantic Ocean. Fish. Bull. NOAA/NMFS, 68(3): 443-55
Marchal, E., J. Burczynski et F. Gerlotto, 1979 Evaluation acoustique des ressources pélagiques le long des côtes de Guinée, Sierra Leone et Guinée-Bissau (N/O) CAPRICORNE. Novembre/décembre 1978). Rome, FAO, GUI/74/024/2: 100 p.
Robertson, I.J.B., 1977 Eastern Central Atlantic Fisheries, Summary report: FIOLENT 1976 Eastern Central Atlantic coastal fishery resources survey, southern sector. CECAF Tech. Rep., Dakar, (77/2): 115 p.
Stéquert, B. et F. Gerlotto, 1978 Première évaluation acoustique des ressources en poissons démersaux du plateau continental de la Guinée-Bissau. COPACE/PACE Sér., (78/8): 91-9
Fig. 1 - Distribution géographique de B. capriscus sur le plateau continental guinéen
Fig. 2 - Relation entre la taille modale et la bathymétrie (chalutages pélagiques, mars 1979)

LF = taille modale (longueur à la fourche) en cm
Z - profondeur en m
Fig. 3 - Relation entre la taille moyenne et la profondeur de pêche (chalutages pélagiques, mars 1979)

= taille moyenne (longueur à la fourche) en cm
Z = profondeur de pêche (au niveau du net-sonde) en m
Fig. 4 - Relation taille-poids de B. capriscus

P = poinds en g
LF = longueur à la fourche en mm
Fig. 5 - Distribution des sexes en fonction de la taille

Fig. 6 - Distribution de la coloration en fonction de la taille

Fig. 8 - Histogramme de fréquence de tailles de B. capriscus pour quelques coups de chalut (Guinée, mars 1979)

LF = longueur à la fourche en cm
N = fréquence en nombre de poissons
Fig. 9 - Fréquence de taille de B. capriscus (plateau continental guinéen, mars 1979) effectifs pondérés

LF = longueur à la fourche en cm
N = somme des effectifs pondérés des échantillons
* = les individus de moins de 10 cm proviennent dun coup de chalut effectué en Côte-dIvoire, au large de San-Pedro
Fig. 10 - Représentation schématique du 1er rayon de la première nageoire dorsale de B. capriscus: structure à divers niveaux de coupe (seules les coupes au niveaux B et C présentent une bonne lisibilité)

Fig. 11 - Clé âge-longueur de B. capriscus, daprès les marques de croissance (1er rayon de la 1ère dorsale)

.abscisse: âge (en années révolues)
.ordonnée: longueur à la fourche en cm
Les chiffres entre parenthèses représentent les échantillons provenant de Côte-dIvoire