Information on a fishing vessel's activity is captured on six different forms known as card types. The observer completes five of these in the course of a cruise. All card types are of such a format that the information on them may be easily keypunched in batches to make a computer tape as part of the overall observer data base. Because the keypuncher is in all likelihood unfamiliar with the material, the observer is required to make all entries as clear as possible and to follow the rules for entering data to the letter. The rules are detailed in this section of the manual.
Each observer program card type is designed to capture a specific set of information on an aspect of a vessel's activity.
Card Type 1, which is the only form not completed by the observer, gives details on the vessel itself such as overall length, gross tonnage, and brake horsepower.
Card Type 2 is used to describe the vessel's actual fishing gear and is adaptable for both trawls and longlines. It includes such information as footrope length and codend mesh size or the number of hooks between floats and longline.
Card Type 3 is completed for each set of the trawl or longline. It includes information on time, depth, position, and total catch. There are also spaces for the special information particular to a longline operation.
Card Type 4 records the actual catch composition by species and weight for each set. Discard information and that portion of the catch reduced to fish meal is detailed here also.
Card Type 5 is the sheet used for a length frequency sample. Each fish length is tallied according to the appropriate scale.
Card Type 6 is used for more detailed information acquired through sampling, such as a fish's individual weight, age, or the stomach content of a squid for example.
The information from the card types is processed in such a manner that all available information recorded by observers for a given fishery may be accessed in minutes. The information may be used in making decisions influencing the course of a fishery. It goes without saying that the observer's data must be accurately recorded.
The domestic and foreign fishing vessels on which observers are usually deployed are for the most part centers of non-stop round the clock activity. Often vessels will be able to make as many as nine or ten sets a day, and if fishing is good, the processing of fish in the factory will continue day and night, with only brief interruptions for meals. A fishing vessel operating at full fishing and production capability can be a very perplexing place to find oneself. The observer who tries to record all set positions and times, monitor factory activities, sample, and still find time to sleep is attempting an impossible juggling act. For some information the observer will have to depend on a good working relationship with the captain and crew of the vessel to make his job easier.
The observer is most dependent on crewmen, the captain and mates in particular, for gathering positions, depths, and times for sets and haulbacks. Most positions are determined using radio navigational aids such as Loran A or C, and satellite navigation which must be operated by a qualified navigator. These machines are most often left in operation and are frequently calibrated so more often than not, an observer merely has to take a reading without touching the device. If however, such a receiver is not operating correctly, the observer should ask the captain or mate to calibrate it and under no circumstances, attempt to operate the machine himself. Even observers who are well grounded in navigation are wiser to follow this rule and allow a vessel's mate, the man most familiar with a particular machine, to operate it. The recording of depths and times should pose no problem.
Sleep can be a precious commodity and the observer will probably find it next to impossible to be on the bridge for every set or haulback during the trip. He should always ask that the mate on watch record the information for sets missed. On most factory trawlers, it can be arranged to have a crewman knock on the cabin door at haulback or if anything unusual occurs. This is less advisable on wetfish trawlers due to the smaller crew, but often the noise of the winches alone is sufficient to rouse the observer.
Because the observer program card types are constructed to allow direct keypunching, the following rules for completion apply to all card types.
1. Write legibly. Make the numbers so there is no doubt as to their identity. Be careful with 1's and 7's. “Block” numbers are suggested.
eg.

2. Use black ink or HB pencil only. Always press hard with pencil. Light pencil markings will not photocopy.
3. Try to avoid taking all but the Card Types 5 and 6 into messy areas such as the processing room. If for some reason a card type is soiled, with fish blood or oil for example, it must be recopied.
4. Use a single box for each number and always right justify, that is units must occupy the box furthest to the right, tens the box second from the right, hundreds the third box, etc.

5. Unless specified otherwise, decimal points always occupy a single blank. Note that the boxes entitled “Water Temperature” and “Vessel Towing Speed (KT)” have decimal places provided and are the only exceptions to the above rule. If there are not enough blanks, round off the number.

6. Unless otherwise specified all measurements are to be in the metric system.
7. When in doubt about a code, always consult the code lists at the end of the manual (appendix A).
8. Record all times in Greenwich Mean Time (GMT). Remember Greenwich is constant and does not change according to season.
9. The date of a set is governed by the time the trawl reaches fishing depth. For example: if the foreign trawler “Lunnick” beings to shoot away at 2355 GMT on April 30, yet finishes shooting (gear reaches bottom) at 0005 GMT on May 1, the set is dated May 1. If however, the Lunnik were to complete shooting at 2359 GMT on April 30, the set would be dated April 30 even though all but one minute of the tow occurred on May 1.
10. For all trips on foreign vessels, use the six digit license number as the indicator for the trip. For trips on Canadian vessels use the C.F.V. or Canadian Fishing Vessel Number exclusively. Note that the C.F.V. is the same as the vessels side number.
11. Use recognized common names rather than colloquial species names. When in doubt as to a correct name for a fish, refer to the appropriate species guide.
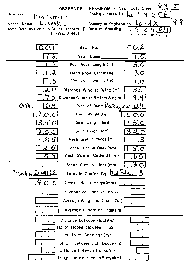
Although the observer completes Card Type 2, he is most often reliant upon a crew member for the information on this, the gear sheet. On a foreign vessel the trawl master is the best source for such information. Solely responsible for the gear, its repair and adaptation, many foreign trawl masters can provide explanations, schematics, tables, and other information far beyond the data required on Card Type 2. Highly trained gear experts of this kind are rarer on Canadian trawlers (having much smaller crews). When deployed on domestic trawlers, the observer should ask either the skipper, mate, or perhaps the bosun for the needed information. All required codes are listed in appendix A.
Steps for Completing Card Type 2
Header: (For all trips, foreign, domestic, shrimp, and tuna.)
1. Fill in the spaces marked “Observer” and “Vessel's Name”.
2. If the vessel is foreign, enter the license number, if it is a domestic use the C.F.V. number and remember to right justify it in the space marked “Fishing License No.”.
3. Enter the “Country of Registration” and select the appropriate code from the list at the end of the manual.
4. If the trawl master or skipper has offered extra information of a nature that can't be recorded in Card Type 2, indicate 1 - yes in the space provided. Otherwise enter 0 - No. Write in the date of boarding.
The completed header should look like this:

Gear Data: For specifics on identifying gear types, refer to Section V.
5. Starting at 1 assign a sequential gear number for each gear type or major gear modification used during the trip. Modifications such as replacing a codend with a new one of different mesh size, the installation of a headrope or footrope of different length, replacement of doors with ones of new dimensions, or the attachment of topside chafing gear are changes that are major enough to warrant the assigning of a new gear number. As a rule of thumb if a modification in the gear causes a change in any of the fields designated on Card Type 2 a new gear number is required. If, however, a footrope is replaced by another with less rollers yet the length remains the same, do not consider the arrangement as a new gear type. Use the trip report to document the change.
For example: From April 15 to April 21, the “Lunnik” uses a bottom trawl with a codend mesh size of 65 mm. On April 21, the vessel switches to a midwater trawl which it uses until May 1. From then until May 9 the original bottom trawl is used again but a new 90 mm mesh codend has been sewn in to replace the old 65 mm one. After May 9 the vessel reverts to the same midwater trawl using different but identical doors.
The gear numbers would be as follows:

Gear Types 1 and 2 are obviously different, hence separate gear numbers are assigned. Gear number 3, although essentially the same as gear number 1 is considered a new gear type, because there is a change in the codend mesh size, implying a different measurement further along the Card Type 2. No new gear number is assigned for the midwater trawl using new doors because there is no actual change of measurements.
6. Note the space marked “Gear Name”. A space is provided for a 2 digit gear code. Select the appropriate code from the index. Be careful not to confuse side trawler and stern trawler codes.
Between Solid Lines - Trawl Data:
7. Record in metres, “Foot Rope Length”, “Head Rope Length”, “Vertical Opening”, “Distance Wing to Wing”, and the “Distance Doors to Bottom Wing”. Note that wing to wing distance may sometimes be referred to as wingspread or horizontal opening of the mouth of the trawl. The distance between the door and wing is as stated and includes all attachments such as the ground warp, back straps or dan leno assembly.

8. Identify the shape of the doors and use the corresponding code. Trawl doors are either rectangular, code - 04, or oval - code 05. Rectangular doors are generally used with midwater or off-bottom trawls. Oval slotted doors are used almost exclusively with bottom trawls.

9. Enter the door weight in kilos. If no crew member knows the door weight, look on the door itself. The weight is usually engraved on the face.

10. Fill in the door's height and length. Consider the height as part of the door that is perpendicular to the usual path of the door through the water. For oval doors the height will usually be less than the length. With rectangular doors, the height will generally be greater.

11. Record the mesh size of the wings in metres. If the wings are tapered give the average measurement. If the mesh size is less than a metre, use a decimal. Expect especially large wing mesh measurements in midwater trawls.

12. Record the mesh sizes of the codend and body of the trawl in millimetres. Take the measure for the body from the “Bellies” of the trawl. Again if there is a taper, take an average. The codend mesh size is often a controversial matter, so the observer should make certain that the actual measure is obtained rather than the crew's desired value.

13. If there is a liner in the codend, record its mesh size in millimetres. When there is not liner, leave the space blank.

14. Use the appropriate code to record the topside chafer type. If there is no chafer present, or only a bottom chafer fitted, leave the field blank. Information on bottom chafers may be covered in the trip report.
The codes for topside chafer types are as follows:
| Blank | No Topside Chafer |
| 1 | Standard ICNAF |
| 2 | Modified ICNAF |
| 3 | Modified Polish |
| 4 | Multiple Flap Type Chafer |
| 8 | Other, Describe in trip report |
Refer to the section on gear components in this manual for descriptions of the various chafer types (Section 6.4).

15. Record the “central roller height” in millimetres. This refers to the vertical dimension of the roller and should only represent rollers in the central section of the foot rope. A blank field indicates there are no rollers on the foot rope.

The following three fields are used for recording data for off-bottom chain and off-bottom bobbin gears only. In order to qualify as an off-bottom gear type, the chains must be greater than 1 metre in length.
16. The number of hanging chains refers to those chains hanging below the mouth of the trawl. The average weight and average length refers to the average measurement of the same chains. Note that for an entry in these fields, the “Gear Name” code must be either 18 or 19 for off-bottom chain or off-bottom bobbin gear respectively.

Longline Only:
The remaining fields on Card Type 2 below the solid line pertain exclusively to longline gears. A description of a longline is given in the section on gear. Remember, Code 50 must appear with “gear name”.
17. Record the distance between floats on the mainline in metres and the number of hooks between the floats.

18. Record the length of the gangions in metres. The length between light abd radio buoys is recorded in metres.

Samples of completed Card Types 1 and 2 appear on the following pages.

fig. 1 Ship Data - Card Type No. 1

fig. 2 Gear Data - Card Type No. 2

fig. 3 Gear Data - Card Type No. 2
Unlike card type 2, the observer alone is responsible for the accuracy of the data on this sheet. The crew may be of some use in providing information such as positions and depths, but the observer must always double check to make sure the data satisfies the conditions specified on Card Type 3. Experience has shown that both foreign and domestic crews often confuse the actual time and position of the beginning of a set with the time and position the net reaches its fishing depth, the actual information needed for Card Type 3. The unwary observer who depends entirely upon mates or helmsmen for such information often will have an entire data set filled with inaccuracies. It is not sufficient to be convinced that the crew know the type of information needed. The observer must check for himself at least periodically and then double check it.
The aid of the crew must be solicited to a certain extent however. For most observers, it is almost physically impossible to observe and record every set a vessel makes, so to a limited extent the observer must rely on the mate on watch to record information for those sets missed, especially while he is asleep. In cases where for example, the position is the actual start of a set rather than when a net reaches fishing depth, a good knowledge of navigation is useful. Knowing course, time, and speed, an observer may easily calculate the position where the tow actually began (net at fishing depth).
Steps for Completing Card Type 3
Header:
1. Complete the blanks, “Observer”, “Vessel Name”, “Country of Registration” (without code) and “Fishing License No.” as in the instructions for Card Type 2.
2. Enter the set number. Starting with 1, for the first set during the trip, number each set consecutively for the duration of the observer trip. Do not start with 1 for each day or otherwise attempt to synchronize observer's set numbers with log book set numbers.
3. The date of the set is determined by the time the net reaches fishing depth.
Set Data: (For all trip types)

1. Record the number of the gear used in the set. This must correspond to one of the gears detailed on Card Type 2. Enter the gear name and appropriate code as in Card Type 2.

2. a) Start of Set:
The start of a set is considered as the same time a gear reaches the bottom and begins fishing (bottom trawl) or reaches the desired fishing depth (midwater trawl) or when the first hook hits the water (longline).
Record the latitude and longitude in degrees and minutes (the first two spaces of the field are for degrees only, the last two for minutes). Enter the depth (either depth net is fishing, or depth of hook) in metres and record the time in GMT.
b) End of Set:
The end of a set is when a gear is pulled from its fishing depth. For trawlers it is the actual beginning of the haulback process while on longliners it is when the last hook is pulled from the water.
Record latitude, longitude, depth, and time in the spaces under START.

Note: The observer should note that in the above example the vessel has covered approximately 11.5 nautical miles in 2 hours and 51 minutes. To check the validity of the information, divide 11.5 by 2.85 (vessel's time in decimalized hours, 60/51 = .85). This yields the vessel's speed in knots, 4.03. Most stern trawlers travel at speeds of approximately 3.5 – 4 knots when trawling, so the entry would appear accurate.
3. When available, record surface water temperature and water temperature at the net for the start and end of the tow. Net temperature is usually only available when a headline transducer (transmitter of the head rope) is in use (most often on midwater and off-bottom gear). In recording recording surface temperature, make certain that the reading is not artificially high (or low) due to the thermometer being too close to the outlet for the vessel's engine coolant. All temperatures are recorded in degrees Celsius (C°.)

4. Enter the designated name or number of fisheries area or zone e.g. in the Canadian case, the NAFO unit area (Northwest Atlantic Fisheries Organization) and appropriate code (appendix A). Use a map with clearly defined area of each division to determine this. If a vessel crosses from one area into another, the unit area of the origin of the tow is always entered. For example in the above examples of start and end of the tow, the “Lunnik” begins the tow at 42°58' North, 62°05' West, which is in 4WJ (code 466). In the course of its tow, almost due west it crosses the meridian 62°10' West which is the boundary between 4WJ and 4WL (code 468). Note that the tow is still entered as having been in 4WJ.

5. The estimated total catch in metric tons refers to the sum of kept and discarded species for the set. This information is taken from the totals on Card Type 4 and care must be taken to change the totals from kilograms (as they appear on Card Type 4) to metric tons. Remember that a decimal point, which will occur frequently here, must occupy a single space in the field.
eg. Card Type 4 total - 21,927 kg., for Card Type 3 this becomes 21.93 tons (the last decimal place has to be rounded)

6. The source of data refers to whether or not the observer actually witnessed the haulback of a set, or because of sleep or other reason, was forced to copy the catch data from the vessel's logbook. Observers are normally asked to try to observe 80% of a vessels' sets so that their observations are statistically representative.

7. For the field “Bottom Type” refer to the bottom topography map and key. As with NAFO Division, the bottom type at the origin of the tow is recorded.

In the above example, the numeral 6 refers to the main component of the bottom type - Sambro Sand, the letter A means it is silty and clayey with some sandy gravel.
8. Fill in the vessel's towing speed in knots. Although the gauge on the bridge of a vessel is usually sufficiently accurate, check the validity of the entry periodically by dividing distance by time.

9. Enter the comments on set. Number 6 is used when the vessel hauls the gear as far as the door to complete a turn and resumes towing.

10. The following fields are used for the information that changes on a daily basis in a tuna longline operation: 1) Enter the number of lines fished. On tuna and shark trips, vessels usually only fish one extremely long string. On domestic trips however, the vessel may set a a number of strings of 3 to 4 tubs of gear per string; 2) Enter the length of the total line(s) set prior to commencing haulback, in kilometers; 3) Enter the total number of all hooks hauled during the set. Bottom type and vessel towing speed do not apply to pelagic longlines. The bottom type should be recorded where possible, however, in the case of vessels fishing demersal species.

Card Type 4 is a reflection of an observer's ability to estimate total catch and catch composition. Although the master and crew may be helpful to a limited extent, their estimates may contain a potential bias. The observer is asked to record not only the major species in a catch, but also the trace amounts of species that are usually ignored by the crew. Discard and reduction estimates are frequently controversial points and experience has proven that the observer is the most reliable source of information on these aspects of a vessel's operation.
Steps for Completing Card Type 4 - All Types of Trips
1. List the component species of a catch composition and enter the appropriate codes from the list in the index. Recognized common names for species are preferred to colloquial names.

2. Indicate whether the species is being directed for, or is a by-catch. Directed species is the main species sought, rather than the main species caught. Consider the area being fished, known habits of the species being sought and factors such as bottom type and depth when in doubt about what is actually the directed species, especially in cases where the master is reluctant to disclose such information. It is possible to have more than one directed species. For example many fishermen will state that they wish to catch “flounder” without regard to whether the flounder caught is Witch, Yellowtail, or American Plaice. In such cases record each species as directed.

3. The remaining three fields on Card Type 4 are Estimated Kept Weight, Estimated Discard Weight, and Estimated Reduction Weight. All are recorded in kilograms. The estimated kept weight represents the round weight of a species kept for further processing. The discard weight is the round weight of those fish not suitable for processing and hence discarded. Estimated reduction weight is that portion of the kept fish of a given species that are reduced for fish meal. This total represents round fish only. Do not include offal from processed fish as this figure is already included in the round weight under kept weight. Remember, the estimated reduction weights may only be less than or equal to the kept weight, never greater.

Refer to Card Type 3 - “Estimated Total Catch”
In the above example note that of the 15 tons of silver hake caught 5.5 tons have been reduced. Of the 5 tons of Illex caught, 1 ton has been discarded, perhaps because it was unsuitable for processing. All of the cod has been reduced for fish meal while all of the haddock was discarded. In total the catch is 21.927 tons. This is rounded off to 21.93 and entered in the field “Estimated Total Catch” on Card Type 3. In this particular case the full total will not fit so one decimal place must be elinimated by rounding off. Notice that the reduction weights are not added to the total. Remember, that portion of the catch is already accounted for in the kept weight.
Card Type 5 is the main work sheet used for an observer's samples. Because much of the observer's sampling duties consist of the taking of length frequencies, this card type is designed for the easy tallying of lengths. Although this card is partially intended for use in the wet, messy conditions that prevail in the fish room of a trawler, the final copy that is included with the data set should be free of blood stains, scales, squid ink, or other grime. It will often have to be recopied.
Steps for completing Card Type 5
1. Enter the required information in the header as in the other card types. Set number and date must correspond with the set and date on Card Type 3. Do not use each side of a single Card Type 5 for different sets. When complete, a length frequency sheet should follow the corresponding Card Type 3/4 in the data set.

2. The species name and code are the same as those entered on Card Type 4. Any species sampled must also appear in the catch composition.

3. Record the Sex and Sample Type. Sex refers to how a particular sample is separated. If for example all of the fish measured in the column below are male, then enter 1. If an attempt was made to separate the fish by sex but due to their immaturity the observer was unable to determine sex, then the entire sample for that species may be entered in one column as unsexed (0). Shrimp samples are divided as to whether or not the animals are egg-bearing or not (ovigerous or non-ovigerous). All ovigerous shrimp should be tallied in a column under a heading 8, ovigerous. The remainder of the sample must be tallied in a separate column under the heading 7, non-ovigerous. Tuna is recorded in the same way as other fish.
Sample type refers to the origin of the sample. If the sample is gathered from the main bunker (or conceivably even the codend) before any sorting of the catch has begun, the sample type must be entered as 0-combined, meaning the observer is not certain as to how the fish will be handled. If on a particular vessel, fish to be discarded is removed as the fish leaves the main bunker and put in baskets, the observer who gathers his sample from such baskets would be justified in coding the sample 1-discards. Likewise if the observer were to take the sample from a chute leading to the fish meal plant, the sample would be entered as 3-reduced. Only when all fish for reduction and discards have been sorted, may the sample be entered as 2-processed. Caution should be used in making this entry at all times. The observer, while gathering his sample from the main bunker may know full well that almost all of the fish will eventually be processed, but he must still code the sample as combined in the event that an external factor such as a production backlog or machinery breakdown causes a change in the usual procedure. The codes for discards, processed and reduction may not be used until the actual sorting and separation has occurred.

Note: In the above example the silver hake sample (first two columns) was in all probability taken from the vessel's main bunker, while the cod sample (third column) was taken from the baskets used to hold the fish as it was sorted out.
4. If a sample is separated by sex and a weight for each sex is obtained, enter 1 in the column for each sex and record the sample weight in kilograms in the appropriate column. If the sample is not divided by sex, it may be completed in one column. Enter 0 for a combined sample weight and record the weight. If no weight is available leave the field blank.

At no time can sample weight exceed the species weight on Card Type 4. Note that in the above example, separate weights were obtained for male and female silver hake, hence a 1 is entered in the field sample weight code for each column. If only a combined weight is obtained (a sure sign of laziness) then a 0 is entered and the weight is recorded in both columns (example below). In the cod sample no sexing of the fish was required, so a combined weight has been obtained. Note that if male, female, and immature fish that could not be sexed are weighed separately, then a sample weight code of 1 is required for each group. If the sample is weighed before the fish are sexed or no fish are separated by sex, then the combined sample weight code “0” is used.

5. Enter the length grouping and circle the appropriate column on the tally sheet portion of the card type. This step is extremely important. Most fish species are measured to the nearest centimetre, so if fish are being sampled enter 1 for the field “Length Grouping” and circle the 1.0 column.

Squid and small pelagic fish (eg. capelin) are measured in half centimetre intervals. Enter 5 and circle the 0.5 column.

Smaller shrimp (up to 5 cm.) are measured to the nearest half millimetre. Enter 7 and circle the 0.5 column.

6. In the tally section of Card Type 5 fill in the appropriate length ranges in either the 1.0 or 0.5 column, depending upon species. For a species such as silver hake, an observer can reasonably expect a length range from 15 cm to 60 cm. Therefore the tally should begin at 10 cm and end at 59 cm.

Samples of completed Card Type 5's appear on the following pages.
Card Type 6 is a multi-purpose sheet used for recording information on individual fish, squid morphologies and detailed tuna measures. Each use of this card will be detailed separately. Instructions for completing the header however, are the same for all trips. It is important to remember that Card Type 6 must always be accompanied by Card Type 5.
Completing the Header - All Types of Trips
Complete “Observer”, “Vessel Name”, “Country of Registration”, and “Fishing License No.” as in the headers for other card types. It is extremely important that the Set No. and Date correspond with the appropriate Card Types 3,4 and 5. Set Location and NAFO Division refer to the origin (beginning) of the set only.

Steps for Completing Card Type 6 - Foreign and Domestic Trawlers
See also: Sampling Instructions
1. Fill in the species and its appropriate code on the header. Assign each individual fish for which otolith are taken a consecutive number and enter it under “Otolith No.” Numbers begin at 001 and proceed consecutively throughout the trip regardless of species. The first otolith number entered on each Card Type 6 should be preceded by the observers initials. Numbers entered under “Otolith No.” in squid morphologies are part of the same sequence as regular otolith numbers. Be careful that there is absolutely no duplication of any entry in this field throughout a given trip.


fig. 4 Length Frequency - Card Type No. 5

fig. 5 Length Frequency - Card Type No. 5

fig. 6 Length Frequency - Card Type No. 5
2. Record the sex, length in centimetres, and if required, weight in grams, for each fish from which otoliths were taken. Use the numerical code for sex, 1 male, 2 female, 0 unsexed. Remember to indicate whether or not the otolith has been successfully taken by entering Y (yes) or N (no) in the age column. Notice in the example below that the otoliths for fish No. 5 were either not found or inadvertantly discarded. The other information is still valid however.

Note: The otolith number must correspond to the number on the otolith envelope.
Steps for Completing Card Type 6 - Squid Morphology
See also: Sampling Instructions.
The squid morphology or detailed squid sample is performed by observers on foreign vessels (rarely on domestic) once or twice during a trip. More complex than a regular squid sample, the detailed information gathered is best recorded on Card Type 6. 100 individuals are normally sampled.
1. Complete the header and assign each individual measured a consecutive number. Each squid measured should have a distinct number that is part of the same sequence as fish otolith numbers. Again, the observer's initials should precede the first number on the sheet.
2. Sex, length, and weight are recorded as in fish samples. Note that squid, as on Card Type 5, must be measured to the nearest half centimetre.

Note: the sample begins at SC-38 as fish otoliths have been taken in a previous sample.
3. As squid have no otoliths, record “N” under “AGE”. Enter the male maturity stage from 1 to 4 in the column “MAT”. For females put 1 in the next “code” column, and record the length of the nidimental glands in millimetres.
4. Enter 2 under the second code column and record the stomach/caecum fullness ratio. Record the stomach and caecum fullness using the following codes for each:
| 0 = empty | ||
| 1 = half full | Based on amount of particulate matter present. | |
| 2 = full | ||
| 3 = distended |
For example an entry of 2/3 would mean the stomach is full and the caecum distended.
5. Enter code 13 in the third column with the appropriate parasite location and type code. Location is always given first.
| Parasite Location: | 1 - present | |
| 2 - stomach | ||
| 3 - caecum | ||
| 4 - stomach and caecum | ||
| 5 - mantle | ||
| 6 - stomach and mantle | ||
| 7 - caecum and mantle | ||
| 8 - stomach, caecum, and mantle | ||
| Parasite Type:* | 1 - Philobothrium (P) | |
| 2 - Dinobothrium (D) | ||
| 3 - Nematode (N) | ||
| 4 - Philobothrium and Dinobothrium (P&D) | ||
| 5 - Philobothrium and Nematode (P&N) | ||
| 6 - Dinobothrium and Nematode (D&M) | ||
| 7 - Dinobothrium, Philobothrium and | ||
| Nematode (D, P&N) |
* Identified previously by a parasitologist
If the observer cannot identify a parasite type or location, he may enter code 3 instead of 13 and enter 0 if there are no parasites or 1 if parasites are present.
6. If the observer is able to identify the food type in the stomach or caecum, he should enter the following index for food type in the final blank column.
| 1 - crustacean (CR) | |
| 2 - fish (F) | |
| 3 - squid (SQ) | |
| 4 - unidentified (UN) | |
| 5 - fluid (FL) | |
| 6 - crustacean and fish (CR & F) | |
| 7 - crustacean and squid (CR & SQ) | |
| 8 - fish and squid (F & SQ) | |
| 9 - crustacean, fish and squid (CR & F & SQ) |
If the stomach/caecum contents are not readily identifiable, leave the fields blank.
Steps for Completing Card Type 6 - Tuna Trips
Also see “Sampling Instructions”.
Card Type 6 is the most frequently used sheet on a tuna trip. While Card Types 3 and 4 are only filled out on a daily basis because a single set is made, often as many as five Card Type 6's will be required for the detailed measures on the large fish that are usually taken in this fishery. Unlike the other trip types, on tuna trips Card Type 5 is completed from data gathered on Card Type 6.
1. Complete the header as in the other examples. As with other sample types use a separate sheet for each species.

2. Assign each fish measured a consecutive number, regardless of species, as with other fish and squid samples. Sex is recorded using the numerical index 1 for male, 2 for female, and 0 for unsexed. Length, recorded in centimetres, in tuna samples refers to the usual fork length measure, as taken for most other fish species. This should not be confused with flank length, a somewhat different measure often required in tuna samples. Often, two lines will be required for a complete set of measurements.

3. Tuna weights (round) are recorded in kilograms. An“N” meaning no otolith must again be entered under “AGE”. “MAT” is left blank. Note that on most tuna trips, only fork length and round weight are required.
4. Enter code 10 in the first “CODE” column and record the flank length in centimetres. If it is possible to obtain a dressed weight, enter 11 under the next “CODE” column and record the weight in kilograms. Similarly enter code 12 in the next available column and record the round weight in kilos. Always enter the dressed weight if round weight is not available. Do not use fillet weights.

5. Enter codes 14 and 15 in the next available columns for the depth and 1/2 girth measurements respectively, each measured in centimetres. A second line must be used if these as well as all other measures are obtained. In the example, only four of the measures were obtained for fish numbers 64 and 65.
Note: The measurements detailed in 4 and 5 are not required in all tuna trips. Observers will be instructed accordingly.

Steps for Completing Card Type 6 - Fish Feeding and Maturity
Occasionally, an observer may be requested to gather information and samples for maturity and feeding studies of a particular species. Special equipment and training will be given prior to the trip. Recording such data on the card types is a relatively simple matter however.
1. The header is completed as in the previous examples. Also complete Otolith No., Sex, Length (cm), and Weight (gm) as in a regular sample for any fish species (any sample in which otoliths are taken).

2. It is desirable to have otoliths taken for each fish studied for age and maturity. However, this may not always be possible, so it is necessary to indicate Y (Yes) or N (No) in the “AGE” column to indicate whether or not otoliths have been successfully taken. If an observer is so unfortunate as to lose the otoliths after the sample, any Y's should be changed to “N”, so the remaining information can still be used.
3. Enter the appropriate maturity stage in the maturity column. A detailed explanation of the maturity indices is given in the sampling section. (4.14)
4. Enter 16 in the next code column and use the next blank column for the the gut fullness index. (These are listed in the appendix.)
5. If a stomach has been tagged, removed, and preserved, record the tag number in the next available empty column. Notice that in the example, the observer, quite correctly, has not bothered to gather empty and everted stomachs.

Note: Comments on food types can be entered in the remaining columns if an observer so desires.