The Place of Dehulling in African Food Systems

Contents - Previous - Next

O.G. Schmidt, International Development Research Centre, PO. Box 62084, Nairobi, Kenya

 

Introduction

My colleagues have presented an overview of the drought resistant grains in Zimbabwe, and have indicated in which ways the foods from these grains are important to those people who depend on them. I would like to complement these presentations with a review of the problems and successes associated with introducing small scale dehulling machinery to primarily rural targets.

As you know, IDRC has contributed research support to a 15 year process of development of the machinery, its pilot testing in the domain of the intended beneficiaries, and the wider dissemination of the machinery to the dry areas of Sub-Saharan Africa. This process, which at first sight appears to be heavily hardware oriented, is leading us to a better understanding of the interactions among the many facets of the sorghum and millet food system. As more disciplines, and more of Africa's intellectual resources are being invited to focus effectively on sorghum and millets, we hope to reach a critical mass of effort intended to increase the production and utilization of these small grains.

 

The problem

In Africa sorghums and millets are grown primarily by smallholder subsistence farmers and are mostly consumed by the producer and her/his family. These grains are well adapted to the semiarid regions, form the staple food for large rural populations, are still preferred by a substantial percentage of the population, have suffered from policy neglect, and are often viewed by the urban elite as a "poor man's crop".

The 22.3 million tons of sorghums and millets harvested in 1981 in Africa constituted 28% of cereal production in that continent, with maize, wheat and rice accounting for 42%, 11 % and 10,7% respectively. Nonetheless, Africa's second most important cereal crop (sorghum and millets) constitutes a very small proportion of the cereals bought and distributed by official grain marketing agencies. The official unimportance assigned to these crops is reflected in the fact that the national production data reported by the FAO do not distinguish between bulrush and finger millet.

Shortly after IDRC's inception in 1970, its Division of Agriculture, Food and Nutrition Sciences selected the semi-arid tropics and their neglected crops as one of its areas of concentration. The cereals sorghums and millets became one focus of research support to national agricultural research systems.

It soon became apparent that one constraint to farmer adoption of improved varieties of these small grains lay, not on the production side of the food system, but on the pOSt production side. Women and children traditonally spent many hours handstamping sorghum and bulrush millets to remove the outer layers (dehulling or decorticating) in order to make them palatable.

 

The evolution of dehuller designs

The initial technical objective was to develop a simple mechanical device, suitable to the needs of the producer/consumer of sorghums and millets as well as of grain legumes. We can now point to the existence of an number of variants on a basic design, which consist of a metal shaft on which an number of grinding stones, or abrasive discs, are evenly spaced about 2 cm apart. This rotor is enclosed by a semi-circular sheet metal barrel with a flat top. The barrel is partly filled with grain, and abrasive discs, spinning at 1500-2000 rpm, rub against the individual kernels in the agitated mass of grain. The affect is a progressive abrasion of the outer layers of the grains or grain legumes. The length of time during which the grain iS retained affects how much of the material is removed as abraded fines.

The first effective design was the modification of an existing barley thresher by the National Research Council of Canada's Prairie Regional Laboratory (PRL). The PRL dehuller demonstrated its technical effectiveness on the sorghums, millets, and cowpeas which were commonly grown in Maiduguri in 197476. It was tried in Senegal in 1977 as part of an larger post harvest project, but was not found to be very useful at the time. The same design, by contrast, proved very successful in Botswana 19761978, and provided the basis for further improvement.

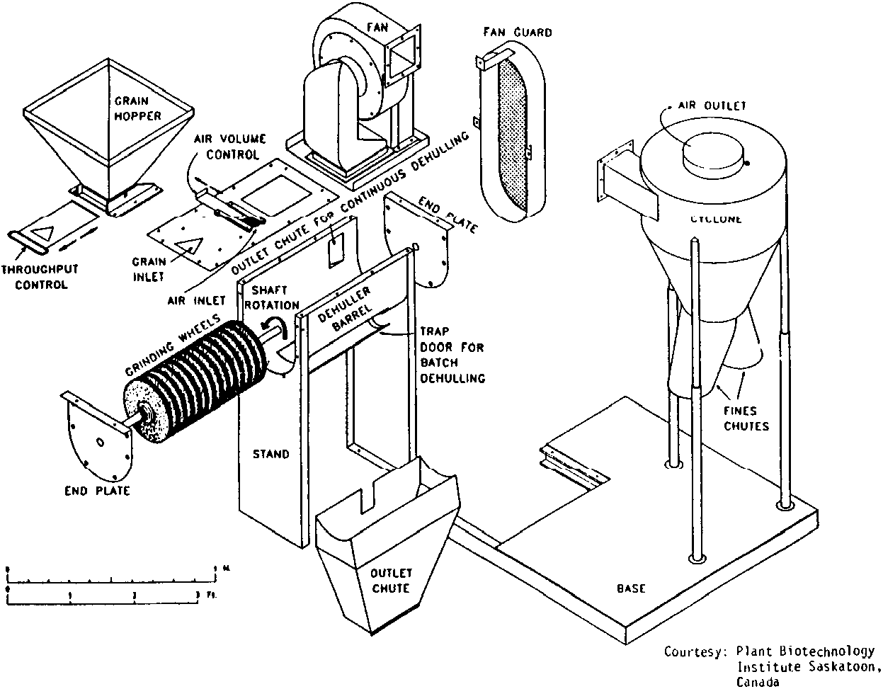
The Rural Industries Innovation Centre (RIIC) in Botswana scaled down the size of the PRL dehuller and incorportated a trap door at the botton of the barrel, enabling the dehuller to deal with batches as small as 5 kg. In continuous flow operation it is capable of up to 5 tonnes per eight-hour shift. Its economic break-even point lies in the vicinity of 1,52 tonnes per day. Figure 4 shows an exploded drawing of the RIIC type of design.

The PRL, later renamed the Plant Biotechnology Institute, also designed a small version, the MINIPAL, for its laboratory needs. It is capable of dehulling batches of up to 5 kg, but possesses no aspirating system for the automatic removal of the abraded fines.

The Catholic Relief Services in Gambia has over the last three years adapted the MINI-PAL to village conditions, making it more rugged, and is making this design widely available in the country. In 1985 EndaZimbabwe, a non-governmental organization, lengthened the barrel of the MINI-PAL and added a trap door for easier emptying of the batches. Enda has sought to match the barrel capacity to the common 20 litre "bucket" (containing 18 kg of sorghum or 20 kg of millet) in which women bring their grain to the mill. The Senegalese parastatal company, SISMAR, ist developing its own variant, intended to match the conditions of that and neighbou-ring countries.

It should be emphasized that much of the design work and all of the pilot testing and introduction of technology work has been and is being done by applied researchers in African countries.

 

Experiences from hardware introduction

The absence of dehulling machinery is a constraint

This statement remains a workable initial hypothesis for many sub-Saharan countries, but has to be qualified by further subordinate hypotheses. We will also see that the generation of an hardware technology can be a necessary, but not sufficient, condition for solving the primary problem of increasing production and utilization of the drought resistant grains. I would like to highlight the expenences in three countries before proceeding to a more general analysis.

Botswana

In response to vigorous demand from potential investors, the RIIC moved quickly from its prototype design to a dissemination of the dehulling machinery. Between 1979 and 1983 around twenty small scale milling systems were installed in rural and pert-urban locations in Botswana The systems included a dehuller, hammermill and an engine to drive both. There had not been a strong tradition of service grinding in Botswana, and most of the new owners of the mills had little experience with technical operations of such equipment. Many also were not very experienced in business.

By 1987 there are now 26 such small scale dehulling and milling systems, incorporating some 37 dehullers, in existence in Botswana. The early systems operated as service mills, processing the grain brought by individual customers. However, the more aggressive among the owners soon began to buy up grain in bulk, and packaged the processed flour in attractively printed bags, for sale to the urban centres. A lively competition for outlets arose among these commercial millers, complete with individulized brand names seeking to induce brand loyalty in the urban consumer. The annual droughts sin ce 1882 have put a virtual end to service milling, since individual farm household have little or no harvested grain. The present status of this small scale sorghum milling industry is that about one third of the installations remain viable, while two thirds are virtually idle.

While the RIIC had intended the small scale systems to respond primarily to the rural labour bottleneck, the industry evolved quickly from service milling to small commercial milling enterprises selling a packaged processed product.

Some of the lessons learned from the rapid penetration of the new dehulling technology in Botswana are:

 

In Tanzania, the Small Industries Development Organization (SIDO) has introduced Botswana-type processing installations to four pilot sites in ujamaa villages in the dry areas. The oldest installation has operated for more than two years, the youngest for just under a year. The level of use fo the dehullers is much below capacity, although the hammermills are being kept extremely busy in all four places. The reasons for this underutilization of the dehullers are not fully known. Experience being accrued indicates that there can be several reasons for introducing dehullers:

Zimbabwe

Since mid-1984 the non-governmental agency, Silveira House, has been monitoring a Botswanastyle installation in a sparsely populated location in the eastern, dry district of Mutoko. Sevaral Ministers and senior government officials visited the site, were impressed by the dehuller's performance, and felt that its wider deployment would strengthen rural response to the official campaign to grow increased amounts of sorghum and millets. (The introduction of official prices in 1985 had a dramatic effect on farmer response).

It was apparent that the policymakers had a need for more dehullers in the dry areas. Was there a corresponding need expressed by the rural dwellers ? Between May 1985 and December 1986 EndaZimbabwe, another non-governmental agency, conducted some quick applied research in the south-eastern areas to test the hypothesis that dehullers were indeed needed and would fit the rural realities encountered. The survey, which included demostrations with a MINI-PAL dehuller, indicted the need for dehullers, but of a smaller size than the RIIC design.

In late 1985 and early 1986 Enda-Zimbabwe placed four MINI-ENDA prototypes with existing rural hammermills in the south-east of the country, and monitored their utilization by the communities. While the locations lie within the localized drought zone of the 1986 harvest causing in a serious grain shortage locally, the results do confirm that home processing is a widely perceived problem for which a small dehuller seems to be a solution. In early 1986 Enda-Zimbabwe began formulating a development project aiming at the wider scale dissemination of dehulling technology into the dry areas. The project, to be funded by CIDA, will aim to achieve the following outcomes in four years time:

Thus Enda-Zimbabwe, as the executor of the project, will play the role of the midwife to bring into being a self-sustainting process of technology delivery.

There are some very important things which we do not yet know, and which must be learned quickly in order to reduce the risks which are apparent with this large development project (many of the same questions are emerging from the Tanzanian experience as well):

We are in the process of encouraging Zimbabweans to formulate some research, to run parallel to the dissemination activity, to explore the following:

Technology generation in response to identified needs

Figure 3 seeks to put technology generation in its proper relationship to effective problem identification. Any solution, in order to be useful to the intended beneficiary, has to be technically sound, economically viable, and socially acceptable. Thus the problem being addressed by technology generation has to be defined in all three of these dimensions, and continually re-checked in subsequent field testing, before proceding to wider dissemination.

We often neglect to consult the intended beneficiaries, and make too many assumptions about the social performance criteria Agricultural research systems have learned this lesson, and are stressing Farming Systems Research in their resource allocations. We, in the area of food after harvest, need to develop our own analogue to FSR and put it into practice.

Effect of the Hardware Technology on the Sorghum and Millet Food Systems

Let us list some key attributes of these grains, both advantages and disadvantages, before considering the effect of dehullers on the food system.

From the producers' point of view:

From the (urban) consumers' point of view:

The effect of intervening with dehullers can be represented in two diagrams. Figure 1 shows that the provision of dehullers (if they are needed) to the rural areas at primarily the quality of rural life. Some new jobs may be created, and the presence of the mills may act as a focus to atract other agroprocessing activities. But an increase in production is unlikely.

Figure 2 indicates that demand for surplus production will have to come from the domain of the urban consumer. Enda-Zimbabwe is at present making small amounts of sorghum and millet flour available to urban shops, and are finding no difficulty in selling all the supply. They are likely tapping the food preference of those who have recently moved to the towns from the rural areas. However, it will be necessary to adapt imaginative and aggressive marketing techniques from the North, in order to bring about a susbstantial sustained demand for primary or secondary products from the drought resistant grains.

As the experience of the Kenya Industrial Research and Development Institute (KIRDI) shows, active policy support is very necessary for a successful marketing initiative. With financial support from the EEC and strong technical involvement by TDRI, KIRDI has been trying to introduce whole dehulled sorghum into Kenya's urban markets. Technical feasibility was established relatively quickly. But the absence of a grading sy stem among sorghum varieties, lack of enforcement of quality standards at the buying point, no clear buying policy nor a fixed resale price published by the National Cereals and Produce Board, combine to provide KIRDI and TDRI with major hurdles in their project.

Conclusion

Machine dehulling has a potentially prominent place in African Food Systems. It can help to solve the following problems:

The ultimate success of machine dehulling, however, depends on many Actors. The objective of increasing the production and utilization fo the drought resistant grains implies that we are seeking to change the food systems of these grains. Any strategy to bring about a change has to view to production and the post production sectors (including dehullers) as interrelated components of a total food systems. Many sub-Saharan countries do focus on agricultural production, but have no strategy for the post production sector.

We intend to continue to discover in what ways dehullers can contribute to change in the small grains systems. In addition we can indentify three priority tasks, two of which relate to the strengthening of linkages, and one to policy:

We can set out to strengthen feed back from the eater to the commodity improvement team. More work is needed to define and standardize food quality parameters of the dishes commonly being eaten; these have to be related to grain quality parameters of the varieties commonly being grown.

Linkages between the processor and the commodity improvement team need to be created and maintained. We need a definitive inventory of the wide range of cultivars being planted and eaten now. For instance, what percentage of the volumes harvested and eaten contain tannin, and are not traiditionally dehulled? What percentage are now traditionally dehulled? What are the processing characteristics of both kinds?

We have seen that national policies, and their vigorous practice or neglect, can foster or hinder directed change. We can initiate discussions, by supplying case studies, among makers of policy on the following, often disparate, fields: food, agriculture, and household food security; technology choice and industrialization (small scale versus large scale), food industry (centralized or distributive), employment creation (rural versus urban focus).

Figure 1: Effect on food system by introduction of rurally-located dehulling machinery

Figure 2: The mature food system for sorghums and bulrush millets

Figure 3: Flowchart of the applied research process for technology development in response to user needs.

Figure 4: Exploded drawing RIIC style dehuller


Contents - Previous - Next