Drying and chemical treatment of grains to prevent mycotoxin contamination during storage

Contents - Previous - Next

Athapol Noomhorm and Tomas D. Cardona

 

INTRODUCTION

Mycotoxins are toxic compounds produced by fungi. Mycotoxicosis is the result of ingesting toxincontaminated diets by animals and humans. The first outbreak of mycotoxicosis was ergotism before 1700 and the cause and effect was found to be associated by the consumption of ergot. The second, was the outbreak of stachybotryotoxicosis in horses and of alimentary toxic aleukia in humans in the USSR in the 1930's. The third was the outbreak of aflatoxicosis of turkeys in England in 1960 which was caused by feeding aflatoxin contaminated peanut meal from Brazil. Since then, aflatoxin and aflatoxicoses and other mycotoxins and mycotoxicoses have received extensive study.

1). Aflatoxins.

These are a group of bis-furano-isocoumarin derivatives produced by fungi from Aspergillus group. These have various derivatives, the most important being aflatoxin B. B: produced by Aspergillus flavus and isolated often from maize and Aflatoxin G1 and G2 produced by Aspergillus parasiticus commonly isolated from peanut. Of these aflatoxins, B. and G1 are most frequently encountered in quantities sufficient to be toxic. From the standpoint of public health, the derivative M, was found in bovine milk after cows ingested feeds contaminated with aflatoxin B.. The aflatoxin level of 20 ppb is permitted in feed grains and feeds in the USA but for food intended for human consumption, the tolerance is zero. For maize export, an acceptable aflatoxin level is 50 ppb during loads.

2). Zearalenones

Zearalenone or its derivatives when ingested by animals can cause either serious injury (Zearalenone and zearalenols consumed by swine); have little or no effect (zearalenone consumed by laying hens, broiler and turkeys); promote growth (zearalanol when slowly absorbed from ear implant in beef cattle and sheep) or serve as a benefical drug (zearalanol taken to alleviate post-menopausal distress in women). The most serious effects of zearalenone occur in swine ingesting Fusarium infected cereal grain such as maize, wheat and barley. Such cereals, ingested alone or mixed into a feed formulation, will cause hyperestrogenisn and infertility. Other animals affected are chickens, turkey poults, rats, mice, guinea pigs, monkeys, lambs and man.

3). Trichothecenes.

Trichothecenes are responsible for feed refusal, emesis, and poor growth in swine and are associated with the hemorrhagic syndrome in poultry and with a variety of symptoms and lesions in other animals. Some of the trichothecenes are extremely toxic when consumed or even when in contact with the skin. This toxin was produced by fungus Trichothecium roseum and various Fusarium species.

4). Ochratoxin.

This was first isolated and characterised by Van der Merwe in 1965 during a routine laboratory screening tests designed to detect toxic fungal products in foodstuffs in South Africa It was found out that Ochratoxin A, B and C were found to be extremely toxic to ducklings. This toxin is predominantly produced by Aspergillus ochraceus, Penicillin viridicatum and other Penicillium species.

 

MYCOTOXIN PREVENTION

The major factors that determine whether grain in storage would be invaded sufficiently by fungi are the following: (a) moisture content to the grain, (b) temperature of the grain, (c) relative humidity, (d) amount of broken grains and foreign materials present, (e) degree to which the grain already has been invaded by fungi before it arrives at a given site, (f) presence of insects and mites and (9) length of time it is stored. All of these factors interact with one another to some extent, but the major determinants are moisture content, relative humidity, temperature and time.

Precautionary measures must be done on newly harvested grains so that losses in quality and quantity could be avoided. A recommended and proven method is to reduce the moisture content as early as possible. This can be accomplish by drying (sun drying, air drying, etc) and subsequently controlling the relative humidity and temperature during storage. In addition, chemical application prior to storage and during storage will be administered.

A. Drying

Field drying of most grain has been an accepted practice since commercial farming began. However, sun and wind are the primary drying agents and may not be available when most needed. As the demand for higher quality farm products grow, mechanical drying has become popular. Drying of crops in the field allowed farmers to follow a more predictable schedule in harvesting and, in some cases, produce a second crop on the same land because of early removal of the first crop. After harvest, the moisture content of the produce must be dried to 12-14% w.b. for safe storage with minimal deterioration. Now, drying and curing costs are rising rapidly because the prices of commonly used fossil fuels and electricity are increasing faster than the general inflation rate. Integration of solar energy into conventional systems may replace or reduce the demand for depletable energy sources.

1). Sundrying

Sundrying is probably the oldest and most common way of reducing the moisture content of any crop. It utilises solar energy from the sun directly. Sundrying has been practiced while the crops are still in the field. It probably hastens maturation of crops. As the crops mature, the moisture content ranges from 26 to 35% w.b. This moisture range should be reduced immediately prior to storage by direct sundrying by spreading the grains on mat or cement surfaces. In sunny days, the drying process will take 2 to 3 days depending upon the spreading density and the prevailing atmospheric conditions. This is the cheapest process. However, product contaminations could not be avoided. Morever, the process is laborious and time consuming for large scale use.

2). Mechanical driers

Mechanical driers are equipment where the drying medium (air) is moved artificially into the product by means of force (usually fan driven by motor). The air is normally heated to reduce its relative humidity and increase its moisture absorbing capacity. This results in greater drying capacity and faster drying rates. Mechanical driers are divided into three types: (a) static batch drier, (b) recirculating batch drier and (c) continuous flow driers (11).

Static driers are used where grains are either placed in bags or in a container through which the drying air is blown. Recirculating batch drier, as the name implied, grains are recirculated through the drying chamber. This method would continuously mix the grains which is necessary to have an even drying and no grain is being continuously subjected to high drying air temperature thereby minimising damage. Continuous drier is the most common design used in large installations. The grain is fed into the top and flows vertically through the drier at a rate which is designed to extract the required moisture from the grain. Drying is achieved by passing heated air through the grain. The flow of heated air can either be cross, counter, concurrent and mixed with the grains. However, high power consumption is required for recirculting large amount of grain. Furthermore, elevators/augers are needed.

3). Solar drying

With the oil crisis in the 1970s, non-conventional energy sources has been resorted to in drying farm crops. Solar energy is tapped by the use of a collector and converted to a more convenient form of energy and either directly use or store it for later delivery to the point of use. In solar drier, solar radiation would be allowed to pass through a transparent sheet where heat absorbent (stones, black sheets) are placed and in turn heat the air. The heated air is conveyed into the drying platforms where grain drying is taking placed. Simple, single-glazed solar collection systems have been used to slightly raise the temperature of drying intake air, thus speed up the drying process. Solar drying systems are categorised as passive or active.

A passive system depends on natural convention, conduction, or radiation to transfer thermal energy from the point of collection to the storage component and to the point of use. Many agricultural applications such as greenhouses, field drying of crops use passive solar systems. While an active system has a mechanical mean such as pump or fan to drive a heat-transfer fluid from one part of the system to another. Active solar systems have been used for decades and proven feasible in many parts of the world. However, more development is necessary before large scale application can become a reality. Effective use of solar energy for grain and crop drying depends on:

1) Geographical location

This will affect on the availability of solar radiation at harvest time and also the relative humidity at that location.

2) Crop type

Different grain crops are harvested at different seasons and have the different physical properties which the will affect the drying rate.

3) Size of operation

The size of the drying operation must accommodate the size of the crop so that the harvest can proceed in an orderly manner.

4) Government policy

The solar drying systems are not readily accepted by potential users because of the investment cost when comparied with the conventional method. A governmentfinanced economic trade-off program may be necessary to encourage greater use of solar energy.

The, Asian Institute of Technology (AIT) has developed a low cost solar dryer for paddy. It consisted of a solar air heater, a box for the grain bed, and a chimney giving a tall column of warm air to increase the convection effect. Clear plastic sheet covering the grain bed allows it to be heated from above by the sun while protecting it from rain. Black plastic sheet is used to cover the ground and serves as heat absorber (Fig. 1. Design concept of a solar dryer). The construction cost of AIT solar dryer ranges from 4,000-5,000 baht dependent on the availability of the materials in each location. The dryer is capable of drying one metric ton of paddy. The drying period depends on the availability of sunlight. Life expectancy of the dryer is one year.

 

CROP DRYING SYSTEMS

Corn Drying.

Corn at harvesting stage has a high moisture content and should be mechanically dried to reduce its moisture content as early as possible to prevent grain quality deterioration by fungal invasion. A combination of initial, short-time, high temperature drying and extended, lower-temperature, final drying can save energy and maintain higher grain quality. During sunny days, solar drier can be used for corn drying.

Field-shelled high moisture yellow corn was dried in 5.5 m (18 ft) diameter low temperature drying bins (Fig. 2. Solar collector units and the 5.49 m (18 ft) diameter grain drying bins). One bin had two solar collector units positioned such that the fan inlet caused airflow through the collectors; the second bin fan is used for ambient air only. Axial fans provided high airflow rates in grain depths of about 2 to 3 m. When the corn in the tops of the bins reached about 16 percent moisture, the bins were emptied and the corn was transferred to another storage bin. The increase in the solar-assisted drying system compared to the ambient air system ranged from 8 percent during 5 days of favorable drying weather to 13 percent during 5 days of less favorable weather. The transfer strategy reduced the drying time, reduced overdrying, and allowed the system to be reloaded about each week. Micro-flora activity was minimized by shorter drying time and by the mixing of lower and higher moisture corn during the transfer to other storage bins.

Peanut Drying

Peanuts are a valuable source of protein and oil and must be harvested at quite moist state to preserve quality and minimize field losses due to shattering. The nuts are exposed by digging and then usually dried for a short-time in the windrow before being picked. Edible peanuts require careful drying because continuous exposure to temperatures above 35°C cause an offtaste and may split a high percentage of kernels. On the other hand, low-temperature drying or interruption of a high temperature drying cycle encourages mould growth and increases the risk of mycotoxin development.

General recommendations for peanut drying include limiting drying air temperature to 8°C above the ambient temperature as minimum to 25°C maximum and maintaining a minimum airflow rate of 12.5 m³ /min per m³ of peanuts in dryer.

Several feasibility studies of solar-assisted peanut drying units have been conducted as shown in Figure 3 (see Fig 3 Peanut dryer with solar heated water and solar-heated air). Troeger and Butler (5) compared a water and an air solar systems with a conventional LPG dryer. The result reveals that the greater the percentage of split kernels, the greater chance of fungal penetration. Both water and air systems performed well. This systems equipped with a 70 m² collection and a 7570 lifer water storage, can supply 75% of the energy needed to dry 4080 kg of peanuts from an initial moisture content of 20% to a desired 10% level in 24 hours. As with other types of grain and crop drying, its economic feasibility will be greatly enhanced by multiple use.

 

B) Chemical Treatment

Drying has been proven effective for preventing mycotoxin contamination of crops. However, drying equipment may not be always available in the farm due to its cost and the lack of technical know-how on the farmers to operate such facilities. Besides, climatic conditions in the tropics are unpredictable and mostly harvesting seasons coincide with the onset of the wet season. The high moisture crops especially corn will be contaminated with aflatoxin within 48 hours. Therefore, chemical treatment is imperative.

It has been reported that 10% of the harvested foods are destroyed in storage by insect pest thus, protecting our harvested crops from insect pests can significantly increase availability of food resources. Damage done by insects are often followed by moulds because the insect produce heat and water that move the microclimate into a high deterioration environment. Thus, preventing insect infestation by chemical application may provide adequate grain protection aside from good storage structure and storage hygienes. Chemicals are applied as preventive and control measures. Preventive is when chemicals are applied before insect infestation and control when infestation has occurred.

Thorough sanitation is the first and most effective step toward preventing insect infestation. Storage areas should be clean and tight enough to keep out insects and to keep in fumigant gasses if such treatment becomes necessary. The insecticides should be sprayed to the point of "run-off". All parts of the storage structure must be sprayed to kill most indigenous insects and to prevent insects from establishing an infestation. The persistence of adequate insecticide residues applied to the surface of storage structures is an important factor in combating storage insects. The chemicals recommended as grain protectants are malathion, prevent moulds and bacterial activity. The name of pyrifos methyl, fenitrothion, methyl phoxin and pirimiphos methyl (9).

The BP Chemicals of England has developed chemicals which when applied to moist grains prevent molds and bacterial activity. The name of the chemical is propcorn which is 100% active liquid preservative based on feed grade propionic acid. Propcorn prevents deterioration, loss of dry matter, nutrition loss and removes the associated health hazard to grain handlers, livestock and the end user. It has been found out that propcom treated moist grain could be stored and transported with its condition retained for up to 12 months without the use of specialised storage. Moreover, the addition of propcorn adds the energy value of the grain. One ton of propcorn on 100 tonnes of grain gives and additional calculated energy value equivalent to 1 1/2 tonnes of barley. Another chemical is Nilspor, a propionic acid based chemical which similar to propcorn but the propionic acid content is higher. It is more effective than propcorn but it is corrosive.

Kemin Industries in US has also produced a mould inhibitor called Myco Curb. It is a non-corrosive liquid mould inhibitor non-toxic and non-volatile. It contains propionic acid, acetic acid, sorbic acid, benzoic acid, mono- and all-esters of 1,2 propanediol, hydrated ammonium phosphate, propyl benzoate, porpyl acetate, butylated hydroxyanisole (13).

Inspite of the grain protectant applied, a possibility for insect infestation may occur during storage. When this happens, chemicals may be applied again depending on whether insect population and infestation reached or exceeded the economic threshold level. An appropriate measure is to apply fumigants. A fumigant is a chemical that exists as a gas at ambient temperatures and pressures or produces a gas from solids or liquid. As a gas, it diffuses through air, permeates products and enters the respiratory system of insects. However, fumigation is recommended for an enclosed space with or without facilities for recirculating the gas to aid in achieving homogenous gas concentrations or removing the gas after fumigation. The common fumigants used are methyl bromide, phosphine, carbon tetrachloride, chloropicrin, carbon disulfide, ethylene dibromide and dichlorvos.

The effectivity of fumigation is influenced by the following factors: temperature, moisture, time, fumigant formulation, dosage and application procedure, storage structure and aeration. Of course, safety procedures should be observed because fumigants will ham non-target organisms, including man. Manufacturers safety recommendations for applying certain fumigants should be strictly followed.

<<I>> D:\IMAGES\FAO\FAOSEC8\E\PHGE02\P212.PNG

<<I>> D:\IMAGES\FAO\FAOSEC8\E\PHGE02\P213.PNG

 

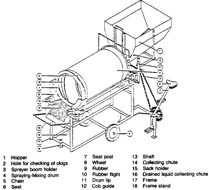
CHEMICAL APPLICATOR FOR FRESHLY HARVESTED MAIZE

Maize in Thailand is usually harvested in the wet season. Sundrying is not possible as well as mechanical dryer due to the low financial capability and the lack of technical know-how for the farmers. Therefore, chemical treatment is an alternative. Chemical control has been reported to be a successful alternative to prevent fungal infestation which lead to aflatoxin contamination during subsequent storage. Dipping and spraying have already been studied end' the former has provided a good control of fungus growth. However, this method consumes a large quantity of chemicals and is, therefore, not economical and also laborious. Spraying by batch gave promising results but still capacity is low. So, a chemical applicator was developed.

A pedal-driven chemical applicator (Fig 6 A pedal-driven Chemical applicator for freshly harvested maize cobs) consists of a hopper, spraying-mixing chamber, a collecting chute, pedal driven mechanism, cam-plunger assembly, spraying system (knapsack sprayer) and a frame. The hopper is a wedge- shaped type flow bin with an opening on the side and the hopper bottom was made movable so that maize cobs would flow continuously into the spraying-mixing chamber. The spraying-mixing chamber is made of an empty plastic drum with 4 helical rubber flights. The cob collecting chute is made of a perforated G.l. sheet for the spray solution and cobs to separate systematically and the frame was made of G.l. pipes and angle bars with two 25-cm wheels.

The applicator has a capacity of 0.6, 0.72 and 0.84 ton/hr at 25,35 and 45 RPM, respectively. Using a knapsack sprayer, the spray discharge varies from 21.36,28.72 and 36.27 at 25, 35 and 45 RPM, respectively. However, 45 RPM is an appropriate pedal drive speed since spray nozzles did not form a cone spray at lower RPMs.

The operation of the applicator starts with the loading of the freshly harvested maize cobs and the preparation of the spray solution based on the recommended chemical application rates. The pressure in the sprayer tank can be built up initially by running the pedal drive without opening the discharge control valve for 1 minute. After this, the control valve will be opened to impound spray solution in the sprayingmixing chamber for another 2 minutes or until the spray solution will start dripping into the collecting chute. Then, the hopper will be opened and the spraying operation will start. Clogging on the hopper opining can be avoided by a 10 mm diameter rod inserted into a hole at the side of the hopper.

The applicator can be operated by a single person. However, two persons were found to be suitable so that the total operation will be continuous thus, improving the capacity. One person will drive the pedal while the other will load the maize cobs and remove the sprayed cobs from the collecting chute.

Laboratory trials indicated that aflatoxin contamination could be prevented on the stored maize cobs during subsequent storage. However, extensive farm trials be conducted before introducing this machine for farmers' use. Moreover, further modifications should be made after the farm trials to incorporate the feedbacks of the farmers regarding the design and operation of the applicator.

 

REFERENCES

  1. D.B. Brooker, F.W., Bakker-Arkema and C.W. Hall. 1974. Drying Cereal Grains. AV1 Publishing Co., Westport, Connecticut.
  2. R.N. Brewer et al. Solar Application in Agriculture. 1987. The Franklin Institute Press, Philadelphia, Pensylvania, USA.
  3. R.H.B. Exell and Sompong Boonthumjinda. 1984. Solar Rice Drying Project (Thailand). Asian Institute of Technology Research Report No. 171.
  4. D.L. Calderwood,. 1981. Rice Drying Techniques with Solar Heat. Agriculture Energy, ASAE Publication 3-81, No. 1. pp. 36-40.
  5. J.M. Trooger and J.L. Butler. 1977. Solar Drying of Peanuts in Georgia, Proceedings Solar Grain drying Conferences, Weaver Laboratory, North Carolina University, Raleigh. pp. 32-43.
  6. T.D. Cardona. 1988. Development of a Chemical Applicator to Control Aflatoxin on Stored Maize Cobs. Master's Thesis. Asian Institute of Technology
  7. A. Noomhorm, S.G. Ilangantileke and T.D. Cardona Farm Level Chemical Applicator to Control Aflatoxin in Stored Maize Cobs. A paper presented at ASAE Winter Meeting of 1988.
  8. S.G. Ilangantileke, P. Surapurk and F. Escalante. Farm Level Chemical Treatment to Control Aflatoxin Development in Crib Stored Maize Cobs. A paper presented at the 10th ASEAN Technical Seminar on Grain Postharvest Technology, 1987. Thailand.
  9. P.K. Hareim. Chemical Control Alternatives for Stored-Grain Insects. In. Storage of Cereal Grains and Their Products. GM. Christensen (ed). A.A.C.C. Minnesota, USA. pp. 319-353.
  10. GJ. Mirocha and C.M. Christensen. Mycotoxins. In. Storage of Cereal Grains and Their Products. GM. Christensen (ed). A.A.C.C. Minnesota, USA. pp. 241-271.
  11. Rural Investment Oversias. 1988. Report on Aflatoxin in Maize in Thailand, Phase lilt pp. 151162.
  12. BP Nutrition (U.K.) Limited. . Moist Grain and the Use of Propcorn.
  13. Kemin Industries._____. Myco Curb.

Contents - Previous - Next