Page précédente Table des matières Page suivante


Méthodes et machines utilisées dans les pépinières de l'Amérique du Nord (2) 1

1 Voir Unasylva, Vol. 14, N° 1,

ROLAND ROTTY, Service forestier, Département de l'agriculture des Etats-Unis

Repiquage

LA pratique du repiquage des semis de résineux dans le but d'augmenter leur dimension, leur système radiculaire et leur vigueur, était autrefois très répandue; elle l'est moins à l'heure actuelle. L'amélioration des techniques de pépinière, en particulier la réduction des densités et les progrès dans la préparation du sol, conduisent à la production de semis qui réussissent bien dans des régions où on estimait autrefois qu'il était indispensable de repiquer. Les grandes pépinières du centre et de l'est des Etats-Unis, qui produisaient, il y a dix ans, des millions de plants repiqués, n'en élèvent plus actuellement que sur demande pour certaines régions. Le prix de revient des plants repiqués étant généralement très supérieur à celui des semis, il y a là un avantage notable.

Repiquage mécanique

Actuellement, la plupart des repiquages sont effectués mécaniquement, au moyen de matériels conçus à l'origine pour la mise en place des plants de céleris ou autres légumes. Ces engins sont généralement constitués par deux éléments planteurs montés sur un ensemble automoteur (figure 40). Un opérateur place les plants dans chaque élément planteur, qui les introduit ensuite dans une fente ouverte et refermée par la machine. Avec du personnel entraîné, on peut atteindre un rendement de l'ordre de 40 à 50 plants à la minute par opérateur.

Ces machines automotrices sont généralement auto-guidées. Une pratique courante consiste à tracer, avec une lame quelconque profilée en V, un sillon-guide de 2 à 3 inches (5 à 7 cm) de profondeur en travers du carré. On doit implanter et matérialiser avec soin ce sillon, qui sert de base de départ pour les travaux qui suivent. Dans quelques pépinières, on remplace le sillon en posant côte à côte deux tuyaux métalliques de 1 inch (figure 41). Ces tuyaux servent de chemin de roulement à une roue frontale à rebords.

Il est indispensable que la machine soit bien équilibrée pour aller droit; ceci est spécialement important en ce qui concerne le tirage exercé par les éléments planteurs sur l'élément automoteur. Les opérateurs choisis pour placer les plants dans les alvéoles des disques rotatifs doivent donc peser tous environ le même poids.

Sur le disque rotatif, les alvéoles qui reçoivent les plants sont distantes les unes des autres de 2 ¼ ou 2 ½ inches (5,6 ou 6,3 cm). La vitesse de rotation du disque est fonction du rapport des pignons qui le relient aux roues plombeuses assurant son entraînement. On règle l'espacement des plants en faisant varier la vitesse de rotation des disques. Dans les pépinières du Service forestier des Etats-Unis, l'espacement standard est d'un peu plus de 2 inches (5 cm), soit 5,4 semis au foot linéaire (18 au mètre linéaire).

Le sabot sillonneur doit travailler à une profondeur suffisante pour permettre aux racines d'être convenablement déployées lorsque les semis sont en place. Si ces derniers ne sont pas bien verticaux, ou si leurs racines sont plus ou moins horizontales, il en résulte des malformations qui rendent difficile la manipulation des plants lors de leur mise en place définitive.

Dans les endroits où on utilise plusieurs repiqueuses, il y a généralement un contremaître pour superviser et diriger le travail. Il aide également à tourner les engins en bout de planche, il trace les nouvelles planches et approvisionne les machines en semis. Pour éviter des arrêts dans le travail, on dispose à chaque bout de la planche une réserve de semis.

FIGURE 40. - Machine à repiquer sur 2 lignes.

FIGURE 41. - Tuyaux métalliques servant de chemin de roulement pour la roue frontale d'une machine automotrice à repiquer.

Le rendement varie avec la dimension et l'âge des semis repiqués, ainsi qu'avec les temps morts pour tourner en bout de ligne ou pour entretenir les engins. Dans la pépinière du Michigan, gérée par le Service forestier des Etats-Unis, avec des planches de 450 à 500 feet (137 à 152 m) de long, on a obtenu un rendement de 30 000 plants par journée de 8 heures et par machine à deux opérateurs.

En dehors des pépinières qui emploient des repiqueuses automotrices, d'autres utilisent une batterie de 6 ou 8 éléments planteurs montés sur un bâti traîné par un tracteur (figure 42). Le tracteur doit alors être muni d'un réducteur spécial assurant une vitesse d'avancement ne dépassant pas 8 ou 10 feet (2,43 à 3,04 m) par minute (figure 43).

FIGURE 42. A. - Machine à repiquer sur 6 rangs au travail. Habituellement une telle machine est enveloppée de toile ou de polyéthylène posé sur un léger châssis pour protéger des vents desséchants les plants et les ouvriers.

FIGURE 42. B. - Machine relevée pour les déplacements sur route.

Photo Kimberly-Clark of Michigan, Inc.

Repiquage manuel

Avant l'apparition des repiqueuses mécaniques, tous les repiquages étaient effectués à la main, au besoin à l'aide de «planches à repiquer». Avec une telle planche on peut obtenir de bons résultats, et cette pratique mérite d'être recommandée dans les pépinières qui ne disposent pas de repiqueuse mécanique ou dont le volume des repiquages ne peut en justifier l'emploi. Les pépiniéristes ont conçu divers types de planches à repiquer, adaptés aux conditions locales ou à leurs préférences personnelles. Les modèles représentés sur les figures 44 et 45 sont en bois; ils donnent de bons résultats. Dans la mesure du possible, on a intérêt à réaliser les rainures ou les arêtes en aluminium ou autre métal léger, car le bois a parfois tendance à se voiler et les semis risquent de ne plus être maintenus en position convenable. Pour assurer le plein emploi d'une équipe, il faut prévoir trois planches à repiquer par planteur: une planche à repiquer en instance de remplissage, une en cours de remplissage et une en cours de mise en place.

FIGURE 43. - Détails de construction de la machine à repiquer à 6 rangs.

Document Kimberly-Clark of Michigan, Inc.

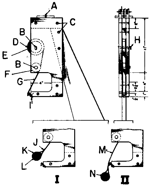
I. Plan
II. Détail du dispositif de fixation
III. Vue de côté.

A. Logement du pivot pour l'axe mobile de chaque roue.

B. Dispositif de l'attelage rapide sur Farmall.

C. Vis à tête fendue (½ x 1 ½ inches, 12,7 x 38,1 mm)

D. Dispositif de fixation en fer en U (1 ¼ x 3 inches, 31,75 x 76,2 mm).

E. Axe des éléments planteurs.

F. Logement des entretoises correspondant aux trous percés dans le dispositif de fixation.

C. Barre porteuse en acier.

H. Collier de 1 inch (25,4 mm) et vis d'arrêt pour maintenir la barre; il faut employer des colliers de même dimension pour maintenir les éléments planteurs en place.

I. Fer en U de 1 ¼ x 4 inches (31,75 x 101,6 mm).

J. Pièce d'angle en acier (3 x 3 inches - 76 2 x 76,2 mm)

K. 4 trous forés à 1 inch (25,4 mm) de distance pour des vis à tête de ½ x 1 ½ inches (12,7 x 38,1 mm).

L. Fer en U de 3 inches (76,2 mm) coupé pour l'adapter au tube.

M. Tube d'acier alésé de 1 ½ inches (38,1 mm), barre porteuse de 1 inch (25,4 mm) fixe.

N. Roue à pivot.

Il n'y a pas de «norme» pour la longueur des planches à repiquer, pas plus que pour l'espacement entre les plants; ces données sont fonction des impératifs locaux, pans certains endroits, on utilise avec satisfaction des planches à repiquer atteignant 8 ½ feet (2,58 m) de long et portant 75 plants. Dans l'exemple de la figure 46, la rigole destinée à recevoir les plants a été réalisée avec l'outil manuel qu'on voit sur la gauche. On réalise facilement la rigole avec un fossoyeur hippomobile ou mis en œuvre par un tracteur et dont la figure 47 montre les détails de construction. En l'absence d'un engin analogue, on peut fabriquer à cet usage une charrue.

FIGURE 44. - Détails de construction de la planche à repiquer «Bessey».

I. Elévation antérieure.
II, Coupe AA.
III. Coupe BB.
1. Charnière à ressort.
2. Charnière ordinaire.
3. Bande métallique (3 mm x 185 cm) dont les encoches ont été émoussées à la lime.
4. Garniture de caoutchouc (3 mm x 7,5 cm x 185 cm).

S'il s'agit de n'ouvrir qu'un petit nombre de rigoles, ou si on ne dispose pas de matériel de traction, on utilisera un outil manuel. Dans les sols lourds, il peut être nécessaire d'ameublir le sol à la fourche-bêche juste avant l'ouverture de la rigole, même si la terre a été préalablement labourée.

En raison de la nécessité de protéger les semis contre la dessiccation, ils doivent être disposés dans les planches à repiquer sous un abri (figure 49). L'abri le plus couramment utilisé dans la plupart des pépinières est constitué par une charpente en matériau léger (figure 50), recouverte d'une toile de tente ou d'une toile métallique enduite de peinture épaisse. L'avant de l'abri est ouvert, ou garni de battants de toile qui pendent et permettent un accès facile pour passer les planches à repiquer. Si on manque de place pour entreposer l'abri, on le réalise avec des éléments démontables stockés à plat en dehors de la période d'utilisation.

Dans l'abri, il faut prévoir deux tablettes, l'une destinée à recevoir la planche à repiquer en cours de remplissage et l'autre, à 15 inches (38 cm) environ au-dessus pour la planche vide que rapporte le planteur. La tablette inférieure doit être placée à bonne hauteur de travail pour que l'ouvrier qui dispose les plants dans la planche à repiquer puisse soutenir une cadence régulière. Il est important de prévoir une tablette dont la longueur convienne à celle de la planche à repiquer. Un poêle à pétrole portatif ou un brasero à charbon de bois amélioreront, par temps froid, le rendement du garnissage des planches.

FIGURE 45. - Repiquage manuel à la planche.

FIGURE 46. - Dispositif tracté pour ouvrir une rigole de repiquage.

I. Plan de l'attelage.
II. Dispositif d'attelage sur tracteur Fordson.
III. Vue de côté.
IV. Vue en bout.

A. Alesage 5/8 inch (15,87 mm).
B. Boulon (½ inch - 12,7 mm).
C. Fer en U (½ inch - 12,7 mm).
D. Plaque d'acier (3/8 inch - 9,52 mm).
E. Plaque d'acier (5/8 inch - 15,87 mm).
F. Plaque d'acier (¼ inch - 6,35 mm).
G. Soudure.

Si un seul ouvrier opère sous l'abri, il peut économiser beaucoup de temps et de pas en commençant par une extrémité de la planche à repiquer pour finir à l'autre. Dans ce cas, il se déplace en reculant, tout en remplissant la planche à repiquer que le planteur lui a rapportée. Le remplisseur voit ainsi les semis à mesure qu'il les dispose: il doit donc savoir trier les semis de mauvaise qualité pour les mettre au rebut. Si on veut soutenir une cadence très rapide, il faut deux remplisseurs par abri.

FIGURE 47. - Outil manuel pour ouvrir une rigole: détails de construction.

A. Raccord en T en tubes de fer doux, standards.
B. Châssis et poignée en tube de fer doux (¾ inch - 1.9,05 mm).
C. Raccord multiple en fer doux, standard.
D. Rivets à pans coupés (½ inch 12,7 mm).
E. Plaque d'acier à haute résistance.
F. Pièces de bois insérées entre les plaques.

FIGURE 48. - Epure de la charpente d'un abri pour le repiquage.

Sur de petites surfaces où il n'est pas possible de faire de longues lignes d'un seul tenant, il peut être intéressant de planter trois planches à la fois. Dans la figure 51, les lignes de repiquage sont perpendiculaires aux sentiers et non parallèles; mais il pourrait en être autrement. Dans cet exemple, les déplacements du planteur sont réduits au minimum, parce que l'abri est installé à proximité du lieu de repiquage.

Avec une planche à repiquer type Bessey (sans broche pour la maintenir en place durant la plantation), le repiquage des semis comprend les opérations suivantes:

1. Le planteur prend une planche à repiquer garnie à l'abri et se rend vers la rigole ouverte.

2. Arrivé devant la rigole, en prenant la précaution de reporter son poids sur ses talons pour éviter d'effondrer la rive de la rigole, il descend la planche à repiquer tout en lui imprimant un léger balancement de façon à laisser les racines des semis tomber naturellement dans la rigole.

3. Il repousse ensuite légèrement la planche à repiquer en l'inclinant, la dépose sur le bord opposé de la rigole, et, en reportant le poids de son corps sur la pointe des pieds, éboule deux petits fragments de la rigole destinés à supporter la planche à repiquer. Si cette opération est correctement réalisée, la planche doit tenir en place toute seule.

4. Il retire ensuite la planche à repiquer, se redresse, et, en se déplaçant d'une extrémité de la planche vers l'autre, tasse soigneusement avec son talon la terre autour des racines des semis (l'ouverture de la rigole suivante assure un tassement complémentaire de la terre autour des racines).

FIGURE 49. - Abri pour le repiquage.

I. Plan d'ensemble.
II. Coupe AA.
III. Plan de la tablette.

A. Coupe (voir II).
B. Tablette.
C. Tablette d'angle.
D. Poteau.
E. Tasseau.
F. Jambe de force.
G. Jambe de force de la tablette.

FIGURE 50. - Equipe de repiquage pour de petites surfaces. A, Contremaître; B. Bêcheur ameublissant le sol tassé par le piétinement pour faciliter l'ouverture de la rigole; C, Rigoleur; D, Planteur; E et F. Ouvriers disposant les plants sous l'abri; G. Approvisionneur des plants sous l'abri (ratisse, en cas de nécessité, entre les lignes et fait des travaux divers).

Lorsque le tassement est achevé, le planteur ouvre la planche à repiquer et va la reporter sur la tablette supérieure de l'abri; il retire la planche remplie, qui doit l'attendre sur la tablette du bas, et recommence comme ci-dessus. Si la préparation du sol, la mise en place et le tassement sont convenablement exécutés, on réduit au minimum la nécessité de nettoyer la partie aérienne des plants de l'excès de terre qui pourrait s'y être accumulé et de boucher de petites dépressions.

Repiquaqe en pots

Pour les plantations dans des stations aux conditions de sol et de climat particulièrement sévères, il est préférable d'élever les plants en pots. On obtient de bons résultats avec des pots fabriqués sur place à la pépinière, à la dimension convenable pour les conditions locales, avec du carton-feutre goudronné pour toitures de 15 pounds (6,8 kg). L'équipement nécessaire à la fabrication complète des pots prêts à être remplis se limite à un massicot, deux rouleaux et une agrafeuse. On peut modifier une essoreuse récupérée sur une machine à laver réformée (figure 52) pour réaliser un excellent dispositif à rainer le papier.

Avant d'être rainé, le papier est découpé en morceaux. Le rouleau du commerce peut être sectionné à la longueur désirée à l'aide d'une scie à moteur; les bandes ainsi obtenues sont sectionnées avec un massicot classique. Ces morceaux sont ensuite passés sous le rouleau qui trace les rainures (figure 53).

En raison des rainures, le papier se plie facilement en tubes à section rectangulaire, qu'il suffit d'attacher avec une agrafeuse à main. S'il y a besoin d'un fond fermé, on peut le réaliser en incisant avec un outil approprié l'une des extrémités du tube et en entrelaçant les quatre languettes.

La figure 52 représente une machine à rainer obtenue en modifiant les rouleaux d'une essoreuse de machine à laver à moteur, mais on peut tout aussi bien utiliser un rouleau manuel fabriqué par un charpentier ou un mécanicien local. Le moteur n'est pas une obligation.

On peut également fabriquer un pot avec ce carton en le pliant tout bonnement autour d'un billot de bois de la dimension voulue ou, encore plus simplement, en l'enfonçant dans une forme avec un billot de bois. La figure 54 montre un dispositif de ce genre actionné au pied.

L'appareil de la figure 55 combine la mise en forme du pot, le remplissage avec la terre et la mise en place du plant. La figure 56 donne les détails de construction de ce dispositif. Une feuille de carton, préalablement découpée, est poussée de haut en bas dans la matrice où le pot prend sa forme. Le récipient ainsi obtenu est rempli de terre à moitié, et les racines du semis sont déployées en position naturelle au-dessus de la terre contenue dans le pot.

FIGURE 51. - Rouleau destiné à rainer le papier avant de le plier en forme de pot.

Photo Service des recherches agricoles, Département de l'agriculture des Etats-Unis

FIGURE 52. - Papier avant et après traçage des rainures.

Photo Service des recherches agricoles, Département de l'agriculture des Etats-Unis

Le reste de la terre est alors disposé sur les racines et le pot est achevé par une manœuvre le fermant partiellement avec les rebords du carton qui dépassent. L'ensemble des opérations ne prend que quelques secondes. Le plant rempoté est éjecté par la partie supérieure de la forme en appuyant sur un levier à pied.

Lutte contre les mauvaises herbes

Désherbage par pulvérisation

Dans les pépinières assez grandes pour justifier l'achat d'un pulvérisateur à moteur, il est maintenant de pratique courante de pulvériser sur les planches de semis de conifères des désherbants sélectifs qui détruisent les mauvaises herbes sans attaquer les essences forestières. Avant 1942, les désherbants sélectifs employés en pulvérisations étaient inconnus des pépiniéristes. On traitait le sol pour tuer les graines de mauvaises herbes avant le semis, mais cette méthode ne donnait pas satisfaction. Les possibilités offertes par la pulvérisation d'herbicides ont été démontrées par certains maraîchers et dans des pépinières d'une plante à caoutchouc, le guayule, en 1943-45. Cette technique s'est répandue vers 1949.

Actuellement, on adopte le plus souvent pour cet usage un des sous-produits du raffinage du pétrole connus sous le nom de «white spirits» ou «désherbant Carotte» dans de nombreux pays européens. Ils sont vendus en Amérique par des sociétés pétrolières sous des noms commerciaux divers. Dérivés du pétrole, ces produits ont un point d'ébullition situé entre 300° et 320°F (149° et 160°C) et une densité API de 48 à 50; ils contiennent de 10 à 20% d'hydrocarbures aromatiques. Il semble que l'efficacité du désherbage soit à peu près proportionnelle à la teneur en dérivés aromatiques du produit utilisé.

FIGURE 53. - Dispositif actionné au pied pour façonner le pot.

Photo Service des recherches agricoles, Département de l'agriculture des Etats-Unis

FIGURE 54. - A. Table de rempotage avec un pot à demi rempli de terre et jeune semis. B. Pot terminé.

Photos Service de conservation des sols, Département de l'agriculture des Etats-Unis.

FIGURE 55. - Détails de construction de la table de rempotage.

Document Service de la conservation des sols, Département de l'agriculture des Etats-Unis

I. Plan.
II. Vue de face.
III. Vue en bout.
IV. Détail de l'outil rempoteur.

A. Boulon ou clou oblique porte-papier.

B. Ouverture inférieure gauche.

C. Planche inclinée de 4 inches (101,6 mm) pour maintenir le pot rempli.

D. Dimension réglable.

E. Poignée de ½ inch (12,7 mm).

F. Bords repliés et boulonnés à la table.

G. Extrémités coupées de la caisse de ¾ à 1 inch (19,05 à 25,4 mm) de long.

H. Fente de ½ x ¾ inch (12,7 x 19,05 mm) profonde de 1 inch (25,4 mm) pour la tige du plant.

I. Tube de 3/8 x 1 inch (9,52 x 25,4 mm), fendu et déroulé pour recevoir la poignée de ½ inch (12,7 mm) et soudé à la boîte pour constituer un gond.

J. Bords repliés en dehors laissant la place pour les ailettes.

K. Tige de ¼ inch (6,35 mm) soudée au bas de la boite pour servir d'arrêtoir.

L. Plaque inférieure.

M. Ecrou de ½ inch (12,7 mm) soudé au centre de la plaque inférieure.

N. Tige ronde filetée de ½ inch (12,7 mm).

O. Rainure cannelée de 2 x 4 inches (50,8 x 101,6 mm) où la tige coulisse.

P. Boulon de ½ x 8 inches (12,7 x 203,2 mm).

Q. Plaque de ¼ x 2 inches (6,35 x 50,8 mm) soudée pour former clavette.

R. Patte coudée formant pédale.

S. Longueur réglée pour former contrepoids.

T. Feuillard formant les ailettes.

U. Ailettes soudées au centre à la tige.

V. Bords repliés en dehors pour être soudés au tube.

W. Rebords entre les sections du tube coupé et replié extérieurement pour laisser la place aux ailettes.

X. Ecrou de blocage pour le réglage.

Y. Clavette ou tendeur (½ x 2 inches - 12,7 x 50,8 mm).

Z. Boulons (½ inch - 12,7 mm).

Les pins, les épicéas, les sapins et les genévriers ne sont pas sensibles à l'action de ces produits; d'autres conifères, en particulier les mélèzes, le sont. Quelques essences y sont moyennement sensibles et peuvent souffrir si l'on applique en une seule fois plus de 40 gallons à l'acre (378 l/ha). Pour d'autres espèces, telles que le «red pine» (Pinus resinosa) et le «jack pine» (Pinus banksiana), il semble que l'on puisse utiliser jusqu'à 80 à 100 gallons et plus à l'acre (756 à 945 l/ha) en ne provoquant que des dégâts nuls ou insignifiants. Il convient de procéder dans chaque pépinière à une expérimentation locale pour déterminer l'efficacité de ces pulvérisations. Leur emploi sur des essences feuillues n'est pas recommandé, à moins que des essais entrepris sur place n'aient nettement prouvé leur innocuité.

Cette méthode de lutte contre les mauvaises herbes est l'objet de recherches importantes, et les techniques s'améliorent progressivement. Actuellement, les caractéristiques de la technique et du matériel adoptés sont les suivantes:

1. Equiper les pulvérisateurs d'une tuyauterie à basse pression qui permette d'obtenir le débit convenable de pulvérisation pour le désherbage, et un débit plus élevé de pulvérisation pour les insecticides et les fongicides; ajouter des jets en T qui pulvérisent le produit en éventail. Les jets doivent comporter des grilles à maille de 100 et être espacés de 20 inches (50 cm) sur une rampe placée à une distance de 17 à 19 inches (43 à 48 cm) au-dessus de la planche.

2. Travailler avec une pression toujours inférieure à 60 pounds par square inch (4,22 kg/cm²) pour éviter de former un brouillard. Le brouillard est en effet déporté par le vent, ce qui entraîne une répartition irrégulière du produit pouvant causer des dégâts importants aux pins.

3. Contrôler la concentration pour éviter qu'elle ne soit trop élevée. Commencer à pulvériser 10 à 14 jours après avoir enlevé le dispositif de recouvrement de la planche de semis, ou lorsque les semis qui émergent à travers le paillage deviennent franchement verts; appliquer 10 à 12 gallons par acre (94,45 à 113 l/ha) 2 à 4 fois par semaine. Plus tard, on obtient de bons résultats en pulvérisant 25 gallons par acre (236 l/ha) une fois par semaine environ. L'application de 40 à 80 gallons à l'acre (378 à 756 l/ha) sur de très jeunes semis en détruit un grand nombre.

4. Sauf s'il vient de pleuvoir, arroser les planches de semis quelques heures avant de pulvériser. Arroser davantages les semis les plus vieux et les plus grands. Ne pas pulvériser sur des semis dont le feuillage est encore humide, s'ils ont des aiguilles secondaires; on risque de les endommager. Ne pas arroser les planches immédiatement après la pulvérisation; un fort arrosage ou une pluie aussitôt après le traitement en diminue l'effet sur les mauvaises herbes.

5. Pour les premiers traitements effectués au début de la saison de végétation, éviter de pulvériser lorsque la température est trop élevée ou inférieure à 60-75°F (15,5-24°C); si la température est trop élevée, le traitement est plus nocif pour les pins; à des températures trop basses, son efficacité sur les mauvaises herbes diminue. En général, les traitements effectués par temps chaud ne font pas de dégâts aux plants et détruisent mieux et plus rapidement les mauvaises herbes.

FIGURE 56. - Type de pulvérisateur destiné à être remorqué.

On trouve chez tous les marchands de matériel agricole des pulvérisateurs qui conviennent pour ce genre de travail. Pour les pépinières, l'appareil est généralement muni d'une rampe de pulvérisation suffisante pour traiter trois planches en une seule fois; elle est articulée, ce qui permet de la replier et facilite les déplacements (figure 57). Il convient également de monter aux deux extrémités de la rampe un jet coudé avec un robinet d'arrêt qui permet de pulvériser à travers une clôture ou en présence d'autres obstacles. Il est souhaitable de munir la rampe elle-même de robinets d'arrêt qui permettent de la fermer partiellement à volonté. Un crible ou un filtre placé entre le réservoir et la pompe arrête les particules solides et permet d'éviter que des jets ne se bouchent.

Dans les grandes pépinières, pour lesquelles il faut des réservoirs de vaste capacité, on dispose ceux-ci sur des remorques tractées. Les engins de cette catégorie sont actionnés soit par un moteur indépendant qui fait marcher la pompe, soit par une pompe montée sur le tracteur. L'homme qui conduit la remorque s'occupe des robinets, veille à ce que les jets ne se bouchent pas et soulève la rampe ou des sections de rampe pour faciliter les virages et les passages sur les terre-pleins. On peut néanmoins concevoir cette machine de façon à éviter l'emploi de cet homme supplémentaire.

Dans certaines pépinières, on a trouvé commode de monter directement un réservoir (comme un réservoir d'essence) sur l'arrière du tracteur, et d'actionner la pompe du pulvérisateur avec la prise de force ou avec la courroie du ventilateur (figure 58). Un mécanicien peut monter cet assemblage, en utilisant des pièces que l'on trouve dans le commerce.

FIGURE 57. - Type de pulvérisateur porté sur tracteur.

Photo Département de la conservation de l'Etat d'Iowa

Pour traiter de petites surfaces, il n'est pas recommandé d'employer des pulvérisateurs à dos ou portés à bout de bras, qu'ils soient munis d'un moteur ou actionnés manuellement. Avec un jet orienté à la main, il est plus difficile de répartir de façon uniforme la quantité de produit voulue. Sur une partie des planches, les semis risquent d'être détruits ou retardés, tandis qu'ailleurs les mauvaises herbes ne recevront pas la dose nécessaire et ne seront pas attaquées. Dans les pépinières qui ne comportent qu'un nombre restreint de planches, ou des planches servant à des expériences, il vaut mieux procéder au désherbage à la main.

Désherbage à l'aide de désinfectants du sol

Un grand nombre de produits pour la désinfection du sol ont fait au cours des dernières années leur apparition dans les pépinières. A des degrés divers, ces produits détruisent toutes les mauvaises herbes, les champignons parasites, les nématodes et les insectes. Dans certaines pépinières, on a parfois enregistré, grâce à ces produits, une amélioration spectaculaire de la germination, de la vigueur des semis, etc. Lorsque leur action est tout à fait efficace, le travail de désherbage est presque supprimé pour l'année en cours, et fortement réduit pour les années suivantes. Ils sont particulièrement intéressants lorsqu'on veut se débarrasser des mauvaises herbes qui se reproduisent par rhizomes, stolons et bulbes, et qui par conséquent se maintiennent en dépit des arrachages à la main, des binages, ou des pulvérisations. Malheureusement, les désinfectants les plus efficaces sont très chers, dangereux à manipuler sans main-d'œuvre spécialisée, et peuvent nécessiter la mise en œuvre d'un matériel onéreux. Aucun d'entre eux n'est encore employé couramment et il n'est pas possible de donner des conseils d'ordre général. On peut trouver des renseignements sur ces produits chez les marchands de produits chimiques à usage agricole.

FIGURE 58. - Cultivateur pour sarcler entre les lignes de plants et détail des pièces travaillantes.

Photos «Tennessee Valley Authority»

FIGURE 59 - Détails de construction d'un cultivateur pour planches de semis.

Document «Tennessee Valley Authority»

I. Plan d'ensemble.
II. Vue de côté.
III. Détail de E.
IV. Vue en bout.

A. Barre.
B. Barre coulissante.
C. Châssis de la barre.
D. Boulons.
E. Voir III.
F. Pièces travaillantes commandées toutes ensemble par une barre de direction (voir III).
G. Tube standard (2 inches - 50,8 mm).
H. Roue.
I. Fente de 2 inches (50,8 mm) pour le réglage.
J. Repose-pieds.
K. 4 roues de pulvériseur.
L. .3 dents de bineuse à 4 dents.
M. Collier.
N. Tube standard de ¾ inch (19,05 mm) pour régler l'écartement.

Désherbage à l'aide de produits stérilisant le sol

Dans les grandes pépinières, il peut être onéreux de détruire les mauvaises herbes à la main sur les zones de dépôt, sur les bas-côtés des allées et partout où la présence de végétation serait indésirable ou inesthétique. On a récemment mis au point des produits chimiques spéciaux qui stérilisent le sol et empêchent la végétation de se développer pendant un an ou plus, le temps d'action du traitement dépendant de la quantité de produit appliqué. On peut trouver des renseignements sur ces produits chez les marchands de produits chimiques agricoles.

Désherbage mécanique

Il est possible de fabriquer des cultivateurs qui, placés derrière un tracteur, ameublissent le sol et détruisent les mauvaises herbes entre les rangées de plants ou dans les planches où l'on sème en ligne. Les figures 59 et 60 montrent un cultivateur de ce genre, qui fut d'abord conçu dans une pépinière de l'Etat d'Illinois, puis amélioré dans une pépinière de la «Tennessee Valley Authority». L'homme qui conduit le cultivateur peut le déplacer à droite ou à gauche en agissant sur la barre porte-outils et guider ainsi l'engin entre des rangées de plants sinueuses.

Infestations et maladies

Lutte contre les insectes et champignons nuisibles

Il semble qu'il y ait un nombre presque infini d'insectes et de champignons nuisibles attaquant les semis à tous les stades de leur développement et sur leurs racines aussi bien que sur leurs parties aériennes. Le caractère de gravité de ces attaques varie selon l'essence, et, pour une même essence, selon l'endroit où la pépinière est installée. C'est pourquoi des remèdes ou des traitements préventifs qui sont simples et parfaitement efficaces dans certains endroits ou pendant quelques années peuvent se révéler tout à fait inopérants ailleurs ou à un autre moment. La meilleure façon de se renseigner sur un problème particulier consiste à se mettre directement en relation avec des entomologistes, des pathologistes et autres techniciens compétents des stations de recherches de la région ou de régions similaires.

On lutte très souvent contre ces insectes et champignons en pulvérisant certains produits. Le matériel de pulvérisation employé pour lutter contre les mauvaises herbes est également utile pour ce genre de travail.

Pour lutter contre certains champignons, on a récemment adopté une technique qui consiste à enrober les graines avant de les semer dans un revêtement protecteur constitué par un produit chimique approprié. Ce procédé, appelé enrobage («pelleting») des graines, se révèle très efficace. Il consiste à appliquer sur la graine une première couche d'«adhésif» puis une couche du ou des produits chimiques qui jouent le rôle de protection. Après séchage, les graines sont semées comme d'habitude. Les graines enrobées sont plus grosses et plus lourdes: il convient d'en tenir compte pour déterminer les quantités à semer.

Pour appliquer l'adhésif, on verse la quantité voulue sur les graines qui sont brassées dans une sorte de récipient rotatif. Les composés adhésifs à base de méthylcellulose ou de latex se trouvent dans le commerce. L'un et l'autre conviennent pour cet usage. Lorsque les graines sont recouvertes d'une pellicule uniforme d'adhésif, le produit chimique actif est introduit et le brassage des graines continue jusqu'à ce qu'elles soient complètement enrobées. On peut, si on le désire, appliquer de la même façon un deuxième produit chimique, par exemple un répulsif pour oiseaux, sans ajouter d'adhésif. Après l'enrobage, les graines sont étalées sur un plateau ou sur une plaque pour être séchées à l'air. Cette méthode de traitement est excellente pour de petis lots; il ne faut pas plus de 3 ou 4 minutes pour traiter un lot de 10 pounds (4,5 kg). Il faut éviter de trop brasser les graines pour ne pas les abîmer. Une fois sèches, il ne faut pas trop les frotter pour éviter d'endommager le revêtement protecteur.

On utilise d'habitude pour ce genre de travail une petite bétonneuse d'une capacité de 1 cubic foot (28 l), mais on peut se servir d'un bidon ou d'une boîte quelconque, muni d'une manivelle ou d'une pédale. Dans une pépinière du Service forestier des Etats-Unis en Indiana, on utilise un réservoir de 20 gallons (75,6 l) pour traiter des lots de graines de 10 pounds (4,5 kg). Pour traiter de petites quantités, on peut se passer d'appareil; il est parfaitement possible de verser l'adhésif et le produit chimique actif sur les graines puis de les brasser à la main, ou de les faire passer d'un récipient dans un autre jusqu'à ce que les produits soient bien répartis.

Lutte contre les oiseaux et les rongeurs

Récemment encore, les oiseaux et les rongeurs détruisaient dans les planches de pépinières des quantités importantes de graines, après semis ou en cours de germination; il fallait poser des écrans protecteurs compliqués. La construction, l'entretien, l'installation et le déplacement de ce matériel étaient onéreux. La découverte de répulsifs efficaces et la mise au point de la technique de l'enrobage ont permis de résoudre ce problème dans les pépinières où cette technique a été adoptée.

En général, les produits chimiques que l'on emploie actuellement sont l'anthroquinone sublimé ou le tétraméthylthiuram-bisulfure à 50%. Dans quelques pépinières, on préfère ce dernier car tout en assurant une certaine protection contre les rongeurs il permet également de lutter efficacement contre la fonte des semis (dans le Wisconsin par exemple). Toutefois, dans d'autres pépinières, on a l'impression qu'il retarde légèrement la germination et on préfère utiliser l'anthroquinone additionné d'un répulsif spécifique contre les rongeurs.

Les quantités de produits chimiques nécessaires sont les suivantes: pour 100 pounds (45,3 kg) de graines («loblolly pine» et «slash pine»), il faut 16,6 pounds (7,5 kg) de tétraméthylthiuram-bisulfure à 50%, ou 20 pounds (9 kg) d'anthroquinone. On enrobe les graines de la façon indiquée dans le paragraphe sur la lutte contre les insectes et champignons nuisibles.

Arrachage

Dans les grandes pépinières où la main-d'œuvre est rare et coûteuse, l'arrachage manuel des plants forestiers est impraticable. De nombreux modèles d'arracheuses mécaniques ont été créés pour soulever le sol et déraciner les plants, afin de rendre l'extraction à la main plus facile sans l'aide d'un outil. Divers modèles sont présentés ici, illustrant le principe général, mais d'autres existent qui travaillent aussi bien.

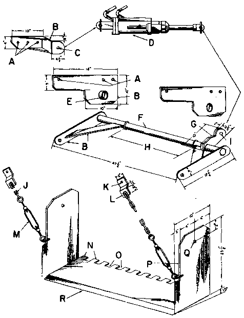
FIGURE 60. - Détails de construction d'une arracheuse pouvant être tractée ou tirée par le câble d'un cabestan.

I. Détail du patin-coupeur.
II. Détail de la plaque.

A. Ame du patin coupé avant le ceintrage.
B. Trous de 13/16 inch (20,63 mm) pour boulon de ¾ inch
C. Trous de 9/16 inch (14,28 mm) pour rivets de ½ inch
D. Plaque.
E. Boulons.
F. Secoueurs rivés sur le soc: ils sont enlevés lorsque l'appareil est utilisé pour le cernage.
G. Boulons d'œil de ¾ x 5 inches (19,05 x 127 mm).
H. Anneau de 1 ½ inch (38,1 mm).
I. Patin d'acier.
J. Etançon provenant d'une vieille niveleuse.
K. Plaque d'acier.
L. Câble d'acier.
M. Boulon de 3/8 inch (9,52 mm).

La type d'arracheuse traînée de la figure 61 peut être tiré directement par un tracteur ou par le câble d'un treuil puissant. Si l'on n'a pas à sa disposition un tracteur ou un treuil convenant à ce travail, on peut utiliser un câble à cabestan actionné par un attelage de chevaux. Cette dernière méthode est d'ailleurs la méthode utilisée à l'origine pour ce modèle d'arracheuse. La figure 62 montre un schéma d'emploi de câble.

Des arracheuses de plants forestiers qui vibrent et secouent ainsi la terre des racines des plants en cours d'arrachage ont été utilisées dans certaines pépinières. Elles ameublissent le sol plus que les autres modèles et facilitent ainsi l'arrachage des plants en causant moins de dommages aux petites racines. Sur de telles arracheuses, ce n'est pas la puissante lame extractrice qui vibre, mais des doigts dirigés vers l'arrière de la lame qui oscillent de haut en bas grâce à un arbre à cames relié par une chaîne à un moteur monté à un endroit convenable sur l'arracheuse ou à la prise de force du tracteur. Les figures 63 et 64 montrent le schéma d'une machine employée à la pépinière du Service forestier des Etats-Unis à Eveleth, dans le Minnesota.

Un autre type d'arracheuse à vibration qui retire à peu près toute la terre des racines est utilisé dans plusieurs pépinières de l'Etat de Pennsylvanie et dans la pépinière du Service forestier des Etats-Unis à Chittenden, dans le Michigan (figure 65). C'est une simple arracheuse mécanique de pommes de terre à double rang, qui travaille bien dans les sols où les plants sont de dimensions et de densité suffisantes.

Pour qu'une telle arracheuse fonctionne de façon satisfaisante, il faudrait que les plants aient 4 inches (10 cm) ou plus et soient suffisamment serrés pour que leurs aiguilles s'entrelacent dans une certaine mesure. Les secousses feront passer les trop petits plants à travers la chaîne du secoueur, et de temps en temps des plants passeront par-dessus et seront dispersés sans ordre sur le sol. Ce type de machine travaille mal dans les sols trop tenaces qui résistent au secouage.

L'arracheuse présentée sur la figure 66 est portée par un tracteur à roues dans une position qui permet au conducteur de la surveiller tout en conduisant le tracteur. Il peut la soulever ou l'abaisser immédiatement avec le relevage hydraulique qu'il a à portée de la main. Cette machine est employée à la pépinière de l'Etat du Dakota Nord, à Towner, et fait du bon travail. Elle est simple, robuste et répond rapidement aux commandes du conducteur du tracteur. On agit seulement sur quatre boulons pour la fixer au tracteur ou l'en détacher. La figure 67 montre les détails de la construction.

FIGURE 61. - Dispositif porteur du câble évitant qu'il n'endommage les plante.

A. Axe d'acier de 1 inch (25,4 mm) et de 33 inches (838 mm) de longueur totale.
B. Plaque de métal mince de moins de 2 x 2 inches (50,8 x 50,8 mm).
C. Goupille fendue de ¼ x 1 ½ inches (6,35 x 38,1 mm).
D. Rondelles entre les roues et les goupilles fendues.

La figure 68 montre une arracheuse portée derrière un tracteur, et la figure 69 les détails de sa construction. Elle est employée à la pépinière de l'université de l'Etat du Michigan à Sault Ste Marie. On peut l'utiliser soit avec un tracteur à roues soit avec un tracteur à chenilles muni d'un mécanisme de relevage hydraulique adéquat.

FIGURE 62. A. - Arraches de plants à vibrations, derrière tracteur. Vue de face.

FIGURE 62. B. - Arraches de plants à vibrations, derrière tracteur. Vue de côté.

L'arracheuse de plants forestiers à un rang de la figure 70 convient spécialement pour les feuillus disposés en lignes. Construite à la pépinière de génétique forestière de l'«Institute of Paper Chemistry» d'Appleton, dans le Wisconsin, elle est prévue pour être utilisée derrière un tracteur muni d'un relevage hydraulique trois points. Grâce à ce dispositif hydraulique, elle peut être enfoncée à la profondeur désirée, de 0 à 9 inches (0 à 23 cm). Les contres circulaires de 18 inches (45 cm) qui sont montés sur le châssis en avant du soc coupent les racines latérales. Le soc coupe les racines inférieures, soulève les plants et ameublit le sol avec un minimum de dommage pour le système radiculaire.

Des arracheuses travaillant en sols lourds quand la terre est trop sèche ou trop humide, ou fonctionnant à une allure trop rapide dans des conditions quelconques, brisent les racines de beaucoup de plants; cela entraîne une diminution de vigueur ou la mortalité de ces plants à la plantation. Après le passage de l'arracheuse, il faut encore faire attention en retirant les racines du sol, à la main, à la fourche ou à la bêche, car on risque de briser de nouvelles racines ou de les écorcer. La surveillance de l'arrachage devrait comprendre de temps en temps un tamisage de la terre des planches de semis ainsi qu'un examen approfondi des plants après lavage pour étudier l'étendue des dommages subis par les racines. Pour réduire ces dommages, on peut soit modifier la vitesse du tracteur, l'angle d'attaque de la lame et les techniques de travail, soit attendre des conditions favorables d'humidité du sol.

FIGURE 63. A. - Chaîne secoueuse d'une arracheuse de pommes de terre à 2 rangs utilisée pour arracher les plants forestiers.

FIGURE 63. B. - Arracheuse de pommes de terre au travail.

Emballage pour l'expédition

Comptage et classement

Il n'y a pas de méthode «standard» ou «idéale» pour organiser cette phase du travail. L'organisation varie suivant la taille des plants, la production nécessaire par jour, le genre de main-d'œuvre et les demandes des clients. Des pépinières produisant des plants de dimension uniforme ne font ni classement ni comptage de leur stock; elles font l'expédition par planche entière en faisant peu ou pas attention aux quantités réelles. Quand il est nécessaire de déterminer le nombre total, elles pèsent un nombre donné de plants (1000 ou 10 000), et ce poids est ensuite utilisé comme étalon de quantité pour satisfaire la commande. Mais d'autres pépinières doivent classer leurs plants, éliminer ceux qui s'écartent de la moyenne et les compter exactement.

Quand le comptage et le classement sont nécessaires, le travail devrait être fait dans un bâtiment afin de protéger les plants du soleil et du vent. Un tel travail est plus rapidement exécuté si une table de classement avec un tapis roulant est utilisée pour transporter les plants du personnel effectuant le tri aux emballeurs.

La table de classement de la figure 71, conçue dans les pépinières d'Etat de New York, a été reproduite ailleurs, souvent avec des modifications de longueur et de largeur ou d'autres détails pour l'adapter aux conditions locales. La surface du tapis roulant est divisée en espaces numérotés à la peinture, chaque numéro ayant une couleur différente, afin de faciliter le travail des préposés au classement. A la pépinière de l'Etat de New Jersey, le tapis roulant fonctionnait à la vitesse d'un circuit complet en 59 secondes, avec 5 personnes de chaque côté plaçant 2 plants dans les espaces assignés. Avec une telle organisation, il livrait 300 plants à la minute aux emballeurs qui liaient en bottes et emballaient celles-ci dans des boîtes ou des ballots.

FIGURE 64. A. - Arracheuse portée sur tracteur à roues avec relevage hydraulique.

FIGURE 64. B. - Vue en gros plan du montage de la lame et de la pompe.

Photos Service forestier du Dakota Nord

FIGURE 65. - Détails de construction d'une arracheuse.

Photo Service forestier du Dakota Nord;

A. Torons de 5/8 inch (15,87 mm) pour les boulons de fixation au tracteur.
B. Pièce de 5/8 inch (15,87 mm).
C. Trou de 1 inch (23,4 mm) pour recevoir la pompe.
D. Pompe John Deere standard.
E. Manchon pour recevoir un arbre de 2 ½ inches (63,5 mm).
F. Arbre en acier laminé à froid de 2 ½ inches (63,5 mm).
G. Pièce de 1 inch (25,4 mm) constituée par soudure de 2 plaques de ½ inch (12,7 mm).
H. Distance entre les manchons de garde (dépend de lu voie du tracteur).
I. Trou pour recevoir la goupille de 1 inch (25,4 mm) de la pompe.
J. Chaîne de 3/8 inch (9,52 mm).
K. Trou de 5/8 inch (15,87 mm).
L. Pièce de ½ inch (12,7 mm).
M. Tendeur de 5/8 inch (15,87 mm).
N. Dent de 3/8 x 2 inches (9,52 x 50,8 mm).
O. Ecartement des dents: 7/8 inch (22,22 mm).
P. Pièce de ¾ inch (19,05 mm).
Q. Trou de 1 inch (25,4 mm).
R. Lame coupante de 2 inches (50,8 mm) récupérée sur une niveleuse hors d'usage.

FIGURE 66. - Vue oblique de l'arracheuse portée à l'arrière d'un tracteur à relevage hydraulique.

Photo Service forestier, Université d'état du Michigan

FIGURE 67. - Détails de construction d'une arracheuse portée à l'arrière d'un tracteur.

Document Service forestier, Université d'état du Michigan

I. Plan.
II. Vue de face.
III. Vue de côté.

1. Lames de ressort d'automobile (¼ x 1 ¾ x 18 inches - 6,35 x 44,45 x 457 mm).
2. Tôle de protection (1/8 x 16 x 16 inches - 3,17 x 406,4 x 406,4 mm).
3. Attelage du tracteur (1 x 3 inches x 3 ½ feet 25,4 x 76,2 x 92.9 mm).
4. Etrésillon soudé (½ x 9 x 9 ½ inches - 12,7 x 101,6 x 241,3 mm).
5. Support à cliquet en fer à T (3/8 x 1 ½ x 15 inches - 9,52 x 38,1 x 381 mm).
6. Tirant à ergot en fer I (3/8 x 1 ½ x 12 inches 9,52 x 38,1 x 304,8 mm).
7. Coutre circulaire (16 inches - 406,4 mm) avec axe de ½ inch (12,7 mm) de diamètre.
8. Tube de fer (2 ½ inches - 63,5 mm de diamètre extérieur x 28 inches - 711 mm).
9. Lame niveleuse (8 inches - 203 mm).
10. Boulons (½ inch - 12,7 mm de diamètre) avec écrous sur la face inférieure de la lame.

Une pépinière de l'université d'Etat du Michigan a trouvé avantageux de faire compter par chaque préposé au classement une botte complète de 50 plants; il l'attache avec un élastique et la place sur le tapis roulant qui la conduit à l'emballeur. La figure 72 montre l'organisation considérée comme la meilleure. Dix préposés au classement, trois emballeurs et un employé ont obtenu une production de 120 000 à 175 000 plants par jour avec cette organisation.

Bottelage avant l'emballage

Pour diverses raisons, certaines pépinières lient les plants en bottes de 50 ou 100, ou autres unités adéquates, avant de les emballer en un ballot plus important. Ce travail fait à la main s'est révélé coûteux, car le liage manuel est trop lent et l'entretien des machines à leur pose quelquefois des problèmes.

FIGURE 68. - Arracheuse de feuillus à un rang et détails de construction.

Photo «Institute of Paper Chemistry»

A. Tube de 2 inches (50,8 mm).
B. Coutre circulaire de 18 inches (457 mm).

FIGURE 69. - Table de classement.

Document Service des eaux et forêts de l'Etat de New York

A. Coussinet Brozoli de 1 ¼ inch (31,75 mm).

B. Entretoise (2 x 4 inches - 50 x 127 mm).

C. 4 longerons (1 x 2 inches - 25,4 x 50,8) à 3 inches (76,2 mm) des bords et distants de 3 inches (330,2 mm) entre eux.

D. Espace libre (1 inch - 25,4 mm).

E. Intervalle (10 inches - 254 mm) entre les baguettes de bois de la face intérieure du tapis roulant.

F. Numéros de 2 inches (50,8 mm) marqués au pochoir. (Chaque numéro revient cinq fois sur chaque côté de chaque section du tapis roulant. Les numéros et les intervalles sont disposés de telle sorte, que lorsque chaque section est complète elle contient 100 plants - 50 de chaque côté. Un tour complet du tapis roulant fournit 6 bottes de 50 plants chacune en mettant deux plants par numéro. On peut mettre plus de plants pour augmenter le débit.)

G. Bagues et tendeurs.

H. Tabliers de la plate-forme.

I. Moteur entraînant les poulies de l'arbre de tête.

J. Poulie à gorge en V du réducteur 20/1 ou système d'arbres et de poulie pour réduire la vitesse du moteur à la table.

K. Trajet du tapis roulant: 60 secondes par révolution.

L. Trous pour porte - boîte.

M. Pieds (2 x 4 - 50,8 x 101,6 mm).

N. Trois rouleaux (4 à 6 inches - 101,6 à 152,4 mm).

O. Axe (1 ¼ inches - 31,75 mm) ou tube (1 inch - 25,4 mm).

P. Entretoises seulement sur les pieds de l'extrémité.

Q. Boite: les dimensions extérieures de la boîte doivent être de 16 x 27 x 8 inches (406,4 x 688,8 x 203 mm).

R. L'ouvrier se tient à cette place: 5 ouvriers de chaque cote.

S. Arrêtoirs de 1 x 3 inches (25,4 x 76,2 mm) fichés; dans les trous sur les côtés de la table.

Les pépinières de l'Etat d'Alabama ont constaté que des élastiques d'une dimension choisie pour convenir à des bottes d'une taille donnée étaient satisfaisants, mais lents et difficiles à mettre. Pour accélérer le travail, ils ont imaginé le système représenté par la figure 73. Ce système est simplement constitué par une feuille métallique roulée en cylindre et attachée à un support horizontal. Avant l'emballage, on encercle le cylindre avec un certain nombre d'élastiques. Les racines de la botte sont introduites dans le cylindre et on fait glisser un élastique autour de la botte. On utilise quelquefois des élastiques de couleurs conventionnelles pour différencier les espèces, la classe d'âge, ou d'autres éléments de ce genre.

La pépinière de l'Etat de Virginie préfère utiliser un ruban au lieu d'élastiques. Ce ruban de 3/8 inch (1 cm) est en cellophane adhésive par pression; on le trouve dans le commerce en rouleaux de 60 yards (55 m) de six couleurs différentes. Avec le système représenté par les figures 74 et 75, un ouvrier spécialisé peut lier des bottes à la cadence d'environ 10 par minute.

Emballage

On utilise tous les modes d'expédition, tels que caisses à claire-voie en bois, sacs en papier, chargement en vrac sur la benne d'un camion. Chaque système correspond et convient très bien à des conditions locales et n'a pas à être discuté ici. Mais, pour les expéditions de grandes quantités qui doivent supporter les risques des transports publics, du stockage et de la manutention, le ballot rond fait avec de la mousse humide et du papier imperméable (figure 76) s'est révélé plus économique et plus satisfaisant que les autres.

FIGURE 70. - Organisation recommandée pour le comptage et l'emballage.

Document Service forestier, Université d'état du Michigan

A. Tabourets mobiles.
B. Transporteur.
C. Table de tri.
D. Montage sur cône.
E. Cône.
F. Classeur.
G. Bureau du secrétaire.
H. Table pour les plants.
I. Réservoir à mousse.
J. Canalisation supérieure.
K. Distributeur d'étiquettes pendu au plafond.
L. Table d'emballage.
M. Tuyau pendant du plafond pour humecter les racines.
N. Rouleaux de papier sous la table.

FIGURE 71. - Système facilitant la pose d'un élastique autour des bottes de plants.

Photo «Alabama Polytechnic Institute»

FIGURE 72. A. - Distributeur de ruban prêt pour la botte suivante.

FIGURE 72. B. - Botte liée d'un ruban et prête pour l'emballage.

Photo Service forestier de Virginie

FIGURE 73. - Détails de construction du distributeur de ruban.

Document Service forestier de Virginie

I. Position de fixation du ruban adhésif.
II. Position pour couper le ruban.

A. Goujon (¼ inch - 6,35 mm) portant une roue de réserve de 3 inches (76,2 mm) avec rouleau de ruban adhésif.

B. Axe (¼ inch - 6,35 mm).

C. Vis à bois (8 x 1 ¼ - 203 x 31,75 mm).

D. Rouleau gommé.

E. Roue en bois de 3 inches (76,2 mm) de diamètre découpée dans un pin de 3 à 4 inches (76 à 101 mm).

F. Roue en bois (1 ½ inch - 38,1 mm) de diamètre découpée dans un pin de 3 à 4 inches (76 à 101 mm).

G. Face adhésive.

H. Goupille mobile.

I. Deux couteaux superposés.

J. Colle sur colle.

K. Ruban.

L. 50 semis.

M. Extrémité du ruban prêt pour la prochaine botte.

N. Botte.

FIGURE 74. - Ballots de semis prêts pour l'expédition. Le nom de la pépinière, des instructions pour l'arrosage et le stockage sont imprimés sur le papier d'emballage.

Photo Service forestier de Georgie

FIGURE 75. - Ballots de plants de pins tombés d'un avion en chute libre. Le ballot a roulé sur le sol et s'est écrasé sur un rocher mais les arbres n'ont pas été endommagés.

Photo Département des terres et forêts de l'Ontario

Le «Department of Lands and Forests» de l'Ontario a démontré que des ballots de plants peuvent être livrés de manière satisfaisante en chute libre à partir d'un avion. Le ballot représenté figure 77 bondit et rebondit à environ 30 feet (10 m) du point de chute sans dommages appréciables pour les plants. Les directives pour la préparation de tels ballots sont les suivantes.

Équipement:

1. Un bac ou une auge pour tremper le sphagnum ou des matériaux similaires.

2. Une fourche pour remuer la mousse humide.

3. Une claie en bois ou en solide tissu renforcé pour enlever l'excès d'eau de la mousse.

4. Pour chaque emballeur, une table d'au moins 4 feet (1,20 m) de long et de 2 ½ feet (75 cm) de large, d'une hauteur convenable, avec des supports de côté de 10 ou 12 inches (25 à 30 cm).

5. Pour chaque emballeur, une machine à lier ou à cercler utilisant du feuillard de 3/8 inch (1 cm) ou du fil métallique n° 12 (malgré le prix, il est plus économique d'avoir une ou deux machines supplémentaires sous la main que de courir le risque d'une interruption dans l'emballage par suite de la panne de l'une d'elles).

Matériel nécessaire pour un ballot:

1. Deux lattes de bois 1 x 2 x 24 inches (2,5 x 5 x 60 cm). Pour de très grands plants, des lattes de 36 inches (90 cm).

2. Un emballage imperméable de 6 x 2 feet (180 x 60 cm) - pour de très grands plants 6 x 3 feet (180 x 90 cm) - en toile goudronnée de 7 ounces (200 g), doublée de papier kraft ou de fort papier gaufré imperméable renforcé de fibres de sisal. Les conditions essentielles sont: a) solidité suffisante pour supporter l'emballage et l'expédition; b) imperméabilité suffisante pour éviter le dessèchement des ballots et, en cas d'expédition par express, pour satisfaire aux exigences des transporteurs désirant éviter des dommages aux autres marchandises; certaines pépinières impriment sur le ballot leur nom et des instructions pour l'arrosage; on peut aussi imprimer sur le papier imperméable les instructions pour la plantation et en placer une copie dans le ballot, où le planteur la trouvera.

3. Approvisionnement en sphagnum.

4. Deux cercles métalliques de 318 inch (1 cm) de large sur approximativement 5 feet (1,5 m) de long, ou des fils métalliques équivalents, convenant aux machines à cercler ou à lier avec les fils métalliques en usage.

5. Deux joints pour sceller.

Instructions pour l'emballage:

1. Placer deux cercles en travers de la table, à environ 18 inches (45 cm) l'un de l'autre (la distance entre les deux cercles dépend de la dimension des plants et de la manière dont ils sont disposés dans le ballot; voir ci-après les paragraphes 5 et 10).

2. Placer une latte à angle droit avec les cercles.

3. Poser l'enveloppe choisie pour l'emballage sur les cercles et la latte, sa plus grande dimension en travers de la table.

4. Sur presque toute la largeur de cette enveloppe, étendre une couche de sphagnum essoré sur une longueur de 18 à 24 inches (45 à 60 cm) d'avant en arrière et sur une épaisseur suffisante (2 ½ à 3 inches - 6,5 à 7,5 cm) pour protéger les plants.

5. Sur la couche de mousse, installer les plants en vrac ou liés en bottes, l'extrémité la moins dense de leur système radiculaire chevauchant la partie centrale de l'emballage, et les collets à mi-distance entre le centre et le bord de celui-ci tandis que l'extrémité des aiguilles en déborde nettement, sans toutefois que l'extrémité des plants sorte de l'emballage au point de balloter ou d'être endommagée au cours de la manipulation du ballot. La couche de plants ne devrait pas avoir plus de 3 à 4 inches (7,5 à 10 cm) d'épaisseur. La position exacte des plants dépend principalement de leur dimension. De part et d'autre de l'axe de la couche de mousse, les collets devraient être à peu près tous à égale distance du bord de l'emballage.

6. Etendre 2 à 3 inches (5 à 7 cm) de mousse sur les racines et suffisamment sur les tiges pour recouvrir les collets et pour que l'épaisseur du ballot dépasse légèrement l'extrémité des cercles de chaque côté. La mousse doit dépasser les plants, en avant et en arrière, pour rejoindre la première couche de mousse.

7. Répéter les opérations 5 et 6 jusqu'à ce que le ballot ait la dimension désirée, en finissant par une couche supérieure de mousse de 2 ½ à 3 inches (6,5 à 7,5 cm) d'épaisseur (de nombreuses couches minces de plants et de mousse ne donnent guère plus de travail que des couches plus épaisses et moins nombreuses et font un ballot mieux réussi, spécialement pour une expédition de longue durée ou un stockage de plusieurs jours). Habituellement, les ballots doivent peser environ 60 pounds (27 kg) avant l'arrosage supplémentaire, le nombre de plants par ballot variant avec les dimensions des plants. Avec un peu de pratique, contrôlée par la pesée des ballots, on peut faire la plupart des ballots d'une uniformité remarquable.

8. S'assurer qu'il y a partout au moins une couche de mousse de 2 ½ à 3 inches (6,5 à 7.5 cm) entre l'enveloppe de l'emballage et les racines du plant le plus proche; rapprocher soigneusement les deux extrémités de l'emballage en une double épaisseur au-dessus de la partie supérieure du ballot.

9. Prendre la deuxième latte et enrouler autour les deux extrémités réunies de l'emballage, jusqu'à ce que celui-ci forme un ballot aussi serré qu'il est possible de le réaliser convenablement à la main.

10. Fermer les cercles autour de la balle; tendre chaque cercle fortement, mais sans brutalité, avec la machine à cercler (figure 78); sceller et couper. Les cercles doivent entourer le ballot, près des bords de l'emballage et un peu plus haut que les collets des plants (moins loin, mais encore nettement plus haut, dans le cas du «longleaf pine»), de telle manière que des manipulations brusques ne puissent pas desserrer ou déplacer les plants ou les cercles, ou même faire tomber les plants ou la mousse.

11. Les ballots finis sont posés sur le côté, mais peuvent être placés sur le fond, temporairement, pour l'arrosage et l'écoulement de l'eau avant ou pendant l'expédition ou le stockage.

FIGURE 76. - Cercles métalliques tendus autour d'un ballot de plants récemment emballés. Un autre cercle sera placé autour de l'autre extrémité de la botte.

Entretien du sol

Il n'existe pas deux pépinières dont les sols soient identiques au départ ou soient sollicités de la même manière. Aussi est-il impossible de prescrire une méthode d'entretien du sol valable dans tous les cas. Cependant, il existe des principes généraux qui s'appliquent à toutes les pépinières; les recommandations suivantes, extraites de l'Agriculture Monograph N° 18 du Département de l'agriculture des Etats-Unis, peuvent être adaptées à des régions diverses, après avoir été expérimentées localement.

1. Il faut lutter contre l'érosion. Il faut éviter, dans toute la mesure du possible, de tasser mécaniquement le sol, de travailler les sols lourds lorsqu'ils sont humides, de mélanger les horizons compacts de profondeur aux horizons superficiels, d'arroser avec excès, et en général d'avoir recours à toute pratique pouvant entraîner une dégradation physique du sol.

2. Il faut amener la quantité de matière organique du sol au taux de 1,5 à 2% et la maintenir à ce niveau par l'emploi d'engrais verts, de composts ou d'amendements organiques. Sur des sols très pauvres en matière organique, il peut être nécessaire d'incorporer tous les ans, ou tous les deux ans, 10, 20 ou même 40 tonnes de compost ou autres matières organiques à l'acre (25, 50 ou 100 t/ha).

3. Parmi les engrais et autres substances que l'on apporte au sol, il convient de choisir, de préférence, ceux qui permettent d'obtenir et de maintenir un pH légèrement supérieur à 5 et inférieur à 6.

4. Les sols de pépinières doivent recevoir des éléments nutritifs en quantité au moins égale et parfois très supérieure à celle que requièrent annuellement les cultures agricoles de la région, à condition toutefois qu'il n'en résulte pas des plants herbacés ou trop grands, qui reprennent mal. Le phosphore et l'azote sont en général des éléments spécialement nécessaires.

5. Pour les pins, tout apport avant le semis d'éléments nutritifs, sous une forme non organique, doit être fait avec précaution, par petites quantités. Il peut même être préférable de les apporter en plusieurs fois au cours de la saison de végétation ou de les appliquer en plus ou moins grande abondance aux cultures d'engrais vert. Ces apports peuvent aussi constituer un complément de ceux effectués avant le semis.

6. Il faut éviter d'appliquer de la chaux, à moins que cet élément ne se révèle absolument nécessaire. Dans ce cas, il vaut mieux l'épandre avant l'engrais vert qu'avant les pins. Les produits azotés non organiques, facilement solubles, tels que le nitrate de soude, ou les matières organiques azotées qui se décomposent rapidement, telles que la farine de graines de coton ou le sang séché, doivent être appliqués modérément lors d'un semis de pins ou peu avant celui-ci. Il en est de même peu de temps avant l'arrachage.

7. Plutôt que de laisser nu pendant plusieurs mois le sol de la pépinière, il est préférable de l'emblaver en plantes améliorantes et protectrices qui limitent l'érosion, empêchent les mauvaises herbes de se développer et évitent une détérioration de la structure du sol et le lessivage de ses éléments nutritifs. Même un couvert de mauvaises herbes peut limiter l'érosion et le lessivage, et devenir favorable si on effectue un disquage avant la formation des graines ou des rhizomes.

8. Il convient de choisir des engrais verts ou des cultures de couverture améliorantes qui ne soient pas attaquées par les nématodes. Il faut surveiller de près toute invasion de vers gris qui pourrait affecter ces cultures, au cours de l'hiver et du printemps, et jusqu'aux environs du mois de juillet.

9. Il convient d'enfouir ces diverses cultures assez longtemps avant de semer les pins, afin que la décomposition ait eu le temps de se produire. Le délai minimum est d'environ un mois. Il faut beaucoup plus de temps si les cultures sont très denses.

10. Il ne faut pas incorporer au sol avant un semis de pins de grosses quantités de matières organiques, telles que la paille, la sciure ou des engrais verts autres que des légumineuses, sans y adjoindre en quantité suffisante les éléments nutritifs, en particulier l'azote, nécessaires aux micro-organismes qui décomposent la cellulose.

11. Si on mélange des engrais au compost, il ne faut pas que le poids de sels nutritifs dépasse 4% de celui du compost séché à l'air.

12. Les matières et les procédés suivants méritent d'être essayés: utiliser pour faire les composts et amendements organiques des matières premières peu employées jusqu'à présent (spécialement la sciure); appliquer, en particulier sur les engrais verts ou avant de semer des pins, des produits apportant des éléments nutritifs qui se solubilisent lentement; apporter périodiquement des produits nutritifs non organiques pendant la saison de végétation, mais en prenant soin de laver rapidement le feuillage aussitôt après leur application sous forme liquide; procéder, en arrière-saison, à des applications modérées de potassium (qui semble favoriser la reprise des plants); augmenter le taux de matière organique du sol, en cultivant comme engrais verts des légumineuses auxquelles on apporte de la sciure de bois et de l'azote; laisser les engrais verts de fin d'été sur le sol, au lieu de les enfouir à l'automne: ils joueront pendant l'hiver le rôle d'un paillage.

13. Si les semis se développent mal et si leurs racines sont dépourvues de mycorrhizes, il faut essayer d'y remédier en inoculant les planches avec du sol riche en mycorrhizes ou avec des cultures de mycorrhizes.

14. L'efficacité de l'entretien du sol de toute pépinière se juge moins d'après son prix de revient ou son effet visible sur le sol que d'après le comportement à la plantation des plants produits. La dimension et l'apparence des plants ne sont pas des éléments d'appréciation sûrs de leur qualité. Après toute modification importante dans les apports d'engrais, il convient de vérifier le taux de reprise des plants qui ont subi le nouveau traitement.

Production des feuillus

En général, les techniques et les matériels décrits dans cette étude conviennent aussi bien pour la production des feuillus que pour celle des conifères. Les planches, par exemple, sont généralement faites de la même façon, avec les mêmes dimensions pour les deux types de production. Les semoirs pour conifères conviennent pour certaines graines de feuillus et peuvent, après modification, servir pour les autres. Les outils de repiquage qui ont été indiqués serviront aussi bien pour mettre en place des boutures de feuillus que des plants racines de feuillus ou de conifères. De même, le matériel d'arrachage et d'emballage est semblable dans les deux cas.

Une différence importante - à moins que l'expérience locale ne prouve le contraire - est la plus grande sensibilité des feuillus au pétrole et aux produits chimiques utilisés pour lutter contre les mauvaises herbes; les feuillus peuvent subir de gros dégâts. Leur désherbage peut se faire rapidement sur des planches semées en bandes ou en lignes avec le cultivateur mécanique de la figure 59.

La reproduction des graphiques qui illustrent la présente étude ne présentant sans doute pas toute la précision voulue, les lecteurs désireux de se procurer des figures plus détaillées sont priés de s'adresser directement à l'auteur.

Un tiré à part de l'étude de M. Rotty paraîtra prochainement dans la série des «Notes sur l'équipement forestier» de la FAO.


Page précédente Début de page Page suivante