ROLAND ROTTY
Servicio Forestal, Secretaria de Agricultura de los Estados Unidos
Con objeto de que este Manual resulte útil para viveros de muy diversas condiciones se incluyen en él datos relativos a métodos y maquinaria aplicables a diferentes grados de mecanización. Por ejemplo, cuando es posible, se describe el equipo apropiado para los mayores viveros, para los de extensión media y para los que carecen de maquinaria automotriz. Se presentan a menudo métodos optativos para lograr el misma fin en condiciones diversas. Es de esperar que este modo de exposición permita a los lectoras de este Manual elegir los procedimientos que mejor se ajusten a su caso particular y decidir qué operaciones ha de mecanizar y cuáles ha de seguir efectuando por métodos manuales acreditados por la experiencia. El autor agradece la colaboración prestada por muchos administradoras de viveros y por sus colegas de Estados Unidos y el Canadá. aran parte del material utilizado se ha tomado de artículos preparados por estos colegas y publicados en varios números de Tree Planters
Notes, revista del Servicio Forestal de la Secretaria de Agricultura de los Estados Unidos. También se ha recurrido con frecuencia a las obras Planting the Southern Pines de Philip Cl. Wakeley, Agriculture Monograph N° 18 (1954), y Forest Nursery Practice in the Lake States de J. H. Stoeckler y G. W. Jones, Agricultural Handbook N° 110 (1957), publicadas ambas por el Servicio Forestal de la Secretaría de Agricultura de los Estados Unidos. He aquí la continuación del texto que se publicó en el Volumen 14, N° 1.
Repicado
El repicado de los diseminados de coníferas para incrementar su tamaño, los sistemas radicales y el vigor en genera], era en otro tiempo práctica muy extendida, pero hoy día no lo es tanto. Los progresos alcanzados en las técnicas de viveros, especialmente en cuanto a la reducción de la densidad y ordenación de suelos, han conducido a la producción de plantitas que sobreviven satisfactoriamente en zonas en las que anteriormente se consideraba necesario el repicado. Grandes viveros del centro y el este de los Estados Unidos que diez años atrás producían millones de plantas repica. das, actualmente sólo las producen para zonas especialmente exigentes. Como las plantitas repicadas cuestan por lo general mucho más que las plantitas de semi.-llero, esto constituye un gran avance.
Casi todo el trasplante se efectúa actualmente con máquinas especiales ideadas en un principio para plantar apio y otras hortalizas. Las máquinas consisten corrientemente en dos trasplantadoras montadas en una unidad autopropulsada (Figura 40). El operario coloca las plantitas en cada trasplantadora que luego las planta en una trinchera abierta y cerrada por la máquina. Con un entrenamiento apropiado, una persona, con esta máquina, puede plantar de 40 a 50 plantitas por minuto.
Estas máquinas autopropulsadas se guían también por si solas. Lo corriente es hacer un surco orientador de 2 a 3 pulgadas de hondo a lo largo del terreno, utilizando una cuchilla en forma de V. Este surco debe conformarse cuidadosamente y situarse exactamente, pues en él se basan los trabajos que se hacen después. En algunos viveros se utilizan dos tubos de hierro puestos uno junto a otro en lugar del surco (Figura 41). Estos tubos sirven de vía para una rueda delantera con pestaña.
FIGURA 40. - Transplantadora de hilera dable.
Foto: Servicio Forestal de la Secretaría de Agricultura de los Estados Unidos.
Foto: Servicio Forestal de la Secretarla de Agricultura de los Estados Unidos.
Figura. - 42. B. Transplantadora levantada para su transporte por carretera.
Foto: Kimberly-Clark of Michigan, Incorporated.
FIGURA 43. - Detalles de la construcción de una tras plantadora de hilera séxtuple.
Foto: Kimberly-Clark of Michigan, Incorporated.
I Proyección vertical
II Detalle del soporte
III Vista lateral
A. Pivote perforador que sirve de clavija de seguridad en cada rueda
B. Barra de enganche rápido
C. Tornillo de cabeza (1/2 x 1 1/2 pulgada)
D. Soporte acanalado (1 1/4 x 3 pulgadas)
E. Línea central de la, unidades plantadoras
F. Taladros transversales que corresponden con los aqujeros de los soportes
G. Barra de tracción de acero (1 x 48 pulgadas)
H. Collares de 1 pulgada y barra de sujeción con tornillos fijadores colocados; emplear collares de igual tamaño para sujetar las plantadoras
I. Barra de hierro acanalado (1 1/4 x 4 pulgadas)
J. Filete de acero (3 x 3 pulgadas)
K. Cuatro orificios separados entre si I pulgada para tornillos de cabeza de 1/2 X I 1/2 pulgadas
L. Barra acanalada de 3 pulgadas en la que encaja el tubo
M. Tubo de acero de 1 1/2 pulgada, de orificio; barra de tracción de acero de 1 pulgada
N. Rueda giratoria
Para impedir la desviación del curso señalado, la máquina debe permanecer equilibrada, particularmente por lo que se refiere al esfuerzo de tracción impuesto a la unidad motora por las dos unidades de plantación. Por esto, los operarios encargados de introducir las plantitas en los receptáculos de los discos giratorios, deberán ser de un peso aproximadamente igual.
Los receptáculos de plantación del disco giratorio que planta los árboles están separados del disco 2 /1/4 ó 2 1/2 pulgadas. La velocidad de giro de este disco varía con la relación de multiplicación empleada en el disco y las ruedas compactadoras que proporcionan la fuerza para su giro. Por ello, el espaciamiento de las plantas se puede aumentar o disminuir ajustando la velocidad de giro del disco. El espaciamiento que se acostumbra emplear en los viveros del Servicio Forestal de la Secretaría de Agricultura de los Estados Unidos es 2 pulgadas y una fracción de pulgada, o sea, aproximadamente, 5,4 plantitas por pie lineal.
Es esencial que el surcador penetre lo bastante en el terreno para que las raíces de las plantitas puedan quedar derechas cuando alcancen una posición vertical. Si las plantitas se colocan inclinadas, o las raíces se plantan horizontalmente, se producen deformaciones difíciles de corregir cuando los árboles se plantan de asiento.
Cuando en una misma zona funciona más de una máquina, se nombra generalmente un capataz encargado de vigilar y dirigir el trabajo. Su tarea es ayudar a dar vuelta a las máquinas en las cabeceras de las eras, preparar nuevos semilleros y suministrar plantitas a las máquinas. Para evitar toda interrupción en la labor de plantación, se mantienen pequeños depósitos de plantitas a cada extremo de las eras.
La producción obtenido mediante la plantación a máquina varía según el tamaño y las clases de edad de los brinzales plantados y según el tiempo que se pierda en el giro y la carga de la máquina. En el vivero que tiene en Michigán el Servicio Forestal de la Secretaría de Agricultura de los Estados Unidos, donde la longitud de las eras varía entre 450 y 500 pies, se obtuvo una producción de 30.000 plantitas por día de ocho horas con una máquina servida por dos hombres.
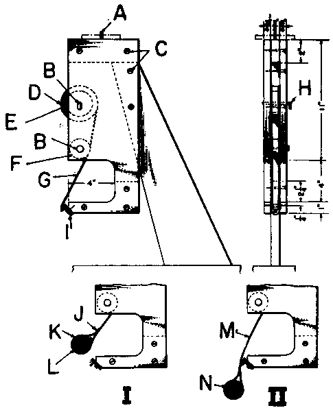
En algunos viveros se utilizan máquinas autopropulsadas, en otros se monta una batería de 6 a 8 unidades de plantación en un bastidor arrastrado por un tractor, como se ve en la Figura 42. Este tractor deberá tener mecanismos de transmisión especiales de forma que pueda avanzar a la pequeña velocidad de sólo 8 a 10 pies por minuto (Figura 43).
FIGURA 44. - Detalles la construcción de una tabla de transplantar de tipo Bessey.
Foto: Servicio Forestal de la Secretaría de Agricultura de los Estados Unidos.
I Alzado frontal
II Sección A-A
III Sección B-B
1. Bisagra cejadera
2. Bisagra no cejadera
3. Tira metálica (1/8 X 6 pico y 2 pulgadas) con muescas repasadas con lima fina
4. Banda de goma (1/8 x .3 pulgadas X 6 pies y 2 pulgadas)
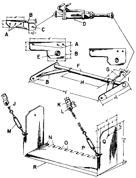
Cuando no existían las máquinas de trasplantar, todo el trasplante se hacia a mano o con un « tablero trasplantador ». Con éste se trabaja muy bien y el método es muy recomendable en aquellos lugares donde las máquinas son inasequibles o no está justificado su empleo por los pocos repicados que hay que hacer. Se han ideado diversos tipos de tableros trasplantadores, basándose en las exigencias locales y en las preferencias particulares. Los tipos representados en las Figuras 44 y 45 son de madera y sirven muy bien para el fin a que se destinan. De ser posible, este aparato se hará de perfiles angulares o en U de aluminio o de cualquier otro metal ligero, porque la madera se encorva a veces y no consigue mantener las plantitas firmes. Para un equipo de obreros que trabaje con la máxima eficacia, se necesitan tres de estos tableros para cada plantador, uno que espera ser cargado, otro que se carga y un tercero que planta.
No existe «normalización » alguna en cuanto a la longitud de los tableros trasplantadores ni al espaciamiento entre plantitas; estos factores varían de acuerdo con las necesidades de cada vivero. En algunos lugares se han utilizado con éxito tableros de hasta 81/2 pies en los que tienen acomodo 75 plantitas. En la operación representada en la Figura 45, la zanja para las plantitas se hacía con la zanjadora de mano que se ve a la izquierda del tablero. Un modo más sencillo de operar consiste en abrir la zanja con una zanjadora arrastrada por un tractor o por un caballo. En la Figura 46 se presentan detalles de la construcción de este instrumento. A falta del mismo puede servir un arado.
FIGURA 45. - Trasplantando con una tabla de mano.
Foto: Servicio Forestal de la Secretaría de Agricultura de los Estados Unidos.
FIGURA 46. - Dispositivo abrezanjas para el trasplante arrastrado por tractor.
Foto: Servicio Forestal de la Secretaría de Agricultura de los Estados Unidos.
I Vista superior de la barra de enganche
II Dispositivo de enganche de tractor Ford
III Vista lateral
IV Vista por un extremo
A. Orificio (5/8 de pulgada)
B. Perno (1/2 pulgada)
C. Perno en U (1/2 pulgada)
D. Placa de acero (3/8 de pulgada)
E. Placa de acero (5/8 de pulgada)
F. Placa de acero (1/4 de pulgada)
G. Soldadura
FIGURA 47. - Zanjadora de mano y detalles de su construcción.
Foto: Servicio Forestal de la Secretaría de Agricultura de los Estados Unirlos.
A. Tubo de hierro en T maleable de tipo normal
B. Bastidor y mango de tubo de acero de 3/4 de pulgada
C. Cruceta de hierro maleable de tipo normal
D. Remaches hundidos (1/2 pulgada)
E. Placa de acero al crisol (1/2 de pulgada
F. Piezas de madera introducidas entre las placas
FIGURA 48. - Cobertizo entoldado para trasplante.
Foto: Servicio Forestal de la Secretaría de Agricultura de los Estados Unidos.
Si son relativamente pocas las zanjas que se necesitan o no se dispone de equipo de tracción, podrá utilizarse satisfactoriamente una zanjadora de mano. Tratándose de suelos pesados puede que sea preciso que un hombre remueva el suelo con una azada inmediatamente antes de abrir las zanjas, aun cuando se haya arado previamente (Figura 47).
Como hay que evitar el que las plantitas se sequen, su colocación en los tableros de trasplante se debe hacer en un cobertizo entoldado o carpa (Figura 48). El tipo más corriente en la mayoría de los viveros consiste en un armazón de material ligero (Figura 49) cubierto con lona o con gasa como la que se usa en los mosquiteros y recubierto con una pintura espesa. Su parte delantera se deja sin cubrir, o bien los faldones del toldo se dejan sueltos para que los tableros se puedan meter y sacar con facilidad. Si se dispone de poco espacio para almacén, se desarman los armazones y desmontan las lonas, que se guardarán extendidas.
FIGURA 49. - Plano de un cobertizo para trasplante.
Foto: Servicio Forestal de la Secretaria de Agricultura de los Estarlos Unidos.
I Plano general
II Sección A-A
III Plano del anaquel
A. Sección (véase II )
B. Anaquel
C. Anaquel angular
D. Puntal
E. Abrazadera
F. Tirante
G. Tirantes del anaquel
Estos cobertizos constan de dos anaqueles, uno para el tablero de trasplante que se carga y el otro, unas 15 pulgadas encima, para el tablero vacío que trae el plantador. El anaquel inferior debe colocarse a una altura conveniente para que el obrero encargado de colocar las plantitas en los tableros pueda efectuar su labor a un ritmo constante. Es importante que el cobertizo sea lo bastante grande para dar cabida a los tableros de trasplante. Una estufa de petróleo portátil o un brasero de carbón vegetal contribuirían mucho a la eficacia de los obreros en los días fríos.
Si para cada bastidor se dispone de un obrero solamente, éste ahorrará mucho tiempo y muchos paseos comenzando por un extremo de un tablero, completando su carga y cerrando el dispositivo de protección. Luego marcha en dirección opuesta a medida que carga el tablero que el plantador le ha devuelto. Como el obrero encargado de cargar los trasplantadores ve cada una de las plantitas a medida que las coloca, deberá ser capaz de reconocer las de calidad inferior, que desechará. Si se trabaja muy de prisa se necesitan dos obreros cargadores por cada cobertizo.
En áreas pequeñas donde no se pueden hacer hileras largas y continuas, se puede organizar un sistema eficaz para plantar tres eras a la vez. En la Figura 50 se ve que las filas de plantitas se plantan perpendicularmente a las sendas, en lugar de paralelamente a ellas, pero pueden adoptarse igualmente otras disposiciones. Este sistema requiere un desplazamiento mínimo del plantador, porque el cobertizo está cercano al frente de plantación.
En la descripción siguiente se supone el empleo de un tablero trasplantados del tipo Bessey (sin cuña de fijación al terreno) para colocar las plantitas:
1. El plantador coge del cobertizo un tablero trasplantador cargado y va a la zanja abierta.2. Llegado a la zanja, descansa el peso del cuerpo sobre los talones, lo bastante alejado de aquélla para no hundirse en sus paredes y con un ligero movimiento oscilatorio del tablero baja éste de modo que las raíces de las plantitas caigan en la zanja en su posición natural.
3. Después inclina el tablero muy ligeramente por el extremo opuesto a él, apoyándolo en el lado contrario de la zanja y, dejando caer el peso del cuerpo sobre las puntas de los pies, excava otras dos pequeñas secciones de la trinchera para apoyar mejor el tablero. Si esta operación se hace correctamente, el tablero estará ya en posición adecuada sin necesidad de más sostén.
4. Luego deja el tablero, se pone en pie y con el tacón comprime el suelo de alrededor de las raíces de las plantitas a medida que avanza de un extremo del tablero al otro. (La apertura de la zanja siguiente sirve para comprimir aún más el suelo que rodea las raíces de las plantitas.)
FIGURA 51. -- Rodilla para acanalar el papel antes de darle forma de maceta.
Foto: Servicio de Investigaciones Agronómicas de la Secretaría de Agricultura de los Estados Unidos.
FIGURA 52. - Papel antes y después de formar las muescas.
Foto: Servicio de Investigaciones Agronómicas de la Secretaría de Agricultura de los Estados Unidos.
Terminado el apisonado, abre el tablero y le vuelve al anaquel superior de la jaula protectora, saca el tablero o cargado que estará dispuesto ya en el anaquel de debajo y repite la operación. Si la preparación del suelo y la colocación y apisonado de las plantitas son adecuados, el trabajo de quitar el exceso de tierra de las coronas de las plantas y de echar esta tierra en los puntos deprimidos se reducirá al mínimo.
Para plantar en lugares donde las condiciones de suelo y clima son especialmente severas, lo mejor es criar las plantas en maceta. Las macetas construidas en el vivero con fieltro para tejados de papel alquitranado de 15 libras, al tamaño necesario para las condiciones locales, son satisfactorias. Apenas si se necesita más que una cizalla para papel, dos rodillos y una máquina de fijar grapas, para formar macetas completas antes del llenado Un rodillo exprimidor de una máquina de lavar vieja (Figura 51), adecuadamente modificado, puede servir muy bien para acanalar el papel.
Antes de esta operación, el papel se corta en trozos. El rollo de papel se puede cortar al tamaño que se quiera con una sierra mecánica y luego se puede dividir en trozos que se corten de la tira con una cizalla normal para papel. Estos trozos se pasan después por el rodillo para formar en ellos las muescas (Figura 52).
Estas muescas permiten dar fácilmente a este papel forma de tubo paralelepipédico que puede cerrarse mediante una engrapadora de mano. Si este tubo debe llevar fondo se puede hacer éste formando solapas en los extremos de un lado del tubo y uniéndolos entre sí.
Aunque la máquina ranuradora representada en la Figura 51 se hizo modificando los rodillos de un escurridor de una lavadora mecánica, podría haberse hecho otro tanto con un rodillo de mano construido en una carpintería o en un taller locales. La energía es conveniente, pero no indispensable.
También se puede dar forma de maceta a dicho papel doblándole simplemente alrededor de un bloque de madera del tamaño que se desee o, más sencillamente, comprimiéndole en un molde con este bloque. En la Figura 53 se ve un dispositivo que para hacer esto aprovecha la fuerza del pie.
FIGURA .53. - Dispositivo a pedal para formar macetas.
Foto: Servicio de Investigaciones. Agronómicas de la Secretaría de Agricultura de los Estados Unidos
Foto: Servicio de Conservación de Suelos de la Secretaría de Agricultura de los Estados Unidos.
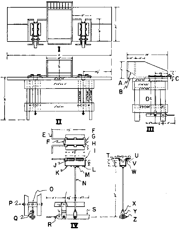
FIGURA 55. - Detalles de construcción del banco para formar macetas.
Foto: Servicio de Conservación de Suelos de la Secretaría de Agricultura de los Estados Unidos.
I Vista superior
II Vista frontal
III Vista por un extremo
IV Detalle del formador de macetas
A. Pasadores o clavos inclinados para sujetar el papel
B. Fondo dejado abierto
C. Tablero inclinado de 4 pulgadas para retener el material lleno
D. Regulable
E. Mangos de varilla de 1/2 pulgada
F. Chaflán doblado y asegurado al banco
G. Extremos cortados de la caja de 3/4 a 1 pulgada, salientes
H. Muesca (1/2 x 3/4 de pulgada) de I pulgada de profundidad, para el tallo de la planta
I. Tubo (3/4 a 1 pulgada) partido y ensanchado para recibir una varilla redonda de 3/8 de pulgada y unido a la caja mediante bisagras
J. Chaflanes doblados hacia afuera que dejan espacios para las aletas
K. Varillas (1/4 de pulgada) unidas al fondo de la caja para formar travesaños de retén
L. Plancha de fondo
M. Tuerca (1/2 pulgada) unida al centro de la plancha de fondo
N. Varilla redonda de 1/2 pulgada enroscada
O. Muesca ahusada de 2 x pulgadas para permitir un movimiento libre
P. Perno de 1/2 x 8 pulgadas
Q. Banda (1/4 x 2 pulgadas), unida para formar horquilla
R. Banda curvada para formar el pedal
S. Longitud variable para contrapeso
T. Banda para pernos (1/4 x 2 pulgadas)
U. Perno soldado al centro de la varilla
V. Chaflanes doblados hacia afuera para unión del tubo
W. Chaflanes entre secciones del tubo cortados y doblados hacia afuera para dejar espacio a los pasadores
X. Tuerca fiadora de ajuste
Y. Horquilla o tensor (1/2 x 2 pulgadas)
Z. Pernos (1/2 pulgada)
El dispositivo de la Figura 54 permite formar la maceta, llenarla de tierra y plantar en ella la plantita en una serie consecutiva de operaciones. Los detalles de la construcción se dan en la Figura 55. Una lámina de papel previamente cortada se comprime en la caja de moldear macetas para formar una cubeta. Esta se llena luego hasta la mitad con tierra y se esparcen de forma natural en ella las raíces de una plantita.
Se echa luego sobre las raíces el resto de la tierra y la maceta se termina volviendo los mangos para superponer los bordes salientes del papel. Estos bordes se sujetan uno con otro mediante una engrapadora de mano. Toda la operación se realiza en pocos segundos. La planta colocada en la maceta se saca del molde hacia arriba oprimiendo el pedal.
Deshierbe
En los viveros que por su magnitud justifiquen la adquisición de una pulverizadora mecánica, es normal hoy día efectuar el deshierbe en los semilleros de coníferas con herbicidas selectivos que matan las malas hierbas pero no dañan a las plantitas. Anteriormente a 1942, las pulverizaciones con herbicidas selectivos eran desconocidas de los viveristas. Se usaban los tratamientos del suelo para matar las malas hierbas antes de la siembra de los semilleros pero estos tratamientos no eran muy satisfactorios. Las posibilidades de los rociados herbicidas fueron demostradas por algunos horticultores y en los viveros de guayule en 1943-46. Ya en 1949 esta técnica se había difundido mucho.
El producto que más generalmente se utiliza pala este fin en la actualidad son los aceites minerales. En los Estados Unidos se venden bajo diversos nombres comerciales por distintas compañías petrolíferas. Derivados de los petróleos nafténicos. estos aceites minerales tienen un punto de ebullición inicial de 300 a 320°F., un peso específico API¹ de 48 a 50 y un contenido de hidrocarburos aromáticos de 10 a 20 por ciento. Parece ser que el poder herbicida es aproximadamente proporcional al contenido de hidrocarburos aromáticos del producto.
(¹American Petroleum Institute.)
FIGURA 56. -- Pulverizadora tipo remolque.
Foto: Servicio Forestal de la Secretaría de Agricultura de los Estados Unirlos.
El pino, la picea, el abeto y el enebro toleran los aceites del petróleo, pero otras coníferas, especialmente el alerce, no. Algunas especies arbóreas son moderadamente sensibles y pueden resultar dañadas si se aplican más de 40 galones por acre en un tratamiento. Otras especies, como Pinus resinosa y P. banksiana, parece que toleran hasta por lo menos de 80 a 100 galones por acre con poco o ningún daño. Es necesario efectuar experimentos locales para determinar la eficacia de las pulverizaciones en un vivero determinado. No se recomienda su uso con especies frondosas, a menos que se haya demostrado experimentalmente de un modo claro que las pulverizaciones no ocasionan daño en ellas.
Son muchas las investigaciones que sobre este método de deshierbe se efectúan y las técnicas mejoran gradualmente. La técnica y el equipo utilizados en la actualidad son los siguientes:
1. Dotar al pulverizador de tubos múltiples de baja presión que permitan una capacidad normal de pulverización herbicida y una capacidad máxima de pulverización insecticida o fungicida, y añadir picos de chorro en T que lancen un rociado en forma de abanico. Los picos deberán llevar tamices de 100 mallas y estarán separados 20 pulgadas en un botalón situado 17 a 19 pulgadas sobre el semillero.2. Mantener la presión de trabajo por bajo de 60 libras por pulgada cuadrada para evitar la formación de niebla. Esta es arrastrada por el viento, lo cual origina una aplicación irregular y a veces graves daños a los pinos.
3. Regular la velocidad para evitar la aplicación de dosis excesivas. Comenzar la pulverización 10 a 14 días después de quitar las coberturas de los semilleros o después de que las plantitas que emergen a través de la cobertera muerta hayan adquirido un buen color verde. Aplicar 10 a 12 galones por acre 2 a 4 voces a la semana. Después, bastará con aplicar 25 galones por acre cada semana más o menos. A raíz de aplicarse 40 a SO galones por acre a plantitas muy jóvenes se ha producido una gran mortalidad.
4. Regar los semilleros varias horas antes de la pulverización, excepto cuando ésta se haga inmediatamente después de llover. Regar con más intensidad las plantitas más viejas y mayores. No pulverizar mientras el follaje de las plantitas esté todavía húmedo si éstas tienen agujas secundarias, pues se dañan. No regar los semilleros inmediatamente después del tratamiento porque un riego o una lluvia excesivos inmediatamente después de la pulverización reducen el efecto de ésta sobre las malas hierbas.
5. En las primeras pulverizaciones durante el período vegetativo, evitar temperaturas demasiado altas y temperaturas más bajas de 60 a 75°F.: las pulverizaciones a temperaturas excesivamente elevadas aumentan el daño que se ocasiona a los pinos, y las aplicadas a temperaturas bajas disminuyen la mortalidad en las malas hierbas. El tratamiento a altas temperaturas no daña, por lo general, a las plantitas y aumenta la rapidez y la generalidad de la exterminación de las malas hierbas.
FIGURA 57. - Pulverizadora acoplada a tractor.
Foto: Departamento de Conservación del estado de Iowa.
Existen en el comercio pulverizadores adecuadas que pueden adquirirse en cualquier negocio de maquinaria agrícola. Para uso en viveros, estas máquinas llevan generalmente un botalón, lo bastante ancho para cubrir tres eras a la vez, provisto de goznes que permiten plegarle para facilitar el desplazamiento (Figura 56). Conviene también que el botalón tenga un pico angular con válvula de cierre a cada extremo para poder rociar hileras de seto u otros obstáculos, y con válvulas de cierre dentro del propio botalón, a fin de poder cerrar parte de él si se desea. Un tamiz o filtro situado en la tubería comprendida entre el tanque y la bomba retiene las partículas sólidas y evita la obturación de las boquillas.
Foto: Tennessee Valley Authority.
FIGURA 59. - Detalles de la construcción de un cultivador para eras de vivero.
Foto: Tennessee Valley Authority.
I Plano general
II Vista lateral
III Detalle « E »
IV Vista por un extremo
A. Barra
B. Barra de deslizamiento
C. Bastidor de la barra
D. Perno
E. Véase II
F. Cultivadores dirigidos conjuntamente por el mecanismo de dirección. Véase II
G. Tubo normal (2 pulgadas)
H. Rueda
I. Muesca (2 pulgadas) para ajuste
J. Apoyo para los pies
K. 4 ruedas del dispositivo de pulverización
L. 3 púas del escardador de 5 púas
M. Collar
N. Tubo soporte (3/4 de pulgada) para los separadores
En los viveros de magnitud tal que requieren el empleo de tanques de gran capacidad, se colocan éstos generalmente en un remolque arrastrado por un tractor. Estos tanques montados en remolques pueden ser accionados por un motor independiente que mueve la bomba o pueden ser accionados por una bomba montada en el tractor. El hombre que dirige el remolque manipula las válvulas de regulación, cuida que no se obturen las boquillas y eleva el botalón o partes de éste para facilitar el giro o pasar sobre terrazas. Sin embargo, se pueden diseñar modelos que permiten evitar el empleo de este operario.
En algunos viveros resulta práctico colocar un depósito (por ejemplo, un bidón de aceite) directamente en la parte trasera de un tractor y accionar la bomba pulverizadora con la toma de fuerza de la correa del ventilador del motor (Figura 57). Este dispositivo puede montarlo un mecánico con piezas que se encuentran en el comercio y no resulta caro en modo alguno.
No se recomienda el empleo de un pulverizador de mochila o de mano, ya sea autopropulsado o de accionamiento manual, para tratar pequeñas extensiones con herbicida. Con una boquilla graduada a mano es muy difícil obtener una distribución uniforme de la cantidad de material necesaria. Como consecuencia de ello, las plantitas de parte del semillero pueden morir o achaparrarse, mientras que las malas hierbas de otras partes del semillero reciben una dosis menor que la eficaz y quedan inalteradas. Los viveros con sólo unas cuantas eras o con eras experimentales es mejor que recurran al deshierbe a mano.
En los últimos años se ha comenzado a usar en los viveros una amplia variedad de fumigantes del suelo. En grado más o menos intenso eliminan todas las malas hierbas, enfermedades, nematodos e insectos. Algunos viveros han referido casos de éxitos espectaculares en cuanto a germinación, vigor de las plantitas, etc., después del uso de dichos fumigantes. Cuando son totalmente satisfactorios eliminan todas las malas hierbas para todo el año y reducen mucho su reproducción en años sucesivos. Su empleo es especialmente valioso para desarraigar las malas hierbas que se propagan por rizomas, estolones o bulbos y que por ello resisten el arrancamiento a mano y con azada y la pulverización. Por desgracia, los fumigantes más eficaces son muy caros y peligrosos de manejar sin una preparación adecuada y pueden exigir un equipo especial costoso. Ninguno de ellos es todavía de uso común, por lo que no se pueden hacer recomendaciones de carácter general. Pueden obtenerse datos relativos a estos productos consultando a los vendedores de productos agroquímicos.
La extirpación de malas hierbas por métodos manuales en las zonas de almacenamiento, en las cunetas de los caminos y en otros lugares donde el crecimiento de plantas resulta de mal efecto o es indeseable, puede ser costosa en los viveros grandes. Recientemente se han creado productos químicos especiales para la esterilización del suelo que impiden todo desarrollo vegetal durante períodos de un año o más, dependiendo la duración del tratamiento de la dosis de aplicación. Se pueden obtener datos de estos productos consultando a los vendedores de productos agroquímicos.
Pueden construirse cultivadores que operan detrás de un tractor para escarificar el terreno y extirpar las malas hierbas entre filas de plantitas, por ejemplo, en los semilleros sembrados en filas. Estos cultivadores, diseñados en un principio en un vivero del estado de Illinois y perfeccionados posteriormente en los viveros de la Tennessee Valley Autority, se reproducen en las Figuras 58 y 59. El operario que maneja el cultivador puede mover éste a derecha e izquierda empujando 1& palanca de guía y dirigiendo así la máquina entre hileras de arbolitos torcidas.
Plagas y enfermedades
Parece que existe una variedad casi infinita de insectos y enfermedades que atacan a las plantitas en todas sus fases de desarrollo y en todas las partes de las raíces y del tallo. La gravedad de estas plagas y enfermedades difiere para cada especie arbórea e incluso entre las localidades para una misma especie. Por ello, las curas o las medidas preventivas sencillas y eficaces en un 100 por ciento en algunos puntos o durante algunos años fallan totalmente en otros lugares y en otras épocas. El mantenimiento de correspondencia directa con entomólogos, patólogos y otros especialistas apropiados de las estaciones de investigación de la localidad afectada, o de localidades en que las condiciones son semejantes, constituye el mejor medio de obtener datos específicos sobre un problema particular determinado.
Las plagas y enfermedades se combaten frecuentemente por aplicación de ciertas pulverizaciones. Los aparatos pulverizadores utilizados para combatir las malas hierbas son igualmente útiles para esta otra labor.
Para combatir ciertas enfermedades se ha puesto en práctica recientemente una técnica que consiste en aplicar a las semillas, antes de sembrarlas, revestimientos protectores de productos químicos apropiados. Esto se denomina pelleting (recubrimiento) de la semilla y es un procedimiento muy eficaz. Consiste en revestir primero la semilla con una sustancia pegajosa y recubrirla luego con uno o varios productos químicos activos. Una vez seca, la semilla se siembra del modo normal. Al calcular ahora la densidad de siembra habrá que tener en cuenta el aumento de tamaño y poso de la semilla recubierta.
La sustancia pegajosa se aplica echando una cantidad apropiada sobre la semilla que se voltea luego en un tambor giratorio de cualquier tipo. En el mercado se encuentran compuestos pegajosos hechos a base de metilcelulosa o látex. Cualquiera de estas dos sustancias es útil para este fin. Después de cubrir uniformemente las semillas con la sustancia pegajosa se aplica a aquellas un producto químico activo y se continúa el volteo hasta que las semillas estén revestidas de modo uniforme. Si se desea, se puede aplicar un segundo producto químico, como por ejemplo un repelente de los pájaros, del mismo modo y sin necesidad de emplear más sustancia pegajosa. Después del recubrimiento, las semillas se extienden en bandejas o en láminas para que se sequen al aire. Este tratamiento es más eficaz si se hace en lotes pequeños y no debe durar más de 3 ó 4 minutos para un lote de 10 libras. Deberá evitarse un volteo excesivo para impedir que las semillas se rompan o dañen, y las semillas secas no se frotarán más de lo necesario porque Si no se estropea el revestimiento protector.
FIGURA. 60. - Detalles de la construcción de una arrancadora de patines que se engancha mediante un cable a un tractor o a un cabrestante.
Foto: Servicio Forestal de la Secretaría de Agricultura de los Estados Unidos.
I Detalle del patín cortante
II Detalle de la plancha
A. Alma cortada antes de ser encorvada
B. Pernos (13/16 de pulgada por 3/4 de pulgada)
C. Remaches (9/16 de pulgada por 1/2 pulgada)
D. Plancha
E. Perno del arado
F. Sacudidores que se remachan para formar la arrancadora y se quitan cuando ésta se usa como podadera de raíces
G. Perno con] argolla (3/4 x 5 pulgadas)
H. Argolla
I zapata de acero
J. Zanca de niveladora vieja
K. Lámina de acero
L. Cable de acero
M. Pernos (3/8 de pulgada)
Para esta labor se emplea corrientemente una pequeña hormigonera de 1 pie cúbico de capacidad, pero sirve igualmente un tambor o una caja montado en un manubrio o un pedal. Para un lote de semillas de 10 libras, en un vivero que el Servicio Forestal de los Estados Unidos tiene en Indiana, se emplea un tambor de 20 galones. En menor escala, la labor se puede hacer sin maquinaria alguna. Es perfectamente factible echar la sustancia pegajosa o el producto químico activo sobre la semilla y agitar ésta luego a mano o bien pasarla de una vasija a otra hasta conseguir la distribución.
Hasta hace poco, las depredaciones ocasionadas por pájaros y roedores eran causa de graves pérdidas en los semilleros recién sembrados o en germinación, por lo que era necesario establecer complicadas barreras de protección. Esta protección era de construcción, mantenimiento, colocación y remoción costosos. El descubrimiento de sustancias repelentes activas y el desarrollo de la técnica de revestimiento han eliminado este problema en los viveros que hacen uso de esta técnica.
Los productos químicos de uso general en la actualidad son la antraquinona sublimada o el disulfuro de tetrametiltiuramio al 50 por ciento (TMTD al 50 por ciento). En algunos viveros prefieren este último compuesto porque proporciona una cierta protección contra los roedores y es también eficaz (por ejemplo en Wisconsin) para combatir la poste de los semilleros. Sin embargo, en otros viveros se estima que dicho compuesto posee un efecto retardados de la germinación y prefieren utilizar la antraquinona adicionada de un repelente específico de los roedores.
FIGURA 61. - (Jarrete para cable necesario para el transporte de éste y para impedir que dañe loo árboles.
Foto: Servicio Forestal de la Secretaría de Agricultura de los Estados Unidos.
A. Eje de acero (de 1 pulgada) y 33 pulgadas de largo
B. Placa metálica delgada de meneo de 2 x 2 pulgadas
C. Perno de aletas (1/4 x 11/2 pulgadas)
D. Arandelas situadas entre las ruedas y loo pernos de aletas
Las cantidades de producto químico necesarias para 100 libras de semillas (Pinus taeda y P. elliotii) son 16,6 libras de TMTD al 50 por ciento, o 20 libras de antraquinona. Estos productos se aplican en forma de revestimiento a las semillas en la manera descrita al tratar de la lucha contra los insectos y las enfermedades.
FIGURA 62. - Arrancadoras vibratorias arrastradas por tractor; arriba, vista frontal: debajo,
Foto: Servicio Forestal de la Secretaría de Agricultura de los Estados Unidos.
Arrancamiento
En los viveros grandes donde la mano de obra escasea y es cara, no es factible el arranque de las plantitas a mano. Se han creado muchos modelos de arrancadoras mecánicas para levantar el suelo y dejar sueltas las plantitas de modo que sea fácil arrancarlas a mano sin más operaciones. Los diversos modelos que se presentan aquí son sólo ilustrativos de la idea general. Hay otros que dan resultados igualmente buenos.
La arrancadora de patines representada en la Figura 60 puede engancharse directamente detrás de un tractor o, mediante un cable, a un malacate a motor. Si no se dispone de tractor o malacate apropiados, se podrá tirar de ella con un cable enganchado a un cabrestante movido por caballos. Este es realmente el método utilizado originariamente para este modelo de arrancadora. En la Figura 61 se representa un tipo de carrete para el cable.
En algunos viveros se utilizan arrancadoras vibratorias que al vibrar hacen que se desprenda el suelo de las raíces de las plantitas que se arrancan. Estas arrancadoras aflojan el suelo más que los otros tipos y por ello facilitan el arranque de las plantitas con menos daño para las raíces pequeñas. En estas arrancadoras. la fuerte cuchilla excavadora no vibra, pero una especie de prolongaciones de la cuchilla que se extienden hacia detrás vibran arriba y abajo por el movimiento que le comunica un eje de levas accionado por una cadena enlazada a una unidad motora montada en cualquier sitio conveniente sobre la excavadora, o movida por la toma de fuerza del tractor. En la Figura 62 se reproduce una máquina ideada en el vivero de Eveleth, Minnesota, del Servicio Forestal de los Estados Unidos, y las diversas piezas de que consta.
B. Arrancadora de patatas arrancando arbolitos.
Foto: Servicio Forestal de la Secretaría de Agricultura de los Estados Unidos.
Otro tipo de arrancadora de plantitas vibratoria, que desprende de las raíces casi toda la tierra, se usa en varios viveros del estado de Pensylvania y en el vivero de Chittenden, Michigán, del Servicio Forestal de los Estados Unidos (Figura 63). Se trata simplemente de una arrancadora de patatas mecánica de dos hileras que da buen resultado en ciertos suelos cuando las plantitas son de tamaño y densidad suficientes.
Para que esta arrancadora funcione satisfactoriamente, las plantitas deberán tener 4 pulgadas o más de alto y su densidad será suficiente para que las agujas de las plantitas se entrelacen algo. Las plantitas pequeñas son sacudidas por la cadena transmisora del sacudidor y las plantadas con poca densidad caen y se transforman en un montón informe e inservible. Este tipo de máquina no trabaja bien en los suelos adherentes y que resisten la acción sacudidora.
Foto: Departamento Forestal del estado de Dakota del Norte.
Foto: Departamento Forestal de la Universidad del estado de Michigán.
FIGURA 65. - Detalles de la construcción de una arrancadora.
Foto: Departamento Forestal del estado de Dakota del Norte.
A. Orificios (5/8 de pulgada) para pernos que lo unen con el tractor
B. Material (5/8 de pulgada)
C. Orificio (de 1 pulgada) para recibir la bomba
D. Bomba John Deere standard
E. Manga para recibir el eje de 2 1/2 pulgadas
F. Eje de acero arrollado en frío 2 1/2 pulgadas
G. Pieza (de 1 pulgada) hecha soldando 2 placas de 1/2 pulgada
H. La distancia entre los anillos de retención depende de la anchura del tractor
I. Orificio para recibir el pasador de la bomba, de 1 pulgada
J. Cadena (3/8 de pulgada)
K. Orificio (5/8 de pulgada)
L. Material (1/2 pulgada)
M. Tensor (5/8 de pulgada)
N. Diente´? (3/8 X 2 pulgadas)
O. Espacio (7/8 de pulgada)
P. Material (3/4 de pulgada)
Q. Orificio (I pulgada)
R. El borde cortante de 2 pulgadas es el de una cuchilla gastada de una niveladora de carreteras
La arrancadora representada en la Figura 64 se fija en el centro de un tractor de ruedas en una posición que permita que el conductor la vea según conduce el tractor. El conductor puede levantarla o bajarla inmediatamente con los mandos hidráulicos que tiene a mano. Esta arrancadora fue ideada en el vivero que el estado de Dakota del Norte tiene en Towner, y funciona bien. Es sencilla, robusta y de respuesta pronta a la actuación del conductor del tractor. Sólo 4 pasadores se usan para engancharla al tractor. En la Figura 65 se dan detalles de su construcción.
Foto: Departamento Forestal de la Universidad del estado de Michigán
FIGURA 67. - Detalles de la construcción de la arrancadora de montaje trasero.
Foto: Departamento Forestal de la Universidad del estado de Michigán.
I Vista superior
II Vista frontal
III Vista lateral
1. Láminas de ballestas de coche (1/4 x 1 y 3/4 x 18 pulgadas)
2. plancha de protección (1/8 x 16 x 16 pulgadas)
3. Barra de enganche con el tractor (1 X 3 X 42 pulgadas)
4. Refuerzo (1/2 x 4 x 9 1/2 pulgadas)
5. Refuerzo del piñón de hierro en T (3/8 X 1 1/2 X 15 pulgadas)
6. Refuerzo del piñón de hierro (3/8 x 11/2 x 12 pulgadas)
7. Cuchilla (16 pulgadas con eje de 1/2 pulgada de diámetro)
8. Tubo de hierro (2 1/2 pulgadas de diámetro externo x 28 pulgadas)
9. Hoja de la niveladora (8 pulgadas)
10. Pernos del arado (1/2 pulgada de diámetro) con tuercas en el fondo de la hola
Una arrancadora que se engancha detrás de un tractor, y los detalles de construcción de la misma, se representan en las Figuras 66 y 67, respectivamente. Esta arrancadora fue ideada en el vivero de Sault St. Marie, Michigán, de la Universidad del estado de Michigán. Puede utilizarse con un tractor de ruedas o de oruga que tenga un mecanismo de enganche hidráulico apropiado.
La arrancadora para una sola hilera de plantitas (Figura 68) es especialmente apropiada para empleo con frondosas plantadas en fila. Fue construida en el vivero de genética arbórea del Instituto de Química del Papel, en Appleton, Wisconsin. Está ideada para uso tras un tractor con mecanismo de enganche hidráulico de tres puntos. Mediante este mando hidráulico, la arrancadora puede trabajar hasta una profundidad de 9 pulgadas. Las cuchillas rotatorias de 18 pulgadas, que se montan en el bastidor delante de la zapata arrancadora, podan las raíces laterales. La zapata arrancadora poda las raíces inferiores, levanta las plantitas y suelta la tierra con el menor daño posible para el sistema radical.
Las arrancadoras que trabajan en suelos compactos cuando el terreno está demasiado seco o demasiado húmedo, o que, en las circunstancias que sean, funcionan a velocidad excesiva,. rompen muchas raíces de las plantitas. A consecuencia de ello disminuye el vigor de las mismas cuando se plantan y otras incluso mueren. Una vez que la arrancadora ha socavado las plantitas, hay que tener cuidado todavía en separar sus raíces del suelo, bien a mano o bien con horcas o palas, porqúe se pueden producir todavía nuevas roturas de raíces o arrancamiento de su corteza. Al inspeccionar el arrancamiento se atenderá al posible transporte de suelo del semillero así como al atento examen de las plantitas lavadas para ver la amplitud del daño ocasionado a las raíces. Para reducir este daño puede que haya que efectuar cambios en la velocidad del tractor, el ángulo de la cuchilla y las técnicas de trabajo, o bien esperar a que el suelo tenga una humedad apropiada.
Embalaje con vistas al transporte
No existe ningún modo normalizado, o que sea mejor, para organizar esta fase del trabajo. La organización varía según el tamaño de las plantitas, la producción diaria requerida, la clase de mano de obra y las demandas cuente todo un mazo de 50 plantas, lo sujete con una cinta de goma y lo coloque en la correa de transmisión que lo lleva al embalador. La disposición que ha resultado más conveniente se ve en la Figura 70. Con ella, 10 clasificadores, 3 embaladores y un auxiliar han alcanzado una producción de 120.000 a 175.000 plantitas por día. das de los clientes. Algunos viveros que producen plantitas de tamaño uniforme no clasifican ni cuentan su producción, sino que la expiden en mazos prestando poca o ninguna atención a la cantidad de plantitas que compone cada uno de ellos. Cuando es necesario determinar la cantidad total pesan un número dado de plantitas (1.000 ó 10.000). Este peso se utiliza luego como norma al cumplimentar los pedidos. Pero otros viveros tienen que clasificar su material de plantación, desechar las plantas que no reúnen unas condiciones determinadas y efectuar un recuento exacto.
FIGURA 68. - Arrancadora para una sola hilera de frondosas y detalles de su construcción.
A. Tuno (2 pulgadas)
B. Cuchilla (18 pulgadas)
Foto: Instituto de Química del Papel.
Foto: Departamento de Montes y Aguas del estado de Nueva York.
A. Cojinetes Brozoli (1 1/4 de pulgadas)
B. Travesaños (2 x 4)
C. Largueros (1 x 2) separados 3 pulgadas de los lados, 1.3 pulgadas en el centro, en número de 4
D. Holgura (I pulgada)
E. Espacio (10 pulgadas) entre los listones de madera en la parte interior de la cadena
F. Números de 2 pulgadas mareados
G. Bridas y abrazaderas
H. Tres tableros de plataforma (45 x 159 pulgadas)
I. Motor que mueve las poleas del eje superior
J. Poleas de ranura en V de desmultiplicador 20-1 o de ejes superiores y correa para reducción del motor al tablero
K. Recorrido de la correa: 60 segundos por revolución
L. Orificios para los bastidores de la caja
M. Patas (4 x 2)
N. Tres rodillos (4 x 6 pulgadas)
O. Eje (1 1/4 de pulgada) 0 tubo (1 pulgada)
P. Refuerzos en las patas de los extremos solamente
Q. Caja. El tamaño de la caja deberá ser 16 x 27 x 8 pulgadas de altura externa
R. Puesto del operario. Cinco hambres a cada lado
S. Remates de 1 x 3 encajan en orificios a los lados del tablero
FIGURA 70. - Disposición sugerida para efectuar el re cuento y el embalado.

Foto: Departamento Forestal de la Universidad del estado de Michigán.
A. Taburetes móviles
B. Transportador
C. Mesa de clasificación
D. Cunas cónicas
E. Cono
F. Clasificador
G. Banco del operario
H. Mesa para los plantones
I. Depósito de musgo
J. Tubo superior
K. Estante con etiquetas de envío colgado del techo
L. Mesa de empaquetado
M. Manga colgada del techo para humedecer las raíces
N. Rollos de papel debajo de la mesa
FIGURA 71. - Dispositivo para colocar una banda de goma alrededor de un haz de plantitas.
Foto: Instituto Politécnico de Alabama.
FIGURA 72. - A. Dispositivo colocador de cintas con la cinta dispuesta para atar un haz.
FIGURA 72. - B. Haz atado con cinta listo para ser empacado.
Foto: Departamento Forestal del estado de Virginia
FIGURA 73. - Detalles de la construcción riel dispositivo colocador de cintas.
Foto: Departamento Forestal del estado de Virginia.
I Posición de atado
II Posición de corte
A. Pasador (1/4 de pulgada) para la rueda auxiliar de 3 pulqadas y el rollo de cinto
B. Pasador (1/4 de pulgada)
C. Tornillos de madera (8 x 1 1/4 de pulgada)
D. Rollo de cinta
E. Rueda de madera (3 pulgadas de diámetro) de pino de 3/4 de pulgada
F. Rueda de madera (1 1/2 pulgadas de diámetro), idem
G. Lado de la cola
H. Pasador cambiable
I. Dos cuchillas, uno sobre otra
J. Cola con cola
K. Cinta
L. 50 plantones
M. Cinta lista para el haz siguiente
N. Haz
Foto: Departamento Forestal de Georgia.
Foto: Departamento de Tierras y Montes de Ontario.
Cuando haya que proceder a la clasificación y al recuento, estas operaciones se harán bajo techado, de modo que las plantitas estén protegidas del sol y del viento. Esta labor se facilita grandemente cuando se utiliza una mesa de clasificación con un transportador de correa para llevar las plantitas desde donde se hace la clasificación a donde se efectúa el embalaje.
La mesa de clasificación representada en la Figura 69 fue creada en los viveros del estado de Nueva York y ha sido copiada en todas partes, con modificaciones a voces en la longitud, el ancho u otros detalles para adaptarla a las condiciones locales. El transportador de correa tiene espacios numerados pintados en su superficie, con cada número de un color distinto, para facilitar la labor de ION clasificadores. En el vivero del estado de Nueva Jersey, la correa de la mesa funcionaba a una velocidad de una revolución por 59 segundos, habiendo 5 personas a cada lado que colocaban 2 plantitas en los espacios asignados a las mismas. Por este sistema entregaba 300 plantitas por minuto a los embaladores que las ataban en haces, embalando éstos en cajas o balas listos para el transporte.
En un vivero de la Universidad del estado de Michigán se ha encontrado conveniente que cada clasificador cuente todo un mazo de 50 plantas, lo sujete con una cinta de goma y lo coloque en la correa de transmisión que lo lleva al embalador. La disposición que ha resultado más conveniente se ve en la Figura 70. Con ella, 10 clasificadores, 3 embaladores y un auxiliar han alcanzado una producción de 120.000 a 175.000 plantitas por día.
Por razones diversas, en algunos viveros atan las plantitas en haces de 50 ó 100, o cualquier otro número conveniente, antes de embalarlas en una bala grande. El hacer esto a mano resulta costoso, porque la atadura a mano es una operación lenta y el sostenimiento de atadoras mecánicas constituye a veces un problema.
En los viveros del estado de Alabama se ha visto que las bandas de cancho de tamaño apropiado para reunir un haz de un tamaño dado son satisfactorias, pero de aplicación lenta y difícil. Para acelerar esta labor, se ideó el dispositivo que se representa en la Figura 71. Este dispositivo es simplemente una lámina de metal a la que se da forma de embudo y se sujeta a un soporte horizontal. Antes del embalaje se coloca una cierta cantidad de bandas de goma en el soporte. Las raíces del haz de plantitas se introducen en el embudo y resbalando sobre éste se coloca una banda de goma alrededor del haz. A veces se usan bandas de goma de distintos colores a modo de código para designar la especie, la clase de edad u otras características
En el vivero del estado de Virginia se prefiere el empleo de cintas en lugar de bandas de goma. La cinta utilizada es de celofán sensible a la presión, de un ancho de 3/8 de pulgada que se encuentra en el comercio en rollos de 60 yardas y en seis colores distintos. Con el dispositivo representado en las Figuras 72 y 7:3 obrero experimentado puede atar unos 10 haces por minuto.
Se utilizan todos los sistemas de envío, tales como jaulas de madera, bolsas de papel, o incluso el embalaje a granel en la caja de un camión. Cada sistema se adapta muy bien a determinadas condiciones locales y no será objeto de estudio aquí. Pero para los envíos a grane I, que deben sufrir los rigores de los sistemas de transporte público, del almacenamiento y del manejo ulterior, las balas cilíndricas hechas con musgo húmedo y papel impermeable (Figura 74) han resultado más baratas y mejores que los demás sistemas.
Foto Servicio Forestal de la Secretaría de Agricultura de los Estados Unidos.
El Departamento de Tierras y Montes de Ontario ha demostrado que las balas de plantitas pueden entregarse satisfactoriamente por lanzamiento libre desde un aeroplano. La bala que se ve en la Figura 75 rebotó y fue a parar a unos 30 pies del lugar de la caída sin que las plantitas sufrieran daños importantes. A continuación se dan instrucciones para preparar tales balas:
Instrumentos necesarios
1. Tanque o vasija para remojar el esfagno o sustancia que le sustituya.
2. Horquilla para manejar el musgo húmedo.
3. Criba de madera o de alambre reforzado para escurrir el exceso de agua del musgo.
4. Por cada embalador, una mesa de por lo menos 4 pies de largo por 2,5 pies de ancho, de altura conveniente, con soportes laterales de 10 ó 12 pulgadas.
5 Por cada embalador, una máquina de precintar o de atar alambre que utilice fleje de 3/8 de pulgada o alambre N° 12. (A pesar de su coste, es más barato tener a mano una o dos máquinas más que no interrumpir el embalaje por falta de máquinas.)
Material para el embalado
1. Dos listones de madera de 1 X 2 X 24 pulgadas. (Para las plantitas muy altas, listones de 36 pulgadas.)2. Una cubierta impermeable de 6 x 2 pies (para las plantitas muy altas, de 6 x 3 pies), de arpillera de 7 onzas revestida con asfalto y papel kraft, o de papel rizado, fuerte, impermeable, reforzado con fibras de sisal. (Los requisitos fundamentales son: (a) tenacidad suficiente para resistir el embalaje y el transporte; y (b) resistencia suficiente al aguo para impedir la desecación y, si las balas se expiden con otras mercancías, para ajustarse a las exigencias de los transportistas relativas a la evitación de daños a las otras mercancías. Algunos viveros imprimen en la envoltura su nombre e instrucciones para el riego. Es factible también imprimir en papel impermeable instrucciones para la plantación e incluir un ejemplar de estas instrucciones en la bala para uso del plantador.)
3. Musgo esfagno en abundancia.
4. Dos flejes metálicos de 3/8 de pulgada por unos 5 pies, o alambres equivalentes, para la máquina sujetadora de fleje o de alambre que se use.
5. Dos precintadoras.
Instrucciones para la formación de balas
1. Poner dos flejes o abrazaderas a través de la mesa, separados unas 18 pulgadas. (La separación dependerá del tamaño de las plantitas y de la forma en que se coloquen en la hala, según se explica más adelante en 5 y 10.)2. Colocar un listón perpendicularmente a las abrazaderas.
3. Poner una cubierta, con su dimensión mayor a través de la mesa, sobre las abrazaderas y el listón.
4. Extender sobre casi toda la anchura de la cubierta una capa de esfagno escurrido o exprimido, de 18 ¿I 24 pulgadas de ancho de adelante a atrás, y lo bastante gruesa (2,5 a 3 pulgadas) para proteger las plantitas.
5. Sobre la capa de musgo, colocar las plantitas sueltas o en haces con las partes inferiores más separadas de sus sistemas radicales superpuestas a la línea central de la cubierta y los cuellos de las raíces dentro de los bordes de la cubierta, pero de forma que por lo menos las puntas de las agujas sobresalgan bastante de dicha cubierta. Sin embargo, las copas de las plantitas no deberán sobresalir tanto de la cubierta que queden colgando fuera de ésta o que sufran daño en el manejo de la bala. La capa de plantitas no tendrá más de 3 a 4 pulgadas de espesor. La posición exacta de las plantitas dependerá sobre todo de su tamaño. En cada lado de la capa los cuellos de las raíces equidistaran aproximadamente del borde de la cubierta.
6. Extender 2 a 3 pulgadas de musgo sobre las raíces y parte del tallo de manera que se cubran los cuellos de las raíces y se mantenga el espesor de la bala hasta un punto ligeramente exterior a la abrazadera de cada lado. Esta capa de musgo que se aplica ahora deberá sobrepasar las plantitas, tanto adelante como atrás, para que se junte con la primera capa de musgo.
7. Repetir las operaciones 5 y 6 hasta que la bala tenga el tamaño deseado, aplicando por último una capa superior de musgo, de 2,5 a 3 pulgadas de espesor. (Un número grande de capas de plantitas y musgo requiere algo más trabajo que un número menor de capas más gruesas y se traduce en una bala mejor, especialmente para a largas distancias o almacenamiento prolongado.) Las balas se hacen comúnmente de un paso aproximado de 60 libras, antes del riego complementario, y el número de plantitas que cada bala contiene varía según el tamaño de aquellas. Con un poco de práctica y comprobando el peso de las balas casi todas éstas pueden ser de gran uniformidad.
S. Asegurarse de que en todas las balas hay por lo menos una capa de musgo de 2,5 a 3 pulgadas entre la cubierta y las raíces de las plantitas inmediatas a ella; juntar bien las dos extremidades de la cubierta formando una doble capa sobre la parte :superior de la bala.
9. Coger el segundo listón y arrollar ambos extremos de la cubierta juntos alrededor del listón hasta que la cubierta comprima la bala tanto como se pueda a mano.
10. Poner las abrazaderas alrededor de la bala; fijar cada una firmemente, pero no excesivamente, con la máquina de atar (Figura 76); precintar y cortar. Las abrazaderas deben pasar alrededor de 1A bala muy cerca de los bordes de la envoltura y un poco por encima de los cuellos de las raíces de las plantitas (no tanto, pero siempre por encima, en el caso del pino longifolio) de modo que al manejar las balas descuidadamente las plantitas o las abrazaderas no se suelten o muevan, ni se caigan las plantitas o el musgo.
11. Las balas ya terminadas se colocan horizontalmente, pero pueden ponerse verticalmente un cierto tiempo para efectuar el riego y permitir el desagüe antes o durante el transporte o el almacenamiento.
Ordenación del suelo
No hay dos viveros que tengan suelos idénticos ni que planteen al suelo iguales demandas. Por lo tanto, no se pueden dar normas uniformes de ordenación de suelos. Sin embargo, hay principios de aplicación general, y las recomendaciones de la Monografía Agrícola N° 1 S, de la Secretaría de Agricultura de los Estados Unidos que se reproducen a continuación podrían seguirse de modo general en diversas regiones después de ensayos locales apropiados.
1. Hay que mantener a raya la erosión. La compactación mecánica, la labranza de suelos pesados cuando están muy húmedos, el mezclado de un subsuelo pesado con el suelo superficial, el riego excesivo, y otras prácticas que puedan perjudicar al suelo físicamente deberán evitarse, o reducirse de todas las maneras posible.2. Se atenderá a formar la materia orgánica del suelo y a mantenerla en un porcentaje de 1,5 a 2 por ciento mediante el empleo de abonos verdes, compostes o enmiendas orgánicas del suelo. Los suelos muy pobres en materia orgánica puede que requieran aplicaciones anuales o en años alternos de 10, 20 o incluso 40 toneladas de composte o de complementos orgánicos por acre.
3. Los fertilizantes y otras sustancias que se añadan, al suelo deberán ser preferiblemente de tal naturaleza que produzcan y mantengan u n pH algo superior A 5,O, pero no a 6,0.
4. A menos que conduzcan al desarrollo de un material de plantación suculento o de tamaño excesivo, no susceptible de una buena supervivencia en la plantación, las adiciones de elementos nutrientes al suelo del vivero deberán ser por lo menos igual y posiblemente muy superiores a las cantidades anuales medias requeridas localmente por los cultivos agrícolas. Es probable que se requiera especialmente fósforo y nitrógeno.
5. Todo elemento nutriente añadido en forma inorgánica antes de la plantación de pinos se aplicará con precaución en cantidades pequeñas o moderadas. Por el contrario, puede que sea preferible efectuar adiciones periódicas durante el período vegetativo o aplicaciones moderadas o grande:; u los cultivos de abono verde. Estas adiciones podrían ser también un medio de completar la:; hechas antes de la siembra.
6. Deberán evitarse las aplicaciones de cal a no ser que existan pruebas evidentes de que el terreno necesita de ella. Si tales aplicaciones son necesarias, se harán preferiblemente antes de la siembra de los abonos verdes en lugar de antes de la plantación de los pinos. Las aplicaciones importantes de abonos apartadores de nitrógeno inorgánico fácilmente solubles, tales como nitrato sódico, o de apartadores de nitrógeno orgánico fácilmente descomponible, como harina de semilla de algodón o sangre seca, no deberán hacerse al plantar los pinos ni inmediatamente antes de esta plantación. Asimismo, tampoco se harán poco antes del arrancamiento.
7. En lugar de dejar inculto durante meses enteros el suelo del vivero, convendrá sembrarlo con cultivos de cobertera e intermedios que reducen la erosión, reprimen las malas hierbas e impiden la deterioración de la estructura del suelo y la lixiviación de los nutrientes. Incluso una cobertera de malas hierbas puede reducir la erosión y la lixiviación y producir un neto beneficio si este cobertera se entierra con un gradeo de disco antes de que produzca semillas o rizomas.
8. Los cultivos de abono verde, de cobertera, e intermedios deberán elegirse resistentes a los nematodos. En invierno y en primavera y hasta julio aproximadamente, tales cultivos deberán vigilarse cuidadosamente, pues pueden dar origen a brotes de gusanos cortadores.
9. Los cultivos para abono verde, de cobertera, e intermedios se deberán arar bastante antes de la plantación de los pinos para dar tiempo a que se descompongan. Un mes es más o menos el período de seguridad mínimo. Cuando los cultivos son muy densos este período deberá ser mucho más amplio.
10. Las aplicaciones importantes de materias orgánicas, tales como paja, serrín e incluso abanos verdes que no sean leguminosas, no deberán hacerse antes de un diseminado de pino sin añadir nutrientes suficientes, especialmente nitrógeno, para aportar al terreno los microorganismos que descomponen la celulosa.
11. Los fertilizantes no se incorporarán en composte en porcentaje superior a aproximadamente 4 por ciento, en peso, de sales nutrientes, basado en el peso del composte secado al aire.
12. Los materiales y las prácticas que necesitan ensayos locales son: las materias primas poco utilizadas con anterioridad (especialmente el serrín) para compostes y complementos orgánicos; los aportadores de elementos nutrientes lentamente solubles, especialmente para cultivos para abono verde o para aplicación antes de la plantación de los pinos; la aplicación de apartadores de nutrientes inorgánicos periódicamente durante el período vegetativo, pero con cuidado de quitarlos prontamente del follaje por medio del riego si se aplican en forma líquida; las aplicaciones moderadas de potasio a fin de temporada (que parece que mejora la supervivencia); la formación de materia orgánica en el suelo por aplicación de serrín y nitrógeno a los cultivos de leguminosas para abono verde y el dejar en el terreno a final de verano los cultivos para abono verde como cobertera muerta durante el invierno en lugar de enterrarlos en otoño.
13. Si el desarrollo de las plantitas es malo y no se observan micorrizas en las raíces, se efectuará, como medio de mejoramiento, la inoculación de los semilleros con suelos o cultivos micorrizógenos.
14. La prueba definitiva de la eficacia de todo tratamiento del suelo de un vivero, más que su coste y sus efectos visibles sobre el suelo, es el comportamiento en la plantación de las plantitas que produce. El tamaño y el aspecto de las plantitas no son prueba fidedigna de su calidad. Todo cambio radical en el tratamiento con fertilizantes requiere la plantación de las plantitas tratadas para comprobar su capacidad de una elevada supervivencia inicial.
Producción de frondosas
En general, las técnicas y las máquinas descritas en este manual sirven indistintamente para la producción de frondosas y de coníferas. Por ejemplo, las eras para ambos tipos de materiales de plantación se hacen generalmente de la misma manera y del mismo tamaño. Las sembradoras de coníferas dan plena satisfacción para algunas semillas de frondosas y pueden modificarse para adaptarse a la siembra de otras. El equipo de trasplante indicado sirve para la plantación de estacas de frondosas, así como también para las plantitas enraizadas de frondosas y de coníferas. Análogamente, las arrancadoras y los utensilios de embalaje son idénticos para ambas clases de materiales de plantación.
Una diferencia importante, que hay que observar hasta que la experimentación local indique otra cosa, es que las frondosas están más expuestas a daños graves por la aplicación de los aceites o los productos químicos empleados para combatir las malas hierbas. El deshierbe de las frondosas se puede facilitar si la siembra de las eras se hace en bandas o hileras y luego se cultivan con el cultivador mecánico representado en la Figura 58.