Centrifugal pumps
This type of pump requires little maintenance, which is usually confined to disassembly and cleaning, replacement of seals, seal plate and joints.
The product seal will obviously in time show signs of wear. The life of a seal depends so much upon its duty and to the product being pumped that it is difficult to generalize. It is however, possible to say that a product seal being used with hot sticky liquids may only give good service for three months. The examination period therefore should be adjusted to suit the conditions, e.g. six monthly intervals for light duties or six weeks for more arduous duties.
Premature seal failure or leakage can be caused by numerous means but the most common are:
The impellor should be examined for blockage in the tangential holes. This problem is usually indicated by the loss of pumping pressure or flow rate.
The motors mainly associated with a centrifugal pump require little maintenance but the following points should be noted. For specific requirements, the manufacturers' handbook should be consulted.
Ball and roller bearings should have their grease renewed every 12 months, to ensure that a film of grease is in the rolling elements and that the housing is almost filled with grease in close contact with the bearing faces.
Bearings should be checked each month for temperature and smooth running.
Motor drive shaft for end float should be checked. Evidence of end float would normally indicate bearing wear.
Monthly inspection of cooling fans, ventilation holes and ducts is recommended, cleaning as necessary.
Terminal box connections should be periodically checked for tightness and insulation of leads for hardening, cracking or chafing. Overheating, from whatever cause, is a serious fault. High temperatures can cause deterioration of the motor insulation. The temperature of the motor should be tested by using an open bulb-type thermometer located as close as possible to the motor windings.
Positive displacement pumps
A typical pump comprises a motor, which could be electric, air or hydraulic drive, to which is coupled a gear case assembly which has two rotor shafts. These rotor shafts protrude through the pump body and located on each will be the rotors.
The complete assembly is then clamped together via front cap and cap nuts. It is particularly important in handling this type of pump that methods are used which will not allow rotors or housings to become nicked, dented or scratched. The use of rubber mats on which to lay the pump components during disassembling is often practised.
The maintenance required on this type of pump is greater than that for centrifugal pumps in that the gear case has many moving parts, bearings and oil seal. The manufacturers's recommendations for specific maintenance requirements for the gearbox must be consulted but a guideline is as follows:
Lubricants will be required in the gear case and on the bearings; the gear case should be regularly checked for correct levels. It will also be required, usually daily, to drain condensate from the gear case. The shafts should be checked for looseness and adjusted on the bearings as necessary. Oil seals will require replacement as will various ‘O’ rings located in the gearboxes. Within the pump body, gaskets, ‘O’ rings and the product seals will require replacing but, as with centrifugal pumps, the nature of the product being pumped will determine their safe working lives.
The rotors, which are usually rubber coated, will require replacing periodically. Excessive rotor wear could be due to one or more of the following: if the discharge pressure is too high, the pump speed may be excessive or an incorrect rotor material used. Abrasive products can also be a major factor. The incorrect use of the pump, e.g. running the pump dry or pumping foreign objects should be considered. Other factors are abnormalities in the actual pump, such as drive shafts out of line, shafts worn, loose bearings and worn hubs. All of these can cause rapid rotor wear.
The product seal, if wearing excessively, could be due to a too high discharge pressure, or product temperature. If the pump is mishandled, such as by the use of sharp instruments when installing. or damaged mating parts, problems with seal life will occur. A worn seal housing, loose pump shafts or shaft alignment with the pump body are all mechanical abnormalities within the pump, which will affect seal life. Excessive wear in the gear case may be the result of incorrect oil being used, the failure to drain condensate or failure to change oil. It could also be the result of failure to replace product seals allowing product/cleaning solutions to enter the gear case. Mechanical damage within the pump such as drive alignment, bearing adjustment, or using worn rotors on new shafts, will all contribute to wear in the gear case.
Finally, poor pumping performance is usually the result of a low pump speed, a ‘starved’ pump suction condition, or air leaks in the suction line. Product seal condition is obviously also a major factor.
Valves and cocks
Various types of valves and valve configurations can be used for product routing. In the main they are pneumatically operated with an exhaust route, internal spring operation being then used to reverse the movement.
Valves should be checked as part of a planned maintenance scheme. Factors to be considered for the production of a scheme are the frequency of operation, nature of product, temperature of product, etc. Obviously the product seals should be changed if there are signs of wear or cracking. In conjunction with this, the valve seats should be examined. If they are metal seats they should be refaced if worn; if rubber seats then replacement is necessary. Valves will have an air cylinder of some nature which incorporates the valve return spring, air piston, valve spindle, ‘O’ rings, etc. As the cylinder may have to to hold internal pressures of around 350 to 700 KPa obviously all components within must be in good order. Valves may be operated via a control box, which houses solenoid valves that control the flow of air to the valve. The sealing of these control boxes is important to stop the ingress of moisture; therefore the seals must be regularly inspected. In conjunction with this the air supplying the valve should be dry and oil free to eliminate possible problems with electrical equipment and valve internals.
Feedback on the valve position is a common feature and is usually achieved via micro-limit switches that are activated from the valve shaft. These switches should be inspected and adjusted at regular intervals. For specific assembly/dismantling instructions, reference should be made to manufacturers' instructions.
Valve cocks are manually operated valves that can either have a straight through or three-way port configuration. A typical cock will comprise a full bore plug, top and bottom sealing rings, top retaining cap and a handle for operation. Maintenance requirements will include the inspection of the sealing rings together with the valve plug and valve body. When dismantling a cock, great care must be taken not to allow any nicks, scratches or dents to occur in the mating faces of plug and body; these could cause leakage. If any damage is evident then plug and body should be “lapped” to eliminate leakage. When reassembling the cock, a suitable edible vegetable grease should be smeared on plug and body mating faces to ease operation. It should never be necessary to hammer the cock handle to turn the valve.
Pipework
Interconnecting product piping between various items of plant generally fall into the expanded or welded fabrication categories.
An increasing preference is being shown for the welding of pipes and fittings utilizing orbital welding or inert gas purge to reduce the number of pipe unions employed and so minimize potential crevice areas which may prove difficult to clean. Where skilled welders are not available, the expanded type pipe union may be employed utilizing semi-skilled labour.
When using the expanding method, it is essential that the correct gauge of tube is used to suit the expanding tool. The tube must be held square with the clamping block and the correct load setting used as appropriate to size of fitting. Use of an incorrect setting for the torque may result in failure; on a low setting, in fittings becoming loose under operational pressure and vibration; on a high setting, in a stretching of the fittings resulting in difficulty in attaining a leakproof union.
Plant layour is an important factor with respect to pipework. For ease of support and for an overall pleasing appearance it is usually desirable to run pipework parallel with or at right angles to the enclosing walls. Adequate falls must be arranged to pump suctions and drain points. As a general guide the amount of fall required is 1:120. ‘Dead legs’ or pockets in pipe layout should be eliminated wherever possible. If unavoidable, they should be positioned so that they are self-draining or in line with the flow. Pipework should be periodically inspected for damage or corrosion/erosion.
By virtue of its passive nature in operation, the plate heat exchanger tends to receive a low priority in terms of maintenance programmes with the result that engineering attendance becomes one to cover emergency or breakdown situations. This is obviously not good practice and logically denies the aims of good maintenance in taking preventive action at an early date to avoid the onset of serious problems. This tendency arises in particular in the food processing industries, where the heat exchanger forms part of a larger plant, the operational control of which is the responsibility of others ranging through production, quality assurance and cleaning and disinfecting. Whilst each of these management areas are required to commit themselves to specific actions to overcome their particular problems, the maintenance engineer must be sure, by means of programmed examination, that actions taken by others in their own disciplines are not detrimental to the well-being of the heat exchanger.
The planned maintenance job specification for individual heat exchangers will vary in line with the variety of applications to which they operate. It is, however, recommended that such maintenance specifications be based upon a framework embodying the following ideas, with additional matters being incorporated to deal with the manufacturers' more specific recommendations.
Frame
Where the frame is clad in stanless steel, apply a thin coating of vegetable oil to protect the finish. At the same time this will ease the removal of inadvertent splash markings from product material or cleaning solutions. The plate carrying strip or slots of the top carrying bar should be kept greased with an appropriate agent to minimize drag during plate movement and so reduce risk of damage to the plate hanging eyes. The plate pack tightening device should also be protected against environmental conditions with special attention being given to exposed threads of tie-bars which may be accidentally damaged.
Plates and gaskets
Examine plate pack to determine whether any signs of damage are present of either a mechanical or corrosive nature. Mechanical damage may result from:
Damage to the plate hanging eyes resulting in misalignment and gasket damage.
Overtightening of the plate pack to overcome leakage problems due to high pressures or poor gasket condition.
High pressure loads or repeated pressure reversals of great magnitude may emanate from high pressure pumps or centrifuges. Such operational conditions may also lead to the movement and subsequent damage of the plate gasket.
Chemical damage may result from:
The use of aggressive acid solutions during in-place cleaning activities, or from more specialized actions to remove hard scale on product or service sides of plates. Gasket damage may also be present.
The misuse of hypochlorite sterilizing solutions. In this connection the strength of the solution, contact time and temperature are interactive and require close control of their use.
Where calcium chloride brine coolants are used, care must be taken to ensure that the correct pH value is maintained and that any scale build-up on plates is removed frequently. Inadequate draining out of brine solutions and flushing out/neutralizing of residuals will lead to the onset of corrosion during application of high temperatures required for the cleaning and disinfecting activities.
The continued use of high temperatures in excess of those specified for the particular gasket in use will hasten deterioration due to thermal ageing and subsequent loss of electricity.
Thermal performance
When problems of loss of thermal performance arise, the maintenance engineer should always consider the institution of heat balance/heat transfer calculations to enable him to identify the source of the problem.
Areas having a detrimental effect on performance are:
Corrosion
Stainless steel plates should undergo detailed examination at frequent intervals to determine whether the improper use of chemical sterilizing solutions of the hypochlorite range or calcium chloride brine cooling liquids has created conditions leading to corrosion attack.
Pitting corrosion may be seen at random areas of the plate as dark individual spots which are not removed during the cleaning process.
Crevice corrosion, if present, will occur at any plate to plate contact point throughout the surface of the plate in the flow path.
Where calcium chloride brine cooling solutions are in use the problem of scale formation is always present, if allowed to remain on the plate. Such scale may harbour residual brine leading to pitting and crevice corrosion.
Regasketing of plates
The replacement of gaskets for heat exchanger plates is a relatively simple and straightforward operation providing due note is taken of the manufacturers' instructions relative to the type of gasket elastomer being used and the adhesive appropriate for the particular gasket material. Whatever the adhesive system recommended, it is essential that care is exercised in the removal of the worn or damaged gaskets, not only to avoid damage to the gasket retention groove, but to ensure that all old gasket debris is removed easily, prior to cleaning and degreasing of the groove area in preparation for the application of the approved adhesive.
Most adhesives produce a satisfactory gasket-to-plate bond strength either by chemical reaction or solvent evaporation provided sufficient plant down time is available. To counter this time factor the application of heat to the completed plate pack may be recommended to ensure that a satisfactory adhesive bond is attained to suit plant operating temperatures and pressures.
A swept surface heat exchanger consists of a rotating dasher, with affixed scraper blades totally enclosed with a cylinder. The continual sweep of the blades cleans the cylinder surface of product. Heat transfer is through the cylinder wall. Inlet and outlet product ports are situated at each end of the product cylinders. Individual drives for the dashers may be hydraulic or electric. For specific maintenance requirements of the drive assembly, reference to manufacturers' manuals is recommended. The heat exchanger will normally have a product rotary seal; this seal must be inspected at regular intervals for damage or excessive wear. The dasher should be removed from the cylinder so that examination of the dasher blades together with the upper bearing and seals can be examined. Extreme care must be taken when removing the dasher to eliminate the possibility of damaging cylinder bore or dasher blades. After inspection of all parts, the upper bearing will require lubrication with a sanitary lubricant. The motor/dasher shaft should be checked for alignment at regular intervals. This procedure is explained in detail in the manufacturer's maintenance handbook.
As the name implies the tubular heat exchanger consists of a coil of tubes which is totally enclosed within a larger tube. The product flows through the coil of tubes with the heating cooling medium flowing over the tubes within the larger tube. On most tubular heat exchangers very little maintenance can be carried out as they are of completely welded construction. If the heat exchanger has removable end caps, then the inspection of the smaller coil of these can and should be carried out at regular intervals. Gaskets on the end caps should be replaced if worn or twisted.
A typical continuous cloth type milk filter will consist of two cylindrical filtration chambers joined to a common inlet via a three-way changeover cock. Both chambers could be mounted on a length of horizontal outlet pipe, which would have non-return valves fitted in the junction points. The non-return valves are to prevent filtered milk feeding back through the chamber not in service. Milk would be directed to either of the two filtration chambers by the three-way cock. Continuous flow through the filter is achieved by alternating the flow between the two chambers. Before starting up, a filter cloth should be fitted to each filtration chamber. Generally, a filter cloth should be removed and washed when the back pressure on the filter increases by 0.14 bar, and replaced with a clean cloth in the chamber.
Maintenance of the filter would include stripping down the complete filter and inspection of all joint rings, changing if twisted, nicked or flattened. Attention must be paid to the non-return valves, checking the valve/valve seat for damage, spring tensions and correct alignment of valves. The valves should then be tested to ensure they only allow flow through one way. The three-way cock should be stripped and inspected as described in paragraph (iii), “Valves and cocks”, and any inner screens or wire mesh components examined for damage. Milk filters will have drain and vent plugs fitted to enable continuous running of filters during production. These plugs should also be inspected to make sure that their respective seats are clean and seals are in good order.
All milk plants have the need for tanks for storing either raw or finished milk. These tanks can come in a variety of shapes and sizes. They may be of the square or rectangular type, particularly in the small sizes, or they could be of the vertical or horizontal cylindrical type. Tanks vary from hundred litres up to about 150 000 litres.
Most milk storage tanks have an inner and outer skin with up to 5.08 cm of insulation inbetween. The insulating material is usually cork. The inner skin would be of stainless steel although some tanks are glass lined. Milk storage tanks are designed to withstand a certain amount of pressure or vacuum and can be equipped to be filled by vacuum or emptied by pressure. These types of tanks should have a safety device which will prevent excessive pressure or vacuum. If this type of device is fitted, then regular inspection should be carried out to ensure its effectiveness. Tanks may also be fitted with an air vent which must be of sufficient size to prevent any build-up of excessive pressure or vacuum. It is important therefore not only from a sanitary point of view, but also from a safety aspect, that the air vent should not become restricted or blocked. Regular inspection of this vent is therefore required. If the tank is fitted with a thermomenter this should be checked against a known standard thermometer for accuracy. The tank will be fitted with a manhole which opens inwardly to minimize danger of leakage. The manhole will have a gasket for sealing which should be checked and replaced if damaged or badly worn.
Most milk storage tanks will be fitted with an observation glass. The glass is usually of about 150 mm diameter and situated near the top of the tank. Gaskets sealing this glass should be inspected and replaced if damaged. Finally, the tank should be inspected internally and externally for any defects (cleaning effectiveness, corrosion, etc.). It should be stressed that when internal inspection is taking place all necessary safety precautions should be taken and that rubber-soled boots/shoes worn to prevent damage to surface of tank. Transport tanks will be fitted with top manholes which open outwards.
High quality standards of design and manufacture are maintained to ensure that this type of equipment gives trouble-free service. Nevertheless, recommended precautions and procedures must be observed in the handling, installation and servicing of all rotating equipment and accessories. Careful application of the manufacturer's recommendations will ensure an optimum performance. Errors or carelessness during installation can often lead to problems or even failure at a later date.
At installation, it is therefore necessary that the following points receive consideration:
The manufacturer's instruction and maintenance manual must be made available to all personnel involved with the installation, operation and maintenance of the mixing equipment.
On receipt, all equipment should be carefully checked to ensure that no parts are missing and that no damage has occurred during transport from the factory to the user.
Any discrepancy or damage must be immediately reported to both the carrier and the supplier.
The installation of most standard mixer drives and in-tank mixing equipment can normally be carried out without the presence of the manufacturer's representative. However, it is advised that only experienced tradesmen should be used to install agitators or any rotating equipment.
Care must be taken to ensure that the mounting location of a mixer must be rigid and strong enough to support the mixer drive. This applies equally to direct flange, fabricated stool or structure and concrete flooring. If the unit is to be mounted on a surface which is not horizontal, the manufacturer should be consulted to ensure that the mixer will receive adequate lubrication when mounted in the desired position.
At the start-up of a newly installed agitator, it is sensible to proceed with caution. Regardless of how well an installation is carried out, it is possible for errors or omissions to occur.
Before running the unit, electrical requirements should be checked thoroughly. The voltage range on the motor nameplate should correspond to the supply voltage. The wiring of the unit should be carefully confirmed in accordance with the diagram provided. The direction of rotation must be checked and, if necessary, altered by interchanging the supply leads.
The gearbox should be checked to ensure that it is filled with lubricant to the recommended level. The correct grade of oil as specified in the manual must be used.
On units with mechanical seals, it is necessary to ensure the seal is adjusted in accordance with manufacturer's instructions and that the seal lubrication system is correctly selected and pressurized normally to 1 bar above the vessel pressure before rotation of the unit takes place.
It is of great benefit if the mixer unit can be run under light load conditions for a short period. This permits the gears to be run in. (Instruction manuals cover this point.) The unit can then be operated at normal load conditions.
During service, regular oil changes are essential to ensure efficient performance of the agitator. The following factors should be used to determine the frequency of these oil changes:
oil temperature - unit operating under load
type of oil - plain or containing additive
the environment - humidity, dust, etc.
operating conditions - shock, loading, etc.
Finally, it should be noted that great care has been taken in the design and manufacture of all agitation equipment. If this care is continued by the user through regular checks and recommended maintenance, many years of trouble-free service will be the reward.
The homogenizer is essentially a reciprocating pump capable of producing very high pressures of up to more than 200 atmospheres. It has a multi-piston cylinder block to minimize cyclical variation of flow and produce the high pressure to force the product between the mating faces of the preloaded homogenizing valve. The homogenizing valve is supplied either as single or two-stage according to the product to be processed or the degree of homogenization control required. The base of the machine carrying the drive end consists of an electric motor connected to the drive shaft by pulley and belts. Further reduction to the eccentric shaft can be by pulleys or gear ratio, which in turn provides the reciprocating motion to the pistons through the connecting rods.
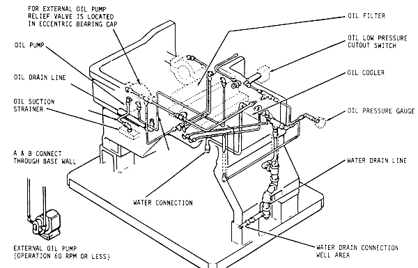
The maintenance of a homogenizer should be carried out on a regular basis. A daily inspection should be made of the oil level visible through the sightglass at the rear of the machine. After draining off any condensate from the oil sump through the pet cock, oil should be added if required, before starting up the homogenizer. The oil pressure should be checked to ensure it is above the recommended minimum when the machine is running. Finally, the water lubrication to the pistons and through the oil cooler should be checked to ensure that it is sufficient.
More detailed inspection and maintenance is required after each month in addition to the daily inspection. The drive belts should be checked for tightness and condition. Nuts, bolts and fittings within the drive chamber should be tightened and/or checked to torque specification. Connector rod ends and tightness of the crosshead should be inspected and adjusted if necessary. Oil leakage from the piston adaptor oil seals can occur and packings must be tightened or replaced. The piston cylinder block is disassembled by removing the front caps, the piston and packing assemblies, care being taken in the handling of each item and checking for signs of wear and damage, especially in the piston packings. These should be replaced if there is product leakage from the rear of the cylinder block. After removal of the top caps and the inlet and discharge valves, the valve seats within the cylinder block should be carefully inspected for signs of wear and erosion, which will also be seen on the mating valve. Poor condition of these faces can have a marked effect on the product rate and cause erratic homogenizing pressure. Early maintenance and relapping of the valves can avoid a costly recutting exercise.
The cap gaskets must be replaced if they become too thin or extruded to a point of leakage at high pressure. This will also apple to the homogenizing pressure gauge and block. The homogenizer valve unit can either be activated by a spring-loaded handwheel or by hydraulic pressure. The handwheel must be manually set on each start-up of the homogenizer whereas the hydraulic unit can be pre-set and will automatically come up to the correct pressure at the push of a button.
In each case they must be removed and the valve push rod inspected for signs of wear and damage together with the valve rod seal. This seal is important in keeping a true and steady alignment of the push rod and if worn will cause erratic valve action. The handwheel thread and the valve rod spring must be checked and lubricated. It is sufficient to check that there is no hydraulic oil leakage from the push rod chamber and adjacent pipework and that the oil level in the main reservoir is correct.
The homogenizer valve assembly block or blocks can now be removed and stripped down to show the valve, valve seat and impact ring. The faces of the valve and valve seat must be kept in good serviceable condition to retain an efficient homogenization of the product. This can be recognized by the amount of wear that initiates at the bore of the valve and radiates out across the face. If the wear is up to two-thirds of the surface area, relapping of the valve with carborundum paste between faces can rectify this but further wear will allow erosion grooves to appear, recognized by straight lines radiating outward, and loss of homogenization will rapidly occur.
The impact ring is also an essential part of the homogenizing process and must be carefully examined. Wear of the impact ring will occur on the internal face of the ring in the form of a groove. The erosion of the groove will be acceptable to a depth of 1 mm, when the ring should be replaced to maintain efficient homogenization. Two external factors to the machine should be checked during this maintenance period. Firstly, that the feed pump pressure is retained as recommended and does not fluctuate and secondly, that the pressure relief valve in the discharge pipeline, adjacent to the homogenizer, is set to relieve at the correct pressure. Finally, after six months or 1 000 hours of service, the crankcase should be drained, cleaned and replaced with fresh oil and the oil filter cartridge renewed. The motor bearings should be lubricated according to the manufacturer's instructions.
have historically relied upon pneumatic signalling and drive for bellows and linkages, coupled to a mercury filled system comprising a temperature sensing bulb and bourdon tube. The mercury filled system is sealed for life and no maintenance is possible. Operational failure will be due to damage to the capillary between the sensing bulb and bourdon tube or fatigue failure of the material. In both cases the complete system will require replacement. Lubrication of the metal bearings of the linkage mechanism should be carried out at 6-monthly intervals using a good quality clock oil. At the same time the pneumatic control system should be inspected and any contamination due to dirty, wet or oily air supplies should be removed with paraffin or suitable solvent.
In more recent years, the tendency has been to design instrumentation embodying solid state techniques, printed circuit boards, etc. with the result that maintenance work has been reduced to the checking of instrument calibration against known standards or, in the event of trouble shooting, the use of diagnostic instruments and subsequent replacement of the failed module or printed circuit board. Inking systems for the temperature recorder pens require inspection at monthly intervals. Various inking systems are employed by instrument manufacturers. Generally these fall into the categories of direct charging of the pen nib using a small ink dropper, or alternatively a capillary feed arrangement from an ink reservoir housed within the instrument. Having ensured that the system is charged with ink, the pen nib should be cleaned to remove dried ink. Where the design of recorder pen permits some manufacturers to utilize ink cartridges with a fibre tip nib, it is only necessary to replace the cartridge when exhausted.

Fig. 9 PISTON PACKINGS AND RINGS - DISMANTLING AND ASSEMBLY
(By courtesy of APV International Limited)

Fig. 10 WEAR PATTERN IN HOMOGENIZING OR PRESSURE CONTROL VALVE OR SEAT
(By courtesy of APN International Limited)

FIG. 11 GENERAL ARRANGEMENT OF PRESSURE LUBRICATION SYSTEM FOR HOMOGENIZER DRIVE GEARS AND BEARINGS
(By courtesy of APV International Limited)
for process liquids may take the form of:
A device comprising basically a vertical tube with liquid flowing upwards into which is suspended a free piston attached by means of a spindle to a specifically machined disc of a predetermined diameter. This mechanical device has very close tolerances and it is essential to ensure, when taken down daily for cleaning, that no damage occurs by scoring or bruising to the stainless steel components. Due to the close fit of the free piston to the inner tube, a strainer will be fitted either internally as part of the assembly or in the pipeline to the controller. This strainer must be cleaned daily.
A positive displacement pump usually of the rotary type design. When this type of pump is utilized for control of throughput of a pasteurizer it is more genearly referred to as a “timing” pump. Construction and maintenance requirements are the same as for similar pumps referred to in Section 1, “Pumps and piping”.
may be of the mechanical positive displacement, turbine or magnetic design.
The mechanical meter utilizes the energy present as a result of the velocity of fluids passing through the rotor housing to transmit a driving force via linkages to a mechanical counting device. Such meters are of robust construction and require maintenance in respect of moving parts and any lubrication recommended by the supplier. Air entrainment with the product fluid must be avoided as its presence will not be detected by the rotor.
A turbine device where a multi-blade rotor is housed within a section of tube in the pipeline. Fluid flowing through the tube causes the rotor to rotate and a magnetic pick-up attached to the body registers pulses as the rotor blade interrupts the magnetic flux. The turbine must also be protected by a strainer at its inlet and periodic examination is required to ensure that no damage has occurred to the special bearings supporting the rotor. Cleaning of the whole assembly should be carried out upon conclusion of each process batch to ensure that coagulation of process material around the rotor and bearings is avoided.
Magnetic flowmeter comprising a tube of non-magnetic materials housing electrodes which create a magnetic field through which a conductive liquid creates small voltages proportional to the flow.
The magnetic type of flowmeter is basically simple in construction and, apart from the associated electronics, care should be taken to ensure that fouling of the electrodes does not occur.
In the case of items (ii) and (iii), additional field instruments will be employed, such as converters and amplifiers, which pass pulses or signals to a control unit. Apart from calibration activity, it is unlikely that the maintenance engineer will be able to take preventive action.
on process plant will invariably be pneumatically operated in the forward flow mode against a tensioned spring fitted into the air cylinder to effect a fail-safe valve position in the event of air failure. This feature is used to achieve the diversion or recirculation mode of process plant by means of a pre-set alarm setting in the recorder/controller instrument which, in the presence of a temperature condition at variance in either direction of the desired value, will energize/deenergize a solenoid valve situated in the air line or air supply connection of the particular process valve.
Maintenance requirements for the diversion valves will be as explained earlier in basic instrument action or Section 1, “Pumps and piping” insofar as the type of product valve is concerned.
Low vacuum/high temperature
Should the situation arise where the vacuum is low and the temperature is too high, attention should be paid to the possibility of air entering the effects or being contained in the product or cooling water where a spray condenser is installed. Air leakage may be located at manholes, pumps, covers and seals where joints are installed.
This problem may also be related to lack of cooling water when stuffing boxes and suction pipes should be examined for air leakage, and the water level in the cooling tower checked to ensure sufficient is available in the sump.
Inadequate supplies of product may also be associated with low vacuum and high temperature, and pump stuffing boxes and suction pipes should be checked and distributor plates examined for blocked holes. It is essential that sufficient supplies of product are available at the balance tank.
Rising levels in separators
Rising levels in the separators may be associated with air leakage at pump seals and joints, low steam pressure, fouling of the evaporator tubes, or increased product flow.
Solids percentage not constant
Failure to maintain the solids percentage in the concentrate may be due to a fluctuation in the steam pressure, the supply or temperature of the cooling water not being constant, or temperature of feed not to specification. The level in the balance tank should also be checked to ensure it is being maintained.
Variation in solids percentage may also be associated with increased steam supply in which case the steam controller should be checked, or with a decrease in the vacuum pump efficiency in which case the temperature or supply of the operation water should be investigated. If the cooling water inlet temperature is too high, and a cooling tower is installed, a check should be made of its proper operation and the water flow increased. If the cooling water outlet temperature is too high, the cooling tower should be checked as above. Where a surface condenser is used a check should be made for fouling of the tubes, too high a condensate level and air pockets. The condensate and vacuum pumps should also be examined. In the case of a spray condenser the strainer may be clogged and should be cleaned.
Closing of steam control valve
If the steam control valve closes, it may be due to the boiling temperature in the first effect rising above the safety limit, a pump stopping, or an air/electrical failure. In all these cases some fouling of the tubes may have been caused and it is therefore advisable to empty the evaporator of product and clean the plant before production.
Hints for location of air leakage
All the manholes, etc., which have been opened since the last run should be checked. If the source of the leak cannot be located by putting the plant under vacuum and the sealing water in the pumps, it may be possible to find the air leak by listening. If not, connections may be checked by means of smoke or soapy water. If the separators are filled and the ducting flooded, air leakage will be indicated by small air bubbles in the separator. Alternatively, with the plant at atmospheric pressure and no sealing water to the pumps, the separator should be filled with water and the connections and seals of pumps checked for leaking water.
Rising outlet temperature may be due to failure of feedstock supply to atomizer owing to pump stoppage, fouling or leakage from delivery line to drier, blockage of distributor or deposit on outlet sensor.
Falling outlet temperature may be caused by a large increase in the supply of feedstock to the atomizer, but failure of the outlet sensor should also be checked.
Fluctuating outlet temperature may be due to erratic feedstocks supply to the atomizer due to low level in feed tanks, or failure of the automatic controls of feed pumps.
Falling inlet temperature may be the result of loss of control of steam pressure, failure of the temperature sensor, blocking of the condensate outlet, rising inlet temperature, increasing steam temperature or fouling of air filters.
Fluctuating atomizer power consumption may be due to inadequate drive belt tension, damaged atomizer bearings, incorrect setting of the atomizer disc or fluctuating feed stock supply.
Fluctuating discharger power consumption may be due to mechanical failure of the discharge drive transmission, powder deposits in the chamber, or physical contact between the discharger and the chamber.
Fouling of cyclones is caused by high water content in the powder and a cold air stream around the cyclone or blockage of the outlet rotary valve.
Abnormal deposits of powder in the chamber are due to low outlet temperature creating high water content in the powder, which can be due to a fluctuating product supply to the atomizer or incorrect adjustment of the air distributor.
V-Belts. In order for V-belts to have a long life it is important that they are kept so tight that they hardly slide on the V-belt pulleys. New V-belts must be tightened after 2, 8 and 24 hours and again after 3 days. When changing belts the whole set must be replaced at any one time, and V-belts of exactly the same length must be chosen.
Lubricating. Every month the oil level in the gearboxes is controlled, and is changed once a year. The ball bearings of the motors do not have to be greased.
General. The capacity of evaporation is dependent on and proportional to the weight of the drying air. Therefore, the air cleaning filter should be changed when the resistance through it has increased to 200 mm W.C., as an increased resistance will have a reducing effect on the air quantity, which means a reduced capacity. Moistening the drying air and the transport air with steam or hot water should be avoided. Cold draughts on the cyclones should also be avoided as cooling these will cause powder deposits on the cold walls. The specific gravity of the product should be kept as uniform as possible.
Fire in chamber. Theoretically, fire may occur in cases where moist powder deposits are found in the chamber and these deposits are exposed to abnormally high temperatures.
For safety reasons the normal procedure to follow in case of fire in the chamber is as follows:
- The steam valve is closed.
- Change from product to water is made.
- The cleaning switch is changed for the atomizer.
- The exhaust fan is stopped.
- The controller is switched to “Man”.
- The feed pump velocity is regulated to maximum.
The main items of any in-place cleaning plant, namely, pumps, valves, piping and fittings, have been dealt with in an earlier section of this chapter. In addition to those items, numerous electrical/electronic devices may be employed for control functions, ranging from micro-computers, programmed card readers, flow indicators of either solid state or electro-mechanical design, together with conductivity meters and line probes. The maintenance details of all such equipment will be highly variable and, whilst the essence of good maintenance is to ensure correct performance by calibration, the individual supplier's maintenance notes must be consulted.
Stages in cleaning
The stages in cleaning comprise essentially:
Removal of product residues by flushing with water.
Circulation of an alkaline detergent.
Flushing out alkaline detergent with water.
Circulating an acid descaling agent.
Flushing out acid with water.
Either hot water sterilization or chemical disinfection, followed by flushing out of the disinfectant with cold clean water.
It is appreciated that in some installations one or more stages may be omitted and that many of the larger installations will have the cleaning/disinfecting schedule under automatic/computer control.
Detergent cleaning
Brine sections - Heat exchangers which incorporate brine cooling sections necessitate special conditions. Before undertaking the cleaning programme it is essential that the brine section should be filled with dilute (0.25 percent) caustic soda or alkaline detergent to inhibit the corrosive action of the chloride ions at the temperature employed for cleaning.
General precautions -
Detergents should always be carefully measured or dosed into the balance tank to give the desired strength of cleaning solution. If equipment to monitor the conductivity (and hence the strength) of the cleaning solution is not fitted, it is recommended that the solution strengths are checked by titrimetry.
Alkalis (and acids) will attack tinned metals, gunmetal, copper, bronze and solder. If the plant is not constructed entirely in stainless steel, further advice should be sought.
Rinsing must be carried out at sufficiently high flow rates to give turbulent flow in the circuit. High temperatures are not necessary for rinsing. With hard water, final rinsing should be carried out at under 38°C (100°F) and even with soft water there is no need to exceed this. Before final rinsing, detergent solutions should be cooled to this temperature or lower.
Water should not be used for cleaning if it contains more than 100 ppm of chloride salts.
Acid descaling
General - Under no circumstances should sulphuric or hydrochloric acid be used for this operation. The recommended acids are phosphoric acid or nitric acid. Sulphamic acid may be used. Neither nitric nor phosphoric acid is corrosive to austenitic stainless steel under the conditions recommended for cleaning. However, nitric acid can cause deterioration of some types of rubber gaskets and therefore it is strongly recommended that under no circumstances should the concentration exceed 1 percent nor the temperature exceed 85°C (185°F). No such problems exist with phosphoric acid and concentrations of up to 5 percent at temperatures up to 85°C can be used without risk of damage to the gaskets.
Disinfecting agents
Whilst hot water is always the preferred disinfecting agent, chemical disinfection is commonly practised and among the chemicals used are the following:
Sodium hypochlorite 1
Chlorinated sodium phosphate 1
Organic chlorine containing compounds (e.g. dichloro dimethyl hydantoin) 1
Quaternary ammonium compounds
Peracetic acid
Iodophors, etc.
It should be borne in mind by maintenance engineers that these brief notes serve only as an introduction to the chemistry of plant cleaning and for more detailed information a study should be made of appropriate publications.