The report was completed after the closing session under the control of the Chairman, Mr Bard. Its adoption shall be considered as final if no objection is transmitted to CECAF. The Chairman expressed thanks to the participants for their work which has been considerable. Results achieved by the Working Group are very important and comparable to the 1976 achievements as regards updating of data. The Working Group closed its session on Saturday 12 December 1987 at 17.00 h.
REFERENCES
Ansa-Emmim, M. 1972 Statistical survey for juvenile Sardinella and Anchoviella. Fisheries Research Unit, Tema, Ghana, Information Rep. 6:16 p.
Bakun, A. 1978 Guinea current upwelling. Nature, 271, 147–150
Baron, J.C. 1968 Etude Préliminaire des protéines du cristallin de deux espèces de Sardinella (S. aurita, S. eba). Doc. Scient.Prov., CRO Abidjan, 28:21 p.
Baron, J.C. 1969 Note sur le sang de Sardinella eba. Doc. CRO Abidjan, non référencié:17 p.
Ben Tuvia, A. 1959 Fluctuations in the stock of Sardinella aurita and its dependence to temperature and rain. Proceedings of the World Scientific Meeting on the biology of sardines and related species. Rome 14–21 Sept., Vol. 3, 1193–1203
Bernacsek, G.M. 1986 Profile of the marine resources of Ghana. Dakar, CECAF Programme, CECAF/TECH/86/71, 118 p.
Bernacsek, G.M. and A. Aziablé. 1986 Profil des ressources halieutiques du Bénin. Dakar, Programme COPACE, COPACE/TECH/86/72, 70 p.
Bernacsek, 1987 G.M., D.J. Faggianelli, G.K. Amegavie and F. Lhomme. Profil des ressources halieutiques du Togo. Dakar, Programme COPACE, COPACE/TECH/87/82, 91 p.
Binet, D. 1982 Influence des variations climatiques sur la pêcherie des Sardinella aurita ivoiro-ghanéennes: relation sécheresse-surpêche. Oceanologica Acta, 5(4): 443–452
Binet, D. 1983 Phytoplancton et production primaire des régions côtières à upwelling saisonniers dans le Golfe de Guinée. Océanogr. trop., 18(2): 331–335
Boely, T. and P. Fréon. 1980 Coastal pelagic resources: FAO Fish.Tech.Pap., 186.1:13–76
Busalachi, A.J. and J. Picaut. 1983 Seasonal variability from a model of the tropical Atlantic Ocean. J.Phys.Ocean., 13:1564–88
Cury, Ph. and C. Roy. 1985 Small pelagic fish abundance and upwelling off the Ivory Coast. Presented at Unesco Symposium on vertical motions in the equatorial upper ocean and its effect upon living resources and the atmosphere. Paris, May 6–10
Cury, Ph. and C. Roy. 1987 Upwelling et pêche des espèces pélagiques côtières de Côte d'Ivoire: Approche globale. (in press in Oceanologica Acta)
Cury, Ph. and A. Fontana. 1988 Dynamique comparée de deux espèces de sardinelles des côtes ouest-africaines. Première partie: Apparences et réalités de la compétition entre Sardinella aurita et Sardinella maderensis (in preparation)
Cury, Ph. and A. Fontana. 1988 Dynamique comparée de deux espèces de sardinelles de côtes ouest-africaines. Deuxième partie: Stratégies démographiques de Sardinella aurita et Sardinella maderensis (in preparation)
Faggianelli, D.J. and E. Faggianelli. 1984 La pêche maritime artisanale au Togo: Caractéristiques générales et résultats statistiques pour la saison 1983–84. Centre ORSTOM, Lomé:83 p.
Faggianelli, D.J. 1987 Rapport de voyage au Togo, Bénin et Côte d'Ivoire (9–18.11.87), Programme COPACE, TRAM n° 243, décembre 1987
FAO. 1974 Rapport terminal du projet FI:DP/IVC/66/506. Etude et mise en valeur des ressources en poissons pélagiques côtiers. Conclusions et recommandations. FAO, Rome: 72 p.
FAO. 1980 Rapport du groupe de travail ad hoc sur les sardinelles des côtes de Côte d'Ivoire-Ghana-Togo. Rome, FAO COPACE/PACE Séries 80/21:73 p.
FAO. 1980 Report of the ad hoc working group on Sardinella off the coast of Ivory Coast-Ghana-Togo. Rome, FAO CECAF/ECAF Series 80/21:72 p.
FAO. 1982 Report of the ad hoc working group on Sardinella off the coast of Ivory Coast-Ghana-Togo. Dakar, CECAF Programme, CECAF/TECH/82/40:72 p.
Fishery Research Unit, Tema/ORSTOM. 1976 Rapport du groupe de travail sur la sarinelle (S.aurita) des côtes ivoiro-ghanéennes. Abidjan, 28 juin-3 juillet 1976. Abidjan, ORSTOM, 63 p.
Fonteneau, A. and E.G. Marchal. 1970 Récolte, stockage et traitement de données statistiques relatives à la pêche des sardiniers (filet tournant) en Côte d'Ivoire. Doc.Scient., CRO, Abidjan, vol. 1:21–30
Fréon, P. 1983 Production models as applied to substocks depending on upwelling fluctuations. In G.D. Sharp and J. Csirke (eds.). Proceedings of the expert consultation to examine changes in abundance and species composition of neritic fish resources. FAO Fish Rep., 292, vol. 3:1047–1066
Fréon, P. 1986 Réponses et adaptation des stocks de clupéides d'Afrique de l'Ouest à la variabilité du milieu et de l'exploitation. Analyse et réflexion à partir de l'exemple du Sénégal. Thèse Doctorat d'Etat. Université d'Aix-Marseille II
Frielink, A.B. 1987 Cost and earnings of the industrial Sardinella fisheries in three West African countries in 1983. Dakar, CECAF Programme, CECAF/TECH/87/80, 46 p.
Gouriou, Y. 1988 Le milieu dans l'Atlantique tropical est. In Resources, pêche et biologie des thonidés tropicaux de l'Atlantique Centre-Est, édité par A. Fonteneau et J. Marcille. FAO Doc. tech. Pêches, (292): 11–32
Gulland, J.A. and S. Garcia. 1984 Observed patterns in multispecies fisheries in exploitation of marine communities, ed. R.M. May, pp. 155–190. Dahlem Konferenzen 1984. Berlin
Hartsuijker, L. 1972 Analysis of the biometric data from samples of Sardinella eba and S. aurita. Projet de développement de la pêche pélagique côiére. FAO/PNUD RS 9/72: 12 p.
Hem, S. Etat 1976 des stocks pélagiques en Côte d'Ivoire. Doc.Scient. CRO Abidjan, vol. VII, 2:29–47
Houghton, R.W. 1983 Seasonal variations of the subsurface thermal structure in the Gulf of Guinea. J. Phys.Ocean., 13: 2070–81
Ingham, M.C. 1970 Coastal upwelling in the northwestern Gulf of Guinea. Bull.Marine Sci., 20(1): 1–34
Krzei, S. 1972 Etude de la distribution et de l'abondance des larves de clupéides sur le plateau continental ivoirien durant la période 1971–1972. Projet de développement de la pêche pélagique côtiére. FAO/PNUD RS 6/72: 15 p.
MacCall, A. 1983 Population models of habitats selection with applications to the northern anchovy. South West Fishery Center. Administrative report. NJ-84–01
Marchal. E.G. and J. Picaut. 1977 Répartitions et abondance évaluée par écho-intégration de poissons du plateau ivoiro–ghanéen en relation avec les upwellings locaux. J.Rech.Océanogr, vol.2, n° 4:39,57 p.
Mendelssohn, R. and Ph. Cury. 1987 Forecasting a fortnightly abundance index of the Ivorian coastal pelagic species and associated environmental conditions. Can.J.Fish. Aquat. Sci., 44: 408–421
Mendelssohn, R. and P. Cury. Temporal and spatial dynamics of a coastal pelagic species, Sardinella maderensis, off Ivory Coast. Can.J.Fish.Aquat.Sci. (in press)
Morliére, A. 1970 Les saisons marines devant Abidjan. Doc. Scient. CRO Abidjan, 1, 1–15
Moore, D. et al., 1978 Equatorial adjustment in the eastern Atlantic. Geophys.Res.Lett., 5–8, 637–640
Ofori-Adu, D.W. 1978 The occurrence of thermocline on the shelf of Ghana and the significance of thermocline depth variations to the surface schooling fishes. Marine Fishery Research Report, n° 6, Fishery Research Unit, Tema, 49 p.
Picaut, J. 1981 On the variations of the sea water temperatures along the west coast of Africa. Rep.Marine Sci.Unesco, 17: 31–2
Picaut, J. 1983 Propagation of the seasonal upwelling in the eastern equatorial Atlantic. J.Phys.Ocean., 13, 18–37
Stromme, T. 1983 Report of the R/V Dr. FRIDTJOF NANSEN fish resource surveys off West Africa, Morocco to Ghana and Cape Verde. May 1981-March 1982. Rome, CECAF Programme CECAF/ECAF Series 84/29: 190 p.
Troadec, J.P., W.G. Clark and J.A. Gulland. 1980 A review of some pelagic fisheries in other areas. ICES Symposium on the biological basis of pelagic fisheries and their management. Rapp.P.v.Réun.Cons.int.Explor.Mer, 177: 252–277
Villegas, L. 1971 Distribution and relative abundance of coastal pelagic fish off Ivory Coast and Ghana in 1970. UNDP/SF Project Survey and Development of Pelagic Fish Resources. 13 p. (mimeograph)
Zei, M. 1969 Sardines and related species of the eastern tropical Atlantic. In Proceedings of the symposium on the oceanography and fisheries resources of the tropical Atlantic, Review papers and contributions, p. 101–108. Unesco, Paris, 430 p.
| Ghana | Côte d'Ivoire | ||
|---|---|---|---|
| Port Bouët1 | Abidjan2 | ||
| 1963 | 24,3 | ||
| 1964 | 32,5 | ||
| 1965 | 19,8 | ||
| 1966 | 20,7 | 6,6 | 17,7 |
| 1967 | 41 | 12,7 | 36,7 |
| 1968 | 6 | 3,2 | 10 |
| 1969 | 25 | 9,1 | 27 |
| 1970 | 19,6 | 8,2 | 19,7 |
| 1971 | 27,2 | 10,1 | 27,7 |
| 1972 | 25,9 | 7,7 | 22,5 |
| 1973 | 18,2 | 6,9 | 16 |
| 1974 | 24,8 | 5,6 | 19,8 |
| 1975 | 31,5 | 7,7 | 21,4 |
| 1976 | 35,2 | 11,2 | 22,5 |
| 1977 | 24,4 | 8 | 25,3 |
| 1978 | 32,1 | 13 | 7,9 |
| 1979 | 8,8 | 5,1 | 15,5 |
| 1980 | 18,6 | 7,1 | |
| 1981 | 19,1 | 6,8 | |
| 1982 | 30,8 | 9,2 | |
| 1983 | 25,7 | 6,9 | |
| 1984 | 26 | 8 | |
| 1985 | 30,2 | 9 | |
| 1986 | 36,1 | 10 | |
| 1987 | 4,2 | ||
1 Index based on the major upwelling
2 Annual indexSource: FRU, Tema and CRO, Abidjan
Source: FRU, Tema and CRO, Abidjan
| Country | Type of fishery | Type of gear |
|---|---|---|
| Côte d'Ivoire | Artisanal | Beach seine |
| Ali, Watsa | ||
| Industrial | Sardine-seiners, wooden, | |
| 12–35 m | ||
| Ghana | Artisanal | Beach seine |
| Ali | ||
| Poli ý combined | ||
| Watsa | ||
| Semi-industrial | Small seiners 8–12 m | |
| (seiners-trawlers) | Wooden seiners 12–37 m | |
| Industrial | Trawlers longer than 35 m | |
| Togo | Artisanal | Beach seine |
| Ali, Watsa | ||
| Benin | Artisanal | Beach seine |
| Ali, Watsa |
| Year | Ghana | Côte d'Ivoire | Togo | Benin | Total | ||
|---|---|---|---|---|---|---|---|
| ind. | art. | ind. | art. | art. | art. | ||
| 1963 | 1960 | 500 | 500 | * | * | * | 7960 |
| 1964 | 7180 | 22250 | 10900 | * | * | * | 40330 |
| 1965 | 1550 | 2350 | 4300 | * | * | * | 8200 |
| 1966 | 5800 | 4200 | 5774 | * | * | * | 15774 |
| 1967 | 11000 | 25200 | 10930 | * | * | * | 47130 |
| 1968 | 1800 | 2500 | 3941 | * | * | * | 8241 |
| 1969 | 6600 | 15900 | 7304 | * | * | * | 29804 |
| 1970 | 4800 | 14700 | 10911 | * | * | * | 30411 |
| 1971 | 3724 | 27492 | 4931 | * | * | * | 36147 |
| 1972 | 14716 | 72350 | 8381 | * | * | * | 95447 |
| 1973 | 4287 | 4701 | 181 | * | * | * | 9169 |
| 1974 | 623 | 1409 | 335 | * | * | * | 2367 |
| 1975 | 136 | 1930 | 9 | * | * | * | 2075 |
| 1976 | 1794 | 12009 | 1506 | * | 159 | * | 15468 |
| 1977 | 2755 | 13611 | 1008 | * | 50 | * | 17424 |
| 1978 | 6117 | 40257 | 3795 | * | 830 | * | 50999 |
| 1979 | 3597 | 9247 | 453 | 1265 | 41 | * | 14603 |
| 1980 | 2768 | 19126 | 1819 | 908 | 103 | * | 24724 |
| 1981 | 5529 | 10067 | 8770 | 1515 | 269 | * | 26150 |
| 1982 | 7330 | 14655 | 11207 | 6200 | 981 | * | 40373 |
| 1983 | 9024 | 36300 | 11671 | 15356 | 469 | * | 72820 |
| 1984 | 3398 | 34817 | 127 | 12043 | 1135 | * | 58520 |
| 1985 | 9429 | 54072 | 24351 | 18500" | 614 | 119 | 107085 |
| 1986 | 5509 | 45489 | 19510 | 20000" | 3300 | 200 | 94008 |
* = data not available but some catches effected
For Côte d'Ivoire some confusion met with S.maderensis
| Year | Ghana | Côte d'Ivoire | Togo | Benin | Total | ||
|---|---|---|---|---|---|---|---|
| ind. | art. | ind. | art. | art. | art. | ||
| 1963 | * | * | * | * | * | * | * |
| 1964 | * | * | * | * | * | * | * |
| 1965 | * | * | * | * | * | * | * |
| 1966 | * | * | 9700 | * | * | * | 9700 |
| 1967 | * | * | 9840 | * | * | * | 9840 |
| 1968 | * | * | 12660 | * | * | * | 12660 |
| 1969 | * | * | 6390 | * | * | * | 6390 |
| 1970 | * | * | 5880 | * | * | * | 5880 |
| 1971 | 590 | 4036 | 9227 | * | * | * | 13853 |
| 1972 | 688 | 4575 | 11517 | * | * | * | 16780 |
| 1973 | 1676 | 10906 | 5539 | * | * | * | 18121 |
| 1974 | 2511 | 16111 | 8600 | * | * | * | 27222 |
| 1975 | 9949 | 19523 | 7691 | * | * | * | 37163 |
| 1976 | 1247 | 17962 | 12407 | * | 21 | * | 31637 |
| 1977 | 2016 | 14716 | 16151 | * | 76 | * | 32959 |
| 1978 | 1298 | 11070 | 11598 | * | 663 | * | 24629 |
| 1979 | 1608 | 14249 | 15565 | 32 | 69 | * | 31523 |
| 1980 | 645 | 11310 | 8530 | 348 | 108 | * | 20491 |
| 1981 | 859 | 12445 | 9876 | 671 | 60 | * | 23911 |
| 1982 | 870 | 14007 | 4816 | 623 | 89 | * | 20405 |
| 1983 | 612 | 7667 | 8114 | 9063" | 419 | * | 25875 |
| 1984 | 1033 | 10077 | 7953 | 3180" | 1190 | * | 23433 |
| 1985 | 1826 | 22234 | 7349 | 7654" | 509 | 951 | 40523 |
| 1986 | 2088 | 16633 | 10077 | 8704" | 447 | 1313 | 39262 |
* = data not available but some catch effected
For Côte d'Ivoire some confusion met with S. aurita
| Year | Ghana | Côte d'Ivoire | Togo | Benin | Total |
|---|---|---|---|---|---|
| art. | art. | art. | art. | ||
| 1966 | * | * | * | * | * |
| 1967 | * | * | * | * | * |
| 1968 | * | * | * | * | * |
| 1969 | * | * | * | * | * |
| 1970 | * | * | * | * | * |
| 1971 | * | * | * | * | * |
| 1972 | 26780 | * | * | * | 26780 |
| 1973 | 14455 | * | * | * | 14455 |
| 1974 | 33439 | * | * | * | 33439 |
| 1975 | 32173 | * | * | * | 32173 |
| 1976 | 28657 | * | 469 | * | 29126 |
| 1977 | 35043 | * | 896 | * | 35939 |
| 1978 | 51365 | * | 627 | * | 51992 |
| 1979 | 36676 | 1029 | 517 | * | 38222 |
| 1980 | 37908 | 1865 | 2163 | * | 41936 |
| 1981 | 67536 | 826 | 2726 | * | 71088 |
| 1982 | 54950 | 214 | 6679 | * | 61843 |
| 1983 | 24392 | 505 | 5883 | * | 30780 |
| 1984 | 47231 | 2878 | 7075 | * | 57184 |
| 1985 | 27590 | * | 8363 | 1129 | 37082 |
| 1986 | 15208 | * | 3580 | 397 | 19185 |
* = data not available but some catches effected
| Year | Ghana | Còte d'Ivoire | Togo | Total | |||
|---|---|---|---|---|---|---|---|
| sard. | small trawlers | large trawlers | art. | ind. | art. | ||
| 1966 | 341 | * | 341 | ||||
| 1967 | 356 | * | 2356 | ||||
| 1968 | 582 | * | 582 | ||||
| 1969 | 1064 | * | 1064 | ||||
| 1970 | 2652 | * | 2652 | ||||
| 1971 | 5241 | * | 5241 | ||||
| 1972 | 1724 | 329 | 0 | 3394 | 3513 | * | 8960 |
| 1973 | 1237 | 94 | 7607 | 2003 | 238 | * | 11179 |
| 1974 | 52 | 16 | 83 | 485 | 59 | * | 695 |
| 1975 | 10 | 2 | 15 | 883 | 0 | * | 910 |
| 1976 | 22 | 1 | 0 | 72 | 0 | 57 | 152 |
| 1977 | 245 | 9 | 84 | 93 | 0 | 136 | 567 |
| 1978 | 4 | 0 | 214 | 304 | 0 | 31 | 553 |
| 1979 | 0 | 0 | 0 | 52 | 0 | 135 | 187 |
| 1980 | 14 | 0 | 163 | 43 | 0 | 250 | 470 |
| 1981 | 44 | 0 | 0 | 327 | 0 | 129 | 500 |
| 1982 | 20 | 0 | 0 | 48 | 0 | 321 | 387 |
| 1983 | 46 | 0 | 0 | 195 | 6 | 70 | 317 |
| 1984 | 172 | 1 | 26 | 540 | 11 | 54 | 804 |
| 1985 | 119 | 0 | 0 | 45 | 57 | 26 | 247 |
| 1986 | 2427 | 44 | 788 | 16865 | 374 | 83 | 20851 |
* = data not available but some catches effected
Note: For togo possibly mixed with other species for 1976–82
| 1972 | 1973 | 1974 | 1975 | 1976 | 1977 | 1978 | 1979 | 1980 | 1981 | 1982 | 1983 | 1984 | 1985 | 1986 | |
|---|---|---|---|---|---|---|---|---|---|---|---|---|---|---|---|
| Industrial F.* | 7073 | 7519 | 4977 | 3306 | 5070 | 4172 | 4719 | 3487 | 3514 | 4649 | 4541 | 5408 | 3538 | 6022 | 7203 |
| Artisanal F. | |||||||||||||||
| Set Net | 173140 | 383519 | 171794 | 239459 | - | 94005 | 158471 | 258644 | 127704 | 117995 | 193275 | 89354 | 180090 | 633124 | 178698 |
| Beach Seine | 68337 | 78718 | 94183 | 76150 | 55314 | 62254 | 55206 | 72344 | 68213 | 2823 | 75242 | 66956 | 85225 | 67095 | 108353 |
| Poli/Ali | 178059 | 186760 | 192311 | 180281 | 253539 | 286889 | 323646 | 376810 | 355927 | 388822 | 366369 | 537705 | 483452 | 435468 | 460678 |
| Industrial F.** | 3559 | 2399 | 2012 | 1683 | 1633 | 1893 | 2047 | 2634 | 2391 | 2207 | 1971 | 1511 | 2067 | 1715 | 2030 |
| Artisanal F.*** | 8778 | 9848 | 10473 | 10999 | 14769 | 16568 | |||||||||
| Beach seine | 9858 | ||||||||||||||
| Purse seine | 29157 | ||||||||||||||
| Ali | 3429 | ||||||||||||||
| Purse seine | 3183 | 4825 | |||||||||||||
| Beach seine | 4793 | 3431 | |||||||||||||
| Sardinella net | 3688 | 4851 |
** Sardine fleet: effort in searching-days
*** Only Vridi, as no data available for rest of coast
| Year | Country | ||||||||
|---|---|---|---|---|---|---|---|---|---|
| Ghana | Côte d'Ivoire | Togo | Benin | ||||||
| Ind. fish. | Semi-ind. fish. | Poli/Ali/Watsa | Beach seine | Set net | Ind. fish. | Art. fish. | Art. fish. | Art. fish. | |
| 1972 | 27 | 284 | 559 | ||||||
| 1973 | 22 | 361 | 2244 | 1081 | 2973 | 34 | 550 | ||
| 1974 | 35 | 280 | 27 | 540 | |||||
| 1975 | 25 | 249 | 20 | 603 | 500 | ||||
| 1976 | 28 | 226 | 20 | 218 | |||||
| 1977 | 16 | 244 | 3005 | 761 | 3532 | 22 | 259 | ||
| 1978 | 12 | 224 | 21 | 346 | 324 | ||||
| 1979 | 10 | 239 | 19 | ||||||
| 1980 | 10 | 238 | 20 | 235 | 341 | ||||
| 1981 | 14 | 232 | 3359 | 833 | 1734 | 17 | |||
| 1982 | 12 | 243 | 16 | 202 | 427 | ||||
| 1983 | 12 | 245 | 16 | 677 | 456 | 570 | |||
| 1984 | 10 | 252 | 16 | 673 | 609 | ||||
| 1985 | 17 | 239 | 15 | 679 | 511 | ||||
| 1986 | 4008 | 806 | 1733 | 17 | 706 | 314 | |||
Ind. fish. = Industrial fishery
Semi-ind. fish = Semi-industrial fishery
Art. fish. = Artisanal fishery
| Year | Ghana. sard | Ivorian sard | Ghanaian Poli/Ali | Ivorian Watsa | Ghanaian Beach seine | |
|---|---|---|---|---|---|---|
| (1) | (2) | |||||
| 1972 | 0.766 | 2.17 | 0.981 | 12 | 9 | |
| 1973 | 0.072 | 0.50 | 0.017 | 5 | 8 | |
| 1974 | 0.021 | 4.24 | 0.007 | 1 | 1 | |
| 1975 | 0.026 | 0.81 | 0.003 | 1 | 0 | |
| 1976 | 0.241 | 5.70 | 0.051 | 11 | 13 | |
| 1977 | 0.263 | 2.87 | 0.021 | 25 | 47 | |
| 1978 | 0.505 | 2.10 | 0.129 | 43 | 20 | |
| 1979 | 0.334 | 0.80 | 0.025 | 0.163 | 2 | 3 |
| 1980 | 0.438 | 1.39 | 0.048 | 0.094 | 3 | 3 |
| 1981 | 0.325 | 4.41 | 0.021 | 0.151 | na | 4 |
| 1982 | 0.502 | 7.57 | 0.035 | 0.508 | 2 | 4 |
| 1983 | 0.534 | 15.22 | 0.059 | 0.768 | 46 | 45 |
| 1984 | 0.324 | 4.25 | 0.047 | 0.586 | 7 | 13 |
| 1985 | 0.622 | 21.40 | 0.139 | 19 | 28 | |
| 1986 | 0.238 | 11.67 | -0.053 | 177 | (161) | |
| CPUE expressed in t/trip except for Ivorian sardine fleet (in t/searching day) and Ghanaian beach seines (in kg/trip) | ||||||
(1) = annual CPUE calculated from January to December
( ) = estimate over 7 months (June-December 1986)
Ghana. sard. = Ghanaian sardine fleet
Ivorian sard. = Ivorian sardine fleet
| Year | Ghana | Côte d'Ivoire | Benin | Togo | ||||||||
|---|---|---|---|---|---|---|---|---|---|---|---|---|
| Beach seine | Set net | Poli/ Ali | Sard. | Sard. | Wasta | Purse seine | Beach seine | Sardinelle net | Purse seine | Beach seine | Sardinelle net | |
| 1972 | 18,9 | 1,3 | 15,1 | 47,2 | 3 850 | - | * | * | * | * | * | * |
| 1973 | 39,2 | 0,7 | 40,4 | 86,5 | 2 830 | - | * | * | * | * | * | * |
| 1974 | 51 | 5,4 | 28,2 | 205,9 | 4 590 | - | * | * | * | * | * | * |
| 1975 | 71,3 | 2,3 | 75,2 | 277,2 | 6 840 | - | * | * | * | * | * | * |
| 1976 | 128,4 | 6,3 | 42,2 | 274,4 | 8 200 | - | * | * | * | * | * | * |
| 1977 | 145,6 | 2,7 | 18,8 | 406,8 | 8 030 | - | * | * | * | * | * | * |
| 1978 | 66,5 | 1,8 | 21,7 | 273,1 | 6 940 | - | * | * | * | * | * | * |
| 1979 | 25 | 11 | 25,4 | 459,9 | 5 880 | 4 | * | * | * | * | * | * |
| 1980 | 17,3 | 2 | 27,8 | 173,6 | 5 110 | 31 | * | * | * | * | * | * |
| 1981 | 17,5 | 7,2 | 27,5 | 140,5 | 4 110 | 65 | * | * | * | * | * | * |
| 1982 | 21,6 | 0 | 34,5 | 163,8 | 4 200 | 65 | * | * | * | * | * | * |
| 1983 | 7,8 | 0,6 | 13,2 | 128,7 | 12 950 | 79 | * | * | * | * | * | * |
| 1984 | 5,9 | 2,1 | 19 | 264,9 | 5 270 | 38 | 21,8 | 31,2 | 205,8 | * | * | * |
| 1985 | 13,8 | 0,6 | 48,9 | 170,7 | 3 700 | * | * | * | * | 26,9 | 1,3 | 162,9 |
| 1986 | 43,7 | 4,5 | 25,7 | 173,3 | 6 650 | * | * | * | * | 10,4 | 1,1 | 63,1 |
All CPUE expressed in kg/trip except for Ivorian sardine fleet (in kg/searching day)

Fig. 1 Different enrichment areas in the eastern tropical Atlantic (Voituriez and Herbland, 1982)

Fig. 2 Mean thermal transects from 0 to 300 m between Abidjan and 6°S to 4°W. Upward movement of isotherms in July on the coast (5°N) and the Equator is clearly visible. Surface temperature is minimum between 2°S and 3°S due to wind divergence (Gourious, 1988)

Fig. 3A, 3B, 3C Upwelling indices for different threshold temperatures at Tema and Abidjan, 1966–82 (Source: Ph. Cury)

Fig. 4 Correlation of upwelling indices for Tema and Abidjan during the long cold season (Source: Ph. Cury)

Fig. 5 Correlation of upwelling indices for Tema and Abidjan during the short cold season (Source: Ph. Cury)

Fig. 6A and 6B Graph (A) and Correlation (B) of upwelling indices during short and long cold seasons at Abidjan from 1966 to 1982 (Source: Ph. Cury)

Fig. 7A and 7B Graph (A) and Correlation (B) of upwelling indices during short and long cold seasons at Tema from 1966 to 1979 (Source: Ph. Cury)

Fig. 8 Upwelling indices for Tema (Ghana) and Port Bouët (Côte d'Ivoire) from 1963 to 1986

Fig. 9 Total artisanal catches of Ghana for S. aurita, S. maderensis and E. encrasicolus from 1963 to 1986
Source: FRU, Tema

Fig. 10 Length frequency of S. aurita for industrial seiners landing at Abidjan (---) and canoes of Vridi (—) (Côte d'Ivoire) (July to December 1985)
Source: CRO, Abidjan

Fig. 11 Number of S. aurita sampled from September to December 1986 at Vridi (artisanal seiners) and at the port of Abidjan (industrial purse seiners) Vridi: continuous line Abidjan: dotted line
Source: CRO, Abidjan

Fig. 12 Measurements of S. maderensis from September to December 1986 at Vridi and the port of Abidjan Vridi: continuous line AbidjanL dotted line

Fig. 13 Number of S. aurita individuals by size class from beach seine and purse seine catches in 1982 in Ghana
Source: FRU, Tema

Fig. 14 Evolution of annual CPUE of S. aurita for different gear in Ghana and Côte d'Ivoire from 1972 to 1986

ð Ivorian purse seiners
+ Ivorian Watsa 1/10
Fig. 15 Catch per unit effort to S. aurita for Ivorian purse seiners and Watsa nets from 1972 to 1986

Fig. 16 Monthly catch per unit effort of S. aurita of Ghanaian beach seiners from 1972 to 1986
Source: FRU, Tema

Recruitment index-beach seine1
(TYear 1975= June 1975 to May 1976)
Fig. 17 Relation between indices of upwelling, total catch of S. aurita and recruitment indices from 1963 to 1986
1 The value for 1986 is an estimate based on data available from June to December 1986

Fig. 18 Catch per unit effort of S. aurita for the Ghanian and Ivorian seiners from 1972 to 1986

Fig. 19 Catch per unit effort of S. aurita for four artisanal fishing gears of Ghana and Côte d'Ivoire

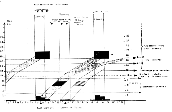
Fig. 20 Life cycle and exploitation strategy of S. aurita. After S. Garcia

Fig. 21 Interpretation and evolution in space of the abundance of S. aurita, taking into consideration the theory of the Mac Call Basin
After Ph. Cury

Fig. 22A, 22B CPUE of S. aurita in Côte d'Ivoire for seiners from 1977 to 1986 (per fortnight)
After Ph. Cury

Fig. 23 Monthly CPUE for Sardinella maderensis in Ghana of the semi-industrial fishery from 1984 to 1986
Source: FRU, Tema

Fig. 24a CPUE of S. maderensis in Ghana for set net (1983–86)
Source: FRU, Tema

Fig. 24b CPUE of S. maderensis in Ghana for beach seine (1983–86)
Source: FRU, Tema

Fig. 24c CPUE of S. maderensis for Poli/Ali in Ghana (1983–86)
Source: FRU, Tema

Fig. 25a Monthly CPUE of S. maderensis for purse seine in Benin in 1985 and 1986
Source: IDAF Project, Cotonou

Fig. 25b Monthly CPUE of S. maderensis for beach seine in Benin in 1985 and 1986
Source: IDAF Project, Cotonou

Fig. 25c Monthly CPUE of S. maderensis for sardinella net Benin in 1985 and 1986
Source: IDAF Project, Cotonou

Fig. 26a CPUE of S. maderensis for purse seine in Togo from August 1983 to September 1984
Source: D.J. Faggianelli, 1984

Fig. 26b CPUE of S. maderensis for beach seine in Togo from October 1983 to September 1984
Source: D.J. Faggianelli, 1984

Fig. 26c CPUE of S. maderensis for surrounding ner in Togo from October 1983 to September 1984
Source: D.J. Faggianelli, 1984

Fig. 27 Global model integrating the climate variable (CPUE of S. maderensis as a function of the upwelling in Ghana the year “i”, of the Ghanian upwelling the year “i-1” and the total Ivorian effort) used to analyse the evolution of CPUE of S. maderensis of industrial Ivorian seiners
Source: Ph. Cury

Fig. 28 CPUE of Engraulis encrasicolus in Ghana and Côte d'Ivoire for three types of artisanal fishing gear (beach seine and Poli/Ali in Ghana; Watsa in Côte d'Ivoire) from 1972 to 1986
ð Beach Seine Ghana
+ Poli/Ali Ghana
¾ Watsa Côte d'Ivoire
| Addra Ayaovi | Direction des Productions Animales, Lomé, Togo |
| Adegbite Toussaint | Direction des pêches, Cotonou, Bénin |
| Arra Joseph | Institut de Recherches Mathématiques, 08 BP 2030 Abidjan 08 |
| Atti Mama Cyriaque | Socio-économiste, Programme DIPA, Bénin |
| Bard Xavier-François | Directeur Centre de Recherches Océanographiques (CRO), Abidjan, Côte d'Ivoire |
| Cissoko Souleymane | Hydro-physicien, CRO, Abidjan, Côte d'Ivoire |
| Cornelis Peter | Expert Associé Biologiste, Programme DIPA, Bénin |
| Cury Philippe | Biologiste ORSTOM, CRODT, Dakar, Sénégal |
| Faggianelli Don Jacques | Biologiste, COPACE, Dakar, Sénégal |
| Garcia Serge | FAO Fisheries Department, Rome, Italy |
| Konan Jacques | Biologiste CRO, Abidjan, Côte d'Ivoire |
| Koranteng Kwame | Biometrician, Fishery Research Unit, Tema, Ghana |
| Kwei Eric | Star-Kist, Box 40, Tema, Ghana |
| Pezennec Olivier | Biologiste CRO, Abidjan, Côte d'Ivoire |
| Quaatey Samuel | Biologist, Fisheries Research Unit, Tema, Ghana |
| Senouvo Prosper | Biologiste, Projet modéle DIPA, Bénin |
| Taconet Marc | Expert Associé Biologiste, COPACE, Dakar, Sénégal |
| Vendeville Philippe | Biologiste ORSTOM, CRO, Abidjan, Côte d'Ivoire |
Appendix 2
ANNOTATED AGENDA
| 1. | Opening, introduction of participants and designation of Chairman and rapporteurs | ||
| 2. | Adoption of the agenda | ||
| 3. | Summarized presentation of the relation Fishery-Climate and the results of previous working groups | ||
| 4. | Hydrographic and environmental characteristics in the sub-region | ||
| 5. | Description of fisheries: | ||
| 5.1 | Artisanal sector | ||
| 5.2 | Semi-industrial sector | ||
| 5.3 | Industrial sector | ||
| 6. | Available data: | ||
| 6.1 | Statistical data (artisanal, semi-industrial and industrial) | ||
| 6.2 | Biological data | ||
| 6.3 | Environmental data | ||
| 7. | Data analysis: | ||
| 7.1 | Biostatistical data: | ||
| 7.1.1 | Global models | ||
| - on Sardinella aurita (Ghana and Côte d'Ivoire) | |||
| - on Sardinella maderensis | |||
| - on Engraulis encrasicolus | |||
| 7.1.2 | Analytical models: | ||
| - on Sardinella aurita | |||
| 7.1.3 | Recruitment | ||
| 7.2 | Attempt to explain the disappearance of Scomber japonicus | ||
| 8. | Results of evaluation of stocks | ||
| 9. | Management proposals | ||
| 9.1 | Artisanal sector | ||
| 9.2 | Industrial sector | ||
| 9.3 | All sectors | ||
| 10. | General conclusions | ||
| 11. | Recommendations | ||
| 11.1 | Industrial sector | ||
| 11.2 | Artisanal sector | ||
| 11.3 | All sectors | ||
| 12. | Adoption of the final report | ||
| 13. | Closing | ||
| 1979 | 1980 | 1981 | 1982 | 1983 | 1984 | |||||||
|---|---|---|---|---|---|---|---|---|---|---|---|---|
| especes species | C.PUE | C.PUE | C.PUE | C.PUE | C.PUE | C.PUE | ||||||
| S.aurita | 1265 | 163 | 908 | 94 | 1515 | 151 | 6200 | 508 | 11636 | 768 | 10200 | 586 |
| S.mader | 32 | 4 | 348 | 31 | 671 | 65 | 623 | 65 | 1131 | 79 | 633 | 38 |
| T.lepturus | 1531 | 147 | 1614 | 184 | 1248 | 113 | 701 | 68 | 394 | 27 | 214 | 14 |
| E.encrasic | 1029 | 124 | 1865 | 164 | 826 | 85 | 214 | 17 | 505 | 33 | 2878 | 143 |
| B.auritus | 181 | 22 | 366 | 33 | 173 | 17 | 189 | 18 | 48 | 3 | 6 | 0,4 |
| Chinchards | 305 | 34 | 151 | 17 | 362 | 35 | 303 | 25 | 405 | 27 | 325 | 21 |
| Thonides | 94 | 10 | 607 | 55 | 723 | 68 | 943 | 75 | 692 | 47 | 132 | 9 |
| divers | 460 | 55 | 541 | 52 | 1020 | 98 | 796 | 81 | 1948 | 130 | 516 | 30 |
| Total en/in tonnes/tons | 4897 | 559 | 6400 | 630 | 6538 | 632 | 9969 | 857 | 16759 | 1114 | 14904 | 841 |
| effort en/in nb de sorties no of trips | 8778 | 9848 | 10473 | 10999 | 14769 | 16568 | ||||||
C. =catch
Source: J.M. Ecoutin, ORSTOM
| 1f (cm) | Nb/No.indiv. mesurés/ measured | Poids moyen/ mean weight (g) | Poids de l'échan- tillon/Sample weight (g) | Estimation du nb total d'individus capturés en 1982* |
|---|---|---|---|---|
| 1 | ||||
| 2 | 1 | 0,13 | 0,13 | 11127 |
| 3 | 175 | 0,38 | 66,50 | 1947281 |
| 4 | 1032 | 0,85 | 87,20 | 11483394 |
| 5 | 1587 | 1,62 | 2570,94 | 17659056 |
| 6 | 1561 | 2,76 | 4308,26 | 17369746 |
| 7 | 1006 | 4,37 | 4396,22 | 11194083 |
| 8 | 555 | 6,33 | 3624,15 | 6175662 |
| 9 | 136 | 9,33 | 1268,88 | 1513315 |
| 10 | 2 | 12,86 | 25,72 | 22255 |
| 11 | ||||
| 12 | ||||
| Total | 17138 | 6737919 |
| 1f (cm) | Nb/No.indiv. mesurés/ measured | Poids moyen/ mean weight (g) | Poids de l'échan- tillon/Sample weight (g) | Estimation du nb total d'individus capturés en 1982* |
|---|---|---|---|---|
| 9 | ||||
| 10 | 1 | 15,35 | 15,35 | 1569335 |
| 11 | 1 | 20,1 | 20,10 | 1718999 |
| 12 | 5 | 25,72 | 128,60 | 10998174 |
| 13 | 19 | 32,3 | 613,70 | 52485067 |
| 14 | 62 | 39,91 | 2474,42 | 2,1E+08 |
| 15 | 165 | 48,62 | 8022,30 | 6,9E+08 |
| 16 | 242 | 58,51 | 14159,42 | 1,2E+09 |
| 17 | 293 | 69,64 | 20404,52 | 1,7E+09 |
| 18 | 287 | 82,09 | 23559,83 | 2,0E+09 |
| 19 | 81 | 95,93 | 7770,33 | 6,6E+08 |
| 20 | 24 | 111,24 | 2669,76 | 2,3E+08 |
| 21 | 13 | 128,08 | 1665,04 | 1,4E+08 |
| 22 | 1 | 146,50 | 146,50 | 12529024 |
| Total | 81649,98 | 6983145448 |
* : Estimation of the total number of individuals caught in 1982Source: FRU, Tema
Source: FRU, Tema
Appendix 5
PREDICTIONS SUR L'ETAT DES STOCKS DE PELAGIQUES COTIERS DANS LE GOLFE DE GUINEE OUEST
Deux types de prédictions sont considérés : - à court terme - à moyen terme
1). Prédiction à court terme
Le court terme est défini comme les fluctuations à des échelles de la quinzaine. A l'heure actuelle, des modéles existent mais sont d'une applicabilité difficile. La transmission informelle de l'information semble, à court terme, bien mieux évaluée par les pêcheurs que par les scientifiques. Ceci ne semble pas vrai pour le moyen terme oú la recherche accumule de l'information sur plusieurs années.
2). Prédiction à moyen terme
On raisonne ici en termes de fluctuations annuelles.
La prédiction est impossible pour Scomber japonicus oú la série chronologique ne permet pas de corréler l'évolution des prises ou des
Dans Le cas de Sardinella aurita, il est possible de prédire les fluctuation d'une année sur l'autre avec cependant une limitation due au fait que l'on utilise des indices upwellings de l'année oú a lieu la pêche et que certains sont difficiles à prédire. On dispose également d'un indice de recrutement donné par les sennes de plage ghanéennes (de juin à mai). Il peut être interprété comme un indice d'abondance des recrues (cf. Figure 20), vraisemblablement affecté par une variabilité de disponibilité et de capturabilité des poissons vis–à–vis de la senne de plage.
La taille du stock exprimée par les PUE est bien corrélée au niveau du recrutement de l'année i-l exprimé par la PUE des sennes de plages (ceci est conforté, entre autres, par les contributions dans les modéles des années i-l de l'indice d'upwelling). On observe une bonne concordance entre l'indice de recrutement et les prises de. S.aurita pour l'ensemble de la zone ivoiro-ghanéenne. Cela pourrait donc être intéressant de disposer d'un indice de recrutement permettant d'avoir une idée de l'importance des prises l'année suivante.
L'indice d'upwelling semble lié à l'indice de recrutement (un faible indice aura un effet néfaste sur le recrutement). La situation à venir pour l'année 1988 pour S. aurita peut être résumée ainsi : (voir page suivante).

* (sardibelles de petite taillè transformées en farine).
** (estimé à partir de la relation entre l'indice Tema et l'indice Port Bouet).
Note : Cette table présente le type de raisonnement empirique détaillé pouvant conduire à une prédiction éventuelle du niveau (exceptionnel, moyen, faible) des captures de l'année suivante si toutes les données disponibles sont disponibles (captures, rendements et tailles capturées, par saison de pêche et par flotte, indices d'upwelling, données pluviométriques).
Appendix 6
DONNEES COMPLEMENTAIRES SUR L'ABONDANCE D'ANCHOIS A PARTIR DES DONNEES DE PECHE D'APPAT REALISEE PAR LES THONIERS CANNEURS BASES A TEMA (d'aprés E. Kwei)
* Rendement de l'appâ utilisé parle navire AFKO 308:
| données sur l'appât | dates | quantites |
|---|---|---|
| minimum utilisé | 24–7–86 au 4–8–86 | 340 seaux |
| peché et utilisé | 5–8–86 au 15–8–86 | 663 |
| pêche et utilisé | 16–8–86 au 31–8–86 | 660 |
| Total estimé | 24–7–86 au 31–8–86 | 1663 seaux |
Le poids d'appât contenu dans un seau est estimé visuellement à 2 kg, la prise totale de la marée est de 200 mt. donc:
rendement = 200 000/3326 = 60 kg thon/ 1 kg d'appât
Espéce de l'appâ est principalement l'anchois Engraulis encrasicolus.

Temps passé pour faire de l'appât (principalement anchois) par les thoniers canneurs basés à Tema. Chaque point représente le temps relatif à une marée,
Appendix 8
CARTE DES SECTEURS UTILISES POUR LES STATISTIQUES DE PECHE NATIONALE AU GHANA ET EN COTE D'IVOIRE

-Côte d'Ivoire : Les secteurs (de 1 à 8) sont basés sue les degres de longitude. Les secteurs 1 à 3 recouvrent une partie du Ghana.
-Ghana : Administrative boundaries (w, c, a, v)
LISTE DES RAPPORTS COPACE/PACE - LIST OF CECAF/ECAF REPORTS
FAO. 1975 A bibliography of West African marine fisheries and fishery oceanography. Rome, FAO, CECAF/ECAF Series 75/1, 145 p., Supplement 1, 73 p.
FAO. 1975 Bibliographie sur les pêches maritimes et l'océanographie appliquée aux pêches en Afrique de l'Ouest. Rome, FAO, COPACE/PACE Séries 75/1, 145 p., Supplément 1, 73 p.
Ansa–Emmim, M. and D. Levi. 1975 Biostatistical data for stock assessment purposes: Present situation and suggestions for improvement. Rome, FAO, CECAF/ECAF Series 75/2, 16 p.
Ansa–Emmim, M. et D. Levi. 1975 Données biostatistiques requises aux fins d'évaluation des stocks: Situation présente et suggestions pour leur amélioration. Rome, FAO, COPACE/PACE Séries 75/2, 17 p.
Hamlisch, R. and G.K.F. Moore. 1975 Joint ventures in fishery development in the CECAF area. Rome, FAO, CECAF/ECAF Series 75/3, 25 p.
Hamlisch, R. et G.K.F. Moore. 1975 Les armements communs et le développement des pêches dans la zone du COPACE. Rome, FAO, COPACE/PACE Séries 75/3, 26 p.
Everett, G.V. 1976 An overview of the state of fishery development planning in the CECAF region. Rome, FAO, CECAF/ECAF Series 75/4, 67 p.
Everett, G.V. 1976 Développement et planification halieutique dans la région du COPACE: Vue d'ensemble. Rome, FAO, COPACE/PACE Séries 75/4, 71 p.
FAO. 1977 Rapport du groupe de travail ad hoc sur l'exploitation de la crevette (Penaeus duorarum notialis) du secteur Mauritanie–Libéria. Rome, FAO, COPACE/PACE Séries 77/5, 85 p.
FAO. 1977 Rapport du groupe de travail ad hoc sur l'évaluation des stocks de crevette (Penaeus duorarum notialis) du secteur Côte d'Ivoire–Congo. Rome, FAO, COPACE/PACE Séries 78/6, 57 p.
FAO.1979 Report of the ad hoc working group on the evaluation of the shrimp stocks (Penaeus duorarum notialis) of the Ivory Coast–Congo sector. Rome, FAO, CECAF/ECAF Series 78/6, 59 p.
FAO. 1978 Report of the ad hoc working group on sardine (Sardina pilchardus Walb.). Rome, FAO, CECAF/ECAF Series 78/7, 35 p.
FAO. 1978 Rapport du groupe de travail ad hoc sur la sardine (Sardina pilchardus Walb.). Rome, FAO, COPACE/PACE Séries 78/7 35 p.
FAO. 1979 Report of the ad hoc working group on coastal demersal fish stocks from Mauritania to Liberia. Rome, FAO, CECAF/ECAF Series 78/8, 98 p.
FAO. 1979 Rapport du groupe de travail ad hoc sur les stocks côtiers démersaux vivant entre le sud de la Mauritanie et le Libéria. Rome, FAO, COPACE/PACE Séries 78/8, 99 p.
FAO. 1979 Report of the ad hoc working group on hakes (Merluccius merluccius (Linnaeus), Merluccius senegalensis (Cadenat) and Merluccius cadenati (Doutre), in the northern zone of CECAF. Rome, FAO, CECAF/ECAF Series 78/9, 93 p.
FAO. 1979 Rapport du groupe de travail ad hoc sur les merlus Merluccius merluccius (Linné), Merluccius senegalensis (Cadenat) et Merluccius cadenati (Doutre), dans la zone nord du COPACE. Rome, FAO, COPACE/PACE Séries 78/9, 93 p.
FAO. 1979 Report of the ad hoc working group on coastal pelagic fish in West Africa from Mauritania to Liberia (26°N to 5°N). Rome, FAO, CECAF/ECAF Series 78/10, 161 p.
FAO. 1979 Rapport du groupe de travail ad hoc sur les poissons pélagiques côtiers ouest–africains de la Mauritanie au Libéria (26°N à 5°N). Rome, FAO, COPACE/PACE Séries 78/10, 165 p.
FAO. 1979 Rapport du groupe de travail ad hoc sur l'évaluation des stocks de céphalopodes. Rome, COPACE/PACE Séries 78/11, 135 p.
FAO. 1979 Report of the ad hoc working group on cephalopod stocks in the northern zone of CECAF. Rome, FAO, CECAF/ECAF Series 78/11, 149 p.
Gulland, J.A. 1979 Towards the management of the resources of the CECAF region. Rome, FAO, CECAF/ECAF Series 79/12, 19 p.
Gulland, J.A. 1979 Vers la gestion des ressources de la région du COPACE, Rome, FAO COPACE/PACE Séries 79/12, 25 p.
Gulland, J.A. 1979 Problems of managing the CECAF hake and seabream stocks. Rome, FAO CECAF/ECAF Series 79/13, 7 p.
Gulland, J.A. 1979 La gestion des stocks de merlus et de sparidés dans la région du COPACE. Rome, FAO, COPACE/PACE Séries 79/13, 10 p.
FAO. 1979 Rapport du groupe de travail spécial sur l'évaluation des stocks démersaux du secteur Côte d'Ivoire–Zaïre. Rome, FAO, COPACE/PACE Séries 79/14, 74 p.
FAO. 1979 Report of the special ad hoc working group on the evaluation of demersal stocks of the Ivory Coast–Zaire sector. Rome, FAO, CECAF/ECAF Series 79/14, 74 p.
FAO. 1980 Report of the second meeting of the working group on sardine (Sardina pilchardus Walb.). Rome, FAO, CECAF/ECAF Series 79/15, 37 p. + appendixes
FAO. 1980 Rapport de la deuxième réunion du groupe de travail sur la sardine (Sardina pilchardus Walb). Rome, FAO, COPACE/PACE Séries 79/15, 40 p. + annexes
FAO. 1979 Catalogue des engins de pêche artisanale du Sénégal. Rome, FAO, COPACE/PACE Séries 79/16, 111 p.
FAO. 1981 A Manual on Acoustic Surveys: Sampling methods for acoustic surveys. Rome, FAO, CECAF/ECAF Series 80/17, 137 p.
Pereiro, J.A. y J.Bravo de Laguna. 1980 Dinámica de la población y evaluación de los recursos del pulpo del Atlántico Centro-oriental. Rome, FAO, CPACO/PACO Serie 80/18, 53 p.
Pereiro, J.A. et J.Bravo de Laguna. 1981 Dynamique des populations et évaluation des stocks de poulpe de l'Atlantique Centre-Est. Rome, FAO, COPACE/PACE Séries 80/18, 57 p.
Christy, F.T. 1979 Economic benefits and arrangements with foreign fishing countries in the northern sub-region of CECAF: A preliminary assessment. Rome, FAO, CECAF/ECAF Series 79/19, 39 p.
Christy, F.T. 1979 Bénéfices économiques et accords avec la pêche étrangère dans la sous-région septentrionale du COPACE: Evaluation préliminaire. Rome, FAO, COPACE/PACE Séries 79/19, 41 p.
FAO. 1980 Report of the ad hoc working group on Sardinella stocks from Congo to southern Angola. Rome, FAO, CECAF/ECAF Series 80/20, 56 p.
FAO. 1980 Rapport du groupe de travail ad hoc sur les sardinelles du Congo au sud de l'Angola. Rome, FAO, COPACE/PACE Séries 80/20, 59 p.
FAO. 1980 Report of the ad hoc working group on Sardinella off the coast of Ivory Coast-Ghana-Togo. Romè, FAO, CECAF/ECAF Series 80/21, 72 p.
FAO. 1980 Rapport du groupe de travail ad hoc sur les sardinelles des côtes de Côte d'Ivoire-Ghana-Togo. Rome, FAO, COPACE/PACE Séries 80/21, 73 p.
Grosslein, M.D. and A. Laurec. 1982 Bottom trawl surveys: Design, operation and analysis. Rome, FAO, CECAF/ECAF Series 81/22, 25 p.
Grosslein, M.D. et A. Laurec. 1982 Etudes par chalutage démersal: Planification, conduite des opérations et analyse des résultats. Rome, FAO, COPACE/PACE Séries 81/22, 27 p.
FAO. 1980 Report of the second ad hoc working group on coastal demersal stocks from southern Mauritania to Liberia. Rome, FAO, CECAF/ECAF Series 80/23, 11 p.
FAO. 1980 Rapport du deuxiéme groupe de travail ad hoc sur les stocks démersaux côtiers du sud de la Mauritanie au Libéria. Rome, FAO, COPACE/PACE Séries 80/23, 11 p.
FAO. 1982 Rapport du groupe de travail spécial sur les stocks de céphalopodes de la région nord du COPACE. Rome, FAO, COPACE/PACE Séries 82/24, 180 p.
FAO. 1982 Report of the special working group on cephalopod stocks in the northern region of CECAF. Rome, FAO, CECAF/ECAF Series 82/24, 178 p.
Garcia, S. 1982 Distribution, migration and spawning of the main fish resources in the northern CECAF area. Rome, CECAF/ECAF Series 82/25, 9 p. + 11 charts
Garcia, S. and L. Villegas. 1983 Demersal fish assemblages in Liberia, Ghana, Togo, Benin and Cameroon. Rome, FAO, CECAF/ECAF Series 83/26, 16 p. + 7 charts
FAO. 1984 Rapport du groupe de travail ad hoc sur les chinchards et les maquereaux de la zone nord du COPACE. Rome, FAO, COPACE/PACE Séries 83/27, 188 p.
Garcia, S. 1984 The problems of unstable resources management. Rome, FAO, CECAF/ECAF Series 84/28, 39 p.
Garcia, S. 1984 Les problémes posés par l'aménagement des ressources instables. Rome, FAO, COPACE/PACE Séries 84/28, 30 p.
FAO. 1984 Report on the R/V DR FRIDTJOF NANSEN fish resource surveys of West Africa: Morocco to Ghana, and Cape Verde, May 1981-March 1982. Rome, FAO, CECAF/ECAF Series 84/29, 190 p.
Roullot, J. et A.1984 Fahfouhi. Catalogue des engins de pêche du Maroc. Rome, FAO, COPACE/PACE Séries 84/30, 281 p.
Anum Doyi, B. 1984 Catalogue of small-scale fishing gear of Ghana. Rome, FAO, CECAF/ECAF Series 84/31, 62 p.
Poinsard, F. et S. Garcia.1984 L'évaluation des ressources et l'aménagement des pêches dans la région du COPACE: Analyse perspective. Rome, FAO, COPACE/PACE Séries 84/32, 36 p.
Poinsard, F. and S. Garcia. 1984 Stock assessment and fisheries management in the CECAF region: A perspective view. Rome, FAO, CECAF/ECAF Series 84/32, 34 p.
FAO. 1986 Rapport du premier groupe de travail spécial sur les pêcheries de merlus et de crevettes profondes dans la zone nord du COPACE. Rome, FAO, COPACE/PACE Séries 86/33, 295 p.
Ssentongo, G.W. and M. Ansa-Emmim.1986 Marine fishery resources of Sierra Leone: A review of exploited fish stocks. Rome, FAO, CECAF/ECAF Series 86/34, 76 p.
FAO. 1986 Rapport du groupe de travail ad hoc sur les ressources démersales et les crevettes du secteur Gabon-Congo. Rome, FAO. COPACE/PACE Séries 86/35, 100 p.
FAO. 1986 Report of the CECAF ad hoc working group on the demersal and shrimp resources of the Central Gulf of Guinea Division (34.3.5). Rome, FAO, CECAF/ECAF Series 86/36, 108 p.
Josse, E. et S.Garcia. 1986 Description et évaluation des ressources halieutiques de la ZEE mauritanienne. Rome, FAO, COPACE/PACE Séries 86/37, 310 p.
FAO. 1987 Report of the first ad hoc working group on sea bream (Sparidae) stocks in the northern CECAF Zone. Rome, FAO, CECAF/ECAF Series 86/38, 445 p.
FAO. 1986 Rapport de la troisième réunion du groupe de travail ad hoc sur la sardine Sardina pilchardus (Walb.). Rome, FAO, COPACE/PACE Séries 86/39, 157 p.
Ssentongo, G.W., 1986 E.T. Ukpe and T.O. Ajayi. Marine fishery resources of Nigeria: A review of exploited fish stocks. Rome, FAO, CECAF/ECAF Series 86/40, 62 p.
FAO. 1987 Rapport du troisième groupe de travail ad hoc sur l'évaluation des stocks de céphalopodes dans la région nord du COPACE. Rome, FAO, COPACE/PACE Séries 86/41, 88 p.
FAO. 1987 Catalogue des engins de pêche du Gabon. Rome, FAO, COPACE/PACE Séries 87/42, 65 p.
FAO. 1987 Catalogue des engins de pêche du Cameroun. Rome, FAO, COPACE/PACE Séries 87/43, 65 p.
Ssentongo, G.W. and J.C. Njock. 1987 Marine fishery resources of Cameroon: A review of exploited fish stocks. Rome, FAO, CECAF/ECAF Series 87/44, 57 p.
Ssentongo, G.W. 1987 Marine fishery resources of Liberia: a review of exploited fish stocks. Rome, FAO, CECAF/ECAF Series 87/45, 64 p.
FAO. 1987 Rapport du deuxième groupe de travail ad hoc sur les chinchards et les maquereaux de la zone nord du COPACE. Rome, FAO, COPACE/PACE Séries 87/46, 190 p.
FAO. 1989 Rapport de la consultation technique sur les petits pélagiques côtiers de la Division Statistique Golfe de Guinée ouest, Rome, FAO, COPACE/PACE Séries 89/47, 91 p.
FAO. 1989 Report of the Technical consultation on small pelagics species in statistical division: Western Gulf of Guinea. Rome, FAO, CECAF/ECAF Series 89/47 (in preparation)
FAO. 1989 Report of the ad hoc Working Group on demersal stocks in the western Gulf of Guinea Statistical Division of CECAF (Côte d'Ivoire, Ghana, Togo, Benin), Tenerife, 23–27 March 1987, Rome, FAO, CECAF/ECAF Series 89/48 (in preparation)
FAO. 1989 Rapport du groupe de travail ad hoc sur les stocks démersaux de Golfe de Guinée ouest (Division statique 34.3.4), Rome, FAO, COPACE/PACE Séries 89/48 (en préparation)
FAO. 1989 Les ressources de la ZEE mauritanienne: description, évaluation et aménagement. Rome, FAO, COPACE/PACE Séries 89/49 (en préparation)
LISTE DES RAPPORTS TECHNIQUES DU COPACE - LIST OF CECAF TECHNICAL REPORTS
Everett, G.V. 1976 Quelques observations et recommandations sur le développement de la pêche maritime en République du Togo. Dakar, Project COPACE, COPACE/TECH/76/1, 46 p.
Robertson, I.J.B. 1977 Summary report: FIOLENT 1976 Eastern Central Atlantic coastal fishery resource survey, southern sector. Rome, FAO, CECAF/TECH/77/2, 115 p.
Robertson, I.J.B. 1978 Compte-rendu sommaire: FIOLENT 1976. Prospection des ressources ichtyologiques côtières de l'Atlantique Centre-Est, secteur sud. Rome, FAO, COPACE/TECH/77/2, 117 p.
Talarczak, K. and I. Mizuishi. 1976 Industrial marine fisheries in the CECAF area. Part I: Morocco to Liberia. Dakar, CECAF Project, CECAF/TECH/76/3, 65 p.
Talarczak, K. et I. Mizuishi. 1976 Pêches maritimes industrielles dans la région COPACE. Premère Partie: du Maroc au Libéria. Dakar, Projet COPACE, COPACE/TECH/76/3, 75 p.
Everett, G.V. 1977 A preliminary analysis of the Ghanaian marine fishery sector with particular reference to future development. Dakar, CECAF Project, CECAF/TECH/77/4, 60 p.
Talarczak, K. and I. Mizuishi. 1977 Industrial marine fisheries in the CECAF area. Part II: Ivory Coast to Zaire. Dakar, CECAF Project, CECAF/TECH/77/5, 71 p.
Talarczak. K. et I. Mizuishi. Pêches maritimes dans la région COPACE, deuxième partie: la Côte d'Ivoire au Zaïre, Dakar, Projet COPACE, COPACE/TECH/77/5, 75 p.
Everett, G.V. 1978 The Northwest African Fishery: problems of management and development. Dakar, CECAF Project, CECAF/TECH/78/6, 43 p.
Everett, G.V. 1978 Les pêches africaines du nord-ouest: problèmes d'aménagement et de développement. Dakar, Project COPACE, COPACE/TECH/78/6, 55 p.
Haywood, K.H. 1978 A model for planning fishery development in the CECAF region. Dakar, CECAF Project, CECAF/TECH/78/7, 35 p.
FAO. 1978 Report of the working group on standardization of age determination of the sardine (Sardina pilchardus W.). Dakar, CECAF Project, CECAF/TECH/78/8, 12 p.
FAO. 1978 Rapport du groupe de travail sur l'unification de la détermination de l'âge de la sardine (Sardina pilchardus W.). Dakar, Projet COPACE, COPACE/TECH/78/8, 13 p.
Talarczak, K. and L. Haling. 1978 Planning of fish handling facilities for a rural fishery centre. Dakar, CECAF Project, CECAF/TECH/78/9, 19 p.
Everett, G.V. 1978 The fisheries of Guinea, Sierra Leone and Liberia: observations on their management and development. Dakar, CECAF Project, CECAF/TECH/78/10, 33 p.
Everett, G.V. 1978 Les pêche en Guinée, Sierra Leone et Libéria: Commentaires sur leur gestion et leur développement. Dakar, Projet COPACE, COPACE/TECH/78/10, 32 p.
Fidell, E.R. 1978 Legal and institutional aspects of fisheries management in the Republic of Liberia. Dakar, CECAF Project, CECAF/TECH/78/11, 38 p.
Fidell, E.R. 1978 Legal and institutional aspects of fisheries management in the Republic of Sierra Leone. Dakar, CECAF Project, CECAF/TECH/78/12, 39 p. + appendixes
FAO. 1979 Etude préliminaire sur les relations entre investissements et emplois dans le domaine de la pêche. Dakar, Projet COPACE, COPACE/TECH/79/13, 31 p.
FAO. 1979 Report of the ad hoc working group on fishery planning. Dakar, CECAF Project, CECAF/TECH/79/14, 63 p
Yamamoto, T. and M. Ansa-Emmim. 1979 CECAF Project statistical survey of Las Palmas based international trawlers. February 1978 - February 1979. Dakar, CECAF Project, CECAF/TECH/79/15, 40 p.
Griffin, W.L., J.P. Warren and W.E. Grant. 1979 A bioeconomic model for fish stock management: the cephalopod fishery of Northwest Africa. Dakar, CECAF Project, CECAF/TECH/79/16, 42 p.
Griffin, W.L., J.P. Warren et W.E. Grant. 1979 Modèle bioéconomique de gestion des stocks halieutiques: la pêche des céphalopodes de l'Afrique de l'Ouest. Dakar, Projet COPACE COPACE/TECH/79/16, 42 p.
Lamming, G.N. and M. Hotta. 1979 Fisheries cooperatives in West Africa. Dakar, CECAF Project, CECAF/TECH/79/17, 18 p.
Lamming, G.N. et M. Hotta. 1980 Les coopératives de pêcheurs en Afrique de l'Ouest. Dakar, Projet COPACE, COPACE/TECH/79/17, 18 p.
FAO. 1979 Report of the workshop on the standardization of age reading techniques for Sardina pilchardus (W.). Dakar, CECAF Project, CECAF/TECH/79/18, 25 p.
FAO. 1979 Rapport du séminaire pour l'unification des techniques de lecture d'âge et d'interprétation de Sardina pilchardus (W.). Dakar, Projet COPACE, COPACE/TECH/79/18, 26 p.
FAO. 1980 Rapport de la réunion spéciale sur la mesure de l'effort de pêche appliquée aux petites espèces pélagiques dans la zone nord du COPACE. Dakar, Projet COPACE/TECH/80/19, 64 p.
Evans, E. 1980 Sierra Leone: An Act to provide for the management and development of fisheries. Dakar, CECAF Project, CECAF/TECH/80/20, 54 p.
Everett, G.V., M. Ansa-Emmim and I. Mizuishi. 1980 A summary overview of fisheries in the CECAF region. Dakar, CECAF Project, CECAF/TECH/80/21, 62 p.
Everett, G.V., M. Ansa-Emmim et I. Mizuishi. 1980 Résumé de la situation générale des pêches dans la région du COPACE. Dakar, Projet COPACE, COPACE/TECH/80/21, 60 p.
Jennings, M.G. 1980 The enforcement of fishery regulations. Dakar, CECAF Project, CECAF/TECH/80/22, 23 p.
Jennings, M.G. 1980 Mise en oeuvre de la réglementation des pêches. Dakar, Projet COPACE, COPACE/TECH/80/22, 26 p.
Jones, R. 1980 Tagging possibilities in the northern sub-region of CECAF. Dakar, CECAF Project, CECAF/TECH/80/23, 65 p.
Evans, E. Liberia: 1980 Fisheries Law (second interim report). Dakar, CECAF Project, CECAF/TECH/80/24, 9 p.
Rijavec, L. 1980 A summary of the demersal fish resources of Ghana. Dakar, CECAF Project, CECAF/TECH/80/25, 28 p. + tables, figures and appendixes
Shimura, T. 1980 CECAF statistical survey of Las Palmas based international trawlers. Dakar, CECAF Project, CECAF/TECH/80/26, 40 p.
Shimura, T. 1980 Etude statistique sur les chalutiers internationaux basés à Las Palmas. Dakar, Projet COPACE, COPACE/TECH/80/26, 41 p.
FAO. 1980 Report on the Joint ICCAT/CECAF working group on juvenile tropical tunas. Dakar, CECAF Project, CECAF/TECH/80/27, 42 p.
FAO. 1980 Report on the ad hoc working group on artisanal fisheries. Dakar, CECAF Project, CECAF/TECH/80/28, 26 p.
FAO. 1980 Rapport du groupe de travail ad hoc sur les pêches artisanales. Dakar, Projet COPACE, COPACE/TECH/80/28, 33 p.
ISPM. Report of the Evaluation Meeting of the 1980 Cooperative Acoustic survey and the planning meeting for the 1981 Dr. Fridtjof Nansen survey in the CECAF area. Dakar, CECAF Project, CECAF/TECH/81/29, 44 p.
FAO. 1981 Preliminary reports of the Cooperative Acoustic Survey. Dakar, CECAF Project, CECAF/TECH/81/30, 166 p.
FAO. 1981 Contributions soviétiques à l'évaluation des ressources dans la région du COPACE. Dakar, Projet COPACE, COPACE/TECH/81/31, 84 p.
Watanabe, K. 1981 Fish landings and trade in the Republic of Cape Verde. Dakar, CECAF Project, CECAF/TECH/81/32, 35 p.
Nyanteng, V.K. 1981 Trends in fish prices and implications for the development of the Ghanaian industry. Dakar, CECAF Project, CECAF/TECH/81/33, 25 p.
Shimura, T. 1981 Statistical survey of Las Palmas based international trawlers for 1980. Dakar, CECAF Project, CECAF/TECH/81/34, 59 p.
Shimura, T. 1982 Etude statistique, pour l'année 1980, sur les chalutiers internationaux basés à Las Palmas. Dakar, Projet COPACE/TECH/81/34, 58 p.
FAO. 1981 Report on the Consultation on monitoring, control and surveillance. Freetown, 30 June-3 July 1981. Dakar, CECAF Project, CECAF/TECH/81/35, 30 p.
FAO. 1981 Rapport de la Consultation sur le suivi, le contrôle et la surveillance. Freetown, 30 juin-3 juillet 1981. Dakar, Projet COPACE, COPACE/TECH/81/35, 31 p.
Kapetsky, J.M. 1981 The artisanal fisheries of coastal lagoons and estuaries in the CECAF region: their importance relative to other fisheries and some considerations for their management and developement. Dakar, CECAF Project, CECAF/TECH/81/36, 35 p.
Kapetsky, J.M. 1981 Pêche artisanale en lagunes côtières et estuaires dans la région COPACE: sa place dans le secteur des pêches et quelques réflexions sur son aménagement et son développement. Dakar, Projet COPACE, COPACE/TECH/81/36, 32 p.
Caddy, J.F. 1981 Some factors relevant to management of cephalopod resources off West Africa. Dakar, CECAF Project, CECAF/TECH/81/37, 46 p.
Caddy, J.F. 1981 Quelques caractéristiques de l'aménagement des stocks de céphalopodes au large de l'Afrique de l'Ouest. Dakar, Projet COPACE/TECH/81/37, 33 p.
Jarrold, R.M. and G.V. Everett. 1981 Some observations on formulation of alternative strategies for development of marine fisheries. Dakar, CECAF Project, CECAF/TECH/81/38, 53 p.
Jarrold, R.M. et G.V. Everett. 1982. Quelques observations sur la formation des stratégies alternatives pour le développement des pêches maritimes. Dakar, Projet COPACE, COPACE/TECH/81/38, 56 p.
FAO. 1982 Report of the Consultation on artisanal fisheries in the CECAF region. Dakar, 1–4 December 1981. Dakar, CECAF Project, CECAF/TECH/82/39, 29 p.
FAO. 1982 Rapport de la consultation sur la pêche artisanale dans la région du COPACE. Dakar, Projet COPACE, COPACE/TECH/82/39, 26 p.
FAO. 1982. Report of the ad hoc Working Group on Sardinella off the coast of Ivory Coast/Ghana/Togo. Dakar, CECAF Project, CECAF/TECH/82/40, 72 p.
FAO. 1982 Rapport du Groupe de travail ad hoc sur la sardinella des côtes de Côte-d'Ivoire/Ghana/Togo. Dakar, Projet COPACE, COPACE/TECH/82/40, 75 p.
Griffin, W.L., W.E. Grant and R. Shotton. 1982 A bioeconomic analysis of a CECAF shrimp fishery, and operations and background data. Dakar, CECAF Project, CECAF/TECH/82/41, 78 p.
Griffin, W.L., W.E. Grant et R.Shotton, 1982. Une analyse bio-é conomique de la pêche ála crevvette dans le COPACE, et les données d'exploitation et historiques. Dakar, Projet COPACE, COPACE/TECH/82/41, 90 p.
Everett, G.V., M. Ansa-Emmim, M.A. Robinson and F.C. Roest, 1982.+ Recent trends in CECAF fisheries. Dakar, CECAF Projet, CECAF/TECH/82/42, 95 p.
Everett, G.V., M. Ansa-Emmim, M.A. Robinson et F.C.Roest, 1982. Les tendances récentes des pêches du COPACE. Dakar, Projet COPACE, COPACE/TECH/82/42, 75 p.
Shimura, T. 1982 Statistical survey of Las Palmas based international trawlers for 1981. Dakar, CECAF Project, CECAF/TECH/82/43, 46 p.
Bellemans, M. 1982 Common names of West African marine animals/Noms usuels des animaux marins de l'Ouest Africain. Dakar, CECAF Project, CECAF/TECH/82/44, pag. var.
Gréboval, D. 1982 Analyse bioéconomique des principales pêcheries démersales dans la région nord COPACE. Dakar, Projet COPACE, COPACE/TECH/82/45, 118 p.
Gréboval, D. 1982 Bioeconomic analysis of the principal demersal fisheries in the northern zone of CECAF. Dakar, CECAF Project, CECAF/TECH/82/45, 108 p.
Allain, R.J. 1982 Study of aerial fisheries surveillance as part of MCS system in certain CECAF Coastal States. Dakar, CECAF Project, CECAF/TECH/82/46, 54 p.
Allain, R.J. 1982 Etude de la surveillance aérienne des pêches comme élément du systéme SCS dans certains états côtiers de l'Afrique occidentale de la région du COPACE. Dakar, Projet COPACE, COPACE/TECH/82/46, 86 p.
Lawson, R. and M.A. Robinson. 1983 The needs and possibilities for the management of canoe fisheries in the CECAF Region. Dakar, CECAF Project, CECAF/TECH/83/47, 23 p.
FAO. 1983 Report of the ad hoc working group on pelagic stocks of the Sherbro Statistical Division (34.3.3). Dakar, CECAF Project, CECAF/TECH/83/48, 162 p.
Shimura, T. 1983 Statistical survey of Las Palmas based international trawlers for 1982. Dakar, CECAF Project, CECAF/TECH/83/49, 46 p.
FAO. 1983 Report of the Workshop on fishing vessels and gear/Rapport de l'atelier de travail sur les bateaux et engins de pêche. Dakar, CECAF Project/Projet COPACE, CECAF/TECH/83/50, 16 p. and/et Supplement to the report of the Workshop on fishing vessels and gear/Supplément au rapport de l'atelier sur les bateaux et engins de pêche, 183 p.
FAO. 1983 Rapport du Groupe de travail sur les statistiques de prises et d'effort de la pêche artisanale. Dakar, 24–27 mai 1983. Dakar, Projet COPACE, COPACE/TECH/83/51, 56 p.
FAO. 1984 Report of the seminar on frame and catch assessment surveys for CECAF coastal countries. Dakar, CECAF Project, CECAF/TECH/84/52, 144 p.
Shimura T. 1984 Statistical survey of Las Palmas based international trawlers for 1983. Dakar, CECAF project, CECAF/TECH/84/53, 44 p.
FAO. 1984 Report of the FAO/UNCTC/CECAF Regional Training Workshop on joint ventures and other commercial arrangements in fisheries. Rapport de l'atelier régional FAO/UNCTC/COPACE de formation sur les armements communs et autres contrats d'association de pêche commerciale. Dakar, CECAF Project, CECAF/TECH/84/54, 28 p.
Robinson, M.A. and A. Crispoldi. 1984 Estimated trade and consumption of fish and fishery products in the CECAF area. Dakar, CECAF Project, CECAF/TECH/84/55, 22 p.
Robinson, M.A. et A. Crispoldi. Estimation de commercialisation et consommation de poissons et produits de la pêche dans la région du COPACE. Dakar, Projet COPACE, COPACE/TECH/84/55, 23 p.
Shotton, R. 1984 Preliminary assessment of the Northwest African small pelagics fishery. Dakar, CECAF Project, CECAF/TECH/84/56, 118 p.
Epler, B.1984 Les pêches de la Guinée-Bissau. Dakar, Projet COPACE, COPACE/TECH/84/57, 59 p.
Everett, G.V. 1984 An overview of current development trends in the CECAF Region. Dakar, CECAF Project, CECAF/TECH/84/58, 53 p.
Everett, G.V. 1984 Tendances actuelles du développement dans la région du COPACE. Dakar, Project COPACE, COPACE/TECH/84/58, 62 p.
FAO. 1984 Recherches soviétiques sur les chinchards et les maquereaux de la zone nord du COPACE. Dakar, Projet COPACE, COPACE/TECH/84/59, 111 p.
FAO. 1984 Ethmalosa fimbriata en Afrique Occidentale. Dakar, Projet COPACE, COPACE/TECH/84/60, 89 p.
FAO. 1984 National management and research reports. Dakar, CECAF Project, COPACE/TECH/84/61, 302 p.
FAO. 1984 Assessments of the stocks of Sparidae and Trachurus trachurus off Morocco. Dakar, CECAF Project, CECAF/TECH/84/62, 170 p.
Koranteng, K.A., 1984. A trawling survey off Ghana. Dakar, CECAF Project, CECAF/TECH/84/63, 72 p.
Van der Knaap, M. 1985 Preliminary annotated inventory of the scientific expeditions and resources surveys carried out in the CECAF Area/Inventaire préliminaire annoté des expeditions scientifiques et campagnes de prospection effectuées dans la zone du COPACE. Dakar, Projet COPACE. COPACE/TECH/85/64, 145 p.
FAO. 1985 Report of the second ad hoc Working Group on pelagic stocks of the Sherbro Statistical Division (34.3.3). Dakar, CECAF Project, CECAF/TECH/85/65, 85 p.
Roest, F.C. and A.B. Frielink. 1985 Statistical survey of Las Palmas based international trawlers for 1984. Dakar, CECAF Project, CECAF/TECH/85/66, 26 p.
FAO. 1986 Report of the training course on fisheries management and development planning for the CECAF region. Dakar, CECAF Programme, CECAF/TECH/86/67, 13 p.
FAO. 1986 FAO/CECAF/IDAF Workshop on Small-scale fisheries development and management. Dakar, CECAF Programme, CECAF/TECH/86/68, 25 p.
FAO. 1986 Rapport du groupe de travail ad hoc sur les stocks démersaux côtiers (Mauritanie, Sénégal, Gambie. Dakar, Programme COPACE, COPACE/TECH/86/69, 181 p.
Roest, F.C. and A.B. Frielink. 1986 Las Palmas survey, 1985, Landings of cephalopods and fish from West African waters. Dakar, CECAF Project, CECAF/TECH/86/70, 32 p.
Bernacsek, G.M. 1986 Profile of the Marine Resources of Ghana. Dakar, CECAF Programme, CECAF/TECH/86/71, 118 p.
Bernacsek, 1986 G.M et A. Aziablé. Profil des ressources halieutiques d Bénin. Dakar, programme COPACE, COPACE/TECH/86/72, 70 P
El-Gharbi, 1986 R. et A. Idelhadj. Caractéristiques bio-écnomique s et évolution récente de la pêcherie marocaine aux céphalopodes. Dakar, Programme COPACE, COPACE/TECH/86/73, 63 P.
Gréboval, 1986 D. Aménagement des principales pêcheries de la ZEE mauritanienne (résultats préliminaires). Dakar, Programme COPACE, COPACE/TECH/86/74 (en préparation)
Oliver, 1986 p., S.Pastor et D. De Armas. Résultats de la Campagne sur l'évaluation des ressources côtiéres du Gabon (Mission “Gabon-8305,” mai-juin 83). Dakar, Programme COPACE, COPACE/TECH/86/75, 72 p.
Van der Knaap, 1986 M., C. Fapina, S. Quaatey, A.N.A. Baddoo and O.Nmashie. The Ghana Sardinella aurita fishery. Dakar, CECAF Programme, CECAF/TECH/86/6, 50 p.
Samba, A. 1986 Collecte et traitement des statistiques de pêche artisanale au Gabon, au Cameroun et au Togo. Dakar, programme COPACE, COPACE/TECH/86/77, 68 p.
Van der Knaap, 1986 M. and A. Lloyd-Evans. Profile of the Marine Resources of the Gambia. Dakar, CECAF Programme, CECAF/TECH/86/78, 70 p.
Bernacsek, G.M., 1987 D.J. Faggianelli, G.K. Amegavie et F. Lhomme. Profil des ressources halieutiques du Togo. Dakar, Programme COPACE, COPACE/TECH/87/82, 91 p.
FAO. 1987 CECAF Programme, Workshop on gear and vessel technology. Dakar, CECAF Programme, CECAF/TECH/87/83, 214 p.
Diouf, 1987 N.S. Les technique artisanales de traitement et conservation du poisson au Sénégal, au Ghana, au Bénin et au Cameroun. Dakar, Programme COPACE, COPACE/TECH/87 84, 119 p.
Brainerd, T.R., 1987 A review of seafood trade in the CECAF area. Dakar, Programme COPACE, CECAF/TECH/87/85,46 p.
Brainerd, T.R. 1987 and/et D.J. Faggianelli. Las Palmas survey 1986. Landings of cephalopods and fish from west African waters./ Enquête Las Palmas 1986 sur les débarquements de cephalopodes et poissons pêchés dans les eaux ouest africaines. Dakar, CECAF Programme, CECAF/TECH/87/86, 58 p.
Lopez Abellán, L.J., 1987 A. Cervantes and J.M. de la Serna. Exploratory fishing cruise for demersal stocks in waters of the Republic of The Gambia “Gambia 8611”. Dakar, CECAF Programme, CECAF/TECH/87/87, 187 p.