Chapitre 2
Analyse conventionnelle, financière et
économique, de la productivité du sol
Les analyses économiques conventionnelles de la productivité des sols commencent par l'interaction entre les composantes de l'agroécosystème et la fertilité du sol. Les premiers modèles de cette relation supposaient que le rendement de la culture diminuait en rapport avec la profondeur du sol, cette dernière décroissant en réponse à l'érosion par les eaux de surface ou le vent. Typiquement, la courbe était non linéaire, reflétant la plus grande sensibilité du rendement de la culture à la perte de sol quand le profil de sol restant est de moins en moins profond. Etant donné que la qualité du sol est de plus en plus reconnue comme aussi importante que sa quantité, quelques modèles économiques se sont concen-trés sur la perte d'éléments nutritifs du sol, autrement dit sur l'exploitation à outrance du sol.
La figure 2 présentant les taux récents de diminution des éléments nutritifs des sols en ASS montre que les pertes annuelles d'éléments nutritifs sont substantielles dans une large bande couvrant la plus grande part de l'Afrique occidentale, centrale et orientale. Dans plusieurs de ces zones, on peut envisager que les rendements des récoltes ne sont durables que pour les faibles niveaux de productivité.
Diminution annuelle apparente moyenne des éléments nutritifs (NPK) en Afrique (1993-95)

Source: Hanao et Baanante, 1999.
Cependant, une telle définition de la productivité du sol est trop étroite. La profondeur du sol et le statut des éléments nutritifs sont seulement deux des nombreux facteurs influençant la fertilité du sol qu'une analyse économique devrait considérer. La figure 3 illustre cette complexité en montrant les nombreux facteurs censés influer sur la fertilité du sol dans la zone Nord du Nigeria. Certains facteurs sont naturels (par exemple les précipitations) tandis que d'autres sont liés à la gestion (par exemple les techniques de conservation). Finalement, les analyses économiques des problèmes de productivité des sols doivent considérer cette image complexe lors de l'évaluation des avantages des mesures destinées à améliorer la gestion des sols.
En raison d'un affaiblissement général de plusieurs des liens indiqués dans la figure 3, le consensus est que la productivité des sols a diminué dans beaucoup de régions de l'ASS. Bien que vu typiquement comme un problème physique, c'est également un problème économique avec des causes économiques significatives et des conséquences. Dans le premier cas, la vision conventionnelle indique que la dégradation se produit parce que les familles ont comme première priorité la sécurité alimentaire à court terme avant les considérations de durabilité à plus long terme.
Facteurs influençant la fertilité du sol

Source: Phillips-Howard et Lyon, 1994.
Il est également nécessaire d'examiner les conséquences économiques de la dégradation de la qualité des sols. L'évidence empirique d'un rapport physique entre la qualité du sol et la productivité de la culture ou du bétail crée une relation entre les activités nuisibles ou salutaires pour la qualité des sols et les changements en résultant pour le rendement des cultures ou la production du bétail. Ces changements peuvent être évalués en termes financiers ou économiques.
Beaucoup d'économistes considèrent que les profits nets provenant de la conservation du sol et revenant à l'exploitant sont une des principales raisons prises en considération dans la réponse des ménages à la dégradation des sols. Une analyse financière ou sur les profits nets adopte le point de vue d'une firme privée ou d'un individu et mesure les bénéfices et les coûts qu'ils prendraient en considération. Pour ce qui est des améliorations de la productivité du sol, les bénéfices et les coûts sont représentés par des augmentations de revenus, déterminées par les prix du marché, des coûts de production, tels que le transport ou les salaires payés pour le travail réalisé, en utilisant encore les prix du marché, et des impôts ou subventions. Ainsi, une analyse des profits nets implique les flux monétaires réels, que ce soit des revenus ou des coûts. Des études régionales sur les profits nets individuels issus de la gestion des sols sont apparues ces dernières années (Lutz et al., 1994; Current et al., 1995).
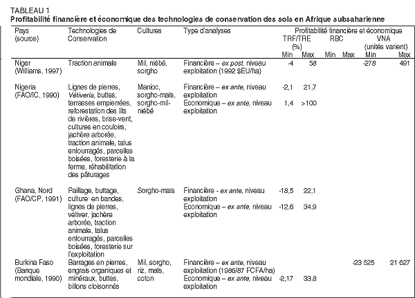
Bien qu'une certaine inquiétude demeure au sujet d'une prise en compte inadéquate des bénéfices issus de la conservation des sols, un certain nombre d'études de cas s'intéressent à des sites de projet en Afrique. Le tableau 1 fournit une sélection de ces études en ASS, et à titre de comparaison, le tableau 2 montre les résultats de quelques études en Amérique centrale et aux Caraïbes. Certaines sont des études préliminaires (= ex ante) en vue d'une planification qui sélectionnent des améliorations éventuelles de gestion, alors que d'autres sont faites a posteriori (= ex post) et évaluent des projets terminés ou des technologies locales. De plus, les types de procédures ou d'améliorations de gestion considérés varient : il y a des pratiques en matière de conservation et d'amélioration du sol, telles que des apports de matière organique ou d'engrais minéraux qui améliorent la fertilité du sol, ou les travaux basiques destinés à réduire les pertes de sol.
Plusieurs de ces études se concentrent sur une - ou au plus quelques-unes - amélioration de gestion, peut-être en tant qu'élément d'un projet. En dépit de quelques différences dans l'approche, la plupart de ces études indiquent que la conservation des sols et des eaux sont au moins marginalement bénéficiaires, sauf dans le cas de grandes approches, onéreuses et imposées à la base. Certaines des études présentées dans les tableaux 1 et 2 comportent le criblage d'une gamme de technologies de conservation envisageables. Cette approche donne une image plus représentative du problème de prise de décision des ménages pour ce qui est de la conservation des sols et des eaux. La plupart des agriculteurs ont beaucoup d'options pour modifier leurs pratiques agricoles en réponse à la dégradation des sols, et doivent choisir parmi ces possibilités. Les tableaux 1 et 2 indiquent que la rentabilité peut varier considérablement, avec certaines mesures profitables et d'autres non. Dépendant du site et d'autres conditions locales, une technologie donnée peut être profitable dans un endroit mais pas dans un autre. Ainsi, il est difficile de tirer des conclusions générales au sujet de l'intérêt global de l'adoption de mesures de gestion améliorée des sols.
Les engrais minéraux demandent une attention spéciale, car ils sont à la fois un intrant agricole conventionnel et un élément important dans beaucoup de programmes pour enrayer la perte de fertilité du sol. L'utilisation d'engrais minéraux n'est pas aussi importante en Afrique qu'en Asie ou en Amérique latine. Les raisons de cet état de fait incluent : une faible réponse des variétés locales, une mauvaise efficacité des apports, et des pénuries dues à des problèmes de rationnement et de commerce. Le bas prix des produits agricoles, le coût élevé des intrants et la faible réponse des variétés locales entraînent une incitation économique insuffisante pour ce qui est de l'utilisation des engrais, particulièrement en cas de manque d'une humidité adéquate dans le sol ou quand la Matière organique du sol (MOS) est épuisée.
Les études de rentabilité de l'utilisation d'engrais au niveau de l'exploitation supposent souvent que les engrais sont employés indépendamment des diverses options de gestion des sols énumérées dans les tableaux 1 et 2, en particulier l'application de matière organique. Le tableau 3 récapitule les résultats pour un grand nombre de ces études, concentrées sur cette vue étroite de l'utilisation d'engrais. Le tableau 3 présente trois indicateurs : le rapport "rendement de la culture sur éléments nutritifs apportés" (R/N), montrant le gain de rendement pour un kilogramme supplémentaire d'élément nutritif apporté, le rapport "prix de l'intrant sur prix du produit agricole" (I/P), indiquant la quantité de produit final de la culture considérée nécessaire pour acheter un kilogramme d'engrais; et le rapport "valeur sur coût" (V/C), qui compare le revenu brut supplémentaire dû à l'utilisation de l'engrais avec son coût. Ce tableau indique qu'au début des années 90, les incitations pour l'utilisation d'engrais dans la culture du maïs et du riz irrigué en ASS étaient comparables à celles en cours en Asie et en Amérique latine. Le principal effet dissuasif est dû aux bas prix des produits payés aux producteurs, et au coût relativement élevé des engrais minéraux en ASS, comme reflété par les rapports I/P élevés. Le sorgho et le mil affichent généralement des incitations faibles, dues aux conditions climatiques difficiles et aux taux de MOS généralement faibles. La plupart des cultures montrent une variabilité importante des rendements, des taux de réponse à l'engrais et des autres indicateurs d'incitation, aussi les généralisations précises sont difficiles. Néanmoins, il semble y avoir des facteurs, autres que les seules incitations financières, qui expliquent la faible utilisation des engrais en ASS. Comme alternative aux engrais minéraux importés, le phosphate naturel local peut être une solution socialement souhaitable pour l'amélioration de la productivité des sols. Le tableau 4 montre que les résultats de l'analyse financière sont assez bons pour attirer des agriculteurs vers cette technologie. Les résultats de l'analyse économique sont encore meilleurs. Cependant, cette stratégie exige un soutien gouvernemental fort et pertinent aux étapes de production et d'utilisation finale. Par exemple, il y a besoin d'un service de vulgarisation pour instruire et aider les agriculteurs en matière de technologie et de crédit pour ceux qui voudraient adopter ces techniques et n'ont pas de garantie.
Au niveau national, l'analyse économique évalue les dommages dus à la dégradation des sols et cherche à déterminer si l'adoption des procédures de gestion améliorée du sol présente une utilisation efficiente des ressources nationales. La dernière approche évalue les coûts sociaux totaux des technologies ou des procédures de gestion en question, y compris tous les avantages environnementaux globaux. De plus, l'analyse doit considérer les avantages ou les coûts pour lesquels aucun prix n'existe sur le marché et qu'un agriculteur peut négliger. Même si les prix du marché sont disponibles, ils pourraient avoir besoin d'un ajustement en raison de l'intervention du gouvernement dans l'économie. Quand une telle intervention a pour conséquence d'importantes distorsions de prix, ou s'il y a d'autres défaillances importantes du marché ou de la politique, une divergence entre les rentabilités financière et économique peut exister. Ainsi, les agriculteurs peuvent ne pas investir dans les améliorations de gestion du sol au niveau socialement optimal, et une dégradation des sols peut en résulter.
Le tableau 5 présente un résumé des études d'évaluation des pertes, au niveau des pays, dues à l'érosion des sols en Afrique. Il utilise trois mesures différentes : a) la perte immédiate brute annuelle, qui considère seulement la valeur économique de la production perdue l'année même où la dégradation a lieu, b) la future perte brute escomptée, qui inclut les futures pertes économiques dues à la dégradation de l'année considérée; et c) la perte cumulative brute escomptée, prenant en compte la totalité des pertes économiques au cours du temps provenant de la dégradation cumulée du sol.
En général, les pertes économiques nationales indiquées dans le tableau 5 sont importantes et sembleraient justifier des efforts au niveau national pour prendre en compte le problème. Le problème paraît particulièrement aigu en Ethiopie, où les dommages à long terme représentent une proportion significative du PIB agricole.
En prenant en compte la dégradation du sol, les analyses économiques des techniques au niveau de l'exploitation sont des exercices utiles de planification. Les tableaux 1 et 2 montrent les avantages économiques ou les taux de rendement nets pour plusieurs de ces technologies, en plus de leur rentabilité au niveau de l'exploitation. Comme la viabilité économique exige que des seuils minimaux soient franchis, par exemple un taux de rendement économique de 10-12 pour cent ou une valeur nette actuelle (VNA) supérieure à zéro, beaucoup de techniques semblent attrayantes d'un point de vue national. Ceci se tient spécialement bien pour les analyses économiques des stratégies d'apport de phosphate naturel du tableau 4, avec des résultats de situation de base montrant des taux de rendement économiques de plus de 100 pour cent.
Le cadre de base de l'analyse coûts-bénéfices (ACB) indique seulement si un niveau d'investissement proposé ou un changement des procédures de gestion génère un retour positif ou négatif. Bien qu'elle soit appropriée à l'analyse de projet (avec des niveaux bien définis d'activité), cette approche n'indique pas si cela constitue le plus grand avantage économique net possible de l'investissement dans la gestion du sol. Il est nécessaire d'employer un modèle dynamique d'optimisation afin de savoir si l'augmentation ou la diminution, par petites quantités, du niveau proposé d'activité de conservation augmentera les avantages au niveau national et représentera de ce fait une proposition plus attrayante. Bien que les techniques dynamiques d'optimisation exigent de simplifier les hypothèses, de nombreuses études théoriques les ont employées pour estimer les niveaux optimaux de conservation des sols et pour évaluer diverses politiques. Tandis que les premières études étaient centrées sur l'érosion du sol et les moyens structuraux de prendre en compte ce problème, des études plus récentes se sont concentrées sur la qualité des sols, les améliorations organiques de type « win-win » et les effets de la disponibilité de nouvelles technologies (Barbier, 1990 ; Barrett, 1991 ; Grepperud, 1991, 1995 et 1997).