by
C.J. McGRATH, T.J. BEAUSANG, D.F. MURPHY AND P.J. SHARKEY
1. HISTORICAL
No serious effort was made to apply electricity to fishery management and development in Ireland until comparatively recent times. In 1931, a temporary electrified barrie about 170 ft in length was erected by the Electricity Supply Board of Ireland for a short time across the tail race from Ardnacrusha hydro-electric generating station at its point of return to the River Shannon in order to prevent adult salmon entering the tail race. From 1952 onwards, the Fisheries Division, Department of Lands, has employed d.o. electrical fishing devices in routine investigation work. Apart from these instances electricity was not used for fishery management and development until the Inland Fisheries Trust Incorporated, a Government-sponsored company, was set up in 1951 to develop the fisheries entrusted to its care for the enjoyment of Irish anglers and visiting tourists.
2. GENERAL
In the execution of the intensive programme of rehabilitation and development of its fisheries, the Inland Fisheries Trust Incorporated found itself handicapped by the lack of an effective means of speedily managing and controlling large populations of various kinds of fish in rivers and in the search for a solution to this difficulty found that electrical methods were the most effective for its purpose.
The Fisheries Division of the Department of Lands now makes extensive use of electrical fishing devices in its scientific investigations as do other bodies similarly engaged, such as the Salmon Research Trust of Ireland and those engaged in the management and development of their own fisheries, such as the Electricity Supply Board of Ireland and the Foyle Fisheries Commission. A small number of angling associations possess electrical fishing sets for the management of their waters.
The instruments employed by each of these organizations and their methods of operation are, in the main, more or less similar so that the following descriptions can be taken to apply generally in Ireland.
3. LEGAL
There are no provisions in the code of fishery law for Ireland relating specifically to the use of electrical fishing devices and regulating their method of operation, but the existing provisions of the various legal enactments are such as to make it unlawful for anyone to engage in electrical fishing without a permit issued by the Department of Lands, Fisheries Division1. This is forthcoming only when the Department is satisfied that it will be used to good purpose and in a proper manner.
1 Now the Department of Agriculture and Fisheries, Fisheries Division
4. APPLICATIONS
The following are the principal uses for which electrical fishing apparatus is employed extensively at present:-
- scientific investigations of the composition and density of fish stocks in rivers and streams and the capture of fish for detailed investigation of age, growth, migrations and other scientific data;
- the removal of unwanted species of fish from rivers and streams or their reduction to reasonable levels of stocking density, particularly those preying on or competing with a preferred species for which the particular waters are being reserved, such as the removal of pike, roach and dace from salmon and brown trout waters;
- the capture of wild fish stocks for the restocking of selected waters deficient in certain species of fish, such as the removal of carp from small shallow lakes for transfer to other more suitable lakes; the transfer of small brown trout from nursery streams to stock large rivers, streams and lakes being developed as brown trout fisheries; occasionally the capture of wild brown trout for purpose of artificial propagation;
- the salvage and transfer to safe waters of trout and salmon, both young and adult fish, from rivers and streams where they are in peril because of proposed drainage works or due to lack of water, such as happens during extended spells of dry weather and corresponding low river discharge, when the water in certain streams disappears suddenly underground into subterranean fissures where the rivers pass through areas of fissured limestone, leaving the fish stranded in pools;
- the killing of fish, particularly salmon and rainbow trout in preparation for marketing;
- the counting of migrating adult fish, particularly salmon, in their passage upstream.
Some preliminary work has been done in the application of electricity for the following purposes:-
- excluding fish, particularly adult salmon and eels, from selected areas by the provision of electrified screen barriers;
- the development of a proximity fish trap which ‘senses’ the presence of fish in the area adjacent to the trap and discharges a positive electric charge which draws the fish into the trap chamber and holds them there;
- the development of a fish activity recorder which monitors and records the incidence and variations of fish movements in a selected area;
- the counting of salmon smolts in their migration downstream.
Investigations have been initiated with a view to extending or improving its application for the following purposes:-
- the provision of electrified fish screens for the exclusion of salmon smolts and adult salmon from selected areas such as turbine intakes or to divert them to selected routes such as those leading to fish counting devices;
- the development of improved commercial fish catching devices particularly for migrating eels by provision of electrical barriers to direct their movement towards conventional eel trapping devices;
- electrified trawl for use in freshwater lakes.
5. SITE CONDITIONS
The electrical conductivity of Irish waters varies from place to place; the usual range in value is 45 micromhos per centimetre in acid waters and 300 micromhos per centimetre in the alkaline limestone waters. The temperature of the water can range from 0°C for a short period in the winter to 21°C for a very short period in the summer at certain times of the day, but on average the temperature would be as follows: spring 10°C; summer 14°C; autumn 12°C; winter 5°C.
6. ELECTRICAL FISHING MACHINES
6.1 Direct Current
At the commencement of its development work the Inland Fisheries Trust purchased electrical fishing units which were available commercially in a number of European countries, but these did not give satisfaction when operated in Irish waters. The units which were found to be unsatisfactory for the Trust's operation made use of rotary converters and vibrators and these were found to give constant trouble under continuous working conditions due to failure in components, the burning out of contacts and other defects. A special unit to suit Irish conditions was manufactured by Marine Electrics, Killybegs and this was developed further in the light of experience of working conditions in Ireland so that a reliable robust unit called the ‘Brookmaster’ evolved and it was adopted as standard equipment for the Trust's electrical fishing operations. This unit has now (1969) been superseded by the more advanced solid-state model named ‘Cybertronic’ described here-under.
6.1.1 The ‘Brookmaster’ Electrical Fishing Machine
This unit (Fig. 1) is operated from a standard 12 volt 80 ampere-hour motor car accumulator and is rated for continuous operation, giving 8 hours field operation before recharging of the accumulator becomes necessary. It incorporates a heavy duty d.c. convertor unit with a start relay, pulsed timing circuit and a chopper relay. The output voltage is 350 volts and the normal pulse repetition is 30 per second which can be doubled, if required, to 60 per second. The pulse length varies with the conductivity of the water but at a loading of 100 ohms it is 15 milliseconds.
The pulse pattern generated is of the typical triangular type condenser discharge shape.
6.1.2 The ‘Cybertronic’ Electrical Fishing Machine
The solid-state ‘Cybertronic’ unit weighs 7 lbs and is powered by an accumulator weighing 8 lbs. It may be carried easily as a back pack (Fig.2), and so it is possible to investigate waters without a team of operators and to work in waters difficult of access with standard equipment. The output voltage is 350 and it is derived from a transistor inverter having an efficiency of 95 percent as against the usual 60 percent of a rotary transformer. The output is pulsed by means of a thyristor, and the pulse repetition rate can be varied from 10 to 100 pulses per second. As there are no moving parts, the reliability is claimed to be very high (Fig.3).
6.2 Alternating Current
Here again, the Inland Fisheries Trust tested a number of units under actual working conditions and two units were finally selected as being best suited for their purpose. These are now standard equipment for all electrical fishing operations in which a.c. is employed. The units selected were standard portable petrol engine-driven a.c. generators, as supplied commercially by D.W. Onan and Sons Inc., Minneapolis, U.S.A., the 2½ KW model and the 1½ KW model each supplying 230 volts at 60 cycles. It is recommended that these units be operated with the special safety control unit developed for the purpose, a detailed description of which is given hereunder.


Fig.2 “Cybertronic” Back Pack Electric Fishing Unit

7. ELECTRODES
The electrodes employed with the d.c. electro-fishing unit consist, in the case of the anode, of a 5 ft long 1¼ inch diam. wooden ash pole to the end of which is secured an equilateral triangle shaped metal frame made of ½ inch diam. solid aliminium rod, each side of which is from 16–18 inches in length. To this is attached netting to provide a dip net of conventional design. The whole unit is made strong and robust in order that it can serve as a wading staff for the assistance of the operator while fishing which, in practice, it is often called upon to do. The shaft is varnished and sprayed with a water repellent silicone liquid to reduce the possibility of a film of water adhering to the pole or the water being absorbed by it and thereby providing an electrical connection between the operator and the body of water in the stream being fished.
One end of 30 yards of standard 3 core 40/.036 cable is fastened securely to the metal frame of the dip net and leads to the electro-fisher unit through a control button located beside the hand grip at one end of the shaft. Between the metal frame of the net and the control button, the cable is fastened along the outside of the pole for ease of maintenance under working conditions in the field. The remainder of the cable hangs free when in use but cable winders are provided on the shaft of the pole on which the cable can be coiled and stored when not in use. All parts of the cable subjected to wear are protected by plastic spiral cable protectors.
The button control is spring loaded to operate on the “fail-safe” principle. Pressing the button against the spring closes a contact which operates an electrical relay system which controls the main electrical discharge from the unit. If the pressure is removed from the button, the contact springs open and the high voltage discharge is immediately cut off. The operator is isolated in this way from direct connection with the high voltage output circuit and at the same time has instant control over the time of exposure to which a fish is subjected.
The Cathode electrode consists, under average working conditions, of one 16 s.w.g. metal plate 18 × 16 inches in dimension. This is made of either brass or aluminium. Under exceptional conditions such as very high conductivity or very low conductivity two such plates are employed. Under such circumstances, these two plates are placed on the stream bed about 5 ft apart so that there is no overlapping of the current dispersal areas. This has the effect of increasing the voltage gradient at the attracting electrode by about 50 percent. These plates are attached to the electro-fishing unit by 30 yds of standard 3 core 40/.036 cable.
The electrodes employed with the a.c. generator consist of two 1¼ inch diam. wooden ash poles 8–12 ft in length varnished and treated with silicone liquid in the same way as already described for the d.c. electrodes and for the same reason. Each pole is fitted with 2–3 yds of standard 7/.044 cable. The insulation is removed from one end of the cable to provide sufficient bare copper wire to make 30 turns of closely spaced wire wrapped around and securely fastened to the end of the pole. The remainder of the wire is fastened to the side of the pole as far as the handle and then hangs free to the point of connection with the generator. Here again, all parts of the cable exposed to excessive wear and tear are protected by special plastic spiral cable protectors. This electrode arrangement may not be the best possible on theoretical grounds for maximum electrical efficiency. But it does provide an electrode which serves its primary purpose well and also serves well as a punt pole for the control and operation of the boat which inevitably it is called upon to do under practical working conditions. Experience shows designs of electrodes based on theoretical considerations alone to be impracticable under actual working conditions. The arrangement described has been shown to provide not only the best possible area of contact, but also to produce a steep local voltage gradient (depending on the conductivity of the water) and in addition to provide a working unit, little affected by the drag of the water and thereby placing the minimum strain on the operator working with it.
A short length of cable is sufficient when operated from a boat, in which the generator is placed. Indeed, in such circumstances, this is essential to eliminate the possibility of loose cable lying in the bottom of the boat becoming a hazard to the safety of the operator, should he trip over it.
One of the well-known difficulties experienced in using a.c. in electrical fishing operations is the recovery of fish which have been stunned and have sunk into deep water. In the light of experiments carried out to date at the Experimental Station operated by the Fisheries Division of the Department of Lands at Glenties Salmon Hatchery in Co. Donegal, there is good reason to expect that this difficulty may be overcome by the provision of full wave rectifier units which can be connected to the generator output when required and thus provide d.c. electro-taxis conditions for the fish leading to one or other of the probes when desired. The experiments to date show that very good electro-taxis conditions can be maintained by producing 100 half cycles of the half wave rectified a.c. Experiments are proceeding.
8. SAFETY DEVICES
8.1 D.C. Sets
Apart from observing the normal common sense precautions necessary when dealing with electrical apparatus no special provisions are made for the safety of operators using the d.c. pulse units except that they are instructed before engaging in electro-fishing operations to check and ensure that their rubber waders are sound and water-tight and to wear heavy duty rubber electricians gloves. This last regulation is difficult to enforce as the operators find these gloves unpleasant to wear for lengthy periods as they cause their hands to over-heat and sweat profusely.
8.2 A.C. Sets
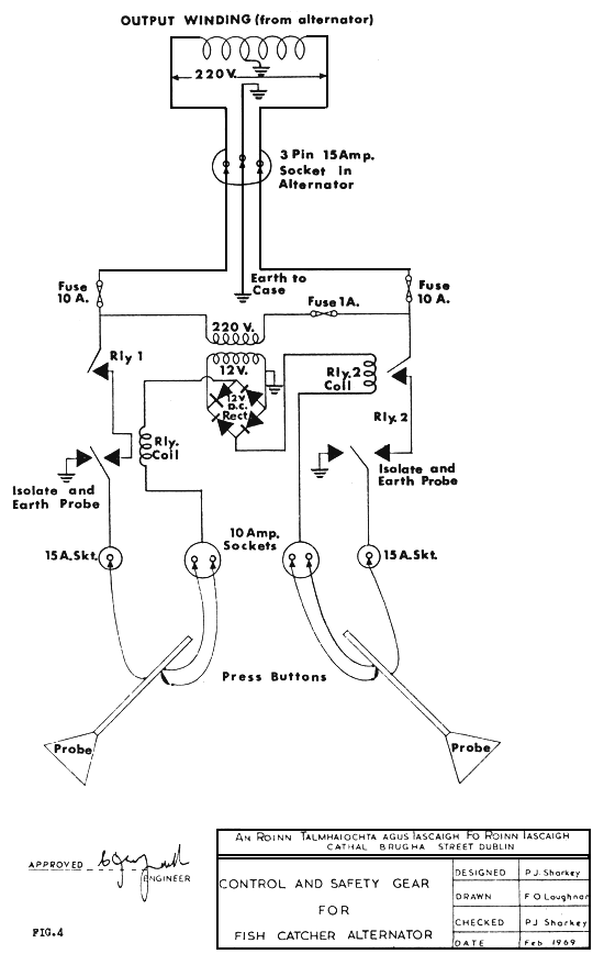
In a.c. electrical fishing operations the position as regards safety arrangements was the same at one time as for d.c. equipment. Arrangements can now be made to fit all a.c. generators used in electric fishing with a control unit safety device,devised and manufactured by Marine Electrics, Killybegs (Fig.4). This consists of a special unit enclosed in a water-tight case 20 inches × 12 inches × 8 inches in which a transformer is housed which taps a 12 volt d.c. supply from the generator output by means of a rectifier. This is fed to a push button control mounted on the handle of the probe. A low voltage is thereby controlled by this push button which is capable of operating two relays which allow the high voltage a.c. to pass to the electrodes. Two relays are provided in case one should fail to operate properly. The press buttons of both probes are in series so both must be closed if the relays are to operate and allow the high voltage discharge. The more recent safety devices manufactured make use of silicone controlled rectifier units instead of electro-magnetic relays.
This arrangement does not, however, meet all safety requirements for the well being of the operators. It is suggested that this could be achieved in large measure by the use of a special purpose built flat bottomed boat constructed of fibre glass. The live electrode elements consisting of two metal plates, each 90 sq ins in area are to be fastened to the underside of the bottom of the boat. The fishing circuit would then be between those electrodes and each of the probes which would be fitted with the press button control system already described. The generator itself would be housed in a fibre glass container.
However, irrespective of the nature and extent of safety devices fitted, it is essential that in any electrical fishing operation one person should be designated to act as Safety Officer. This should preferably be the person in over-all charge of the operation and it should be laid down to be his responsibility to see that all safety precautions specified are observed by each operator and he should be thoroughly briefed on the action to be taken in any eventuality.

9. MODE OF OPERATION
In view of the element of risk entailed in electro-fishing operations and accordingly the necessity to employ only skilled and well-trained operators on them, the Inland Fisheries Trust has set up within its organization a special Mobile Electrical Fishing Corps. This consists of 10 men specially recruited and trained for this work and employed full time at it from April to October of each year. These men travel to wherever this work is to be done. Untrained men may be employed on incidental operations to the electrical fishing work, but only men who have been trained are permitted to take part in the actual fishing operations and to handle the equipment.
Depending on the size of the job to be dealt with, all or part of this corps can be employed on a particular project but the minimum trained crew permitted for an operation making use of one d.c. pulsed unit is three men. For one a.c. unit operated from a boat, the minimum trained crew permitted is five men. It usually is possible to employ three units when a.c. work has to be done and the full crew of 10 men is then engaged on the project - one of whom controls and supervises the entire operation from the river bank and also takes charge of transport arrangements incidental to the fishing operations.
In practice, the size of the stream to be fished rather than the purpose of the operation is usually the deciding factor whether a d.c. pulse unit or an a.c. unit is employed.
For the sampling of fish populations or the cropping of fish stocks in small streams up to 8 ft in width and 6 ft in maximum depth the d.c. equipment is used. In waterways of greater width and maximum depths from 10 to 15 ft, a.c. equipment is employed for the removal of unwanted coarse fish from game fish waters. One unit covers a waterway 15 ft wide. On wider streams and rivers two or three a.c. machines are employed together to give a coverage of 30 ft to 45 ft in width. Greater widths can be dealt with by providing extra a.c. machines on the basis of one for each additional 15 ft width.
The method employed in operating a d.c. unit is to place the unit and battery on the bank of the stream beside the place to be fished. The cathode electrode - the plate - is placed on the bed of the steam upstream as far as the cable attached to it will permit. The operator with the anode electrode starts at a point downstream as far as the cable will permit and wading upstream, fishes as he goes. It is possible to cover a 50 ft length of stream at each setting up. The second operator is equipped with a conventional dip net and removes fish which are affected by the electricity while the third operator places the fish removed in a tank for transport elsewhere whenever a sufficient number has been collected and generally supervises the entire operation. This three-man crew is capable of fishing 2 to 4 miles of stream 10 ft wide in one day under normal working conditions, but this distance can be greater or less depending on the nature of the terrain through which the stream flows, the roughness or smoothness of the stream bottom and the density of fish stocks.
In Ireland, the a.c. units are invariably operated from flat bottomed punts which have been specially constructed from marine plywood for this type of operation to enable the boat to operate in a wide range of water depths down to quite shallow waters. Each boat has a three-man crew; two to operate the electrodes and the third to control and manoeuvre the boat by means of cars. The operators can and do assist in this by using the probes as punt poles. As already mentioned, the probes are designed and built with this purpose in mind. The carsman also takes charge of the petrol engine driving the a.c. generator which is securely fastened to a special mounting raised slightly above the floor of the boat. A tank of water is usually installed in the boat in which fish removed from the river in the course of the operation can be retained alive for transfer. In general, however, in this type of electric fishing operation the object is to kill and remove unwanted coarse fish and any fish to be retained in the stream are liberated again upstream of the site of operation.
Where the object is to catch large numbers of big fish for transfer elsewhere, such as salmon held up below obstructions, a container made of wooden battens and lined with wire mesh is attached to the boat and floats in the water behind it. The salmon caught are placed in this and kept there in safety until the electro-fishing at a particular stretch of water has been completed. The wire mesh lining of the container acts as a shunt screen protecting the fish from the electrical field in the water in which they are retained.
A net barrier is strung across the downstream end of a section to be fished before the work commences and the fishing operation is commenced upstream from it and works down to it driving the fish towards the net where any fish that have escaped being affected by the operation are stunned when the boat approaches close to the net and are removed.
In a river where the banks are free of obstruction, it is sometimes possible to link three boats together by a rope and by extending the ropes to men on each bank to control the movement of the boats downstream by the manipulation of the ropes from the banks. Each boat is spaced sufficiently far apart from the adjoining boat in the process, to ensure that the full width of the waterway is effectively covered by the electrical field from the probes.
A distance of 2½ miles per day can be covered by a crew of five men equipped with one boat and generating set, provided the density of fish is not too great and there are not too many obstacles present such as fallen tree trunks or gravel shoals in the river bed.
This system of boat-borne a.c. equipment has been used successfully by the Inland Fisheries Trust for the past three years to capture carp in a pond 200 yds long by 25 yds wide and uniform depth of 1½ feet. The bottom is composed of mud. The boat, complete with a.c. set, is moved along the centre of the pond. The carp are turned up by the effect of the electrical field and some are captured by dip net from the boat, while others are driven into the weeds at the shore. They are easily caught here by operators equipped with dip nets. Carp as small as 1 inch in length have been successfully captured in this way. Very experienced operators are required for this work to ensure that the fish will not be damaged in the process. The carp captured have been used to provide a brood stock for other selected waters.
10. INJURY TO FISH
No systematic investigation has been made to date of the effect of the exposure of fish and their progeny to electrical fields. Very little evidence has come to light of extensive and serious injury being done to fish in the course of electrical fishing operations conducted by trained operators. This has been found to be so even where the same stretches of river channel have been electro-fished in successive years. It should be stressed, however, that these comments are based on casual superficial observations and not on detailed investigations.
A pulsed d.c. unit of the type already described has been employed at one fish hatchery station over a number of years to collect wild brown trout at the onset of the spawning season. Eggs and milt have been stripped from these fish and their progeny have been hatched out and reared to the fingerling stage. There has been no obvious signs of injury in the young fish. The adult fish have been tagged on liberation and some of these have been sub-sequently recaptured and did not show signs of ill effects.
There is one instance on record where rainbow trout 12 inches in length were subjected to 300 volts pulsed d.c. when placed between electrodes 22 inches apart. Some of these fish were killed outright and some survived. The fish that were killed were found, on examination, to have haemorrhaged along the backbone and to have dislocated vertebrae. In some cases this was obvious from external observations and in others, this was discovered only in post mortem examination. In the case of the female fish, it was found that along the ovaries there were small groups of dead eggs beside eggs that apparently were unaffected. When the female fish which had survived were stripped of their ova in due course, eggs which apparently were healthy were obtained, interspersed with groups of dead eggs. The apparently healthy eggs were found to have abnormally thin shells which collapsed on extrusion.
11. EMPLOYMENT OF ELECTRICITY TO KILL FISH FOR THE MARKET
In one fish farm in Ireland, rainbow trout for despatch to the market have been killed beforehand by means of a.c. It is claimed that because of this the appearance of the fish is much more attractive when it reaches the market and the eating quality of the flesh some-what superior than it would have been if the fish were killed in the usual way. In addition it is claimed that the quality of the flesh remains good for longer periods of time than would be the case if the fish were killed in the conventional manner. The fish were placed in an asbestos cement trough 6 ft 6 ins × 14 ins × 9 ins filled with water. Electrode probes such as already described are placed in the water, one at each end of the trough and 350 volts are maintained across the length of the trough for about 30 seconds or for what-ever shorter time is necessary to cause death.
At Thomond Weir, the major commercial salmon trap in the River Shannon at Limerick, a.c. is also employed to kill the salmon caught before despatch to market (Fig.5). In this case it is also claimed that the appearance of the fish is better when it reaches the market than it would otherwise be and the quality of the flesh superior and the keeping quality extended.
This weir has been built and is operated by the Electricity Supply Board of Ireland. The pens or cribs into which the fish run and are trapped are fitted with a false floor consisting of a wooden grid which can be raised or lowered in the water as required (Fig.6). This grid is fitted with an electrode array of five elements two at each side and one in the centre (Fig.7). The electrodes consist of 36 inch lengths of 1 inch diam. Solid bus-bar copper supported by stand-off insulators bolted to the wooden flooring. These are arranged parallel to the line of flow and thus to the normal resting position of the fish. They are placed so that when the fish receive the first shock, which has least effect due to their orientation in relation to the electrodes at the time of shocking, they fall back into a transverse position in direct line between the electrodes where the next shock has the maximum effect on the fish (Fig.8).
It was established, by experiment, that a voltage gradient of 18 volts per ft around each electrode gave a kill in five seconds. The resistivity of the water at the site was 1,200 ohms per cubic inch at 14°C.
12. FISH BARRIERS
Up to 1964, a very limited amount of work had been carried out in this field in Ireland, but as a result of investigations carried out in the last few years at the Experimental Station operated by the Fisheries Division, Department of Lands (now the Department of Agriculture and Fisheries) at Glenties Salmon Matchery, electric fish barriers will be used to a much greater extent in future years in Ireland.
In 1931, a temporary electrified fish screen was erected across the tail race from Ardnacrusha Power Station at its point of return to the River Shannon to prevent the entry of adult salmon. The maximum depth of water at this point varied from about 15 ft in summer to about 25 ft in winter. A series of ¼ inch galvanised iron chain electrodes were suspended from two catenaries slung across the waterway to make a barrier about 170 ft wide. The electrodes were energized by 133 volts a.c., a special 10,000 to 133 volts transformer being wound for the purpose. The two electrode arrays were placed about 10 ft apart and the individual electrodes in the same array were spaced 2 ft from each other. Due to a number of factors including the difficulty of maintaining the barrier while at the same time preserving navigation facilities in the channel screened in this way the barrier was not maintained for any length of time and it was dismantled. The construction of a fish pass at the hydro-electric dam since then has dispensed with the need for a barrier at this site.

Fig. 5 General View of Thomond Salmon Weir on River Shannon with Electric Shocking Travelling Control Cabin

Fig. 6 Travelling Control Cabin and Lifting Gear by which each Grid Floor with Electrode Array attached is raised for removal of fish


Fig.8 View looking down on the Grid Floor of a Fishing Crib
A three electrode array set up on an experimental basis in a 10 ft depth of water at Killaloe Eel Weir on the River Shannon was successful in diverting migratory adult eels towards a selected area. The electrodes were energized from a selenium bridge rectifier unit having a maximum output of 300 volts at 10 amp. The d.c. output was unsmoothed and because of this, there was superimposed on it a 100 cycles per second ripple. The resistivity of the water at the site was 1,200 ohms per cubic inch at 11°C.
12.1 Cork Waterworks Barrier
As most of the sites at which electric barriers will be required in Ireland are accessible to the public, there was seen to be a need to develop a low voltage barrier which would not pose any risk to any person accidentally coming in contact with it. One particular case in point was that at the outlet from the turbines at Cork Waterworks Weir, Co. Cork (Fig.9). For many years there existed a need to provide a screen other than the conventional bar screens to exclude salmon from the draft tubes of the turbines at this pump house. Conditions at the site were such that it was obvious that only an electric barrier would be permissible at the site. This was an area much frequented by the public and particularly by young children. Accordingly, investigations were carried out at the field laboratory at Glenties Salmon Hatchery, as a result of which an energizing unit producing 30 volts at 400 cycles per second was produced (Fig.10). With this energizing unit, an electrode array consisting of 2 inch diam. vertical tubes 2 ft apart and a horizontal electrode placed on the bed of the stream traverse to the flow was energized. This arrangement was found to be successful in blocking the passage of fish.
12.2 Glencullin Bridge Barrier
This same energizing unit was employed to energize an electrode array employed with success to block the passage of spawning salmon upsteam. The site at which it was employed was at the paved invert of a road bridge. Under the conditions of river flow at which salmon were accustomed to travel upstream, the depth of water across this paved invert was about 2 ft. The water flowed with a high velocity across this invert. Two electrodes spaced 5 ft apart were fastened to the invert of the bridge transverse to the direction of flow, one at the upstream edge of the arch opening, the second in the archway and parallel to the first electrode and about 5 ft downstream from it.
This device was very successful in blocking the passage of fish upstream on their way to spawn and making it possible to remove them so that they could be relieved of their ova for hatchery purposes.
13. FISH COUNTERS
A unit devised and manufactured by Marine Electrics, Killybegs, has been installed at most of the major hydro-electric dams in Ireland to record the upstream passage of salmon. Present indications are that they perform this task with a high degree of accuracy and reliability under the conditions experienced in Ireland. These units have also been installed at various other sites at which information about the migration of salmon was sought for the purpose of scientific investigations and for other reasons. This unit has undergone a number of modifications in the light of working experience over the years under various site conditions and the most recent model in the range is described hereunder.
The complete unit comprises the underwater gear, the electronic instrument (Fig.11) and the power source. The underwater gear can be a tunnel completely submerged in the water or a 3 ft wide 6 ft long and 18 inch deep flume at the water surface with a minimum depth of 14 inches of water along its length (Fig.12).

Fig.9 Electrode Array Salmon Barrier at Cork Waterworks Weir



Fig.12 Looking down on an Electronic Fish Counting Flume attached to overfall Sluice Gate at intake to Borland Fish Lift at a Hydro-Electric Dam
An essential requirement is that the underwater gear be provided with adequate incidental arrangements to ensure that all the fish to be counted go through the tunnel or flume provided.
A typical counter tunnel arrangement would be an 18 inch diam. rigid plastic tube 48 inches long, the inner surface of which is divided into sections by three electrodes consisting of hoops made of 1 inch wide 14 s.w.g. stainless steel spaced 18 inches apart and fastened to the wall of the tube (Fig.13).
The two bodies of water between pairs of electrodes are made electrically sensitive by a high frequency low voltage supplied by an oscillator housed in the control unit. Each constitutes an electrical resistance and entry of the fish into any one of these causes a change in this resistance. As the two water resistances form parts of a modified Maxwell Bridge circuit operated asymetrically with the ratio arms in the counter instrument, the alteration in the circuit resistance by the entry of the fish results in a voltage change in the ratio arms which is amplified to operate a uni-directional scale of two circuit, which in turn operates a tele-counter. Positive cancellation of reverse count is incorporated so that the counter is uni-directional. Size discrimination is achieved by adjusting the amplifier sensitivity control. By incorporating a recording milliammeter, a time of count can be recorded.
Any change in supply voltage, ambient temperature or water conductivity can upset the predetermined balance and adjustments have to be made. An auto-balance control unit consisting of an error sensing and correcting system is therefore incorporated to maintain the proper balance in the instrument.
Because difficulties have been experienced in practice due to voltage variations in the power supply and failure of the power supply in remote areas, the entire unit is now designed to operate from a 12 volt 80 ampere-hour car accumulator maintained at full charge by a conventional trickle charging unit for batteries supplied by the mains supply, thereby eliminating both of these factors as possible cause of failure in the operation of the instrument.
The logic circuit is mainly electro magnetic relays and the remainder of the circuit operates as a guard to cancel counts by descending fish and also to “lock off” and prevent the register of spurious counts due to fish delaying in the counter tunnel or flume tube and moving to and fro in it. The maximum rate of count by this instrument is claimed by the maker to be 10 fish per second.
13.1 Smolt Counter
This same unit is at present being adapted for the counting of smolts by providing suitable underwater gear and ancillary installations for this purpose, the circuit being adjusted to read downstream movements only (Fig.14). A suitable funnelling device is provided leading to a bulkhead from which the only outlet for the smolts is through a 3 inch diam. tube of clear plastic 9 inches in length. Hoop electrodes made of strips of stainless steel ½ inch wide and 16 s.w.g. are fastened to the inner face of the tube and spaced 2½ inches apart. The rate of count has been increased to 20 per second by incorporating a high speed relay into the circuit. Experiments are proceeding with this installation, but there are many difficulties still to be overcome.
14. FISH ACTIVITY RECORDER
Marine Electrics, Killybegs, have constructed a fish activity recorder for fish tanks and small aquaria which makes use of the principles employed in the fish counting device described above. It comprises four principal parts:-
Three loops of 10G copper wire are screwed to a wooden batten which is positioned across the tank. The entire cross section of water under the electrodes is electrically sensitive being energized at 1 volt at 1,000 cycles per second by the oscillator transformer. The bodies of water between the electrodes act as a pan of resistive arms in a Wheatstone Bridge arrangement. The presence of a fish in the vicinity of the sensing electrode unbalances the Bridge. The resultant signal is amplified, rectified and fed to a relay driver which operates the register unit. A recording voltmeter has been connected to the output in lieu of the register and this permitted a continuous record being made of all fish activity in the tank.


15. PROXIMITY FISH TRAP
This device is being developed by Marine Electrics, Killybegs (Figs. 15, 16, 17, 18, 19, 20, 21, 22 and 23), under the sponsorship and with the financial support of the Fisheries Division, Department of Lands. It makes use of the principle employed in the fish counting device and the fish catching devices already described.
The trap itself consists of a box-shaped container, the sides and bottom of which are made of wire mesh and the top is open. In operation it can be located on the lake bottom at a depth of 10 to 20 ft. The electronic equipment is located on the shore and connected to the trap by a 3-core cable. The whole unit is operated by a standard 12 volt 80 amperehour accumulator as used in motor cars.
Three electrodes consisting of ½ inch diam. aluminium rods 2 to 12 ft in length depending on circumstances, project out an angle away from the mouth of the trap. These electrodes form the active arms of a four terminal two-arm active Wheatstone Bridge energized 1.5 volts at 1,000 cycles per second by an oscillator via an impedance matching transformer and there-by unaffected by variation in water conductivity. The bridge is in balance in the null position so that the presence of a fish between the areas covered by the electrodes will unbalance it and feed a signal to an amplifier. This triggers a relay to provide a pulsed d.c. voltage which, it is hoped, will attract the fish to the electrode by electro-taxis where it eventually becomes stunned and, hopefully, falls into the cage. When the fish recovers and attempts to leave the cage, it enters the sensitive area again and receives a further shock that will keep it in the cage. While in the cage, it is protected from the shock by the wire mesh sides and bottom of the cage which act as a shunt screen and protect the fish from further shock when the trap is triggered by a new arrival.
Each operation of the trapping and shocking device is controlled by a timer which causes the apparatus to revert to the sense mode after a lapse of 5 seconds. If the fish is still in the sensitive water area when it is time to revert to the sense mode, the cycle repeats but for a shorter time interval of 4 seconds and again, if necessary, for 3 seconds and thereafter at 1 second intervals. To avoid this cycle continuing indefinitely, a positive temperature coefficient resistor is fitted in series with the coil of the shocker start relay. This resistance increases in value due to heating and if the number of cycles is in excess of five, the value of the resistance reached due to the heating is such to cause the start relay to fail to operate. When it reaches this temperature about five minutes or thereabouts will elapse, depending on the ambient temperature of the air, before it drops to the level that will permit operations to recommence, by which time the fish will likely have moved from the area of the trap.
16. FUTURE DEVELOPMENTS
The Fisheries Division of the Department of Agriculture and Fisheries has established an experimental station at Glenties Salmon Hatchery in County Donegal, where various aspects of the practical application of electricity to fishery investigations, management and exploitation are being studied by Mr. P.J. Sharkey under the direction of Mr. C.J. McGrath, Inspector and Engineer, assisted by Mr. D.F. Murphy, B.E. and future developments in this field in Ireland will depend, in the main, on the outcome of the work at this establishment.








Fig.22 Proximity Fish Trap Energising Unit Cabinet

Fig.23 Proximity Fish Trap Electronic Unit
In the course of the investigations at Glenties, it has been necessary to devise a number of electronic instruments and devices for use in the experiments and details of these are included in this report hereunder as they may be of value to others engaged in similar type of work requiring such devices or instruments:-
| - | S.R.C. Control Unit for use with alternator for electro-fishing or as barrier energizing unit | Fig.24 |
| - | Stimulator with a.c.-d.c. half wave and quarter wave outputs | Fig.25 |
| - | Non-polarizing Ohmeter for measurement of inter-electrode resistance resistance | Fig.26 |
| - | Pulsed d.c. Electro-Fisher for collection of fish specimens | Fig.27 |
Attached as Appendix I is a report on the “Fish Killing Device at Thomond Weir on the River Shannon, Ireland” prepared by the Electricity Supply Board and reproduced by kind permission of the Electricity Supply Board of Ireland.




APPENDIX I
FISH KILLING DEVICE AT THOMOND WEIR ON RIVER SHANNON, IRELAND
In June 1956, experiments were carried out to determine the most suitable method of killing fish using the lowest voltage, and in the shortest time possible. Out of the 20 divisions, called stop gaps, of which the weir is formed, numbers 3, 4, 12 and 13 were selected as fishing traps and tests were carried out by arranging electrodes on the tray which is lowered into these traps. The electrical equipment was installed in the travelling gantry housing the three cranes used for raising and lowering the trays, connection to the electrodes being made by plug and socket.
Using 50 volts across the electrodes the fish were only slightly stunned, so the voltage was raised by 50 volt taps to 300, at which tap killing was possible, but the time taken was too long varying between two and three minutes depending on the rate of flow of the water and the area between the electrodes.
Final tests showed that 380 volts was most effective and operated in 15 seconds, and this arrangement being decided upon, protection against accidents had to be considered.
To eliminate the possibility of anyone entering the gantry or trap while killing was in progress, electrical interlock contacts were fitted to the controllers of the cranes and to the screens used to cover the open ends of the gantry.
These contacts formed a closed circuit to the operating coil of the main contactor for the killing device and automatically switched off the supply when any one of the cranes was started or one of the protection screens was lifted. The electrical equipment installed in the gantry consists of main operating contactor on the supply operated by push button, isolating trap between supply and electrodes, red and green warning lamps and the interlock contacts on controller and screens. Installation was completed in February 1957 and has given continuous satisfaction.