Por:
Sergio Valladares
Merck Química Chilena Soc. Ltda.
La espectrofotometría de absorción molecular ultravioleta visible, comúnmente llamada espectrofotometría UV-VIS, tiene una larga y continua historia en el campo de la química analítica. Esta técnica está basada en la medición de absorción de radiación U.V. o visible por determinadas moléculas. La radiación correspondiente a estas regiones del espectro electromagnético provocan transiciones electrónicas a longitudes de ondas características de la estructura molecular de un compuesto.
Toda consideración de la estructura de las moléculas debe comenzar con un estudio de los “enlaces químicos”, las fuerzas que mantienen unidos a los átomos en una molécula.
| Enlace iónico: | el enlace iónico es un enlace que se forma por la transferencia de uno o más electrones de un átomo o grupo de átomos. |
![]() | |
| Enlace covalente: | se forma cuando dos átomos comparten uno o más pares de electrones. La mayoría de estos enlaces abarcan dos o tres pares de electrones. Así dos átomos forman un enlace covalente simple cuando comparten un par de electrones; un enlace covalente doble, dos pares de electrones y un triple enlace tres pares de electrones. |
| CH3 - CH3; CH2 = CH2; CH = CH |
Las distribuciones espaciales de los electrones en las moléculas se denominan orbitales moleculares (O.M.) y de una manera simple se puede suponer que el orbital molecular es la suma de los orbitales atómicos (O.A.) enlazantes y que el número de orbitales resultante es igual al número de orbitales utilizados en la combinación.
«Cuando se combinan dos O.A. resulta un orbital molecular de enlace de baja energía y un orbital molecular antienlazante de alta energía ».
| O.A. sigma (σ): | en las moléculas orgánicas está asociado con el enlace simple. Resulta del solapamiento frontal de dos orbitales atómicos. |
| O. Molecular σ enlazante ; O. Molecular σ* antienlazante. | |
| O.A. pi (π): | el doble enlace en las moléculas orgánicas contiene dos tipos de orbitales moleculares, un orbital σ y un orbital π. |
| Los orbitales moleculares π resultan del solapamiento lateral de orbitales atómicos π. | |
| O. Molecular π enlazante ; O. Molecular π* antienlazante. |
Además de los electrones σ y π, muchas moléculas orgánicas contienen electrones que no forman enlaces. Estos electrones no compartidos se representan en el símbolo η.
Figura 3.1. Transiciones electrónicas entre orbitales σ, π, y η.
| Transición | λ (nm) | ξ (L mol4cm-1) | Ejemplo |
|---|---|---|---|
| σ → σ* | <200 | - | Hidrocarburos saturados |
| π → π* | 200–500 | @ 104 | Alquenos, alquinos aromáticos |
| η → σ* | 160–260 | 102 – 103 | H2O, CH3OH, CH3CL |
| η → π* | 250–600 | 10 – 103 | Carbonilos, nitro, nitrato, carbonilo. |
La radiación electromagnética es un tipo de energía que se transmite por el espacio a enormes velocidades. Muchas de las propiedades de la R.E. se explican convenientemente mediante la teoría ondulatoria clásica con parámetros como velocidad, frecuencia, longitud de onda y amplitud. En contraste con otros fenómenos ondulatorios, como el sonido, la R.E. no requiere un medio de transporte para su transmisión, por lo tanto se transmite fácilmente en el vacío.
La teoría ondulatoria para la R.E. no explica completamente los fenómenos asociados con la absorción o la emisión de energia radiante, para estos procesos es necesario considerar la energía radiante como un flujo de partículas discretas de energía llamados fotones o cuantos.
Estos dos conceptos se complementan muy bien (dualidad, onda partícula) y se aplican tanto al flujo de electrones como al de otras partículas elementales.
En la Figura 3.2. se ha representado el vector eléctrico en la ordenada, de una onda electromagnética.
Figura 3.2. Haz de radiación electromagnética

| Período (p): | tiempo necesario para que dos máximos sucesivos de una onda pasen por un punto. | ||
| Frecuencia (v): | número de oscilaciones del campo eléctrico por segundo y es igual 1/p (1 ciclo por segundo = 1 Hertz, Hz). La frecuencia es una magnitud invariable que está determinada por la fuente de radiación. | ||
| Velocidad de propagación (V1): | velocidad a la que un frente de onda se desplaza a través de un medio, depende tanto de la densidad del medio como de v. En el vacío la velocidad de la R.E. es independiente de la frecuencia: Cvacío =2.997 × 1010 cm/s ≈ 3.0 × 1010 cm/s | ||
| Longitud de onda (λ): | es la distancia lineal entre dos máximo o dos mínimos sucesivos de una onda. | ||
| Unidades de λ | ||
|---|---|---|
| Angström Å | 10-10m | (rayos X; UV en el vacío) |
| Nanometro nm | 10-9m | (UV-VIS) |
| Micrometro μm | 10-6m | (IR) |
Número de onda: se define como el número de ondas por centímetro y es igual a 1/λ (cm-1).
Ciertas interacciones de la radiación con la materia requieren que la R.E. sea tratada como paquetes de energía llamados fotones o cuantos.

donde h es la constante de Planck, h = 6.63. 10-27 erg.s
El espectro comprende una gran variedad de longitudes de onda o energías. El siguiente esquema describe cualitativamente las principales regiones utilizadas con fines analíticos.
Figura 3.3. Propiedades espectrales, aplicaciones e interacciones de la radiación electromagnética
| Energia | Numero de onda σ | Longitud de ondo λ | Frecuencia ν | Tipo de radioción | Tipo de espectroscopio | Tipo de transición cuántica | |
|---|---|---|---|---|---|---|---|
| kcal/mol | Electrovolts eV | cm-1 | cm | Hz | |||
| 9.4 × 107 | 4.1 × 106 | 3.3 × 1010 | 3 × 10-11 | 1021 | ![]() | ||
| 9.4 × 105 | 4.1 × 104 | 3.3 × 108 | 3 × 10-9 | 1019 | |||
| 9.4 × 103 | 4.1 × 102 | 3.3 × 106 | 3 × 10-7 | 1017 | |||
| 9.4 × 101 | 4.1 × 100 | 3.3 × 104 | 3 × 10-5 | 1015 | |||
| 9.4 × 10-1 | 4.1 × 10-2 | 3.3 × 102 | 3 × 10-3 | 1013 | |||
| 9.4 × 10-3 | 4.1 × 10-4 | 3.3 × 100 | 3 × 10-1 | 1011 | |||
| 9.4 × 10-5 | 4.1 × 10-6 | 3.3 × 10-2 | 3 × 101 | 109 | |||
| 9.4 × 10-7 | 4.1 × 10-8 | 3.3 × 10-4 | 3 × 103 | 107 | |||
Cuando la radiación pasa desde el vacío a la superficie de una porción de materia, el vector eléctrico de la radiación interacciona con los átomos y moléculas del medio. La naturaleza de esta interacción depende de las propiedades de la materia y puede dar lugar a la transmisión, la absorción o la dispersión de la radiación.
| Fenómeno | Explotación analítica |
|---|---|
| Transmisión | Indice de refracción |
| Dispersión | Reflexión. Efecto Tyndal. Nefelometria |
| Absorción | Molecular, atómica |
Al pasar R.E. por una capa transparente de un sólido, líquido o gas, pueden eliminarse selectivamente ciertas frecuencias como consecuencia del proceso llamado absorción. En este caso la E.R. se transfiere a los átomos o moléculas que constituyen la muestra, como resultado de ello estas partículas pasan del estado de menor energía a estados de mayor energia o estados excitados.
La absorción por moléculas poliatómicas, es un proceso considerablemente más complejo que la absorción atómica, ya que el número de estados de energía está muy aumentado. Aquí la energia total de una molécula está dada por:
E = Eelectrónica + Evibracional + Erotacional
Para cada estado de energía electrónica de la molécula hay normalmente varios estados vibratorios posibles y a su vez, para cada uno de éstos existen numerosos estados rotatorios. Como consecuencia el número de posibles niveles de energía de una molécula es mucho mayor que el de una partícula atómica. Es por ello que los espectros de absorción aparecen como anchas bandas.
Tanto las moléculas como los átomos tienen un número limitado de niveles o estados energéticos cuantizados. Para que se produzca absorción de radiación, la energía del fotón excitante (incidente) debe igualar a la diferencia de energía entre el estado fundamental y uno de los estados excitados de la especie absorbente. Estas diferencias de energía (ΔE) son únicas, por lo tanto permiten caracterizar los constituyentes de una muestra. Para este objeto se obtiene experimentalmente una representación gráfica de la variación de la absorbancia en función de la longitud de onda.
Figura 3.4. Espectros de absorción molecular característicos

La Figura 3.5. esquematiza el fenómeno de absorción, aquí un haz de radiación monocromático, pasa a través de una capa de solución de b cm de espesor y que contiene una especie molecular absorbente cuya concentración es c.
Figura 3.5. Fenómeno de absorción

Como consecuencia de las interacciones entre los fotones y las partículas absorbentes, la potencia del haz disminuye de Po a P. Por lo tanto la transmitancia T de la solución es la fracción de radiación incidente transmitida (o no absorbida) por la solución según:

Según la Ley de Beer, entonces, la absorción A estará determinada por:

| donde: | ξ | absortividad molar |
| b | longitud de paso óptico | |
| c | concentración en moles/l |
Según vimos en el esquema anterior la absorción es directamente proporcional a la longitud (b) de la trayectoria de la radiación a través de la solución y a la concentración (c) de la especie absorbente: A = a . b . c (con a: cte. de proporcionalidad).
Si c se expresa en moles por litro y b en cm, entonces la absortividad se denomina absortividad molar (ξ):A=ξ.b.c.
La Ley de Beer se cumple igualmente en soluciones que contienen más de una especie absorbente, siempre que no haya interacción entre dichas especies. Por tanto, para un sistema multicomponente la relación será:
| AT = A1+A2+………+An AT = ξ1bc1+ξ2bc2+………+ξnbcn |
Se observan frecuentemente desviaciones de la proporcionalidad entre A y c (cuando b es constante). Algunas de estas desviaciones son importantes y representan limitaciones reales de la ley. Estas son de tipo:
químico;
instrumental.
La Ley de Beer es sólo aplicable a soluciones en las que las interacciones dependientes de la concentración de las moléculas o iones son mínimas. Concentraciones “alts” alteran las absortividades molares y por lo tanto conducen a una relación no lineal entre A y c.
Cuando las especies absorbentes experimentan asociación, disociación o reacción con el solvente originan productos con características absorbentes distintas de las del analito.
Un ejemplo típico se observa con soluciones de dicromato potásico no amortiguadas, en las que existen los siguientes equilibrios:
Cr2O7+H2O ↔ 2HCrO4 ↔ 2H+ + 2CrO4-2
A casi todas las longitudes de onda los valores de ξ del ion dicromato y las dos especies de cromatos son muy diferentes.
| Radiación policromática: | el requisito básico para el cumplimiento de la Ley de Beer es que la radiación incidente sea monocromática. Dependiendo de las características tecnológicas del sistema óptico del instrumento será más o menos accesible poder utilizar en forma práctica una radiación una radiación limitada a una sola longitud de onda. |
| Radiación dispersa: | la radiación dispersa suele diferir considerablemente en longitud de onda con respecto a la radiación principal; además puede alcanzar el detector sin haber pasado a través de la muestra. |
La absorción de radiación ultravioleta y visible por una especie M, puede considerarse como un proceso en dos etapas, la primera de las cuales corresponde a la excitación según:
M+h.v→M*
donde M* representa la partícula atómica o molecular en su estado electrónico excitado que se produce como resultado de la absorción del fotón h v. Este estado excitado tiene un breve tiempo de existencia (10-8 a 10-9 s) y desaparece a través de través de algunos de los diferentes procesos de relajación (calor).
M*→M+calor
La absorción de la radiación ultravioleta o visible, se produce por lo general como consecuencia de la excitación de los electrones de enlace; debido a esto, la longitud de onda de los picos de absorción se puede correlacionar con los tipos de enlace existentes en la especie que se estudia.
Identificación proximal de los grupos funcionales en una molécula.
Método bastante selectivo para el análisis cuantitativo de compuestos cuyos enlaces producen absorción.
Conviene considerar tres tipos de transiciones electrónicas que permiten explicar porqué algunas especies pueden absorber energía radiante. Estos tres tipos son:
Los electrones π, σ y η.
Los electrones d y f.
Los electrones de transferencia de carga.
La absorción de radiación ultravioleta y visible (200–800 nm) se restringe a un número limitado de grupos funcionales, llamados cromóforos, que contienen electrones de valencia con energías de excitación relativamente bajos.
| Cromóforo | Ejemplo | Disolvente | λmáx (nm) | εmáx | Tipo de transición |
|---|---|---|---|---|---|
| Alqueno | C6H13CH = CH2 | n-Heptano | 177 | 13,000 | π→π* |
| Alquino | C5H11C=C—CH3 | n-Hexano | 178 196 225 | 10,000 2,000 160 | π→π* - - |
| Carbonilo | ![]() | n-Heptano n-Hexano | 186 280 180 | 1,000 16 larga | π→σ* π→π* π→σ* π→π* |
| Carboxilo | ![]() | Etanol | 204 | 41 | π→π* |
| Amido | ![]() | Agua | 214 | 60 | π→π* |
| Azo | CH3N=NCH3 | Etanol | 339 | 5 | π→π* |
| Nitro | CH3NO2 | Isooctano | 280 | 22 | π→π* |
| Nitroso | C4H9NO | Éter etílico | 300 665 | 100 20 | - π→π* |
| Nitrato | C2H5ONO2 | Dioxano | 270 | 12 | π→π* |
Iones de los metales de transición
Serie de los lantánidos y actínidos
Los iones y complejos de los 18 elementos de las dos primeras series de transición son coloreados en uno de sus estados de oxidación o en todos ellos. Dependiendo las características colorimétricas del complejo; del tipo de ligando (agente complejante) y del estado de oxidación.
| λmáx (nm) para los ligantes indicados | |||||
|---|---|---|---|---|---|
| Ion central | Aumento de fuerza del campo de unión | ||||
| 6CI | 6H2O | 6NH3 | 3en(1) | 6CN- | |
| Cr (III) | 736 | 573 | 462 | 456 | 380 |
| Co (III) | - | 538 | 435 | 428 | 294 |
| Co (II) | - | 1345 | 980 | 909 | - |
| Ni (II) | 1370 | 1279 | 925 | 863 | - |
| Cu (II) | - | 794 | 663 | 610 | - |
(1) en = etilendiamina, un ligante bidentado.
Para fines analíticos es el tipo más importante de absorción por especies inorgánicas, debido a que las absortividades molares de los picos son muy grandes (ξ < 105). Esta es una particular característica de los complejos inorgánicos denominados también, complejos de transferencia de carga.
Ejemplos:
Hierro III- ion tiocianato
Hierro II - (o-Fenantrolina)
Ion triyoduro I3-
Los instrumentos que miden la absorción selectiva de la radiación en las soluciones se conocen con los nombres de: colorímetros, fotómetros y espectrofotómetros. Hoy en día es pertinente diferenciar los instrumentos según su sistema de detección: detectores simples (convencional) o detectores multicanal (arreglo de diodo).
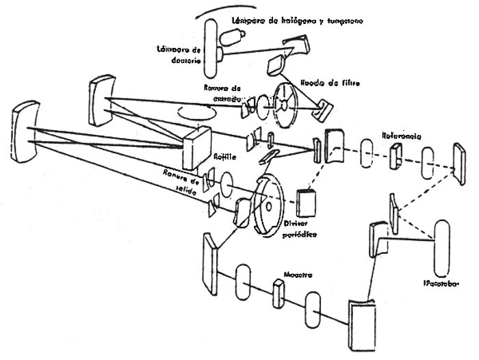
Algunos de los diseños básicos de los instrumentos usados en la medición de la absorción de Energía Radiante se ilustra en el siguiente esquema:
Figura 3.6. Diagrama de bloques de diferentes tipos de instrumentos de medición de la absorción molecular

Debe producir un haz de radiación cuya potencia sea suficiente para facilitar la detección y medida; debe ser estable. Ej.:
Lámpara de hidrógeno
Lámpara de deuterio.
Ambas lámparas producen un espectro continuo entre 160–375 nm y deben emplearse ventanas de cuarzo en los tubos: ya que el vidrio absorbe fuertemente en esta región del espectro electromagnético.
Lámpara de filamento de tungsteno
Es la fuente más común para la zona del visible e infrarrojo. Esta lámpara es útil para la región entre 320 – 2,500 nm.
(i) Fotómetro (colorímetro): este tipo de instrumentos utiliza filtros que permiten obtener bandas de radiación que abarcan un intervalo limitado de longitudes de onda (con un fotómetro no es posible obtener una banda de absorción variable en forma continua).
| Región λ (nm | Color filtro | Color solución |
|---|---|---|
| 380–435 | Azul | Amarillo |
| 480–490 | Verde azuloso | Rojo |
| 500–560 | Verde amarillento | Violeta |
| 580–595 | Anaranjado | Azul verdoso |
| 595–650 | Rojo | Verde azuloso |
(ii) Espectrofotómetro: utilizan un complejo sistema óptico de selección de longitud de onda (sistema monocromador). el cual consta de variados componentes tales como:
Estos instrumentos pueden seleccionar longitud de onda en forma continua y en algunos casos con precisión de décimas de nm. Por lo tanto, es posible obtener en forma continua el espectro de absorción de una molécula.
La mayor parte de las aplicaciones espectrofotométricas utiliza las muestras en solución líquida, por esta razón se requieren recipientes para colocar la muestra (celdas). La celda debe transmitir el 100% de la energía radiante en la zona espectral de trabajo.
| Región U.V. = | Celdas de cuarzo | (200–2,000 nm) |
| Región VIS = | Celdas de vidrio | (350–2,000 nm) |
| Algún tipo de plástico. |
La longitud más común para el trabajo en las regiones UV-VIS es 1 cm (otras son: 2, 5 y 10 cm).
Dispositivo electrónico llamado transductor que convierten la energía radiante en una señal eléctrica.
| Requisitos: | |
| • Responder a la E.R. en un amplio intervalo de λ. | • Poseer elevada sensibilidad. |
| • Respuesta lineal. | • Tiempo de respuesta rápido, etc… |
| Detectores de fotones: | |
| • Celdas fotovoltaicas. | • Tubos fotomultiplicadores. |
| • Fototubos. | • Diodo de silicio. |
Dispositivo electrónico que amplifica la señal eléctrica generada en un detector. En este sentido existe una amplia gama de alternativas, desde galvanómetros hasta avanzadas computadoras.
Figura 3.7. Componentes y materiales de los instrumentos espectroscópicos

Figura 3.8. Sistema con arreglo de diodo mono haz

Figura 3.9. Sistema convencional doble haz

Las aplicaciones cualitativas no ofrecen una herramienta muy útil, ya que con estos espectros existe un número relativamente escaso de máximos y mínimos. Sin embargo el análisis cualitativo es una excelente herramienta cuando va precedido de algún método de separación.
a) Aplicación:
| Compuestos orgánicos: | Aldehídos y cetonas |
| Aromáticos | |
| Drogas | |
| Vitaminas, etc… | |
| Compuestos inorgánicos: | (especies absorbentes) |
| Compuestos no absorbentes → Derivatización | |
| (Por ej.: formación de complejos coloreados). | |
b) Principales características:
Alta sensibilidad:
Absortividades molares ξ ≈ 105
Intervalos de concentración 10-4 a 10-6M.
Selectividad: selección de la longitud de onda en la que el único componente absorbente de una muestra sea la sustancia que se determina.
Precisión y exactitud: dependiendo del nivel de concentración es posible lograr valores menores que 1% de error relativo.
a) Recopilación de antecedentes:
Referencias bibliográficas.
Métodos normalizados.
b) Preparación y/o tratamiento de la muestra:
Separación del compuesto de interés (precipitación, extracción por solvente, cromatografía, etc…).
Derivatización si es necesaria.
c) Selección de la longitud de onda de trabajo (λ máx.):
Obtención del espectro de absorción:
En el espectro de mono haz, se va alternando la medida de la absorbancia entre el disolvente (blanco) y la solución que contiene la muestra en la medida que se va variando gradualmente la longitud de onda.
En el espectro de doble haz, la operación descrita anteriormente es posible hacerla automática y simultáneamente.
Para ello los instrumentos disponen de sistemas con microprocesador que permiten una fácil y expedita obtención de la información. Mediante estos instrumentos es posible hacer barrido de longitudes de ondas en determinadas zonas del espectro y a diferentes velocidades.
La excepción a esto último la proporcionan los espectrofotómetros de Arreglo de Diodos ya que dada su configuración es posible obtener el espectro de absorción en un amplio rango de longitudes de onda (200–800 nm) en fracción de segundos.
Una vez establecida la longitud de λ máx. (máxima sensibilidad) se prepara la curva de calibración.
Set de soluciones de concentraciones crecientes del analito, en un rango tal que se cumple la Ley de Beer.
« No es conveniente suponer que para una determinada concentración se cumple la Ley de Beer y por ello utilizar un patrón único como referencia ».
Una vez obtenidos los distintos puntos (o niveles de calibración) se debe determinar la ecuación de la recta mediante análisis de regresión lineal (o ajuste de la curva por mínimos cuadrados). Los instrumentos automatizados traen estas funciones ya incorporadas en su sistema de cálculo, lo cual permite obtener el resultado final directamente.
La ecuación que relaciona la absorbancia con la concentración más común es del tipo:
| Y = Ax + B | donde: | A = pendiente (ξ) |
| B = intercepto |
r es un parámetro estadístico que da cuenta de la “calidad” de la curva de calibración y se denomina coeficiente de regresión. En análisis cuantitativo se considera buena una curva cuando su valor de r es mayor que 0.99.
Definimos anteriormente que en una mezcla de sustancias absorbentes, a una misma longitud de onda las absorbancias son aditivas.
Considerando esto, es posible determinar componentes en una mezcla determinando las respectivas absorbancias a diferentes longitudes de onda.
Así tendremos:
| A1 = Cxξx + Cyξy a λ1 A2 = Cxξx + Cyξy a ι2 |
A partir de estándares puros de las especies X e Y se obtienen, por separado los respectivos valores de las absortividades molares de X e Y. Luego quedan como incógnitas las concentraciones de X e Y a ambas longitudes de onda y se resuelve el sistema de ecuaciones.
Figura 3.10. Espectros de absorción mezcla componentes

Las titulaciones espectrofotométricas son otras aplicaciónes mediante las cuales es posible determinar constantes termodinámicas tales como de formación de complejos metálicos, etc…
Hewlett Packard. 1988. The Diode-Array Advantage in UV-VIS Spectroscopy. Publication No12 - 5594–8912.
Inge, J.A. Jr. and Crouch, S.R. 1988. Spectrochemical Analysis. Prentice Hall International, Inc.
Skoog, D.A. y West, D.M. 1984. Análisis Instrumental. 2a edición. Ed. Interamericana.