Two very important operations - the supplying of water and draining of ponds, are effected by utilizing tides in brackish water fish farms. For these management activities it is important that the site of the fish farm is located where tidal characteristics are favourable and the site elevation is suitable.
I. Tidal characteristics in various areas in the region
The attached table shows the tidal characteristics of various areas of the South China Sea countries. In general, for the proper management of brackish water fish farms, places where the tidal fluctuation is moderate or those between 2 to 3 meters are most suitable for proper management of tidal fish farms. Place where the tidal fluctuation are great or those 4 to 5 meters or over would be difficult because big dikes will be required to fend off the water rise at high tides and it would likewise be difficult to hold water inside the pond system during low tides. On the other hand areas where the tidal fluctuations are very narrow or those that are scarcely 1 meter would be difficult because the flooding of the ponds or draining them when desired cannot be fully executed. This of course may be solved by the use of pumps but this would require additional expense. The table shows the tidal characteristics of sample areas surveyed giving appropriate remarks on their suitability as sites for aquaculture development.
TIDAL CHARACTERISTICS AND SUITABILITIES FOR AQUACULTURE IN SOME AREAS OF THE SOUTH CHINA SEA REGION (in decimeters)
| LOCALITY | (1) Highest recorded tide (dm) | (2) Lowest recorded tide (dm) | (3) Absolute annual range (dm) | (4) Normal daily fluctuation [low/high (range)] (dm) | REMARKS |
| INDONESIA Niur, Jambi River, Jambi, Sumatra | 37 | 05 | 32 | 14/34(20) | Tidal characteristics favourable for proper fish farm management |
| Musi River, Palembang South Sumatra | 38 | 01 | 37 | 09/27(16) | - do - |
| Tanjung Pandan, Belitung Island, South Sumatra | 27 | 00 | 27 | 09/18(09) | Tidal fluctuation slightly narrow for proper fish farm management |
| Tanjung Priok, Jakarta, West Java | 11 | 01 | 10 | 03/07(04) | Tidal fluctuation too narrow; unfavourable |
| Samarinda, West Java | 27 | 00 | 27 | 07/22(15) | Tidal characteristics favourable for proper fish farm |
| Little Kapuas River, Pontianak, West Kalimantan | 18 | 00 | 18 | 05/13(08) | management Tidal fluctuation slightly narrow for proper fish farm management |
| Barito River, Banjarmasin, South Kalimantan | 28 | 01 | 27 | 08/22(14) | Tidal fluctuation favourable for proper fish farm management |
| Balikpapan, East Kalimantan | 29 | 01 | 28 | 05/23(18) | - do - |
| Ujung Pandang, South Sulawesi | 13 | 01 | 12 | 03/10(07) | Tidal fluctuation narrow for proper fish farm management |
| Menado, North Sulawesi | 24 | 00 | 24 | 06/17(11) | Tidal fluctuation slightly narrow tidal range for proper fish farm management |
| Jayapura, Irian Jaya | 11 | (-)01 | 12 | 03/10(07) | Tidal range narrow for proper fish farm management |
| Manokwari, Irian Jaya | 19 | 00 | 19 | 04/16(12) | Fair tidal range for proper fish farm management |
| Sorong, Irian Jaya | 19 | (-)01 | 18 | 03/14(11) | Slightly narrow tidal range for proper fish farm management |
| Aiduna, Irian Jaya | 26 | 00 | 26 | 04/21(17) | Tidal characteristics favourable proper fish farm management |
| Merauke, Irian Jaya | 53 | 0 02 | 51 | 13/43(30) | Tidal fluctuations too high for proper fish farm management |
| MALAYSIA Penang, Penang | 28 | 02 | 26 | 07/22(15) | Tidal fluctuation favourable for proper fish farm management |
| Kelang, Selangor | 54 | (-)01 | 55 | 12/41(29) | Tidal fluctuation high for proper fish farm management |
| Kuala Batu, Pahat, Johore | 32 | (-)02 | 34 | 07/26(19) | Tidal fluctuation favourable for proper fish farm management |
| Kuantan, Pahang | 35 | (-)02 | 37 | 06/27/21) | -do- |
| Kuala Trengganu, Trengganu | 27 | (-)04 | 31 | 03/18(15) | -do- |
| Kuching, Sarawak | 60 | 05 | 55 | 14/50(36) | Tidal fluctuation too high for proper fish farm management |
| Miri, Sarawak | 21 | 00 | 21 | 05/16(11) | Tidal fluctuation favourable for proper fish farm management |
| Sandakan, Sabah | 27 | (-)01 | 28 | 04/19(15) | -do- |
| PHILIPPINES San Fernando, La Union | 10.4 | (-)2.1 | 12.5 | (-)0.3/6.1(6.4) | Tidal fluctuation too narrow for proper fishpond management |
| Manila City | 14.6 | (-)3.4 | 18.0 | 1.4/10.5(9.1) | Tidal fluctuation slightly narrow for proper fishpond management |
| Legaspi City | 18.3 | (-)4.0 | 22.3 | (1)10.9/14(14.9) | Tidal fluctuation favourable for proper fishpond management |
| Cebu City | 19.8 | (-)4.0 | 23.8 | (-)0.3/14.9(15.2) | - do - |
| Davao City | 19.8 | (-)4.9 | 24.7 | (-)0.3/17.7(18.0) | - do - |
| Jolo, Sulu | 11.9 | (-)1.2 | 13.1 | (-)0.3/9.8(10.1) | Tidal fluctuation slightly narrow for proper fishpond management |
| SINGAPORE Singapore | 33.0 | (-)3.0 | 36.0 | 06/27(21) | Tidal fluctuation favourable for proper fishpond management |
| THAILAND Bangkok | 41.0 | 03.0 | 38.0 | 22/03(09) | Tidal fluctuation slightly low for proper fishpond management |
| Laom Sing Chantaburi | 25.0 | 05.0 | 20.0 | 12/19(07) | Low tidal fluctuation; not favourable for proper fishpond management |
| Ko Nu, Songkhla | 13.0 | 02.0 | 11.0 | 10/05(05) | -do- |
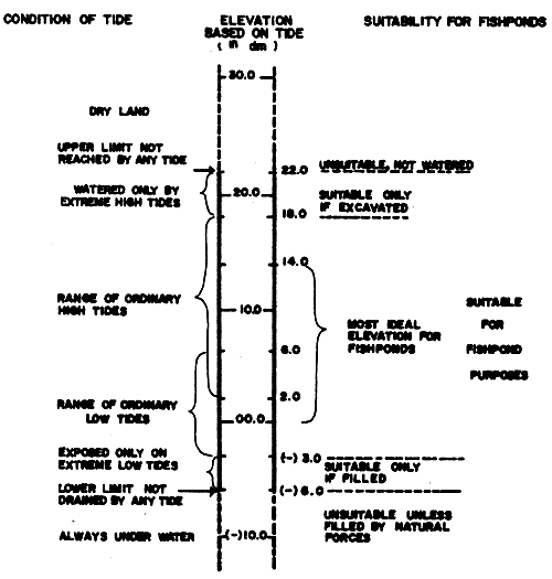
II. Selection of suitable elevation for fish farm sites based on tidal datum (Figure 11 a)
Having determined that tidal fluctuation ranging from 20 to 30 decimeters (2-3/7 m) are most conducive for proper management of brackish water fish farms, there still remains the proper selection of sites with proper elevation in relation to tidal datum. It is obvious that sites with elevation not reached by any tide or only by extreme high tides are not very suitable as they would require excavation in order to be usable. In the other extreme, sites with elevation at or below the lowest tides of the year will be difficult to manage when draining and drying the ponds are desirable. Therefore, areas with average elevation that can be watered by ordinary high tides and drained by ordinary low tide would be most ideal for fishpond purposes.
It is important in the selection of sites that: (i) the tidal characteristics are examined (ii) the elevation of the site is determined based on tidal datum. Accurate determination of the elevation of an area will require a series of readings on the spot using the tide table. This should be done routinely in investigating prospective sites for brackish water fish farms.
The relationship between the tidal characteristics and the suitability of proposed fish farm sites based on tides are graphically shown (Figure 11a).
III. Water management in brackish water fish farms
As mentioned for tidal fish farms, water management will depend on the tidal characteristics at site and the elevation of the area. The ideal situation is to be able to fill the ponds at high tide when needed and/or drain and dry the ponds on low tides if required. This will facilitate cleaning the ponds of pests and predators, reconditioning the soil, growing of natural food, and such other operations as total harvest, excavating, levelling, etc.
One important consideration in design for tidal fish farms is the relationships of the tidal characteristics, the area of the fish farm, and the size of water control opening to and from the pond system. Having this in mind, the water control system can be designed to be able to have adequate water in the ponds and facility for draining and drying as desired. Figure 11b shows relationship between pond water level, gates size and tidal characteristics.

FIGURE 11 a
Determination of Suitability of Proposed Fishponds Sites
Based on Tidal Water Supply as Affected by Elevation of
the Area. (Applicable Under Philippine Conditions)

| FIGURE 11-B |
||
| RELATIONSHIP BETWEEN: | ||
| 1. POND WATER LEVEL | ||
| 2. GATE SIZE | ||
| 3. TIDAL CHARACTERISTICS | ||