A report prepared for the
LAO/78/014, FAO / UNDP Project
L. Varadi
Consultant
28. April, 1982. Vientiane
Hyperlinks to non-FAO Internet sites do not imply any official endorsement of or responsibility for the opinions, ideas, data or products presented at these locations, or guarantee the validity of the information provided. The sole purpose of links to non-FAO sites is to indicate further information available on related topics.
This electronic document has been scanned using optical character recognition (OCR) software. FAO declines all responsibility for any discrepancies that may exist between the present document and its original printed version.
2.1.1. Water supply of the fish farm
2.1.4. Extension of the fish farm
2.2.1. Water supply of the fish farm
2.3.1. Water supply of the fish hatchery
Figures 33 nos.
Enclosures No. 1 – No. 3
Acknowledgements
I gratefully acknowledge the support and help of the Government of Lao People's Democratic Republic, the United Nations Development Programme and the Food and Agriculture Organization of the United Nations.
I must thank, in particular the Project Coordinator Dr. H. Chaudhuri and Fish Breeding Expert Dr. S. B. Singh for their valuable guidance, help and ensuring all facilities during my consultancy. Thanks must also be given to others who promoted my work, in particular Mr. Khamphet Roger of the Livestock Department of the Ministry of Agriculture as counterpart and the respective provincial authorities.
Itinerary (LAO PDR)
| Place | Arrival | Departure |
| Vientiane | 6/2/82 | 9/2/82 |
| Savannakhet | 9/2/82 | 25/2/82 |
| Pakse | 25/2/82 | 27/2/82 |
| Vientiane | 27/2/82 | 5/3/82 |
| Luang Prabang | 5/3/82 | 9/3/82 |
| Vientiane | 9/3/82 | 16/3/82 |
| Pakse | 16/3/82 | 25/3/82 |
| Savannakhet | 25/3/82 | 30/3/82 |
| Vientiane | 30/3/82 | 8/4/82 |
| Luang Prabang | 8/4/82 | 17/4/82 |
| Vientiane | 17/4/82 | 20/4/82 |
| Savannakhet | 20/4/82 | 22/4/82 |
| Pakse | 22/4/82 | 24/4/82 |
| Vientiane | 24/4/82 | 29/4/82 |
| Bangkok | 29/4/82 | - |
The Government of the Lao People's Democratic Republic assisted by the United Nations Development Programme and the Food and Agriculture Organization of the United Nations is engaged in a project whose main purpose is to increase income and improve food intake of the population by fish culture development. Important objective of this project is the technical development of existing fish seed farms, first of all in Pakse, Savannakhet and Luang Prabang. As a part of the project operation, FAO assigned L. Varadi as consultant from 15 December 1980 to 14 January 1981. During that time the surveying of the fish farms was done, recommendations and designs were provided for the technical development of these fish farms.
As a follow up of the last year consultancy, FAO assigned L. Varadi again as consultant from 1 February, to 30 April 1982 with the following terms of reference :
To supervise construction of hatchery and fish farm facilities at the project sites in Pakse, Savannakhet and Luang Prabang to ensure that the recommendations and construction designs given in the last year's consultant report are properly implemented.
To advise and assist in procurement of specific equipment for installation at the above project sites.
To supervise installation of the equipment at the above project sites.
To give plans for possible expansions of the existing fish farms and other related facilities.
To visit other project sites and give advise for farm improvement, as far as possible, within the period of consultancy.
During the consultancy, Savannakhet and Pakse fish farms were visited three times, Luang Prabang fish farm two times. The construction works at all these three fish farms were initiated and supervised. In spite of difficulties, fairly good progress has been made as it is described in details later in this chapter.
The difficulties of the material supply, lack of skilled labour and adequate technical background created some problems and caused delay in the construction works. However, the basic parts of the water supplying system at all the three farms is expected to be finished before the beginning of the fish breeding season which will provide better water supply during the fish breeding works.
The whole development programme, including the installation and adjustment of new hatching facilities, the improvement of the water supply to the fish ponds, possibly cannot be accomplished before the fish breeding season. In order to accomplish the development work properly in the absence of the consultant, detailed plans have been provided and discussed with the contractors at each site.
The construction work at this farm has been done since September 1981 by the Vietnamese Construction Company of Savannakhet. The first supervision period was between 9th and 24th of February. By this time a large part of the hatchery construction had been done, and the supplementary building (store, laboratory, office) was just about to finish. During the first two weeks long supervising period the earthen work of the 1000 m3 water reservoir was completed, and the platform of the floating pump was also made ready. The design of the concrete structures and slope protection of the reservoir was provided and discussed. All the detailed plans needed for the construction of the concrete head tank and for the circular hatching tank were provided and discussed. During this time everyday supervision and discussion was made at the site and wherever necessary, modifications were made compared to the original designs in order to keep the work moving.
The second supervisory period was between 25th and 29th of March. By that time all the additional material requirement (pipes, fittings, electric materials etc.) of the construction had been calculated and detailed drawings were provided and discussed concerning the piping of the hatchery, the electric supply of the hatchery, the installation of the floating pump. The possible extension area of the farm was also surveyed at this time, lay out map was provided, and suggestions were given how to drain down and harvest these ponds.
The farm was visited again on 20th and 21th of April when final discussions were made concerning the order of importance of the construction works. Taking into account the coming rainy season, first of all the water reservoir, then the head tank have to be finished, and the floating pump has to be put into operation. After the completion of these works the hatchery can be supplied with gravity water.
During this visit, the material requirement of the construction work, in order to complete the whole programme, was finalized. Because of the difficulties of material supply, it seems to be possible that the whole construction work cannot be finished before the fish breeding season.
The water from the Mekong river is pumped by a floating pump (1) to the farm. The floating pump will be installed according to the figures 1 and 2 The water comes to a 1000 m3 water reservoir that can ensure water supply without using the floating pump as follows :
for the hatchery
(high pressure water supply by pump) : 50 hours
for the hatchery
(gravity water supply) : 20 hours
for the farm : 10 hours
The reservoir serves as a settling pond too, in which the horizontal water velocity is about 1 cm / minute.
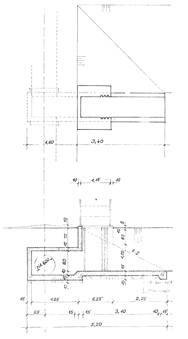
The inner slope of the reservoir is protected against erosion by concrete slabs. The design of the reservoir can be seen on figure 3.
Beside the hatchery a concrete head tank is constructed with two chambers inside. The 3 m3 chamber is for the hatchery water supply. The water gets into this chamber through the gravel filter. The 6 m3 chamber is for the farm water supply. The water level inside the tank is above the ground level of the hatchery with about 1.3 meters that ensures gravity water flow to the concrete tanks. The water supplying pumps of the hatchery (2) are connected to the smaller chamber of the head tank, while the water supplying pumps of the farm (3) are connected to the larger one. The pipelines of the hatchery are shown on the figures 4, 5, 6, 7, and 8.
The newly constructed fish hatchery is located on a 330 m2 concrete covered area (Figure 9.) A 200 m2 area is under a shed made of wood and covered with corrugated galvanised steel sheets. On this area there are 12 concrete tanks with a size of 3m × 2m × 0.7m each. A concrete circular hatching tank, with a diameter of 2m will be available here as well. About 40 m2 vacant area is available under the shed for manipulation work and for the later installation of hatching jars.
Beside the shed a wooden house has been built which is divided into three compartments (laboratory, store room, open shed for fish selling). With a footing area of 24 m2 each. In a small separate house washroom will be available, equipped with water flushing toilet and shower as it is shown on figure 9. The water supply of the hatchery has been described before in shapter 1.1. The scheme of the electric supply of the hatchery can be seen on the figure 10.
The concrete tanks can be used for keeping and preparing the spawners, for larvae rearing and also for hatching in hatching hapas and in submerged hatching funnels.
The tanks are fed by gravity water, but an additional high pressure water supplying system is also available. This system can be used for aeration, sprinkling the water on the surface by lever sprays. The water supplying system of the concrete tanks can be seen on figure 5.
A circular hatching tank will be built here according to the design on the figure 11. The supplement parts of the circular tank are shown on the figures 12. 13 and 14. The details of operation of the circular tank is described in the enclosure No. 2.
Hatching jars are not available here, but the installation of this type of hatching equipment is highly recommended. Fiberglass hatching jars (see enclosure No.3) are proposed to be purchased from Hungary, but simple rectangular hatching jar can also be made locally according to the figure 15. and 16.
The water supplying system of the hatching jars will be constructed according to the figure 6.
The water supply of the fish ponds is ensured by high pressure pumps (3) that get the water from the head tank with a positive suction head. The water is pumped to the fish ponds through 4" diameter steel pipeline, equipped with check valves for each pond (figure 17). The pipe and the check valves have been specified and shall be purchased soon. The pipeline has to be placed under the ground level. The slope and the bottom of the fish ponds under the water inlet has to be covered by concrete slabs. The high pressure water supply allows use of sprinklers for aeration.
For the drainage of the fish ponds, underground drainage system has to be built as it is shown on figure 17. The drainage pipe can be built with 400– 600 mm diameter concrete pipe (like between the water reservoir and the head tank). The fish ponds No. 1 – 8 can be drained down through a common water outlet (figure 18), while the other ponds through a single water outlet (figure 19).
The reconstruction of earthen ponds No. 11 – 19 can be done without larger amount of earthen work however ponds No. 1 – 9 have to be rebuilt completely. This fish pond unit comprises of nine ponds with a surface area of 500 m2 each. The design of these ponds is shown on the figure 20.
The above mentioned works possibly cannot be done in this stage of the development, concept the installation of the water supplying system, however proposals and designs have been given taking into account the further development.
At about 1 km distance from the fish farm there is a fish pond unit (known as 9 km Military Fish Ponds) that comprises 14 ponds. These fish ponds (presently not properly managed or out of use) recently have been handed over to the fish farm. The ponds are filled up with run-off water from the surrounding hills and there is adequate water depth in them throughout the year. The lay out of the ponds can be seen on figure 21. The ponds No. 5, 6, 7, 8, and 11 can be utilized for fish culture without any reconstruction work, however, the drainage of these ponds have to be solved in order to remove the unwanted fish and prepare the bottom for stocking. For this purpose syphon was proposed to use. Design of a syphon was given as it is shown on figure 22. A simple temporary syphon was put into operation later and the pond No. 11 was drained down succesfully. Utilizing the fish ponds here the activity of the fish farm can be extended towards market fish production, too.
Between 5th and 8th of March, discussions were made with provincial authorities (Agriculture Department, Planning and Irrigation Departments) in order to start the construction work as soon as possible. The basic building materials (cement, reinforcement bars) from the project side were readily available, the water pumps had already been purchased and were about to arrive, arrangements in order to supply electric and piping materials for the farm were going on. However certain difficulties emerged from the side of the province that were cleared all later at the Agricultural Ministry in Vientiane. The farm was visited again between 8th and 15th of April when all the required preparetory work were discussed and cleared up with the contractor (Irrigation Department).
During this period of time detailed drawings were provided and explained to the contractor, instructions concerning the construction work were also given.
The construction work was decided to start from 19th of April. Because of the late start of the construction, the programme was reduced to those works that could be finished before the rainy season. The main goal of this construction work is to improve water supply of the farm and to develop the fish hatchery.
Basing on the suggestions of the consultant's previous report, an order of importance was determined concerning the reconstruction of the water supply system.
First of all about 25 m long broken section of the water supplying concrete channel has to be rebuilt. The details of this work were discussed at the site.
The second most important work is the construction of a water supplying channel, highly recommended because of the following reasons :
Through this channel, the supplying water would flow directly to the lower farm area through the existing settling tank.
The load of the upper settling tank would be decreased, improving the water quality of the upper farm area this way.
During rainy season, the excess water of the stream would be drained down to the ditch before entering the lower settling tank, ensuring better control of the water supply of the entire farm.
Originally 400 mm diameter concrete underground pipeline was proposed to be built, but since this type of pipes are not available here open channel is proposed to be constructed and only that section under the access road has to be piped (figure 23)
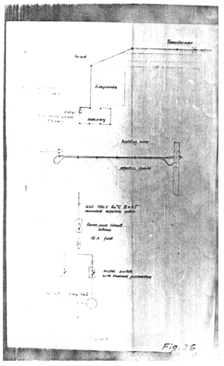
The high pressure water supply of the hatchery is ensured by eletric motor driven water pumps (2) that get the water from the existing concrete settling and filtering tank. The positive suction head allows easy operation. The pumps have to be installed according to the figure 24 and 25. The electric connection of the water pumps is shown on figure 26.
The high pressure water supplying pipeline has to be assembled according to the figure 27.
The pressure tank can be installed later by connecting it to the 2" / 1" T fitting of the high pressure pipeline.
For the gravity water supply, the existing 2" diameter pipeline can be used, but check valves have to be mounted to the pipe ends belonging to each tank (figure 28).
The stabilized pressure water is coming from the elevated storage tank, through an existing 11/4" diameter pipeline. Since this elevated storage tank is used for drinking water storage, the water is used only for stirring the eggs inside the submerged funnel type incubator.
Together with the development of the water supplying system, the drainage of the concrete tanks also has to be developed according to the figure 28.
In order to improve the hatching ability of the farm one circular hatching tank will be built beside the existing shed, on the area that is about 0.8 m above the ground level. As a result of this installation, the existing concrete trough can be used for larvae collecting and draining.
The lay out of the hatchery with the circular tank can be seen on figure 24, and the cross section of the tank is shown on figure 29. The details of the piping of the circular tank are given on figure 30 and 31.
During the former fish breeding consultancy, submerged hatching funnels were made and the pipes and fittings for the installation have also been purchased. The hatching funnels have to be installed according to the figure 32 in the first two deep concrete tanks.
Continuous water flow has to be maintained through the concrete tanks in order to provide oxygen and removal of waste materials, while the stirring of the eggs is done by the stabilized pressure water coming from the elevated storage tank.
The first visit of this farm was on 25th and 26th of February when the conditions of the construction were discussed with the provincial authorities and all the necessary arrangements were determined in order to start the construction as soon as possible. A possible extension area To Mo Farm was also visited during this time. Proposals were given and drawing was provided later in order to construct fish ponds at this area.
The second supervising period was between 16th and 24th of March. The exact sites of the concrete head tank, the pump sump and the circular tanks were determined and the earth work of the construction started. The designs of the concrete head tank, the pump sump and the circular tank were provided and discussed with the contractor (Construction Division of the Irrigation Department), the detailed drawings of the pipelines were also provided and explained at the site.
The farm was visited again on 22th and 23rd of April. By this time the moulding of the head tank and the pump sump was just about to finish. During this time final discussions were made and it was found that the two basic concrete structures (head tank and pump sump) will be completed before the rainy season.
Although all the necessary pipes, fittings etc. have been specified and purchased, it seems that the whole construction work cannot be finished before the fish breeding season because of the difficulties of material supply.
The present development work, concerning the water supply, covers only the hatchery water supply because the water supplying system of the fish ponds is in fairly good condition. The existing gravity water supplying system of the hatchery will not be modified, but beside this system two other water supplying lines will be built. High pressure water supplying line is used for the operation of the circular tanks, for the water supply and aeration of the concrete fish tanks. The high pressure water is ensured by diesel motor driven water pump (4). The pump draws the water from the newly constructed pump sump with a gravel filter inside.
The stabilized pressure water (that is essential for the proper operation of the hatching jars) is ensured by the elevate head tank, in which constant water level can be kept by an overflow. The 22 public meter head tank serves as a safety storage tank as well in the case of pump failure. The scheme of the water supplying system of the hatchery is shown on the figure 33.
Under the existing shed where five concrete tanks are available, two circular hatching tanks will be constructed similar to those given on figure 11. Since the drainage channel is deep here, the bottom of the circular tanks is on ground level and the larvae collecting place is under it. After accomplishing the reconstruction work, the operation of hatching jars will be ensured.
Under the other shed, the 13 concrete tanks (Concrete tanks No. 21) can be used for larvae rearing after improving the water supply of those tanks. The design of the modified water supplying system was given to the contractor, the pipes and the fittings have been purchased as well.
With the help of the students of the training school at the site, renovation work have been made (refilling and reshaping of the eroded emmankments, improving the water inlets and outlets, cleaning the plugged channels and culvert pipes), as it was advised last year in the consultant's report.
![]() | ![]() |
![]() | ![]() |
![]() | ![]() |
![]() | ![]() |
![]() | ![]() |
![]() | ![]() |

Figure 3. Water resoivoire

Figure 11. Circular hatching tank

Fig. 15. Rectangular incubation jar (volume 78 lit.)

Fig. 16. Cut pattern of glass sheet for incubation jar (volume 78 lit.)

Fig. 19. Water outlet

Fig. 20. Lay out design of fish ponds No l-9.

Figure 23. Water supplying channel
![]() | ![]() |
![]() | ![]() |
![]() | ![]() |
![]() | ![]() |
![]() | ![]() |


Figure 33. Schem of the water supply
Enclosure No. 1
The main technical data of the applied water pumps:
Floating pump for Savannakhet Fish Farm :
Type : ON 1257 E 7.5
Water delivering capacity : 1.5 m3 / min
Total pressure head : 20 m
Capacity of the electric motor : 7.5 KW
Water pump for the hatcheries of Savannakhet and Luang Prabang Fish Farm :
Type : FJ 502 E 5.5
Water delivering capacity : 0.3 m3 / min
Total pressure head : 35 m
Capacity of the electric motor : 5.5 KW
Water pump for the fish ponds of Savannakhet Fish Farm :
Type : VMK 1252 E 18.5
Water delivering capacity : 1.6 m3 / min
Total pressure head : 40 m
Capacity of the electric motor : 18.5 KW
Water pump for the hatchery of Pakse Fish Farm :
Type : ON 1005 E 5.5
Water delivering capacity : 1 m3 / min
Total pressure head : 17 m
Capacity of the diesel engine : 5.5 KW
Enclosure No. 2
Operation of the circular hatching tank
Before putting into operation the circular tank, the stand pipe has to be screwed slightly into the central opening of the pool, and then the stand pipe screen has to be placed around the stand pipe. After opening the 1" size check valve, the water will be injected into the pool tangentially through the holes of the four water injecting pipes. The velocity of the circular water flow should be adjusted by the 1" check valve.
Before harvesting the larvae, the turn pipe has to be mounted to the flanged pipe end, after this the stand pipe has to be removed. At this time the water level inside the tank decreases to the desired level which is determined by the upper edge of the turn pipe. Further decreasing of the water level can be done by slow downward turning of the turn pipe. When the water depth is about 10 cm inside the tank, the larvae collecting box has to be placed under the turn pipe or into the outer concrete box of the tank ( Savannakhet Fish Hatchery). After this the stand pipe screen can be slowly removed by decreasing water level, the larvae can be collected gently in the larvae collecting box. When the pool is completely drained down, the larvae collecting box can be removed. Each step of the operation described above is shown on figure enclosed here.
Where outer larvae collecting tank is not available, the larvae can be collected in a plastic container with fine mesh ( 500/u) screen box inside. The plastic container is available at the farms and the fine mesh screen can easily be made according to the sketch given an attached sheet.
The flow pattern inside the circular tank can be improved by placing a perforated plastic pipe around the stand pipe screen through which air is pumped by an air compressor as is shown on the sketch attached here
The oxygen conditions in the larvae collecting box can be improved by sprinkling water on the surface by 3/4" size lever spray that is connected to the pressurized pipeline with a flexible plastic pipe as shown on the sketch attached here.
The scheme of the operation of the hatching tank
![]() | Before the operation |
| 1. Place stand pipe | |
| 2. Place stand pipe screen | |
| 3. Place turn pipe | |
| 4. Open check valve | |
| During the hatching | |
| 5. Adjust the waterflow | |
| Before the harvesting | |
| 6. Place larvae collecting box | |
| 7. Remove stand pipe | |
| Harvesting the larvae | |
| 8. Turn down turn pipe | |
| 9. Remove stand pipe screen | |
| 10. Reduce Water flow | |
| 11. Complete drain | |
| 12. Remove larvae coll box | |
| 13. Close check valve |

sizes in cm


Enclosure No. 3. /1.

Enclosure No. 3. /2.

Enclosure No. 3. /3
