by
Armando E. Misagal1
ABSTRACT
The Laguna Lake Development Authority (LLDA) is implementing a $14.5M ADB-OPEC assisted Laguna de Bay Fishpen Development Project (LBFDP) which seeks to improve the socio-economic conditions of fishermen around the lake, ensure a continuous supply of fish in the Lage Region and improve the technology of the fishing industry.
The LBFDP has two major components: the development of some 1 680 ha fishpen modules and the construction of a hatchery-nursery facility that will support the fingerling requirements of the fishpen modules completed.
Actual construction of fishpens and fish cages is going on at this writing while, the construction of the hatchery-facility is slated to start in the latter part of 1985. Construction of fishpens and fish cages proceeded according to recommended designs, which consisted of bamboo poles and anahaw trunks for framework and polyethelene and polyester materials for netting.
The structural efficiency of the recommended designs cannot be assessed at the moment, because few fishpen modules have just been completed and which still have to be tested against the pressure generated by typhoons.
1. BACKGROUND
Laguna Lake is the largest freshwater lake in the country. It has a surface area of 90 000 hectares (900 square kilometers), at average lake level, a depth of 2.80 meters and a shoreline of about 220 kilometers. Water in the lake is being supplied by direct precipitation, tributary rivers and streams, surface run-off, springs and underground water inflows. Studies made by LLDA consultants on the available meteorological data, showed that the local mean annual net inflow of water to the lake is about 3 000 million cubic meters or 95 m3/sec.
The economic viability of fishpens was first shown by the Laguna Lake Development Authority (LLDA), when it enclosed a 38-ha shallow cove in Barangay Looc, Cardona, Rizal in July 1970. It was stocked with 150 000 bangos fingerlings and after six months of culture period harvest was effected. The resulting harvest was very encouraging and promising. It showed that milkfish can be successfully cultured in Laguna Lake and more importantly, it can subsist solely on the natural food supply in the Lake. It also showed that in fishpens, an average annual production of 4 000 kilograms per ha can be achieved as compared to only 900 kilograms per ha in fishponds and 300 kilograms per ha in open water.
The findings encouraged many businessmen, entrepreneurs, lakeshore folks and others to engage in the fishpen industry so that after three years the industry developed from a few hectares in 1971 to about 5 000 hectares in 1973 and to about 7 000 hectares in 1974. The decrease was attributed to damages caused by typhoon Didang in 1976 and the recurrence of fishkill and flood.
In 1978, fishpen industry started to pick-up pace so that in 1983 the total area occupied by fishpens, as indicated by a photogrammetric survey was 34 000 hectares. In a period of ten years, from 1973 to 1983, the total area occupied by fishpens increased by a staggering 29 000 hectares. This shows how popular and profitable the industry was.
1.1 The Laguna de Bay Fishpen Development Project
The LLDA, in its effort to alleviate/uplift the socio-economic conditions of fishermen around the lake and to ensure a continuous supply of fish in the Lake Region, including Metro Manila, obtained a loan from the Asian Development Bank (ADB) and the Organization of Petroleum Exporting Countries (OPEC) for the implementation of its Laguna de Bay Fishpen Development Project (LBFDP). Originally, the Project seeks to develop some 2 500 hectares of fishpen and a 60-hectare hatchery-nursery complex which will supply the fingerling requirement of its fishpens and fishcages. However, increases in the cost of fishpen construction materials, brought by a series of peso devaluation, fishpen development was reduced to 1 680 ha and the hatchery-nursery complex was trimmed down to only 32.0 hectares. The total fund of the Project was likewise reduced from $21.3 M to $14.5 M.
2. DESIGN OF FISHPENS AND FISHCAGES UNDER THE LBFDP
The design of fishpens and fishcages recommended for the LBFDP is largely based on contemporary fishpen/cage designs commonly found in the Laguna Lake. Deviations lie in the use of polyester type of netting material on the upper and exposed portions of the main enclosure net, the replacement of the barrier net with polyester net and the introduction of high buoyancy capacity PVC floats.
2.1 Fishpens
The fishpen is divided into three major components, namely: the nursery, the main enclosure and the barrier (Figure 1).
(a) The nursery
The nursery is constructed inside the main enclosure structure. It has a surface area of about 10 percent of the size of the grow-out area. For a 10-ha grow-out area, the nursery can have a dimension of 100 m × 100 m and for a 5.0-ha grow-out area, it can be 70 m × 70 m.
Bangos fingerlings are stocked in the nursery at a density of 20 000 fingerlings per hectare. These fingerlings stay in the nursery for 30–45 days during dry season and 45–60 days during rainy season, after which they are released to the grow-out area for a culture period of about 4–6 months, depending on the season.
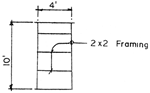
The framework which holds the net in shape above the water surface is composed of a single row of vertical bamboo poles and two rows of horizontal bamboo braces. The vertical poles are spaced 1.0 m on centers and are driven into the lake bottom down to a depth of about 2.5 m-3.0 m. The lower horizontal brace is connected to every vertical pole at elevation 1.0 m above mean sea level (MSL), while the upper horizontal brace is installed at elevation 2.5 meters above MSL.
The nursery net is of polyethelene type of material. It is rigged by joining the edges of several panels of 300 mesh depth, 10 mm mesh size polyethelene net, each of which has an average height of about 2.0 meters. The number of panels to be joined depends on the depth of the water at the site. The lower edge of the net is tied to a 5.0 kg sinker spaced at 1.0 meter on centers. The lower edge of the net, together with the sinkers, is embedded into the lake bottom to a depth of about 1.0 meter. The upper edge of the net, on the other hand, is tied to the bamboo framework at a distance of about 1.0 meter above the water surface to prevent fingerlings from escaping the nursery framework. A portion of a two panel nursery net is shown in Figure 2.
(b) Main enclosure
The main enclosure is the area where the bangos stocks are cultured until the marketable sizes are harvested.
The stock stays in the enclosure structure or grow-out area for four months during dry season and for about six months during rainy season. At the end of these periods, the size of harvested bangos is expected to be about 5–6 pieces to a kg.
The framework is composed of interconnected bamboo poles and anahaw palm tree trunks. Bamboo poles are driven into the lake bottom at an interval of 1.0 m on centers and at a depth of about 2.5–3.0 m. These are interconnected by means of two rows of horizontal bamboo braces. Anahaw trunks are driven in the inner side of the framework to a depth of about 3.0–4.0 m into the lake bottom and are spaced 3.0 m on centers. These anahaw trunks act as main posts which support the bottom framework (Figure 3).
To further strengthen the resulting framework, bamboo batter posts are provided to every anahaw trunk at an inclination of two verticals for every horizontal. Each is tied to anahaw trunk near the upper horizontal brace by means of rubber strips (1 cm × 1 cm × 2.5 m) or by polyethelene ropes (6 mm Æ) or other tying materials such as the popularly known “jersey” and nylon socks/stockings.
The main enclosure net is made up of five layers of net (Figure 4), joined together at their edges to reach a height of about 9.0 m at normal stretch. The upper two layers are of polyester type of netting material, while the 3-lower panels are of polyethelene material. Polyester was chosen to occupy the upper portion of the main enclosure net because of its high resistance to deterioration caused by the ultraviolet rays of the sun. Polyester nets, even when directly exposed to sunlight is expected to last for about five years. With the polyethelene nets occupying the lower portion of the main enclosure net, effect of ultraviolet rays on these nets is greatly minimized because it is seldom reached by radiation.
Each layer of polyethelene net is of 150-mesh depth, has a mesh size of 22 mm and the number of ply is 15. It is a knotted type of net.
The lower type of the two polyester net is of 100-mesh depth. Its mesh size is 22 mm and the thickness of bar is about 2.0 mm. The upper layer is of 28-mesh depth, 51 mm stretched length and the bar diameter is about 2.0 mm. This is tied to the main enclosure framework to provide 1.0 m to 1.5 m freeboard and prevent fish stocks from jumping out or escaping from the grow-out area.
Floats of 800-gram buoyancy capacity is installed between the two layers of polyester nets. Their purpose is to ensure that the net is kept afloat and in the process prevent the escape of stock, even when the framework has already been toppled down by natural forces during adverse weather conditions. Details of float attachment is shown in Figure 5.
Concrete or stone sinkers of 5 kg to 10 kg weight are tied to the foot rope of the main enclosure net at an interval of 1.0 m on centers. These sinkers, together with the nets are embedded into the lake bottom, one after the other, to a depth of about 1.0 meter. Bamboo pins of about 10 mm Æ × 1.0 m are also used in place of concrete or stone sinkers.
(c) Barrier
To protect the grow-out enclosure, the nursery and the tilapia cages from floating debris and the forces of nature as well as to discourage poaching, barrier structure is set up 10–15 m around the main enclosure frame-work of grow-out fence (Figure 6). The frame-work is composed of bamboo poles and anahaw trunks arranged in a manner similar to the main enclosure framework. The net which is installed on outer side is a polyester type of material, 150 mm mesh size and 25 mesh depth. The diameter of the bar is about 3.5 mm. Details in the preparation of this net is shown in Figure 7.
At normal stretch, the barrier net attains a height of approximately 3.5 m. About one and a half meters (1.5 m) of this is exposed to the atmosphere, while the remaining depth is submerged in the water. Figure 8 shows an elevation of a portion of barrier structure.
2.2 Tilapia cages
Each fishpen is provided with fish cages
under the following schedule: 3 units for 5.0 ha
and 5 units for 10.0 ha. Each fish cage is stocked
with 12 000 pieces of fingerlings per rearing
period. Output is expected to be 1.50 metric
tons per cage per rearing period or 3.0 metric
tons per cage per year. At a cost of
14.50 per
kilo (ex-pen), each fish cage can easily provide
a gross income of
21 750.
The recommended fish cage design is basically a fixed type. The framework which holds two sets of cage nets is composed of vertical and horizontal bamboo poles tied together to form a strong and stable frame.
Two sets of cage nets are supported by the framework: the nursery cage and the grow-out cage. The nursery cage is the smaller of the two, measuring 10 m × 10 m × 3 m. Details in the preparation of this is shown in Figure 9. It is made of polyester material and has a mesh size of about 1.0 mm and is installed inside the grow-out cage net. Tilapia fingerlings are initially stocked in the nursery cage, where they are allowed to grow for a period of about 30 days, after which they are released to the grow-out cage for a culture period of about 5 months during dry season and 6–7 months during rainy season. Once the stocks are released in the grow-out cage, the nursery cage is removed, cleaned and then stored for use in the next stocking.
The grow-out cage measures 10 m × 30 m × 3 m and is also made of polyester material. Figure 10 shows the portion in the preparation. Size of mesh is 20 mm while the diameter of the bar is about 1.0 mm. A larger size of mesh is adopted for this cage net to allow the natural food in the lake to pass through and to achieve better water circulation.
3. EXPERIENCES/RESULTS OBTAINED
The structural stability of the recommended design for fishpen and cages under the LBFDP cannot be assessed yet at the moment because the fishpens and cages are still being constructed. Although there are some units already completed they have not yet been tested against strong typhoons.
However, there are some aspects of the design which were observed to be functional in actual operation:
The provisions of a barrier structure which alienates floating debris carried by strong winds and current. This structure also discourages poaching.
The attachment of the nursery frame-work to the main enclosure framework which resulted in savings in material costs.
The attachment of the tilapia cage frame-work to the main enclosure framework, which resulted not only in savings in material cost but also in inhibiting poachers from taking risks inside the fishpen.
4. FUTURE PLANS AND RECOMMENDATIONS
Fishpens and fish cages play a vital role in the successful implementation of the Laguna de Bay Fishpen Development Project. Because of this, it is extremely important to achieve a design which is structurally sound, economical and functional.
Towards this end, efficiency of the recommended fishpen/cage design must be evaluated to find out if there is still a need to further improvements.
Since the supply of bamboo poles and anahaw posts is getting scarce and their prices continue to increase, alternative construction materials which are both abundant and cheap must be identified.
The effects and the amount of pressures generated by natural forces such as winds, waves and strong currents must be studied and understood.
The devastating pressures generated by water hyacinth drifts must receive a serious consideration.

Figure 1. Layout of a fishpen/fishcage project

Figure 2. Details of construction of a two-panel nursery net

Figure 3. Details of construction for the posts, braces sinkers, floats and nets of the main fishpen enclosure

Figure 4. Rigging of main enclosure net

Figure 5. Details of float attachment

Figure 6. Fishpen perimeter cross section

Figure 7. Details of barrier net

Figure 8. Details of elevation of barrier structure

Figure 9. Formation of the nursery cage

Figure 10. Tilapia cage
by
Vicente S. Traviña1
ABSTRACT
A pilot project for the pen culture of Tilapia nilotica and bighead carp in an irrigation canal was initiated in Barangay Cauayan, Pototan, Iloilo. The project, Cauayan Social Laboratory, involves cooperators from the community and other government agencies with the aim of improving the quality of life of the rural poor while at the same time increasing fish production through aquaculture.
Three barrier nets that contain the fish stock were set across the irrigation canal at 30 m distance to provide two culture areas. Six days after completion and stocking, however, despite all maintenance efforts, these structures collapsed due to heavy fouling — an environmental factor that was not foreseen.
Giving due regard to this phenomenon, a modified design was constructed with provision for free passage of potential foulers and general flotsam that may be discharged in the irrigation canal. In addition, considerations were also given to maintenance work, especially the cleaning of fouled wire and mesh nettings used to enclose the cultured stock.
1. INTRODUCTION
One of the means to tap human and aquacultural resources for community development is the establishment of a social laboratory. Such community project, in collaboration with the local government and other agencies can be an effective tool not only to uplift community life but to accelerate aquacultural growth as well.
1.1 The Cauayan Social Laboratory
The Cauayan Social Laboratory is a pilot project for the culture of tilapia (Oreochromis niloticus) and bighead carp (Aristichthys nobilis) in the irrigation canal. It is a joint project of SEAFDEC, National Irrigation Administration (NIA), Ministry of Human Settlements (MHS) and the Municipality of Pototan.
1.2 The general objectives
To mobilize and develop people toward self-reliance; and
To bring satisfying change and growth to rural life.
1 Architect with the Engineering Staff, SEAFDEC/AQD, Tigbauan, Iloilo, Philippines
1.3 Location
Barangay Cauayan, Pototan is located some 30 km northeast of Iloilo City. The identified site for the project is approximately 10 kilometers from the river intake and was relatively close to the community. The irrigation canal is approximately 10–11 meters in width and has the average of 2.0 meters depth. As the volume of water that passes through this canal is large, this cancels the lethal effects of pesticides that may be discharged by the ricefields upstream. Also, potential pollutants such as molasses from sugar mills upriver will no longer be harmful on the cultured stock as it reaches the location of the fishpen. Due to its proximity to the community, feeding and maintenance of the pen can easily be taken cared of by the rural folks and poaching can be checked and prevented.
2. DESIGN AND CONSTRUCTION
Actually there are two designs implemented in the construction of the Cauayan Social Laboratory Fishpen.
the first design which occupies the entire width of the canal; and
the modified design.
2.1 Design A
Originally two culture areas of 300 m2 each
were provided by constructing three barrier
nets across the irrigation canal about 30 meters
apart. At the normal water depth of 2.0 m it
gives a total volume of 1 200 m3 for containing
fish. The total cost of the three barrier nets
amounts to
1 3001 excluding mesh wires set
upstream supposedly to stop or control the
accumulation of debris in the nets.
(a) Materials
Indigenous material were used for the construction of the supporting framework and synthetic materials make up the barrier nets. Bamboos (Bambusa blumeana) and ipil-ipil (Leucaena leucocephala) are provided by the cooperators, while polyethelene nets, ropes and nylon monofilament ties and twines are provided by SEAFDEC/AQD. GG net, knotless, was preferred for the barrier net because it was less liable to fouling and siltation; it was cheap and readily available. A stretched mesh of 2.54 cm was determined by the National Irrigation Administration (NIA) as the minimum size allowable for use in the irrigation canal.
(b) Construction
The skeletal framework were constructed by sledge-hammering the bamboo upright, spaced 0.70 m at the upstream barrier and 1.0 m on center for the rest. Then horizontal braces were provided, one at mid-depth and two above the highest water level to serve as catwalk. To strengthen the structure, diagonal braces were sledge-hammered and laced in a 45 degree angle at every vertical post against the current from the mid-depth bracing. Finally, additional diagonals were provided from the catwalk level at every other post to complete the structure.
The net barrier which has been prepared in advance was installed by embedding the ground rope and sides 30–40 cm deep and fixing it with bamboo pegs. Then headropes were pulled taut and attached to the top of the vertical posts.
(c) Problems due to fouling
Obviously this type of construction where the net of 2.54 cm mesh and set against the current of 90 degree angle is not advisable. Because the entire width of the irrigation canal was blocked, various kinds of floating and submerged debris accumulated at the nets especially the upstream barrier. Measures to prevent this by installing a floating and slanting bamboo barrier upstream, with the idea of diverting them to the banks were ineffective. Floating debris were still carried underneath which collected at the pen.
A second attempt to prevent the submerged debris from coming to the nets was tested. Chicken wire of 12 mm mesh supported by interlink wire in wooden framework was installed at the bridge spanning the canal. In due time these were heavily laden with foulers and water elevations in the upstream side compared to the downstream part had become significantly higher. In about two days the wooden framework collapsed due to the combined effect of drag and pressure.
Cleaning the nets by hand picking has become a strenuous work. It is also difficult and dangerous to clean the bottom part of the net due to the strong water current. Brushing was not efficient since it only facilitates transfer of debris from the upstream to the downstream nets. In addition, pressure has created bulges in between posts and braces that makes brushing impractical.
Finally, fouling was uncontrolled and rupture occurred. The first occurrence was at the upstream barrier net, the second was at the middle and the third at downstream just after six days of completion.
2.2 The modified design
It has been pointed out by the barrio people that a free passage is necessary in the canal for a fishpen to succeed. So it is in this light and after the experience from the first fishpen that the modified design was constructed. The following are the features of the modified design:
A revised layout utilizing only ⅓ of the width of the canal with a side netting running parallel to the flow of the current.
The upstream and the downstream barrier are slanted approximately 30°C from the banks of the irrigation canal and was constructed in removable wire panels in combination to a fixed net in the shallow portion.
The side netting is replaceable when necessary.
Ipil-ipil poles were used mainly for the skeletal framework of the upstream and downstream barriers.
Natural protection is afforded in the pen by placing it in a bend of the irrigation canal.
The advantages of the modified design were that frequency of cleaning was greatly reduced and simplified. The fouled mesh panels were simply removed, sun-dried and brushed. When fouled, incoming debris were deflected to the free passage and were carried downstream. The side netting, due to its position relative to the current have little or no fouling at all and was easier to clean.
Resistance in nets was less in this set-up due to its reduced angle of attack.
As the fouled mesh panels can be replaced from time to time by clean ones, siltation inside the pen would be minimal and mesh size can be enlarged when the fish has grown to allow maximum water exchange.
2.2.1 Construction of the modified design
Except for the position of the diagonal bracing and spacing of the uprights, the construction of the skeletal framework for the modified design is similar to the first one. The added component parts were the lateral braces from the longitudinal side to the bank of the irrigation canal and the wooden guides for the removable panels.
2.2.2 Costings
The cost of constructing this type of fishpen
was
11 812.00, broken down as follows:
| Description of material | Quantity | Total cost | |
|---|---|---|---|
| * 1. | Bamboo poles or ipil-ipil trunks | 220 pcs | 2 200.00 |
| 2. | GG net, l” stretched mesh | 126 lm | 756.00 |
| 3. | Nylon monofilament, test lbs = 150 lbs | 11 kg | 770.00 |
| 4. | Welded wire, ¾” mesh | 48 lm | 1 332.00 |
| 5. | Nylon twine, 210 01/15 | 8 spools | 600.00 |
| 6. | Polyethelene rope, 10 mm | 3 rolls | 1 230.00 |
| 7. | Polyethelene rope, 4 mm | 4 rolls | 272.00 |
| 8. | Poly net, 12 knots | 81 lm | 1 458.00 |
| 9. | Lumber framing | 290.66 bd ft | 2 360.00 |
| 10. | C.W. nails (assorted) | 11 kg | 154.00 |
| 11. | Interlink wire 6'L | 1 roll | 680.00 |
| Total | 11 812.00 | ||
2.2.3 Basis for design modifications
(a) Drag forces of fishpen (modified design)

| b = 7.00 cos 30° | = 6.06 meters |
| 2b = 6.06× 2 | = 12.126 meters |
| a = 100-12.12 | = 87.88 meters |
I. SKELETAL FRAMEWORK
I.a Uprights
| Total no. of bamboo and ipil-ipil uprights | = 73 poles |
| Assumed diameter | = 10 cm |
| Maximum submergence at high water | = 3.0 m |
| Velocity of flow | = 80 cm/sec |
Pressure drag, Fd = ½ ρcd AV2
| where: | ||
| FD | = | Pressure drag or drag force (kgw) |
| ρ | = | Density of water 105 kgw sec2/m4 |
| A | = | project area |
| V | = | current velocity |
| CD | = | Drag coefficient |
Note: Refer to drag coefficients of various shapes
substituting:
FD
× 1.0 × .30 × .80 × .80
FD = 10.08 kg
For 73 poles, total = 10.08 × 73
= 735.84 kg
checking by solving,
using rope formula:
DF = a DV2 sinθ2.L 0 = 90°
(value of a = 50)
(L = submergence)
= .50 × 10 × 80 × 80 × 1 × 300
= 9 600 000 dynes
= 9.79 kg almost equal
I.b Horizontal braces (at mid-depth)
Length submerged = (7 × 2)
+ 87.88 = 101.88 LM
Length with 30° attack angle = 14.0 meters
Length with 0° attack angle = 87.88 meters
where 0 = 30°
| DF | = a DV2 Sin2θ.L |
| = 50 × 105 × 80 × 80 × .50 × .50 × 14 × 100 | |
| = 112 × 105 dynes | |
| = 11.42 kg |
where 0 = 0°
DF = a DV2 Sin2 θ.L
DF = 0
Note: 0 resistance is applicable for ropes but may not be true to bamboos with 10 cm. dia.
checking by applying formula for resistance of spheres
R = a AV2 Sin2 θ.L
where:
θ = 90°
a = 0.25
A = projected area
V = current velocity
substituting,
R = 0.25 × 3.1416 × .05 × .05 × 80 × 80 × 1
R = 12.56 dynes
R = 1.28 × 10 kg. Negligible
I.c Diagonal braces

Section

Submergence of bracing B = 5.09 - .84 = 4.25 LM
Total no. of bracing A = 14 pcs.
Total no. of bracing B = 31 pcs.
I.c.1 Drag force of bracing (A),
| DFA | = a DV2 Sin2 θ.L -Qty. |
| DFA | = .50 × 10 × 80 × 80 × .707 × .707c× 2.12 × 100 × 14 |
| = 47 473 658.62 dynes | |
| = 48.44 kg |
I.c.2 Drag force of bracing (B),
| DFB | = a DV2 Sin2 θ.L Qty. |
| DFB | = .50 × 10 × 80 × 80 × .707 × .707 × 4.25 × 100 × 31 |
| = 210 736 338.40 dynes | |
| = 215.03 kg | |
| Total on diagonal braces | |
| = 48.44 × 215.03 = 47 kg | |
II. RESISTANCE OF NETS AND WIRE MESHES
2.a Side netting (parallel to canal)
![]() | ![]() |
| angle of attack = 0° | |
| CD = .02 (very small) |
Area of netting = 87.88 × 3.0 = 263.64 M2
Use attack angle of 10° to have a significant value of Ld on graph at 10° angle Cd = .077
From the formula:
RD = ½ CDθρSV2
where:
| RD | = Drag force of the plain net (kgw) |
| CDθ | = Drag coefficient |
| ρ | = Density of water (102 kgw. sec2/M4) SW (105 kgw. sec2/M4) FW |
| S | = area of the plain net (M2) |
| V | = current velocity (M/sec) |
substituting:
RD
= .077 × 263.64 × .80 × .80
= 682.08 kg
2.b Resistance of wire meshes in panels
| Total area | = 7.0 × 3.0 × 2 = 42 M2 | |
| Wire diameter | = 1.3 MM | ![]() |
| Bar length | = 20 MM | |
| θ | = 30° | |
| = 450 | ||
From Tauti's formula on the resistance of nets:

where:
| a | = drag coefficient = 1.0 |
| d | = twine diameter |
| L | = length of bar |
| θ | = angle of attack |
| α | = half angle of a mesh |
substituting: × 42 × 10 000 | |
| = 2 184 × 105 dynes | |
| = 222.85 kg | |
III. RESISTANCE OF WOODEN GUIDES, BRACES AND PANEL FRAMES
3.1 Vertical guides

| Projected Area for 1 pc. | = 0.73 × 3.0 = 0.219 |
| Submergence | = 3.0 |
| θ | = 302 |
| Quantity | = 12 pcs |
From the formula of an object moving through a Fluid:

where:
| Cd | = drag coefficient |
| W | = weight of fluid |
| V | = current velocity |
| g | = acceleration due to gravity |
| A | = projected area |
| IM3 | = 35.28 FT3 |
| IM3 of FW | = 2 201.47 lbs. |
| = 1 000.66 kg. |
substituting:

checking formula for underwater drag
| F | = ½ ρ CD AV2 |
| F | × 2 × .219 × 1 × .80 × .80 |
| = 176.60 kg — 171.73 Acceptable |
Note: CD range from 1.16 to 1.9 in the Handbook at Ocean and Underwater Engineering. CD in this case.
3.2 Horizontal 2 × 3's (braces)

Length = 7.0 meters (Fully submerged at all times)
Total surface area = 0.52 × 7.00 × 3 × 2
= 2.184 sq. m
DF = 2.0 × 1000.66 
DF = 142.48 kg.
3.3 Wooden framework in removable panels

| Total length | = 12.19 LM |
| Projected area | = 12.19 × .073 = 889 sq. m. per panel |
| DF | = 2.0 × 1 000.66 × × .889 × (6 + 6) |
| DF | = 697.14 kg. |
Resistance of frame per panel = 697.14/12
= 58.09 kg.
BREAKDOWN OF ALL DRAG FORCES
Current velocity = .80,/sec.
Component part
| DF in kg | ||
|---|---|---|
| 1. | Uprights | 735.84 |
| 2. | Horizontal bamboo braces | 11.42 |
| 3. | Diagonal braces | 263.47 |
| 4. | Side netting parallel to canal | 682.08 |
| 5. | Wire mesh panels | 222.85 |
| 6. | Wooden vertical guides | 176.60 |
| 7. | Wooden horizontal braces | 142.48 |
| 8. | Wooden panel frames | 697.14 |
| Total | 2 931.88 |
4. REFERENCES
Lambert, G., R. Tenedero and H. Chaudhuri. Aquaculture-based social laboratory: a proposed model. Report SEAFDEC/ AQD.
Obordo, R. Khan Manzoor. 1983 Asian farming systems profile studies. Irrigated cropbased farming system profile of the Philippines.
FAO. 1959 Modern fishing gear of the world. The knotless net by the Nippon Seimo Co. Ltd.
Moller, D. 1976 Recent developments in cage and enclosure aquaculture in Norway. FAO Technical Conference on Aquaculture, Kyoto, Japan.
Milne, P.H. Selection of sites and design of cages, fishpens and net enclosures for aquaculture.
Alferez, V. N. Fishpen design and construction. SCS/PCC/WP3.
Osawa, Y., Y. Tawara, K. Mori. 1983 Studies on resistance of plain net against flow of water II. On result of experiment on drag coefficients and lift coefficients of trawler know nets, knotless nets and Raschel nets. Bul. of National Research Institute of Fisheries Engineering No 4, March 1983.
Uekita, Y. 1982 Hydraulic studies on the aquacultural facilities. Bul. of National Research Institute of Fisheries Engineering No. 3, March 1982.
Segui, E.B. 1950 Textbook in structural design. Revised edition.
Parket, H. 1979 Simplified design of structural wood. Third edition.
Myers, J.H., C.H. Holm, R.F. McAllister. 1969 Handbook of ocean and underwater engineering.

Figure 1. Map of the Philippines showing location of project site

Figure 2. Fishpen original design (Set-up A)

Figure 3. Fishpen modified design (Set-up B)

Figure 4. Section at upstream barrier Scale: 1.40 m

Figure 5. Partial section at net side Scale: 1:40 m

Figure 6. Partial details of net
by
A.T. Vizcarra 1
ABSTRACT
In search for the most efficient type of tank for the culture of rainbow trout, the hydraulic characteristics of small-scale cross-section raceway, circular and vertical tanks were evaluated using the pulse-response method of tracer examination.
The results indicated that the raceway was significantly different from the circular and vertical tanks in terms of mean residence time, dead volume, and variance of the exit age distribution curve.
The mean residence time in the raceway was significantly longer than those in the other two tanks. For all the three types, it takes more than twice the theoretical mean residence time to completely change the water.
The dead volume observed in the tanks had the following ranges: raceway — 1 to 11 percent; circular tank — 11 to 31 percent: vertical tank — 15 to 34 percent. The dead volume in the raceway was significantly smaller.
The variance data together with the exit age distribution curves show that the raceway approximates the ideal plug flow type of tank — while the circular and vertical tanks both approximate the ideal mixed flow type of tank.
On the premise that either one of the two ideal types of tank would prove most efficient for the culture of any given aquatic species, engineering efforts should be directed towards improvements in tank design that enhances the similarity of existing culture tanks to the ideal types.
1. BACKGROUND
A variety of tank designs are at present employed in aquaculture research and production. If each design were adapted for a given aquatic species or a particular stage in the life cycle of a certain species, then, there would be no reason for alarm. More efficient conditions would exist if each design were applicable to the culture of several species or several life stages of any one species.
A review of the literature, however, reveals that several designs are actually used for a single life stage of a single species. For example, rainbow trout in the United States and Canada is reared in raceways, circular tanks, rectangular circulating ponds (Burrows' ponds), and vertical tanks (silos) among others. In the various stations of the SEAFDEC Aquaculture Department, different shapes such as rectangular, circular, half-capsule, and half-cylinder types of tanks are used for growing the larval and post-larval stages of the Penaeus monodon. The shrimp broodstock tanks in the Tigbauan and Leganes Research Stations of the Department use circular-shaped tanks equipped with different water-inflow-outflow systems.
1 Formerly Senior Researcher, SEAFDEC/AQD, Tigbauan, Iloilo, Philippines
It is well established that geometric shape, water supply-drain system, water flow rate, and degree of agitation significantly influence the hydraulic characteristics of a tank (Camp, 1945; Chow, 1959; Chen and Zahradnik, 1967). Likewise, it has been shown that hydraulic characteristics, in turn, affect the biological and chemical conditions of water in the tank (Burrows and Chenoweth, 1955; Larmoyeux et al., 1973; Westers and Pratt, 1977). Since water conditions are known to have significant effects on the growth and condition of fish, based on the foregoing, it would be reasonable to assume that different types of tanks will tend to produce different growth rates and fish conditions. In a situation where different tank types are used for the same purpose, i.e., growing the same stage of the same species, the inevitable conclusion is that one of the tank systems is performing more efficiently than the others. Eventually, the less efficient ones have to be abandoned.
In line with the accepted engineering objective of efficiency, the task of determining which among available types of culture tanks is most appropriate for a specified set of rearing conditions should be regarded as one of the more important concerns of aquaculture, should it still be deemed necessary, the next task of the engineer would be to find ways and means to improve further its efficiency.
The first task can be accomplished either: (a) by documenting and comparing the growth rates of fish reared in different types of tanks under similar conditions of the other factors known to affect growth rate, or (b) by determining the hydraulic characteristics of the different tank types through which the biological and chemical conditions prevailing in each one of them can be predicted.
The second task can only be systematically accomplished by evaluating the hydraulic characteristics of the tank. Having a model that adequately describes the flow patterns in the tank would make it possible to determine how and in which direction improvements in the tank design can be undertaken in order to make it approximate the ideal model. In both task, information on the hydraulic characteristics of the tank helps. Hence, this paper attempts to present a method to evaluate the hydraulic characteristics of tanks and the results from actual applications of the same.
2. RELEVANT ENGINEERING PRINCIPLES AND PROCEDURES
A fish tank is said to be in a flow through state if water is made to enter and leave the tank simultaneously at equal flow rates. Flow through tanks are further classified into two ideal types with respect to the behavior of the water as it passes through the tank. They are, namely; the mixed flow and the plug flow types. In a mixed flow system, the incoming water is instantaneously mixed with the original water in the tank. The quality of the outgoing water is approximately the same as that of the water retained in the tank. In plug flow system, an incoming slug of water will exit from the tank still as a slug. There is minimal mixing inside the tank such that the quality of water at the outlet maybe considerably different from that at the inlet.
The degree by which the flow patterns prevailing in real tanks approximate those obtaining in the ideal tanks can be measured in terms of certain hydraulic characteristics. Among these, the more useful ones are the mean residence time, the dead volume, and the variance. The mean residence time (T) is the average amount of time that water molecules spend inside the tank. Theoretically, it is equal to the water volume in the tank (V) divided by the flow rate (Q), i.e., T = V/Q. Dead volume refers to the relatively stagnant water in the tank that exchanges material very slowly with the flowing stream. For purposes of analysis, water molecules that stay in the tank for more than twice the theoretical mean residence time is treated as completely stagnant. The variance is an indicator of the extent of mixing inside the tank.
Hydraulic characteristics of flow through tanks are evaluated by means of tracer experimentation procedures such as the pulse-response method.
The pulse-response method involves the instantaneous injection of a slug of tracer into the incoming stream of water at a specified reference time and the concentration of the tracer in the outlet stream is monitored over time until the last particle of tracer has left the tank or until twice the theoretical mean residence time has elapsed whichever is shorter. Under this method and with numerous closely spaced readings, the hydraulic characteristics are determined by the following expressions (Levenspiel, 1979):

where:
| ti | = | the time the concentration, ci, of the tracer in the outlet stream was taken reckoned from the time the tracer was injected; |
| ci | = | the concentration of the tracer in the outlet stream at time ti; |
| V | = | the total volume of water in the tank; |
| and T | = | the theoretical mean residence time. |
3. EXPERIENCE
3.1 Materials and methods
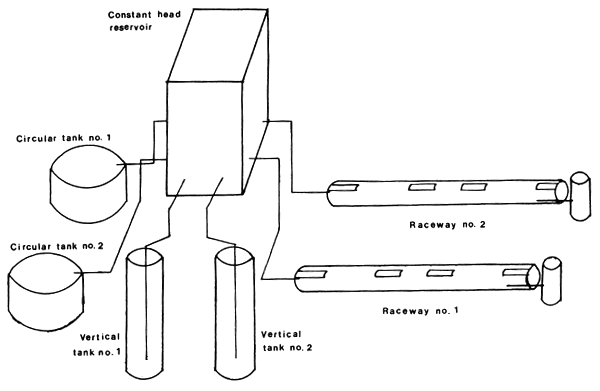
Hydraulic experiments were conducted within the period August 1981 to January 1982 at the University of British Colombia, Vancouver, B.C., Canada. A schematic diagram of the installation is shown in Figure 1.
The types of small-scale culture tanks were tested, namely, the circular tank, the circular cross-section raceway, and the vertical tank. These are shown in Figures 2, 3 and 4. Every tank was designed to hold a water volume of 47 liters. The tanks were made of clear acrylic glass. Transparency was desired to facilitate visual observations of flow patterns inside the tanks during tests using dye tracers.
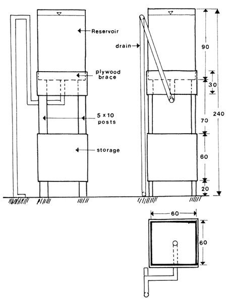
A single constant head reservoir (Figure 5) supplied water to all the test tanks. This ensured equal quantity and similar quality of the water inputs to the tanks. The reservoir discharged 5 liters/minute of water to each tank.
The hydraulic characteristics of the test tanks were determined by the pulse-response method of tracer experimentation which was described earlier.
The tracer used was malachite green (C23H25CIN2). A 5 gram/liter stock solution of the dye was prepared by diluting the malachite green crystals (zinc-free) in distilled water. The stock solution was immersed in the water reservoir overnight prior to the experiments so it was of the same temperature as the incoming water at the time of injection. Initial experiments indicated that a temperature gradient between the dye solution and the water in the tank creates density currents which invalidated results.
Using a disposable syringe, 10 milliliter of the dye stock solution was injected into the incoming water. The trajectory of the dye jet was oriented as much as possible with the direction of the water stream. The duration of the injection was approximately 10 seconds which is less than 2 percent of the theoretical mean residence time. For 20 minutes after the injection, grab samples of the outgoing water were collected at the tank outlets, once every 30 seconds. The total number of samples taken per dye run was 40.
The absorbance of the dye in the sample was determined using a model 129, Hitachi Perkin-Elmer UV-IVS spectrophotometer. Absorbance was measured at the wavelength of 616.9 manometers. It is at this wavelength that the peak absorbance of malachite green is observed (Stecher, 1968). With the aid of absorbance-calibration curves, the absorbance data were converted into dye concentrations. The calibration curves were established by measuring the absorbance of samples with known concentrations, i.e., 0.0, 0.4, 0.8, 1.2, 1.6 and 2.0 mg/liter. A calibration curve was prepared for every set of dye runs.
The pairs of time and concentration data were plotted as a time-concentration curve and the area under the curve was computed. The concentration values were then divided by the computer area under the curve to get the E-values. The E-values were plotted against time to obtain the so-called E-curve or the exit age distribution curve for the water elements leaving the tank.
The raw data obtained from each dye run consisted of paired time and absorbance values. To convert these data into mean residence time, dead volume and variance, a computer program specifically developed for the purpose was used (Vizcarra, 1982).
3.2 Results and discussions
The observed hydraulic characteristics of the test tanks are listed in Table 1. The E-curves for the test tanks as well as the ideal tanks are plotted in Figure 6. The mean values of all observations were used to plot the curves for the test tanks. Analysis of variance with mean separation and examination of the E-curves lead to the following findings:
Mean residence time — The raceway exhibited a significantly longer mean residence time compared to the other two types of tanks (α = 0.01). The circular and vertical tanks had statistically similar mean residence times. This implies that water particles tend to stay longer inside the raceway. It is however, pointed out that it takes more than twice the theoretical mean residence time to effect a complete change of water in all the types of tank tested.
Dead volume — The dead volume or the amount of stagnant water found in the raceway was significantly smaller than those found in the other two types of tanks (α = 0.01). Again, the circular and vertical tanks had statistically similar dead volumes. The findings on dead volume can be immediately deduced from the results of the analysis for the mean residence times since these two hydraulic characteristics are inversely correlated.
Observations of dye movement in the raceway indicated that a major portion of the stagnant water in the tank was situated at the region immediately above the outlet drain shaped like a wedge. The dead volume in the raceway ranged from 1 to 11 percent of the total water volume.
The dead volume in the circular tank ranged from 11 to 31 percent of the water volume. Dye observations indicated that this stagnant portion was located in the region immediately surrounding the drain pipe, midway between the bottom of the tank and the water surface and about one third of the radius out from the tank center. It was doughnut-shaped.
Although the dead volume in the vertical tank was large ranging from 15 to 34 percent, its location could not be pinpointed. The dye appeared to be uniformly distributed throughout the tank.
Variance — The variance in the raceway was significantly less than those of the other two types (α = 0.01). The variances in the circular and vertical tanks were also statistically similar. Note that the variance is a measure of the spread of the E-curve. Comparison of the E-curves of the test tanks with those of the ideal tanks (Figure 6) leads to the following conclusions:
The raceway approximates the ideal plug flow tank.
The circular tank approximates the ideal mixed flow tank.
The vertical tank approximates the ideal mixed flow tank.
It is theorized that either one of the two ideal types of tank will prove to be the most conducive for growth or most efficient design for the culture of aquatic species. As to which one, the answer will depend upon the biological traits of the cultured species.
For example, the growth rate comparison studies conducted in the three tank types showed that rainbow trout grew better in mixed flow tanks. This finding seems logical considering that the rainbow trout have the tendency to distribute themselves evenly throughout the culture tank. The presence of pecking order among rainbow trout would also tend to make mixed flow conditions more desirable for this species.
In the case of species which exhibit schooling habits or preferences for a particular section of the culture medium, it is hypothesized that the more appropriate tanks to use would be those resembling the plug flow model. In these cases, it is anticipated that the fish will congregate near the inlet where the quality of the water is relatively good.
Parenthetically, it is emphasized that analysis is simplified under the conditions prevailing in ideal tanks, e.g., it is easy to predict the dissolved oxygen level anywhere inside a tank if the tank were assumed to be either ideal plug flow or mixed flow type.
3. RECOMMENDATIONS FOR FUTURE WORK
In view of the foregoing discussions, it is recommended that, firstly, the choice of tank design should be limited to those which are known to closely resemble either of the two ideal types. Secondly, to improve the efficiency of existing tanks, efforts should be directed towards modifications that enhance similarity to either ideal plug flow or ideal mixed flow conditions.
In line with these recommendations the following activities are suggested:
Identification of the ideal type of tank, either plug flow or mixed flow, that is approprivate for every species that is cultured in flow through systems — the appropriate ideal type being dependent upon the biological traits of the species, this activity should be undertaken by the aquaculture engineer in close consultation with biologists.
Conduct of experiments to evaluate they hydraulic characteristics of every flow through tank being used in aquaculture — another method of tracer experimentation, the step-response method could not be used. The step-response method is adopted in the ongoing hydraulic experiments at the SEAFDEC Aquaculture Department.
Redesign or introduction of improvements to existing tank systems on the basis of the results of the foregoing activity such that they will approach the ideal models in terms of the hydraulic characteristics. Possible courses of action are:
The use of aeration at suspected stagnant regions.
The use of baffles to control eddies and secure uniform flow in plug flow tanks.
Finally, it is mentioned that the application of tracer experimentation for the evaluation of hydraulic characteristics is not limited to flow through tanks. It can be employed in any water impoundment operating under a flow through system. Hence, its application can be extended to intensive culture ponds which require flow through conditions.
4. REFERENCES
Burrows, R.E. and H.H. Chenoweth. 1955 Evaluation of three types of fish rearing ponds. U.S. Fish and Wildlife Serv. Research Report No. 39. 29p.
Camp, T.R. 1945 Sedimentation and the design of setting tanks. ASCE Transactions, Vol. III, pp. 895–958.
Chen, A.C. and J.W. Zahradnik. 1967 Residence time distribution in a swept-surface heat exchanger. ASAE Transactions, Vol. 10, pp. 508–511.
Chow, V.T. 1959 Open channel hydraulics. McGraw-Hill, New York. 680p.
Larmoyeux, J.D., R.G. 1973 Piper and H.H. Chenoweth. Evaluation of circular tanks for salmonid production. Prog. Fish-Cult., 35(3): 122–131.
Levenspiel, O. 1979 The chemical reactor omnibook. OSU Book Stores, Inc. Corvallis, Oregon.
Stecher, P.G. (Editor). 1968 The Merch index, an encyclopedia of chemicals and drugs. (8th Edition). Merck and Co., Inc.
Vizcarra, A.T. 1982 A comparison of growth rates of rainbow trout in culture tanks with different hydraulic characteristics. Master's Thesis. University of British Columbia, Vancouver, B.C., Canada.
Westers, H. and K. M. Pratt. 1977 Rational design of hatcheries for intensive salmonid culture based on metabolic characteristics. Prog. Fish-Cult., 39(4): 157–165.
Table 1. Hydraulic characteristics of the test tanks at UBC
| Circular tank | Vertical tank | Raceway | ||
|---|---|---|---|---|
| Mean residence time (Min) | ||||
| Trial | 1 | 7.06 | 7.39 | 8.48 |
| 2 | 7.93 | 7.70 | 9.23 | |
| 3 | 6.93 | 6.85 | 8.39 | |
| 4 | 7.06 | 7.99 | 8.46 | |
| 5 | 8.39 | 6.89 | 9.26 | |
| 6 | 6.51 | 6.19 | 8.88 | |
| Mean | 7.31 | 7.17 | 8.78 | |
| Dead volume (% of total water volume) | ||||
| Trial | 1 | 25 | 21 | 10 |
| 2 | 16 | 18 | 2 | |
| 3 | 26 | 27 | 11 | |
| 4 | 25 | 15 | 10 | |
| 5 | 11 | 27 | 1 | |
| 6 | 31 | 34 | 6 | |
| Mean | 22.33 | 23.67 | 6.67 | |
| Variance (Min2) | ||||
| Trial | 1 | 26 | 25 | 13 |
| 2 | 28 | 26 | 18 | |
| 3 | 23 | 19 | 13 | |
| 4 | 25 | 28 | 12 | |
| 5 | 30 | 23 | 16 | |
| 6 | 22 | 26 | 14 | |
| Mean | 25.67 | 24.50 | 14.33 | |

Figure 1. A schematic diagram of the experimental facilities

Figure 2. The circular test tank (Dimensions in centimeters)

Figure 3. The vertical test tank (Dimensions in centimeters)

Figure 4. The circular cross-section raceway test tank (Dimensions in centimeters)

Figure 5. The constant head reservoir (Dimensions in centimeters)

Figure 6. E-curves for the test tanks and ideal tanks
by
Rolando R. Platon1
ABSTRACT
The effects of water movement or agitation on the biological performance of planktonic organisms under intensive culture have been rarely studied quantitatively. Stagnation or minimum values are considered important in the problem of scale-up based on optimum conditions. Near stagnation, inadequate water movement brings about undesirable effects, e.g. accumulation of metabolites, uneven distribution of feed and low dissolved oxygen concentration. An important mechanism associated with water movement at these conditions is the oxygenation process which defines the oxygen transfer rate from the gas to the water.
Experiments were conducted using potable water to determine the overall oxygen mass transfer coefficient in two types of container geometries: a) cylindri-conical tank and b) oblong-shaped center-partitioned raceway. For each type of container, three geometrically similar sizes were investigated with scale ratio of approximately 1:2:3:5. Agitation was induced by the introduction of air into the system. General correlations for both tank geometries were obtained from experimental data and were expressed in terms of the operating and geometric parameters. The correlations are in the form of dimensionless groups (Froude and Reynolds numbers) making them appropriate for scale-up estimates.
The general correlations for the overall oxygen mass transfer coefficient were subsequently used to provide the scaling equations to define the operating parameters in different sizes of containers for the culture of brine shrimp in sea water fed with rice bran. The high correlation coefficient obtained for the relationship between total brine shrimp biomass production and the overall mass transfer coefficient applicable to different sizes of both the cylindri-conical tank and the raceway indicates that the overall oxygen mass transfer coefficient is an effective scale-up criterion in brine shrimp culture.
1. INTRODUCTION
The rapid growth of the process industries has been attributed to a thorough application of the scale-up principles. This involves the use of mathematical models to predict the performance of a large-scale production unit or the prototype on the basis of experimental results obtained from small-scale units or models.
Because of the potentials of aquaculture, aquaculture research has been an important area of interest within the last decade and probably will still receive considerable financial support over the next few years in both the developing and developed countries. Presently, there abound in the literature the published results of basic experiments obtained from small-scale units. The problem of translating these experimental results into production systems is a major obstacle in the development of the aquaculture industry.
The problem of bridging the gap between experiments in small-scale units and production in the prototype is commonly overlooked in the aquaculture industry. Most of the time, the scale-up process is done intuitively and sometimes it works and sometimes it does not. Although a trial-and-error approach would, in some instances, lead to dependable results, it is generally uneconomical.
This paper discusses the development of an appropriate scale-up process for aquacultural systems.
1 Senior Researcher, SEAFDEC/AQD, Tigbauan, Iloilo, Philippines
1.1 Scale-up principles
The scale-up technique had its early beginnings with Isaac Newton who propounded the use of the Principle of Similarity in relation to systems composed of solid particles in motion. The first known application was in hydro-dynamics. Towards the end of the last century, W. Froude used the concept to predict the wave drag on hulls of shrimps from experimental models. Osborne Reynolds used models of river beds and estuaries to simulate erosion effects. Later, the application of the principle was extended to the prediction of aircraft performance.
A more comprehensive application is in the field of chemical engineering involving chemical reactions. This is more complex than the physical processes since in a chemical reactor there are fluid dynamics, thermal, and chemical effects to be taken into account.
More recent applications of the similarity principle are those relating to biological (living) systems, although these are still confined to systems involving microorganisms. These applications have been made on biological wastewater treatment systems and on fermentation industries involved in the production of antibiotics.
This paper presents the problems and prospects of applying the similarity principle to aquacultural systems.
1.2 Principle of similarity
The Principle of Similarity is a general principle of nature. It relates physical systems of different sizes. As Johnstone and Thring (1957) expressed it in more precise terms, the Principle states that the spatial and temporal configuration of a physical system is determined by ratios of magnitudes within the system itself and does not depend upon the size or nature of the units in which these magnitudes are measured.
With the present extent of application of this principle, there are four similarity states which are important and considered. These are:
Geometrical similarity
Mechanical similarity
Thermal similarity
Chemical similarity
1.2.1 Geometrical similarity
Two bodies are geometrically similar when to every point in the one body there exists a corresponding point in the other. The ratio between their respective corresponding measurements is termed the scale ratio. The relation between two bodies in which the scale ratios are different in different directions is one of distorted similarity.
The large-scale unit is usually referred to as the prototype while a geometrically similar replica of the prototype on a smaller scale is called the model. If the scale ratios are different in different directions, the small-scale unit is termed a distorted model. When the prototype is made up of substantially identical smaller units, as in a heat exchanger, the small-scale unit may be an element. If the small-scale unit is a scale model of an element, it is termed as a model element.
1.2.2 Mechanical similarity
Mechanical similarity can be further sub-divided into static similarity, kinematic similarity and dynamic similarity.
Static similarity concerns solid bodies or structures which are under constant stress. The principle states that the ratio of corresponding displacements will be equal to the linear scale ratio, and the strain at corresponding points are the same.
Kinematic similarity is concerned with systems in motion. It states corresponding particles trace out geometrically similar paths in corresponding intervals of time.
Dynamic similarity is concerned with forces which are associated with moving systems. Similarity in this sense requires that the ratios of all corresponding forces are equal.
1.2.3 Thermal similarity
Thermal similarity concerns systems involving heat flow and requires that corresponding rates of heat flow shall bear a constant ratio to one another.
1.2.4 Chemical similarity
Chemical similarity is concerned with chemically reacting systems. It requires that corresponding concentration differences bear a constant ratio to one another.
The hierarchy of these different types of similarity is necessary when the requirements of similarity at each level are being considered. The conditions which are necessary to meet the requirements of similarity at each level include all those which are required at each preceding level. Thus, thermal similarity requires geometrical and mechanical similarity and chemical similarity requires thermal similarity (which implies including geometrical and mechanical similarity).
1.2.5 Dimensional analysis
The principle of similarity is most often associated, and usually confused, with dimensional analysis. Dimensional analysis is only one of the approaches by which the similarity principle may be applied to specific cases. It is a technique describing a physical system in terms of the minimum number of independent variables and in a form which is not influenced by the units of measurement. These independent variables are arranged as independent dimensionless groups.
The Buckingham's theorem, commonly called the π-theorem, is a generalization regarding the relationship among the independent variables, dimensionless groups and the dimensionally homogeneous equation. The equation states that:
The solution to every dimensionally homogeneous physical equation has the form f (π1, π2, …) = 0 where π1, π2, … represent a complete set of dimensionless groups of the variables and dimensional constants in the equation.
If an equation contains n separate variables and dimensional constants and these are given dimensional formulas in terms of m primary quantities, then the number of dimensionless groups in a complete set is n - m.
In deriving a complete set of dimensionless groups from a given set of independent variables, the Rayleigh's method of indices is used.
1.2.6 The regime concept
In applying the similarity principle, it is not sufficient to know only the fundamental differential equations governing the process. It is also necessary to discover the rate-determining factor or regime of the process before any scale-up is undertaken. The types of regime may be classified into dynamic, thermal or chemical.
The prevailing regime should not be confused with the main process of the system. For example, in an agitated algal culture system, although the main process of the system is photosynthetic production, the rate at which algal cells are produced takes place under a dynamic regime because the exposure of an algal cell to the light source depends on the thorough mixing of the system.
When the type of regime is not easily known, the determination can be devised through a process of elimination. For example, for a chemical regime, the rate of reaction is at least doubled for each 10°C rise in temperature. For a dynamic regime, the rate of reaction is changed about 1.3 times for each 10° change in temperature.
1.2.7 The scale-up process
Jordan (1955) summarized the scale-up procedure as follows:
A process result is measured in a model which is dimensionally similar to the prototype. The process result may be production or chemical conversion.
This process result is correlated in terms of the dimensionless groups concerned with motions and forces (Use of π-theorem).
From the experimental data the exponents on the dimensionless groups are determined.
The degree of relationship between the process result on the model and on the prototype is determined.
Using the π-theorem equation the process result is solved for and is appropriately applied in the case of the prototype.
From the scale-up ratio, it is possible to solve for the necessary ratio of the variable controlling the forces and motions.
2. SOME PROBLEMS IN THE SCALE-UP OF BIOLOGICAL SYSTEMS
The scale-up techniques have so far been well applied to mechanical and chemical systems with satisfying results. Although the prospects are evident for similar techniques to be applied for biological systems, it will not be without some difficulties. Biological systems involve a non-physical function on which mathematical models are not easily developed.
A more common and relevant aspect of this biological function to the concept of the scale-up is the behavioral problem of organisms. For example, in the scale-up of an aquacultural system, the association among fishes in a large group would be different from among fishes in a smaller group.
Group stimulation of the amount of food taken has been reported in fishes by Welty (1934). Working with goldfish fed with Daphnia, he found that each fish in a group ate on the average twice as much Daphnia as the average fish among either the isolated or the paired fish. Grouping the fish together undoubtedly increased food consumption but precise measurements of the fishes showed that although the fish in groups ate more, they grew significantly less. He concluded that fishes in group stimulate each other to greater activity and hence need more food for energy production.
The learning ability of fishes has also been shown to be influenced by the size of the group. Welty (1934) trained goldfish to move forward from the rear portion of an aquarium through a door into a small forward chamber where each was fed just after it came through the opening. The signal to the fish that it was time to react came from increasing the intensity of light in the aquarium and opening the door between the two compartments. The speed of first performance of the untrained fishes was most rapid with eight present and slowest with isolated goldfish.
Allee (1938) suggested that there is such a thing as imitation among goldfish. The fishes may be imitating each other on a relatively simple instinctive level. This element of imitation may explain the greater food consumption of grouped fishes. One fish sees another pursue and consume a bit of food and its own feeding mechanism is stimulated as a result of this visual experience, even if its own hunger might not have been sufficient to induce feeding behavior.
The cases mentioned here are just few of the social behavior of fishes. It is to be noted that these cases can not be used to generalize the behavior of fishes as Allee (1938) has pointed out. Mud-minnows, under the conditions tested, increased numbers lead to a lower rate of learning (a reserve reaction to that of goldfish).
In the scale-up of biological systems, factors associated with the living or intelligent character of the system may be quantified with the aid of information theory. The social behavior of some higher level organisms may be identified and thus making the scaling process a straight forward procedure.
At the moment, however, more investigations still have to be conducted on the type of organization which is the result of non-structural coupling between functioning units constituting an organism. Some other measure of this organization, which embodies the biological information must be found (Linschitz, 1953).
3. POSSIBLE CRITERIA FOR SCALING-UP AQUACULTURAL SYSTEMS
The use of the concept of biological similarity as the basis for scale-up of biological systems is virtually impossible at the moment. More explicit equations regarding the biological process still have to be found. However, the lack of mathematical models for biological similarity should not be a deterrent to the determination of scale effects in aquacultural systems.
The regime concept allows us to scale-up a system on the basis of the rate controlling mechanism. This has some practical applications for biological systems. Although we may not know the exact mechanisms of biological processes, some of these may be influenced or even controlled by specific physical processes. In these instances, we may make use of the governing physical process as a basis for scaling-up a particular biological system.
Some of the more common criteria for scale-up associated with the physical component of the system which apparently control the overall process are:
3.1. Power per unit volume of liquid
Intensive aquaculture systems require uniform distribution of both the cultured organisms and feed in the water medium for efficient functioning of the system. Most systems do not have the natural efficiency of maintaining a thoroughly mixed system. Either the cultured organisms or the feed particles or both tend to settle, and accumulate at the bottom. This process by which organisms gather at a high density would encourage cannibalism and result to high mortality. The accumulation of the feed particles at the bottom would create an anaeorobic condition which might encourage formation of toxic substances or would just provide conducive conditions where pathogenic microorganisms may flourish.
It is then necessary to agitate these systems in order to maintain a thoroughly mixed system. The degree of agitation may be quantified by measuring the amount of power introduced into the system per unit volume of the liquid.
The applicability of this criterion of power per unit volume of liquid for scale-up is limited to aquaculture systems involving organisms which are not stressed by agitation. This criterion is most suitable for planktonic organisms.
An example would be the mass production of diatoms used as larval food in hatcheries. For this type of a system, agitation is a critical factor.
The algal cells should be constantly and uniformly agitated to ensure exposure to the source of illumination, for photosynthesis and uniform uptake of nutrients by individual cells necessary for uniform growth.
3.2 Overall gas transfer coefficient
Certain aquaculture systems involve mass transfer of gases from and into the organisms of interest. Gases which are essential for growth, e.g. oxygen for animals and CO2 for plants, are transferred into the organism while excretory products, like ammonia, are transferred from the organism to the liquid bulk.
The use of the overall gas transfer coefficient as a criterion for scale-up is easily distinguished from the use of power per unit of volume in the sense that although both are considering the degree of agitation, the criterion using power per unit of volume does not take into consideration the rate of gas transfer.
In systems therefore where agitation is introduced not only to achieve uniform mixing but also to increase the rate of gas transfer, the use of KLa as a criterion for scale-up is most appropriate. KLa includes both gas transfer and hydrodynamic factors influencing gas transfer.
The overall gas transfer coefficient as a criterion for scale-up is applicable to systems where gas transfer in the liquid phase is the major governing factor.
A system on which this criterion could be applied appropriately would be the mass production of zooplanktons. In this system, oxygen transfer is of major importance. Platon (1985) has shown that KLa is an effective scale-up criterion for brine shrimp culture.
Another system would be one where aeration is used not only to supply the necessary dissolved oxygen of the system and to uniformly mix the system but also to strip off the metabolic products, like carbon dioxide and ammonia, from the system.
3.3 Power number
Certain aquaculture systems require that specific liquid flow patterns be maintained in the rearing enclosures. The reasons for this are:
to minimize stress by liquid movement on the cultured organism;
to effect a conditioning factor to develop the stamina of the organism before release to the natural environment;
to make the system self-cleaning by maintaining velocity levels; and
to ensure thorough mixing within the system.
The use of impellers to effect the necessary flow patterns would be inappropriate for systems involving relatively large organisms. The large shearing force caused by the impellers would just result to mortality of the cultured organisms. Several rearing facilities have been developed which utilize the high pressure of a water jet to impart velocity on the water thus causing circulation within the system. A relationship between the energy supplied by the water jet and the water movement within the system is defined by the Power Number.
The Power Number may be applied as a criterion for scale-up for systems which require that flow or circulation patterns induced by an external force be preserved in the scaling-up process. An important assumption, however, of geometrical similarity should be satisfied.
3.4 Space velocity/space time
The concept of space velocity has common use in Chemical Engineering. It is one of the important characteristics of a flow reactor. It is designated by the ratio of the volumetric flow rate to the volume of the reactor:

A high value of the space velocity means that the reaction can be accomplished with a small-sized reactor, or that a given conversion can be obtained with a high feed rate. Thus, it is a measure of the ease of the reaction job.
The reciprocal of the space velocity has been given several names such as space time, residence time or contact time. The applicability of this quantity in gaseous reactors, however, is meaningless since most gaseous reactions involve changes in total gas volume as these pass through the reactor. For reactors involving reactions where there is no significant change in the total volume of the reactants and the products, the space time can be made an important characteristic of the reactor.
Walker and Zahradnik (1976) have shown that space time can be used as a primary scaling parameter in a biological system. Using the definition of space time as:

| where N = | the number of oysters over which the water has flowed |
| F = | the flow rate |
their data show that engineering scale-up can be accomplished on filter feeders using space time as a scaling factor.
4. BIBLIOGRAPHY
Allee, W.C. 1938 The social life of animals. William Heinemann Ltd.
Johnstone, R.E. and M.W. Thring. 1957 Pilot plants, models and scale-up methods in chemical engineering. McGraw-Hill Book Co., New York
Jordan, D.G. 1955 Chemical pilot plant practice. Interscience Publishers, Inc. New York
Linschitz, H. 1953 Information and physical entropy. In “Essays on the Use of Information Theory in Biology” (H. Quastler, ed). University of Illinois Press, Urbana.
Platon, R.R. 1985 Scale-up studies on the culture of brine shrimp Artemia fed with rice bran. Ph.D. Thesis. University of British Columbia, Vancouver, B.C., Canada.
Walker, P.N. and J.W. Zahradnik. 1976 Scale-up of food utilization by the American oyster, Crassostrea virginica (Gmelin). Proceedings of the National Shell-fisheries Association, Vol. 65.
Welty, J.C. 1934 Experiments in group behavior of fishes. Physiological Zoology, Vol. 8, No. 1.