PERSONAL DE LA FAO
EL PRESENTE análisis proporciona estimaciones de la capacidad mundial de producción de pasta, papel y cartón para los años 1960, 1964, 1965, 1966 y 1967 sobre la base de las capacidades máximas factibles. En ciertos países de economía de planificación centralizada, sin embargo, las estimaciones se refieren a la producción real o proyectada que aproximadamente iguala a la capacidad máxima.
Ha sido posible calcular la capacidad de producción hasta 1967 para 51 de los 85 países productores de pasta o de papel (véase Anexo 1); en los otros casos las estimaciones se han hecho sólo hasta 1966 (10 países), 1965 (19 países), o 1964 (5 países).
La capacidad mundial de producción de papel y cartón ha aumentado en el período 1960-64 en 5 millones de toneladas aproximadamente por año, pasando de 82,5 millones de toneladas a 103 millones de toneladas (Cuadros 1 y Figura 1). Este incremento de 20 millones de toneladas en 4 años es relativamente alto si se compara con la estimación hecha por la FAO en 1959 de la demanda de papel y cartón hasta 1975, que exige un correspondiente incremento de capacidad de producción de aproximadamente 65 a 70 millones de toneladas entre 1960 y 1975.
Este artículo es una versión ligeramente revisada de un documento presentado a la Quinta Reunión del Comité Consultivo de la FAO sobre la Pasta y el Papel, Roma 27-28 de abril de 1964.
CUADRO 1. - ESTIMACIONES DE LAS CAPACIDADES CALCULADAS DE PASTA Y PAPEL
|
|
Totales mundiales |
||||||
|
1960 |
1964 |
1965 |
1966 |
1067 |
|||
|
Millones de toneladas métricas |
|||||||
|
Total papel y cartón |
82,4 |
102,9 |
108,0 |
110,3 |
112,2 |
||
|
Papel para periódicos |
15,7 |
18,5 |
19,5 |
20,0 |
20,5 |
||
|
Otros papeles y cartones |
84,4 |
88,5 |
90,3 |
91,7 |
|
||
|
Pasta para papel |
65,5 |
82,4 |
86,4 |
88,8 |
90,5 |
||
|
Pasta soluble |
4,0 |
4,9 |
5,0 |
5,1 |
5,3 |
||
|
|
Proporción cubierta por países con planes conocidos de expansión: % de la capacidad mundial en 1964 |
||||||
|
1965 |
1966 |
1967 |
|||||
|
Total papel y cartón |
93 |
73 |
31 |
||||
|
Papel para periódicos. |
97 |
82 |
66 |
||||
|
Otros papeles y cartones |
92 |
71 |
23 |
||||
|
Pasta para papel |
96 |
77 |
43 |
||||
|
Pasta soluble |
95 |
69 |
42 |
||||
La prevista capacitad de producción de papel y cartón de los millones de toneladas en 1965 es alta comparada con la estimación hecha por la FAO en 1959 de una demanda de 90 millones de toneladas para 1965. El crecimiento real de la demanda de papel y cartón hasta 1964 ha excedido, sin embargo, los pronósticos de la FAO.¹
¹ El pronóstico de 1959 (véase World demand for papar to 1975) ha sido posteriormente revisado para varias regiones del mundo (América Latina, Europa Occidental Europa Oriental, Lejano Oriente).
FIGURA 2. - Incremento de la capacidad de producción mundial de pasta, papel y cartón, en porcentaje al año.
CUADRO 2. - INCREMENTO DE LA CAPACIDAD MUNDIAL DE PASTA Y PAPEL EN PORCENTAJE ANUAL
|
|
1960 a 1964 |
1964 a 1965 |
1965 a 1966 |
1966 a 1967 |
|
Total papel y cartón. |
5,72 |
4,97 |
2,12 |
1,71 |
|
Papel para periódicos |
4,17 |
5,26 |
2,83 |
2,24 |
|
Otros papeles y cartones |
6,97 |
4,90 |
1,97 |
1,60 |
|
Pasta para papel |
5,89 |
4,85 |
2,84 |
1,82 |
|
Pasta soluble |
5,10 |
2,31 |
1,68 |
3,13 |
NOTA: Véase Cuadro 1 para la proporción cubierta por países con planes conocidos de expansión: % de la capacidad mundial en 1964.
La capacidad de producción de papel para periódicos de 1960 a 1964 aumentó a un ritmo menor que la de otros papeles y cartones (Cuadro 2, Figura 2), pero dado el crecimiento más lento de la demanda de papel para periódicos tal capacidad ha resultado excesiva. El aumento de la capacidad de producción de papel para periódicos de 1964 a 1965 es probable que exceda el ritmo de aumento entre 1960 y 1964, pero parece que el incremento será algo más lento de 1965 a 1966. Lo mismo que desde 1960 a 1964 la capacidad de producción de papel para periódicos resultó excesiva, es probable que dicho exceso continúe o incluso aumente de 1964 a 1965. De 1965 a 1966 es posible que se reduzca este exceso de capacidad. Los datos para 1966 a 1967 no son lo bastante completos para sacar conclusiones decisivas; las indicaciones preliminares no permiten pronosticar cambios notables en la capacidad excedente durante dicho período.
Las estimaciones de la capacidad de producción de pasta para papel en 1960-66 parecen indicar un aumento algo más rápido que para la producción de papel y cartón.
En lo que respecta a las pastas de disolución, la capacidad de producción aumenta a un ritmo más lento que la de pasta para papel; las indicaciones de que ocurra lo contrario de 1966 a 1967 se basan al parecer en datos incompletos.
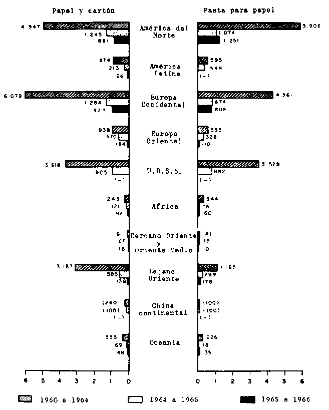
CUADRO 3. - INCREMENTO DE LA CAPACIDAD DE PASTA Y PAPEL, POR REGIONES
|
|
Papel y cartón |
Pasta para papel |
||||
|
1960 a 1964 |
1964 a 1965 |
1965 a 1966 |
1960 a 1964 |
1964 a 1965 |
1965 a 1966 |
|
|
Miles de toneladas métricas |
||||||
|
América del Norte |
4 947 |
1 245 |
881 |
5 906 |
1 074 |
1 251 |
|
América Latina |
874a |
213 |
26 |
-595 |
349 |
(-) |
|
Europa Occidental |
6 079 |
1 284 |
927 |
4 361 |
874 |
806 |
|
Europa Oriental |
938 |
570 |
164 |
593 |
328 |
110 |
|
U.R.S.S |
3 618 |
905 |
(-) |
3 528 |
882 |
(-) |
|
Africa |
243 |
121 |
92 |
344 |
56 |
60 |
|
Cercano Oriente |
61 |
27 |
16 |
41 |
15 |
10 |
|
Lejano Oriente |
3 186 |
585 |
138 |
1 165 |
299 |
178 |
|
China continental |
(240) |
(100) |
(-) |
(100) |
(100) |
(-) |
|
Oceanía |
333 |
69 |
48 |
226 |
18 |
35 |
|
TOTAL MUNDIAL |
20 520 |
5 119 |
2 292 |
16 859 |
3 995 |
2 450 |
NOTA: Véase en el Anexo 1 la proporción cubierta por países con conocidos planes de expansión.
Los Cuadros 3 y 4 (véanse tanbién Anexos 2 a 6 y Figura 3) ilustran el desarrollo de la capacidad de producción por regiones de 1960 a 1967. Mientras en términos absolutos, Norteamérica y Europa Occidental presentan las mayores expansiones de capacidad (50-60 por ciento de los totales mundiales en 1960-65) los mayores porcentajes de aumento se han verificado o se pronostican en Africa, Cercano y Medio Oriente, la U.R.S.S.² y el Lejano Oriente.
² La producción real de pasta, papel y cartón en la U.R.S.S. en 1963 fue inferior a la prevista en el plan; hay indicios de que las metas revisadas para 1965 son 3,67 millones de toneladas de pasta química, 3,48 millones de toneladas de papel y 1,53 millones de toneladas de cartón. El nuevo plan en perspectiva para el año 1970 prevé producciones de 11,7, 6,5 y 5,6 millones de toneladas respectivamente.
CUADRO 4. - INCREMENTO DE LA CAPACIDAD POR REGIONES. EN PORCENTAJE ANUAL
NOTA: Véase en el Anexo 1 la proporción cubierta por países con conocidos planes de expansión.¹ Sólo Canadá. - ² Se refiere al incremento planeado: el incremento real será probablemente más lento. - ³ Excluído el Japón.
CUADRO 5. - CAPACIDAD MUNDIAL DE PASTA, PAPEL Y CARTÓN HACIA 1965: COMPARACIÓN ENTRE LOS RESULTADOS DE LAS ENCUESTAS DE EA FAO DE 1959, 1962,1963 Y 1964
|
Encuesta |
Total papel y cartón |
Papel de periódicos |
Otros papeles y cartones |
Pasta para papel |
Pasta soluble |
|
Millones de toneladas métricas |
|||||
|
1959 |
93,8 |
18,3 |
75,5 |
75,2 |
... |
|
1962 |
105,2 |
20,1 |
85,0 |
83,0 |
5,1 |
|
1963 |
108,8 |
20,5 |
88,3 |
87,4 |
5,1 |
|
1964 |
108,0 |
19,5 |
88,5 |
86,4 |
5,1 |
Al comparar el crecimiento relativo de las capacidades de producción de pasta, papel y cartón, es interesante observar que mientras el incremento de la capacidad de producción de papel y cartón en Europa Occidental superó en 1960-64 al registrado en Norteamérica en 1,1 millón de toneladas, el crecimiento de la capacidad de producción de pasta para papel en esta última región superó al registrado en Europa Occidental en 1,5 millón de toneladas. Se prevé una tendencia casi análoga para 1964-66. Esta tendencia general se ha reflejado ya en la estructura de la corriente comercial para la pasta y el papel.
FIGURA 4. - Capacidad mundial de producción de papel, cartón y pasta hacia 1965. Comparación de los resultados de las encuestas de la FAO de 1959, 1962, 1963 y 1964.
En Africa, el Cercano Oriente y la América Latina, la industria de la pasta ha aumentado a un ritmo más rápido que la industria del papel en 1960-64, mientras que en el Lejano Oriente ha sucedido lo contrario. Los planes de expansión conocidos no dan una idea clara del curso futuro en aquellas regiones, pero todo indica que es probable que prevalezca la misma tendencia, por lo menos en el Lejano y Cercano Oriente. En cuanto al Lejano Oriente, es interesante observar que de 1960 a 1964 la capacidad de producción de papel y cartón aumentó en 3,2 millones de toneladas mientras que la capacidad de producción de pasta para papel sólo aumentó 1,2 millones de toneladas. Debido a la escasez de materias primas fibrosas económicamente disponibles en ciertos países de la región, sobre todo en el Japón y la India, se anticipa la continuación de esta tendencia. En consecuencia es probable que aumenten considerablemente las importaciones de pasta para papel en el Lejano Oriente.
En el Cuadro 5 y la Figura 4 se hace una comparación del presente análisis con otros análogos realizados en 1959, 1962 y 1963 con fechas metas para 1965. La capacidad de producción real en 1964 resulta mayor que la que arrojan las cifras de fin de año de la encuesta de 1959, incluso si los resultados reales son inferiores a los previstos en los planes de la U.R.S.S., China continental y Cercano Oriente. De muchos países no se disponía en 1959 de cifras sobre la capacidad de producción hasta 1965. Tal es el caso por ejemplo de los Estados Unidos, Canadá, Japón y el Reino Unido. Además, varios países de la Europa Oriental con economías de planificación centralizada revisaron más adelante sus planes en sentido ascensional. Asimismo, las industrias de varios países importantes de otras partes (Suecia, Finlandia, Italia, etc.) han llevado a cabo proyectos no previstos en 1959.
La encuesta de 1962 parece haber dado indicaciones bastante precisas acerca de la capacidad de producción para 1965, en particular si se tiene en cuenta que para algunos países en dicho momento no se conocían datos sobre el aumento de dicha capacidad que abarcaran hasta 1965.
La encuesta de 1963 da totales algo más altos para 1965 que la encuesta actual, lo cual se explica, en parte, por el hecho de que esta encuesta sólo abarca hasta 1964 en la República Federal de Alemania, mientras que las estimaciones de 1963 para dichos países abarcaban hasta 1965. Además, se sabe que un cierto número de proyectos de producción de papel para periódicos y de pasta química comercial han quedado momentáneamente suspendidos en vista de la capacidad excedente, existente o prevista para el próximo futuro.
Anexo 1
PAÍSES POR AÑO FINAL DE LAS ESTIMACIONES DISPONIBLES SOBRE CAPACIDAD DE PRODUCCIÓN
|
1964 |
1965 |
1966 |
1967 | |
|
EUROPA OCCIDENTAL |
AMÉRICA LATINA |
AMÉRICA DEL NORTE |
AMÉRICA DEL NORTE |
Ghana |
|
Alemania Rep. Fed. de |
Argentina |
Estados Unidos |
Canadá |
Kenia |
|
|
Brasil |
|
|
Libia |
|
|
|
|
AMÉRICA LATINA |
Marruecos |
|
|
Colombia |
AMÉRICA LATINA |
|
Nigeria |
|
LEJANO ORIENTE |
Cuba |
Ecuador |
Chile |
Sudáfrica |
|
Corea del Norte |
El Salvador |
Guatemala |
Costa Rica |
Sudán |
|
|
Panamá |
|
República Dominicana |
Swazilandia |
|
China continental |
Venezuela |
EUROPA OCCIDENTAL |
|
Túnez |
|
|
|
|
México |
República Arabe |
|
|
|
Reino Unido |
Paraguay |
Unida |
|
|
EUROPA OCCIDENTAL |
Grecia |
Perú |
|
|
|
Dinamarca |
|
Puerto Rico |
|
|
|
|
|
Uruguay |
CERCANO ORIENTE |
|
|
Portugal |
EUROPA ORIENTAL |
|
|
|
|
Suiza |
Yugoeslavia |
EUROPA OCCIDENTAL |
|
|
|
Bélgica |
|
Austria |
Jordania |
|
|
Irlanda |
LEJANO ORIENTE |
Finlandia |
Líbano |
|
|
|
|
Noruega |
Turquía |
|
|
EUROPA ORIENTAL |
Ceilán |
Suecia |
|
|
|
|
Indonesia |
Francia |
|
|
|
Albania |
|
Italia |
LEJANO ORIENTE |
|
|
Bulgaria |
|
Países Bajos |
|
|
|
Alemania Oriental |
OCEANÍA |
España |
Birmania |
|
|
|
Nueva Zelandia |
|
India |
|
|
|
|
EUROPA ORIENTAL |
Corea, Rep. De Malasia |
|
|
CERCANO ORIENTAL |
|
Checoeslovaquia |
Mongolia |
|
|
Israel |
|
Hungría |
Nepal |
|
|
|
|
Polonia |
Pakistán |
|
|
U.R.S.S. |
|
Rumania |
Filipinas |
|
|
|
|
|
Tailandia |
|
|
LEJANO ORIENTE |
|
AFRICA |
Viet-Nam |
|
|
Camboya |
|
Argelia |
|
|
|
Japón |
|
Congo (Leopoldville) |
OCEANÍA |
|
|
China (Taiwán) |
|
Etiopía |
Australia |
|
TOTAL 3 |
TOTAL 20 |
TOTAL 9 |
TOTAL 53 |
|
Los resultados de las cuatro encuestas mencionadas demuestran que en escala mundial las encuestas sobre capacidad de producción de pasta y papel son seguras con tres años de anticipo. Incluso si en el caso de ciertos países las estimaciones para el tercer año sucesivo no son muy exactas, están siendo las diferencias entre los planes y los resultados reales tanto en más como en menos, y los errores en los totales no son muy importantes. Sobre planes de expansión ha sido imposible conseguir datos completos para más de tres años a partir de la encuesta. Además, los pronósticos económicos pueden variar considerablemente en los dos primeros años de un período de cuatro, y en consecuencia las decisiones acerca de inversiones y planes de expansión, en lo que se refiere a nuevas capacidades que entren en producción en el cuarto año, suelen sufrir cambios importantes.
Anexo 2 - CAPACIDAD CALCULADA PARA 1960
Anexo 3 - CAPACIDAD CALCULADA PARA 1964
Anexo 4 - CAPACIDAD CALCULADA PARA 1965
Anexo 5 - CAPACIDAD CALCULADA PARA 1966
Anexo 6 - CAPACIDAD CALCULADA PARA 1967