Página precedente Indice Página siguiente


Las industrias forestales en la superación del desarrollo económico insuficiente

JACK C. WESTOBY

Aspectos de la política de fomento
Los productos de las industrias forestales en la economía actual y futura
Característica de las industrias forestales
Características de la base forestal
Características de las industrias forestales relativas al desarrollo económico
La recursos, la tecnología y la investigación
Determinación del papel de los montes
La planificación del fomento industrial forestal

El presente trabajo ha sido redactado por el Sr. JACK C. WESTOBY, Jefe de la Subdirección de Economía Forestal Dirección de Montes y Productos Forestales, FAO, con la colaboración del Sr. ISAAC KISSIN, del Brasil, del Sr. LUIGI SPAVENTA, de Italia, del Sr. ALBEN URBANOVSKY, de Yugoeslavia, y del personal de la Subdirección de Economía Forestal.

Este trabajo forma parte de El estado mundial de la agricultura y la alimentación 1962

LAS industrias forestales presentan muchas características especiales. Proporcionan una amplísima gama de productos, tanto artículos de consumo como productos intermedios, que pasan a muchos sectores de la economía, cuya demanda se intensifica agudamente con el desarrollo económico. Estas industrias presentan considerables diferencias en punto a necesidades de materias primas y de otros elementos. En la mayoría de ellas pueden emplearse con buen resultado distintas técnicas. Se basan en un recurso renovable, recurso que está íntimamente vinculado con la agricultura.

Todas estas características indican que, potencialmente, las industrias forestales pueden desempeñar un papel muy considerable en el fomento del desarrollo económico en países cuya renta es baja en la actualidad. El presente capítulo constituye un primer intento de evaluar su papel potencial. El análisis que se hace en estas páginas está lejos de ser completo, y son muchos los aspectos importantes de que se trata sumariamente o que no se tocan en absoluto. Sin embargo, la finalidad del capítulo se habrá cumplido si con él se logra llamar la atención de los encargados de la elaboración de políticas acerca de ciertas consideraciones fundamentales que a veces se pasan por alto, y si mueve a los economistas y forestales a emprender un estudio más profundo y detallado de algunos de los problemas planteados.

Aspectos de la política de fomento

En el período de posguerra se ha ido adquiriendo una conciencia cada vez más viva de la necesidad de desarrollo económico en aquellas zonas del mundo que la revolución industrial dejó intactas. Los problemas del fomento han pasado al primer plano, no sólo en la atención de los gobiernos y organizaciones internacionales, sino también en la asiera de las ciencias sociales, donde han aportado el denominador común para integrar distintas ramas del análisis y distintas disciplinas. Esta repercusión va también haciéndose sentir en los campos de estudio especializado dedicado a los problemas económicos y técnicos de distintos sectores o industrias. Los especialistas y los técnicos no pueden ya desatender el ámbito más amplio en que industrias y sectores se desenvuelven, ámbito que no constituye una constante, sino una variable, quizá la más importante de todas. En la actualidad, los problemas y metas de los distintos sectores se subordinan a los problemas y objetivos generales del fomento y son, a la vez, parte integrante de ellos.

En las páginas siguientes se tratará de examinar el sector de las industrias forestales en función de los problemas de potenciación de las economías al comienzo de su proceso de desarrollo. Los montes representan un importantísimo activo de la riqueza de un país - activo que hasta los países muy pobres poseen o podrían poseer - por proporcionar una materia prima renovable para toda una serie de industrias que han adquirido gran importancia en muchos países industrializados. Tal activo se desatiende con harta frecuencia cuando se trata de economías menos desarrolladas, o sólo se explota a título de materia prima para la exportación. Todo esto plantea una serie de cuestiones evidentes. ¿Cuáles son las posibilidades propulsoras del sector de las industrias forestales para las zonas menos desarrolladas? ¿Cuál puede ser el papel de este sector en un programa de fomento encaminado a lograr el desarrollo autónomo?

Para responder a estas cuestiones no bastan consideraciones vagas y generales sobre lo que a primera vista parecen constituir las ventajas de las industrias forestales. La teoría económica y las técnicas de planificación del fomento han progresado considerablemente en años recientes. Aunque este campo no está ciertamente libre de controversias y todavía quedan muchos puntos por resolver, se ha llegado a un acuerdo sustancial en cuanto a los criterios selectivos que deben seguirse y a los datos que son necesarios para aplicar tales criterios en la práctica. Así, el análisis circunscrito a un sector, debe atenerse a las directrices principales fijadas por el análisis económico general, si se quiere llegar a la necesaria integración de uno y otro a los fines del fomento.

Empezaremos, pues, pasando revista en términos generales a algunas de las condiciones que se aplican al análisis de sectores, y definiendo los datos y los elementos de juicio necesarios para evaluar las posibilidades económicas del sector de las industrias forestales.

LOS OBJECTIVOS FOMENTO, FOMENTO OPCIÓN

El desarrollo insuficiente constituye un concepto relativo y hasta cierto punto subjetivo. Algunas economías se califican de subdesarrolladas por cuanto existen otras cuyo desenvolvimiento es mayor, por lo que son «las que están descontentas de su actual situación económica y pretenden desarrollarse».1 Para tales países, el desarrollo económico se ha convertido o se está convirtiendo en cuestión de ideología toda vez que está vinculado a la consecución de una independencia más auténtica - económica así como política - y de un nivel más alto de dignidad humana, como asimismo de bienestar material de la población. Es esencial comprender el hecho de que el fomento, en sus fines y motivaciones, no constituye exclusivamente una cuestión económica si se quieren evitar falsas controversias sobre distintos puntos y aplicar los instrumentos económicos con mayor precisión y aprovechamiento.

1 J. ROBINSON, Notes on the theory of economic development en Collected economic papers, Vol. 2, Oxford, Blackwell. 1960. págs. 96-97.

Entre estos puntos figura en primer lugar la necesidad de intervención pública, que se deduce casi por definición de la decisión de modificar la existente situación de atraso, y del hecho de que tal situación es a menudo consecuencia de falta de intervención, o de intervención desacertada. Si tal decisión se acepta, no cabe discutir si un poder externo al mercado - esto es, el Estado - debe o no inmiscuirse en «el libre juego de las fuerzas del mercado». En las economías subdesarrolladas, el objetivo de la intervención debe definirse en términos muy amplios; como no se trata de que un solo sector o una sola región estén rezagados, sino de que lo está la economía entera, se impone que la intervención afecte al sistema todo, directa o indirectamente, en una forma más o menos suave o enérgica. Claro está que esto equivale a decir que la planificación es forzosa, designando por planificación la coordinación global de la intervención estatal en los distintos campos, encaminada a alcanzar metas u objetivos de política claramente definidos e informados por la mutua congruencia. Planificación global no significa forzosamente intervención pública directa en todas las esferas. Es compatible con el predominio de la empresa privada (con tal que esté guiado por un sistema adecuado de incentivos y sanciones). Esencialmente significa conciencia de los fines que deban alcanzarse en primer lugar, y luego programación sistemática del empleo de todos los instrumentos de política de que se disponga teniendo presentes tales objetivos.

De este enfoque de la política de fomento se deduce que, una vez definida la estructura o marco del plan, adquirirán un significado más neto toda una serie de cuestiones sobre las que se debate en exceso, como el deslinde entre los sectores público y privado, o la contraposición entre fomento agrícola e industrialización. La solución de éstos y otros problemas análogos no puede lograrse en abstracto, sino que debe subordinarse a los objetivos finales y - extremo más importante todavía - a la administración efectiva del plan. Esto se aplica asimismo en gran medida a la controversia en torno a las ventajas relativas de la industria ligera frente a la pesada, o más generalmente, a la alternativa entre fomentar el bienestar inmediato o fomentar el desarrollo económico a largo plazo. En todos los casos, aunque la solución dependerá de las condiciones estructurales y de la dotación material (es decir, de los datos) de la economía respectiva, el principal elemento de opción es de orden político, toda vez que en la mayoría de los casos la definición de los objetivos generales del plan es resultado de una decisión de índole política.

EVALUACIÓN FINANCIERA Y EVALUACIÓN SOCIAL

Una segunda consecuencia, igualmente importante, que se desprende de los principios antes enunciados, atañe a la evaluación de los costos y beneficios de las políticas y proyectos de inversión. Los costos y beneficios deben estimarse con referencia a los fines fijados en el plan, y las políticas y proyectos deben clasificarse en consecuencia. Como los fines del plan, o más generalmente, de la política de desarrollo, afectan a toda la comunidad, y no a agentes productores aislados, no es de extrañar que esta clase de evaluación pueda presentar diferencias con los criterios privados de evaluación y que efectivamente las presente con frecuencia.

El principio de establecer una distinción entre la evaluación privada y la evaluación social - entre la evaluación financiera (en función de los ingresos monetarios a corto plazo o para grupos especiales) y la evaluación económica (expresada en ingresos a corto y a largo plazo para toda la población afectada) - tiene ya plena aceptación en las economías adelantadas para todos los llamados servicios públicos, esto es, para los sectores de interés general en que se admite que los beneficios y costos financieros para determinadas empresas pueden no coincidir con los beneficios y costos para la comunidad. La razón sólida por la que el mismo principio tiene una aplicación mucho más amplia en las economías menos desarrolladas es la de que, en éstas, al menos durante algún tiempo, casi todas las actividades económicas han de considerarse como servicios públicos, toda vez que la tendencia histórica ha presentado una divergencia general entre el interés privado y el social.

Las evaluaciones privada y social pueden presentar diferencias por razones que tienen su origen en consideraciones tanto microeconómicas como macroeconómicas, tanto estáticas como dinámicas. En primer lugar, el sistema de precios en una economía subdésarrollada, no es con frecuencia «significativo», esto es, no es de tal naturaleza que asegure un óptimo, técnico o económico, toda vez que no refleja la relativa escasez de los bienes y factores, no reflejando tampoco a fortiori la escala de prioridades establecida en-una política de fomento. En segundo lugar, un determinado proyecto de inversión puede reportar una serie de beneficios «secundarios», que no se manifiestan en forma de ingresos en numerario para las empresas más directamente. afectadas pero que - deben incluirse en la evaluación económica; en esencia, tales beneficios estriban en «el aumento en ingresos netos obtenidos en actividades que emanan del proyecto o son provocadas por él».2 Por último, deben tenerse en cuenta los efectos «secundarios» desde el punto de vista dinámico. Estos cabe agruparlos bajo el epígrafe de aspectos económicos externos de la producción y el consumo: la inversión en un sector propulsor creará, de un lado, condiciones favorables en la oferta para la inversión en otros sectores; de otro, debido a su demanda de factores de producción y en virtud de la nueva demanda a que darán lugar los mayores ingresos del personal recién empleado, ampliará el mercado de otras industrias, creando así incentivos para nuevas inversiones por parte de la demanda. Esta última consideración refleja la circunstancia de que, faltando capital, también la falta de demanda constituye Im obstáculo muy importante al desarrollo económico.

2 Esta es la definición que se da en: UNITED STATES INTERAGENCY COMMITTEE ON WATER RESOURCES, SUBCOMMITTEE ON EVALUATION STANDARDS. Report to Interagency Committee on Water Resources, proposed practices for economic analysis of river basin projects. Wáshington, 1958.

DATOS NECESARIOS PARA ADOPTAR DECISIONES EN CUANTO A INVERSIONES

Sea cual fuere el criterio que se adopte para efectuar inversiones, se impone contar con ciertos tipos de datos para evaluar la repercusión económica que la inversión ejercerá en un determinado sector. Tales datos pueden clasificarse del modo siguiente:

Datos técnicos

Se refieren éstos a las características y amplitud de la función productora. Independientemente de si la opción se orienta hacia una mayor o menor intensidad de capital, cabe decir que cuanto más amplio sea el campo de la función productora (es decir, cuanto mayor sea el número de técnicas de que se dispone), tanto más idóneo será, ceteris paribus, un sector para la inversión en un país poco desarrollado, por ser mayor la posibilidad de adaptación a los fines generales de política y a las condiciones estructurales del mismo. El estudio de las funciones de producción exige:

a) conocimiento de la estructura interna del sector (cuanto más amplio y más integrado sea éste, tanto mayor será la flexibilidad en punto a decisiones, debido a la posibilidad de combinar distintas técnicas a diferentes niveles de producción);

b) conocimiento de la productividad de la mano de obra, del valor agregado, de la relación entre el capital y el volumen de producción, y del excedente por unidad de producción y capital para cada técnica disponible. A este respecto debe notarse que la función productora que conviene a un país subdesarrollado no coincide forzosamente con la de un país más adelantado: no cabe duda de que en el progreso técnico han influido la disponibilidad de factores y los precios de los países adelantados, y existen posibilidades, a las que aún no se ha atendido bastante, de elaborar técnicas que se presten mejor a condiciones distintas.

Datos sobre inversión y costo

Estos datos se necesitan no tanto para estimar los costos efectivos de producción, que verían con los precios de los factores de producción o insumos, como para comprobar la congruencia de los proyectos en función de la disponibilidad de fondos y de las proporciones del mercado. Es posible que las indivisibilidades tecnológicas impidan adoptar una determinada técnica por debajo de una determinada escala mínima, que pudiera resultar demasiado grande con respecto a las proporciones del mercado y a la cuantía de fondos con que se cuente. Este grupo de datos puede comprender también las características físicas de los factores de producción y de los productos cuya importancia relativa es un elemento muy considerable para determinar en qué medida un sector brinda, en un determinado país, una ventaja relativa respecto del resto del mundo, y en qué punto debe quedar localizada la industria.

Datos sobre la demanda

Estos datos, en cambio, proporcionan una idea de la importancia del sector y condicionan la elección de las técnicas y de los órdenes de magnitud. Las proyecciones de la demanda permiten asimismo estimar cuáles son los efectos que, en general, ejercerá la inversión en un determinado sector en punto a economías de importación.

Efectos secundarios e indirectos

Algunos pertenecen a la categoría general de los aspectos económicos externos. Otros se relacionan de un modo más preciso con la creación de una nueva fuente de algunos bienes o servicios que estimularán el desarrollo de otras actividades ajenas al sector de que se trate. Hay asimismo otros que son consecuencia de la creación de una nueva demanda que amplía las posibilidades de inversión en otros sectores, lo cual se debe al aumento de gastos destinados al consumo por parte del nuevo personal empleado, y a las necesidades de insumos de la nueva actividad productora. El grado de vinculación de un sector con otros sectores, para apoyarlos o para ser apoyado por ellos, se considera índice muy importante de las prioridades en las asignaciones a los distintos sectores, toda vez que permiten medir el efecto acumulativo de expansión que una determinada inversión puede tener sobre toda la economía.

En las secciones siguientes se tratará de aportar algunos de los datos y elementos de juicio antes enumerados por lo que se refiere a las industrias forestales. Empezaremos por una evaluación de las condiciones actuales y futuras de la demanda de productos de las industrias forestales, por constituir el marco esencial de los problemas de que nos ocupamos.

Los productos de las industrias forestales en la economía actual y futura

En esta sección procederemos: (a) a examinar las carácterísticas estructurales de la demanda de productos forestales, su papel en la economía mundial y la interdependencia entre la industria forestal y otros sectores; (b) a ilustrar la situación actual de la produc ción, el consumo y el comercio de productos forestales en los dos grandes bloques3 en que el mundo puede dividirse hoy: zonas desarrolladas (Europa, América del Norte, U.R.S.S., Oceanía y el Japón), y zonas menos desarrolladas (Africa, América Latina, resto de Asia); (c) a analizar las características dinámicas de la demanda de productos forestales a fin de estimar sus perspectivas en las zonas menos desarrolladas; (d) a extraer algunas conclusiones relativas a la medida en que las necesidades futuras deben satisfacerse con la producción local en las zonas subdesarrolladas.

3 La principal justificación de esta tosca dicotomía (la inclusión de algunos componentes en uno u otro bloque es susceptible de reparos) está constituida por conveniencias de orden estadístico.

CARACTERÍSTICAS ESTRUCTURALES DE EA DEMANDA

Aun cuando se decidiera pasar por alto la variedad de productos, técnicas y organizaciones económicas del sector en cuestión, se impondría, no obstante, trazar en él algunas grandes distinciones. La madera extraída de los montes puede emplearse para leña o para fines industriales; en estas páginas nos ocuparemos solamente de la madera industrial, por ser evidente que la leña presenta un interés secundario4 desde el punto de vista del desenvolvimiento industrial. La madera industrial puede destinarse a usos en que, si bien experimentando varias transformaciones, conserva intacta su estructura química y física, o bien como materia prima en procesos químicos en que, por así decir, pierde su individualidad. Tenemos, pues, por una parte, trozas transformadas en madera aserrada, que a su vez se emplea para la construcción, la construcción de barcos y los productos manufacturados; trozas para chapas, transformadas en chapas de madera, tableros contrachapados y tableros de alma llena, empleados también para la construcción y productos manufacturados; trozas transformadas en traviesas, puntales para minas, pilotes y postes. Y tenemos, por otra parte, madera para pulpa transformada en pasta por procedimientos mecánicos o químicos, y convertida luego en papel y cartón. Entre estos dos grupos ocupan una posición intermedia dos productos más recientes: los tableros de fibra y los tableros de partículas. Desde el punto de vista de la fabricación se aproximan más al segundo grupo, pero por lo que atañe a las características de la demanda deben considerarse incluidos en el primero, toda vez que tienen aplicaciones muy semejantes a las de la madera aserrada y los tableros contrachapados.

4 Secundario, pero de ningún modo despreciable. Los casos en que la leña puede contribuir al desarrollo económico son: (a) en montes heterogéneos de frondosas si otros combustibles son caros o no se dispone de ellos, las especies de valor comercial insignificante pueden emplearse para energía de las industrias de transformación de la madera. (b) en distintas operaciones de la fundición de hierro sé hace uso de carbón vegetal, reduciéndose así la necesidad de emplear carbón de cok; (c) en el sudeste de Asia, donde reina una gran escasez de combustible, y la mayor parte de las deyecciones se queman en vez de devolverse al suelo la plantación de especies para leña en aldeas puede constituir la clave para la elevación de la productividad agrícola.

En el aspecto físico, las trozas para aserrar ocupan un volumen mucho mayor que la madera para pasta. El uso más importante de la madera aserrada es, con mucho, el de la construcción, seguido por los envases y

Los productos manufacturados; estos últimos, sin embargo, comprenden un enorme, número de productos, que van desde los muebles a los vagones de ferrocarril, piezas de vehículos a motor, mangos, juguetes, escaleras, lápices, etc. En la construcción de viviendas, la madera se emplea especialmente para marcos, entablados o entarimados, carpintería mecánica o ebanistería y solados. El principal producto de la madera para pasta es el papel, seguido por el cartón, y los tipos más importantes de papel son papel para periódicos, papel de imprenta, para envolver y bolsas.

No es necesario dar ulteriores detalles para poner de manifiesto que los productos de la madera, directa o indirectamente, han de atraer una gran parte de la demanda final, parte que abarca un crecidísimo número de conceptos.5

5 Las principales industrias de transformación de la madera y las aplicaciones de que sus productos son objeto, se representan gráficamente en la Gráfica 1 de la página 177

Estos dos hechos están confirmados por observaciones cuantitativas. En 1953, al sector de montes y productos forestales (incluso productos de la madera, muebles, y papel y derivados de éste) correspondió el 7,2 por ciento del valor agregado total, y el 9,25 por ciento del total de personal empleado en las industrias de la minería y fabriles de todo el mundo, situándose así en el quinto lugar entre las industrias en cuanto al valor agregado, y en el cuarto por lo que al personal empleado se refiere.6 El desglose de las dos ramas principales es el siguiente: 4,2 y 3,1 por ciento del valor agregado y 7,9 y 2,2 por ciento del personal empleado, respectivamente, por lo que se refiere a productos de la madera y muebles y a pasta, papel y derivados de éste. Esto pone de manifiesto una notable diferencia entre las dos principales ramas en productividad de la mano de obra, que es superior al promedio en el sector del papel y derivados y muy inferior al promedio en la otra rama.

6 OFICINA DE ESTADÍSTICA DE 1 AS NACIONES UNIDAS. Patterns of industrial growth 1938-58, Nueva York, 1960.

La gama de usos de los productos forestales, o más bien la medida en que entran en otros productos (el grado de carácter indirecto del sector), se pone de manifiesto, con algunas limitaciones, en los estudios hechos sobre la interdependencia de unas industrias con otras mediante tablas de factor de producción-producto. A este respecto, son pertinentes dos coeficientes: la proporción entre el valor de los factores de producción adquiridos y el de la producción total de un sector, que indica hasta qué punto la producción en un sector «supone el empleo indirecto del capital y la mano de obra a diferencia del empleo directo»;7 y la proporción entre el valor de la demanda intermedia y el de la demanda total de productos de un sector, que pone de manifiesto la medida en que el sector vende sus productos para ulteriores usos en la producción».8 Estas proporciones o relaciones para un determinado sector deben compararse con las valores medios de las proporciones correspondientes a toda la economía. Esta comparación se establece en el Cuadro 1, referida a cuatro países - el Japón, Italia, Estados Unidos y Noruega - en la que pueden apreciarse las proporciones o relaciones medias para las economías consideradas en conjunto y las correspondientes a la madera y sus productos, y al papel y a sus derivados tomados por separado.

7 CHENERY, H. B., y CLARK P. G. Interindustry economics, Nueva York, Wiley, 1959, pág. 205.

8 Op. cit., pág. 201.

CUADRO 1. - INDICE DE LA INTERDEPENDENCIA DE LAS INDUSTRIAS FORESTALES

Países


Relación entre el valor de los factores de producción comprados y el valor de la producción total

Relación entre el valor de la demanda intermedia y el de la demanda total

Promedio, todas las industrias

Madera y sus productos

Papel y sus derivados

Promedio, todas las industrias

Madera
y
sus productos

Papel y sus derivados

Japón

48,7

68,2

62,8

46,1

29,6

80,2

Italia

43,8

71,6

53,8

41,1

43,1

75,3

Estados Unidos

42,6

42,1

56,6

41,9

40,4

79,2

Noruega

36,4

51,5

55,7

30,4

29,1

42,5

FUENTE: Basado en la obra de B. B. CHENERY y P. G. CLARK, Interindustry economics, Nueva York, Wiley, 1959, pág. 230.

De estas cifras se desprende que en los dos subsectores y en todos los países (con excepción de los Estados Unidos por lo que refiere a la madera y sus productos), la relación entre el valor de los factores de producción adquiridos y el valor de la producción total es considerablemente superior al promedio; debe notarse, sin embargo, que la compra de factores de producción se concentra, como es de esperar, en la agricultura y los montes, de donde se toma la materia prima. Como índice de los vínculos de los sectores considerados con el resto de la economía son más significativas las relaciones entre la demanda intermedia y la demanda total. Se registra aquí una divergencia entre el papel y sus productos, en que el valor de la relación es muy superior al promedio, y la madera y sus productos en que es inferior al promedio (aunque no mucho). Esto se debe esencialmente al hecho de que en las tablas factores de producción-producto, la construcción se incluye en la demanda final; por consiguiente, la parte correspondiente a la madera y sus derivados empleados en la construcción, que normalmente se considerarían productos intermedios (por ejemplo, madera para marcos y entablados o para encofrados), sólo aparece en la demanda final. Así, los valores del segundo conjunto de proporciones tienden a disminuir en el caso de la madera y sus productos con relación a otros sectores. Teniendo esto en cuenta y considerando los altos valores de la proporción correspondiente al papel y sus productos, llegamos a la conclusión de que el sector de los productos forestales en conjunto tiene un alto grado de carácter indirecto y de interdependencia con otros sectores.

CONSUMO, PRODUCCIÓN Y COMERCIO DE PRODUCTOS FORESTALES

En el Cuadro 2 puede apreciarse, para los dos grupos de zonas, las desarrolladas y las menos desarrolladas, la producción, el consumo y el consumo por persona de las principales categorías de productos forestales. De dicho cuadro se desprenden algunos hechos notables.

La producción de productos forestales se concentra muy intensamente en el mundo desarrollado. El consumo se concentra todavía más, estando supeditadas las zonas menos desarrolladas a las regiones adelantadas para obtener una parte muy considerable de sus abastecimientos de determinadas categorías. Al propio tiempo, la población de las zonas menos desarrolladas es superior en más de dos veces a la de las desarrolladas. Así, el consumo de productos forestales por persona en las zonas menos desarrolladas es bajísimo: un diecisieteavo del correspondiente a las zonas desarrolladas por lo que atañe a la madera aserrada y un veintitresavo por lo que respecta al papel y el cartón.

CUADRO 2. - PRODUCCIÓN Y CONSUMO DE PRODUCTOS FORESTALES, PROMEDIO 1957-59

POBLACIÓN (1958)


Unidad

A Zonas desarrolladas

B Zonas menos desarrolladas

Proporción entre A y B

Millones

1923

1956

Algo menos de la mitad

PRODUCCIÓN

 

Madera industrial

Millones m.3 (rolliza)

842,9

103,2

8

Madera aserrada (incluso traviesas)

Millones m.3 (aserrada)

288,3

133,7

8

Productos para tableros a base de madera

Millones m.3 (equiv. en rolliza)

38,01

23,04

13

Papel y cartón

Millones Tm.

60,0

3,4

18

CONSUMO APARENTE: TOTAL

 

Madera aserrada

Millones m.3 (aserrada)

286,7

135,0

8

Productos para tableros a base de madera

Millones m.3 (equiv. en rolliza)

-38,3

23,0

13

Papel y cartón

Millones Tm.

58,1

5,3

11

CONSUMO APARENTE: POR 1.000 PERSONAS

 

Madera aserrada

m.3

310,0

18,0

17

Productos para tableros a base de madera

m.3 (equivalente rolliza)

41,7

1,5

28

Papel y madera

Tm.

63,0

2,7

23

1 Comprende una cantidad estimada en 9,4 por la producción no declarada, - 2 Comprende una cantidad estimada en 0,61 por la producción no declarada.

CUADRO 3. - COMERCIO DE LAS ZONAS MENOS DESARROLLADAS, PROMEDIO 1957-59




Unidad



Cantidad

Valor

Exportaciones

Importaciones

Comercio neto 1

Exportaciones

Importaciones

Comercio neto 1

Millones de unidades que se indican

Millones de dólares

TROZAS PARA ASERRAR

m.3 (rolliza)

7,6

1,2

+ 6,4

152,3

40,0

+112,3

MADERA ASERRADA








Coníferas

m.3 (aserrada)

1,5

3,6

- 2,1

68,8

155,3

- 86,5

Frondosas

m.3 (aserrada)

1,6

0,8

+ 0,8

83,5

46,7

+ 36,8

Traviesas

m.3 (aserrada)

0,2

0,2

-

5,7

29,3

- 23,6

Chapas

m.3 (aserrada)

0,07

0,02

+ 0,05

4,6

3,9

+ 0,7

Tableros contrachapados

m.3 (aserrada)

0,18

0,25

- 0,07

21,5

24,7

- 3,2

Tableros de fibra

Tm.

0,04

0,08

- 0,04

3,3

10,2

- 6,9

Tableros de partículas

Tm.

0,02

0,02

-

1,1

2,1

+ 1,1

Pasta

Tm.

0,06

0,57

- 0,51

9,9

83,4

- 73,5

Papel para periódicos

Tm.

0,03

0,91

- 0,88

3,6

152,3

-148,7

Otras clases de papel y cartón

Tm.

0,05

1,05

- 1,00

13,1

258,6

-245,5

VALOR TOTAL





406,0

873,0

-467,0

NOTA: + = excedentes de exportación; - = excedentes de importación.

1 Incluso algunos productos manufacturados (CUCI 24, 25, 63, 64),

La situación de las regiones menos desarrolladas con respecto al resto del mundo se ilustra también en el Cuadro 3. Tratándose asimismo de los productos forestales, las regiones menos desarrolladas son exportadoras de materia prima e importadoras de productos manufacturados. Exportan trozas para aserrar; su comercio está más o menos equilibrado en el aspecto cuantitativo por lo que respecta a la madera aserrada (teniendo en cuenta que su déficit se debe en gran medida a la falta de bosques de coníferas, de modo que, en conjunto, son exportadoras de madera aserrada de frondosas pero importadoras de madera aserrada de coníferas); y son importadoras netas de tableros de fibra y, sobre todo, de pasta, papel y cartón. (En el cuadro no se incluyen los productos manufacturados de madera, como muebles, etc.) Consecuencia de esto es que las regiones subdesarrolladas, a pesar de su bajísimo nivel de consumo, presentan un déficit neto en valor; no sólo es el valor unitario de los productos mucho mayor que el valor unitario de las materias primas (aunque no tanto como en el caso de los productos de otras industrias, toda vez que a la materia prima corresponde una parte muy grande de factores de producción, sobre todo en productos de la madera), sino que también el valor de las importaciones aumenta, respecto del valor de las exportaciones, en toda la cuantía del flete, que en su mayor parte va a parar a las regiones desarrolladas que poseen el porcentaje más importante de ilotas mercantes.

Las cifras últimas que figuran en el Cuadro 3 permiten apreciar un déficit global neto en valor (para los capítulos 24, 25, 63, y 64 de la CUCI) de 467 millones de dólares: En esta cifra están incluidos, además de los conceptos relacionados en el cuadro, ciertos productos manufacturados de madera y papel. Sin embargo, no comprende muchos productos acabados de madera y papel, como muebles, casas prefabricadas, libros, períodicos y otro material impreso, etc. De incluirse, el déficit sería considerablemente mayor.

Todo esto es tanto más notable cuando se tiene en cuenta que muchas de las zonas menos desarrolladas disponen fácilmente de materia prima y que no todos los sectores deficitarios exigen forzosamente, como se verá más adelante, técnicas de complejidad extraordinaria.

CARACTERÍSTICAS DINÁMICAS DE LA DEMANDA

Al estimar las tendencias de la demanda de productos forestales, la principal variable que hay que tener en cuenta, como en el caso de todos los demás productos, es la renta. Sin embargo, una relación bastante precisa entre los ingresos y el consumo sólo se da en el caso de los derivados de la pasta. Tratándose de otros productos forestales, esta relación se complica con la interacción de otros factores y, sobre todo, por efecto de una interdependencia, que se hace sentir especialmente en las zonas de renta baja, entre la demanda y- la oferta.

Se han establecido correlaciones muy altas entre el consumo de papel y cartón por persona y la renta nacional (normalmente producto nacional bruto) por persona. Tales relaciones son válidas tanto para el papel y cartón en total como para las distintas grandes categorías de papel y cartón. Son válidas independientemente de que los parámetros se estudien especialmente mediante análisis comparativos, estableciendo un paralelo entre muchos países en un determinado momento, o bien cronológicamente, comparando la evolución del consumo y de la renta en un determinado país o región durante un período de varios años.

La relación no es lineal; de hecho, la elasticidad en función de la renta a medida que ésta aumenta. Así, a niveles de renta que oscilan alrededor de los 100 dólares por persona, la elasticidad va de 2,5 a 3; a niveles que fluctúan entre 200 y 400 dólares por persona, vería entre 1,5 y 2,5. A los niveles de renta europeos (que aproximadamente van de 500 a 1.000 dólares) es bastante superior a la unidad. En el caso de los Estados Unidos, con una renta por persona de bastante más de 2.000 dólares, es inferior a la unidad en la mayor parte de las catogorías.9

9 FAO, World demand for papar to 1975, Roma, 1960.

Este descenso en la elasticidad a medida que la renta aumenta se aplica tanto a cada una de las principales categorías de papel y cartón como a ambos productos considerados en conjunto. Pero el descenso no es uniforme. Así, a niveles de renta bajos comprendidos entre 50 y 150 dólares por persona, la elasticidad de las clases de papel destinadas a fines culturales (papel para periódicos, papel de imprenta y papel de escribir) es algo mayor que la de papeles industriales (otras clases de papel y cartón). A un nivel comprendido entre los 200 y los 250 dólares por persona, la elasticidad es aproximadamente igual, o sea, algo inferior a 2. A niveles de renta más altos, de 800 dólares o más, la elasticidad del papel industrial es mucho mayor que la de los papeles para fines educativos. Estos datos llevan a la conclusión de que es de esperar una notable expansión en la demanda de papel y sus productos en los países menos desarrollados, expansión mucho más rápida, dados índices iguales de aumento de la renta que en los países más adelantados.

En el curso del pasado decenio se ha registrado, en efecto, un pronunciado aumento en el consumo de papel y cartón por persona en el mundo subdesarrollado, como ponen de manifiesto las cifras que figuran en el cuadro siguiente:

CUADRO 4. - CAMBIOS EN EL CONSUMO DE PAPEL Y CARTÓN POR PERSONA, 1946-48 A 1957-59



1946-48

1957-59

Aumento porcentual


Kilogramos por persona

Zonas desarrolladas

38,6

62,9

63

Zonas menos desarrolladas

1,49

2,85

91

Teniendo en cuenta las citadas elasticidades en función de la demanda, quizá se considere sorprendente que el progreso relativo conseguido en las zonas menos desarrolladas no haya sido más pronunciado. Debe recordarse, sin embargo, que en el decenio que va de 1950 a 1959, el índice de aumento de renta por persona en las regiones menos desarrolladas quedó considerablemente rezagado respecto del registrado en las zonas mis adelantadas.

Sin embargo, cuando pasamos a los demás productos forestales principales resulta mucho más difícil pronunciarse con certidumbre sobre las tendencias de la demanda.

Factores distintos de los ingresos influyen poderosamente en la demanda de madera aserrada y de materiales laminados a base de madera. La demanda de todos estos productos es en proporción abrumadora de carácter derivado. En muchos de los usos finales en que se emplean, estos productos son intercambiables en alto grado. Así, en muchas aplicaciones, los tableros contrachapados, los de fibra o los de partículas, constituyen todos soluciones técnicamente factibles, y el material que se adopte dependerá de los precios relativos. Además, todos ellos pueden sustituir, y durante los pasados decenios han sustituído en grado considerable, a la madera aserrada en una amplia gama de aplicaciones finales. Por último, existe una elevada elasticidad de sustitución en muchos campos de utilización entre todos los productos del sector de las industrias forestales y los productos de los demás sectores de la economía, por ejemplo, ladrillos, cemento, acero para la construcción, metales y plásticos en muebles y embalajes, etc. Estas consideraciones tienden a restar gran parte de su importancia empírica al concepto de elasticidad de la demanda en función de la renta, toda vez que los coeficientes que pueden estimarse a base del análisis de series cronológicas o del análisis comparativo encubren los efectos que sobre la demanda ejercen los demás factores que se han mencionado.

De todo lo dicho resulta manifiesto que la tendencia de la demanda de estos productos dependerá mayormente de la relación que exista entre sus respectivos precios, de un lado, y entre éstos y los precios de los productos de otros sectores. Sin embargo, las relaciones sencillas de precios no aportan una orientación clara, toda vez que el progreso técnico - que siempre tiende a economizar material por lo que se refiere tanto a la madera como a los productos que con ella entablan competencia - puede modificar considerablemente la repercusión de los movimientos relativos de precios.

La evaluación de los datos de que se dispone 10 lleva a la conclusión de que, considerando en conjunto la madera aserrada y los tableros a base de madera, la demanda aumenta efectivamente con la renta y, cuando el nivel de ésta es bajo, se eleva a un ritmo igual o mayor que el del aumento en la renta.

10 Sobre todo las detalladas encuestas llevadas a cabo recientemente en Uganda, Kenia, Tanganyika y Ghana, por Primgle, Arnold, de Backer y von Maydell.

Así, pues, por lo que respecta a la madera aserrada y a los tableros a base de madera, al igual que al papel y el cartón, el desenvolvimiento económico llevará consigo necesidades rápidamente crecientes en los países de renta actualmente baja.

NECESIDADES FUTURAS Y POSIBILIDADES ALTERNATIVAS DE ABASTECIMIENTO

Recientemente se han preparado estimaciones de las necesidades de productos forestales en las regiones subdesarrolladas del mundo hacia 1970. Tales estimaciones se basan principalmente en estudios regionales sobre recursos y necesidades de madera actualmente en vías de realización o recientemente ultimados por la FAO en colaboración con las Comisiones Económicas Regionales de las Naciones Unidas.

Para 1970 se prevé un aumento muy considerable en las necesidades de madera industrial de todas las regiones subdesarrolladas (Cuadro 5). Este aumento va del 56 por ciento en América Latina al 83 por ciento en Asia. Para las zonas menos desarrolladas en conjunto, el aumento es del 72 por ciento.

CUADRO 5. - PRODUCTOS FORESTALES: CONSUMO RECIENTE Y NECESIDADES ESTIMADAS PARA 1970 EN REGIONES SUBDESARROLLADAS, EN SU EQUIVALENTE EN MADERA ROLLIZA

Por tanto, en el actual decenio necesitarán estas regiones 32 millones adicionales de metros cúbicos de madera aserrada, 8,6 millones de toneladas de papel y cartón y 8 millones de metros cúbicos (equivalente en madera rolliza) de tableros contrachapados, tableros de fibra y tableros de partículas. Estas estimaciones se aplican al problema de la inversión en el sector de los montes y los productos forestales, ya que ponen de manifiesto la demanda con que podría contar una mayor capacidad productiva o bien el costo, expresado en divisas, de no ampliar la capacidad productiva a un ritmo suficiente para atender la demanda adicional.

En el (Cuadro 6 se establece una estimación provisional de estos costes basándose en distintas hipótesis. Las hipótesis A y B representan dos casos extremos: en la primera se supone que la capacidad productiva no aumentará en absoluto, de modo que a todo el consumo adicional se atenderá mediante importaciones; en la segunda, que la producción se ampliará en una cuantía que baste para atender por completo a la intensificación del consumo (esto es, sin alterar las importaciones netas). Ambas hipótesis son bastante irreales, pero ofrecen interés por cuanto demuestran que el costo de capital de ampliar la capacidad productiva (hipótesis B) y, por tanto, de asegurar un caudal constante de producción, no es mucho mayor que el de importar la cantidad adicional necesaria de producto en un año.

RESUMEN

Se pueden ya extraer algunas conclusiones acerca del «sector de la demanda» de productos forestales en lo que respecta a las zonas menos desarrolladas.

CUADRO 6. - DISTINTAS PERSPECTIVAS DE LA OFERTA PARA ATENDER MAYORES NECESIDADES DE PRODUCTOS FORESTALES

a) A los productos forestales corresponde, en el total mundial, una parte muy considerable de la producción y de la mano de obra industriales.

b) El consumo, sin embargo, se distribuye de un modo muy poco uniforme entre las regiones adelantadas y las insuficientemente desarrolladas, siendo extraordinariamente bajo el consumo por persona en estas últimas.

c) La expansión del sector de los productos forestales está íntimamente relacionada con la expansión industrial general y con el aumento de la renta, tanto en virtud de las relaciones tecnológicas entre unas y otras industrias como entre las que existen entre la renta y la demanda: las primeras se representan mediante tablas factores de producción-producto en forma de un elevado grado de carácter indirecto del sector; la segunda se manifiesta en forma de elevados coeficientes de elasticidades de la demanda en función de la renta. Estas relaciones hacen ver que si la expansión de la demanda de productos forestales puede considerarse efecto del aumento de la renta, en cambio la expansión de la oferta de productos forestales, debido a sus vínculos con otros sectores en apoyo de éstos, puede constituir un estimulo para la expansión de tales sectores.

d) La parte que corresponde a las zonas subdesarrolladas en la producción total es menor incluso que la que les corresponde en el consumo total, es decir, que su capacidad de producción no basta ni siquiera para subvenir a sus necesidades, ya de por si tan modestas. Por consiguiente, importan cuantiosas cantidades de productos manufacturados, aunque son exportadores netos de materias primas (trozas para aserrar y para chapas).

e) La situación neta del comercio en punto a valor es todavía más desfavorable. Los costos de transporte de la materia prima exportada son elevadísimos, siendo bastante altos en el caso de los productos importados, pero los beneficios allegados por el transporte rara vez los perciben las zonas subdesarrolladas, ya que éstas no poseen flotas mercantes importantes. En cambio, el precio f.o.b. de los productos importados es mucho mayor que el de la materia prima exportada, ya que comprende todo el valor agregado en la fabricación.

f) Las perspectivas futuras de las zonas menos desarrolladas no son más brillantes por lo que respecta a su comercio neto. La elasticidad de la demanda en función de la renta es elevadísima, no sólo por lo que atañe: al papel y derivados, sino también, aunque en menor medida, en lo que respecta a los productos de la madera. Aunque el ritmo de expansión de la capacidad productiva prosiguiera como en años recientes, el déficit neto aumentarla en medida muy importante hacia 1970, aumentando considerablemente la ya gravosa carga que pesa sobre dichas zonas por lo que se refiere a las divisas. Sólo si se hace algo más puede reducirse tal carga. El problema económico consiste en determinar qué costo es mayor relativamente a los beneficios: el de efectuar inversiones en el sector o el de pagar el aumento de importaciones.

Este problema se estudiará en las secciones siguientes, pero hay dos puntos que deben mencionarse ahora. En primer lugar, el problema de la comparación de costos y beneficios es económico y no financiero; todos los beneficios, sean directos o indirectos, a corto o a largo plazo, deben examinarse y sopesarse comparándolos con los costos a que ha de hacer frente la comunidad, esto es, los costos sociales.

En segundo lugar, al problema no cabe aplicar una fórmula estereotipada a base de la doctrina tradicional del comercio y la especialización internacionales. Una teoría estática no puede explicar los fenómenos dinámicos, ni justificar el resultado de pasadas tendencias, como la concentración de las industrias forestales (o, por lo demás, de cualesquiera otras industrias) en zonas más adelantadas. La teoría tradicional del comercio internacional da por sentada la localización de las industrias, pero no puede explicar la razón de tal localización: se basa en una distribución dada de los aspectos económicos externos y es válida dentro de sus propios limites, pero no cabe aprovecharla para determinar que tal distribución sea la óptima o que no puede ni debe modificarse. Son contadísimas las ventajas realmente naturales en el sentido de que a la larga no pueden crearse en alguna medida. En el caso de los productos forestales, el elemento natural en que se basa la actual estructura de la industria forestal podría constituirlo la distribución de las coníferas, pero éste a su vez depende de la situación privilegiada de las coníferas, situación que el progreso técnico, sobre todo si se orientara conscientemente, podría socavar, para no hablar del hecho de que la actual distribución de las coníferas también podría modificarse. De todos modos, todos los argumentos en favor de mantener el status que, que se basan en la teoría de la especialización internacional, sólo son válidos cuando se desatienden las ventajas a largo plazo, en cuanto a acumulación y reinversión y las sociales, en función de los aspectos económicos externos, esto es, que sólo son válidos cuando se aplican a un contexto o estado de cosas estático, pero ya no se aplican en modo alguno cuando se trata precisamente de crear esas ventajas a fin de modificar el status que.

Característica de las industrias forestales

ESTRUCTURA GLOBAL

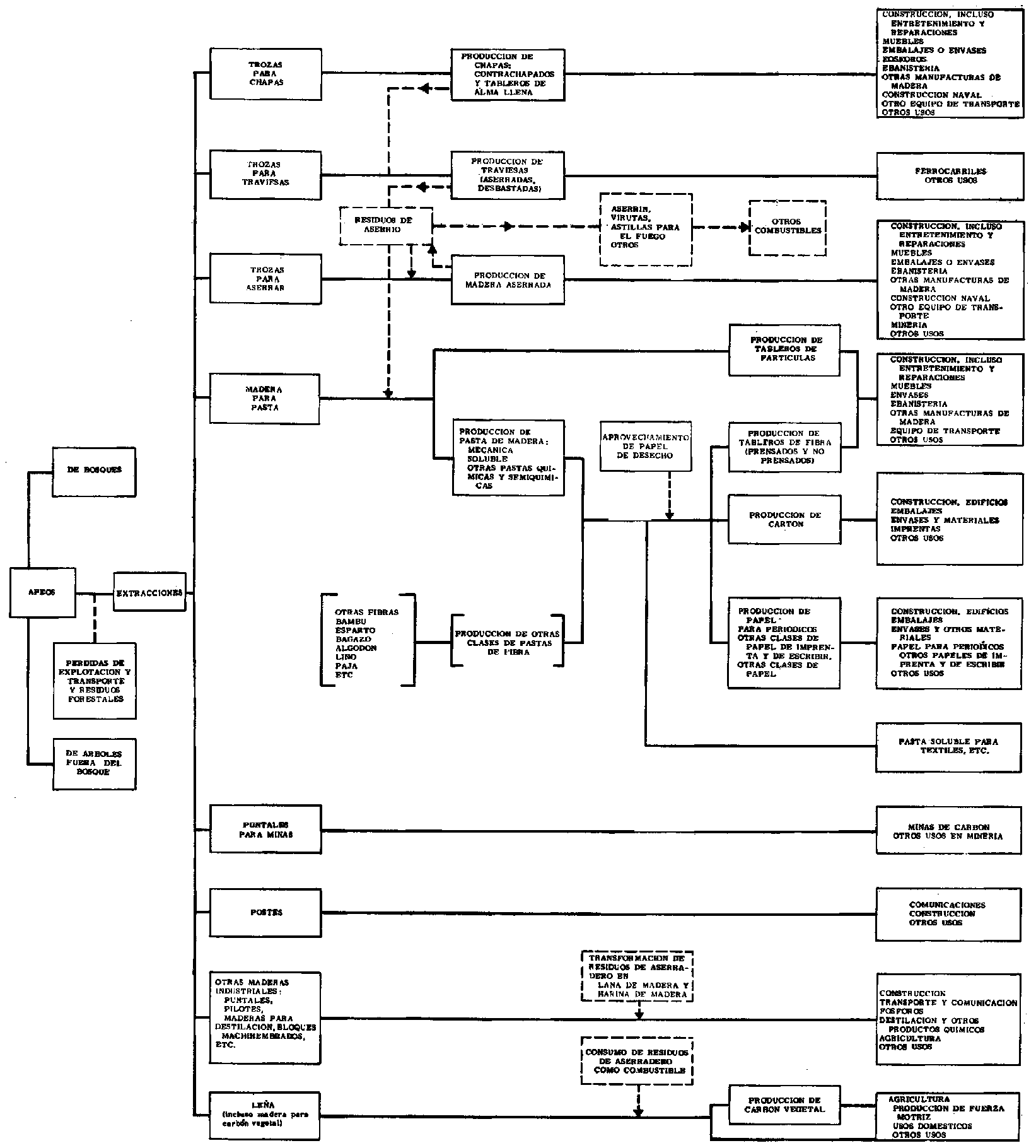
El diagrama simplificado de los productos forestales que figura en la Gráfica 1 muestra esquemáticamente el lugar que ocupan las industrias forestales primarias con relación al monte, por una parte, y con respecto a otros sectores económicos (incluso el consumo final), por otra. Hace resaltar asimismo algunas relaciones recíprocas importantes entre las industrias forestales, cuya demanda de materias primas es de naturaleza mayormente complementaria, pero en parte competidora, y cuyos productos son también intercambiables hasta cierto punto y, por tanto, competidores, pero que asimismo se complementan entre sí en no pocos aspectos subviniendo a las necesidades de otros sectores y de los consumidores finales.

GRÁFICA 1. - Diagrama de los productos forestales

CUADRO 7. - COMPARACIÓN ENTRE LAS INDUSTRIAS FORESTALES PRIMARIAS DEL MUNDO (1960)

El Cuadro 7 permite formarse una idea general de la importancia relativa de las principales industrias forestales primarias.

Los contrastes que presentan los cuatro grupos principales se desprenden claramente comparando algunas de las relaciones que entre ellos se establecen (Cuadro 8).

CUADRO 8. - ALGUNAS RELACIONES QUE PRESENTAN LAS INDUSTRIAS FORESTALES PRIMARIAS DEL MUNDO (1960)

Industria forestal


Valor bruto de la producción por unidad de materia prima

Inversión por persona empleada

Inversión por unidad de materia prima

Personal empleado por unidad de materia prima

Dólares por metro cúbico
(rolliza)

Millares de dólares

Dólares por metro cúbico
(rolliza)

Número
por 1,000 metros cúbicos
(rolliza)

Aserrío

27

2,6

15

5,7

Pasta y papel

57

23,8

-151

6,4

Contrachapados

40

4,2

45

10,5

Otras clases de tableros

57

9,3

74

8,0

La industria de la pasta y el papel, seguida por la de los tableros, tiene una necesidad bastante mayor de capital que la fabricación de contrachapados o la de aserrío Además, es la que rinde el mayor producto bruto por unidad de materia prima. Como las industrias de la pasta y el papel y de los tableros operan sirviéndose principalmente de maderas de pequeñas dimensiones, no emplean maderas de gran valor y en realidad van aprovechando en medida cada vez mayor residuos de madera, procedentes tanto de otras industrias forestales como de las operaciones de explotación de montes, su predominio sobre las industrias de fabricación de contrachapados y de aserrío, expresado en valor agregado por unidad de materia prima, es todavía más pronunciado de lo que se desprende del referido cuadro.

Sin embargo, estos totales y promedios encubren grandes diferencias en la escala de las operaciones (y en las necesidades de factores) dentro de cada grupo principal, como no tardaremos en ver cuando procedamos a examinar algunas de las principales características de cada grupo industrial. Primero, sin embargo, debemos hacer notar que de estos cuadros se han omitido una serie de industrias forestales primarias de menor consideración: otras industrias dedicadas a la transformación de la madera, como la fabricación de carbón vegetal, lana de madera y destilación de la madera; e industrias que se ocupan de la extracción y refinación de sustancias curtientes, resinas, lacas, aceites, etc. Por tanto, el personal total empleado en las industrias forestales primarias de transformación de la madera se aproxima mucho a los 6 millones, número que aproximadamente corresponde al empleado en las industrias forestales secundarias: mueblistería, envases, cajerío, fósforos y otras industrias de labra de la madera, así como distintas industrias dedicadas a la conversión del papel.

LA INDUSTRIA DEL ASERRÍO

En la industria del aserrío, el tamaño de la empresa va desde los pequeños aserraderos (con frecuencia móviles) montados en los montes que producen unos cuantos metros cúbicos diarios para las necesidades locales, a las serrerías sumamente mecanizadas de una capacidad anual de varios centenares de miles de metros cúbicos, que producen para la exportación o atienden a grandes centros de consumo. Todos tienen su lugar el tamaño y la localización óptimos sólo pueden determinarse teniendo en cuenta el conjunto que forman el abastecimiento de materias primas, los mercados a que se atiende y las comunicaciones entre uno y otros. Estas últimas revisten gran importancia en la determinación del emplazamiento, considerando la gran medida en que los costos de transporte gravan la materia prima entregada en el aserradero y el producto acabado entregado al mercado. El valor agregado en la elaboración es pequeño y las economías de escala en la instalación del aserradero no tienen importancia decisiva.

Típicamente, el costo de las trozas entregadas en el aserradero representa del 50 al 70 por ciento de los costos de producción de éste. Por esta razón y por la necesidad de mantener existencias suficientes de trozas para asegurar un funcionamiento continuo y de madera aserrada elaborada para atender las necesidades de los clientes, el capital de explotación necesario es cuantioso, equivaliendo con frecuencia a la inversión fija.

Las necesidades de mano de obra fluctúan dentro de límites amplísimos, según el tipo de material aserrado del grado de mecanización y, por supuesto, del rendimiento de las operaciones. Para producir 1 metro cúbico de madera blanda aserrada en un aserradero de una capacidad anual de 10.000 a 15.000 metros cúbicos en un país europeo menos desarrollado hacen falta de 10 a 14 horas-hombre de trabajo; en un aserradero mayor, de 20.000 a 35.000 metros cúbicos de capacidad anual, sólo se requieren de 7 a 10 horas-hombre de trabajo. Cuanto más homogéneo sea el suministro de trozas, tanto mayores serán las posibilidades de mecanización y de ahorro de mano de obra. De aquí que la productividad del trabajo (medida por la producción por hora o año de trabajo) sea normalmente mucho mayor en los aserraderos de maderas blandas que en los que trabajan en maderas duras. En las regiones en que predominan los bosques de coníferas - América del Norte, la U.R.S.S. y el norte de Europa -, las maderas blandas comprenden del 85 al 95 por ciento de la materia prima para el aserrío, frente al 10-40 por ciento en Asia, América del Sur y Africa.

El comercio internacional de trozas de coníferas para aserrío sólo se eleva a un tercio del correspondiente a las trozas de frondosas; una parte mucho menor del comercio es intercontinental. El comercio inter-regional de trozas de frondosas para aserrío está compuesto principalmente por maderas tropicales. Es manifiesto que reportaría ventajas a los países en desarrollo el que fuera posible elaborar una proporción mayor de sus maderas tropicales antes de exportarlas. En efecto varios países han adoptado con éxito medidas para favorecer las exportaciones de su madera ya aserrada en vez de en rollo. Sin embargo, lo que puede conseguirse a este respecto tiene sus límites, ya que los factores técnicos, quizá en no menor medida que los políticos, han determinado el modo en que este comercio se ha ido desarrollando históricamente.

El comercio internacional de frondosas tropicales comprende muy distintas maderas de construcción, pero está integrado principalmente por maderas de gran valor que se destinan a muebles, etc. En el pasado, muchos países en desarrollo (v. gr. de Africa Occidental y América Central) han conseguido exportar considerables cantidades de trozas de maderas duras y a veces también de maderas duras aserradas, mientras el mercado interior absorbía muy poca madera aserrada o ninguna en absoluto. En la actualidad van empezando a ampliarse los mercados interiores para la madera aserrada. Si se despliegan esfuerzos para encontrar mercados locales para las especies secundarias (quizá después de tratadas) y para las calidades inferiores a las de exportación de las especies más conocidas, puede reducirse el costo de las operaciones forestales, fortalecer la capacidad de exportación y tal vez, en algunos casos, abrir el camino para ampliar el volumen de elaboración antes de exportar. Al hacer los países en desarrollo mayor hincapié en programas elaborados por un órgano central, v. gr. para viviendas, construcción de escuelas, etc., se brindan nuevas oportunidades para desplegar una actuación positiva en este sentido.

Una gran parte de la materia prima que entra en el aserradero, parte que oscila entre el 25 y el 50 por ciento -y que quizá arroje un promedio del 40 por ciento por lo que se refiere a todo el mundo, sale del proceso en forma de costeros, cantos y aserrín. Este material, que en otro tiempo se desperdiciaba, puede hoy aprovecharse en su casi totalidad para fines industriales si en las inmediaciones existen industrias forestales adecuadas que lo aprovechen. Los costeros y cantos pueden trocearse para fabricar pasta o cartón e incluso el aserrín y las virutas de los talleres de acepillado pueden utilizarse en otras industrias -de elaboración de la madera. La posibilidad de aprovechar los despojos de aserradero ha modificado ya considerablemente el aspecto económico del aserrío en las zonas desarrolladas del mundo, y en muchos casos ha favorecido la integración de las industrias forestales.

Hasta la fecha, los países en desarrollo casi no se han percatado de estas posibilidades. Pero si en la mayoría de estos países no ha llegado aún el momento de crear consorcios gigantes de industrias forestales integradas, son contados aquellos en que aún no sea posible establecer con éxito una o más pequeñas industrias que funcionen en todo o en parte con despojos de aserradero para fabricar tableros de partículas o tableros compuestos a base de madera o bloques para la construcción. Por otra parte, cuando se proyecta montar un nuevo aserradero, la posibilidad de que desde el primer momento quede asociado con una empresa de esta naturaleza puede aumentar sus posibles ingresos financieros y su evaluación social.

El aserrío constituye por lo común la primera industria forestal que debe establecerse. No requiere un alto grado de pericia técnica por parte de la mano de obra, sino únicamente por parte de unos cuantos técnicos que al efecto ocupan una posición clave. Es mucho más flexible en punto a localización, dimensiones de la instalación y a producto acabado que cualquiera de las demás industrias forestales primarias. Si la demanda de exportaciones es buena, la industria puede centrarse en la producción de alta calidad de madera a las dimensiones que exija el mercado de ultramar, destinando la producción inferior a la normal reaserrada a atender el mercado local. Si la demanda de exportación se interrumpiera o impusiera distintas especificaciones, la industria puede adaptarse rápidamente al cambio experimentado por las condiciones.

LA INDUSTRIA DE EA PASTA Y EL PAPEL

Segunda entre las industrias primarias en punto a necesidades de materia prima y valor de la producción, pero la más importante con mucho en capital invertido la industria de la pasta y el papel se ha desarrollado rápidamente en los últimos años. Durante el decenio de 1950 a 1959, la producción mundial de pasta ascendió de 34 a 59 millones de toneladas, y la de papel, de 43 a 74.

Esta industria está mucho más localizada que la industria del aserrío, debido principalmente a que, si bien los costos de la madera representan la principal partida de los -costos totales de producción y es esencial disponer de una fuente de abastecimiento económico de madera, otros materiales de elaboración y -factores de producción revisten importancia considerable.11 La estructura de los costos de producción varia considerablemente con el proceso empleado, las dimensiones de la instalación y el emplazamiento y según el proceso sea integrado (pasta y papel) o no. Algunas de las principales características pueden deducirse del Cuadro 9.

11 Huelga advertir que la producción de papel no integrada que se desenvuelve a base de pulpa comprada, y la producción que se sirva en grado considerable de papel de desecho o de fibras distintas de la madera no están supeditadas al abastecimiento de ésta.

CUADRO 9. - IMPORTANCIA RELATIVA DISTINTOS COSTOS EN LAPRODUCCIÓN DE PASTA Y PAPEL

Aunque el costo de la madera todavía representa de una tercera parte a una mitad de los costos totales de producción, se observará, primero, que el desembolso de capital es elevado; segundo, que los productos químicos para la elaboración adquieren una importancia considerable, sobre todo por lo que respecta a las calidades o clases blanqueadas; tercero, que la fuerza motriz, el vapor y el agua representan un elemento muy importante y, por último, que los gastos de mano de obra son relativamente reducidos.

Es evidente que el costo de la madera ejerce una influencia importante - si bien no predominante, como en la industria del aserrío - en los costos totales. Los costos de la madera que figuran en el Cuadro 9 se refieren a madera entregada en fábrica; la mano de obra representa el principal elemento de este costo. Así, aunque la operación fabril misma no requiere grandes efectivos de mano de obra, las operaciones forestales de extracción con ella relacionadas si los exigen. Las necesidades de inversión de esta industria son sin duda cuantiosas. Las necesidades características (inversión fija en la fábrica solamente, con excepción del capital de explotación y de toda inversión necesaria en la infraestructura) para fábricas de tamaño medio de 100 toneladas diarias de capacidad (30.000 toneladas al año) en un país subdesarrollado oscilan entre 12 y más de 20 millones ´de dólares, según el emplazamiento, el procedimiento seguido y el programa de producción.

Más de la mitad de estas inversiones están compuestas por equipo, sueldos de ingenieros, etc., que en un país subdesarrollado exigen normalmente el desembolso de divisas. En cambio, el periodo de amortización (producción anual brutá dividida por inversión total) no es elevado, fluctuando entre un año y medio y tres años.

Sin embargo, el proceso tecnológico entraña una serie de «indivisibilidades» que contribuyen a lograr considerables economías de escala. Estas son particularmente pronunciadas en el caso del papel para periódicos y de la pasta y papel kraft. El cuadro 10 indica en términos generales la variación de los costos de capital según el tamaño de la fábrica para algunas empresas típicas.

CUADRO 10. - INFLUENCIA DEL TIPO Y TAMAÑO DE LAS FÁBRICAS DE PASTA Y PAPEL EN LA INVERSIÓN FIJA

Tipo de fábrica



Capacidad diaria, toneladas métricas

25

50

100

200

Inversión fija en miles de
dólares por tonelada diaria

No INTEGRADA

 

Pasta química no blanqueada

235

175

135

105

Pasta química blanqueada

325

240

190

150

INTEGRADA

 

Papel no blanqueado

300

230

180

140

Papel blanqueado

390

295

235

185

FUENTE: Report of FAO/ECAFE conference on pulp and paper development prospects in Asia and the Far East, Tokio, 1960.

Es evidente que, dada la gran repercusión de los gastos fijos sobre los costos de producción, una fábrica pequeña ha de gozar de ventajas compensadoras para poder competir bien con una rival de mayores proporciones.

Las necesidades de energía eléctrica son también altas, oscilando normalmente entre 350-550 kilovatios hora por tonelada de pasta al sulfito blanqueada y 1.700-2.000 kilovatios hora por tonelada de papel para periódicos. De aquí la importancia de contar con una fuente de energía barata, sobre todo si se trata de pasta mecánica y papel para periódicos. Inversamente, en su calidad de gran consumidora industrial, esta industria puede asegurar la necesaria aplicación a las ampliaciones del potencial de energía influyendo así en la posibilidad de ejecución de obras hidráulicas proyectadas.

Las necesidades de agua dulce para la fabricación de pasta y papel son bastante grandes, sobre todo tratándose de las clases blanqueadas de pasta química y de ciertos papeles especiales. Necesidades características (en metros cúbicos de agua por tonelada de pasta o papel) son: madera triturada, 50; pasta al sulfito no blanqueada, 300; pasta al sulfito blanqueada, 450; pasta soluble, 600; papel para periódicos (integrado con madera triturada), 100; papel kraft (integrado con pasta), 400; cartón (integrado con conversión de paja y desechos de papel), 400; y papel para cigarrillos, hasta 1.000. Una fábrica integrada de papel de una producción diaria de 100 toneladas consume unos 40.000 metros cúbicos de agua, lo que equivale a las necesidades de una ciudad de unos 150.000 habitantes, en Finlandia las industrias de productos forestales absorben un 80 por ciento de todo el consumo de agua.12

12 TÖTTERMAN HARVARD. Die Wasserfragen der Finnischen Zellstoff und Papierindustrie. Paperi ja Puu, 43, (4) 1961.

Para la producción de pasta química se necesitan considerables cantidades de productos químicos tanto para la cocción como para el blanqueo. Así por cada 1.000 toneladas de pasta blanqueada producida se consumen de 200 a 500 toneladas de productos químicos. Esto permite apreciar la importancia, por lo que se refiere a las fábricas de pasta química, de tener acceso cómodo a las materias básicas: sal y piedra caliza.

El acarreo de grandes cantidades de materias primas a la fábrica y la expedición del producto acabado, da lugar a un considerable problema de transporte. Así en el caso de una fábrica de 100 toneladas diarias dé capacidad, el tonelaje diario de transporte puede arrojar un promedio que oscila entre las 500 y las 1.000 toneladas, rebasando considerablemente estas cifras en los períodos de gran intensificación de las actividades. Así, no sólo es forzosa una buena organización de transporte, sino que quizá haga falta efectuar cuantiosos gastos en medios de transporte, carreteras, ferrocarriles, puertos, camiones, etc. Este punto sirve también para subrayar la íntima relación que existe entre el fomento de la industria de la pasta y el papel y el desarrollo general de la infraestructura.

La falta de espacio nos impide examinar detenidamente los procedimientos de conversión en pasta que se conocen, y los materiales fibrosos a: que cada uno de éstos se adapta especialmente. Baste mencionar aquí que, si bien la mayor parte de la pasta y del papel que se consume en el mundo todavía se fabrica a base de las especies coníferas tradicionales, son muy pocas las maderas, sean de coníferas o de frondosas, que no puedan hoy convertirse en pasta por uno y otro de los procedimientos conocidos, existiendo además métodos que se prestan para una amplia variedad de materiales no leñosos, incluso bambú, esparto y otras gramíneas, paja de cereales y bagazo (desechos de caña de azúcar). Debe añadirse, además, que una de las fuentes más baratas de fibra para la fabricación de papel lo constituyen los desperdicios de papel, que pueden sustituir a la fibra fresca en una medida considerable en muchas calidades, y totalmente en algunas clases de cartón. Así, en Europa Occidental, una proporción que no es inferior al 25 por ciento del papel que se consume se recupera para volver a fabricarlo, y a los desperdicios de papel corresponde el 36 por ciento de los suministros de fibra para calidades de papel distintas del papel para periódicos y del papel kraft. El costo de los desperdicios de papel se compone en su mayor parte de los correspondientes a recogida y clasificación; por tanto, cuanto mayor y más concentrado sea el consumo de papel, tanto más baratos resultarán los desperdicios de papel como materia prima. Al ir intensificándose rápidamente el consumo en los países en desarrollo, las posibilidades de aprovechar desperdicios de papel van aumentando y son muchísimos los países que podrían ya mantener una producción de cartón pequeña pero económica a base de este material.

Aunque las necesidades de mano de obra para la fabricación de pasta y papel son modestas, una proporción bastante elevada, que va del 35 al 45 por ciento ha de componerse de obreros especializados. De aquï la necesidad de planes para la capacitación intensiva en fábricas cuando se acometen nuevos proyectos en países en vías de desarrollo.

La exposición hecha hasta ahora de algunas de las características de la industria de la pasta y el papel puede haber provocado la impresión de que no hay margen para las empresas pequeñas, para fábricas de una capacidad de 5 a 10 toneladas diarias, por ejemplo. No hay tal cosa. Incluso en los países industrializados, las pequeñas fábricas suelen representar el 80 por ciento del total, si bien sólo les corresponde de un 10 a un 25 por ciento de la producción total de papel y cartón. Figuran entre ellas las que fabrican papeles especiales,13 como papeles para cigarillos, artículos de electricidad y papel moneda, que casi en todas partes se producen en pequeñas unidades. Pero comprenden muchas más fábricas (por lo común no integradas) que fabrican cartón de paja, papeles higiénicos y otras clases de papel y cartón para el consumo local. Las pequeñas empresas presentan los siguientes aspectos favorables: aprovechamiento de materias primas fibrosas locales y gastos de transporte reducidos; venta local con gastos de distribución bajos y fácil adaptación a las necesidades del mercado local adaptación a un limitado suministro de agua; menores necesidades de personal técnico y especializado, necesidades de capital relativamente pequeñas (si bien esto no se aplica forzosamente a determinados papeles especiales de gran calidad); empleo de maquinaria de fabricación local; dispersión geográfica de las oportunidades de empleo. No es forzoso, por otra parte, que la calidad sufra en las pequeñas empresas.

13 Cuya demanda es probable que sea muy prequeña en los países que se encuentran en las primeras fases de industrialización

Así, aunque evidentemente resultaría una política equivocada planificar el desarrollo a largo plazo de la industria de la pasta y del papel a base principalmente de las fábricas pequeñas, éstas pueden desempeñar a veces una función importante en las primeras etapas de la industria.

TABLEROS CONTRACHAPADOS, TABLEROS DE FIBRA Y TABLEROS DE PARTÍCULA

Tableros contrachapados

La producción mundial de tableros contrachapados, que en 1938 sumó unos 3 millones de metros cúbicos, asciende en la actualidad a más de 15 millones de metros cúbicos, habiéndose duplicado con creces durante el pasado decenio. Se ha registrado una gran expansión o aumento en el empleo de tableros de maderas duras con fines decorativos (entrepaños, puertas, tablas para mesas, etc.) y de contrachapados de madera blanda de clase utilitaria con fines de construcción. Tal expansión ha ido unida mayormente a la evolución técnica (majoramiento de las colas, tratamientos superficiales, nuevos productos) con la favorable tendencia de precios de los contrachapados respecto de la madera aserrada y con las aplicaciones de contrachapados en la industria de la construcción que llevan consigo economías de mano de obra.

El factor más importante en el emplazamiento de las fábricas de contrachapado lo constituye la disponibilidad de trozas de buena forma y de diámetro grande, sea de especies indígenas o importadas, aptas para el desenrollado o el rebanado. Gran parte de la industria que se ha montado en Europa y en el Japón se basa en maderas de frondosas tropicales importadas. Al hacerse cada vez más escasas las trozas de tamaño conveniente para chapas, el progreso técnico de la industria se ha centrado en el aprovechamiento de trozas de diámetro menor y de material de calidad inferior (v. gr. eliminando defectos, reparándolos con piezas encoladas y reduciendo el tamaño del corazón). El coeficiente de transformación en la fabricación de contrachapados es bastante bajo, ascendiendo las pérdidas por conversión al 50-70 por ciento (40-60 por ciento en la fabricación de chapas). Frecuentemente, la totalidad o parte de estos residuos se emplean como combustibles para vapor y energía que se necesitan en la instalación de prensas calientes, secadoras, etc. Pero si se les puede dar salida comercial, esta circunstancia puede ejercer influencia decisiva en los aspectos económicos de la empresa. La fabricación de tableros enlistonados o entablillados constituye en su mayor parte una rama de la industria de contrachapados. Se registra asimismo una notable tendencia a integrar las industrias de contrachapados y de tableros de partículas, no sólo porque esta última emplea los residuos de la primera, sino también porque muchos tableros de partículas van revestidos de chapas y porque las dos industrias sirven a los mismos sectores de consumo (construcción y mueblisteria).

El costo de la materia prima constituida por la madera representa del 30 al 50 por ciento de los gastos totales de fabricación, siendo los demás materiales importantes los adhesivos (resinas, caseína, albúmina de la sangre, soja, etc.) que se necesitan en proporción de 25 a 35 kilogramos por metro cúbico de contrachapado. Con la creciente importancia de los contrachapados impermeables y resistentes a la humedad, ha aumentado rápidamente el consumo de urea y de resinas fenólicas.

Los costos de inversión, si bien más altos que en la industria del aserrío, son mucho menores que en la fabricación de pasta y papel: unos 1(30-200 dólares por metro cúbico de capacidad anual. Las economías escalares son menos pronunciadas que en el caso de la pasta y el papel; se refieren principalmente a la energía y las prensas. Sólo las fábricas que funcionan con grandes cantidades de material homogéneo (v. gr. contrachapados de abeto Douglas) y que fabrican calidades normalizadas pueden introducir provechosamente en gran medida la manipulación mecánica y un cierto control automático.

Las necesidades de mano de obra por metro cúbico de producción varían muy considerablemente según el grado de mecanización, el tamaño de las trozas el espesor medio de las chapas, la necesidad de reparación de defectos, etc. En los países menos desarrollados pueden requerirse más de 10 horas-hombre de trabajo por metro cúbico si las circunstancias favorecen en gran medida las operaciones manuales. La proporción de personal especializado necesario puede oscilar entre el 20 y el 35 por ciento.

Todo lo dicho en la sección sobre aserrío acerca de las oportunidades que se dan en los países en desarrollo para acometer un mayor grado de elaboración del producto antes de exportarlo se aplica también e la fabricación de contrachapados. Quizá sea útil notar aquí una reciente tendencia hacia el establecimiento de fábricas no integradas de chapas, dedicadas a la fabricación de chapas verdes o más secas, para alimentar instalaciones o fábricas locales o ultramarinas de contrachapados equipadas simplemente con una prensa o con una secadora y una prensa. Tales fábricas de chapas requieren poca inversión y pueden trabajar con un suministro limitado de trozas. El envío de chapas ahorra peso y espacio en comparación con el de trozas.

Los tableros de alma llena, los tableros laminados, etc., se incluyen en la gran categoría de contrachapados y el volumen de producción de estos artículos ha aumentado paralelamente con la producción de tableros de partículas. Los tableros de alma llena pueden fabricarse casi a mano con muy poco equipo. Presentan considerable interés para muchos países en desarrollo, toda vez que no sólo pueden sustituir las importaciones, sino que constituyen una salida o mercado para el producto de las claras y las trozas de pequeño diámetro de plantaciones de coníferas, así como de residuos de aserradero.

Tableros de fibra

La industria de los tableros de fibra, con una producción mundial en 1960 bastante superior a los 4 millones de toneladas, presenta muchas afinidades con la industria de la pasta y del papel. Los problemas de abastecimiento de madera son análogos, como lo es la fase de la preparación de la pasta (si se siguen los procedimientos tradicionales en húmedo). Normalmente no hacen falta productos químicos para la elaboración, y los materiales de apresto y aditivos que imprimen o confieren determinadas características al producto acabado, no representan un elemento importante en los costos totales. Los de la madera pueden ascender del 20 al 40 por ciento del total, según las proporciones o el tamaño de la fábrica (aunque pueden quedar reducidos al 10 por ciento si se dispone de residuos baratos), en tanto que los gastos fijos (principalmente depreciación e interés sobre el capital de explotación) pueden suponer del 20 al 30 por ciento, dependiendo a su vez de las dimensiones de la empresa. Así, al igual que en el caso de la pasta y del papel. las economías de escala son importantes.

La inversión fija por tonelada diaria puede oscilar entre 90.000 y 100.000 dólares para una fábrica de 6.000 toneladas anuales de capacidad, y unos 30.000 dólares tratándose de una fábrica de 50.000 toneladas anuales de capacidad. De hecho, la -producción de tableros de fibra se presta menos a las operaciones en pequeña escala que varios ramos de la industria de la pasta y del papel.

Hace falta un suministro suficiente de agua dulce; las necesidades de agua son semejantes a las de la producción del papel para periódicos. Las necesidades de energía, que se cifran entre 300 y 800 kilovatios hora por tonelada de producto, son inferiores a las de papel para periódicos, pero mayores que las de pasta química. Las necesidades de mano de obra (en la fábrica) son modestas oscilando entre 12 y 40 horas-hombre por tonelada. La producción de tableros de fibra puede basarse en una amplia variedad de especies coníferas y frondosas, incluso mezclas convenientemente combinadas y se presta eminentemente para la utilización de los residuos de otras industrias forestales (incluso cortezas y aserrín). Se observa una creciente tendencia a emplear la madera sin descortezar.

En los últimos años se han inventado varios procedimientos para la fabricación por vía seca de tableros de fibra. Tales procedimientos pueden llegar a presentar interés para los países en desarrollo, toda vez que la inversión es algo menor y no hay necesidad da grandes suministros de agua dulce. Sin embargo, hacen falta resinas para la aglomeración.

Tableros de partículas

La industria de los tableros de partículas constituye esencialmente una novedad de posguerra. Durante el decenio de 1950-1959 la producción mundial aumentó de unas 15.000 toneladas a cerca de 2 millones. Igual que en el caso de los tableros de fibra, para los tableros de partículas puede emplearse una amplísima variedad de especies coníferas y frondosas, así como lino, bagazo y residuos de madera; el deseo de aprovechar éstos fue, en efecto, la razón a que se debe el desarrollo de esta industria en un principio. Esta flexibilidad en cuanto a necesidades de materias primas es la que hace que estas dos industrias de tableros presenten especial interés para los países dotados de bosques tropicales en que, con frecuencia, sólo una pequeña proporción de la madera disponible (especies y tamaños) se presta para las demás grandes industrias forestales.

La inversión en una fábrica de tamaño medio de tableros de partículas representa aproximadamente la mitad de la que exige una fábrica de tableros de fibra de tonelaje comparable. Si bien hay economías de escala las fábricas relativamente pequeñas pueden funcionar económicamente, sobre todo si trabajan con residuos disponibles en la localidad o sirven a un mercado dependiente. La capacidad media de las fábricas en 1956, en Europa, América del Norte y en todo el mundo fue de 4,2, 2,5 y 3,5 millares de toneladas respectivamente. El volumen de inversiones oscila entre 12.000 y 30.000 dólares por tonelada diaria, según el procedimiento empleado y, por tanto, del tipo de tablero producido.

El emplazamiento de las fábricas no tropieza con tantas limitaciones como en el caso de las de tableros de fibra. No hace falta agua. Las necesidades de fuerza motriz son modestas - de 100 a 300 kilovatios hora por tonelada de tablero - como lo son las necesidades de mano de obra (5-20 horas-hombre por tonelada). Una consideración clave, sin embargo, es la disponibilidad y el coste de la resina, normalmente urea o resinas fenólicas. A este material aglomerante, que representa de un 5 a un 8 por ciento del peso del tablero acabado, puede corresponder del 15 al 35 por ciento de los costos de producción, según el proceso empleado y el costo de la resina, Así, pues, con frecuencia los costos de la resina pueden rebasar el de la madera. Evidentemente, si la resina hay que importarla, esto disminuirá agudamente el valor del proyecto en punto a economías de importaciones.

INDUSTRIAS FORESTALES, DIVERSAS Y SECUNDARIAS

Además de las principales industrias forestales de que acabamos de tratar, existen otras muchas pequeñas industrias basadas en materias primas de origen forestal. Son éstas tan distintas que ninguna agrupación sencilla resulta plenamente satisfactoria con fines de clasificación.

Si bien algunas de estas pequeñas industrias son poco menos que prolongaciones de las industrias de aserrío y de las chapas, pueden establecerse separadamente, sobre todo cuando la existencia de un recurso idóneo o las necesidades de un centro de consumo lo hagan aconsejable. En algunos casos las materias primas pueden incluso importarse. La industria del torneado de la madera, incluidos los mangos para aperos de labranza y artículos para deporte, artículos para usos domésticos e industriales y carretas en calidad de productos principales, constituye un ejemplo. Otro lo representa la fabricación de bloques machihembrados en forma de madera aserrada o chapas. Las pequeñas fábricas (o unidades dentro de fábricas mayores) pueden producir tablas de ripia, lápices y bloques para pipas, destinadas con frecuencia a la exportación, cuando se dispone de las materias primas adecuadas. La fabricación de duelas y otros envases de madera y de lana de madera es complementaria de ciertas industrias exportadoras de productos alimenticios y bebidas, así como de la expedición de muchos productos manufacturados. Las necesidades de capital por unidad de madera consumida son de aproximadamente el mismo orden que las de los aserraderos menores. Sin embargo, el tamaño de las fábricas puede ser muy pequeño. Una gran parte de los costos de producción están constituidos-por la remuneración de mano de obra especializada y semi-especializada, pero este factor presenta considerables diferencias de una industria a otra. Los costos de las materias primas tienden a ser muy importantes en el total.

La destilación. química de la madera da lugar a una gran variedad de productos, los más importantes de los cuales son el carbón vegetal y el alcohol metílico de madera. Cuando se emplean maderas de coníferas se producen también varios aceites y breas. Además de los usos comunes domésticos y comerciales para condimentación y calefacción, el carbón vegetal tiene varias aplicaciones industriales importantes, como en siderurgia, la purificación de aguas y el curado del tabaco. Uno de los países en desarrollo ha procedido reciente. mente a emplear en gran escala el carbón vegetal en la fabricación de cemento Portland. Las necesidades de capital para fábricas de destilación de la madera no son excesivas. El carbón vegetal sólo puede producirse por métodos sencillos de foso que no requieren capital. Huelga advertir que en este caso se pierden los demás productos.

Varios extractos de la madera y la corteza constituyen la materia prima para diversas industrias pequeñas, pero importantes. Algunas especies de pino se prestan para la obtención de un exudado resinoso que se utiliza para fabricar, mediante un proceso de destinación trementina y colofonia. En esta industria hacen falta considerables efectivos en mano de obra y poco capital. Los árboles pueden aprovecharse para madera. Los productos de esta industria son importantes en varias industrias químicas.

La producción de taninos, materias primas importantísimas en las industrias de cueros y pieles, pueden basarse en gran número de plantas leñosas y herbáceas. Las fuentes más importantes han sido la madera del quebracho, que es común en América del Sur; la corteza del castaño, el roble y la tsuga, que son los materiales importantes en América del Norte y Europa; la corteza de mangles, común en muchos litorales tropicales, y la corteza de acacia, que ha pasado a ser un importante árbol de plantación para estos fines. Una amplia variedad de especies que se encuentran en los países en desarrollo se prestan para la producción de taninos. Los mercados de exportación han sido pobres en años recientes, pero la producción interior para industrias locales del cuero es lógica en la mayoría de los países en desarrollo.

El último grupo de industrias de que debemos tratar brevemente en estas páginas son las industrias manufactureras secundarias que emplean madera y papel, cuya materia prima la constituyen los productos de aserradero, fábricas de contrachapados y chapas, otras clases de tableros y papel. Pueden estar muy vinculadas a las fábricas que producen sus materias primas o, por el contrario, estar ampliamente descentralizadas cerca de los centros de consumo. Sus productos son sumamente variados, y abarcan literalmente todas las necesidades del consumidor desde que nace hasta que muere. Entre las más importantes industrias secundarias que emplean madera están las de fabricación de muebles, los talleres de carpintería que fabrican puertas, mareos de ventana, molduras, incluso casas prefabricadas; la construcción de lanchas, la fabricación de carrocerías de vehículos: furgonetas, carrocerías de camiones, etc. Si bien en casos frecuentes efectúan por si mismas los primeros trabajos de elaboración, las fábricas de madera torneada y envases son a veces simplemente unidades fabriles secundarias. Las fábricas que emplean papel producen asimismo gran variedad de artículos entre los que figuran los cajones de cartón ondulado, papeles carbón, bolsas y sacos de papel, envases de parafina, sobres, servilletas y cuadernos de apuntes. Consideradas como un grupo, estas industrias tienden a requerir grandes efectivos de mano de obra, exigiendo una amplia gama de obreros especializados, y emplean materias primas de costos relativamente elevados. Las necesidades de capital son por lo general de modestas a reducidas. Las fábricas suelen ser pequeñas y estar descentralizadas, pero las más mecanizadas obtienen algunas economías escalares. En no pocos casos estas industrias pueden desarrollarse en forma de unidades en grandes fincas industriales. Suelen adaptarse bien a los países en desarrollo por necesitar generalmente gran cantidad de mano de obra y poder variar de tamaño. Incluso en países que no cuentan con recursos forestales o éstos son reducidos, pueden funcionar a base de materiales importados, economizando en cuantía sensible divisas en el valor agregado. Muchos países en desarrollo, deficitarios en madera, importan ahóra productos de las industrias secundarias de la madera y el papel por valor que excede de sus importaciones de todos los demás productos de la madera y el papel. Por el contrario, algunos países comprendidos en esta categoría, como la República Arabe Unida e Israel, han desarrollado en gran medida estas industrias secundarias.

Características de la base forestal

Muchas de las características de las industrias forestales que acabamos de examinar están determinadas mayormente por la naturaleza de la materia prima con que trabajan y de las condiciones en que dicha materia prima se suministra. Por tanto, nuestra evaluación del papel potencial de las industrias forestales en los países en desarrollo seria incompleto sin examinar al menos superficialmente el sector forestal.

El suministro de madera, materia prima de las industrias forestales, constituye la principal función del sector forestal de la economía. La operación forestal de suministro de la madera está dividida en dos fases fundamentales: explotación - apeo y transporte de trozas al mercado o al usuario de madera - y ordenación forestal, que atiende a la habilitación de árboles en pie listos para el apeo. Estas dos fases están íntimamente entretejidas y a su vez pueden ejercer influencia directa sobre la otra función principal de la silvicultura, que es la de asegurar el caudal de bienes y servicios ajenos a la madera inherentes al medio ambiente forestal. La producción del monte ajena a la madera se examina en una sección posterior. Aquí nos ocuparemos del monte como «leñera» de las industrias forestales.

CARACTERÍSTICAS DE EA EXPLOTACIÓN FORESTAL

Una característica sumamente notable, aunque no siempre evidente, de los montes o la explotación forestal, la constituye la complejidad y variabilidad de la función productora. El monte crece no como simple suma de los árboles que se desarrollan a titulo de individuos, sino en una carrera en que se entabla competencia para ocupar el espacio y absorber los elementos nutrientes en que el desarrollo de cada árbol afecta al de sus vecinos. Según el medio ambiente y su desarrollo histórico, los montes varían entre simples grupos de árboles de la misma edad y de la misma especie y mezclas heterogéneas de árboles de muchas edades y de un número ingente de especies. Las masas forestales bastante homogéneas compuestas de unas cuantas especies coníferas o de una estructura de edades bastante sencilla que son características de las zonas templadas más septentrionales se prestan bien a las técnicas y economías de la producción y explotación en masa. El bosque higrofítico tropical con sus incontables especies distintas, característico de muchas de las zonas en desarrollo, exige para su explotación la búsqueda de árboles individuales por extensas zonas o bien técnicas de extracción y elaboración susceptibles de manipular materias primas sumamente heterogéneas. Los árboles crecen a velocidades muy diversas, según la especie, el ambiente o medio físico, y la competencia de los pies vecinos. La edad de corta depende no sólo de las numerosas combinaciones de estos factores sino asimismo de la clase de producto que se coseche. Así es posible que se corte madera para pasta de plantaciones de especies de crecimiento rápido en un turno de seis o siete años o que se obtengan trozas para chapas de árboles de dos y tres siglos de edad en masas naturales.

A medida que un árbol crece va desarrollando su anterior estructura, haciéndola cada vez mayor y acumulando un crecimiento anual de un año a otro. Sin embargo, en toda zona de extensión apreciable. distintos árboles en distintos estadios de su vida no pueden resistir la competencia y mueren. El índice de mortalidad es alto cuando compiten muchos árboles de tamaños similares o cuando numerosos individuos llegan a la vejez. En el bosque natural, salvo épocas de pérdidas epidémicas debidas a las enfermedades o a los insectos, la mortalidad equilibra la acumulación de los incrementas anuales, y la consecuencia neta del cambio dinámico en el seno del bosque es que no se produzca cambio alguno o que éste sea reducido en punto a volumen total de árboles en pie.

Sin embargo, los bosques naturales si representan una acumulación de pasados incrementos anuales que en general constituyen un enorme volumen de árboles grandes, viejos y frecuentemente valiosos. Tales bosques han sido a menudo explotados como minas de madera gratuita o depósitos de capital forestal sin cuidarse de los problemas de reposición. En las primeras fases de desarrollo de muchos países esta explotación sin renovación ha permitido la acumulación de otras formas de capital. Este a préstamo gratuito» ha tenido frecuentemente por consecuencia los costos sociales que supone un brusco descenso en la actividad económica local y el abandono de ciudades. No obstante, la explotación del bosque natural ha desempeñado un importante papel en el desenvolvimiento de tales países.

El aprovechamiento de los bosques naturales sin cuidarse de la reposición, es decir, la liquidación del capital forestal, puede justificarse en ciertos casos pero sólo en condiciones especialísimas. Por lo común, cuando se impone asegurar la continuidad del abastecimiento o suministro, es necesario adoptar disposiciones para obtener cosechas sucesivas de las mismas zonas. Los planes y calendarios elaborados con este fin pueden adoptar muy distintas formas y suponer distintas intensidades de aprovechamiento.

Estos están condicionados mayormente por dos características inherentes del monte. La primera es la identidad de la fábrica y el producto, característica que comparte hasta cierto punto con la producción de carne y la pesca. El acto de cosechar destruye una parte del capital forestal (la fábrica de madera), pero al proceder en tal sentido recolecta a titulo de producto una acumulación de a interés» anual o crecimiento. Es, pues, posible variar o modificar el volumen y época efectivos de la cosecha dentro de limites bastante amplios: retrasar la cosecha almacenando el cultivo tal como está, o bien acelerar la aorta temporalmente contrayendo un préstamo con el capital. Esta flexibilidad del periodo de recolección constituye una característica de los montes que brinda ventajas netamente definidas. Huelga advertir que un aprovechamiento que rebase constantemente el potencial de crecimiento acabará por destruir el bosque. Al propio tiempo, la saca de árboles afecta profundamente al crecimiento de sus vecinos o permite el establecimiento de nuevos árboles. Así, dentro de ciertos limites, el aprovechamiento puede aumentar el crecimiento neto o índice de producción del bosque.

La segunda está constituida por la gran extensión de las zonas en que la explotación forestal se practica. Esto hace difícil toda supervisión rigurosa y la observación del progreso o marcha de la producción

En su forma menos intensiva la ordenación de montes puede diferir de la liquidación del capital solamente en que asegura una futura cosecha, bien de árboles no apeados en el momento de la corta inicial, bien de árboles nuevos. El enfoque o método más elemental para lograr la continuidad en el suministro consiste en una simple progresión de las cortas en toda la extensión del monte para volver a la primera zona de aorta cuando la próxima cosecha madure.

La mayoría de los bosques naturales tienen tal variación en punto a tamaño de árboles que una cosecha completa de especies comerciales en el momento de la aorta inicial es inadecuada. En tales casos pueden efectuarse dos o más cortas en una determinada zona durante el número de años que correspondan a un turno.

La ordenación intensiva está caracterizada por regresos más frecuentes a la misma zona. No sólo se extraen árboles de la corta final, sino que se procede asimismo a las claras, la entresaca de árboles de tamaño medio e intermedio. Esto reduce las pérdidas potenciales por mortalidad y favorece el crecimiento de los árboles restantes, permitiendo que el incremento anual se acumule en un menor número de individuos, pero más robustos.

Con el aumento de la intensidad de aprovechamiento van unidas otras medidas, incluso la protección contra incendios, insectos y enfermedades. El crecimiento cosechable ha sido duplicado o triplicado en muchos bosques naturales bien ordenados mediante una amplia gama de técnicas entre las cuales figuran el aclareo, el deshierbe, la poda, las plantaciones de enriquecimiento, la selección de fuentes de semillas y el avenamiento.

Huelga decir que desde hace largo tiempo es una técnica acreditada o reconocida el plantar árbolés forestales en zonas despobladas o en áreas taladas del bosque natural. Pero la técnica de plantación ha conseguido adelantos espectaculares en decenios recientes. La genética forestal puede proporcionar o asegurar material fitogenético de alta calidad. Empleando plantitas selectas y labrando y fertilizando el suelo, las plantaciones pueden producir hasta diez veces más el crecimiento del bosque natural.

El paso a lo que constituyen esencialmente métodos agrotécnicos presenta muchas ventajas: la conveniente elección de especies y del turno; una cosecha más homogénea que se presta a la aplicación de técnicas de producción extracción y elaboración en masa; empleo simultáneo de la tierra para cultivos agrícolas en los primeros años posteriores al establecimiento de la masa; reducción de los costos de supervisión y transporte en virtud de la concentración de los trabajos; y libertad para planificar la secuencia de los grupos de edad para una recolección metódica (en vez de aceptar la estructura de edades del bosque natural). Otra ventaja neta la brinda la posibilidad de complementar la producción del bosque natural.

Las perspectivas que ofrece el ulterior mejoramiento de las técnicas forestales de plantación son sumamente prometedoras. A veces se han obtenido índices de crecimiento increíbles, sobre todo en regiones tropicales con especies que se han dado mal en su habitat de origen. Una esfera de investigación que promete dar buenos resultados hasta ahora casi inexplorada, la constituye la aplicación de fertilizantes, oligoelementos y compuestos hormónicos. Paralelamente a la mayor difusión y mejor organización de las investigaciones y la experimentación, se han ampliado las facilidades o servicios para el intercambio de información. Lo que garantiza la obtención de progresos o la elaboración de nuevas fórmulas eficaces es el perfeccionamiento de la organización no menos que la ampliación de la escala de las actividades de investigación.

En varios países, por lo común, los que tienen mucha tierra dedicada a la agricultura, se ha elaborado o desarrollado una adaptación de la silvicultura de plantación - que actualmente suele llamarse silvicultura lineal. Se plantan especies de crecimiento rápido en hileras a lo largo de carreteras, ferrocarriles, canales, ríos, bordes de terrazas y linderos de campos. En no pocos casos se han plantado a título de jalones o mojones de deslinde y para hacerlas desempeñar sus funciones de sombra, rompevientos y lucha contra la erosión. Tales plantaciones proporcionan gran cantidad de madera industrial, así como de leña. En algunas zonas han resultado tan lucrativas que han tenido por consecuencia el establecimiento de plantaciones forestales de tipo normal en tierras antes dedicadas a la agricultura.

LA FASE DE EXPLOTACIÓN MADERERA

Los métodos de explotación maderera, además de influir mucho en ellos la naturaleza, el terreno y el clima, están también muy condicionados por la naturaleza del producto que se cosecha, por la estructura del monte y por la modalidad e intensidad de la ordenación forestal. Los métodos aplicados van desde los métodos manuales más elementales a las operaciones más mecanizadas. Por lo común, las operaciones más mecanizadas se han desarrollado dándose una de dos condiciones: cuando un monte uniforme y un terreno fácil favorecen las técnicas de producción en masa, o cuando el terreno difícil plantea problemas especiales. Aunque una cierta medida de mecanización aumenta el rendimiento, subsisten muchos casos en que los métodos manuales, o al menos los que requieren poco capital, resultan de igual rendimiento o aun mayor.

La explotación maderera ha de tener con frecuencia una estructura estacional o seguir una pauta estacional, debido a la pluviosidad y a las consiguientes condiciones del terreno, a la nieve o al hielo, a los peligros extremos de incendio o al volumen o caudal de las corrientes. En muchos casos las necesidades estacionales de mano de obra de la explotación maderera se complementan con las de la agricultura, algunos tipos de actividades industriales y de la construcción o edificación.

VENTAJAS INHERENTES A LOS MONTES

A las características antes expuestas se debe la flexibilidad de la función productora forestal (ordenación forestal, más explotación maderera) permitiendo una fácil adaptación a condiciones que presentan grandes diferencias en el espacio y el tiempo.

En cambio, la producción misma puede modificarse fácilmente con pequeños cambios en la naturaleza o cantidad de los factores de producción. En todo momento se ofrece un alto grado de opción en cuanto a la forma en que la producción será cosechada. Dadas la nuevas oportunidades que abre la tecnología de la elaboración y el cambio experimentado por las condiciones económicas, es fácil pasar de un tipo de producto a otro. Así, material en un principio destinado a trozas para chapas o para aserrío puede dedicarse, con pocas limitaciones, a madera para pasta, incluso después de apeado y transportado a la fábrica. La madera qué en un primer momento sólo se consideraba apta para leña puede aprovecharse con ciertos mejoramientos técnicas para pasta o como materia prima en la producción de tableros de partículas. Gran cantidad de rollizos para pasta pueden aprovecharse incluso como trozas para aserrío. El tiempo de la recolección presenta flexibilidad dentro de límites considerables, permitiendo adaptarse a fluctuaciones a corto plazo en la demanda sin peligro de deterioro o sin que se planteen excesivos problemas de almacenamiento.

Por otra parte, existe una pronunciada flexibilidad y posibilidad de variación en la combinación de los factores de producción. Incluso en el caso excepcional en que el capital forestal se liquida sin reposición planificada, se dan distintas alternativas de aprovechamiento de la tierra (en el sentido de tierra más existencias forestales en crecimiento). Es posible efectuar una recolección pequeña en mucha tierra, o bien una recolección mayor en terrenos menos extensos; la opción determina la relación entre los costos directos del aprovechamiento. La primera solución lleva consigo la renuncia a las maderas de valor marginal, pero puede servir para la función de «roturación» además de la explotación forestal.

Si, como es normal, la finalidad perseguida es la continuidad del suministro, entonces a la opción que consiste en variar los insumos de la explotación maderera, vienen a unirse las numerosas alternativas que se dan dentro de la ordenación forestal, así como entre las dos principales fases de la actividad forestal. En general, cuanto mayor sea el factor tierra, mayor será la parte del costo de la madera constituido por el costo de la explotación maderera; cuanto menor sea el uso de la tierra, mayor será la parte correspondiente a los costos de producción de la madera. Las actividades forestales más extensas en vastas superficies exigen menos mano de obra para producir madera, pero la exigen en mayor proporción para crear lo que puede ser la infraestructura temporal, siendo mayor el porcentaje correspondiente a la mano de obra para los trabajos de explotación maderera y el capital de transporte a causa de las mayores distancias. La silvicultura de plantación constituye el caso extremo de limitación del factor tierra.

En la producción de madera, el tiempo mismo constituye un factor importante que vería con el tipo de bosque, con el producto y con la intensidad de la ordenación. El costo del tiempo lo constituye el interés sobre el capital comprometido; a esto se debe que las prácticas más intensivas tiendan a ir unidas a un turno breve.

Evidentemente, las muchas opciones que se brindan, tanto por lo que respecta a la combinación de los factores como a los regímenes de producción, plantean numerosos problemas cuando se trata de adoptar una decisión. Sin embargo, lo que conviene resaltar o hacer destacar a este respecto es que brindan también una multitud de posibilidades en el abastecimiento de materia prima a la industria nacional o para la exportación. Esta amplia gama de posibilidades significa que no existe prácticamente país alguno, cualquiera que sea su fase de desarrollo económico, sea cual fuere su dotación forestal, para el que la explotación de los montes no constituya una actividad económica adecuada. La experiencia ha demostrado que incluso en países que cuentan con pocas masas naturales valiosas la silvicultura de plantación y la lineal pueden transformar la situación rápidamente alumbrando o abriendo perspectivas totalmente nuevas.

Características de las industrias forestales relativas al desarrollo económico

Estamos ahora en condiciones de intentar una evaluación general de las perspectivas de inversión en el sector de las industrias forestales. La cuestión es la siguiente: habiéndose decidido llevar a cabo inversiones industriales ¿hasta qué punto puede recomendarse la inversión en el sector que nos ocupa, basándose en las ventajas que ofrece a corto y a largo plazo?

Las distintas situaciones en los países que se incluyen en el grupo de regiones menos desarrolladas presentan grandes diferencias. Por tanto, el razonamiento hecho y las conclusiones establecidas tendrán que enunciarse forzosamente en términos muy amplios. Las indicaciones generales que aportan se aplicarán más a unos países que a otros, pero tales indicaciones aportarán o crearán, sin embargo, un incentivo para realizar estudios más detallados sobre países que permitan determinar hasta qué punto las consideraciones hechas en este capitulo se aplican a los distintos casos.

EXPANSIÓN DE LA DEMANDA Y REPERCUSIONES EN ECONOMÍAS DE IMPORTACIONES

Un argumento parcial para efectuar inversiones en las industrias forestales de los países menos desarrollados emana de la actual situación y perspectivas futuras de la demanda con relación a las actuales posibilidades de suministro. Como antes hemos visto, el grupo de países subdesarrollados, a pesar de su bajísimo nivel de renta y consumo por persona presenta ya un déficit muy considerable en el comercio neto de productos forestales y tal déficit no puede dejar de ir aumentando muy rápidamente, al menos en términos absolutos si no se efectúan inversiones muy cuantiosas.

Los productos finales e intermedios, cuya elasticidad de la demanda en función de los ingresos es tan alta como la de los productos. forestales (y especialmente del papel y productos laminados a base de madera), plantean difíciles problemas a los países en desarrollo. Uno de los obstáculos más importantes con que tales países han de enfrentarse en su proceso de desenvolvimiento es su situación de balanza de pagos, ya que normalmente tienen un déficit estructural en la cuenta.

Normalmente, el creciente déficit se debe a las importaciones de los bienes de capital necesarios para la industrialización, que pudiera ser compensado mediante préstamos y subvenciones que restablezcan el equilibrio en la cuenta de capital, y a las importaciones de productos cuyo consumo aumenta proporcionalmente, o más que proporcionalmente, con la renta. A fin de mantener el déficit dentro de limites razonables sin detener. el proceso de desarrollo, las importaciones de bienes distintos de los bienes de capital deben restringirse mediante tarifas y contingentes o cupos, procediéndose al propio tiempo a potenciar la capacidad productiva interior de artículos que antes se importaban a fin de subvenir a necesidades adicionales.

Sin embargo, la magnitud de los efectos en punto a economías de importaciones, que se deriva de potenciar la producción interior de productos forestales, no constituye en si misma un argumento decisivo para invertir en este sector, toda vez que podría conseguirse igual efecto economizados de importaciones ampliando la producción de otros bienes de similar elasticidad de la demanda en función de la renta. El quid de la cuestión consiste en determinar cuáles son los productos que deben consumirse a expensas de otros. Como la cantidad o cuantía dada de capital no basta para aumentar la producción interior de todos los bienes, habrá algunos de éstos cuyo consumo tendrá que restringirse a fin de impedir que el déficit comercial siga aumentando. De aquí que la cuestión de la inversión en las industrias forestales no pueda basarse simplemente en el efecto economizados de importaciones que la expansión de tales industrias ejercería, sino que ha de respaldarse también en otros argumentos.

Estos son muchos, fundándose en las características estructurales de la oferta y la demanda ya examinadas en parte en páginas anteriores.

CARACTERÍSTICAS DE LOS FACTORES MATERIA PRIMA Y EMPLAZAMIENTO

Hay una serie de consideraciones que se basan en la naturaleza y propiedades de la materia prima empleada en las industrias forestales.

En primer lugar, la madera constituye la única materia prima de que se dispone en casi todas las regiones habitadas del mundo y que éstas pueden reproducir con los bosques existentes o podrían poseer procediendo a establecer plantaciones. Constituye un principio general de la política de desarrollo que debe concederse prioridad a las industrias de elaboración de materias primas locales toda vez que la presencia de estas últimas contrarresta en parte las diseconomías externas que han impedido la industrialización en el pasado. No obstante, se olvida con harta frecuencia en las economías subdesarrolladas que sus bosques - que la falta misma de fomento o desarrollo ha contribuido a conservar en muchos casos - constituyen una fuente de riqueza natural tan importante como los depósitos de minerales, representando, de explotarse convenientemente, un incentivo sumamente importante para acometer la industrialización.

Un segundo argumento en pro de la expansión de las industrias forestales, también relacionado con las características de los factores o insumos de éstas, se basa en la teoría de la localización.

De todas las principales materias primas, la madera suele ser la más difícil de transportar. La explotación de montes no sólo está vinculada a vastas superficies de tierras, de modo que el transporte no puede nunca partir de un punto o situación fija, o permanente, como ocurre, por ejemplo, en el caso del-carbón, sino que además la madera cortada en el monte representa un material voluminoso que varia de tamaño y forma, y la medida en que éstos pueden modificarse a fin de facilitar el transporte está rigurosamente limitada´ por el futuro aprovechamiento de la madera y por otros diversos factores. Por último, la pérdida de peso es característica de las industrias forestales, como hemos visto antes, y a la materia prima constituida por la madera corresponde una parte importante de los costos totales de producción.

Las regiones menos desarrolladas, si bien exportan ya madera aserrada de frondosas y tableros contrachapados, siguen también todavía exportando una considerable cantidad de trozas para aserrío que posteriormente son aserradas o cortadas en los países importadores. A primera vista, éste es, evidentemente, un caso en que conviene ampliar la capacidad de aserrío y producción de contrachapados en cuantía que baste para satisfacer no sólo la creciente demanda interior, sino también para sustituir las exportaciones de trozas para aserrío por las de madera ya elaborada. Se trata de un caso que por una vez podría verse respaldado incluso por la teoría tradicional de la especialización internacional, toda vez que esta sustitución de exportaciones se traduciría en una disminución neta de los costos a causa de los ahorros efectuados en la partida de fletes. Hasta la fecha, esta ventaja se ha explotado insuficientemente debido en parte a determinadas razones técnicas (que sin embargo, no son insuperables), pero principalmente por la falta de infraestructura que caracteriza a todos los países subdesarrollados. Sin embargo, esto no debiera constituir ya un obstáculo si se sigue una política de desarrollo congruente: como se ha recalcado ya, la inversión en las industrias forestales se evalúa en este capítulo no aisladamente, sino insertándola en la trama general de la política global de desarrollo, la cual presupone como medida preliminar la formación de capital social general, llevando también consigo la instalación de industrias en distintos sectores. En este caso, el costo de la infraestructura no puede ya considerarse como el costo a que hay que hacer frente para un solo proyecto de inversión en un solo sector. Lo que se aplicaba a la explotación colonial de uno o muy contados productos de exportación (y que hacia conveniente en el aspecto financiero exportar la materia prima en vez de elaborarla localmente) no es válido ya puesto en relación con el desarrollo económico global de un país.14

14 La misma razón indica la conveniencia de que a la larga, cuando sea posible, se siga una política de fomento forestal encaminada a crear una fuente de abastecimiento de los tipos de madera (especialmente coníferas) de que actualmente se carezca, a fin de reducir al mínimo la carga que suponen las importaciones necesarias.

Los factores de emplazamiento revisten una importancia análoga en lo que afane a los tableros derivados de la madera y a la pasta y el papel. Sin embargo, para la fabricación de muchas clases de papel hace falta agregar pasta de fibra y muchos países en desarrollo carecen actualmente de fuentes de abastecimiento de dicha fibra. Normalmente, un desarrollo forestal suficiente permitirá colmar esta laguna; en los primeros tiempos, sin embargo, la fibra larga habrá que importarla.

Mientras tanto, se ofrecen en muchos casos excelentes perspectivas para la fabricación local de pastas de fibra corta, que pueden combinarse con pasta de fibra larga en la manufactura local de papel.

Huelga decir que se logrará un aprovechamiento mejor aún de los recursos locales a medida que el progreso técnico lleve a la sustitución de los tipos de madera que hay que importar por los locales, especialmente de madera aserrada de coníferas por madera aserrada de frondosas y tableros derivados de la madera y de la pasta de fibra larga por pasta de fibra corta en la fabricación de papel.

VENTAJAS TECNOLÓGICAS DE LAS INDUSTRIAS FORESTALES

Una segunda serie de argumentos a favor de las industrias forestales se funda en las características de las técnicas que se emplean en las industrias mismas. Anteriormente hemos señalado que cuanto mayor sea el alcance de la función productora y la flexibilidad en punto a escala, tanto más idóneo resultará un sector para la inversión en países menos desarrollados. Las industrias forestales consideradas individualmente presentan estas ventajas. En primer lugar, en la producción de la materia prima cabe en no pocos casos aplazar le mecanización costosa y recurrir en cambio al empleo de mano de obra no especializada. Con frecuencia, la explotación maderera se efectúa en condiciones en que la mecanización costosa no constituye una necesidad apremiante, y a veces resulta antieconómica debido a la heterogeneidad del medio ambiente y del producto. Con harta frecuencia, la mano de obra para los trabajos manuales, sobre todo en regiones en que tiende a ser abundante, secundada por animales de trabajo o por maquinaria relativamente barata, puede mantener competencia con la maquinaria costosa. Así, el propietario de una pequeña industria forestal suele estar en condiciones de proceder a la explotación maderera sin efectuar cuantiosos gastos iniciales y, mientras la mano de obra siga siendo relativamente barata, los productores de mayor importancia podrán también aplazar la mecanización extensa en el monte.

La posibilidad de retardar la adopción de maquinaria cara en la producción de la materia prima representa una ventaja indudable en las zonas menos desarrolladas, ya que reduce las necesidades de capital, brindando al propio tiempo considerables posibilidades de empleo de mano de obra que sólo ha de estar impuesta en los tipos de trabajos manuales que suelen llevarse a cabo en las zonas agrícolas. En segundo lugar, las propiedades físicas de la madera hacen que resulte relativamente fácil trabajarla mecánicamente, de modo que muchos productos pueden fabricarse convenientemente empleando una maquinaria bastante sencilla. La dificultad de transportar la materia prima por una parte, y la facilidad con que cabe labrarla, por otra, hacen posible que las unidades pequeñas o bastante pequeñas resulten económicas para la fabricación de productos básicos, tales como madera aserrada, chapas, pasta mécanica: la proximidad de la fuente de materia prima, y a veces también la posibilidad de vender en el mercado local gran parte del producto, contribuyen mucho a compensar los inconvenientes del tamaño. Cuando las condiciones sean favorables, la instalación fabril puede ampliarse paso a paso a medida que se dispone de capital adicional. y de mano de obra calificada. Son incluso posibles determinados tipos de integración en escala muy pequeña. Esta posibilidad de desenvolvimiento gradual resulta muy útil en las economías en desarrollo.

LA DEMANDA DE PRODUCTOS FORESTALES: VENTAJAS INDIRECTAS Y ASPECTOS ECONÓMICOS EXTERNOS

Hemos señalado que uno de los grandes problemas de toda política de fomento estriba en la asignación de capital a los distintos sectores cuando el volumen de capital es limitado y en determinar cuáles son los productos cuya producción debe aumentarse y cuáles, en cambio, aquellos cuyo consumo debe restringirse por algún tiempo a fin de impedir que se acentúe el déficit en la balanza de pagos. Las características de la oferta examinadas hasta ahora aportan útiles indicios para proceder a la opción, pero también pueden resultar útiles independientemente de ésta las características de los productos y de las necesidades que han de satisfacer.

Muchos productos de gran elasticidad de demanda en función de los ingresos son artículos de consumo introducidos en países adelantados a niveles de renta relativamente altos. También son objeto de demanda en países menos desarrollados, a pesar del menor nivel de los ingresos medios, sobre todo cuando, como ocurre frecuentemente, se dan manifiestas desigualdades en la distribución de la renta. A veces intervienen la imitación o los efectos de la demostración práctica. Tales artículos o productos pueden considerarse menos esenciales en todos los aspectos, toda vez que satisfacen necesidades de menor urgencia. Se reconoce que esto es un juicio de valor más que una evaluación económica, pero difícilmente vacilaría o habría de vacilar alguien en la elección u opción entre una alimentación mejor, más vestidos, más instrucción, por una parte, y automóviles, radios, etc. por otra. Desde este punto de vista no cabe duda de que el consumo de productos forestales en un país constituye un índice tan fiel como cualquier otro del nivel del progreso social, y no sólo material, de la población. En regiones subdesarrolladas los productos de las industrias forestales pueden contribuir a que se alcancen algunas de las condiciones esenciales de bienestar material y de dignidad humana, que van desde una vivienda y mobiliario adecuados hasta las posibilidades de instrucción y de difusión del libro y de la prensa. No puede, pues, caber duda alguna de que el sector se sitúa en uno de los primeros lugares de la escala de prioridades que debe establecerse al determinar los productos cuya producción hay que potenciar y cuya demanda ha de satisfacerse por completo y de aquellos cuyo consumo debe restringirse.

Esta consideración se robustece si se tienen en cuenta otros efectos indirectos de la inversión en las industrias forestales sobre la economía considerada en conjunto, efectos que consisten principalmente en la creación de economías externas en sentido amplio.

El primer grupo de economías o aspectos económicos que deben señalarse no son ajenos o externos al sector, sino que afectan a las relaciones recíprocas entre las industrias comprendidas por el sector: la instalación de determinadas industrias forestales tiende a abrir el paso a la producción complementaria dentro de la zona interesada, logrando hasta cierto punto que el sector en conjunto pueda progresar de un modo autónomo. La explotación forestal suele proporcionar maderas de distintas clases y calidades y la conversión mecánica de la madera deja por lo común una cantidad muy considerable de residuos que pueden utilizarse por otros ramos de la industria forestal. Al intensificarse la demanda de distintas clases de productos de la madera. por una parte, y aumentar el valor de la materia prima, por otra, las industrias existentes suelen crear el incentivo para establecer nuevas empresas, con lo que tienden a desarrollarse tipos complementarios de aprovechamiento. En resumen, la naturaleza heterogénea del recurso constituido por la madera, unida a las distintas aplicaciones de ésta y su falta de maleabilidad en estado bruto, tienden a estimular nuevas actividades industriales dentro de la región y a veces dentro de la misma empresa.

El hecho de que las industrias forestales deban estar enclavadas normalmente lo más cerca posible de los montes, por lo que generalmente están descentralizadas en el interior de las regiones interesadas, da lugar a economías o aspectos económicos externos de tipo muy importante. Este carácter «apartado» de las industrias forestales crea un vinculo natural entre ellas y varias empresas que atienden a la infraestructura. Cuando una nueva carretera abre algún bosque al aserrío y se utiliza para transportar madera aserrada a los centros de consumo, los beneficios económicos que ello reporta pueden contribuir sustancialmente a amortizar el costo de la carretera; las vías construidas para la explotación maderera pueden contribuir a extender la red regional de carreteras; el establecimiento de una central hidroeléctrica puede permitir la construcción de una fábrica de papel para periódicos, que una vez en funcionamiento no puede por menos de pasar a convertirse en un cliente muy importante de la central eléctrica, y así sucesivamente. Esta interrelación constituye una importante característica de las industrias forestales, sobre todo en las primeras fases de desarrollo, y puede representar un factor muy eficaz para impedir que se produzca un «dualismo» en el desarrollo económico, esto es, una diferenciación acumulativa entre las dos partes de la misma región.

Otra ventaja indirecta que entraña la explotación forestal se debe a la gran flexibilidad de los trabajos forestales y a la consiguiente posibilidad de utilizar mano de obra que esté temporalmente ociosa. Debido a la naturaleza perenne de los árboles,- ni la intervención en su crecimiento recurriendo al tratamiento silvícola, ni la recolección final de la madera están supeditadas a fechas rigurosas, y si bien los factores climáticos, unidos a las estaciones del año, afectan a distintas clases de operaciones forestales, esta influencia es mucho menos pronunciada que en la agricultura. Tal flexibilidad es importante en las regiones menos desarrolladas. Como muchas clases de trabajos forestales se prestan bien para emplear mano de obra relativamente poco especializada, un potencial de mano de obra que en caso contrario se desperdiciaría puede aprovecharse en la producción corriente o para proceder a economías en forma de rendimientos futuros de materia prima.

Pero posiblemente el más importante de los efectos indirectos que lleva consigo la instalación de industrias forestales reviste carácter eminentemente dinámico. Las industrias forestales pueden considerarse un sector propulsor, esto es, un sector cuya expansión sea susceptible de provocar inversiones espontáneas en otro ramo de la producción. Esto se debe al hecho de que las industrias forestales tienen una vinculación positiva muy fuerte con otros sectores. Un alto grado de vinculación hace de un sector un buen punto de partida para el desenvolvimiento industrial: las inversiones en él efectuadas al provocar la demanda y proporcionar suministros a otros sectores amplia las posibilidades de inversión de la economía en conjunto y surte un efecto de multiplicador - no en el sentido tradicional de la palabra, que se basa en la demanda final y en el consumo de la renta o ingresos por el personal de nuevo empleo - sino en el sentido de aumentar la demanda interindustrial.

RESUMEN

Entre las ventajas de las industrias forestales enumeradas hasta ahora son pocas las que pueden traducirse en una evaluación financiera por no prestarse a ser expresadas en función de dinero. Esto dificulta todo intento de establecer una comparación cuantitativa de costos y beneficios y de proceder a una evaluación precisa de la rentabilidad social. Sin embargo, todas las ventajas mencionadas deben tenerse en cuenta por los planificadores al adoptar decisiones sobre la asignación de los recursos disponibles para inversión, y ello con particular escrupulosidad, toda vez que tratándose de las industrias forestales los beneficios sociales pueden ser a veces tan importantes como el beneficio financiero.

Anteriormente hemos establecido una estimación provisional del costo financiero que supone aumentar la capacidad productiva en medida suficiente para impedir que el déficit comercial siga aumentando. El costo de capital por unidad de producción adicional es poco mayor que el costo por unidad de importaciones. Pero el primer costo seria sufragado de una vez para un periodo de años; el segundo representaría un costo al que habría que hacer frente periódicamente. La inversión total necesaria para el decenio - unos 5.000 millones de dólares - constituye una suma prohibitiva. Pero no debe entenderse como si se tratara de una inversión repentina y global; se trataría de una inversión gradual que fuera aumentando progresivamente y repartida en varios años. Desde este punto de vista, no hay razón para considerar esta meta falta de carácter realista.

La recursos, la tecnología y la investigación

En nuestro análisis se han destacado hasta ahora muchas razones convincentes por las que los países que se encuentran en las primeras etapas del desenvolvimiento económico deben atender especialmente a establecer o ampliar las industrias forestales. Tales razones se basan esencialmente en las características estructurales y dinámicas de la demanda de productos forestales, en la flexibilidad y amplitud de las funciones productoras de las industrias forestales y en la circunstancia de que casi todos los países subdesarrollados posean, o podrían poseer en breve espacio de tiempo, recursos forestales no explotados o aprovechados en medida insuficiente.

Los dos primeros puntos han sido demostrados ampliamente. El tercero, que suele darse por sentado, requiere ulterior examen, toda vez que la ingenua hipótesis de -que los bosques no explotados equivalen a posibilidades industriales, ha sido en tiempos pasados fuente y origen de no pocas desilusiones y decepciones.

VARIEDAD DE LAS RESERVAS FORESTALES

Anteriormente se ha señalado que en la mayoría de los países subdesarrollados las reservas forestales presentan considerables diferencias en composición y calidad respecto de las de los países adelantados industrialmente que han logrado constituir importantes industrias forestales.

Masas naturales de coníferas

Suman quizá una veintena los países menos desarrollados que poseen extensas masas naturales de coníferas. Estas están compuestas principalmente de especies de pinos, y si bien algunas de tales zonas son de fácil acceso, otras están enclavadas en lugares lejanos y terrenos difíciles. En general, dada una ordenación razonable, los coeficientes de regeneración y crecimiento son buenos, por lo común muy superiores a los de los bosques de coníferas de América del Norte, norte de Europa y la U.R.S.S., pero algo inferiores a los coeficientes conseguidos en los bosques de coníferas artificiales de ordenación intensiva de Dinamarca y Reino Unido, por ejemplo.

Bosques plantados

Un número bastante crecido de países en desarrollo poseen ya zonas muy considerables de bosques plantados; distintos tipos de pino y especies de frondosas como chopo, sauce y eucalipto. Como ya se ha mencionado; en estas plantaciones se dan frecuentemente índices de crecimiento que deben calificarse de fenomenales: es muy corriente un coeficiente superior en cinco veces al de los bosques de coníferas naturales de la zona templada septentrional.

Sin embargo, por importantes que sean estos bosques y plantaciones de coníferas (importantes precisamente porque la tecnología hoy conocida se adapta bien a su aprovechamiento), constituyen, no obstante, excepciones en el mundo subdesarrollado. De hecho, más de nueve décimas partes de las reservas forestales de Asia, Africa y América Latina están compuestas por bosques de frondosas y éstos varían mucho en su naturaleza y, por consiguiente, en los problemas y perspectivas de su desarrollo. Servirá para ilustrar este punto un breve resumen de los principales tipos.

Bosques tropicales hidrofíticos

Los bosques tropicales higrofíticos representan quizá el concepto vulgar de a recursos forestales no desarrollados». Se dan con máxima abundancia en las zonas de gran pluviosidad cercanas al ecuador sobre todo en las cuencas del Amazonas y del Congo, y en las zonas peninsulares e insulares del sudeste de Asia, pero se extienden muy ampliamente en concentraciones menores por otras partes de la región tropical. Comprenden unos 1.000 millones de-hectáreas y representan el 40 por ciento de los bosques de los países en desarrollo. Las masas son densas y están compuestas por numerosas especies, de las cuales sólo unas cuantas aportan actualmente maderas comerciales importantes (como las caobas, okumé, wawa y bebeerú). Del volumen total de las existencias en crecimiento es frecuente que las especies actualmente susceptibles de comercialización no pasen del 5 al 10 por ciento. Las bases de los árboles con contrafuertes y acanaladuras y la abundante vegetación de trepadoras y rastreras agudizan mucho el problema de explotación que la heterogeneidad de las masas plantea.

Bosques caducifolios húmedos

Los bosques caducifolios húmedos se encuentran en las zonas tropicales y subtropicales, donde se registran variaciones estacionales de temperatura y pluviosidad frecuentemente en faldas de montañas. Las masas son también densas pero menos heterogéneas que el monte higrofítico. Las coníferas se encuentran a veces mezcladas con otras especies. Este tipo de bosque es uno de los que se han visto sometidos a una considerable presión demográfica (con el consiguiente desmonte con fines agrícolas y agricultura migratoria), así como a la explotación de unas cuantas especies solicitadas, como teca y podocarpus. A este tipo corresponden unos 200 millones de hectáreas, o sea, cerca del 10 por ciento de los bosques de los países en vías de desarrollo.

Bosques xerofíticos de especies caducifolias

Los bosques xerofíticos de especies caducifolias se encuentran en las zonas tropicales y subtropicales de pluviosidad limitada. Son particularmente abundantes en el este de la América del Sur, en Africa del sur y del centro y en Asia meridional. En la densidad de las masas influye en gran medida la cantidad de precipitación y en las localidades más secas acaban por quedar abiertos y entremezclados con espesuras de matorrales espinosos y frecuentes sabanas. Muchos de estos bosques han sido objeto de frecuentes quemas y a veces de pastoreo excesivo. Salvo en las localidades más húmedas, donde unas cuantas especies tienen valor comercial, los árboles tienen muy mala conformación. Estos bosques comprenden unos 800 millones de hectáreas, o sea, el 35 por ciento de los bosques en cuestión.

Bosques templados de frondosas

A los bosques templados de frondosas corresponden aproximadamente 50 millones de hectáreas de las reservas forestales de los países en desarrollo. Estos bosques, que se encuentran en su mayor parte en Asia oriental, en partes del Himalaya y en el sur de la América Latina, comprenden a veces coníferas.

Manglares y bosques de bambúes

Entre los tipos diversos de distribución más restringida o limitada figuran los manglares de los litorales tropicales y los bosques de - bambúes. Los bambúes constituyen un importante componente de los bosques palustres siempreverdes y de los caducifolios, tanto húmedos como secos. Se encuentran también a grandes altitudes y climas templados de Asia y las masas de pino y bambú suelen ser secuela de la agricultura migratoria.

En la mayor parte de estos bosques no se ha procedido hasta la fecha a una explotación sistemática, sino únicamente a un aprovechamiento disperso y esporádico del monte por las poblaciones locales para extraer leña y :material para construcciones rudimentarias Aun así, existen zonas muy extensas que han sido explotadas comercialmente en el pasado o lo son en la actualidad. En gran medida, esta explotación se ha articulado con la producción de madera no elaborada para la exportación. Los progresos conseguidos en el establecimiento de industrias forestales locales han sido decepcionantes y la razón no consiste en que la tecnología de que se dispone sólo tenga una aplicabilidad limitada a la clase de reservas forestales que estos países poseen. Esto es claro si recordamos que varios países subdesarrollados poseen, efectivamente, reservas forestales de coníferas «ortodoxas» todavía no desarrolladas, reservas que difieren poco de las que sirven ya para mantener considerables industrias forestales en los países industrialmente adelantados y que no son en nada inferiores a ellas. Tales reservas siguen representando un potencial que espera ser traducido en realidad aun cuando su composición permitiría fácilmente la industrialización a base de la tecnología actual. Es evidente que la tecnología no lo es todo.

De todos modos, la tecnología con que se cuenta actualmente no es en modo alguno tan ajena a las circunstancias de los países en desarrollo como a menudo se supone. Al llegar aquí será útil lanzar una rápida ojeada a algunas de las tendencias tecnológicas que han actuado en los países industrialmente adelantados en el curso de decenios recientes.

TENDENCIAS TECNOLÓGICAS RECIENTES

Cabe distinguir dos tendencias básicas, que se han intensificado ambas en el periodo de posguerra: la ampliación de la base de materias primas para las industrias forestales y la utilización más completa de la cosecha forestal.

Estas dos tendencias deben su origen a las particulares circunstancias con que se enfrentan las industrias forestales de los países adelantados. Así, las disponibilidades limitadas o el aumento de costos de las especies preferidas para la conversión mecánica en pasta (picea, abeto, pinabete y pino) han llevado a emplear el chopo, el tiemblo y el eucalipto para madera triturada o semipasta. Entre los procedimientos químicos, el primero en ser adoptado en gran escala fue el procedimiento al sulfito, adaptado también principalmente a las especies predominantes en la zona templada septentrional: picea, abeto, pinabete, y algunos pinos. Sin embargo, desde principios del decenio 1930-39 se ha registrado una expansión espectacular en la capacidad de fabricación de pasta al sulfato, expansión debida al hecho de que este procedimiento, de mayor flexibilidad y gran tolerancia a madera y corteza parcialmente descompuestas, puede emplearse para reducir a pulpa o convertir en pasta casi todas las clases de materias primas fibrosas. Por ultimo, desde la pasada guerra se han elaborado o ideado varios procedimientos de reducción a pasta que combinan la acción mecánica con la química brindando rendimientos mayores que los que se obtienen mediante los procedimientos químicos puros y susceptibles de sustituir las pastas mecánicas y químicas en un amplio campo.

Así, en el curso de los pasados treinta años, la base de materias primas relativamente estrecha de la industria del papel en los países desarrollados se ha ampliado, comprendiendo ahora todos los pinos resinosos (especial mente en los Estados Unidos), el abedul (que antes era un árbol de poco valor en los países escandinavos), mayoría de las frondosas de las zonas templadas (solas o mezcladas) y diversos residuos agrícolas (especialmente paja de cereales y bagazo). Por ejemplo, en 1961 a las frondosas correspondió el 15 por ciento de las materias primas empleadas para la elaboración de pasta, frente a un porcentaje insignificante en 1945. Al propio tiempo, se ha hecho un uso mucho mayor de los residuos de madera procedentes de aserraderos y fábricas de contrachapados para la producción de pulpa. El volumen de residuos convertidos de tal modo en pasta en Europa se elevó de 4,5 millones de metros cúbicos en 1956 a más de 11 millones en 1961.

Si bien los progresos tecnológicos que han dado lugar a una ampliación del número de materias primas de que se sirve la industria de la pasta derivan principalmente de la situación que imperaba en las zonas adelantadas del mundo en cuanto a suministros de materias primas, han permitido de paso establecer o ampliar la industria de la pasta en regiones subdesarrolladas del mundo que, en general, carecen de las especies de coníferas que constituían la materia o producto tradicional de la industria. El resultado ha sido que no sólo se han elaborado nuevas técnicas de conversión a pulpa, sino que también se ha modificado el material tradicional empleado para pastas destinadas a la fabricación de distintos tipos de papel. Ha ido aumentando cada vez más la posibilidad de sustituir la fracción fibra larga de coníferas por las pastas de fibra corta, sin sacrificar notablemente la calidad y las propiedades de resistencia. En la actualidad son muy pocos los países subdesarrollados del mundo que no posean recursos de materias fibrosas a partir de las cuales sea técnicamente posible fabricar la mayoría de las clases de papel.

Consideraciones análogas (oferta y precio) han informado la notable expansión de las industrias de los tableros de fibra y de los contrachapados registrada desde el final de la guerra en los países adelantados y han dado vida a una industria completamente nueva - la de los tableros de partículas - que se ha desarrollado de un modo espectacular en el curso del pasado decenio. Los perfeccionamientos técnicos han permitido que los tableros contrachapados sustituyeran a la madera aserrada, cuyo costo real ha aumentado en muchas aplicaciones finales. Los tableros de fibra han experimentado adelantos análogos gracias al mejoramiento de sus propiedades, a la ampliación de la base de materias primas y a la elevación del precio relativo. El caso de los tableros de partículas es todavía más notable. Nacida en Alemania - país deficitario en madera - y haciendo uso principalmente de residuos de aserradero, la industria se vio favorecida por el mejoramiento y abaratamiento de las resinas sintéticas y conquistó una gran parte del mercado (v. gr., en calidad de alma para muebles) que antes dominaba la madera aserrada. Sin embargo, la capacidad de competencia del producto resultó ser tal, que pronto se extendió a los países excedentarios de madera del norte de Europa, a la U.R.S.S. y otras muchas partes del mundo. En la actualidad hay fábricas de tableros de partículas en cerca de 50 países.

Incluso en la industria del aserrío, que no ha registrado adelantos técnicos radicales por espacio de medio siglo, se ha visto afectada hasta cierto punto por las tendencias que acabamos de mencionar. Así, hoy se hace mayor hincapié en el aserrado de precisión y en un rendimiento alto. Gracias a los importantes adelantos logrados en las técnicas de conservación de la madera, algunas especies menos duraderas que hasta ahora se despreciaban se puede hacer que tengan una duración razonable, con lo que se crean nuevos mercados.

Estos adelantos técnicos se han conseguido realizando investigaciones encaminadas a resolver los problemas con que se enfrentan las industrias forestales en los países adelantados industrialmente. El volumen de trabajos de investigación orientados a resolver los problemas específicos de los países menos adelantados es todavía insignificante. Pero un importante efecto incidental de tales adelantos es el de haber creado posibilidades técnicas muchísimo mayores para establecer con éxito industrias forestales en los países menos desarrollados. Si tales posibilidades apenas se han realizado, ello se debe a que hasta la fecha los esfuerzos para adaptar y aplicar la presente tecnología & las circunstancias que imperan en los países en desarrollo han sido esporádicos, faltos de coordinación y, con frecuencia, de entusiasmo. Esto a su vez se debe al hecho de que el contexto económico-social necesario para la adaptación y aplicación de la tecnología sólo ha madurado recientemente en muchos de los países subdesarrollados y aún ha de madurar en otros.

ASPECTOS EN QUE LA INVESTIGACIÓN VA REZAGADA

Lo que principalmente se necesita es adaptar la tecnología disponible y proceder a investigaciones aplicadas más que a la investigación pura. Esto no es negar la necesidad de la investigación pura, tanto por la disciplina y formación que da, como por la posibilidad que siempre brinda de llegar a descubrimientos trascendentales. Pero por lo que respecta a los simples costos y beneficios, es probable que resulten más fructíferas las actividades de orden menos elevado.

En la investigación (como en la técnica) la emulación de la organización y métodos de los países más adelantados rara vez es adecuada. Por lo común, hay mucho que aprender de los países que todavía tienen que luchar con sus propios y graves problemas de atraso regional y tratan enérgicamente de hacerles frente. La especial contribución que esos países pueden aportar no se aprecia todavía en medida suficiente.

Debido a que los recursos forestales de los países en desarrollo difieren considerablemente en emplazamiento, composición y distribución de los de los países adelantados, una de las esferas más importantes para la investigación aplicada y la experimentación está representada por los factores económicos y técnicos que influyen en el costo de extracción de la materia prima para la industria y, por tanto, en el costo de tal materia por unidad de producción elaborada. En su mayor parte estos estudios deben realizarse localmente, si bien se ofrece mucho margen para la coordinación de estudios paralelos en el plano regional. Algunas de las cuestiones a que hay que atender urgentemente son: técnicas de un mínimo aporte de factores de producción para conseguir determinar los tipos de bosque después de la explotación de la masa original; métodos económicos de protección contra los incendios, el pastoreo, etc., por procedimientos en que se tengan en cuenta los intereses y hábitos tradicionales de la población local; silvicultura de plantaciones por lo que respecta a todas las especies de posible interés - en esto el factor tiempo es importante, y lo que hace falta es acometer experimentos en pequeña escala lo antes posible para ganar tiempo sin esperar a contar con los fondos necesarios para un programa amplio; instrumentos idóneos para la explotación maderera y las apropiadas combinaciones de distintos tipos de equipo de explotación maderera con trabajos manuales y empleo de animales, adaptados al medio ambiente y a las condiciones locales de mano de obra; métodos de construcción y entretenimiento de vías forestales a bajo costo.

Otra esfera de investigación a que conviene atender atañe a los problemas del almacenamiento y expedición, antes y después de la conversión. Hasta la fecha no se ha atendido suficientemente a detener o luchar contra la pudrición, el alabeo, manchas y decoloraciones, etc., en distintas condiciones climáticas. Reviste importancia especial el tema de la expedición de madera elaborada a ultramar en distintas condiciones.

Se ha llevado ya a cabo una gran labor en lo que respecta a las características físicas y químicas de especies secundarias, pero con harta frecuencia esta labor se ha realizado en países metropolitanos encaminándose a ensayar especies candidatas a la exportación. Resultarían más útiles los estudios de ingeniería sobre la utilidad de tales especies, con o sin sustancias preservadoras para construcción de viviendas locales y otros edificios, dominando las técnicas de prefabricación. Se impone estudiar con mayor detenimiento las propiedades de las especies de plantación y de las frondosas secundarias con relación a los distintos procedimientos de conversión en pasta y para distintos tipos de tableros. Hacen falta colas y resinas más económicas y mejores, a ser posible, fabricadas a partir de materiales de que se disponga en la localidad para mejorar las propiedades o características de los contrachapados y tableros de partículas en condiciones climáticas rigurosas. En la elaboración de pasta y papel, lo más necesario es reducir la escala de la producción económica de pasta dentro de los procedimientos conocidos (especialmente los semiquímicos y los métodos a la sosa y el sulfato), y adaptar los proyectos de las instalaciones a la mano de obra semiespecializada. En el aserrío, es poca la necesidad de nuevas máquinas, pero grande la de perfeccionar la disposición de los aserraderos, ofreciéndose asimismo considerable margen para generalizar métodos modernos de regulación de las existencias.

Estos sólo son algunos de los sectores en que la investigación y la experimentación prometen dar resultados fecundos. En todos estos casos, lo que se impone esencialmente es establecer un balance objetivo de lo que ya se sabe y proceder a una adaptación inteligente de tales conocimientos a las condiciones especificas de los países en desarrollo, especialmente por lo que atañe a las materias primas locales, la posible escala de operaciones y la mano de obra y elementos capacitados de que se disponga localmente.

Gran parte del problema es de carácter informativo. El caudal de información nueva y susceptible de aplicación aumenta todos los años y las disposiciones tomadas en el plano internacional y nacional para centralizar, analizar, transmitir y recibir la información pertinente no consiguen mantener el mismo ritmo a que dicho volumen aumenta. El conocer lo que se ha hecho en otros países constituye una condición previa para enfocar satisfactoriamente la cuestión con imaginación y flexibilidad, lo cual constituye la única manera de lograr una eficaz adaptación de la tecnología actual a las especiales circunstancias de los países en desarrollo.

MEDIOS PARA QUE EL CAPITAL, DÉ MÁS DE SÍ

Hemos visto que varias de las principales industrias forestales necesitan grandes capitales por lo que respecta a la instalación de elaboración. Es una característica común de los países que se encuentran en las primeras fases del proceso de desarrollo - al menos en cuanto se han comprometido a llevar a cabo un programa de desarrollo consciente - que el capital sea escaso y caro. En cambio, la mayoría - si bien de ningún modo la totalidad - de los países en desarrollo poseen una reserva de mano de obra rural desocupada o subempleada que a veces asciende al equivalente del 30 por ciento de la población activa rural. Es, pues, claramente necesario economizar en capital, siempre que esto sea compatible con un funcionamiento eficaz y económico. No es indiscutible de ningún modo que las técnicas de empleo intensivo de mano de obra deban preferirse siempre a las de empleo intensivo de capital.

Aunque en la elección de técnicas debe tenerse en cuenta la repercusión que en cada caso ejercerán sobre los costos de funcionamiento o explotación, con frecuencia pesarán en la decisión definitiva otras consideraciones. Los métodos que lleva consigo el empleo de grandes efectivos de mano de obra pueden preferirse por ser necesario crear oportunidades de empleo debido a razones políticas o sociales. Lo que no debe pasarse por alto es que. la disponibilidad de factores puede modificarse bastante rápidamente a medida que el proceso de industrialización avanza. No cabe duda de que la mano de obra que hoy es abundante y económica irá haciéndose más escasa y más cara mañana en cuanto se capacite, se organice y adquiera mayor sentido de dignidad. Esto no debe considerarse una contingencia lamentable, sino que constituye la finalidad misma del fomento. El corolario es que al proceder a la elección de técnicas y proyectar la disposición de las fábricas, los métodos que exigen el empleo intensivo de mano de obra deben limitarse a aquellas fases del proceso que se prestan fácilmente a la mecanización en una etapa posterior cuando ya resulte económico. Esto se aplica sobre todo a las operaciones de manipulación de materiales en uno u otro polo del proceso de producción.

La explotación de los bosques y las industrias forestales brindan no pocas oportunidades para absorber mano de obra subempleada y desocupada. Incluso en los países adelantados, casi todas las operaciones que se llevan a cabo en los montes, se confían a trabajadores manuales: así por ejemplo la repoblación, las claras, las podas, los trabajos de vivero y algunos aspectos de la lucha contra insectos e incendios, no se prestan fácilmente a la mecanización y estas operaciones sólo en raras ocasiones se mecanizan y eso exclusivamente en países en que la mano de obra es extraordinariamente escasa y cara. Lo mismo se aplica a muchos aspectos de la explotación forestal, salvo en aquellos contados casos en que el gran tamaño de las trozas obliga a la mecanización. Lo que debe recalcarse aquí, sin embargo, es que la mecanización limitada o insignificante no debe implicar métodos primitivos de trabajo. En todas estas fases se brinda amplio margen para lograr aumentos espectaculares de productividad habilitando los oportunos medios de transporte y herramental sencillo y bien adaptado. Este herramental debe diseñarse de modo que se adapte a las condiciones locales, y en muchos casos será posible organizar su fabricación localmente en pequeños talleres.

Por lo que se refiere a las propias instalaciones de elaboración de la madera, es de temer que en el pasado se hayan desaprovechado no pocas oportunidades de ahorro o economías de capital. Esto puede deberse en parte al hecho de que con frecuencia sea más fácil para un empresario, contratista o ingeniero operar partiendo de diseños y trazados ya establecidos en vez de analizar todos y cada uno de los aspectos con vistas a economizar capital dadas las condiciones locales. En la construcción de fábricas, por ejemplo, pueden emplearse con frecuencia trabajadores manuales en vez de maquinaria de construcción costosa para excavar cimientos, construcción de carreteras, etc. En los edificios puede hacerse uso de materiales de construcción locales baratos, y si el clima lo permite la construcción al aire libre puede prestarse para ciertas fases de las operaciones. Una concienzuda planificación a cargo de personal clave puede contribuir mucho a reducir el tiempo invertido efectivamente en la construcción y por tanto los desembolsos de capital. Por ejemplo, una fábrica de pasta y papel que pueda costar 18 meses de construir en un país adelantado, suele costar tres años o más en un país subdesarrollado, lo cual por si solo aumenta de un 5 a un 10 por ciento la cuantía de la inversión. Rara vez puede anularse esta diferencia, pero con una planificación eficaz es posible disminuirla y lograr así considerables economías.

Las máquinas de aplicaciones múltiples que brindan flexibilidad en el programa de producción suelen presentar ventajas sobre las máquinas de un solo uso cuando las series de producción son pequeñas, esto se aplica no sólo al caso de la fabricación de papel sino también en aquellas industrias como las de mueblisteria y ebanistería. Shonfield15 concede mucha importancia a la maquinaria anticuada en buen estado, afirmando que gran parte del equipo que hace falta en las primeras etapas de industrialización puede habilitarse-fácilmente de segunda mano. No cabe duda que se trata de una fuente que no hay que despreciar, pues debe reconocerse que la disponibilidad relativa de factores que hizo que esta maquinaria quedara anticuada en otros lugares, es muy distinta de la que se da en el caso de los países en desarrollo. En efecto, algunas de las industrias forestales importantes que hoy existen dieron sus primeros pasos con equipos de segunda mano. Seria, sin embargo, un error exagerar el papel que la maquinaria de segunda mano puede desempeñar: primero, no siempre se adapta bien a las materias primas locales; segundo, los accesorios y piezas de repuesto plantean a veces graves problemas; tercero, tiende a crear una demanda excesiva de mano de obra especializada. Debe observarse, de paso, que la reciente tendencia hacia la automatización en el control de la producción en los países industrializados se aplica en gran medida a la industrialización en los países en desarrollo. No tiene nada de peregrino ni de contradictorio instalar equipo electrónico dentro de la fábrica, donde puede sustituir al personal especializado que tarda años enteros en formarse y adquirir experiencia, y en cambio, para las operaciones en los apiladeros, emplear en abundancia obreros manuales.

15 SHONFIELD, ANDREW. The attack on world poverty. Londres, 1960, pág. 163 et seq.

Es del dominio público que los coeficientes de funcionamiento (la relación entre la producción efectiva y la capacidad nominal o global) son mucho menores en los países en desarrollo que en los industrializados. Esto constituye uno de los principales motivos de desperdicio de capital. La causa más frecuente de interrupciones y del mucho tiempo perdido a que dan lugar se debe al bajo nivel del entretenimiento o mantenimiento y a los retrasos en la obtención de accesorios y piezas de repuesto. Un esfuerzo sostenido puede reducir estas pérdidas, v. gr. haciendo especial hincapié en el mantenimiento preventivo y planificado, normalizando el equipo auxiliar, como por ejemplo los motores électricos, las bombas, etc. Existen, de hecho, muchos tipos de equipo auxiliar común a las industrias forestales y a otros sectores industriales. Un detenido estudio de las necesidades conjuntas bien pudiera justificar la producción nacional de tales artículos Es éste no sólo un útil procedimiento de sustituir los materiales importados sino que el hecho de que se disponga de ellos localmente puede contribuir en gran medida a aprovechar las inversiones fijas de un modo más eficaz en todas las industrias que los utilizan reduciendo el tiempo muerto de las máquinas. Puede también contribuir a ello la instalación de talleres centrales de reparación que sirvan a distintas industrias.

Muchas de las industrias forestales - contrachapados chapas, tableros de alma llena, ebanistería, mueblistería, conversión de papel, para citar unas cuantas - se prestan para operaciones en escala modesta y pueden montarse en fincas industriales, donde todos los tipos de servicios comunes pueden reducir las necesidades de capital para cada empresa individual, asegurando asimismo que se utilice eficazmente el personal directivo y de otra naturaleza.

Las industrias forestales de los países en desarrollo requieren con frecuencia mucho más capital de explotación que las de los países industrializados por falta de coordinación eficaz entre los programas de producción en la fábrica y las tendencias en las ventas. El estudio especial de estos problemas y la adopción de varios sistemas sencillos de fiscalización de las existencias, que se han desarrollado ahora pueden contribuir a reducir las necesidades de capital de explotación.

Se han subrayado ya en medida suficiente las dificultades con que tropiezan los países en vías de desarrollo a causa de lo limitado del mercado interior. Al propio tiempo, se ha puesto suficientemente de manifiesto que, por lo que respecta a los productos forestales, los mercados se encuentran en expansión continua, que a veces es muy rápida. Por tanto, todas las nuevas empresas deben planificarse desde el primer momento con vistas a la subsiguiente expansión, y esto se refiere no sólo al área productora de la materia prima, sino también a los terrenos, edificios, disposición de las instalaciones, etc., así como en algunos casos a la elección de la instalación de elaboración. Esto exigirá una inversión levemente mayor por unidad de producción en los primeros momentos, pero se traducirá en economías muy considerables de capital posteriormente, quizá, a los dos o tres años. En la industria de la pasta y. el papel, por ejemplo, -la nueva inversión necesaria para aumentar la capacidad de una fábrica existente sólo supone del 50 al 70 por ciento de la necesaria para montar una - fábrica aparte de capacidad equivalente.

Huelga advertir que esta breve reseña de las posibilidades de ahorro de capital no pretende ser completa, sino meramente indicativa. Sin embargo, sirve para poner de manifiesto que existen muchísimas posibilidades, no todas las cuales han sido advertidas en el pasado. Una de las razones es, por supuesto, la de que hasta la fecha el mercado total de equipo para industrias forestales en los países en desarrollo ha sido bastante pequeño con relación a las necesidades anuales de los países industrializados. El es que han sido pocos los fabricantes que se han preocupado algo de las necesidades especiales de los países en desarrollo. En el curso del próximo decenio estas necesidades de equipo representarán de por si un mercado muy considerable. Anteriormente hemos visto que las necesidades totales de inversión en las industrias forestales primarias de los países menos desarrollados podrían ascender a 5.000 millones de dólares hasta 1970, si el desarrollo industrial se registrara en la medida necesaria para impedir que las importaciones de productos de madera elaborados sigan aumentando. Dos terceras partes o más de dicha suma representarían gastos en equipo industrial forestal. Es evidente que los fabricantes que atiendan a diseñar y a fabricar lo que se necesita, en vez de seguir vendiendo el material que están acostumbrados a fabricar, se encontrarán en las mejores condiciones para aprovechar las oportunidades que este mercado de expansión brinda. Es evidente, también, que la escala de la expansión en muchos de los mayores países en desarrollo brinda oportunidades para la fabricación nacional de parte, si no de todo, el equipo necesario.

Determinación del papel de los montes

La intima relación mutua entre el sector de la explotación forestal y el de la industria forestal, significa que la condición previa para todo desarrollo racional a largo plazo de las industrias forestales lo constituye un plan forestal coherente. La planificación de la explotación forestal, teniendo debidamente en cuenta los demás sectores económicos, supone:

a) La estimación de la futura demanda de madera y de las utilidades que los bosques pueden proporcionar aparte de la producción. Esto se refiere tanto a los montes ya existentes como a aquellos que haya que crear.

b) Estimación de las proporciones y la naturaleza de la riqueza forestal y evaluación de la medida en que la explotación forestal podría disponer de factores esenciales de producción.

c) Determinación del plan dentro del mareo de las necesidades económicas del país, así como de las medidas para la ejecución del plan.

Los planificadores, sobre todo en países donde la economía está en las primeras fases de desarrollo, encontrarán frecuentemente insuficientes los datos en que las decisiones deben basarse. Tal falta de datos no debe retrasar la planificación excesivamente. Por muy provisionales que sean, hay que elaborar planes y ponerlos en práctica; siempre podrán revisarse a medida que se completen los conocimientos con que se cuenta. Esto reviste particular importancia cuando intervienen tendencias hostiles a los montes que pueden provocar considerables daños en breve espacio de tiempo.

ESTIMACIÓN DE LA DEMANDA DE MADERA

Se impone estudiar la futura demanda interna de madera en todas sus formas desde leña y la madera para aserrío, hasta el componente-madera de productos complejos tales como el papel y el cartón, y a atender asimismo a los planes de exportación, si procede.

Hay que establecer proyecciones de la demanda tal y como queda condicionada por las posibilidades del consumo interno y de la exportación para los próximos 15 ó 20 años, indicándose las proporciones y composición de la demanda a intervalos convenientes, como por ejemplo cada cinco años. Estas proyecciones de la demanda (que permiten especificar las necesidades de madera rolliza que ha de satisfacer el monte) son derivaciones de las proyecciones de la demanda más detalladas necesarias para especificar los planes de la industria forestal, tanto para el periodo de planificación industrial inmediato, sea éste de 3, 5 ó 7 años, como para el plan en perspectiva de 15, 20 ó 25 años que en este sector debe constituir el mareo en que se inserte el plan de ejecución a plazo más corto. Como muchas empresas de explotación forestal exigen un espacio de tiempo que es considerablemente superior a los 15 ó 20 años para llegar a su pleno rendimiento, deben estudiarse también los cambios en la demanda en un futuro más lejano. Es cierto que puede ser limitada la posibilidad de adoptar medidas pertinentes dentro del periodo comprendido por el plan a corto plazo, pero ésta no es razón para desatender probables cambios a largo plazo. Las perspectivas a largo plazo han de tenerse particularmente en cuenta al adoptar decisiones relativas a las políticas integradas de aprovechamiento de la tierra, comprendidas las cuestiones de reservas forestales, y tomar medidas provisionales a tal efecto.

El consumo interno y la exportación se condicionan mutuamente. Son complementarios cuando conducen a economías escalares o cuando creando un mercado más variado permiten un aprovechamiento más completo del recurso: como es sabido, la explotación forestal intensiva suele dar madera de distintas especies o de la misma especie pero apropiada para distintos usos o ambas cosas, en tanto que la industrialización maderera rinde productos de distintas calidades y a veces varios productos vinculados. En cambio existen también situaciones en que las necesidades de exportación y las interiores no pueden conciliarse y los planificadores han de sopesar las ventajas que suponen los ingresos aportados por la exportación frente a las futuras dificultades para atender a tales necesidades.

Al estudiar la demanda futuras deben evaluarse las posibilidades de una sustitución deliberadamente planificada. Muchos productos basados en la madera pueden sustituirse por otros que no tienen tal naturaleza y viceversa: existen posibilidades importantes y cada vez mayores de sustitución dentro del campo de la madera propiamente dicho. Las clases y calidades de madera que son relativamente abundantes o que pueden producirse rápidamente en plantaciones pueden servir como sucedáneos de materiales más escasos. La búsqueda de posibilidades de sustitución o intercambiabilidad puede revestir gran importancia para una economía en expansión como medio de ahorrar importaciones o de allegar ingresos derivados de las exportaciones. En algunos casos puede considerarse útil emplear temporalmente sucedáneos que sean en cierto modo de calidad inferior. La sustitución puede suponer un estudio técnico, obligando además a vencer la inercia y los prejuicios.

ESTIMACIÓN DE EA DEMANDA DE OTRAS UTILIDADES DE LOS MONTES QUE NO SEAN SU PRODUCCIÓN

Estas utilidades, que actualmente suelen denominarse influencias del monte, pueden agruparse del modo siguiente atendiendo a una reciente clasificación: 16

16 FAO. La influencia de los montes. Estudios de silvicultura y productos forestales, N° 15, Roma, 1962.

a) Influencias directas, que corresponden más o menos a los efectos mecánicos, o más bien las influencias en que el efecto mecánico parece desempeñar un papel preponderante. En esta categoría figuran la acción protectora del bosque contra el desprendimiento de piedras provenientes de peñascales o derrubios situados más arriba, así como contra los aludes y sobre todo contra el viento.

b) Influencias indirectas, comprendidas aquellas en que los efectos fisicoquímicos desempeñan el papel principal, aunque tampoco en este caso exclusivo. Son éstas las que al modificar el medio ambiente permiten que el monte influya sobre la retención del suelo y el ciclo hidrológico.

c) Influencias psicofisiológicas, categoría que al parecer ha de diferenciarse, si bien como sucede con las demás categorías, las influencias que podrían clasificarse en este grupo se derivan en gran parte de efectos mecánicos o fisicoquímicos. Pero han adquirido una importancia tan grande, sobre todo en los países fuertemente industrializados, donde hay un acentuado crecimiento demográfico, que no se las puede pasar por alto. Son éstas las que actúan directamente sobre el hombre al crearle un medio ambiente más favorable: aire puro, zonas de recreo y descanso (espacios verdes), turismo, deporte, etc.

Las influencias del monte forman parte de la infraestructura económico-social de un país; como es de esperar, el público en general no conoce su utilidad en la misma medida que en el caso de los elementos infraestructura les que entran en la vida cotidiana de la mayoría de los ciudadanos, como carreteras, escuelas o servicios médicos. Asimismo, el conocimiento científico de algunas de las influencias más complejas de los montes está relativamente poco adelantado. Con todo, no cabe duda de que su importancia global para la comunidad es enorme.

Desde el punto de vista de la planificación, las influencias del monte deben evaluarse con referencia a los sectores económicos y otros sectores de vida a que estas influencias afectan: los efectos protectores de las barreras protectoras no tienen importancia, salvo con relación a los cultivos que quedan defendidos contra la acción del viento. La utilidad sanitaria y recreativa de una barrera protectora sólo adquiere sentido cuando se considera con relación a una ciudad, y así sucesivamente. En este sentido, las influencias forestales son de la competencia del planificador agrícola, del planificador urbano, etc. y es función de éstos decidir si los fines que se proponen deben alcanzarse recurriendo a la silvicultura o a otros medios, siempre que haya alternativa.

Sin embargo, como los montes rara vez desempeñan funciones ajenas a la producción de madera - ya que casi siempre producen también al propio tiempo madera o se puede hacer que la produzcan -, y como por otra parte todo monte puede desempeñar alguna de las funciones ajenas a la producción maderera en determinadas circunstancias, tales funciones o influencias de los montes no pueden separarse de la planificación forestal. Es forzoso, pues, estimar las futuras necesidades con relación a la probable evolución por lo que se refiere a cultivo, colonización, expansiones urbanas, etc.; estas evaluaciones constituyen elementos indispensables del plan relativos al sector forestal, pero sólo pueden derivarse de los demás sectores económicos y de las necesidades globales de la región.

Al planificar el tratamiento de un monte, es difícil a veces decidir si una determinada zona merece especial atención a causa de las funciones no productoras que ejerza o pueda ejercer en el próximo futuro; el sentido común indica que la incertidumbre a este respecto justifica proceder con cautela.

ESTIMACIÓN DE LAS PROPORCIONES Y NATURALEZA DE LA RIQUEZA FORESTAL

Esto lleva consigo el estudio de los datos disponibles y el acopio de nuevos datos mediante inventarios forestales y estudios afines. En regiones dotadas de grandes recursos forestales, tales inventarios pueden exigir muchos años de trabajo; no obstante, algunos de los datos pueden necesitarse urgentemente para la labor de planificación. Con frecuencia se plantean situaciones que requieren bastante buen juicio para decidir acerca de la prioridad geográfica y del grado de precisión que la inventariación deba tener. Conviene distinguir tres tipos de inventariación de distinta intensidad, apropiado cada uno a distintas fases de planificación. Los reconocimientos se destinan a proporcionar con poco gasto datos preliminares relativos a la localización y extensión de grandes zonas de bosque.

En la fase siguiente se necesita una clasificación más detallada de las zonas boscosas unida a estimaciones del volumen de la madera en pie y de algunos datos sobre especies y dimensiones. En último término se necesitará cubrir con esta intensidad de inventariación todo el territorio de la nación, y en los países en desarrollo las zonas así inventariadas pueden considerarse como las primeras contribuciones al inventario forestal nacional. Aunque evidentemente son más caras que los reconocimientos, el costo por unidad de superficie no tiene por qué ser muy elevado. En esta fase cabe ya adoptar decisiones provisionales, positivas o negativas por lo que respecta al abastecimiento de madera, acerca de los proyectos potenciales.

Para una decisión definitiva y en particular como preliminar a toda explotación en que quedarán incorporadas las decisiones sobre ordenación relativas a la zona proveedora de madera hacen falta inventarios mas intensivos. En esta etapa resultarán esenciales mapas forestales detallados, asimismo las estimaciones de volumen por especies y clases de diámetro y, preferiblemente también, por clases de calidad. Evidentemente, el costo por unidad de superficie será bastante más alto que para los inventarios forestales nacionales y, a fortiori, que para los reconocimientos.

Hasta hace pocos años, uno de los más graves obstáculos que se oponían al desenvolvimiento de las industrias forestales en los países menos desarrollados los constituían el cuantioso gasto que entrañaba la obtención de datos esenciales sobre los recursos forestales. Tres hechos se han unido para cambiar radicalmente este estado de cosas. Primero, los enormes adelantos logrados en la fotogrametría aérea y su interpretación: las nuevas cámaras de alta precisión, los lentes gran-angular, las fotografías infrarrojas, las películas mejoradas y las impresoras electrónicas son elementos que han desempeñado su papel en la obtención de fotografías aéreas de mejor calidad, de las cuales cabe sacar mayor volumen de información. Segundo, la aplicación de técnicas modernas de muestreo estadístico a las encuestas forestales que ha hecho posible una mayor precisión a menor costo. Tercero, la aplicación de los métodos modernos de elaboración de datos a la compilación y análisis de datos de inventarios.

No sólo hace falta información sobre la naturaleza física de los montes - su superficie, emplazamiento, composición, volumen de madera, crecimiento, etc. -, sino también sobre su distribución con arreglo al régimen de propiedad y al tamaño de los distintos predios; estas últimas consideraciones pueden ejercer influencias decisivas sobre el derrotero que haya de seguir la evolución subsiguiente. Deben comprobarse la medida y los métodos de tratamiento y aprovechamiento, industriales y otros, como asimismo las funciones no productoras de las diversas zonas forestales.

EVALUACIÓN DE LA DISPONIBILIDAD DE FACTORES DE PRODUCCIÓN

Se impone evaluar las disponibilidades en tierra, potencial humano y capital.

Tierra

La repoblación supondrá que queden ocupadas tierras actualmente desarboladas. Inversamente, algunos de los actuales montes habrán de ceder el paso a la agricultura de labrantío, los pastos, poblados, etc. En uno u otro caso, no cabe adoptar decisiones bien fundadas acerca del aprovechamiento más oportuno de una determinada extensión de terreno si no es dentro del marco de un programa coordinado de aprovechamiento de la tierra.

El dedicar las tierras forestales a otros usos no debe decidirse sin sólidas razones; tal medida ha sido lamentada posteriormente en casos incontables. La renuncia a tierras forestales puede entrañar varias pérdidas. En primer lugar, es obvio que la zona interesada deja de producir madera. En segundo término, la producción total de madera en la localidad puede disminuir en detrimento de los futuros abastecimientos a la población o del desarrollo industrial forestal. En tercer lugar, y a pesar de las buenas intenciones, no pueden por menos de quedar menoscabadas importantes funciones no productoras del monte. Además de todo esto, el desbosque supone con mucha frecuencia un desperdicio sensible de madera que resulta difícil o aún imposible evitar. La pérdidas probables han de contrapesarse con los beneficios inherentes al cambio de aprovechamiento y si se resuelve a favor de este último la pérdidas deben reducirse en lo posible al mínimo.

Huelga decir que el restar zonas a la producción forestal carece de sentido a menos que las tierras presenten con carácter permanente condiciones favorables al nuevo aprovechamiento. En muchos de los planes de colonización del pasado no se atendió suficientemente la aptitud de la tierra, y ahora que la necesidad de una distribución más equitativa de las tierras agrícolas se ha convertido en problema apremiante en muchos países de América Latina y en otros puntos, existe el peligro de que el apresuramiento o la adopción de métodos expeditivos o ambas cosas, pueda traducirse en que se repitan los errores cometidos en el pasado. En determinadas circunstancias la colonización convenientemente realizada puede contribuir a atenuar los problemas agrarios. Pero a menos que la tierra sea apta para tal fin, la extensión del cultivo no mitigará la miseria rural, sirviendo únicamente para aumentar su ámbito.

Conviene también tener presente que con frecuencia la producción forestal puede coadyuvar a la colonización de un modo muy directo: las operaciones forestales pueden contribuir a igualar la distribución del trabajo de los colonos a lo largo de las estaciones del año, procurándoles ingresos en efectivo que necesitan urgentemente; en algunos casos, el pastoreo regulado en el monte puede beneficiar al ganado reduciendo al propio tiempo el peligro de incendios en el monte, etc. Estos aspectos del aprovechamiento forestal se pasan a veces por alto en el clamor por más tierra agrícola.

Efectivos de mano de obra

El tratamiento y la explotación de los montes existentes y el establecimiento de plantaciones en nuevas zonas exigen el empleo de mano de obra de distintos grados de preparación. En las economías subdesarrolladas el elemento director y profesional tiende a ser escaso, como asimismo la mano de obra especializada, mientras la mano de obra nada o poco especializada tiende a ser abundante, si bien pueden registrarse escaseces locales o en ciertas temporadas del año. Con frecuencia, la disponibilidad de personal administrador capaz es decisiva. Cuando cabe contar con éste, una gran parte de las funciones administrativas y manuales, necesarias en la explotación forestal pueden dividirse y distribuirse de tal modo que permita economizar elementos escasos o relativamente escasos, facilitando al propio tiempo la capacitación a distintos niveles. En tal capacitación debe evitarse todo afán de proceder a una formación extensa, debiendo al contrario limitarse a lo esencial a fin de disponer rápidamente del potencial humano requerido.

Si bien la continuidad de las operaciones es muy importante en la producción forestal, gran parte de la labor manual no está vinculada a fechas rigurosas, de modo que es posible emplear mano de obra exceden, tarja estacional procedente de la agricultura, mano de obra desocupada, efe. Estas importantes posibilidades debern tenerse en cuenta.

Capital

La característica de escasez de capital en las economías subdesarrolladas afecta a la silvicultura como a todas las demás actividades. Las necesidades planteadas por la producción forestal dependen en medida relativamente reducida de las disponibilidades de divisas siempre que sea posible sustituir el equipo costoso, que habría que importar, con el empleo de mano de obra cuya productividad aumenta, recurriendo a herramental adecuado o a maquinaria pequeña poco costoso.

Como la propiedad pública ocupa un lugar muy importante en los montes de todo el mundo, una gran parte de toda actividad forestal está en manos de los organismos oficiales, centrales o locales. Su financiación suele seguir los procedimientos generales de presupuesto del país o localidad interesados; en ocasiones se habilitan fondos especiales o subvenciones en bloque para sufragar gastos departamentales durante algunos años. Los departamentos forestales en la mayoría de los países han venido a considerarse como entidades de naturaleza casi comercial; se espera que aporten los máximos dividendos posibles compatibles con un funcionamiento racional. Sin embargo, es insólito que un departamento presente un superávit en las primeras etapas de trabajo, aun cuando controle recursos forestales valiosos, toda vez que son necesarios considerables insumos para someter los montes a la conveniente ordenación. Además, las ventas del producto han de llevarse a cabo de un modo que se traduzca en el desenvolvimiento industrial forestal más que en ingresos del departamento.

Con el desarrollo de la financiación internacional encaminada a beneficiar a los países subdesarrollados, algunos gobiernos han podido obtener fondos de fuentes internacionales y bilaterales, bien en forma de préstamos o subvenciones, para inversiones infraestructura les que han facilitado o acabarán por facilitar de un modo bastante inmediato el desarrollo de sus bosques: inversiones como construcción de carreteras o de centrales eléctricas dentro de estas regiones o en sus proximidades. No parece existir razón tangible: que haga imposible una financiación similar para ciertas inversiones en la silvicultura propiamente dicha, como la plantación y la repoblación que pueden ser necesarias para complementar los recursos forestales locales cuando, por ejemplo, estos últimos constituyen una buena base para iniciar una industria forestal, pero hace falta la plantación efectuada por el servicio oficial a fin de asegurar abastecimientos a largo plazo. En un caso como éste, el pago del interés y la amortización del capital pueden ser, en efecto, más fáciles que en los préstamos infraestructurales de carácter más convencional, toda vez que la seguridad de contar con fondos para la repoblación creará la posibilidad de vender a la industria madera procedente de los montes públicos existentes.

El capital a crédito desempeña un importante papel en la explotación forestal por empresas comerciales; tales fondos suelen obtenerse para el conjunto de sus actividades, de las cuales una es la forestal. En varios países, el gobierno ha facilitado créditos especiales a largo plazo a los propietarios forestales, comunidades y cooperativas para fines tales como la repoblación y el avenamiento en los montes. Por lo común, este tipo de crédito va unido a determinadas medidas de fiscalización gubernamental y puede constituir un útil instrumento de política para asistir o ayudar, subvencionar y controlar la explotación forestal no estatal.

DETERMINACIÓN DEL PLAN Y DE LAS MEDIDAS QUE DEBEN ADOPTARSE

En la mayoría de los países subdesarrollados, los programas forestales habrán de juzgarse en muy gran medida por su efecto global sobre la balanza de pagos y el aumento de la riqueza nacional con relación a determinados objetivos. Por ejemplo, un programa forestal podría evaluarse por la medida en que al poporcionar la materia prima básica para las industrias forestales contribuirá a la cuantía del capital disponible para la inversión anual en la economía que se considere necesaria, a fin de mantener un cierto ritmo de desarrollo económico. Sean cuales fueren los criterios adoptados, la calidad de las decisiones al determinar el plan forestal dependerá en gran medida de los conocimientos y planificación con que se cuente en cuanto a todos los sectores de la economía, incluso el comercio exterior relativo a cada uno de ellos.

Independientemente del insumo total asignado a la producción forestal de la región, la distribución de este insumo variará con arreglo al estado, desde el punto de vista técnico, y a la importancia económica de las masas forestales; y la intensidad del tratamiento puede variar desde la protección mínima contra los agentes destructores, principalmente los incendios en zonas remotas, a la ordenación más intensiva y el tratamiento silvícola en las inmediaciones de las industrias consumidoras de madera. Normalmente, en los planes de explotación se fijarán los objetivos y el procedimiento de trabajo para cada una de las grandes zonas y sus subdivisiones.

En algunos casos pueden someterse a explotación las zonas forestales vírgenes. En principio, la explotación de tales zonas es conveniente por significar la movilización de nuevos recursos y cuando existe peligro de incendios facilitará la lucha contra éstos, al hacer tales zonas más accesibles, crear colonias de trabajadores forestales a los que se puede recurrir en casos urgentes, etc. Sin embargo, supone también algún peligro. La entrada en estas zonas puede distraer la atención respecto de la necesidad del mejor aprovechamiento de las que se encuentren ya en explotación; puede llevar consigo la extensión de prácticas de explotación poco aconsejables. Con frecuencia, puede resultar más prudente dejar en paz las nuevas zonas de selva virgen hasta el momento en que la organización forestal haya progresado en un grado tal que sea posible acometer los trabajos con relativa facilidad.

Técnicamente, los trabajos de forestación no tienen por qué presentar diferencias respecto de la replantación de zonas taladas. En el aspecto financiero se suscita con frecuencia una diferencia importante, toda vez que este segundo tipo de plantación se emprende en el seno de una empresa forestal en marcha; en el primero, en cambio, no ocurre así con gran frecuencia. En regiones muy pobres en bosques, es improbable que la forestación modifique la situación radicalmente dentro del espacio normal de tiempo comprendido por el plan forestal. No obstante, con frecuencia puede hacerse mucho con un insumo relativamente modesto, por ejemplo cuando la madera procedente de plantaciones de especies de crecimiento rápido puede suplir el desperdicio de madera de otras fuentes en proporción que permita el establecimiento de una industria local.

La silvicultura ocupa un lugar un tanto peculiar en el ideario político de la mayoría de los países desarrollados, incluso los dotados de economías liberales, por cuanto la propiedad pública o, al menos, una gran parte de la intervención directa o indirecta en la empresa privada y en otras empresas no estatales viene considerándose desde hace tiempo una necesidad. En el curso del tiempo se ha recogido un ingente cúmulo de experiencias, en las circunstancias más variadas, sobre los métodos de administración, organización, ordenación y explotación que mejor se prestan para los montes estatales, las técnicas de venta de sus productos, el papel del Estado en la capacitación e investigaciones forestales, etc., como también sobre el alcance y las limitaciones de numerosas técnicas de intervención estatal mediante la asistencia y la regulación legislativa. En muchos casos la asistencia estatal ha resultado más eficaz y la fiscalización menos fatigosa cuando se ejercía o prestaba por intermedio de cooperativas y otras asociaciones de propietarios forestales.

Los encargados del sector forestal en los países subdesarrollados podrán recurrir a esta vasta experiencia al estudiar los métodos de gestión de los montes públicos y de lograr la coordinación global mediante la intervención pública. Quizás sean necesarias unas palabras de advertencia: la planificación que se pase de rosca, que deje de tener en cuenta las limitaciones locales, sobre todo las impuestas por los efectivos y capacitación del personal profesional y administrativo de los servicios forestales, constituye una parodia de planificación En el pasado se han registrado con harta frecuencia casos de promulgación de leyes forestales cuyas disposiciones resultaron inaplicables en la práctica por carecerse de medios para aplicarlas o por falta de aceptación popular; de concesiones otorgadas que contenían admirables disposiciones sobre medidas silvícolas que habían de acompañar a la explotación, disposiciones desatendidas en la práctica por falta de control profesional; de ambiciosos planes de plantación que después de haber sido anunciados con una publicidad extremada no han hecho más que morir en silencio mientras los fondos a ellos asignados se destinaban tranquilamente a otros usos.

La moraleja no es que los encargados de la elaboración y ejecución de planes forestales deban bajar sus miras o ahogar su sentido de la urgencia, sino que, a menos que dentro del marco del plan se adopten las disposiciones oportunas para formar cuadros capacitados y para garantizar perspectivas profesionales que aseguren al servicio forestal contra todo menoscabo de su función, el plan será incompleto.

La planificación del fomento industrial forestal

En sus aspectos generales, los problemas de planificación del desarrollo de las industrias forestales tienen mucho en común con los de la planificación de cualquier otro sector industrial. De estos aspectos generales, de la planificación y programación del desarrollo industrial no nos ocuparemos en estas páginas, por estar ya bastante documentados.l7

17 Por ejemplo, en las publicaciones de la División del Desarrollo Industrial de las Naciones Unidas y en las do las Comisiones Económicas Regionales de las Naciones Unidas. Sin embargo, no existe hasta la fecha un compendio satisfactorio de información específica - necesidades técnicas, datos de funcionamiento, etc. - relativo al sector de las industrias forestales.- La FAO tiene actualmente en preparación una bibliografía para el desarrollo de las industrias forestales y se propone publicar posteriormente un manual de planificación de las industrias forestales.

Nos limitaremos, pues, a llamar la atención sobre determinados aspectos : espaciales de la planificación del desarrollo industrial forestal que se derivan de las particulares características de estas industrias y de su relación con otros sectores de la economía.,.

LOS PLAZOS DE EA PLANIFICACIÓN

El forestal y el planificador del desarrollo industrial difieren inevitablemente en la importancia que conceden a los distintos plazos de la panificación.. Hemos llamado ya la atención sobre la naturaleza a largo plazo de muchas operaciones forestales, y sobre la consiguiente necesidad de proyecciones de las necesidades a largo plazo, por muy aproximadas que sean, a fin de establecer un orden de magnitud de las futuras demandas a que tendrá que atender el monte en su calidad de «leñera» de las industrias forestales. Son pocos los demás sectores de la economía que tengan la misma necesidad de hacer previsiones con tanta anticipación toda vez que las consideraciones que se aplican a plazos muy prolongados (v. gr. que llegan a finales de siglo) pesan menos en las decisiones que deben adoptarse actualmente. El planificador industrial ciertamente se preocupa sobre todo del periodo de planificación económica general actual o inminente, para los tres, cinco o siete años próximos. En años recientes se ha registrado la tendencia a recurrir a la planificación de larga perspectiva, o sea, a establecer esquemas amplios y metas provisionales para los quince o veinte años siguientes a modo de base en que se asiente la planificación actual. En estos casos el plan actual se considera como la primera etapa para el plan futuro. El propio plan de larga perspectiva (así como su segunda etapa, o sea el siguiente plan a corto plazo) va modificándose y adaptándose progresivamente con arreglo a los nuevos datos o necesidades y posibilidades y en particular teniendo en cuenta lo conseguido en los pasados períodos del plan.

La planificación de larga perspectiva tiene todas las consideraciones a su favor, siendo significativo que vaya adoptándose cada vez más tanto en las economías planificadas como en aquellas que se basan principalmente en la libertad de empresa. Sin embargo, la circunstancia que hay que recalcar en este orden de ideas es que, en el caso del desarrollo industrial forestal, la planificación de larga perspectiva es forzosa, lo cual se deduce evidentemente de las características de la producción forestal que antes hemos expuesto. Para establecer una fábrica de pasta y papel en una determinada localidad dentro de diez o quince años puede ser necesario intervenir en el monte ahora, v. gr., para complementar el recurso, para atender a su reposición gradual mediante plantaciones o simplemente para asegurar que tal recurso exista todavía cuando se necesite. Pero hay obra consideración más que milita a favor de la planificación a largo plazo. La realización de algunos grandes proyectos del sector de las industrias forestales puede costar de cinco a siete años si, como frecuentemente ocurre, los estudios sobre la posibilidad de realización han de dar comienzo con un detallado inventario del recurso forestal. Inevitablemente, tales proyectos desbordan el periodo de un plan para entrar en el siguiente. Lo que hace falta, por tanto, es un grupo encargado de la planificación anticipada que pueda establecer previsiones que lleguen más allá del periodo de planificación inmediato, grupo capaz de asegurar que los recursos no sean mal asignados en el plan a corto plazo. Para atender 0 alcanzar las metas generales que han sido adoptadas deberá procederse al estudio de una serie de proyectos especificos. A medida que la labor de investigación se ultime, algunos podrán llevarse a la práctica inmediatamente; otros serán desechados; otros, por último, se acometerán a medida que los recursos lo permitan y que la necesidad surja. Dicho de otro modo: el plan a corto plazo no debe incluir solamente ciertos proyectos específicos que han de realizarse dentro del periodo comprendido por el plan, sino que debe comprender asimismo disposiciones para el acopio de datos, investigaciones experimentales y planificación de proyectos necesarios para sucesivos períodos de planificación.

OBTENCIÓN Y APROVECHAMIENTO DE DATOS SOBRE RECURSOS

Evidentemente, los datos relativos al recurso forestal, o sea, el inventario forestal, representan una clase importante de información necesaria para la planificación del desarrollo industrial forestal. Sin esta información no es posible preparar esquema alguno para las inversiones en las industrias forestales. En la sección anterior se tocaron algunos de los aspectos técnicos de la obtención de estos datos. Lo que queremos hacer resaltar aquí es que se trata de la clase de información que incumbe a los gobiernos mismos poseer. El costo de adquirirla, si bien muchísimo menor que hace un decenio, sigue siendo considerable y puede registrarse la inclinación a dejar el acopio de datos a empresarios e inversionistas potenciales. Esto es un error. A menos que los gobiernos cuenten con datos propios no estarán en condiciones de pesar los pros y centras de distintos proyectos o de pronunciarse sobre la validez de los proyectos que se les presenten. Si luego se plantea la cuestión - de concesiones o contratos,- es improbable que puedan negociar unas u otros en condiciones equitativas. Además, aun cuando se dé traslado al gobierno de los datos obtenidos por particulares, lo probable es que el inventario se habrá ajustado a las necesidades previstas (superficies, especies, dimensiones) del particular, por lo que o no se prestarán o resultarán insuficientes para evaluar las perspectivas de proyectos alternativos, quizás en otros ramos de la industria forestal. Este extremo reviste particular importancia en los momentos actuales en que la tecnología va consiguiendo rápidos progresos; siempre existe la posibilidad de que especies y dimensiones que actualmente no se tienen en cuenta puedan aprovecharse eficazmente en un futuro no lejano.

Una característica corriente que la explotación forestal ha presentado en el pasado en los países en desarrollo ha sido la de limitarse a un solo producto. Esto significa que se dejaba en el monte no poca madera útil por no adaptarse a los fines del explotante o a veces que la madera extraída se ha destinado a usos inferiores a los que merecían sus características intrínsecas. Han sido raros los casas de desarrollo industrial forestal integrado, con un pleno aprovechamiento del producto forestal. Sin embargo, los gobiernos tienen profundo intéres por el máximo aprovechamiento. de éste por razones tanto técnicas como económicas, y tratarán de influir en los explotantes en este sentido al negociar concesiones, cosa que difícilmente podrán hacer sin un cabal conocimiento de sus recursos forestales.

LA PLANIFICACIÓN BASADA EN LA DEMANDA

Las indicaciones generales sobre las tendencias de la demanda de productos forestales que bastan para fijar o establecer las metas de la producción forestal no son, claro está, suficientes para planear proyectos de industrias forestales. En tal caso son necesarias investigaciones mucho más detalladas sobre los mercados actuales y potenciales de determinados productos y calidades. En muchos países en desarrollo el punto de partida para una evaluación del consumo actual lo constituirá el examen de las estadísticas de importación 18 toda vez que las importaciones constituyen la única fuente actual de muchos productos forestales elaborados. Las proyecciones de la demanda basadas en parámetros como los ingresos por persona y el crecimiento demográfico pueden resultar útiles. Sin embargo, para considerar proyectos industriales concretos se impone entrar en mayores detalles, v. gr., investigando las necesidades concretas impuestas por los acontecimientos en otros sectores y particularmente las de los principales consumidores potenciales, por ejemplo, necesidades de: sacos para cementos; cajas y guacales para la exportación de frutas; madera aserrada y materiales laminados a base de madera para programas de construcción de viviendas, etc.

H emes hecho notar anteriormente que la mayor parte de la demanda de productos forestales consiste más en una demanda entre distintos sectores que por el consumo final. En muchos países en desarrollo, una parte muy considerable de la demanda total puede muy bien suscitarse en el propio sector público o como consecuencia directa de programas estatales: ferrocarriles y otros servicios, construcción de viviendas, edificios escolares, departamentos de obras públicas, etc. Por tanto, los gobiernos están en buenas condiciones no sólo para fomentar o promover el establecimiento de las oportunas industrias forestales sino también para influir en las normas de la producción.

La importancia de este papel se apreciará si se tiene presente que en los países en desarrollo puede corresponder a la construcción, a diferencia del equipo, del 50 al 70 por ciento de la inversión fija total. Así, a la construcción de viviendas y a los servicios urbanos corresponde una gran parte siempre que se registra una considerable migración de la población desde la agricultura a la industria, en tanto que la importancia de las obras y servicios públicos (ferrocarriles, muelles, transporte, agua, electricidad, escuelas, hospitales, edificios oficiales) es siempre grande en los primeros decenios del desenvolvimiento para disminuir posteriormente. No siempre se ha tenido plenamente en cuenta en los programas de desarrollo la gran importancia que tiene la construcción y muchas veces la escasa capacidad de edificación ha constituído el principal obstáculo para elevar el ritmo de formación de capitales. Un error corriente. consiste en no adoptar las oportunas providencias para el necesario volumen de producción de materiales y componentes de construcción.19

19 Es interesante hacer notar que en la U.R.S.S. uno de los principios primordiales al planificar la base material y técnica de la construcción es el de que su desarrollo vaya adelantando con respecto al aumento en el volumen de construcción previsto en el plan. Con este fin, para la producción bruta de la industria de materiales y construcción se proyecta un ritmo de aumento mayor que para el volumen total de construcción. Véase también A.T. REPENKO: The material and technical implementation of housing programmes. Report on the Seminar on housing surveys and programmes with particular reference to problems in the developing countries. Naciones Unidas, Ginebra, 1962.

En su calidad de gran consumidor, el Estado puede no sólo influir decisivamente en la demanda de madera aserrada, tableros a base de madera y otras clases de madera de construcción, sino que planificando convenientemente su demanda puede ayudar a las industrias a especializarse en la fabricación de piezas y componentes tales como paneles, ventanas, puertas, escaleras y soportes.

La falta de mano de obra especializada suele constituir un obstáculo que se opone a la expansión de la construcción. Por esta razón debe atenderse especialmente a los materiales de construcción que economizan mano de obra, como son los contrachapados, los tableros de partículas, los tableros de fibra y los tableros excelsior. En los países desarrollados la escasez de mano de obra en el ramo de la construcción ha constituído un principal factor para potenciar la demanda de tableros a base de madera.

No es necesario tratar aquí de las medidas normales que un país puede adoptar para fomentar el desarrollo industrial: exenciones de impuestos, aranceles, subvenciones, etc. Se trata de medidas comunes a todas las industrias y aquí nos ocupamos exclusivamente de los aspectos específicos de las industrias forestales. Sin embargo, hay otro punto a que dan lugar las características de la demanda de los productos forestales que quizá valga la pena mencionar. Ya hemos indicado que muchos de los productos forestales suelen ser en general intercambiables por lo que respecta a una amplia gama de usos finales. Esto se aplica, por ejemplo, a las tres principales industrias de materiales laminados a base de madera. Si actualmente no existe ninguna de estas industrias y si hay razones sólidas de orden técnico y económico para preferir desarrollar una más que las otras, una juiciosa regulación de las importaciones puede contribuir tanto a ensayar como a cebar el mercado.

LA IMPORTANCIA DE LA INFRAESTRUCTURA

El emplazamiento de los bosques con relación a las concentraciones de población, el volumen del transporte y las distancias que hay que recorrer tanto para procurarse la materia prima como para distribuir el producto y las necesidades técnicas de las industrias forestales son todos ellos factores que se aúnan haciendo que el desarrollo de este sector industrial - quizás más que el de cualquier otro - dependa en gran medida de que se consigan progresos en la habilitación de ciertos servicios o medios básicos infraestructurales: fuerza motriz, agua, carreteras y ferrocarriles, puertos. A primera vista este hecho podría resultar desalentador para emprender algo en este sector: No cabe duda alguna de que en el pasado ha ejercido un efecto inhibidor. Los gobiernos y las empresas privadas, atraídos por la idea de valorizar un determinado recurso industrial estableciendo una gran instalación industrial forestal bao renunciado frecuentemente a la empresa en cuanto han advertido que sería necesario crear de la nada las formas de capital social general que ya existen en los países industrializados, que el costo de habilitar estos servicios o medios habría de sufragarlo por completo el determinado proyecto de que se trataba y que esto aumentaría quizás en un 50 por ciento el costo de la inversión.

Hoy, la situación ha cambiado radicalmente. No sólo ha adquirido plena carta de naturaleza en los países en desarrollo el concepto de industrialización a título de proceso consciente y organizado sino que se ha llegado a comprender que todo desarrollo industrial satisfactorio sólo puede registrarse si los gobiernos se dedican deliberadamente a crear la indispensable infraestructura. Lo importante en el aspecto de la planificación es que en los planes de inversión en la infraestructura se tengan plenamente en cuenta las posibilidades de desarrollo industrial forestal que pueden aportar. Esto se aplica al trazar nuevas carreteras y ferrocarriles, emplazar centrales eléctricas y líneas de conducción de electricidad y crear o perfeccionar instalaciones portuarias. Una planificación juiciosa no sólo puede contribuir a crear nuevas industrias forestales sino que las industrias generadas representarán con frecuencia la primera gran aportación financiera de la inversión infraestructural efectuada. En algunos casos pueden constituir el elemento fundamental para decidir si conviene o no efectuar una determinada inversión infraestructuras.

PLANIFICACIÓN REGIONAL DENTRO DEL PAÍS

Unas palabras ahora sobre los aspectos regionales de la planificación. El hincapié hecho en la planificación regional y el grado de iniciativa concedido a las regiones tanto en la formulación como en la ejecución de los planes variará de un país a otro. El problema central estribará siempre en encontrar el procedimiento más eficaz para aprovechar las energías y entusiasmos locales sin incurrir en falta de congruencia en los objetivos perseguidos ni cometer errores de sincronización tanto entre unas regiones y otras como entre los objetivos centrales y los regionales. Huelga advertir que en países grandes es inevitable una considerable medida de descentralización si se quiere que la planificación sea eficaz.

Los aspectos regionales de la planificación revisten particular importancia para la producción y las industrias forestales. En el plano regional es donde las funciones no productoras del monte pueden apreciarse mejor y comprenderse más cabalmente las repercusiones sociales de los derechos consuetudinarios. Además, en el aspecto industrial, si bien ciertas industrias forestales evidentemente han de tener un alcance nacional para prosperar, hay otros ramos que pueden funcionar satisfactoriamente en el ámbito regional. Desde el punto de vista del desarrollo económico (incluso la industrialización) hay mucho que decir en pro del estudio de las posibilidades de desarrollo de la explotación e industrias forestales de un país no sólo referidas al país considerado en conjunto sino también a determinadas regiones económicamente forestales. Estas regiones no deben definirse exlusivamente atendiendo a los recursos forestales actuales o potenciales sino también teniendo en cuenta concentraciones demográficas, otros factores positivos físicos, presión actual y futura sobre la tierra, etc. Este enfoque puede contribuir a que se logre una orientación clara de los objetivos de la política forestal en cada región. Así, determinadas regiones podrán destinarse claramente a convertirse en depósitos principales de madera para las grandes industrias forestales que sirven a todo el país. En otras podrá permitirse que se proceda metódicamente a destinar tierras forestales a usos agrícolas, si bien conservando suficiente extensión de tierras arboladas para abastecer a las industrias que atienden a las necesidades locales y para que queden aseguradas las funciones no productoras del monte. Por último, habrá regiones en que convendrá hacer principal hincapié en la silvicultura de protección, desempeñando las industrias forestales un papel subordinado y quizá insignificante.

AUTARQUÍA O INTEGRACIÓN ECONÓMICA

Algunos países en desarrollo ante la perspectiva del agudo aumento de la cuenta de importaciones de productos forestales han acometido ya resueltamente programas de desarrollo de la producción y la industria forestales y un examen cuidadoso de estos programas indica que en algún caso la autarquía nacional en productos forestales constituye la meta última implícita, aunque rara vez explícita. En los programas establecidos no se pasa por alto el hecho de que en ciertos casos algunos productos obtenidos a base del recurso forestal nacional tropezarán con dificultades para competir en igualdad de condiciones con los productos de los países industrializados. Se encuentra justificación en la necesidad apremiante de economizar divisas, en el hecho de que es improbable que la industrialización en cualquier sector tenga éxito sin contar con una cierta medida de protección y acaso incluso en el hecho de que, comoquiera que sea, hace falta un vigoroso programa forestal para asegurar la corriente de utilidades no productoras del monte. Por sólidos que estos argumentos puedan ser, constituiría un error grave suponer que pueden aducirse para justificar el objetivo de la autarquía en productos forestales en todos los casos.

Ya hemos mencionado anteriormente la circunstancia de que las actuales tendencias hacia la integración económica entre los países menos industrializados pueden favorecer el desarrollo de determinadas industrias ampliando el mercado y superando así el obstáculo constituido por los pequeños mercados nacionales en ramas de la industria en que las economías escalares son considerables (v. gr., papel para periódicos y pasta química). Esto constituye en si un argumento muy fuerte a favor de la confrontación y, de ser necesario, del reajuste de los planes nacionales de desarrollo de la industria forestal por parte de países encuadrados en planes de integración económica. En rigor, sin tal confrontación y reajuste existe el peligro de que se persigan planes que no guarden congruencia mutuamente y que queden frustrados los fines declarados de la integración económica.

Pero la pequeñez de los mercados nacionales y las economías escalares no constituyen la única razón para atender especialmente a las industrias forestales dentro de zonas de integración económica. En aquellas zonas del mundo subdesarrollado en que van adelantando ya los planes de integración económica o que éstos son objeto de discusión, en la actualidad existe con frecuencia una amplia disparidad en la dotación forestal natural y en la idoneidad para producir distintos tipos de madera. Además, se registra con frecuencia un alto grado de complementariedad en la naturaleza del recurso forestal de los distintos países enclavados en la zona, v. gr., por lo que respecta al material de fibra corta y fibra larga para la fabricación de papel. Basta el sentido común para advertir que estas disparidades y esta complementariedad deben tenerse en cuenta al determinar por mutuo acuerdo estos planes de fomento nacional que permitirán un desarrollo económico regional óptimo. Las ventajas estriban, por una parte, en la proyectada división internacional de la mano de obra, y por otra, en lograr el aprovechamiento óptimo de los recursos forestales de las regiones. En muchos casos, adoptar la autarquía nacional en productos forestales como meta que hay que alcanzar significará renunciar deliberadamente a estas ventajas.

UN IMPERATIVO DE ORGANIZACIÓN

Sea cual fuere el papel que se señale a las empresas públicas y privadas respectivamente en el desarrollo de las industrias forestales, existe y habrá de existir siempre un vinculo indisoluble entre el desarrollo de este sector y el recurso forestal en que se basa. Esto hace resaltar la necesidad de una relación especialmente estrecha entre las autoridades encargadas de los montes (por lo común el servicio forestal, dependencia del Ministerio de Agricultura) y los encargados de planificar y fomentar el desarrollo industrial. A menos que haya la más estrecha coordinación existirá siempre el peligro, por una parte de que el forestal se olvide de que su función es servir a la población y no servir a los árboles y, por otra, de que el planificador industrial ignore, a expensas de la comunidad y quizá a expensas propias, tanto la dinámica del monte como aquellas importantes funciones de éste distintas del abastecimiento de madera.

Es un hecho lamentable que en la mayoría de los países en desarrollo (y, por lo demás, en varios países adelantados) no exista hasta la fecha un vinculo efectivo de tal naturaleza. Se reconoce ampliamente que esta circunstancia se ha traducido en muchos casos en una explotación inconsciente y antieconómica del recurso forestal; su herencia se hace sentir en la importancia que reviste la parte de las actividades forestales totales que actualmente hay que consagrar a lo que fundamentalmente son medidas de rehabilitación. Lo que acaso se aprecie con carácter menos general es que a esta falta de colaboración efectiva se debe mayormente el que no se hayan reconocido, planificado y llevado a la práctica centenares de proyectos de industrias forestales perfectamente racionales y factibles.

Es ocioso imaginar que esta situación pueda remediarse simplemente procediendo a establecer vínculos formales. Si los forestales, los funcionarios encargados del aprovechamiento de los montes, los economistas industriales y los - planificadores del fomento han de llegar a comprender sus respectivos problemas y estudiar con espíritu creador las posibilidades de desarrollo que los montes entrañan se impone que se multiplique el contacto en todas las esferas, tanto en las oficinas centrales como en las regiones todas. Estas son las consideraciones que han conducido a algunos países en que las industrias forestales desempeñan ya un papel clave o están claramente llamadas a desempeñarlo, a centralizar en un mismo departamento o ministerio las atribuciones en la esfera de la silvicultura y las industrias forestales. No es probable que esta solución sea válida sin excepción. Pero el problema de conseguir una relación de trabajo orgánica y creadora entre los dos sectores ha de resolverse si se quiere llevar a cabo un enérgico programa de desenvolvimiento industrial basado en los montes.

LA OPCIÓN

En los párrafos anteriores nos hemos referido a algunos de los programas de planificación del desarrollo de las industrias forestales que plantea la peculiaridad de los sectores silvícola y de la industria forestal y su relación entre uno y otro. Los problemas a que se ha hecho referencia se mencionan a título de ejemplo. Sin embargo, cada uno de los ejemplos citados supone una determinada obligación por parte de los gobiernos si se quiere que estos sectores se desarrollen efectivamente, lo cual difícilmente podría ser de otro modo dada la naturaleza del recurso mismo.

Hemos visto que los montes entrañan un gran potencial en calidad de fuente de bienestar humano y que la industrialización basada en el monte puede contribuir al proceso general de desarrollo económico y fomentarlo. Sin embargo, hay que reconocer que la movilización del recurso forestal mediante el establecimiento de industrias forestales no constituye una perspectiva que llene de satisfacción sin reservas a muchos forestales profesionales, pues éstos saben perfectamente que si el monte ha de desempeñar su función, se impone conocer exactamente el recurso, someter el monte a la conveniente ordenación, establecer planes de explotación y formular programas de extracción. Sólo así cabe consolidar la base de la industria forestal. Sin embargo, estas tareas requieren servicios forestales fuertes y eficaces, y en la actualidad los servicios forestales de muchos países en desarrollo son todavía de una endeblez que apena. La conciencia del peligro que esta situación representa y no un equivocado apego a la idea de la conservación como fin en sí mismo es lo que mueve a muchos forestales a desempeñar el papel de Casandra.

Pero sería un error abrigar ilusiones a este respecto. Y es una ilusión suponer que exista una alternativa entre movilizar los recursos ahora o dejarlos intactos hasta el momento en que los servicios forestales se hayan desarrollado en tal medida que ofrezca ya garantía proceder a abrir la puerta del monte. Las condiciones técnicas y económicas para establecer nuevas industrias forestales en los países en desarrollo van madurando rápidamente En el curso de los próximos años se pondrán en explotación muchas nuevas zonas forestales sea como fuere. La opción estriba entre movilización en beneficio del público basada en una planificación racional y con las oportunas garantías, desempeñando los servicios forestales un papel activo y desarrollándose a su vez en el proceso, y la movilización de un modo anárquico, hecha al acaso, a la que asistan impotentes unos servicios forestales débiles. Esta es la alternativa que realmente se plantea.

La decisión sobre una u otra alternativa es la que requiere la intervención del gobierno, pues no se trata de una cuestión que interese exclusivamente al servicio forestal, sino que atañe a los Ministros de Agricultura, Economía, Industria y Comercio, atañe a los departamentos de planificación y organismos del fomento, atañe a los Ministerios de Hacienda y a los departamentos del Presupuesto. Sólo la actuación concertada por parte de todos los departamentos puede asegurar que las industrias forestales desempeñen su papel en la lucha contra el desarrollo económico insuficiente y que cristalice plenamente la inmensa contribución que los montes, rectamente aprovechados, pueden aportar al proceso del desenvolvimiento.


Página precedente Inicìo de página Página siguiente