Página precedente Indice Página siguiente


Capítulo 3. Experiencias suecas recientes sobre el funcionamiento de vehículos con gas de madera y carbón vegetal


3.1. Resumen de los trabajos de desarrollo y ensayos realizados en el Instituto Nacional de Ensayos de Maquinaria
3.2. Experiencias obtenidas de la adaptación y funcionamiento de vehículos modernos
3.3. Vehículos que han funcionado recientemente con gas pobre en otros países
3.4. Evaluación económica del funcionamiento de vehículos con gas de madera
3.5. Viabilidad del empleo de la tecnología del gasificador de vehículos para instalaciones fijas
3.6. Riesgos operativos


Suecia tiene actualmente una gran dependencia de los vehículos de carretera que utilizan combustibles de petróleo importados, para el transporte de mercancías y personas dentro del país. Aproximadamente el 90 por ciento de los viajeros y el 50 por ciento del transporte de mercancías están basados en el empleo de vehículos de carretera.

Es de esperar que continúe esta dependencia de los vehículos de carretera. Como no se han descubierto yacimientos importantes de petróleo en Suecia, seguirá la dependencia de los combustibles importados en el sector del transporte. Suecia está, a este respecto, en situación semejante a la de muchos países en desarrollo importadores de petróleo.

Es indudable que una dependencia tan grande de los combustibles importados de petróleo para una función muy importante en una sociedad moderna, coloca a una nación en una posición muy vulnerable frente al aumento de los precios del petróleo y a los bloqueos de abastecimiento. La necesidad de contar con una alternativa de suministro nacional de combustible para los vehículos de carretera y los tractores agrícolas, ya se reconoció en Suecia a finales de los años 30 y desde entonces ha constituido una política oficial para situaciones de emergencia el utilizar los gasificadores de madera y de carbón vegetal, en caso de una grave crisis de suministro de combustibles de petróleo.

Esta política fue aplicada con éxito durante la Segunda Guerra Mundial. La mayoría de los vehículos de carretera y tractores agrícolas, funcionaron entonces con gasificadores de madera o de carbón vegetal. Como se muestra en el Cuadro 3.1., la introducción práctica de los gasificadores fue muy rápida. Partiendo de menos de 1 000 vehículos que funcionaban con gas en 1939, su número aumentó a mas de 70 000 en 1942. Esta rápida introducción no habría sido posible probablemente si no hubiera existido un vivo interés por la tecnología a partir de los años 20, con algunos centenares de vehículos funcionando en los años 30.

El Consejo Nacional de Defensa Económica (National Board for Economic Defence) que es el órgano responsable de la planificación de situaciones de emergencia de abastecimiento de energía, considera todavía que la adaptación de los tractores agrícolas, autobuses, camiones y vehículos de pasajeros, para su funcionamiento con gasificadores, es la única alternativa realista en una crisis prolongada de abastecimiento de combustibles de petróleo. Se considera que la utilización de las astillas de madera como combustible es preferible a la de los tacos de madera y el carbón vegetal que se utilizaron en la Segunda Guerra Mundial. Las razones en su favor están en la posibilidad de preparar el combustible con equipo ya existente en la industria de celulosa y papel y que se evitan grandes pérdidas de energía. La utilización de bloques de madera y carbón vegetal exigiría inversiones en nuevos equipos para la preparación del combustible. Esto traería consigo inconvenientes económicos y retrasos en la introducción de un abastecimiento alternativo de combustible. El uso del carbón vegetal llevaría inevitablemente a la pérdida de más del 50 por ciento de la energía disponible en la biomasa.

Teniendo en cuenta que los recursos de biomasa son limitados (la utilización máxima de combustibles de biomasa que puede sostenerse por varios años con la estructura actual de la silvicultura y la agricultura, puede calcularse en unas 150 TWh) y que el combustible de biomasa se necesitará también para otros fines, en el caso de una crisis de abastecimiento de petróleo, se evitará la utilización del carbón vegetal para gasificadores de vehículos.

El interés sueco por los gasificadores de madera está, estrechamente relacionado, por lo tanto, con la necesidad que siente el gobierno de mantener una solución de emergencia para el abastecimiento de combustible al sector de transporte. Es evidente que los gasificadores de madera constituyen una alternativa real para los combustibles de petróleo, de introducción rápida, sólo si existe un desarrollo continuado de la tecnología, seguido de ensayos en el terreno con los tipos de vehículos que reciban mayor prioridad para su adaptación al gas de madera, en el caso de una crisis de abastecimiento de combustibles de petróleo.

A continuación se resumen los resultados de estos trabajos de investigación y desarrollo y algunos ensayos en el terreno.

En la última parte de este capítulo se analiza la economía del empleo de los gasificadores de madera o de carbón vegetal para vehículos, con los precios actuales de la gasolina y del gasoil, y la posibilidad de utilizar este tipo de tecnología en aplicaciones fijes. No obstante, debe destacarse que la economía actual no es realmente un tema de este trabajo y que la utilidad de esta tecnología para aplicaciones fijas probablemente se limite a aplicaciones cuyos requisitos sobre el carácter compacto y ligero de las instalaciones sean tan importantes que se puedan aceptar sacrificios en lo relativo a la corta duración de los equipos y al tiempo adicional de operario que se necesita para el repuesto de combustible y la extracción de ceniza y polvo.

3.1. Resumen de los trabajos de desarrollo y ensayos realizados en el Instituto Nacional de Ensayos de Maquinaria


3.1.1. Alcance de los trabajos
3.1.2. Gasificador de astillas de madera
3.1.3. Sistema de filtro de tela de fibra de vidrio
3.1.4. Adaptación de motores diesel para su funcionamiento con gas pobre
3.1.5. Ensayos con diferentes combustibles


3.1.1. Alcance de los trabajos

El objetivo de estos trabajos de desarrollo, que comenzaron en 1957, ha sido desarrollar un modelo de sistema de gasificador de madera que pudiera fabricarse en una variedad limitada de tamaños y emplearse para los vehículos que funcionan corrientemente en Suecia. Posteriormente, se enfocó a la utilización de astillas de madera como combustible, por las razones explicadas anteriormente.

Cuadro 3.1. Desarrollo en Suecia de una flota de vehículos con gas pobre de 1933 a 1945

El desarrollo de un sistema con gasificador para vehículos de pasajeros fue realizado por el fabricante sueco de vehículos Volvo. Los resultados de este trabajo están patentados.

El desarrollo de sistemas con gasificador adaptados para tractores agrícolas, autobuses y camiones, fue realizado por el Instituto Nacional Sueco de Ensayos de Maquinaria Agrícola.

Este trabajo incluyó los elementos siguientes:

1. Desarrollo de un gasificador de tiro invertido adecuado para astillas de madera y establecimiento de normas de diseño para este tipo de gasificadores.

2. Desarrollo de un sistema de filtro de tela de fibra de vidrio, para el gas de madera.

3. Estudios sobre la adaptación de motores diesel de inyección directa, para funcionamiento con doble combustible y preparación de normas de adaptación.

4. Ensayos en el terreno de un número limitado de vehículos.

Los resultados de los trabajos realizados hasta 1962 han sido publicados (en sueco) por Nordström (33). No existe informe oficial de los trabajos realizados posteriormente. En la última parte de esta sección se resumen los resultados de los trabajos de desarrollo de los equipos. En la sección 3.2. se resumen los resultados de los ensayos en el terreno.

3.1.2. Gasificador de astillas de madera

Hacia el final de la Segunda Guerra Mundial, se habían desarrollado gasificadores para vehículos a base de tacos de madera a tal nivel que parecía demostrar una seguridad aceptable de la tecnología. Las normas de diseño para acoplar las dimensiones del gasificador al tamaño y condiciones de funcionamiento del motor, estaban bastante bien establecidas. En (43) se resumen las normas de diseño empleadas en aquel momento en Suecia.

Los primeros ensayos con astillas de madera, publicados por Nordström (33) en 1963, fueron realizados en un gasificador de tiro invertido tipo Imbert, modificado, con un hogar en V, (véase la Figura 3.1.) y con parrilla fija. Las experiencias fueron bastante desalentadoras. La aglutinación en el depósito de combustible día lugar a un flujo irregular de combustible en el gasificador. Se producía una obstrucción de la zona de reducción que daba lugar a una fuerte caída de presión del gasificador, cuando había transcurrido menos de una hora de funcionamiento. En algunos ensayos se observó un alto contenido de alquitrán.

Pronto se llegó a la conclusión de que se necesitaba una parrilla móvil cuando se empleaban como combustible astillas de madera. Se descubrió que el problema de aglutinación estaba relacionado con la adhesión del combustible a la pared, en la zona de pirólisis, donde algunos de los alquitranes arrastrados del combustible se condensaban y deban lugar a una superficie pegajosa. El problema se redujo a una dimensión aceptable introduciendo una pantalla en el depósito de combustible, con el fin de evitar el contacto entre el combustible y las paredes, en la zona de pirólisis. Véase la Figura 3.2.

En el cuadro 3.2. y en la Fig. 3.3. se presentan las principales dimensiones de los tres tamaños normales de gasificadores, cada uno de ellos para cuatro combinaciones de tamaño de la placa de cierre y de las toberas.

En comparación con las normas de diseño de los gasificadores para tacos de madera, presentadas en el Capítulo 2, la máxima "carga del hogar" Bg, definida como la velocidad superficial del gas al pasar por la sección más estrecha del gasificador, es generalmente algo superior, es decir, alrededor de 1,0 m³/cm² h, y la relación de reducción, superior, es decir alrededor de 6 a 9. Las dimensiones de los diseños normales de gasificadores de astillas de madera, muestran las siguientes diferencias respecto a las recomendaciones del Capítulo 2.

- El número de toberas de aire es generalmente mayor.

- La relación entre la superficie de las toberas y la superficie de la garganta varia de forma algo distinta para los tres tamaños normales de hogar; véase la Figura 3.4.a.

- La relación entre el diámetro del hogar y el diámetro de la garganta dr/dt es generalmente superior a la recomendada para el caso de tacos de madera.

- La relación entre el diámetro en la punta de la tobera y el diámetro de la garganta dnt/dt es generalmente superior a la recomendada para el caso de tacos de madera.

- La altura de la zona de reducción es mucho menor que el promedio de 32 cm, de los gasificadores de tacos de madera, y para los tamaños más pequeños, incluso inferior a la altura mínima de 20 cm recomendada en el Capitulo 2 para el caso de tacos de madera.

Figura 3.1. Gasificador de tiro invertido, tipo Imbert modificado, con el hogar en V, ensayado por Nordström (33)

Figura 3.2. Esquemas de gasificadores de tipo normal para astillas de madera y tacos de madera: a. Diseño para astillas de madera

Figura 3.2. Esquemas de gasificadores de tipo normal para astillas de madera y tacos de madera: b. Adaptación para tacos de madera

Cuadro 3.2. Principales dimensiones de los gasificadores de tipo normal para astillas de madera

Dimensiones del depósito de combustible (mm)

dB

627

627

627

720

hB

790

930

1 270

1 450

h1

340

480

820

900

h2

220

360

700

610

Volumen total dm³

155

199

304

401


Figura 3.3. Principales dimensiones de los gasificadores de tipo normal para astillas de madera

Figura 3.4. Normas de diseño para gasificadores de tiro invertido: a. Relación entre la superficie de salida de la tobera, An, y la superficie de la garganta, At, en función del diámetro de la garganta.

Figura 3.4. Normas de diseño para gasificadores de tiro invertido: b. Diámetro del hogar dr, en función del diámetro de la garganta, dt.

Figura 3.4. Normas de diseño para gasificadores de tiro invertido: c. Diámetro del anillo de las puntas de las toberas, ddn, en función del diámetro de la garganta.

Figura 3.4. Normas de diseño para gasificadores de tiro invertido: d. Altura del plano de los inyectores sobre la garganta, hnt, en función del diámetro de la garganta.

Otras características de los gasificadores normales de astillas de madera, consisten en que el gas sale del gasificador aproximadamente al nivel de la garganta y que la superficie exterior de la parte alta del gasificador actúa como superficie de refrigeración para la condensación de agua y alquitranes. El liquido de condensación se desagua en un recipiente independiente, situado cerca del gasificador.

La principal ventaja de este sistema es que es posible desaguar los líquidos de condensación que se forman después de la operación de parada, cuando el gasificador se enfría. De no ser así, el líquido condensado podría humedecer el lecho de carbón vegetal en la zona del hogar y ocasionar dificultades para encender de nuevo el gasificador. Se producirá también un cierto secado del combustible, tal como indican los ensayos publicados por Nordström (33). De acuerdo con ello, puede desaguarse del 60 al 80 por ciento de la humedad de la madera de alimentación del gasificador por el recipiente de liquido condensado.

La sección de la garganta se obtiene mediante un anillo postizo, que descansa sobre otro anillo de apoyo que puede colocarse a distintos niveles, por debajo del plano de las puntas de las toberas, variando el número de anillos de distanciamiento entre el anillo de apoyo y los soportes soldados a la pared del hogar. Este anillo de la garganta puede cambiarse fácilmente para adaptar el gasificador a unas nuevas condiciones de funcionamiento y se puede sustituir también con facilidad si se daña por calentamiento excesivo.

La eficiencia global, con gas frío, de este tipo de gasificador, viene definida por:

donde:

h g = eficiencia global con gas frío.
qVg = flujo de gas, en volumen.
qMg = flujo de combustible, en peso.
Hig = valor calorífico inferior del gas.
Hif = valor calorífico inferior del combustible.

se ha calculado que es del orden del 70 por ciento para una amplitud de carga entre el 100 y el 20 por ciento. Se ha determinado que el contenido de alquitrán en el gas está entre 0,04 y 0,20 g/m³ para la variación real de cargas. El contenido de alquitrán puede compararse con las normas dadas por Tiedema et al (42), según las cuales, el contenido de alquitrán debe ser inferior a 0,5 g/m³, si el gas tiene que servir como combustible para un motor de combustión interna.

3.1.3. Sistema de filtro de tela de fibra de vidrio

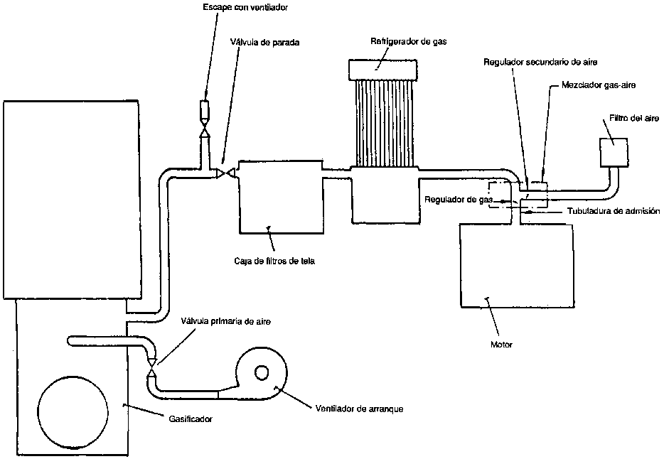
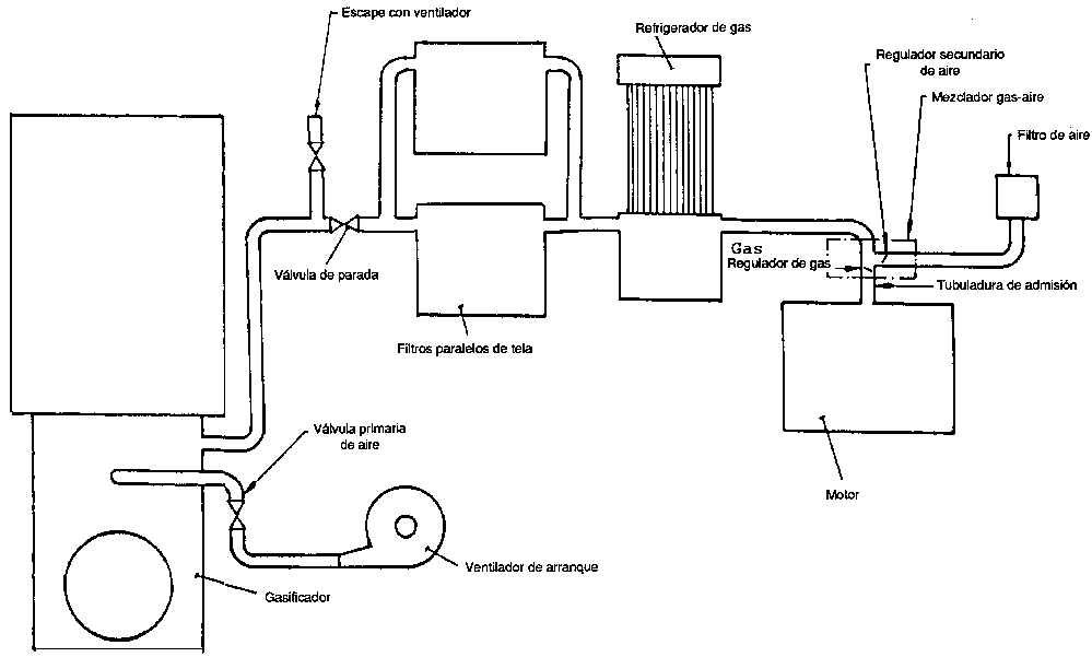
La depuración del gas para un sistema típica de gasificador de madera empleado en la Segunda Guerra Mundial, se lograba mediante un ciclón, un refrigerador de gas con cierta acción depuradora y un filtro de lecho compacto; véase la Figura 3.5.a.

Nordström ha publicado los ensayos sistemáticos realizados con este tipo de sistema de depuración de gas (33), según los cuales se acumulaban sedimentos en el mezclador gas-aire y en la tubuladura de admisión, a una velocidad de 1-2 g/h. El desgaste del motor y la contaminación del aceite lubricante, excedían notablemente a los observados en el funcionamiento con gasoil.

Después de considerar varias posibilidades de sistemas perfeccionados de depuración del gas, como filtros de tela, filtros electrostáticos, y depuradores húmedos, se eligieron como mas apropiados para aplicaciones a vehículos, los filtros de tela que utilizan una tela de fibra de vidrio, como material filtrante.

La tela de fibra de vidrio tiene como temperatura máxima de funcionamiento los 300°C lo que significa que es posible que el filtro funcione a una temperatura con un gran margen sobre el punto de condensación del gas. Esta es de 45-60°C cuando se emplea como combustible la madera, con un contenido de humedad del 20 al 35 por ciento. El funcionamiento de un filtro de tela con condensación en el mismo, da lugar a una caída muy fuerte de presión a través del filtro y, en consecuencia, a una menor potencia de salida del motor.

A fin de estudiar el desgaste del motor y la contaminación del aceite lubricante, se realizaron ensayos comparativos de funcionamiento con gas de madera, empleando un sistema de depuración con filtro de tela, Figura 3.5.b. y de funcionamiento con gasoil, de tres tractores agrícolas en las condiciones del campo. Se encontró (véase el Cuadro 3.3.) que el desgaste de los cilindros era considerablemente inferior que con el antiguo sistema de depuración y, en algunos casos, incluso inferior que cuando se funciona con gasoil. Se obtuvo un resultado semejante en cuanto a la contaminación del aceite lubricante. Las concentraciones de polvo después de la depuración eran de 0,3 mg/m³ con el sistema de filtro de tela, en comparación con 200-400 mg/m³ para el sistema de depuración en húmedo. Como puede observarse, Tiedema et al. (42) consideran que es aceptable menos de 50 mg/m³ y que es preferible que sea inferior a 5 mg/m³.

Después de realizar ensayos con filtros de distintas configuraciones, se diseñó una caja normal de filtros, véase Figura 3.6., en la que se colocan ocho bolsas de filtro que dan una superficie total de filtrado de 3,0 m². La caja se aisla con una capa de 10 mm de espesor de lana mineral. El peso de una caja completa de filtros es de 65,5 kg.

Figura 3.5. Sistemas de depuración de gas, para vehículos, ensayados por Nordström (33) a. Sistema tradicional de depuración en húmedo

Figura 3.5. Sistemas de depuración de gas, para vehículos, ensayados por Nordström (33) b. Sistema de depuración de filtro de tela con ciclón

Se recomienda que el máximo flujo de gas que pase por una caja de filtros sea inferior a 65 m³/h, con una velocidad equivalente a través del filtro de tela de 0,01 m/s, con una temperatura de funcionamiento de 200°C.

La pérdida de presión por el filtro depende de la carga y de la cantidad de polvo existente en el filtro. Si se produce condensación en el filtro y la tela se humedece, la pérdida de presión aumenta considerablemente.

Para tela seca, con una capa normal de polvo, la pérdida de presión varía con la carga, aproximadamente como se indica en el Cuadro 3.4.

Los ensayos prácticos realizados con un camión (Scania Vabis L75, véase el Cuadro 3.11.), para estudiar el incremento de la pérdida de presión con la acumulación de polvo, demuestran que circulando a una velocidad de 60 km/h en carretera llana, con bolsas de filtro limpias, la pérdida de presión fue alrededor de 150-200 mm Wg hasta 500-750 km (es decir, 8-12 h). La pérdida de presión se incrementó después en 6075 mm Wg para 1 000 km y después de 3 000 km (es decir, 50 h) la pérdida de presión se había incrementado al doble del valor correspondiente al de bolsas de filtro limpias.

El intervalo de depuración en la práctica, viene determinado por la pérdida de potencia que esté dispuesto a aceptar el conductor resultante de la caída de presión en el filtro. Los intervalos normales de limpieza varían entre 1 500 y 3 000 km.

Las mediciones de las pérdidas de presión ocasionadas por la condensación en las bolsas de filtro, véase Nordström (33), demuestran que la humedad puede incrementar la caída de presión por un factor superior a 6. A fin de evitar la condensación, debe hacerse funcionar el gasificador con el ventilador de arranque hasta que la temperatura del gas en la salida del gasificador sea de unos 250°C. Esto puede exigir el funcionamiento del ventilador de 15 a 20 minutos, dependiendo de la temperatura ambiental.

Cuadro 3.3. Experiencias con diferentes sistemas de depuración de gas, publicadas por Nordström (33)

Número del tractor

01

02

03

06

08

Ensayos de desgaste de los cilindros


Funcionamiento exclusivo con diesel (tipo similar de tractor) mm/1 000 h

0,016

0,028

0,031

0,005-0,010

0,020

Funcionamiento con gas pobre/diesel






Sistema antiguo de depuración (Fig. 3.5.a.)







Periodo de ensayo, h

910

1 540

420




Desgaste mm/1 000 h

0,05

0,05

0,06



Funcionamiento con gas pobre/diesel






Sistema de depuración con filtro de tela (Figura 3.5.b.)







Periodo de ensayo, h



1440

1860

1860


Desgaste mm/1 000 h



0,007

0,019

0,011

Contaminación del aceite
(expresado en cantidad de productos insolubles en benceno después de 100 h)


Funcionamiento exclusivo con diesel

0, 2 - 0,3%

Funcionamiento con gas pobre/diesel, sistema antiguo de depuración

0,54 - 1,97%

Funcionamiento con gas pobre/diesel, sistema de depuración con filtro de tela

promedio 0,75%






0,12%

Cuadro 3.4. Pérdida de presión en el filtro de tela

Flujo de gas
m³/hm²

Pérdida de presión
mm Wg 1/

10

130

20

250

30

380

40

500

1/mm de H2O medidos con un manómetro de agua.

3.1.4. Adaptación de motores diesel para su funcionamiento con gas pobre

a) Transformación para encendido de chispa

Entre 1957 y 1963 se realizaron estudios detallados sobre la adaptación de dos motores diesel de fabricantes suecos, Volvo y Bolinder-Munktell, a encendido por chispa, a fin de funcionar sólo con gas pobre, estudios que han sido publicados por Nordström (33).

Las modificaciones incluyeron la sustitución de la tapa de los cilindros para poder acoplar las bujías, la sustitución de la bomba de inyección por un distribuidor, y el uso de pistones especiales para gas pobre que dan un índice menor de compresión. En uno de los motores se ensayaron distintas formas de la cámara de combustión.

El Cuadro 3.5. presenta un resumen de los principales datos y resultados de los dos motores estudiados. El coste de adaptación, sólo del motor, calculado para la cotización del dólar EE.UU. de 1984, resultó ser del orden de 40 a 50 $/kW.

b) Utilización de doble combustible en motores diesel con antecámara y cámara de turbulencia

Nordström (33) relata los ensayos realizados de funcionamiento con doble combustible de un motor diesel con antecámara y cámara de turbulencia. Los ensayos indican que estos motores no son adecuados para funcionar con doble combustible porque se produce un encendido demasiado avanzado de la mezcla de gas y aire, lo que origina el golpeteo diesel, a menos que la carga sea bastante reducida o que la mezcla de gas y aire esté limpia, lo que lleva a una sustitución moderada del gasoil.

c) Utilización de doble combustible en motores de inyección directa

En el Instituto Nacional Sueco de Ensayos de Maquinaria Agrícola se han realizado estudios sobre el rendimiento de motores diesel de inyección directa, funcionando con el sistema de doble combustible con una inyección mínima de gasoil. Los ensayos continúan. En los Cuadros 3.10. y 3.11. se da una lista de los vehículos ensayados.

Cuadro 3.5. Datos y resultados de dos motores diesel adaptados para encendido por chispa y funcionamiento exclusivo con gas pobre

Tipo de motor

Volvo D47

Bolinder-Munktell BM 1113

No de cilindros

6

3

Volumen de cilindrada dm³

4,7

3,78

Diámetro de los cilindros mm

95

111

Longitud de carrera mm

110

130

Funcionamiento con diesel

Indice de compresión

17,1

16,5:1

Potencia máxima kW

71

42

rpm a la potencia máxima

2 800

2 200

Funcionamiento con gas pobre

Indice de compresión

7,6:1

10:1

Potencia máxima kW

34

19,6

rpm a la potencia máxima

2 200

2 200

Potencia de salida correspondiente al funcionamiento exclusivo con diesel, para diferentes velocidades



rpm



800

20%

12%

1 500

31

18

2 000

38

21 1/

2 500

45


1/La eficiencia es sorprendentemente baja, comparada con la potencia máxima de salida, registrada a 2 200 rpm.

Figura 3.6. Diseños de filtros de tela de tipo normal

La experiencia indica que las modificaciones necesarias suelen ser sencillas, y se limitan a:

- la instalación de una palanca de maniobra para obtener cantidades de inyección reducidas y mantener la posibilidad de inyección normal funcionando sólo con diesel;

- modificación de la bomba de inyección para obtener unas características adecuadas de inyección (inyección constante por carrera del cilindro para velocidad variable del motor);

- avance del punto de inyección.

Los motores de inyección directa funcionan normalmente bien con el sistema de doble combustible, con un índice de compresión de 1:16 a 1:16,5. En algunos casos puede producirse el golpeteo diesel. El índice de compresión debe reducirse en este caso, utilizando juntas dobles en las tapas de los cilindros. La reducción del volumen de inyección se consigue para las bombas en línea, limitando mecánicamente el movimiento de la barra reguladora.

Para estas bombas, se consiguen unas características de inyección apropiadas empleando una válvula de salida especialmente diseñada, véase Nordström (33). Para las bombas rotativas de inyección, el flujo se reduce ajustando la válvula dosificadora. Las bombas rotativas pueden sufrir, por enfriamiento y lubricación inadecuados si el flujo de inyección se reduce, porque habrá un abastecimiento muy escaso de combustible frío a la bomba. Esto se puede solucionar llevando el exceso de flujo de la bomba al tanque de combustible, en lugar de volverlo a circular hacia el filtro; véase la Figura 3.7. Dependiendo del diseño del inyector, puede ser necesario modificar el montaje de los inyectores o colocarlos de nuevo para evitar la carbonización resultante de la elevada temperatura del inyector ocasionada por el escaso flujo de inyección. Un ejemplo de tal modificación se presenta en la sección 3.2.2.

Los estudios de los efectos del punto de inyección sobre la potencia de salida, indican que el punto de inyección no es muy importante para velocidades del motor inferiores a 1 200 rpm, y que el avance del punto de inyección es más importante al aumentar la velocidad. Un avance de la inyección superior a 35-40°, se observó que produce fluctuaciones de presión. Puede ser necesario conseguir un equilibrio entre una potencia máxima para altas revoluciones por minuto y una combustión sin perturbaciones para bajas rpm. Se recomienda que el establecimiento del punto de inyección para operar con doble combustible se determine mediante ensayos en banco de prueba para cada tipo de motor.

El Cuadro 3.6. muestra ejemplos de los datos de rendimiento obtenidos en ensayos de laboratorio, para dos motores de inyección directa que funcionan con doble combustible. La eficiencia total en cuanto a potencia de los motores, es alrededor del 35 por ciento. La sustitución de gasoil está entre el 80 y el 90 por ciento.

La pérdida de potencia cuando se opera con doble combustible, se determinó entre un 10 a un 38 por ciento; véase los Cuadros 3.10. y 3.11.

3.1.5. Ensayos con diferentes combustibles

a) especificaciones de los combustibles

Se realizaron ensayos prácticos con gasificadores para astillas de madera, desarrollados en el Instituto Nacional Sueco de Ensayos de Maquinaria Agrícola, con contenidos de humedad del combustible (base húmeda) de un 10 a un 20 por ciento. El limite máximo de contenido de humedad, para una calidad aceptable de gas, se ha establecido en el 30 por ciento. Si excede del 40 por ciento el gas no es combustible.

La distribución por tamaños de las astillas de madera puede variar, dependiendo de las características de la astilladora. Unas astillas largas pueden ocasionar problemas de flujo en el depósito de combustible. Se recomienda cribar las astillas para quitar los elementos finos (inferiores a 10 x 10 mm) y los trozos grandes (tamaño máximo, unos 60 mm). En el Cuadro 3.7. se presenta una distribución normal por tamaños, de astillas de madera adecuadas.

Se han realizado ensayos con un tipo de gasificador F5 montado sobre un tractor, a fin de estudiar el efecto de la distribución por tamaños, sobre la potencia máxima de salida. Los resultados se resumen en el Cuadro 3.8.

El aumento de potencia puede explicarse en parte por la reducción de las pérdidas de presión en el gasificador. Parece que en estos ensayos se mejoró también la calidad del gas cuando se eliminaron los elementos finos, ya que menos del 50 por ciento del aumento de potencia puede explicarse por la menor pérdida de presión.

De acuerdo con estos ensayos, la extracción de los elementos finos (por debajo de 5 mm) produce un aumento sustancial, de potencia, con un costo relativamente bajo, del orden del 3 por ciento de aumento del coste de combustible. El cribado para extraer el material de 5 a 10 mm puede considerarse también justificado, pero otro nuevo cribado no parece dar aumento ninguno de potencia.

b) Utilización de tacos de madera

El gasificador para astillas de madera puede convertirse fácilmente para utilizar tacos de madera, sustituyendo la pantalla cónica por un cilindro perforado; véase la Figura 3.2. La potencia de salida se mejorará por lo menos en un 10 por ciento cuando se emplean tacos de madera, como resultado de la reducción de pérdidas de presión en el gasificador.

Cuadro 3.6. Resultados de los ensayos de rendimiento de motores de inyección directa funcionando con el sistema de doble combustible

Velocidad del motor
rpm

Potencia de salida
kW

Consumo específico de combustible

Eficiencia
%

Fracción de gasoil del Combustible
%

Gas pobre
m³/kWh

Gasoil g/kWh

Camión, Scania Vabis L5150
Volumen de los cilindros 6,2 dm³, índice de compresión 16:1

Ensayo de potencia total

1 000

36,7

1,63

19,1

36,0

8,3

1 200

43,2

1,63

23,2

35,6

10,0

1 400

49,6

1,63

26,3

35,0

11,1

1 600

55,5

1,61

28,8

34,9

12,2

1 800

60,2

1,65

30,8

33,8

12,7

2 000

62,8

1,75

32,5

32,0

12,6

2 200

64,6

1,84

34,0

30,5

12,6

Tractor, Fordson Power Major
Volumen de los cilindros 3,6 dm³

Ensayo con cargo parcial

1 600

29,6

1,64

48,0

32,5

19,0

1 800

25,1

1,67

57,3

30,8

21,6

1 840

22,2

1,80

64,0

28,3

22,1

1 890

14,8

2,40

84,0

21,2

21,8

1 920

7,4

4,00

183,0

12,0

26,8

Figura 3.7. Modificación del sistema de combustible para funcionamiento con doble combustible

Cuadro 3.7. Distribución característica de tamaños para astillas de madera apropiadas para gasificadores de vehículos

Escalas de tamaño

% de peso

Inferior a 5 x 5 mm

2 - 3

5 x 5 - 10 x 10

6 - 11

10 x 10 - 15 x 15

12 - 19

15 x 15 - 20 x 20

20 - 24

20 x 20 - 25 x 25

25 - 30

25 x 25 - 30 x 30

9 - 20

30 x 30 - 35 x 35

alrededor de 5

35 x 35 y superior

alrededor de 3

Cuadro 3.8. Mejora de la potencia máxima de salida mediante cribado de las astillas de madera

Escalas de tamaño

Astillas sin cribar

5-40
mm

10-40
mm

15-40
mm

Pérdida de cribado %

-

3

14

34

Caída de presión en la barra del gasificador

0,18

0,13

0,09

0,08

Potencia de salida a 1 800 rpm kW

16,8

18,1

21,1

21,0

Aumento de potencia por cribado %

0

7,7

25,5

25,5

c) Utilización de otros combustibles

Se han realizado ensayos de distancia recorrida con combustibles de biomasa distintos de los tacos y astillas de madera, en estos tipos de gasificadores, para servir como base de evaluación de las necesidades de nueva investigación y desarrollo, en el caso de que haya que emplear tales combustibles en ciertas aplicaciones.

El Cuadro 3.9. resume los resultados de estos ensayos, algunos de los cuales han sido publicados en detalle por Höglund (18). De los combustibles ensayados, sólo la cáscara de coco mostró un rendimiento similar o superior al de las astillas de madera. La turba molida, las pacas de paja de trigo y la caña de azúcar prensada, resultaron ser inapropiadas.

Parece que con gránulos de paja prensada, gránulos de turba húmeda carbonizada, tepes de turba y probablemente también desperdicios de coco, puede ser necesario abrir el gasificador cada 6 a 8 horas de funcionamiento para extraer la escoria. Esto puede hacerse en 30 a 45 minutos y esta limpieza frecuente puede ser aceptable en algunas aplicaciones. De ser así, parece posible utilizar estos combustibles si se acepta una cierta pérdida de potencia. Si no es aceptable la limpieza frecuente del gasificador, el diseño de éste debe modificarse para eliminar el problema de formación de escoria. En la actualidad se están realizando estudios en este sentido en el Instituto de Beijer.

3.2. Experiencias obtenidas de la adaptación y funcionamiento de vehículos modernos


3.2.1. Necesidad de ensayos prácticos continuados
3.2.2. Adaptación y funcionamiento de un tractor agrícola Massey Ferguson 1100
3.2.3. Adaptación y funcionamiento de un camión Scania
3.2.4. Experiencias sobre el servicio, mantenimiento y averías de los equipos


3.2.1. Necesidad de ensayos prácticos continuados

El gas pobre se empleó como combustible sustitutivo para casi todos los vehículos que funcionaban en Suecia durante la Segunda Guerra Mundial. Desde entonces se han hecho algunas mejoras del gasificador y de la tecnología de depuración del gas. Esto no significa necesariamente que el gas pobre sea todavía una opción realista para la sustitución de los combustibles de petróleo en caso de una crisis de abastecimiento. Los motores actuales son diferentes de los empleados en los años 40 e igual sucede con los vehículos. Para evaluar las posibilidades actuales del gas pobre, es importante por tanto recoger y evaluar las experiencias obtenidas del funcionamiento de vehículos modernos con este combustible. Los Cuadros 3.10. y 3.11. enumeran los tractores y camiones adaptados en Suecia para gas pobre después de la Segunda Guerra Mundial. La mayoría de ellos han sido adaptados y ensayados por el Instituto Nacional Sueco de Ensayos de Maquinaria Agrícola y se han utilizado en funcionamiento real durante varios años, con seguimiento por parte del Instituto. Estos ensayos se han concentrado en el empleo de doble combustible, en motores de compresión-encendido. La experiencia de funcionamiento abarca actualmente más de 65 000 km para los camiones y 15 000 para los tractores.

Cuadro 3.9. Resultados de ensayos de distancia recorrida con diferentes combustibles de biomasa en el gasificador normal para astillas de madera

Combustible ensayado

Vehículo ensayado

Experiencias

Conclusiones

Turba

Gránulos de turba húmeda carbonizada

Scania L80
Gasificador F500

Distancia recorrida 224 km. Fuerte caída de presión en el gasificador. Formación de escoria en las toberas de aire, obstrucciones de alquitrán del filtro de tela.

El problema del alquitrán se puede eliminar eligiendo otra solución en cuanto a las toberas y a la placa obturadora

Tepes de turba

Scania L80
Gasificador F500 (configuración para tacos de madera)

Distancia recorrida 735 km. Formación de escoria, obstrucción de la envoltura perforada de combustible y de la cobertura de los líquidos de condensación. El filtro de tela necesita una limpieza más frecuente que con las astillas de madera.

Si es aceptable una limpieza frecuente del gasificador y los filtros, puede utilizarse el combustible.

Turba molida

Scania L80
Gasificador F500

Gas difícilmente combustible. Gran pérdida de presión después de unos pocos km. Motor muy débil.

No es posible utilizar este combustible en el presente gasificador.

Residuos agrícolas

Gránulos de paja comprimidos

Scania L80
Gasificador F500

Distancia recorrida 445 km. (8,5 h). Formación de una gran torta de escoria.

Si es aceptable una limpieza frecuente del gasificador, puede utilizarse el combustible.

Pacas de paja de trigo


Tractor: Bolinder-Munktell, BM650
Gasificador F300 (configuración original)

4,5 h de funcionamiento. Aglutinamiento y fuerte formación de escoria. Potencia de salida 66 a 82% de la correspondiente a astillas de madera.

Este combustible no es apropiado para el presente gasificador.


Tractor: Bolinder-Munktell, BM650.
Gasificador F300 (configuración para tacos de madera)

4 h de funcionamiento. Cierta aglutinación y fuerte formación de escoria. Potencia de salida 76 a 90% de la correspondiente a astillas de madera.

Caña de azúcar prensada y cortada.

Tractor: Bolinder-Munktell
BM650.
Gasificador F300.

3 h de funcionamiento. La aglutinación ocasiona una producción irregular de gas. Algo de formación de escorias. Potencia de salida 97% de la correspondiente a astillas de madera.

El combustible no es apropiado, en esta torea, para el presente gasificador.

Cáscara de coco triturada

Tractor: Bolinder-Munktell, BM650
Gasificador F300.

7 h de funcionamiento. Excelente resultado. La potencia de salida es el 103% de la correspondiente a astillas de madera.

Buen combustible para el presente gasificados.

Desperdicios de coco, cortados

Tractor: Bolinder-Munktell, BM650.
Gasificador F300 (configuración para tacos de madera)

2,5 h de funcionamiento. No hay aglutinación pero se observa cierta formación de escorias. Potencia de salida 102% de la correspondiente a astillas de madera.

Ensayos demasiado breves para obtener conclusiones. La ausencia de aglutinación es prometedora. Los indicios de formación de escoria demuestran que puede necesitarse una limpieza más frecuente del gasificados.

Cuadro 3.10. Tractores adaptados en Suecia para funcionar con gas pobre, después de la Segunda Guerra Mundial

Cuadro 3.11. Camiones adaptados en Suecia para funcionar con gas pobre después de la Segunda Guerra Mundial

Además, el Instituto ha adaptado y ha tenido en funcionamiento un coche de viajero, un Opel Rekord 1 700, que ha circulado mas de 47 000 km con un gesificador de astillas de madera. El fabricante sueco de automóviles Volvo ha adaptado y mantenido en funcionamiento tres vehículos de pasajeros, un Volvo 142 y dos Volvos 144, con motores del tipo B20.

El Instituto Beijer ha realizado adaptaciones recientes de camiones para ensayos de campo en países en desarrollo y también una empresa privada.

Los registros más completos sobre el funcionamiento de tractores y camiones modernos, se han recogido dentro del Programa dirigido por el Instituto Nacional Sueco de Ensayo de Maquinaria Agrícola. Más adelante se presentan las experiencias con dos de estos vehículos, un camión y un tractor agrícola.

Es indudable la necesidad de realizar ensayos en el terreno con cada modelo específico de vehículo y para todas las condiciones de funcionamiento, a fin de conseguir una evaluación completa del gas pobre como combustible para vehículos. Las experiencias descritas pueden servir únicamente para dar una cierta orientación en lo referente a su comportamiento técnico, necesidades de servicio y mantenimiento y duración del equipo.

Las experiencias no se refieren a los modelos de vehículos más recientes y no son necesariamente transferibles a las condiciones de funcionamiento de otros países. Los ensayos en el terreno en países en desarrollo, programados por la Dirección Sueca para el Desarrollo Internacional y otras Organizaciones Internacionales de Asistencia al Desarrollo, darán una valiosa información complementaria.

3.2.2. Adaptación y funcionamiento de un tractor agrícola Massey Ferguson 1100

a) Descripción general del tractor adaptado

Las experiencias procedentes de la adaptación de este tractor han sido publicadas (en sueco) por Axelsson (1).

El Cuadro 3.12. presenta los principales datos para el tractor transformado. En la Figura 3.8. se muestra el sistema de gasificador y en la Figura 3.9. una fotografía del tractor transformado.

El gasificador y el filtro del gas van montados en ménsulas atornilladas al cuerpo principal, en el lado izquierdo del tractor. La altura libre del gasificador sobre el terreno es de 500 mm. El refrigerador del gas va montado sobre ménsulas en la parte delantera del refrigerador del motor.

Figura 3.8. Diagrama esquemático del sistema de gasificador empleado para un tractor agrícola Massey Ferguson

Figura 3.9. Fotografía de un tractor agrícola Massey Ferguson 1100 adaptado para funcionar con gas de madera

Cuadro 3.12. Especificaciones del tractor Massey Ferguson adaptado para gas pobre

Tractor

Modelo y número

Massey Ferguson 110 nr 915 12765

Peso total en la versión para gas pobre

5 090 kg.

Motor

Tipo y número

Motor diesel Perkins, inyección directa nr VA 5143

Volumen de los cilindros

5,8 dm³

Número de cilindros

6

Indice de compresión

16:1

Bomba de inyección

Tipo de distribuidor con un regulador centrífugo tipo CAV, DPA 326 2948

Inyectores

Tipo CAV BDLL 150 S 6472

Sistema del gasificador

Gasificador

Tipo E 5/80-150

Volumen del depósito de combustible

0,2 m³

Diámetro de la garganta

120 mm

Diámetro de las toberas

12 mm

Filtro de gas

Filtro industrial AB

Superficie de filtrado

4,9 m² 1/

Refrigerador de gas

Tipo D

Superficie de refrigerador

5,8 m²

Peso total

450 kg

1/Originalmente 2,5 m². Este exigía una limpieza cada 20 horas, que no se consideró aceptable.

Sólo se necesitaban pequeños cambios del tractor original. Los faros delanteros fueron trasladados a la parte superior del techo, porque, de no ser así, la luz izquierda habría sido obstruida por el gasificador. El filtro de aire se ha girado de tal modo que el elemento añadido se pueda extraer desde el lado derecho del tractor, porque la caja de filtros de gas del lado izquierdo del tractor impediría el servicio del filtro de aire, en su posición original. Se ha hecho una nueva abertura en el capó del motor para el tubo de entrada de aire en el filtro de aire. Se han suprimido los elementos innecesarios de la parte delantera del tractor para dejar sitio al refrigerador de gas. El motor se ha equipado con un regulador adicional de velocidad, que actúa sobre el regulador de gas, en el mezclador gas/aire. Este regulador se acciona mediante una correa en V desde una polea adicional montada sobre el eje del ventilador. El sistema de inyección diesel fue el que necesitó los cambios más importantes. La bomba de inyección era del tipo de distribuidor, con un regulador centrífugo. El sistema original de inyección deba inyección a pequeñas velocidades del motor, sobrepasando las cantidades que se necesitan para la alimentación de doble combustible. El resultado de ello es que la inyección será innecesariamente grande para bajes velocidades.

Se obtuvo un volumen constante de inyección montando un dispositivo de ajuste para la presión de combustible normalmente utilizada en bombas con regulador hidráulico de velocidad. La Figura 3.10. muestra las características de inyección del sistema original y del modificado.

El calentamiento excesivo de la bomba se evitó llevando el caudal de exceso al tanque de combustible, tal como se describió en la sección 3.1.4. También se montó una pantalla de radiación para proteger la bomba y el filtro de combustible del calentamiento ocasionado por el gasificador caliente que va montado en el mismo lado que la bomba1. La bomba de inyección fue equipada con un tope graduable para la palanca de paro del motor, cerca de la posición cero de inyección. Con la palanca en este punto de parada, el flujo de la inyección es menor del necesario para la marcha en vacío, lo que significa que se puede parar el motor simplemente cerrando la garganta de gas, aunque el flujo de diesel no pueda cerrarse por completo. La palanca de paro la puede ajustar también el conductor, en una posición de diesel puro, lo que permite arrancar y funcionar a base de gasoil, si es necesario.

1 Estos cambios no se hicieron originalmente. Después de 25 horas de funcionamiento, la bomba se agarrotó, lo que fue atribuido a la insuficiente refrigeración y lubricación. Después de los cambios descritos, la bomba funcionó satisfactoriamente.

Figura 3.10. Características de la inyección del sistema de inyección de combustible original y modificado, para el tractor agrícola Massey Ferguson 1100

También se modificó el montaje de los inyectores porque después de funcionar algunas horas con el diseño original, los inyectores se calentaban y se producían depósitos de cok en los orificios de las toberas. Esto se debió al efecto combinado del escaso flujo de inyección en el sistema de doble combustible y de la forma en que iban montados los inyectores en la tapa de los cilindros. El motor está equipado con una tapa o culata que cubre los seis cilindros. Los orificios para los inyectores se hacen en el material de fundición. Esto da lugar a una mala refrigeración de los inyectores, debido en parte a la baja conductividad térmica del hierro colado, y en parte al excesivo grueso de la pared.

Para mejorar la refrigeración del inyector se acopló en el inyector un manguito de cobre y se abrió una conexión entre el espacio en que se colocan los inyectores y los canales de agua de refrigeración de la culata de los cilindros. Este cambio fue bastante sencillo de realizar. Después de esta modificación, fue necesario dar salida al agua de refrigeración del motor antes de quitar los inyectores.

La altura total del gasificador sobre el suelo es de 222 cm. La altura del ojo del conductor es de 225 a 240 cm, dependiendo de la forma en que se ajuste el asiento. El campo de visión en la dirección delantera izquierda está, en parte, obstruido por el gasificador y la caja de filtros. Hacia la derecha y hacia atrás el campo de visión no se ve afectado.

b) Ensayos de rendimiento en laboratorio

Se realizaron ensayos de laboratorio para establecer el rendimiento del sistema del gasificador y el motor transformado.

En el Cuadro 3.13. y en la Fig. 3.11. se da un resumen de los resultados de los ensayos. Se determinó que la potencia máxima en el sistema de doble combustible, es de 51 kW a unas 2 170 rpm (punto de inyección 30° antes de TDC). Esto es el 79% de la potencia máxima para funcionamiento exclusivo con diesel, con el punto de inyección recomendado (22° antes de TDC) y el 76% de la potencia diesel con el mismo punto de inyección que con el sistema de doble combustible. Como puede verse en el Cuadro 3.13. se determinó que la sustitución de gasoil, es del 80 al 85% y la eficiencia del sistema del gasificador, alrededor del 70%. Se encontró que los residuos sólidos en el cenicero representan hasta el 3,5% del consumo de combustible. Esto representaría una pérdida de alrededor del 5%, a plena potencia.

Se hicieron también ensayos con inyectores diferentes del tipo original, de cuatro orificios. Los inyectores del tipo de aguja en la culata original de los cilindros, no mostraron tendencia a la formación de cok -los inyectores se limpian por sí mismos- pero la potencia máxima en la operación con doble combustible resultó ser un 19% inferior que en el tipo de cuatro orificios. No se consideró posible, el funcionamiento exclusivo con diesel, con este inyector, porque se obtenían gases de escape con mucho humo, desde potencias reducidas. Los inyectores de dos orificios dieron la misma potencia, en el sistema de doble combustible, que los inyectores de cuatro orificios, para velocidades del motor hasta de 1.900 rpm y una potencia algo inferior para velocidades superiores. Para funcionamiento exclusivo con diesel, la potencia disponible fue generalmente inferior que para los inyectores de cuatro orificios, en toda la escala de velocidades.

c) Experiencias de funcionamiento práctico

El tractor se utilizó en funcionamiento práctico durante más de 2 500 horas, en un período de seis años en dos grandes fincas agrícolas del sur de Suecia. El tractor lo manejaban sobre todo estudiantes de agricultura, porque los conductores normales de tractores no tenían interés en utilizarlo. La principal razón aducida es que el servicio diario ocupa mucho tiempo, es sucio y pesado. Los preparativos para el funcionamiento requieren de 30 a 45 minutos. Hay que cargar grandes cantidades de astillas de madera en el techo, para funcionar un turno completo de trabajo.

La formación de un nuevo conductor exigió de una a dos semanas. Cada estudiante fue responsable del tractor por un período de seis meses.

El tractor se ha utilizado para los siguientes tipos de trabajo:

Tratamiento del suelo con desterronados

4 m de anchura

Tratamiento del suelo con grada de paras

5 m de anchura

Tratamiento del suelo con grada de discos

2 m de anchura

Tratamiento del suelo con apisonador de tierra

6-10 m de anchura

Transporte de remolacha, granos y fertilizantes.


El sistema del gasificador ha funcionado satisfactoriamente. Los tiempos promedios entre limpiezas sucesivas de las distintas partes del sistema y otras medidas de mantenimiento y lo referente a averías, se analizan en la sección 3.2.4. Los inyectores, que se creía eran problemáticos en cuanto a seguridad, no han ocasionado ningún problema. Se experimentó una avería importante del motor. Esta se debió probablemente al agua absorbida por el gas de un recipiente de líquidos condensados, demasiado lleno, del refrigerador del gas.

3.2.3. Adaptación y funcionamiento de un camión Scania

a) descripción general del camión transformado

Las experiencias de la adaptación de este camión han sido publicadas (en sueco) por Axelsson (2). El sistema de gasificador, que era originalmente del prototipo F5, se sustituyó después por el F500, de producción en serie. Este cambio se hizo en 1979, después de 45 000 km aproximadamente. El Cuadro 3.14. muestra los datos principales del vehículo adaptado. En la Figura 3.12. se presenta el sistema de gasificador y en la Figura 3.13. una fotografía del camión transformado.

Figura 3.11. Eficiencia total, con cargas parciales, de un sistema de gasificador F-5/80-150 montado sobre un tractor Massey Ferguson

Cuadro 3.13. Resultados de los ensayes de laboratorio con un sistema de gasificador F-5/80-150 montado sobre un tractor Massey-Ferguson 110

Combustible

Astillas de madera, contenido de humedad 8%, densidad aparente 152 kg/m³

Potencia de régimen

Máx.

Parcial

En vacío

Velocidad del motor (rpm)

1 855

1 440

1 015

Potencia de salida

40

29

-

Consumo de combustible

Astillas de madera (kg/h)

41

27

8,5

Gasoil (kg/h)

2,2

1,9

1,2

Balance energético

Valor calorífico del gas (MJ/Nm³)

5,60

5,56

5,54

Fracción del gasoil de la energía del combustible (%)

18,9

15,0

26,2

Eficiencia total

18,0

5,3

0

Eficiencia del gas frío del gasificador (%.)

71,1

66,5

73,1

Pérdidas totales de energía (kW)

181,5

143,3

54,8

Pérdidas de energía del gasificador (kW)

56,3

43,0

10,1

Carga del hogar

Bg (Nm³/cm², h)

0,79

0,49

0,17

Contenido de alquitrán

g/Nm³

0,13

0,04

0,17

Todo el sistema, incluyendo el refrigerador de gas, va montado sobre un bastidor que se atornilla al chasis, situado detrás de la cabina del conductor. Para dejar espacio a la instalación del gasificador, se acortó la plataforma. La distancia entre la cabina y la plataforma queda así en 108 cm. Esto redujo la superficie de la plataforma a un 80 por ciento aproximadamente de la superficie original.

La bomba de inyección es de tipo alineado y va equipada con un regulador de vacío. Las válvulas de impulsión tienen orificios inactivos. No se hicieron modificaciones en la bomba de inyección. El registro del regulador se ajustó para evitar la tendencia a sufrir oscilaciones, de la barra de regulación.

La bomba de inyección se coloca para funcionar con doble combustible, moviendo la palanca de parada, de la posición de alimentación total a un punto de parada ajustable, cerca de la posición de alimentación cero. Esto da un flujo de combustible inferior al necesario para funcionar en vacío.

Por lo tanto, es posible parar el motor moviendo la palanca a esta posición, cuando el motor está funcionando sólo con gasoil o cerrando el regulador de gas, cuando el motor funciona con doble combustible. La palanca puede manejarse desde la cabina del conductor utilizando el control normal de parada. Los inyectores van montados en manguitos de acero en la culata de los cilindros. Los manguitos de acero están directamente rodeados de agua de refrigeración. No se hicieron modificaciones para evitar el calentamiento excesivo de los inyectores pues se supuso que no era necesario.

Se conectó un mezclador gas/aire, Figura 3.14., a la tubuladura de admisión del motor. El regulador de gas se maniobra mediante un pedal de gas y el regulador secundario de aire, mediante un control manual en la cabina del conductor. El compartimento entre los dos reguladores en la línea de aire secundaria está conectado con la cámara de vacío del regulador de la bomba de inyección. Esto posibilita usar el regulador para limitar la velocidad de embalamiento del motor. El filtro de aire se trasladó para dejar sitio al mezclador gas/aire. La ventilación del cárter se cambió por un sistema cerrado, a fin de evitar la salida de gas venenoso. El tubo de ventilación, que originalmente salía al aire por debajo del motor, está ahora conectado a la manguera situada entre el depurador de aire y la válvula de mezcla gas/aire.

El camión se ensayó utilizando distintos índices de compresión y puntos de inyección, a fin de encontrar la combinación más apropiada. En el Cuadro 3.15. se resumen los resultados de estos ensayos.

Se encontró que el mejor rendimiento, funcionando con doble combustible, se obtenía con un índice de compresión reducido, de 1:16,5 a 1:15,9 y la inyección a 35° antes del TDC. El índice reducido de compresión se logró, utilizando una de las chapas de cobre de una junta de culata como espaciador adicional entre la culata de los cilindros y el bloque del motor.

Figura 3.12. Diagrama esquemático del sistema de gasificador empleado para un camión Scania L8050

Figura 3.13. Fotografía de un camión Scania L8050 adaptado para funcionar con gas de madera

Cuadro 3.14. Especificaciones de un camión Scania adaptado para gas pobre

Camión

Modelo y número

Scania L8050 no 365 472

Peso total de la versión para gas pobre

8 350 kg

Capacidad de carga

7 600 kg

Motor

Tipo y número

Diesel Scania motor no 735 145

Volumen de cilindros

7,8 dm³

Número de cilindros

6

Indice de compresión

15,9 : 1

Bomba de inyección

Tipo: en línea, con regulador de vacio CAV NR6H80/338 GLPE 34

Inyectores

Tipo CAV BDLL 150S 6403

Sistema de gasificador

Tipo de gasificados

F-5/80-150 2/

Volumen del depósito de combustible

0,031 m³

Diámetro de la garganta

150 mm 1/

Diámetro de toberas

12 mm 1/

Filtro del gas

Filtro industrial AB
Dos cajas normales en paralelo
Superficie de filtro: 6 m²

Refrigerador de gas

Tipo D
Superficie de refrigeración 5,8 m²

Peso total

456 kg

1/Se hicieron también ensayos con garganta de 165 mm y toberas de 14,5 mm. Esto dio un aumento de la potencia máxima del 1%.

2/Posteriormente sustituido por el tipo F500.

b) Ensayos de rendimiento en laboratorio

Se realizaron ensayos de rendimiento en laboratorio a fin de establecer el rendimiento con distintos índices de compresión, puntos de inyección, diámetros de garganta y de toberas de aire y diseños de la válvula de mezcla gas/aire.

Las conclusiones de estos ensayos se han resumido en la sección precedente.

Se encontró que la potencia máxima para funcionamiento exclusivo con diesel era de 70,5 kW (a 2 090 rpm) con un índice de compresión reducido. Después de montar y ajustar el mezclador gas/aire y de ajustar también el punto de inyección en 35° antes del TDC, la potencia se redujo a 60,2 kW (a 1 720 rpm). La máxima potencia de salida del motor, para funcionamiento con doble combustible, se encontró que era 49,8 kW (a 2 230 rpm), es decir, el 71 por ciento de la potencia con funcionamiento exclusivo con diesel, con un índice de compresión reducido.

Se averiguó que la inyección de gasoil es alrededor del 15 por ciento de la correspondiente al funcionamiento con gasoil nada más.

c) Experiencias resultantes del funcionamiento práctico

El camión ha funcionado desde marzo de 1969 y ha recorrido más de 91 500 km funcionando con doble combustible y 28 000 km empleando sólo gasoil. Todavía está funcionando. El camión se ha empleado para diversos tipos de transporte, para formar conductores, para ensayos con diferentes tipos de combustible y para fines demostrativos.

El Cuadro 3.16. muestra el consumo de combustible, en funcionamiento práctico con distintas cargas. La sustitución de gasoil es del orden del 80 por ciento, en comparación con la operación sólo con gasoil, del camión en su versión transformada. El consumo de astillas de madera para sustituir un 1 kg de gasoil es alrededor de 3,6 kg lo que indica una eficiencia práctica del sistema de gasificador de alrededor del 71 por ciento.

La formación de un conductor, para trabajar con doble combustible, con experiencia previa en el manejo de un camión diesel, exige sólo unas 5 horas, tres de ellas de preparación teórica y dos de formación práctica. Algunos conductores de formación tan rápida, han utilizado el camión en diversas ocasiones, para viajes de ida y vuelta de varios miles de kilómetros, sin problemas importantes. Sin embargo, los conductores han subrayado que el conducir en ciudad -en particular en Estocolmo- con doble combustible, es mucho más incómodo que en carretera. En la ciudad hay que programar mejor la recarga de combustible en lugares apropiados. Las grandes nubes de humo que se producen al atizar el fuego se consideran un problema. Las aceleraciones indebidas después de las paradas en los semáforos, también son un inconveniente.

Figura 3.14. Mezcladores gas/aire ensayados con el camión Scania L8050 - a. Mezclador gas/aire del diseño Scania Vabis.

Figura 3.14. Mezcladores gas/aire ensayados con el camión Scania L8050 - b. Mezclador gas/aire diseñado por el Instituto Nacional de Ensayos de Maquinaria Agrícola.

Cuadro 3.15. Experiencias de los ensayos realizados con diferentes índices de compresión y puntos de inyección, para funcionamiento con dable combustible, de un motor Scania D8

Indice de compresión

Medidas adoptadas para cambiar el índice de compresión

Punto de inyección ° antes del TDC

Experiencias

16,5:1

Motor original

30

Golpeteo



25

Sin golpeteo, potencia reducida

13,9:1

Dobles juntas en la culata de los cilindros

25 - 39

Sin golpeteo, pero con dificultades de arranque y menor potencia

15,9:1

Una sola junta, con una lámina fina de cobre procedente de otra junta

36

Golpeteo para bajas velocidades del motor (de importancia práctica limitada, si se emplea correctamente el cambio)



32

Sin golpeteo, incluso a bajas velocidades, pero alguna pérdida de potencia a altas velocidades

Cuadro 3.16. Consumo registrado de combustible en el funcionamiento real de un camión Scania L8050, con dable combustible o sólo con diesel

Carga

Funcionamiento silo con diesel

Funcionamiento con doble combustible 1/

Gasoil
kg/10

Gasoil
kg/10

Astillas de madera 2/
kg/10

Sustitución de gasoil
%

Eficiencia del sistema de gasificador
%

Vacio

2,44

0,50

7,2

80

69

5 000 kg

2,61

0,50

7,6

81

71

8 000 kg

2,87

0,55

7,8

81

76

1/Velocidad media unos 60 km/h

2/Astillas de madera de 10 x 10 - 40 x 40 mm, contenido de humedad 8 - 10%.

En los ensayos prácticos se tomo nota del consumo de combustible, intervalos de servicio y mantenimiento y averías de los equipos. En la sección 3.2.4. se presenta un resumen de las anotaciones realizadas.

3.2.4. Experiencias sobre el servicio, mantenimiento y averías de los equipos

Para una evaluación económica del funcionamiento de los tractores agrícolas y otros vehículos sólo con gas de madera o con doble combustible, tienen una gran importancia los datos sobre el tiempo adicional de servicio y los costes y tiempos necesarios de mantenimiento y reparaciones.

En cuando a los vehículos ensayados por el Instituto Nacional Sueco de Ensayos de Maquinaria Agrícola, se han registrado los intervalos de servicio y mantenimiento y las averías de los equipos; véanse los Cuadros 3.17. y 3.18. Hay variaciones entre distintos vehículos, habiendo preferido presentar aquí las experiencias derivadas del funcionamiento de un conjunto de vehículos, en lagar de presentar sólo las de los dos vehículos analizados con más detalle. El Cuadro 3.18. presenta los intervalos aproximados de servicio y el tiempo aproximado que se necesita para los trabajos de servicio.

Suponiendo que el vehículo se emplea ocho horas al día, puede estimarse que el tiempo de servicio necesario para el sistema de gasificador es de 15 a 25 minutos por hora de funcionamiento, incluyendo las paradas para repostar.

En el Cuadro 3.18. se indican los intervalos aproximados de reparación de los componentes más importantes, basados en la experiencia del funcionamiento práctico de varios vehículos. Estas experiencias no representan necesariamente lo que sucedería si la tecnología se utilizase de forma más generalizada. Las experiencias que se presentan pueden estar sesgadas en sentido negativo, porque los sistemas ensayados correspondían en gran parte a prototipos de primera o segunda generación y estaban también fabricados con los materiales más económicos que podían utilizarse razonablemente. Cabe esperar que unos productos comerciales de uso regular tendrían una mayor duración si se mantienen y manejan igual que los prototipos.

Sin embargo, las experiencias pueden estar sesgadas en sentido positivo porque los operarios de los vehículos ensayados son más cuidadosos y están más interesados en el funcionamiento del sistema, que un operario medio si la tecnología fuera de uso generalizado. La mayoría de las tareas de servicio y mantenimiento son sucias, lo que puede originar que algunos operarios las descuiden. Hay también algunas dificultades relacionadas con la evaluación de los porcentajes de averías que cabria esperar en otras condiciones de funcionamiento. Algunas de las averías, como el desgaste de los filtros y el "craking" de las placas de la garganta, están evidentemente relacionadas con el número de horas de funcionamiento. Otras como los danos de corrosión, pueden depender más de la antigüedad real del componente.

Cuadro 3.17. Intervalos de servicio y mantenimiento de sistemas de gasificadores de vehículos en funcionamiento práctico


Intervalo

Tiempo necesario

Preparativos diarios para el funcionamiento

Todos los días de funcionamiento

30-45 min

Carga de combustible

Cada 40-50 min

Menos de 5 min

Desagüe del tanque de líquidos condensados en el refrigerador de gas

Cada 2-3 h

Menos de 5 min

Extracción de cenizas del cenicero del gasificador

Cada 8-15 h

15-30 min 1/

Desagüe del tanque de productos condensados en el gasificador

Cada 8-10 h

Menos de 5 min 2/

Limpieza de la manguera situada entre la toma primera de aire y el ventilador de arranque

Cada 55 h

Alrededor de 1 h

Limpieza del filtro de tela

Cada 25-100 h 3/

30-60 min

Limpieza de la envoltura de líquidos de condensación

Cada 75-135 h

1-2 h

Sustitución de diversas juntas

Cada 500 h

Alrededor de 1 h

Limpieza del refrigerador de gas y de la tubuladura de admisión

Cada 500 h 4/

1-2 h

1/Se realiza durante la parada para repostar.

2/Puede hacerse normalmente como parte de los preparativos diarios. El tiempo considerado incluye estas tareas.

3/El intervalo de limpieza depende de la pérdida de presión aceptada y del tamaño de la superficie de filtro en relación con el flujo de gas.

4/Limpieza necesaria después de las averías del filtro de gas. La frecuencia estimada se basa en los porcentajes de averías observados en las bolsas de los filtros.

Cuadro 3.18. Tiempos de duración de algunos componentes importantes, entre reparaciones o sustituciones, de acuerdo a experiencias reales de funcionamiento

Componente o parte del sistema

Tiempo de funcionamiento entre averías

Tipo de avería y reparación

Comentarios

Gasificador

Tapa del combustible y parte superior del gasificador

Más de 4 000


Antigüedad de seis anos o más.

Parte inferior, incluyendo la envoltura de líquidos condensados y el cenicero

2 000-4 000

Corrosión - parcheo o sustitución de la parte dañada.

Los gasificadores de ensayo han empleado acero bajo en carbono, para estas partes. El empleo de una aleación resistente a la corrosión aumentará la duración.

Hogar de la caldera

600-1 000

Grietas, deformación - soldadura o sustitución.


Anillo de la garganta

Alrededor de 700

Grietas, deformación - soldadura o sustitución.


Parrilla y mecanismo de la parrilla

400-700

Grietas, deformación - soldadura o sustitución.


Filtro de tela

Bolsas del filtro

500-1 000

Rozaduras, agujeros de quemaduras - sustitución.


Caja de filtros

Más de 4 000



Refrigerador de gas

Elementos de refrigeración y tanque de líquidos condensados

1 500-2 000

Corrosión - parcheo.



4 000

Corrosión general - sustitución.


Motor

Más de 4 000


La inspección del autor del camión Scania LBS 110 después de 190 000 Km (unas 4 000 h) mostró un desgaste de los cilindros ligeramente mayor que en el funcionamiento exclusivo con diesel.

Los costes de reparación de los sistemas de prototipos, no son probablemente representativos de los costes que podrían experimentarse en un funcionamiento práctico. Los repuestos producidos en serie serían mucho más baratos que los fabricados especialmente para los prototipos.

Parece razonable suponer una duración de unos seis anos para el sistema del gasificador en general, y un coste de reparación del cinco por ciento de la inversión de capital, por cada 1 000 horas de funcionamiento. El coste de reparación se estima suponiendo que las bolsas de los filtros deban sustituirse cada 500 a 1 000 horas y que de las partes del sistema expuestas a altas temperaturas o a productos condensados corrosivos, necesitan reparaciones con una frecuencia similar.

3.3. Vehículos que han funcionado recientemente con gas pobre en otros países

La experiencia reciente sobre adaptación y funcionamiento de vehículos a base de gas pobre no se limita a Suecia. El alcance de este capítulo no permite analizar y evaluar las experiencias de otros países, pero es interesante al menos identificar las posibles fuentes adicionales de información sobre esta aplicación de los gasificadores.

Se sabe que en los países que se enumeran a continuación, han funcionado durante el ultimo decenio vehículos con gas pobre. No se pretende que la lista sea completa pero, aun así, demuestra que existe cierto interés por los vehículos de gas pobre, fuera de Suecia, aunque sólo dos países, Filipinas y Brasil, parecen tener en funcionamiento algo más que unas pocas unidades prototipo.

En (30) hay breves informes sobre los vehículos que funcionan con gas pobre en los países siguientes:

Australia

Una pequeña camioneta (pick-up) utiliza astillas de madera como combustible.

Bélgica

Dos camiones, uno emplea carbón vegetal como combustible y el otro, madera o residuos de biomasa.

China

Un tractor de madereo emplea madera como combustible.

Finlandia

Un tractor agrícola emplea madera como combustible.

Francia

Seis grandes camiones emplean madera como combustible; véase también (45).

Alemania

Por lo menos dos tractores agrícolas han sido adaptados para gas de madera, por dos fabricantes distintos de gasificadores.

Laos

Un jeep, que emplea un gasificador de carbón vegetal, ha venido funcionando desde 1981.

Sudáfrica

Según se informa, el Gobierno esta haciendo un cambio importante para utilizar gasificadores alimentados con madera, para pequeños motores. Han estado funcionando dos vehículos, por lo menos, que utilizan probablemente carbón vegetal como combustible; véase Gore (15).

EE.UU.

Han estado circulando por el país al menos tres automóviles accionados a base de madera. Hay también una motocicleta y un tractor agrícola accionados a base de madera.

Se han recibido también informes sobre el funcionamiento de un solo vehículo, de Kenia, Sri Lanka (véase 24), la Seychelles y Tanzania. Estos vehículos, a excepción del de Seychelles, emplean carbón vegetal como combustible. Los ensayos publicados por Kulasingue (24) son especialmente interesantes, ya que el equipo se diseñó y fabricó localmente.

Finalmente, en Brasil y Filipinas ha comenzado la producción comercial de sistemas de gasificadores para vehículos. El carbón vegetal es el principal combustible utilizado. En el punto (12) se indica el numero de vehículos en funcionamiento, con unos 300 en Brasil y 200 en Filipinas. Brandini (8) ha publicado más detalles del programa de Brasil.

3.4. Evaluación económica del funcionamiento de vehículos con gas de madera


3.4.1. Razones en favor de los gasificadores de madera
3.4.2. Método empleado para la evaluación económica
3.4.3. Supuestos económicos básicos
3.4.4. Costes marginales del sistema de gasificador de madera
3.4.5. Economía de un tractor con gas pobre
3.4.6. Economía de un camión con gas de madera


3.4.1. Razones en favor de los gasificadores de madera

La instalación de un sistema de gasificador en un vehículo, representa una cierta inversión, da un rendimiento algo peor y aumenta el tiempo necesario de servicio, mantenimiento y reparaciones. Todo ello puede traducirse en mayores costes del vehículo. El funcionamiento con gas de madera sólo es viable económicamente si estos costes se ven compensados por los ahorros realizados en los costes de combustible.

Puede deducirse de ello que el funcionamiento con gas de madera será más competitivo en aquellas situaciones en que la utilización anual del vehículo sea intensa, los costes de mano de obra sean reducidos y la diferencia de precios entre los combustibles de petróleo y la madera, sea grande.

A continuación se trata de determinar los intervalos de estos parámetros, dentro de los cuales el funcionamiento con gas de madera puede constituir una solución competitiva.

3.4.2. Método empleado para la evaluación económica

La finalidad de la evaluación económica que aquí se presenta, es aclarar en qué circunstancias el funcionamiento de un vehículo con gas de madera puede competir con el funcionamiento exclusivo a base de gasoil. Esto se hace mediante comparación de los costes marginales del sistema de gasificador y los ahorros en los costes de combustible de las dos aplicaciones, un tractor agrícola y un camión, del mismo tamaño que los descritos en la sección 3.2.

Se analizan tres niveles de costes para el sistema de gasificador: Un nivel alto, representativo de la adaptación de vehículos individuales en Suecia, y dos niveles bajos, que se suponen representan la transformación de vehículos individuales en países con costes de mano de obra mucho menores.

Se analiza una serie de costes de mano de obra y otra de costes de combustible, que se cree representan la situación actual en Suecia y en el Tercer Mundo. Los costes de capital se calculan mediante el método de anualidades, suponiendo una tasa real de interés fijo1. Todos los costes se evalúan en dólares EE.UU., con la cotización correspondiente a mediados del año 1984.

1 La tasa real de interés es igual a la tasa actual de interés menos el índice de inflación.

3. 4. 3. Supuestos económicos básicos

La evaluación económica se hace suponiendo un tasa real de interés del ocho por ciento con salarios para la mano de obra del orden de 0,5 a 16 US$/hora con un precio para el gasoil de 8 a 16 US$/GJ y para el combustible de madera de 0,1 a 3,5 US$/GJ. Debe mencionarse que en Suecia los salarios de la mano de obra son alrededor de los 16 US$/h. El gasoil se vende aproximadamente a 0,3 US$/l, es decir, 8,5 US$/GJ y las astillas de madera, como combustible comercial, a 3,4 US$/GJ.

En el capítulo 4, el coste de preparación del combustible del gasificador se estima que es 0,11 h+0,04 US$/GJ, lo que da un coste de 0,1 a 1,8 US$/GJ para la gama de salarios considerados aquí. El gasoil en lugares remotos se calcula que cuesta 12,6 US$/GJ.

Finalmente, en el Capítulo 5 se calcula que el coste de la cáscara de coco, como combustible, es de 0,8 US$/GJ.

3.4.4. Costes marginales del sistema de gasificador de madera

a) coste de capital

El coste marginal de capital se puede calcular mediante el método de anualidades, si se puede establecer la inversión de capital y la duración económica del sistema de gasificador.

La inversión de capital se puede calcular partiendo de un camión Ford-D, recientemente adaptado para realizar ensayos en Sri Lanka, que ha sido equipado con un sistema de gasificador similar en tamaño al gasificador normal F-5/80-150.

El Cuadro 3.19. muestra cómo las diferentes partidas de gastos, sumadas al coste total de adaptación, ascienden a 11 000 US$. Este es, indudablemente, el coste de adaptación para un solo vehículo transformado en Suecia, con un coste elevado de mano de obra (14,8 US$/h). Es evidente que el coste de mano de obra es importante, ya que la mano de obra de fabricación y los costes de montaje representan más del 70 por ciento del coste de adaptación. Para demostrar el efecto de un bajo coste de mano de obra, el Cuadro 3.19. muestra también el coste estimado de adaptación en un país en desarrollo, con costes de mano de obra de 2 y 0,5 US$/h. En estos cálculos se supone que el tiempo necesario es el doble, como resultado de instalaciones de talleres peor equipadas y que los costes de los materiales son un 10 por ciento superiores. El coste de adaptación en estas condiciones sería de unos de 5 300 US$ y 3 600 US$ respectivamente.

Con una duración económica supuesta de seis años y una tasa real de interés del ocho por ciento, el coste anual de capital para el sistema de gasificador será el 21,6 por ciento de la inversión de capital.

b) Costes de servicio y mantenimiento

Basándose en las experiencias presentadas en la Sección 3.2.4., el trabajo adicional para mantener en funcionamiento la instalación del gasificador puede calcularse en 0,3 h/hora de funcionamiento. El coste resultante dependerá indudablemente del nivel de la mano de obra; véase los Cuadros 3.20. y 3.21. Se ha supuesto que el coste de mantenimiento es el cinco por ciento de la inversión de capital, para cada mil horas de funcionamiento. Esto lleva a un coste estimado de mantenimiento, en el caso de Suecia, de 0,55 US$/hora de funcionamiento, y de 0,18 US$/hora de funcionamiento en un país con un coste reducido de mano de obra.

Para la evaluación económica del camión con gas de madera, será necesario considerar la menor capacidad de carga y la mayor distancia recorrida, para una carga dada. Los costes de servicio y mantenimiento del camión y el motor se supone que dependen de la distancia anual recorrida, de acuerdo con las experiencias suecas. Para 60 000 km/año será de 0,66 US$/km; para 30 000 km/año, 0,80 US$/km y para 1 500 km/año, 1,40 US$/km.

c) Costes de combustible

Los costes de combustible se calculan suponiendo que se funciona con doble combustible y un consumo de combustible para el tractor de acuerdo con el Cuadro 3.16.

Cuadro 3.19. Coste de adaptación de un vehículo para funcionamiento con gas de madera

Partida del coste

Coste real de adaptación de un camión en Suecia US$

Adaptación en países con costes reducidos de mano de obra

Comentarios

Coste estimado de transformación, salarios 2 US$/h US$

Coste estimado de transformación, salarios 0,5 US$/h $EUA

Motor

753 1/

753

753

Este es el coste de sustitución de un motor diesel por un motor de gasolina usado y reparado. Se supone que representa el coste de los ajustes necesarios de un motor diesel para funcionar con doble combustible.

Gasificador y refrigerador de gas

652

391

313

Coste material aumentado en un 10%; tiempo de mano de obra incrementado por el factor 2.

Filtros de gas

1 600

960

769

"

Ventilador de arranque

244

268

268

Coste incrementado en el 10%.

Accesorios, válvulas, juntas, elementos auxiliares, controles

997

1 086

1 086

"

Montaje

6 782

1 809

452

Tiempo de mano de obra incrementado por el factor 2.

Total

11 019

5 266 2/

3 640 2/


1/Con salarios de mano de obra de 15 US$/h.

2/Estos cálculos parecen razonables, en comparación con los costes publicados para sistemas algo más sencillos, fabricados en Brasil (750-2 000 US$) y Sri Lanka (1 000 US$).

3.4.5. Economía de un tractor con gas pobre

La diferencia anual de coste entre un tractor diesel y un tractor con gas de madera, se calcula en tres situaciones económicas, que son las siguientes:

Condiciones europeas (Suecia)

Salarios

16 US$/h

Combustible madera

3,5 US$/GJ

Gasoil

8,5 US$/GJ

Condiciones intermedias

Salarios

2 US$/h

Combustible madera

2 US$/GJ

Gasoil

8,5 US$/GJ

Condiciones favorables para el gas pobre

Salarios

0,5 US$/h

Combustible madera

0,5 US$/GJ

Gasoil

16 US$/GJ

Se supone que la utilización anual es de 500, 1 000 y 2 000 horas. Se cree que este margen incluye lo que puede hallarse en la práctica. Para simplificar la comparación, se supone que se puede contar con una pérdida de potencia del 20 por ciento, añadiendo una inversión a la alternativa del gas pobre, equivalente a la diferencia de coste para tractores nuevos con aquella diferencia de potencia. La diferencia de coste se puede calcular en unos 2 500 US$ y se supone que debe depreciarse en 10 000 horas de funcionamiento. En el Cuadro 3.20. se hace la comparación, mostrándose también los costes de indiferencia para el combustible madera y de gasoil para cada caso.

Es perfectamente comprensible que los tractores con gasificador de madera no sean de uso normal en Suecia. La operación significa una pérdida, incluso aunque el combustible madera sea gratuito. Sólo cuando el precio del gasoil aumentase en el 100 a 200 por ciento, resultaría económico un tractor con gas de madera.

La situación es muy distinta si los salarios y el coste del combustible de madera son bajos. Para el caso intermedio analizado, el tractor con gas de madera será económico si las horas de funcionamiento anual pasan de 700. Para costes muy bajos de los salarios y del combustible madera y con costes de gasoil elevados, el tractor con gas pobre parece ser muy atractivo. El tiempo de reintegro del sistema de gasificador es del orden de 13 a 36 meses en las condiciones analizadas para esta situación. Es una observación interesante que el uso de sistemas costosos fabricados en Europa no eliminaría completamente las posibilidades económicas de los gasificadores en el Tercer Mundo. El tractor con gas de madera seria económico todavía en el caso de salarios y costes de madera muy bajos y con un precio elevado del gasoil. En el caso intermedio seria aun económico para largos períodos anuales de funcionamiento. También es cierto que incluso un sistema de gasificador muy barato, no seria económico en Europa. Aunque el gasificador no costase nada, los costes adicionales de mano de obra sobrepasarían los ahorros de combustible, lo que elimina cualquier posibilidad de funcionamiento económico con gas pobre, con la probable excepción de aquellos casos en que el sistema fiscal sea tal que la mano de obra propia cueste efectivamente mucho menos que el de la mano de obra contratada.1

1 La situación podría ser aplicable en determinadas circunstancias en Suecia.

Cuadro 3.20. Comparación económica entre un tractor con gas de madera y un tractor con diesel ($EUA de 1984)

Cuadro 3.21. Comparación económica entre un camión con gas de madera y un camión diesel (US$ de 1984)

Cuadro 3.21. Comparación económica entre un camión con gas de madera y un camión diesel (US$ de 1984) (cont.)

3.4.6. Economía de un camión con gas de madera

La diferencia de costo anual entre un camión diesel y un camión con gas de madera, se evalúa para las mismas situaciones económicas que las consideradas para el tractor. El coste inicial del camión se supone que es de 28 000 US$, con un diez por ciento adicional por costes de flete a un país del Tercer Mundo.

En el Cuadro 3.21. se presenta la diferencia de coste para tres niveles de utilización, es decir 60 000, 120 000 y 240 000 toneladas y kilómetros por año.

La velocidad media se supone que es un diez por ciento inferior para el funcionamiento con gas de madera, debido sobre todo a las paradas para cargar combustible. En condiciones europeas se supone que la velocidad media es de 60 Km/h para el vehículo diesel. En otros casos, en que las condiciones de las carreteras son menos favorables, se supone que la velocidad media es de 25 km/h.

Como es de esperar, los resultados de la comparación son cuantitativamente similares a los presentados por el tractor agrícola. El funcionamiento con gas de madera no será económico en Suecia hasta que el precio del diesel haya aumentado considerablemente, más del 200 por ciento.

En las condiciones intermedias en que los salarios y el precio de la madera combustible son inferiores, el funcionamiento con gas de madera tampoco parece ser económico. Esta es una conclusión diferente de la del caso del tractor y puede explicarse por las diferencias en el modelo de uso. Si no hubiera sido necesario recorrer con el vehículo de gas de madera una distancia mayor para transportar la misma carga, el camión con gas de madera habría sido económico marginalmente, para el caso de 240 000 t km/año. El aumento necesario del precio del gasoil para que sea económico el gas de madera, está entre el 100 por ciento y el 25 por ciento. Para largas distancias de recorrido anual, puede ser económico con el precio actual del petróleo si la madera fuera extraordinariamente barata.

Para el caso extremo de salarios bajos, bajo precio del combustible madera y alto precio del gasoil, el camión con gas de madera parece ser extraordinariamente ventajoso, con un tiempo de reintegro del capital de dos años o menos, para el equipo de gasificación.

3.5. Viabilidad del empleo de la tecnología del gasificador de vehículos para instalaciones fijas

Los sistemas de gasificador de vehículos deben ser de diseño compacto y de poco peso. Para lograrlo, pueden ser necesarios algunos sacrificios en cuanto a eficiencia. También puede exigir un servicio más frecuente. Por ejemplo, los sistemas de gasificador de vehículos se aprovisionan de combustible casi exclusivamente a mano. Los diseños compactos de ceniceros y filtros imponen una limpieza bastante frecuente.

El diseño de poco peso implica el uso mínimo de material, lo que lleva consigo una duración más corta de las partes expuestas a corrosión. Esto puede parecer un grave inconveniente para emplearlo en aplicaciones fijas, pero debe entenderse también que los diseños de poco peso y compactos tiene ciertas ventajas que, para algunas aplicaciones fijas, compensan sus consecuencias negativas. Los diseños de poco peso y compactos pueden fabricarse de forma más barata y en instalaciones con talleres no muy bien equipados. El transporte al lunar de emplazamiento será más sencillo y económico. El trabajo de montaje puede eliminarse prácticamente porque la planta energética se puede construir y transportar como una unidad. Todo esto se traducirá en menores costes de capital.

Finalmente, la elección de la tecnología dependerá de una evaluación económica. Es muy posible entonces que los sistemas para vehículos se conviertan en la elección más económica para ciertas aplicaciones. Teniendo en cuenta las características especiales de tales sistemas, parece razonable suponer que serán competitivos en las siguientes circunstancias:

- bajo coste de mano de obra (la necesidad de más tiempo para su funcionamiento y servicio, no es entonces tan importante);

- tiempo de funcionamiento anual entre bajo y medio (un coste reducido de capital es importante en este caso, y el servicio y mantenimiento frecuentes son menos importante);

- es conveniente la fabricación local (los sistemas para vehículos exigen talleres no tan bien equipados);

- emplazamientos remotos (los costes de transporte y de montaje en destino pueden reducirse con sistemas compactos y de poco peso);

- se necesita una planta móvil (las plantas compactas y de poco peso pueden montarse sobre un remolque).

Recientemente, se han fabricado y han funcionado en Suecia dos plantas energéticas fijas que utilizan sistemas del tipo de vehículo similares a los diseños descritos en la sección 3.2.

Una de ellas, con una potencia de unos 30 kW, ha sido fabricada por "Gotland Gengas" y la utiliza, en el Instituto Real de Tecnología de Estocolmo, el Instituto Beijer para ensayos con diferentes combustibles. No se han encontrado problemas operativos empleando madera como combustible.

La otra planta fija es un prototipo de planta comercial con una potencia energética de 40 kW, fabricada por Elektromatic Power Generation AB. Ha funcionado durante varios centenares de horas en un aserradero, empleando como combustible astillas de madera. En la actualidad se están considerando modificaciones dirigidas principalmente a un sistema de control más sencillo.

La experiencia obtenido con el funcionamiento de estas dos plantas, parece confirmar que los sistemas para vehículos pueden funcionar también satisfactoriamente en aplicaciones fijas. El que tales sistemas sean más o menos económicos que los diseñados especialmente para instalaciones fijas, como los descritos en los Capítulos 4 y 5, sólo puede establecerse con un funcionamiento más extenso, en las condiciones del terreno y dependerá probablemente de las circunstancias particulares de cada caso.

3.6. Riesgos operativos

En este Capítulo se han explicado las razones del interés sueco por los sistemas de gasificadores de madera para vehículos y se han resumido las recientes experiencias de utilización práctica de vehículos que han funcionado a base de gas de madera. Se cree que estas experiencias podrían ser interesantes para la planificación energética en otros países que tienen también una fuerte dependencia de los combustibles importados para el sector del transporte y que la tecnología podría ser interesante económicamente para su uso normal en alguna de las circunstancias descritas en la Sección 3.4.

Sin embargo, hay que comprender también que el uso de vehículos con gas pobre representa ciertos riesgos. Estos han sido descritos en el Capitulo 2 pero hay que mencionar en este contexto que las experiencias en Suecia de una rápida introducción de vehículos con gas pobre, a principios de la Segunda Guerra Mundial, fueron bastante desfavorables. Se produjeron varias desgracias, ocasionadas por envenenamiento de monóxido de carbono y un aumento notable de la frecuencia de incendios de automóviles. Tras la puesta en vigor de unas normas estrictas de seguridad y de unos vigorosos esfuerzos para formar a los conductores, estos tipos de accidentes se hicieron menos frecuentes. A pesar de ello, aumentó el numero de personas diagnosticadas anualmente de sufrir "efectos crónicos" de envenenamiento con gas pobre. En total se registraron en Suecia unas 10 000 personas, como casos de envenenamiento crónico, en el período de 1941-1945. No obstante, debe saberse que los síntomas desaparecen después de cierto tiempo, si la persona que sufre el envenenamiento no se expone más al gas. Parece que no existen daños permanentes pero el envenenamiento continua siendo un problema por la pérdida de días de trabajo.

Es posible que esta experiencia fuera resultado de la costumbre de colocar los vehículos a cubierto en el invierno, para facilitar el arranque, y que los riesgos sean menores en un clima cálido, pero parece ser muy importante reducir al mínimo la exposición al gas de los conductores, pasajeros y personas que trabajan en garages y talleres de servicio. Lo menos que puede hacerse, para evitar experiencias desfavorables similares, es seguir las normas de seguridad desarrolladas en Suecia para la instalación de sistemas de gas pobre en los vehículos. En (23) se incluye una traducción de las mismas. Si se introducen en gran escala los gasificadores de vehículos, sin precauciones adecuadas, existe la posibilidad real de un sufrimiento humano innecesario y de pérdidas económicas. Por ello, parece necesario el control gubernamental de cualquier programa de vehículos con gas pobre.


Página precedente Inicìo de página Página siguiente