Tradicionalmente los animales pequeños (ovejas, cabras y terneros) se desangran y en parte se preparan en el suelo o sobre una mesa; y a continuación se suspenden por las patas traseras de un carril o percha, que se alza en dos etapas durante las cuales queda completada la preparación de las canales.
Un hombre puede preparar la canal de una oveja en quince minutos y todo lo que se necesita es un cuchillo afilado, una sierra manual y un caballete de suspensión. Las desventajas son que el izado es una tarea dura, que el área de carnización está contaminada con sangre y desperdicios y que la retirada de las canales y los subproductos es difícil.
Los terneros se preparan tradicionalmente en puestos, o en cadenas, mecanizadas o no mecanizadas, de manera idéntica o análoga a las utilizadas para ovejas y cabras. Sus canales se pueden preparar en el mismo carril aéreo si está elevado aproximadamente 1m y los operarios trabajan desde plataformas elevadas para preparar las canales de las ovejas. En la mayor parte de los países, se considera poco higiénico dejar las pieles y, por tanto, se retiran.
Por otra parte, con los terneros no es necesario ligar el esófago ya que el contenido del estómago no es normalmente líquido.
Aparte de éstas y otras diferencias locales, la preparación de las canales de los terneros es análoga a la de las ovejas, pero lleva más tiempo. La producción en una cadena no mecanizada con cuatro o cinco hombres es aproximadamente de 12 terneros frente a 35 ovejas.
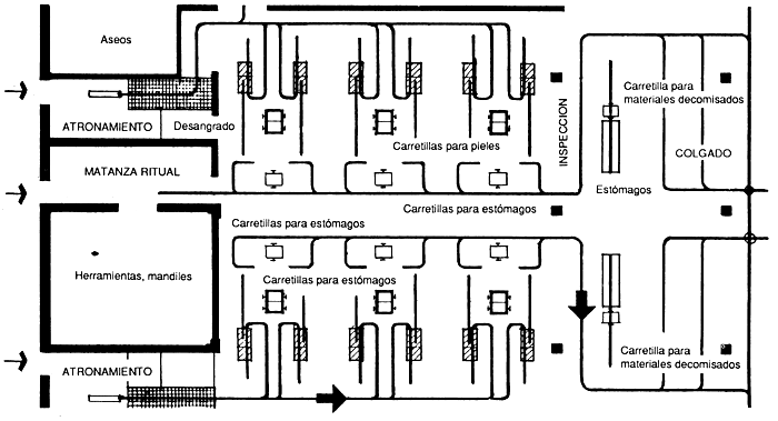
Cuando las ovejas se sangran desde un carril, pueden pasar, no obstante, a mesas para la carnización, como en la fig. 43, que representa lo que puede describirse como un sistema de cadena modificado. En este caso gran parte de la sangre queda fuera del área de carnización. Debido a la rapidez de preparación de las canales, es necesario disponer de un carril separado para cada zona, pese a lo cual surgen complicaciones al retirar los subproductos no comestibles en carretas a través de la cadena de las canales limpias como sucede con la preparación en mesa de las canales de los bovinos. Sin embargo, el sistema requiere una gran mano de obra y resulta obviamente atractivo para los países en desarrollo. Estas deficiencias únicamente se pueden superar si se dispone de un edificio de dos pisos en el que los productos no comestibles se pueden descargar en el piso inferior evitando de esa manera atravesar las cadenas por las que cirçulan los carriles.

CAPACIDAD 75 ovejas por hora
Compartimentos y sistema lineal modificado
FIGURA 43 PLANTA DE SECTOR DE MATANZA DE OVEJAS CON COMPARTIMENTOS MULTIPLES
Estos dos sistemas siguen siendo ampliamente utilizados cuando las prácticas de los mercados y las carnicerías impiden el trabajo en equipo en una cadena debido a que los carniceros individualmente no pueden o se niegan por diversas razones a organizarse en ese sistema.
La práctica industrial moderna consiste en atronar, matar, sangrar y preparar la canal en un carril de barra redonda o plana, avanzando las canales por un impulso manual o mecánico. Las ventajas son las mismas que en la preparación de canales de bovino en cadena, a saber: la higiene, la limpieza y la eficiencia de la mano de obra.
Las cadenas no mecanizadas (fig. 44) exigen un mínimo de cinco hombres de los cuales dos deben ser trabajadores calificados. Cada equipo puede alcanzar una producción de más de 35 ovejas por hora. Como sucede con los bovinos, la producción de una cadena determinada puede aumentar simplemente mediante el incremento del número de hombres. El posible utilizar hasta diez hombres con eficacia en una cadena, doblando la producción para alcanzar las 70 ovejas por hora. Para una producción mayor, es preferible mecanizar o duplicar las cadenas. Sin embargo, con la duplicación de la cadena el problema de los subproductos “sucios” que atraviesan las cadenas adyacentes sólo se puede evitar si se dispone de una nave de carnización situada encima de un sótano o de un primer piso, para que esos materiales puedan enviarse al punto de retirada a través de un conducto conectado con la sala de recepción de los subproductos de abajo.
El orden básico de las operaciones está representado en las figs. 44 y 45 y es el que se indica a continuación:
Atronamiento, elevación por una pata que se sostiene por una cadena unida a un carril de desangrar inclinado, matanza y traslado por deslizamiento a:
Primera parada en el carril de 2,50m de alto, en la que se desuella la pata libre y se le inserta un gancho que se conecta a un segundo carril situado a una distancia de 150 mm a 300 mm, desde el que la canal se desliza a:
Segunda parada del carril de 2,30m de alto en la que se desuella la otra pata y la canal se transfiere a un tercer carril con un caballete de suspensión deslizante situado a unos 150mm de distancia, desde el que se desliza a:
El puesto de la barra del camal (que es una barra curvada que termina en U con un anillo en el centro), donde se cortan las patas delanteras y se insertan anzuelos en forma de U, tras lo cual la parte frontal de la canal es elevada por la barra del camal y se agarra a un gancho que cuelga de una polea, mientras que las patas traseras siguen en el caballete de suspensión del carril deslizante (figs. 46 y 47). En esta etapa se desuellan las patas delanteras, el cuello, los lados de los carritos y los pechos, se extraen y atan las mollejas de la garganta y se descuartiza el pecho. A continuación se retiran los camales y la canal pasa a:

FIGURA 44 SECUENCIA DE LAS OPERACIONES DE MATANZA DE OVEJAS EN UN SISTEMA LINEAL

FIGURA 45 DATOS PARA EL DISEÑO DE SISTEMAS LINEALES DE GRAVEDAD PARA OPERACIONES DE MATANZA DE OVEJAS

| EXTREMO DEL AJUSTADOR DEL SEPARADOR | MATANZA DE OVEJAS Disposición del separador para el desuello y apertura del pecho |
FIGURA 46 DETALLES DE LA DISPOSICION DEL SEPARADOR PARA EL DESUELLO DE OVEJAS EN SISTEMAS DE CARRILES DE DESCARGA POR GRAVEDAD

FIGURA 47 ILUSTRACION DE ACTIVIDADES DE CARNIZACION DE OVEJAS CON CARRILES DE DESCARGA POR GRAVEDAD
El puesto final de carnización (la canal cuelga ahora en posición normal del carril deslizante), donde se saca el pellejo. Para esta operación manual un operario necesita un espacio de por lo menos 2,50 m detrás suyo para tirar de la piel. El cuarto conducto para pieles debe estar adyacente al lugar donde se realiza esta operación, tras la cual se abre la tripa y se extrae el sebo del redaño, los intestinos, la vesícula y los despojos rojos. En las fábricas la piel de la cabeza se ha de retirar antes de la inspección y, si la cabeza permanece con la canal, se desuella al mismo tiempo que se retira el pellejo. La producción por cadena puede aumentar de la manera siguiente:
Una mayor subdivisión de las operaciones básicas.
Un aumento de la longitud del carril de desangrar, ya que se necesitan de 450 mm a 610 mm por canal.
Un aumento de la longitud de los carriles de carnización, puesto que se necesita 1,2 m por hombre y 3 m desde el comienzo hasta el lugar donde se abren los pechos.
La mecanización parcial o total como se ha descrito anteriormente.
Sin embargo, en algunos países se están utilizando otros sistemas que entrañan una mecanización parcial, con los cuales la canal después del desangrado se vuelve a arriar automáticamente a lo que se podría describir atinadamente como una mesa alzada móvil o un puesto de carnización (figs. 48 y 49), dispuestos de tal manera que cada animal se mantiene en la postura requerida para proceder a la carnización en el suelo al viejo estilo.
El pesebre, sin embargo, avanza a lo que sería normalmente la velocidad del transportador para ajustarse a la producción, y todas las operaciones que se realizan comúnmente con el camal de las patas delanteras en posición se llevan a cabo en esta etapa. La ventaja de este sistema es que la canal se mantiene rígidamente fija en el pesebre, en lugar de colgar de manera inestable del carril y del camal de las patas delanteras y, por este motivo, un hombre que haya estado utilizando el método de pesebre individual de matanza se adecuará más fácilmente a una cadena mecanizada.
Es posible elegir entre dos métodos: o el operario se desplaza a lo largo de la mesa y completa todas las operaciones antes de volver al punto de partida, o el proceso se descompone en operaciones individuales de una manera análoga a una cadena, asignándose a cada hombre a un espacio determinado dentro del cual completa su tarea.
La forma mecánicamente más sencilla de esta disposición es que la mesa avance en una línea recta y regrese por debajo al punto de carga. La desventaja de este sistema es que, si se prefíere el primero de los métodos citados, el operario tiene que atravesar una distancia máxima antes de empezar a trabajar con su canal siguiente.
En este sistema, después del desangrado, la canal se tiende sobre cada pesebre cuando pasa por el dispositivo de arriar, con el extremo de la cola delante. Desde este punto. los matarifes trabajan en pareja y realizan la totalidad de la operación de corte de las patas y desuello en la etapa en que se desuella a la oveja retirando efectivamente la piel de la espalda. Con ambos sistemas (manual o semimecanizado) la retirada definitiva de la piel puede efectuarse a mano o mecánicamente y se realiza con la canal suspendida. En la operación manual un operario necesita un espacio no inferior a 2,44m detrás de él para tirar de la piel. La sala o el conducto de pieles debe estar adyacente al lugar donde se realiza la operación. El espacio necesario para la retirada mecánica dependerá del tipo de equipo, pero normalmente no será inferior al que se exige para la retirada a mano.
Las pieles deben retirarse de la nave de carnización lo antes posible. La evisceración no debe llevarse a cabo hasta que la piel se haya retirado de la canal. La cabeza de la oveja debe desollarse y guardarse con la canal para la inspección.
Los operarios después de un breve período pueden fácilmente ocuparse de 30 ovejas por hora y a veces esta cifra se ha elevado a 35 ovejas por hora. Estas cifras suponen que el operario recorre una distancia de 4,5 a 6m entre el recibo de la oveja en la mesa y el abandono de la canal desollada antes de volver al comienzo del transportador. Es posible conseguir una producción de 200 ovejas por hora con seis pares de operarios que se desplacen. A este ritmo de matanza sólo se necesitarían dos operarios para las operaciones de atronamiento y encadenamiento y uno sólo para un número inferior a las 100 ovejas por hora.
Una vez que se han cortado las patas y se ha desollado a las ovejas, la operación siguientes se realiza con un solo hombre, que sierra todos los huesos del pecho y retira las mollejas de la garganta; este operario puede realizar esas tareas a un ritmo de 200 ovejas por hora.
La canal se somete a continuación a un lavado preliminar, mientras se traslada sobre su espalda encima de la mesa y otro operario al final de ésta coloca a la canal en el camal sobre el gancho deslizante y éste sobre la barra del elevador.
Para superar la dificultad de un movimiento excesivo de los operarios en las operaciones de preparación de la carne, es posible colocar la mesa en una forma oval, si las demás circunstancias lo permiten, para que el operario acabe estando al lado del punto de partida (figs. 50 y 51) para las operaciones de preparación de la canal.
Aunque esta instalación resultaría relativamente más costosa, ese costo adicional puede quedar compensado a lo largo de cierto período por la economía que supone el menor movimiento de los operarios.
En los sistemas manual y semimecanizado el equipo necesario para manipular las vísceras para la inspección es análogo en las cadenas de cerdos o de ovejas de capacidad afín. Para producción reducidas, es adecuada una mesa para los estómagos y los intestinos, mientras los despojos rojos están colgados de un gancho o de un carril. Como todas las partes de las vísceras deben identificarse con la canal hasta que termine la inspección, el carril y la mesa deben corresponder al ritmo previsto de matanza más elevado.

FIGURA 48 PLANOS DE LA PLANTA SUPERIOR DE UN MATADERO. NAVES DE CARNIZACION DE CERDOS Y OVEJAS Y OTROS USOS

MESA Y CARRIL DE CARNIZACION DE OVEJAS DE DESPLAZAMIENTO MANUAL PARA OPERACIONES EN TRAZADO “OVAL”

MESA DE SUPERFICIE MOVIL MECANIZADA PARA OPERACIONES EN LINEA RECTA CONTINUA
FIGURA 49 MESA DE CARNIZACION DE SUPERFICIE MOVIL EN “LINEA RECTA”

FIGURA 50 PLANTA DE MESA MOVIL PARA LA CARNIZACION DE OVEJAS CON DISPOSITIVO DE CARRIL NO TRANSPORTADOR EN TRAZADO OVAL
FIGURA 51 OPERACIONES DE PREPARACION DE CANALES DE OVEJA EN SISTEMAS DE MESA MOVIL EN CARRIL DE TRAZADO OVAL
Los matarifes y los inspectores de la carne deben disponer de instalaciones para lavarse las manos y de secciones de esterilización de los cuchillos y las sierras en un número suficiente análogo al previsto en las naves de carnización de bovinos.
Estos sistemas sólo son necesarios para grandes mataderos en los que se sacrifican hasta 2000 animales por día. Comprenden barras de carriles o carriles a lo largo de los cuales se empuja lenta y constantemente a las canales por medio de una cadena arrastrada por un transportador mecánico con trinquetes colgantes, realizándose las diversas operaciones sucesivamente. La cadena no tiene que ser recta para que esté conectada con salas o conductos de subproductos.
En algunos países (por ejemplo, la India, en lo que respecta a algunas comunidades) la matanza se efectúa cortando la cabeza de un solo golpe, a lo que se denomina método jazka. El animal, al que se ha atronado previamente por medios eléctricos es decapitado e izado por un transportador de tornillo inclinado para completar el desangrado encima de la cubeta para sangre. Posteriormente el desuello, la evisceración, el lavado y la inspección siguen los procedimientos habituales de preparación de la carne en cadena.
Las exigencias rituales de la matanza entre los musulmanes se reducen al método efectivo de matar el bovino, los camellos, las ovejas y las cabras únicamente como se describe en el capítulo 6. Esto se aplica igualmente a la matanza de los judíos con excepción de que se necesita espacio para animales grandes junto a una zona de descarga seca o ampliada para que la inspección kosher se realice sobre el suelo, antes de colgar al animal para continuar el procesamiento.