Stubborn

Contents - Previous - Next

DESCRIPTION AND BACKGROUND

Stubborn is found in most countries that grow citrus under desert or semi-arid conditions. It is destructive in the warmer areas of California and Arizona and in most countries of North Africa, the Near East and the Arabian peninsula. Stubborn has been reported in Turkey, Greece, Italy, Mexico, Spain? the Sudan and Pakistan. Stubborn disease is rare in cooler climates since both the vector and organism prefer hot temperatures. It is not found in warm subtropical areas, presumably because of lack of suitable vectors.

This disease was first noticed about 1915 in navel orange trees near Redlands, California' and named "stubborn" by E.R. Waite, a budder. J.C. Perry observed that buds refused to grow properly, and "some influence was transmitted to good buds that were used in topworking" (Fawcett, Perry and Johnson, 1944). The name "acorn disease" was also used to describe the disease because of the many acorn-shaped fruit on diseased trees. A similar disease called "little leaf' was reported in Palestine by Reichert (1930), who illustrated the small shoot and leaf condition as well as the small and misshapen fruit. Fawcett et al.. (1944) first showed the transmissible nature of stubborn disease. For a review of stubborn disease, see Gumpf and Calavan (1981), and for an illustrated description and background see Calavan (1980) and Wallace (1978).

A mycoplasma-like organism in the sieve tubes of stubborn-infected citrus tissue was discovered independently by Igwegbe and Calavan (1970) in California and by Laflèche and Bové (1970) in France. Both groups of workers concluded that a mycoplasma, and not a virus, was probably the cause. Fudl-Allah, Calavan and Igwegbe (1972) in California and Saglio et al. (1971) in France were able to culture a mycoplasma-like organism in liquid and solid media. The organism was described and named Spiroplasma citri (Saglio et al.,1973), thereby establishing a new genus of mollicute. Antisera have been prepared to cultured S. citri and used for detection in various assays, including ELISA.

Spiroplasma citri, the causal organism, is described and illustrated in detail by Bové (1980). It is a motile, helical mollicute with no cell wall and no peptidoglycan. The spiral or helical morphology and motility can be seen by phasecontrast or dark-field microscopy (Figure 25). For positive identification of the causal organism, the first test is to observe the motile spiral spiroplasmas in a drop taken from culture media and placed under a dark-field or phasecontrast microscope.

Transmission of S. citri in California is primarily by the beet leafhopper Circulifer tenellus, but also by Scaphytopius nitridus (Kaloostian et al., 1975, 1976). S. citri was shown to be spread from weed or vegetable hosts to a wide variety of weeds or vegetables by leafhoppers (Oldfield and Calavan, 1980). The weeds became infected, stunted and yellow, and when they dried up under warm or hot conditions the vectors containing S. citri moved from the weed hosts to citrus. Young citrus are more susceptible than older trees. Transmission is primarily from infected weeds to citrus and to a lesser degree from infected citrus to citrus. The leafhopper Neoaliturus (Circulifer) haematoceps appears to be the primary vector in Corsica and in certain countries of the Near East (Bové et al., 1988).

METHODS OF DETECTION Method 1: Field diagnosis

Stubborn-infected trees in the field appear compressed and stunted, sometimes severely so (Figure 21). At times only a portion of the tree is affected and branches show compressed growth, with smaller leaves similar to those in the young budded nursery tree in Figure 22. Leaves may show a chlorotic mottle (Figure 23), which is also characteristic of greening infected trees. Stunted trees remain small; they rarely recover or die. The fruit does not colour properly and the stylar end retains its green colour (Figure 24a). The navel orange is the most susceptible to fruit greening. Stubborn infected fruit is usually small and distorted, and may also be acorn-shaped in appearance. Fruit of seedy varieties may have a number of considerably smaller, darker purple seeds or completely aborted seeds (Figure 24b). The fruit may have an insipid taste. The foregoing signs in combination are diagnostic for stubborn. Grapefruit, sweet orange (especially the navel orange), tangelo, mandarin, lime and pummelo are affected. Trifoliate and trifoliate hybrids, lemons and limes appear more tolerant.

During a period of intensive indexing of stubborn-infected trees in the Coachella and Central Valleys of California, many hundreds of index tests were made from symptomatic trees in the field to indicator plants in the greenhouse. The correlation of field symptoms with positive transmission was extraordinarily high, and much of the later diagnosis was made just by diagnosing symptomatic field trees (Caravan and Blue, unpublished).

However, where symptoms are found in new areas, either transmission tests to indicators or isolation and culturing of the organism should be carried out.

Method 2: Transmission to indicator plants

Inoculum tissue. The best tissues for transmitting the Spiroplasma from citrus to citrus are stem pieces 5-7 mm in diameter obtained from compressed and stunted branches, or from the very young leaves of a new flush of growth. Extensive indexing tests for stubborn and results of comparative tests indicate that best transmission is made with side grafts (Caravan, Roistacher and Christiansen, 1968). Calavan et al. (1968) also showed that the stubborn organism is poorly distributed in symptomatic trees and best index results were obtained with tissue collected during the spring months. Ten budsticks, and/or six young shoots with small emerging leaves, growing from compressed symptomatic twigs are collected per test tree. Budwood and/ or young shoots are put in plastic bags and transferred immediately to an ice chest.

Inoculation

Side grafting. The technique of side grafting is described and illustrated in Part II. Briefly, two side grafts are put into each seedling; each piece of graft tissue consists of part of a branch approximately 4-5 mm thick and 3-5 cm long. A wedge cut is made at one end of the budstick, a cut made into the seedling, and the wedge fitted into the cut. The side grafts are then securely wrapped with polythene budding tape, and a sleeve cut from a polythene bag is placed over the area above and below the grafts to create a moist chamber (Figure 138 in Part II, and also Figure 26).

Leaf grafting. The technique of leaf-piece grafting is described and illustrated in Part II (Figures 129 to 131). A small rectangular section of leaf about 3 x 12 mm is cut from the midrib area of a young succulent leaf and placed into a T-cut in the bark of the seedling, as for standard bud-grafting. The area is then securely wrapped with polythene tape in the same manner as with buds. Two to three leaf grafts per plant are suggested.

Indicator plants. The Madame Vinous sweet orange seedling is recommended as a superior indicator for detection of stubborn disease. One seedling should be grown per container and trained as a single shoot to about 1 m, with a thickness of 5-7 mm. A minimum of five plants should be inoculated to index a given source tree; each plant may be inoculated with two side grafts, two to three leaf-piece grafts, or a side graft and two leaf-piece grafts.

Controls. It is helpful to have a known positive stubborn source plant growing in a warm room in the greenhouse. Stubborn-infected Madame Vinous sweet orange source plants have been held in the warm room at the Rubidoux laboratory (32-38°C maximum day temperature) in Riverside, California, for over 15 years, and have continually shown stubborn symptoms. Both stem and leaf parts taken from these plants have consistently transmitted stubborn over this period. Negative or self-inoculated control plants should be included in each index test.

Inoculum survival and post-inoculation care

Side grafts. Ten days to two weeks after inoculation, the bottom ends of the polythene sleeves are opened to permit partial drying around the side grafts. At three weeks, the polythene sleeves are removed and grafts observed for survival. The plants are then cut back to about 25 cm from the soil surface. One terminal shoot is then permitted to grow (Figure 26), and it is trained and staked to grow as a single leader, as in Cachexia Figure 48.

Leaf grafts. The wrapping tape surrounding the leaf graft is cut two to three weeks after inoculation, and inoculum survival rate recorded. Plants are then cut back and new growth trained to a single shoot as for side grafting. The leaf piece can be seen to grow within the T-cut of the grafted seedling (see Figure 131 in Part II).

Temperature requirements. Development of symptoms requires warm or hot greenhouse temperatures. Temperatures should be maintained at 32-38°C maximum during the day and not below 27°C at night. However, care must be exercised not to exceed 40°C for any length of time. This will result in development of small, abnormal leaves.

Symptoms. The first symptoms are a semi-wilted appearance of the young single shoot and leaves (Figure 27). The leaves are smaller, paler and slower-growing than those of the controls. The stubborn-infected shoot remains small and stunted whereas the new-growth leaves of the control shoot are much larger and upright (Figure 29). Leaves of stubborn-infected Madame Vinous indicators will develop translucent chlorotic areas near the leaf margins, especially in the vicinity of the tips, giving them a pointed appearance. The chlorotic spots remain visible after the leaf matures (Figure 28). These leaf symptoms produced under warm greenhouse conditions are highly diagnostic for stubborn disease. As the plants continue to grow, negative control plants will develop normal vigorous shoots, but stubborn-infected plants grow very slowly and remain stunted and chlorotic, showing smaller leaves and closer internodes (Figure 29b). Leaves may turn yellow or develop strong, typical zinc-deficiency-like spotted mottle (Figures 27 and 29a). At times plants become severely stunted as in Figure 29a, or may show intermediate stunting with smaller leaves and closer internodes as shown in Figure 29b.

Time for first symptoms and termination. Definitive symptoms can be expected eight to 12 weeks after inoculation. Under optimal conditions, symptoms may appear earlier. If no symptoms occur in the inoculated plants within 12 weeks, but the positive control plants show good stubborn disease symptoms, the experiment can be terminated. Stubborn-infected Madame Vinous plants generally show symptoms with the first emerging shoot and will rarely show a delayed positive response in subsequent growth flushes, provided plant growth and temperature conditions are optimal.

Method 3: Isolation and culturing of Spiroplasma citri (Specific details are given in Part III)

MISCELLANEOUS

Use of ELISA. The ELISA technique has been successfully used for detection of stubborn, as reported by Saillard et al. (1980) and Bové et al. (1984). The latter showed that ELISA was as effective as culturing in detecting stubborn in Syria. Of 47 apparently stubborn-infected field trees tested, 38 were found positive by ELISA and 38 positive by culturing. When both methods were combined, 42/47 were positive. It is important to note that the trees in the field were highly symptomatic, and field observation is still an excellent means of diagnosis.

Studies by Lin and Chen (1985), using monoclonal antibodies specific for S. citri, have shown high specificity and ability to differentiate Spiroplasma strains within the same species or sero-group. However, all of the monoclonal antibodies tested reacted with nine United States strains and one from Morocco but did not react with four strains: one from Iran, one from Algeria, and two from Israel.

Antiserum may be requested from INRA, near Bordeaux, France, or from Rutgers University, New Jersey.

Immunofluorescence for detection of S. citri S. citri can be detected in sections of infected tissue by fluorescent light microscopy. Rhodamine-labelled antibodies to S. citri bind to antigen in the sections and are detected by use of appropriate fluorescent light source.

STUBBORN DISEASE DETECTION

Summary
Graft transmission

Indicator:
Madame Vinous sweet orange.

No. of plants/test:
5 seedlings (grown 1 per container plus controls).

Inoculum:
Side grafts or leaf pieces.

Plant growth:
Single shoot.

Temperature:
Warm to hot: 32-38°C max. day/27°C min. night.

First symptoms:
8 to 12 weeks.

Symptoms:

Stunted shoots with smaller internodes. Smaller leaves with translucent chlorotic spots near edges and tips.

REFERENCES

Bové, J.M.1980. Spiroplasma citri. Identification. In Bové, J. M. & Vogel, R., eds. Description and illustration of virus and virus-like diseases of citrus. A collection of colour slides. Paris, I.R.F.A. SETCO-FRUITS.

Bové, J.M. et al.1984. Citrus stubborn diseases in Iraq and Syria: correlation between symptom expression and detection of Spiroplasma citri by culture and ELISA. In Proc. 8th Conf: IOCV, p. 145-152. Riverside, IOCV.

Bové, J.M. et al.1988. Epidemiology of Spiroplasma citri in the old world. In Proc. 10th Conf. IOCV, p. 295-299. Riverside, IOCV.

Calavan, E.C., Roistacher, C.N. & Christiansen, D.W.1968. Distribution of stubborn disease virus in trees of Citrus sinensis and C. paradisi at different seasons. In Proc. 4th Conf: IOCV, p. 145-153. Gainesville, Univ. Fla. Press.

Calavan, E.C.1980. Stubborn. In Bové, J.M. & Vogel, R., eds. Description and illustration of virus and virus-like diseases of citrus. A collection of colour slides. Paris, I.R.F.A. SETCO-FRUITS.

Fawcett, H.S., Perry, J.C. & Johnson, J.C.1944. The stubborn disease of citrus. Calif.: Citrogr., 29: 140147.

Fudl-Allah, A.A., Calavan, E.C. & Igwegbe, E.C.K.1972. Culture of a mycoplasma-like organism associated with stubborn disease of citrus. Phytopathol., 62: 729-731.

Gumpf, D.J. & Calavan, E.C.1981. Stubborn disease of citrus. In Maramorosch, K. & Raychaudhuri, S.P., eds. Mycoplasma diseases of trees and shrubs, p. 97-134. New York, Academic Press.

Igweghe, E.C.K. & Calavan, E.C.1970. Occurrence of mycoplasma-like bodies in phloem of stubborn-infected citrus seedlings. Phytopathol., 60: 15251526.

Kaloostian, G.H. et al.1975. Leafhopper, natural vector of citrus stubborn disease. Calif: Agric., 29(2): 14-15.

Kaloostian, G.H. et al.1976. Leafhopper transmits disease to weed host. Citragr.,61 (11): 389-390.

Laflèche, D. & Bové, J.M.1970. Mycoplasmas dans les agrumes atteints de "greening", de "stubborn" ou de maladies similaires. Fruits, 25: 455465.

Lin, C.P. & Chen, T.A.1985. Production of monoclonal antibodies against Spiroplasma citri. Phytopathol., 75(7): 848-851.

Oldfield, G.N. & Calavan, E.C.1980. Spiroplasma citri. Non-rutaceous hosts. In Bové, J.M. & Vogel, R., eds. Description and illustration of virus and virus-like diseases of citrus A collection of colour slides. Paris, I.R.F.A. SETCO-FRUITS.

Reichert, I. 1930. Diseases, new to citrus, found in Palestine. Phytopathol., 20: 999-1002.

Saglio, P. et al.1971. Isolement et culture in vitro des mycoplasmes associés au "stubborn" des agrumes et leur observation au microscope électronique. C.R. Acad. Sci. (Paris) Ser. D., 272: 1387-1390.

Saglio, P. et al.1973. Spiroplasma citri gen. and sp. nov.: a mycoplasma-like organism associated with "stubborn" disease of citrus. Inst. .J. Syst. Bacterial., 23:191 -204.

Saillard, C. et al.1980. Application of ELISA to the detection of Spiroplasma citri in plants and insects. In Proc. 8th Conf. IOCV, p. 145-152. Riverside, IOCV.

Wallace, J.M.1978.. Virus and virus-like diseases. In The citrus industry, Vol. 4, p. 67-184. Univ. Calif. Div. Agric. Sciences.

FIGURE 21 The characteristically stunted and compressed appearance of a stubborn infected navel orange tree. A non infected normal tree of the same age is on the left (California)

FIGURE 22 A stubborn-infected young sweet orange tree in the nursery row (left) showing the small leaves and shorter internodes symptomatic for the disease in warm areas. Compare with the normal nursery tree on the right (California)

FIGURE 23 Chlorotic mosaic-like mottle in leaves from a stubborn-infected sweet orange tree. These are typical of leaves from stubborn or greening infected trees

FIGURE 24a The styler-end greening affect on fruit from a stubborn-infected navel orange tree in California. This symptom, Induced by the presence of Spiroplasma c/trl, is indistinguishable from symptoms of fruit on greening-infected trees caused by Asian or South Atrican greening (Figure 15)

FIGURE 24b Seed abortion In a Valencia orange in California.The presence of small dark purple coloured seed (right) is symptomatic for stubborn disease. Such seeds are excellent for culturing of S. citri. Normal seed from a normal fruit is on the left

FIGURE 25 S. citri the causal organism of stubborn disease as seen in the dark-field microscope. Note the spiral-helical nature of the organism. Motility can be seen in the darkfield microscope (Photo: E.C. Calavan)

FIGURE 26 A seedling with two side grafts showing a single young shoot to be trained as a single leader. The side graft technique is very effective in transmitting stubborn disease

FIGURE 27 The first symptoms of stubborn in a young shoot of an inoculated Madame Vinous sweet orange seedling. Note the slightly semi-wilted appearance of the young shoot and leaves

FIGURE 28 Characteristic symptoms associated with infection by S. citri in leaves from a Madame Vinous sweet orange seedling showing pointed tips and translucent chlorotic spotting at the feat margins and near the tips. These symptoms developed in a greenhouse under warm temperatures and will persist in mature leaves. The control non inoculated feat is on the left

FIGURE 29a A stubborn-infected Madame Vinous seedling on the right and a control plant on the left. Note the extreme stunting and chlorosis induced by stubborn infection

FIGURE 29b Three stubborninfected Madame Vinous plants on the left compared with three control plants on the right.Note the smaller leaves and compressed growth in the infected plants. Plants were inoculated by side grafting and held in a warm greenhouse

Blight and related diseases

DESCRIPTION AND BACKGROUND

Blight is a wilt disease primarily affecting oranges and grapefruit on various rootstocks, rough lemon being most susceptible. The disease was first described in Florida over 100 years ago. In the mid-1960s it became a very serious problem in young plantings on rough lemon and citrange rootstocks in Florida. For a comprehensive historical background of this disease in Florida, see Smith (1974b) and Nemec (1985/86). Figure 30a shows a typical declining, blight-infected grapefruit tree in Florida, and Figure 30b shows a similar blight-infected Pera orange tree in Brazil.

The disease is also known as "sand hill decline", "roadside decline" and "young tree decline". Related diseases are declinamiento in Argentina, declinio in Brazil, marchitamiento repentino in Uruguay and "decline on rough lemon" in South Africa. The fruta bolita or Misiones disease in Argentina may be related. Blight and these related diseases are currently spreading in many areas of the world and, where present, are developing into a very serious problem.

No causal agent has been identified, but the disease has been transmitted by grafting roots from diseased trees to five- or six-year-old healthy trees in the field. Symptoms appear in two to four years (Tucker et al.,1984; Lee, Brlansky and Derrick,1988). These successful transmission experiments suggest an infectious agent for blight (Figure 34).

Symptoms of blight

The earliest symptom of blight is a persistent and unseasonable wilt on one or more branches. The decline begins to spread and within a few months affects the entire tree (Swingle and Webber, 1896; Rhoads,1936). Zinc-like deficiencies may appear in the leaves on some branches, and leaves are usually smaller. Symptoms are related to water stress, i.e. typical wilt symptoms, reduced vigour, thinning of foliage and canopy, delayed flushes of growth and bloom. In later stages, the tree will show terminal twig and small-branch dieback (Figure 30) with suckers of new growth from the main trunk. Off-colour (dull green) foliage is quite common, with occasional chlorosis and yellowing.

Blighted trees are especially conspicuous at spring flush because of the delay in formation of new growth. These tree symptoms, combined with lack of water uptake, may be sufficient to diagnose the disease. During later stages of decline, the tree shows loss of leaves and lack of new growth with some branches skeletonized. The blighted tree may stand out as smaller, with pockets of open leaf areas especially in the top and the outer side branches (Figure 34). Higher zinc levels in the wood and distinct characteristic amorphous plugs in the xylem cells (Figure 33) would give further evidence to substantiate the diagnosis.

METHODS OF DETECTION

At present, no greenhouse index using seedlings or budded trees has been developed for diagnosis of blight. However, the disease can be diagnosed by two different tests, and a positive response to both is highly diagnostic for blight. The tests involve the determination of the water uptake potential of the tree, and zinc accumulation in the xylem wood. In addition, the procedure for observing blight-associated amorphous plugs in xylem tissue is also included as a supplementary test for diagnosis of blight.

Method 1: Water uptake

Water injection test. This test is a modification of the gravity infusion test (see below) and was developed by Lee et al. (1984) as a more rapid test. It is equally effective in measuring the potential for water intake but has the advantage of being considerably quicker. The procedure is as follows:

• Using either a brace (Figure 31 b) or battery-powered cordless drill (Figure 32a) and a 1/8 in (3.2 mm) drill bit, a hole is drilled into the trunk about 3 cm deep and 25-40 cm above the bud-union.
• The newly drilled hole is freed of loose sawdust by moving the drill bit in and out of the hole, and the mouth of the hole is widened slightly to accommodate the tip of a tapered syringe.
• A 30 ml plastic disposable syringe (Pharmaseal stylex or equivalent) with a Luer tip but without a needle (Figure 32b) is filled with 30 ml water and fitted snugly into the drilled hole.
• Using one hand to hold the barrel of the syringe, maximum hand pressure is applied to the plunger with the other hand (Figure 32b). Pressure should not be so extreme as to break the plunger.
• To quantify results, the amount of water injected is recorded for a given period and converted to ml/sec.
• If feasible, a number of healthy and declining trees should be tested and compared, and enough trees should be used to give a statistical comparison.

Lee et al. (1984) reported that the amount of water injected into a healthy tree is about 0.5 to 1.0 ml per second whereas less than 0.3 ml/see of water can be injected into a blight-affected tree. Often, very little wafer can be injected into a blight-infected tree and the difference between healthy and blighted trees is immediately obvious.

Water uptake by gravity infusion. This test, first proposed by Cohen (1974) and later modified by Lee et al. (1984), measures the ability of a tree to accept water into the xylem region. The water uptake or gravity infusion test of Cohen is as follows:

• A graduated 100 ml burette with a rubber hose attached is suspended from a branch inside the tree as shown in Figure 31 a.
• A 1/4 in (6.4 mm) hole is drilled 4 in (10 cm) deep into the trunk of the tree about 25-40 cm above the bud-union. Either a brace and bit or a battery-powered hand drill can be used (Figures 31 b and 32a).
• A tapered and hollow stainless-steel or aluminium connector tube (made specifically for this purpose and shown in Figure 31c) is hammered into the hole. Water is injected into the hole immediately after drilling, using a hypodermic syringe to avoid excessive introduction of air or drying.
• The rubber tubing is then placed on the metal connector and, using a hypodermic syringe and needle, water is injected through the tubing at a point very close to the connector. This forces the air out of the system and fills the burette. After injection, leakage from the small hole made by the needle in the rubber tube is avoided by sliding the rubber tube over the connector and past the needle hole.
• The water level in the burette and the current time are then recorded.
• After an interval of 12 or 24 hours, the water level and time are again recorded.
• If feasible, a number of healthy and declining trees should be tested and compared, with enough trees used to give a statistical comparison (Lee et al.,1984).

Cohen (1974) observed that in a 24-hour period blighted trees would absorb from 0 to 45 ml of water whereas healthy trees absorbed from 200 to 500 ml of water. By experimenting with normal and healthy trees, a standard time period can be determined for the test. A tree's very poor ability to absorb water is highly indicative of the presence of blight.

Method 2: Zinc accumulation in the trunk wood

The association of significantly high zinc levels with blight-affected trees was first shown by Smith (1974a). Further studies by Wutscher, Cohen and Young (1977) also showed a striking association of zinc accumulation in the xylem wood of citrus with blight. The procedure for testing zinc content of the inner wood is taken from Wutscher et al. (1977) as follows:

• Using a 1 /2 in (12.5 mm) zinc-free drill bit, two holes are drilled 2.5 cm deep into opposite sides of the tree trunk about 20 cm above the bud-union. A hand brace or battery-powered drill can be used (Figures 31 b and 32a).
• The first turnings of outer bark are discarded, and the wood shavings representing the outer xylem are collected in a plastic cup. Care should be taken to remove wood chips from the drill bit prior to drilling a new hole
• The shavings are transferred to a screw-top glass vial, taken to the laboratory, the screw tops removed and the shavings dried in a 70°C draught oven for 24 hours.
• Samples of approximately 2 g dry weight, weighed to three decimal places, are incinerated in a muffle furnace (450°C) overnight.
• The ash is dissolved in 25 ml of 5 percent HCl, and the zinc content determined by atomic absorption spectroscopy.
• If feasible, a number of healthy and declining trees should be tested and compared, using enough trees to give a statistical comparison.

Wutscher et al. (1977) found that trees with blight showed an average of 19.8 ppm zinc whereas normal trees showed an average of 3.6 ppm zinc. Zinc levels in healthy trees vary depending on grove management conditions: therefore a comparison must be made between healthy and declining trees in the same grove. Infected trees showed five times the zinc level compared with normal trees, and the differences were significant. Similarly, Smith (1974a) showed approximately the same significant differences between blight-infected and healthy trees.

MISCELLANEOUS

Detection of amorphous plugs

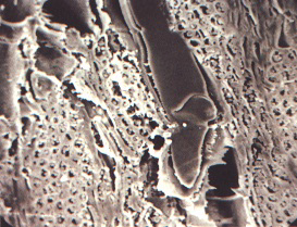
This diagnostic technique for detection of blight uses light microscopy, transmission electron microscopy (TEM) or scanning electron microscopy (SEM) for observation of specific occlusion bodies within the xylem (Cohen, Pelosi and Brlansky,1983; Brlansky et al.,1984). The presence of dense amorphous plugs appears to be associated with blockage of water movement typical of blight and may be diagnostic. Brlansky, Lee and Collins (1985) have shown that the typical amorphous plugs associated with blight, as shown in Figure 33, are different in appearance from those present in the xylem of trees infected with psorosis-A, stubborn disease or Phytophthora, when viewed with the SEM. However, at times, the amorphous-type plugs associated with concave gum may resemble those associated with blight. Under a light microscope it may be difficult to separate the amorphous plugs associated with blight, concave gum or psorosis-A, as all appear solid and yellow to gold in colour. The morphology of the plugs is different when viewed with an SEM. However, if the water uptake and zinc levels are included in the diagnosis, this presents no problem.

The procedure for observing blight-induced plugs by microscopy, as outlined below, is taken from the publications of Cohen et al. (1983) and Brlansky et al. (1984,1985):

• A core sample of wood about 6 cm long is taken from the trunk of a citrus tree about 25-40 cm above the bud-union using a standard forestry 5 mm increment borer.
• Pieces approximately 1 cm long are cut from the core sample and fixed immediately in 3 percent glutaraldehyde solution in 0.066 M sodium-potassium phosphate buffer for a period of eight to 15 hours, and washed with the same buffer.
• For light microscopy, longitudinal and transverse sections are cut, 30-40 mm thick, using a sliding microtome and observed under the microscope for amorphous plugs (Figure 33b).

For details of SEM and TEM methods for observation of amorphous plugs see Brlansky et al. (1984,1985).

Detection of blight by root graft

Blight has been shown to be a transmissible disease (Tucker et al.,1984; Lee et al.,1988). Transmission has been achieved by moving known infected trees, placing them next to six-year-old healthy trees and approach or splice grafting their roots together. Decline symptoms became evident in two to four years (Figure 34). Similarly, successful transmission has been done by grafting pieces of root from infected trees to roots of healthy trees.

At present there is no short-term plant index for detection of blight. With further development of evidence that blight can be transmitted by root graft in the field, it would be highly desirable and helpful to develop a relatively rapid plant index. Where a tree is selected as a source for propagative budwood in countries where blight is endemic, it may be desirable to monitor the source tree for at least two years after buds are obtained.

REFERENCES

Brlansky, R.H., Lee, R.F. & Collins, M.H.1985. Structural comparison of xylem occlusions in trunks of citrus trees with blight and other decline diseases. Phytopathol., 75: 145-150.

Brlansky, R.H., Timmer, L.W., Lee, R.F. & Graham. J.H.1984. Relationship of xylem plugging to reduced water uptake and symptom development in citrus trees with blight and blight-like declines. Phytopathol., 74: 1325-1328.

Cohen, M.1974. Diagnosis of young tree decline, blight and sand hill decline of citrus by measurement of water uptake using gravity injection. Plant Dis. Rep., 58: 801-805.

Cohen, M., Pelosi, R.R. & Brlansky, R.H.1983. Nature and location of xylem blockage structures in trees with citrus blight. Phytopathol., 73: 1125-1130.

Lee, R.F. et al.1984. Syringe injection of water into the trunk: a rapid diagnostic test for citrus blight. Plant Disease, 68(6): 511 -513.

Lee, R.F., Brlansky, R.H. & Derrick, K.S.1988. Recent studies of citrus blight. Citrus Ind., 69(2): 24-34.

Nemec, S.1985/86. Citrus blight in Florida. Rev. Trop. Pl. Parh., 2 (1985/86): 1-27.

Rhoads, A.S.1936. Blight-a non-parasitic disease of citrus trees. Univ. Fla. Exp. Sta. Bull., 296: 1 64.

Smith, P. F.1974a. Zinc accumulation in the wood of citrus trees affected with blight. In Proc. Fla. State fort. Soc., 87: 91-95.

Smith, P. F.1974b. History of citrus blight in Florida. Citrus Ind., 55(9): 13-14, 16, 18-19; 55(10): 9-10, 13-14.

Swingle, W.T. & Webber, H.J. 1896. The principal diseases of citrus fruits in Florida. USDA Div. Veg. Physiol. and Path. Bull., 8.

Tucker, D.P.H. et al.1984. Experimental transmission of citrus blight. Plant Disease, 68(1): 979-980.

Wutscher, H.K., Cohen, M. & Young, R.H.1977. Zinc and water-soluble phenolic levels in the wood for the diagnosis of citrus blight. Plant Dis. Rep., 61(7): 572-576.

FIGURE 30a A typical blight-affected grapefruit tree on the left with a nonaffected tree on the right, in Florida

FIGURE 30b A typical blight-affected Pera sweet orange tree on Rangpur lime rootstock in Brazil. infected tree on the left with a non-infected tree on the right

FIGURE 31 Apparatus used for gravity water infusion as a test of water uptake in blight-affected trees. Method of Cohen (1974) a) Graduated burette hanging from an inside limb

FIGURE 31 Apparatus used for gravity water infusion as a test of water uptake in blight-affected trees. Method of Cohen (1974) b) Drilling into the tree trunk with a hand drill. The plastic tube shown entering the tree trunk is attached to the graduated cylinder in (a). It is tilled with water, and water uptake is measured from the graduated cylinder

FIGURE 31 Apparatus used for gravity water infusion as a test of water uptake in blight-affected trees. Method of Cohen (1974) c) A stainless-steel insert, which is hammered into the tree and is used as the connecting bridge between the plastic (or rubber) tube and the hole in the trunk

FIGURE 32 Apparatus using a hypodermic syringe for the rapid measurement of water uptake ability of the tree (Method of Lee et al.,. 1984) (Phatos. R.F. Lee) a) Cordless electric drill making a small hole in trunk

FIGURE 32 Apparatus using a hypodermic syringe for the rapid measurement of water uptake ability of the tree (Method of Lee et al.,. 1984) (Phatos. R.F. Lee) b) Injectlon procedure showing stopwatch and pressure being applied to the plunger of the syringe

FIGURE 33a Showing the dense amorphous plugs diagnostic for blight as observed in the scanning electron microscope

FIGURE 33b The dense amorphous plugs as seen in the light microscope (Photos: R.H. Brlansky)

FIGURE 34 Field tree on the left shows symptoms of blight. This was rootgrafted with roots from a five- or six-yearold blight-infected sweet orange tree in the centre. This infected source tree was transplanted between two healthy field trees. The tree on the right is the non inoculated healthy control.

continue


Contents - Previous - Next