L. Váradi
Fish Culture Research Institute
Szarvas, Hungary
1. INTRODUCTION
2. FISH FEED STORAGE FACILITIES
3. FEED TRANSPORTING EQUIPMENT
4. FEED DISTRIBUTORS
5. REFERENCES
Equipment that is connected with fish feeding can be divided into three major groups, as follows:
- feed storage facilities
- feed transporting equipment
- feed distributors
In fish-feed storage the same facilities can be applied that are widely used in animal husbandry.
In large fish farms and in integrated farms there can be a central or primary feed store and individual secondary storage facilities at the fish ponds.
The primary store is usually a building in the centre of the farm, while the secondary storage facilities are silos with a capacity of 5-20 m3.
These silos can be filled by mechanical bucket elevators (Figure 1) or pneumatically (Figure 2). The feed can be discharged into the feeding boats or into other feed distributors through a discharge pipe by gravity (Figure 1) or by a discharging screw (Figure 2). The application of this latter type is limited as the discharging screw needs an electric energy supply.
The storing of different feed grains in silos is trouble-free and convenient, however the storage of coarse-meal type feed materials tends to make them arch which can make discharge difficult.
When a feed storage silo is decided to be installed on a fish farm, adequate foundation should be designed and accessibility ensured.
Feed transport is a complex operation that forms a link between feed production, preparation, storage and distribution. Those facilities and equipment therefore, that are connected with feed transport have to be designed carefully. Within the fish farm different transporting methods can be taken into account as follows:
- waterway
- paved road
- railway
- cableway
- earth road
- combination of the above
For feed transport, all vehicles, and loading and unloading equipment can be used that are available on agricultural farms. The most common feed transporting vehicles are different types of trucks.
The trucks have to meet certain requirements, as follows:
- ability to move on rough and wet surfaces (taking into account fish pond conditions)
- tipping platform
- power take-off for driving different adaptors (loading, unloading, etc.)
- ability to tow a trailer
For feed transport special vehicles have been developed with a large-size container and feed discharging device that can be mechanical (Figure 3) or pneumatic (Figure 4).
Figure 1. Feed storage silo in fish farm (USSR)
Figure 2. Type Hungaria 20 fibreglass feed storage silo with unloading screw (Hungary)
Figure 3. Type ESZK 10 feed transporting truck with mechanical loading screw (USSR)
Figure 4. Type IFA W-50 L/SM-1 special feed transporting truck with 9 tons carrying capacity (GDR)
Figure 5. Tractor pulled feed transporting and filling cart
Figure 6. Feed pick-up and loading devices
Figure 7. Pendulum type demand feeders (a) MORITZ demand feeder (GDR)
Figure 7. Pendulum type demand feeders (b) UKA-25 demand feeder (USSR)
Figure 7. Pendulum type demand feeders (c) EWOS demand feeder (Sweden)
Figure 8. Submerged plate type demand feeder
Feed transporting trailers pulled by multi-purpose tractors are also common on fish farms.
A special tractor-pulled feed transporting trailer can be seen in Figure 5.
For loading the feed transporting vehicles, different loaders can be applied. Two major types of loader are shown in Figure 6.
4.1 Stationary Feeding Equipment
4.2 Mobile Feeding Equipment
Feed distributors are specially designed feeding equipment. Whilst for feed storing and transport, normal agricultural equipment can be used, for fish-feed distribution, specially designed feeding equipment is needed. There are two major ways in which fish feeding technology, and thus equipment, differ from those generally used in animal husbandry.
- the feed has to be placed in water
- very small-size feed is used.
At present there are many different types of feeding equipment being used world-wide. The feeders can be divided into groups according to the fish species farmed, e.g. special feeders have been developed for eel; age of the fish (different types of feeders are needed for fry, fingerlings and market fish); type of feed (dry and wet feed dispensers). However, these types are based on a few basic principles. Fish feeders can be divided into two major groups, as follows:
- Stationary feeding equipment- without supplied energy; demand feeders- Mobile feeding equipment
- with supplied energy; automatic feeders (electric, pneumatic, hydraulic)- feeding carts
- feeding boats
Demand feeders are controlled by the fish themselves according to their appetite. These feeders are easy to install and operate. The level of the feed in the container is a good indication of the condition of the fish.
Demand feeders can be divided into two main groups, namely bait-rod or pendulum-type feeders and submerged plate-type feeders.
Different pendulum-type feeders are shown in Figure 7. These feeders are not suitable for young fish since they are not able to operate them. The outlet size of these feeders should be adjusted carefully, otherwise uncontrolled pouring of feed can be caused by the spontaneous touching of the fish.
The submerged plate-type demand feeders are controlled not by the contact of the fish, but the removal of all feed from the plate (Figure 8). This type of feeder can be operated by small fish as well; however, their operation is more troublesome, and are not as popular as the pendulum-type feeders.
Automatic feeders can be classified according to their energy supply as being electric, pneumatic and hydraulic-type feeders.
(a) Electrically operated automatic feedersThese feeders consist of three main parts; feed container; feed distributing and portioning device; timber.The designs differ from each other in the applied feed distributing device, and can be grouped as follows:
- electromagnet operated with alternative movement
- electromotor operated with revolving movement
- vibrator poweredTwo electromagnet-operated feeders are shown in Figure 9. When the timber operates the electromagnet it slides apart and opens an outlet under the container through which feed falls into the fish tank.
Three typical designs of electromotor-operated automatic feeders are shown in Figure 10.
In Figure l0a the revolving plate placed under the container moves slowly and the feed falls directly down into the water.
In some cases, instead of a vertical shaft revolving plate, a horizontal shaft screw and belt is used for discharging and portioning the feed into the fish tank (Figures 10b and 10c).
When the revolving plate rotates quickly, the feed is spread over a large surface of the water (Figure 10d).
Recently vibrator powered feed distributors have been developed. Figure 11a shows a simple vibrator where the direction of vibration is vertical. Another type of vibrator is shown in Figure 11b when the vibration is generated by a small electric motor with an unbalanced rotor.
The electric automatic feeders are controlled by a timer with which the length of the feeding time and the time interval between two feedings can be adjusted. A single control unit can be used for one individual feeder or a central control unit can operate more feeders.
(b) Pneumatic-type automatic feeders
These feeders shoot the feed by means of compressed air, spreading it over the water surface.A typical design is shown in Figure 12.
The compressed air supply of the feeders is usually ensured by a central air supplying system, but the feeders can be controlled by a separate electric system centrally, or individually as well.
(c) Hydraulic-type automatic feeders
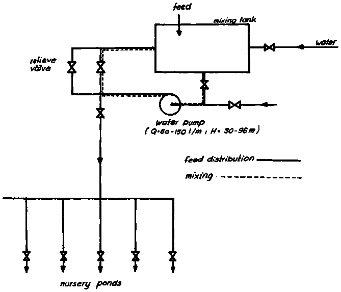
These feeders can be used on farms where electric energy supply is not available, but where there is a continuous water flow.As shown in Figure 13, the discharging screw is driven by a water wheel. The rate of feed portioning can be adjusted by changing the gear drive.
Some hydraulic feeding systems are known where the water is used not only for driving a mechanical feed distributing device, but for transporting the feed into the fish culturing unit through a pipeline.
Figure 14 shows a hydraulic feeding system that is used for feeding nursery ponds.
These systems can also be applied for distributing wet food like chopped trash fish, etc.
This group of feeders can also be divided into two major groups: feeders distributing the feed along the side of the pond and feeding equipment applying feed from a boat.
Figure 9. Electromagnet operated automatic fish feeders a) Neilsen trough feeder (USA)
Figure 9. Electromagnet operated automatic fish feeders a) Neilsen double tank feeder (USA)
Figure 10. Electromotor operated automatic feeders a) EWOS No. 700 fish feeder (Sweden)
Figure 10. Electromotor operated automatic feeders b) Screw type fish feeder (FRG)
Figure 10. Electromotor operated automatic feeders c) Belt type fry feeder
Figure 11. Automatic feeders with vibrator powered distributing device a) Automatic feeder with vertical direction vibration (Hungary)
Figure 11. Automatic feeders with vibrator powered distributing device b) TESSOMAT 100 A and B automatic feeder with MA or MB rotating vibrator
Figure 12. EWOS pneumatic type automatic feeder (Sweden) a) The scheme of the feeder
Figure 12. EWOS pneumatic type automatic feeder (Sweden) b) The scheme of the pneumatic feeding system
Figure 13. Water-wheel type automatic feeder
Figure 14. Hydraulic feeding system for nursery ponds (Hungary)
Figure 15. Neilsen Type 5-1300 Mobile pellet feeder
Figure 16. Milanese mobile pellet feeder with 2 tons capacity (Italy)
Figure 17. "Lachs" feeding boat with 1 t capacity (GDR)

Feeding carts can be used efficiently in intensive fish farming with centralized pond systems connected via suitable roads.
Their operation is not automatic (unlike the stationary feeders) but fully controlled by the operator. The feeding carts can be self-propelled or tractor pulled. The basic working principle of these feeding carts is the same; the feed is blown into the fish pond by a turbo blower or large-capacity ventilator.
Figure 15 shows a tractor-pulled feeding cart that is operated by an individual gasoline engine and can be controlled from the tractor by an electric remote control panel. Figure 16 shows a self-propelled feeding cart where the feed distribution and portioning can be controlled by a mechanical transmission.
In fish farms having large ponds, feeding boats can be used efficiently. There is a longitudinal slot in the bottom of these boats through which the feed grain is washed out by water current during the movement of the boat (Figure 17). These boats can also be used for fertilization of fish ponds.
They are, however, not suitable for applying pelleted feed because the feed swells up in the bottom of the boat and cannot flow out through the slot.
In order to make these boats suitable for feeding pellet a pellet-distributing adapter can be mounted on top of the conventional boat (Figure 18).
There are feeding boats that are specially designed for fish farms both for pellet and feed grain distribution.
Figure 19 shows one of these types of feeding boats where the feed is discharged from the containers by screws driven by a paddle wheel that rotates during the movement of the boat.
Berka, R., 1973, A review of feeding equipment in fish culture. EIFAC Occas. Pap., (2):32 p.
Kuli, B. and I. Csávás, 1976, A tógazdasági haltermelés gépesitése (Mechanization of pond fish production). Budapest, AGROINFORM
Tjuktjaeva, J.S. and V.Ja. Lysenko, 1974, Handbook on mechanization of processes of pond fish culture. Moskva, Pischevaja Promyshlennost
Torban, S.S., 1977, Mechanization of processes of industrial fisheries. Moskva, Pischevaja Promyshlennost
Figure 18. Adaptor mounted on feeding boat for pellet distribution
Figure 19. KRB-2 Feeding boat (USSR)