L'utilisation à la ferme de la cuve ou du tank pour réfrigérer et conserver le lait s'est développée depuis 1945 environ. Elle a débuté aux Etat-Unis, puis en Grande-Bretagne et s'est ensuite répandue dans un grand nombre de régions laitières.
Le procédé consiste à verser le lait, au fur et à mesure de la traite, dans un tank assurant automatiquement et rapidement sa réfrigération, puis sa conservation à basse température. Au lait froid on ajoute la traite suivante, et éventuellement la troisième, la quatrième, voire jusqu'à la sixième après quoi le lait est collecté par comion citerne. C'est pourquoi dans le langage professionnel on parle couramment de “tank 2 traites”, “tank 4 traites”, de réfrigération et de ramassage “en vrac”.
Un tank réfrigéré se compose essentiellement de deux parties (Figure s 32, 33, 34) :
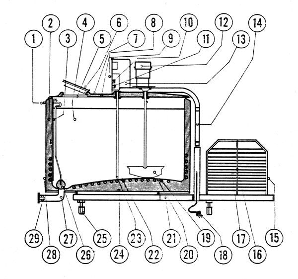
Ces divers éléments sont indiqués à la Figure 35.
Elle appartient à l'un des types suivantes :

Figure 32 - Tank à lait cylindrique
(Cliché JAPY)

Figure 33 - Appareil à détente directe
(D'après MAHIEU, 1976)

Figure 34 - Appareil à eau glacée
(D'après MAHIEU, 1976)

| 1) niveau à bulle | 16) grilles de ventilation |
| 2) mouses polyuréthane exp. | 17) groupe compresseur hermét. |
| 3) jauge acier inoxydable | 18) Câble d'alimentation |
| 4) cuve acier inoxydable 18/10 | 19) agitateur amovible |
| 5) office de remplissage | 20) fond acier inox embouti |
| 6) couvercle polyéthylène | 21) châssis en profilé zingué |
| 7) couvercle embouti acier inox. | 22) circuit frigorifique |
| 8) double couvercle polyester | 23) canne de régulation |
| 9) tableau de commande | 24) double fond embouti |
| 10) commande automatique | 25) 4 pieds réglables |
| 11) thermostat | 26) clapet de viadange |
| 12) moto-réducteur à arbre lent | 27) vidange ? 2 pouces |
| 13) capot en polyester | 28) enveloppe acier inoxydable |
| 14) charnière en tube carré | 29) bouchon anti-poussières |
| 15) capot amovible |
Figure 35 - Principaux éléments d'un tank réfrigérant
(Cliché JAPY)

Figure 36 - Tank réfrigérant horizontal fermé
(Cliché JAPY)
Quel que soit le type de tank, qu'il soit fixe ou mobile, la cuve, verticale ou horizontale, est à double paroi. Sa forme peut être variée : cylindrique, demi-cylindrique, elliptique, parallélépipèdique… (Figure s 36 et 37).
La cuve intérieure doit présenter une bonne conductibilité, être solide, indéformable et résistante à la corrosion. Sa surface au contact avec le lait doit être lisse avec des angles arrondis de façon à permettre un parfait nettoyage. Sa forme et notamment son fond doivent être conçus de telle façon que l'écoulement des liquides par la vanne de vidange disposée en un point bas se fasse complétement et rapidement.
Le couvercle, généralement à charnière, n'est généralement pas isotherme. Il doit avoir une dimension et une disposition telle que lorsqu'il est ouvert tous les points de la cuve soient visibles. Son dispositif de fermeture doit empêcher toute entrée d'eau, de poussières, insectes ou autres matières (Figure 37a). Dans le cas de la cuve sous vide, il doit être parfaitement étanche à l'air. S'il est percé d'une ouverture permettant de verser le lait, de contrôler l'agitation ou le niveau du lait, celle-ci doit être pourvue d'un rebord tourné vers le haut et d'un couvercle adapté de façon à empêcher l'entrée d'eau (Figure 38). Le passage des accessoires au travers de la cuve ou de son couvercle doit être soigneusement garni de points d'étanchéité (Figure 39). Ceux-ci doivent être résistants, supporter le contact avec le lait et les solutions de nettoyage, ne pas être toxiques ni susceptibles de communiquer au lait une flaveur quelconque.
Le matériau de construction utilisé est pratiquement toujours l'acier inoxydable contenant au moins 18 % de chrome, 10 % de nickel et moins de 0,06 % de carbone. L'aluminium est rarement utilisé en raison de ses difficultés de nettoyage. Toutes les soudures doivent être faites en un matériau inoxydable présentant une résistance à la corrosion et une solidité au moins égales à celles de la cuve. De plus, il est indispensable qu'elles ne présentent aucune aspérité ni fissure et qu'elles présentent un poli soigné de façon qu'elles soient faciles à nettoyer et ne servent pas de points d'accrochage au lait et de réceptables aux bactéries.
La cuve extérieure peut être construite en divers matériaux dès l'instant qu'elle soit rigide et résistante à la corrosion par nature ou par traitement de surface : tôle peinte, polyester armé, ou, mieux, acier inoxydable. Son isolation thermique est réalisée à l'aide d'un matériau non hygroscopique, inapte au tassement ou à la déformation comme la laine de verre, la mousse de polyuréthane ou le polystyrène expansé. Elle doit être telle que lorsque le tank est totalement rempli, la température du lait refroidie au voisinage de 4°C et maintenue au repos ne se réchauffe pas de plus de 1°C en 12 heures pour une température extérieure de 32°C. Les liaisons et l'isolation entre les deux cuves ne doivent pas entraîner la formation de ponts thermiques. L'espace libre entre les deux parois permet la circulation du fluide réfrigérant.

Figure 37 - Tank réfrigérant demi-cylindrique
(Cliché JAPY)

Figure 37a - Etanchéité du couvercle et du bord supérieur de la cuve (Cliché JAPY)

Figure 38 - Orifice de remplissage à rebord empêchant l'entrée d'eau
(Cliché ALFA-LAVAL)

Figure 39 - Déflecteur enserrant l'arbre de l'agitateur et protégeant des souillures l'orifice réservé à son passage dans la cuve
(Cliché ALFA-LAVAL)
Tous ceux qui sont en contact avec le lait doivent être, comme la cuve intérieure et pour les mêmes raisons, en acier inoxydable et ne pas offrir de parties peu accessibles au nettoyage.
La jauge est un instrument important puisqu'il permet de mesurer la quantité de lait contenu dans le tank. Elle est constituée d'une tige plate qui plonge dans le lait et dont la graduation permet d'en connaître la quantité. Elle peut être une source d'erreurs et de contestation si elle est mal conçue, mal placée ou mal utilisée. Sa graduation doit être juste et inaltérable. Elle est généralement gravée de façon précise dans un matériau rigide et indéformable. En principe, il convient que les dimensions de la cuve intérieure soient calculées pour qu'une division de la jauge corresponde à un volume de lait au plus égal à 0,5 % du volume utile de la cuve. Toute déformation de la cuve fausse les résultats.
Il est nécessaire que la jauge soit parfaitement verticale et qu'elle repose sur un support à niveau constant. Fixée, par exemple, sur le couvercle du tank qui se déforme ou se positionne mal, la mesure peut présenter de notables variations. Il faut aussi assurer à la cuve une bonne horizontalité ne pouvant être modifiée, ce qui peut nécessiter de sceller les pieds du tank après qu'ils aient été réglés. Enfin, la lecture de la jauge nécessite de grandes précautions. La présence de mousse ou de crème à la surface ne permet plus de déterminer avec précision le niveau réel du lait. Le constructeur doit indiquer si la lecture doit être effectuée à la base ou en haut du ménisque formé à la surface du lait. En pratique, les difficultés de mesure apparaissent surtout sur les tanks de grande capacité présentant une importante surface de lait.

| 1) Moto réducteur d'agitation auto-graissant | 8) Evaporateur |
| 2) Filtre évent | 9) Ejecteurs |
| 3) Entrée de lait | 10) Agitateur |
| 4) Trou d'homme de large diamètre | 11) Isolation en mousse de polyuréthane injecté à haute pression |
| 5) Robinet de vidange | 12) Groupe frigorifique |
| 6) Pieds réglables en acier inoxydable | 13) Orifice de dégazage et d'entrée de lait |
| 7) Cuve tout en acier inoxydable |
Figure 40 - Tank fermé avec position del'agitateur fixé sur la paroi haute. Le circuit de lavage se fait par l'axe de l'agitateur muni à sa base d'éjecteurs
(Cliché ALFA-LAVAL)
Agitateur
Il est entraîné mécaniquement au moyen d'un petit moteur électrique. Il est habituellement fixé sur une paroi haute ou sur le couvercle du tank de sorte que son axe soit en position verticale dans le lait (Figure s 40 et 41).
L'axe porte à sa partie inférieure l'élément de brassage proprement dit qui peut être de forme variée : hélice à double pale, versoir de charrue, etc. Sa vitesse de rotation est très variable, de l'ordre de 20 à 40 tours à la minute, voire bien davantage. Par sa forme et sa vitesse il ne doit provoquer ni projection de lait, ni mousse, ni barattage. Il ne doit pas endommager la membrane du globule gras pour ne pas augmenter le risque de lipolyse. Le brassage doit être assuré pour tout volume de lait compris entre 10 % et 100 % du volume utile total de la cuve. Le brassage doit assurer une bonne répartition du froid, mais aussi celle de la matière grasse. Normalement la différence de matière entre deux points du mélange d'une quantité quelconque de lait ne doit pas être supérieure à 1 gramme par litre lorsque, après repos du lait pendant 6 heures à 4°C, le lait a subi un brassage de 2 minutes. L'agitateur peut fonctionner de façon continue ou intermittente et dans ce cas être équipé d'un dispositif automatique de mise en marche et d'arrêt. Une commande manuelle est toujours prévue pour bien mélanger le lait avant la collecte et éviter que de la crème adhère contre la paroi du tank ; ce brassage est indispensable lors du prélèvement effectué en vue du dosage de la matière grasse ou de l'examen de sa qualité.
Certains agitateurs peuvent être utilisés pour le nettoyage. Ils tournent alors à grande citesse, de l'ordre de 1.000 tours à la minute de façon à brasser violemment la solution et à la projeter contre les parois de la cuve pour en enlever les particules de lait adhérentes.

Figure 41 - Tank ouvert avec agitateur fixé au couvercle
(Cliché ALFA-LAVAL)

Figure 42 - Tank ouvert avec agitateur fixé au couvercle en position levée
(Cliché JAPY)
Thermostat
Son rôle est très important puisqu'il assure la régulation de la température. Il doit être sensible, précis et fidèle. Son emplacement doit être judicieusement choisi de façon à ce qu'il réagisse en fonction de la température du lait en dehors de toute autre influence. Le meilleur emplacement se trouve dans la masse du lait mais il faut éviter que le point où il traverse le lait devienne une source de fuite ou de contamination. Le thermostat doit réagir pour une variation de température inférieure à 0,5°C. Lorsque sa sensibilité est insuffisante, c'est-à-dire quand l'écart entre les températures d'enclenchement et de déclenchement est trop grand, on est tenté d'afficher une température de consigne plus basse de façon à ce que le lait ne dépasse pas la température limite choisie (en général 4°C). Dans ce cas, outre une consommation supplémentaire d'énergie, on risque la congélation d'une partie du lait dont la conséquence peut être le blocage de l'agitateur et une modification notable de la structure physico-chimique du lait.
Le dispositif de régulation doit être efficace pour toute quantité de lait comprise entre 10 % et 100 % de la contenance utile de la cuve pour une température extérieure comprise entre -10°C et +32°C.
En pratique le thermostat agit en fonction de la température qu'il enregistre. On considère qu'elle représente la température moyenne du lait sous réserve que ce régulateur soit correctement situé et que l'agitateur remplisse convenablement son rôle d'homogénéisateur thermique, ce qui est parfois plus facile avec les cuves verticales de petite capacité qu'avec celles de forme allongée, de grande capacité.
Il faut noter que le thermostat peut être influencé par la température extérieure lorsqu'il n'est pas convenablement protégé de celle-ci par une isolation suffisante de la cuve. Dans ce cas, il risque de maintenir en fonctionnement l'installation frigorifique en période de forte chaleur bien que le lait ait atteint la température choisie. Au contraire, en période de forte gelée, il risque de l'arrêter, laissant ainsi la température du lait augmenter. Normalement les tanks de bonne fabrication n'ont pas cet inconvénient. Néanmoins, il peut être nécessaire, dans les régions à climat excessif, de prévoir un thermostat dit “à franchissement d'ambiance” qui permet d'éviter ces accidents. (Figure 43)

Figure 43 - Thermostat à franchissement d'ambiance avec bulbe placé dans une canne thermostatique positionnée au milieu de la cuve et descendant très près du fond du tank. L'agitateur tripale assure l'homogénéisation de la température du lait
(Cliché JAPY)

Figure 44 - Vanne de vidange type “pal
(Cliché ALFA-LAVAL)
Il faut insister sur la nécessité d'utiliser des thermostats de très bonne qualité malgré leur prix plus élevé, faute de quoi il devient impossible de réguler automatiquement et dans des conditions précises la réfrigération et la conservation du lait.
Il doit être capable d'abaisser la température du lait, de celle de la traite (37°C) à celle de conservation (maximum 4°C), et de l'y maintenir dans une fourchette étroite (2°C à 4°C). En outre, il doit supporter sans se détériorer les températures élevées des solutions de nettoyage qui peuvent atteindre 65 à 70°C.
Thermométre
Il est bon de pouvoir contrôler facilement la température du lait à n'importe quel moment de la réfrigération ou du remplissage. Le thermomètre portatif usuel en verre que l'on plonge dans le lait n'est pas recommandable ; il n'est pas pratique, peut constituer une source de contamination et risque toujours de se casser, entraînant la perte du lait. Chaque tank devrait être muni d'un thermomètre précis juste et fidèle, permettant de déceler toute anomalie. Sa lecture doit être facile et comme dans le cas du thermostat, il doit être convenablement situé de façon à bien donner la température moyenne du lait. Afin de contrôler en permanence l'évolution de la température, certains tanks sont munis d'un thermomètre enregistreur.
Le thermomètre doit permettre de connaître la température du lait à tout moment pour un niveau de remplissage variant de 10 % à 100 % de la contenance utile de la cuve. Lors de la lecture sa marge d'erreur doit être au plus égal à 1°C entre 2°C et 12°C quand la température extérieure est comprise entre -10°C et +32°C et que celle du lait varie à raison de 10°C par heure. Le thermomètre est gradué entre 0°C et 40°C. Son échelle peut être plus large lorsque l'on veut apprécier la température des solutions de lavage. Mais il faut savoir que la sensibilité d'un thermomètre est habituellement inversement proportionnelle à l'étendue des températures qu'il peut contrôler. De toute façon il doit supporter sans se rompre les températures des solutions de nettoyage.
Vanne de vidange (Figure 44)
Elle permet d'éliminer les solutions de nettoyage et de rinçage. Elle peut aussi être utilisée pour vider le lait. De toute façon elle doit être parfaitement étanche et permettre une élimination rapide et complète des liquides. Elle doit être facilement démontable et ne présenter aucune partie inaccessible au nettoyage. La présence de résidus de lait constitue en effet, toujours, une source de contamination.
Les cuves de réfrigération et de stockage du lait à la ferme répondent, dans l'ensemble, à la description générale qui vient d'en être faite. Elles ne varient que par leur forme, leur capacité, leur présentation, leur construction et leur performance.
Leur différence essentielle réside dans le système de réfrigération. Deux méthodes sont en compétition ayant chacune leurs partisans :
Quels que soient le modèle de tank utilisé et le système de réfrigération adapté, il convient de respecter les exigences suivantes reconnues comme nécessaires par un grand nombre de pays.
La réfrigération doit intervenir le plus rapidement possible. Dès que la traite d'une vache est terminée, le lait doit être versé dans la cuve ou mieux encore, au fur et à mesure que que celle-ci s'effectue lorsque l'on dispose d'une ligne de lait reliant la machine à traire au tank.
Lorsque l'ensemble du lait “chaud” est versé en une seule fois, il doit être réfrigéré au plus à 4°C en deux heures au maximum, quelle que soit la température ambiante. La réfrigération se décompose en deux temps : à la fin de la première heure, la température du lait doit être inférieure ou au plus égale à 10°C ; à la fin de la deuxième heure, elle doit être au plus égale à 4°C, si possible entre 2 et 3°C et s'y maintenir.
Dans le cas le plus général où le tank doit recevoir le lait de plusieurs traites, le mélange déjà réfrigéré va brusquement se réchauffer au moment de l'apport du lait chaud, permettant ainsi le développement des bactéries. Pour éviter celui-ci ou du moins le limiter fortement, il faut alors à nouveau réfrigérer rapidement le nouveau mélange. Aussitôt après l'addition du nouveau lait (2e traite, 3e traite…) la température du mélange est d'autant plus faible que la quantité de lait déjà réfrigéré (à 4°C au moins) est importante. Le retour à 4°C est d'autant plus rapide que l'écart entre cette température et celle du nouveau mélange est faible.
Les Figure s 45 et 45a montre, pour différents modes de réfrigération, les variations de température du mélange de lait en tank après l'apport de chaque nouvelle traite.
En pratique, l'apport du lait (à 37°C environ) de chaque nouvelle traite entraîne une élévation de la température du lait déjà réfrigéré. Pour un lait en cuve à 4°C on observe, environ, les valeurs suivantes :
La remontée de température a lieu si le lait, avantmiseen tank, a subi une préréfrigération ou une réfrigération instantanée. Dans tous les cas, il faut, après l'apport du lait de chaque nouvelle traite que la température du mélange présent dans la cuve atteigne au plus 4°C dans un temps maximum de deux heures.
Ces recommandations peuvent quelquepeuvarier selon les pays. Quand par exemple la qualité bactériologique du lait est constamment bonne (inférieure à 50.000 bactéries par ml) la vitesse de réfrigération peut être moins stricte et portée à trois heures. Mais, d'une manière générale, il est préférable de respecter les recommandations données précédemment. Certains pays ont élaboré des normes concernant les caractéristiques des tanks, les températures et les vitesses de réfrigération que le constructeur, comme l'utilisateur, doivent connaître. Souvent aussi les tanks doivent obligatoirement faire l'objet d'une homologation.
Il est évident que les exigences précitées ne peuvent être satisfaites que dans la mesure où l'installation présente une puissance frigorifique suffisante dont l'utilisateur doit exiger la garantie.

Réfrigération de quatre traites de 120 l dans un réservoir réfrigérant de 600 litres
Figure 45 - Diagramme de température du lait en tank 4 traites
(D'après VEISSEYRE, 1975)

Figure 45a - Diagramme de température du lait dans un tank 4 traites selon différents modes de réfrigération
(D'après MIETTON, 1980)

Figure 46 - Schéma d'un tank réfrigérant à détente directe
Dans ce système l'évaporateur du groupe frigorifique est placé dans la double paroi de la cuve. Le fluide frigorigène peut circuler dans l'espace entre les deux parois soigneusement soudées entre elles ou à l'intérieur d'un serpentin ou de plaques fixés sous le fond de la cuve ou/et autour de ses parois verticales.
Le dispositif est réalisé de telle sorte que l'évaporateur soit en contact étroit avec la paroi de la cuve à lait au travers de laquelle s'effectue l'échange thermique (Figure 47). En fonction de la température du lait le thermostat met en marche à la fois le compresseur frigorifique et l'agitateur de façon à homogénéiser la température du lait. En principe, la température d'évaporation du fluide frigorigène varie en fonction de celle du lait à réfrigérer. Par exemple, quand le lait est à 35°C, elle est de 20°C ; quand il est à 4°C, elle est de -5°C.
Le transfert de chaleur du lait à l'élément producteur de froid se fait par l'intermédiaire d'un fluide intermédiaire inclus dans la double paroi du tank. Ce fluide est généralement de l'eau dans laquelle est immergé l'évaporateur et sur lequel il peut y avoir formation de glace.
La mise en oeuvre de ce système peut être réalisée selon différents procédés qui se caractérisent d'une part par le mode de distribution de l'eau glacée au contact de la paroi avec le lait, d'autre part par la présence ou non d'un dispositif d'accumulation de glace.
La plupart des tanks à réfrigération indirecte utilisent l'accumulation de glace, notammant en raison de la rapidité avec laquelle elle permet d'abaisser la température du lait et de la souplesse et de la sécurité que donne la réserve de froid.
Tank à accumulation de glace (Figure 48)
Sur un évaporateur immergé dans l'eau on laisse se former une couche de glace telle qu'elle soit suffisante pour assurer la réfrigération du lait et maintenir celui-ci à basse température. L'accumulation de glace s'opère pendant la période où la demande en froid est faible ou nulle. Lorsque celle-ci se fait sentir la glace fond assurant ainsi la production d'eau glacée. La reconstitution de la glace nécessite quelques heures (de l'ordre de 5 à 10) qui sont disponibles entre les périodes de réfrigération proprement dites. L'épaisseur de la couche de glace peut être régulée à l'aide d'un thermostat de glace ou gélostat. Pour obtenir un bon refroidissement il faut que la fusion de la glace soit suffisamment rapide, c'est-à-dire qu'elle offre une grande surface ; de plus la circulation de l'eau au contact de l'évaporateur doit être forte et bien conçue.

Figure 47 - Détente directe - Evaporateur placé en fond de cuve d'un tank
(Cliché ETSCHEID)

Figure 48 - Tank réfrigérant à accumulation de glace
Un agitateur plongé dans le lait homogénéise la température du lait et accélère les échanges thermiques. Le contact de l'eau glacée avec la paroi de la cuve à lait se fait au moyen de différents procédés.
Tank à paroi d'eau glacée
Dans un premier procédé l'espace compris entre les deux parois du tank est rempli d'eau formant ainsi une chemise ou nappe d'eau. Celle-ci est traversée par un évaporateur sur lequel se forme une couche de glace entre les périodes de réfrigération. Malgré l'agitation du lait, il y a une certaine perte d'énergie qu'on peut limiter par brassage de l'eau, en circuit fermé, au moyen d'une pompe de reprise ou d'une injection d'air fourni par un compresseur. Un autre inconvénient est la perte de calories par la paroi de la cuve qui n'est pas encore en contact avec le lait. Enfin si l'appareil n'est pas pourvu d'un bon gélostat, une accumulation excessive de glace peut entraîner la déformation de la cuve.
Une variante de ce procédé consiste à faire circuler la nappe d'eau refroidie par un évaporateur à accumulation de glace placé à proximité du tank ou sous le fond de celui-ci.
La chemise continue d'eau peut aussi être remplacée par un système de tuyauterie dans laquelle circule l'eau refroidie par l'évaporateur, celui-ci étant placé comme précédemment soit dans la double paroi de la cuve, soit sous celle-ci, soit à l'extérieur.
Tank à aspersion
Le principe consiste à faire ruisseler, au moyen d'un anneau d'aspersion ou autre dispositif, l'eau glacée sur la paroi de la cuve à lait. Le plus souvent, l'évaporateur est placé sous le fond de la cuve dans un coffre formant bac à glace. La circulation de l'eau est assurée par une pompe qui est mise en route, en même temps que l'agitateur, par le thermostat contrôlant la température du lait.
Afin de ne pas courir le risque d'un manque de glace ou au contraire son excès, il est nécessaire que la formation de celle-ci et son épaisseur soient commandées automatiquement par un dispositif automatique de régulation (gélostat) indépendant du thermostat comandant la pompe de circulation de l'eau et l'agitateur à lait. La formation de glace doit pouvoir se faire quelles que soient les conditions de température extérieure (en principe entre -10°C et 32°C, sauf cas particuliers). La quantité de glace formée doit être suffisante pour réfrigérer et conserver tout volume de lait compris entre 10 % et 100 % de la contenance utile de la cuve à lait et pour assurer sa conservation. Il faut évidemment limiter le plus possible les déperditions de froid par une excellente isolation du bac à glace.
Parmi ces divers procédés, ceux à circulation d'eau, notamment par aspersion, et permettant une accumulation de glace suffisante et bien régulée, sont les plus indiqués.
Comparaison entre les systèmes à détente directe et à accumulation de glace
Détente directe
En principe le compresseur ne fonctionne qu'au moment de la réfrigération et, si nécessaire, pour maintenir la température de conservation. De ce fait, sa consommation d'énergie électrique est limitée. Mais à capacité égale, sa puissance doit être plus forte que dans le cas de l'accumulation de glace. Pour cette raison, l'installation d'un tank à détente directe convient mal lorsque l'alimentation en électricité est faible et que son fonctionnement coïncide souvent avec les pointes de consommation du matin et du soir, entraînant une surcharge des lignes électriques. On sait les graves conséquences que peut provoquer une coupure de courant sur la qualité du lait. La détente directe évite l'emploi d'un gélostat et pour la plupart des tanks actuels, d'une pompe à eau.
Accumulation de glace
Inversement, pour une même capacité de réfrigération, le compresseur fonctionne plus longtemps mais sa puissance est moins élevée. Il consomme plus d'énergie électrique mais admet une alimentation plus faible. L'accumulation de glace peut se faire en grande partie, sinon totalement, pendant les périodes où la demande en électricité est la moins forte, c'est-à-dire généralement la nuit. On peut aussi profiter des tarifs réduits consentis dans certains pays en périodes dites “d'heures creuses”. En cas d'arrêt du compresseur, la glace, à la condition qu'elle soit accumulée en quantité suffisante, constitue un volant thermique utilisable pendant quelques heures. En principe la réfrigération est plus rapide. L'installation nécessite un dispositif approprié de pompage et de brassage de l'eau ainsi qu'un régulateur précis de l'apaisseur de glace.
Le tableau 9 donne une indication sur les puissances du groupe frigorifique et les consommations électriques respectives de tanks à détente directe et à accumulation de glace.
| Capacité des tanks (h) | Puissance du groupe frigorifique (ch) | Consommation électrique (Wh/1) | ||
|---|---|---|---|---|
| Détente directe | Accumulation de glace | Détente directe | Accumulation de glace | |
| 200 | 0,33 à 0,50 | 0,20 à 0,33 | 20 à 30 | 25 à 35 |
| 400 | 0,75 à 1,50 | 0,33 à 0,50 | 18 à 25 | 20 à 30 |
| 1000 | 2 à 2,25 | 0,75 à 1,5 | 12 à 18 | 15 à 25 |
Les figures 49 et 50 donnent l'allure des courbes de réfrigération obtenues par détente directe et par accumulation de glace et montrent que la vitesse de réfrigération obtenue par la dernière est plus rapide. On observe aussi que la remontée de température est presque linéaire dans le cas de la détente directe alors qu'elle est exponentielle avec l'accumulation de glace. Dans ce dernier cas, la fin du refroidissement est d'autant plus retardée que le remplissage de la cuve a été plus lent.
Compte tenu des avantages ou des inconvénients respectifs de chaque système de réfrigération, le choix est parfois malaisé. Il apparaît qu'actuellement les tanks à détente directe sont les plus répandus. Ce choix doit tenir compte des situations locales, de l'investissement et des frais de fonctionnement. Il faut évaluer les performances et les consommations des appareils placés dans les conditions réelles d'utilisation.

Figure 49 - Courbe de réfrigération du lait en tank à détente directe (D'après MARION et MOREL, 1964)

Figure 50 - Courbe de réfrigération du lait en tank à accumulation de glace (D'après MARION et MOREL, 1964)
Quel que soit le système de réfrigération choisi, le groupe frigorifique doit faire l'objet d'un certain nombre de précautions concernant, notamment, sa puissance, sa consommation réelle d'énergie, sa robustesse et son montage.
Sa puissance doit être soigneusement choisie en fonction des conditions d'utilisation. Trop faible, la température et la vitesse de réfrigération ne sont pas respectées. Trop forte, elle entraîne une consommation inutile d'énergie. Dans les deux cas l'installation ne fonctionne pas dans des conditions satisfaisantes. La puissance doit tenir compte de la capacité de la cuve et du nombre de traites. Par exemple, un tank de 400 litres de capacité utile prévu pour réfrigérer en 2 heures à 4°C le lait de quatre traites d'environ 100 litres chacune n'est pas adapté pour recevoir la même quantité provenant seulement de deux traites car sa puissance frigorifique serait alors insuffisante. On a vu aussi que dans le cas de la détente directe la réfrigération n'a lieu que quand le groupe est en fonctionnement. Par contre, dans le cas de l'accumulation de glace, le lait est réfrigéré par la seule fusion de celle-ci dont la formation s'est faite entre les traites, c'est-à-dire à l'aide d'un compresseur de relativement faible puissance. Mais si la quantité de glace accumulée est insuffisante, il faut un groupe d'une puissance supérieure de façon à assurer sa rapide reconstitution.
Les tanks sont souvent installés dans des bâtiments rudimentaires, anciens, mal ventilés, de faible dimension ou encore à l'extérieur avec une protection légère, parfois insuffisante. Les conditions sévères auxquelles le groupe est soumis peuvent amener son mauvais fonctionnement et sa détérioration. Pour ces raisons, il doit être robuste, bien protégé et correctement monté. Lorsqu'il n'est pas installé par le fournisseur, il faut faire appel à un spécialiste qualifié. L'équipement électrique et le raccordement au réseau doivent également faire l'objet de grandes précautions.
A l'époque où il est nécessaire d'économiser l'énergie, il convient de s'attacher particulièrement à la consommation réelle des tanks réfrigérants. Des études précises faites sur un nombre important d'appareils ont donné les résultats ci-après. Elles ont été réalisées sur des tanks de capacité comprise entre 200 litres et 6.000 litres, abaissant la température du lait de 35°C à 4°C et placés dans une ambiance de 20°C. Il apparaît que la consommation moyenne est de 19 Wh/1 de lait pour des appareils 2 traites et 22 Wh/1 pour ceux de 4 traites. Cette consommation diminue lorsque la capacité des tanks augmente. C'est ainsi que pour des tanks 2 traites d'une capacité inférieure à 300 litres, elle est de 25 Wh/1 alors qu'elle n'atteint que 15 Wh/1 pour ceux dont la capacité dépasse 3.000 litres. Dans le cas de tanks utilisés en 4 traites on observe des variations du même ordre puisque les consommations sont respectivement de 30 Wh/1 et de 20 Wh/1. Il faut préciser qu'il s'agit de valeurs moyennes autour desquelles on observe des variations considérables de consommation selon les appareils. Ces variations sont comprises entre 10,5 Wh/1 et 31 Wh/1 pour les tanks 2 traites et entre 14,5 Wh/1 et 36 Wh/1 pour ceux à 4 traites. Les écarts constatés sont indépendants de la capacité des tanks comme de leur système de réfrigération (accumulation de glace ou détente directe). Ces résultats montrent à quel point peut varier la qualité des tanks et la nécessité de s'adresser à des constructeurs très qualifiés.
Lorsque la traite est faite dans des pâturages éloignés de la ferme, il peut être intéressant de déplacer le tank. Celui-ci peut être monté sur un châssis avec suspension et roues à pneus ou placé sur un véhicule ou une remorque. S'il n'est pas possible de le brancher sur le réseau d'électricité, ce qui est souvent le cas, on peut utiliser différentes sources d'énergie plus ou moins simples, souvent coûteuses et qui sont liées aux possibilités locales. Dans ce cas, notamment, la machine à absorption peut constituer une formule appréciable. L'emploi du refroidisseur-plongeur décrit précédemment, quand il est possible, permet d'utiliser une simple cuve dont la paroi est bien isolée.

Figure 51 - Tank à lait mobile
(Cliché SERAP)
Lorsque le véhicule de collecte ne peut accéder au tank placé à la ferme ou au pâturage, on peut transporter le lait au moyen de la cuve elle-même munie d'un couvercle étanche. Elle doit alors pouvoir se désolidariser facilement de la machine frigorifique comme dans le cas du refroidisseur-plongeur. On peut aussi transvaser le lait bien refroidi dans une cuve isotherme de transport. Le transport du tank et de son équipement frigorifique nécessite de grandes précautions en raison de leur fragilité; il ne doit pas être fréquent.
La réfrigération du lait en tank constitue, dans l'ensemble, un facteur de progrès certain. Cependant, selon les conditions locales, il n'est pas toujours possible de mettre à profit tous ses avantages.
On trouvera ci-après les principales raisons qui justifient son développement, étant entendu qu'elles ne sont pas nécessairement toutes réunies pour que soit justifiée sa mise en oeuvre. Elles ont des conséquences d'ordre technique, économique et social. Toutes résultent de l'augmentation de la durée de conservation du lait. Dans tous les cas, la réfrigération limite le risque d'altération du lait et contribue ainsi à maintenir sa valeur marchande. Pour apporter le maximum d'avantages au producteur, il est souhaitable que la ferme soit équipée d'une machine à traire pourvue d'un dispositif de transfert du lait au tank (lactoduc de ferme) et qu'elle soit combinée avec la collecte en vrac. Dans ces conditions, le travail du producteur est allégé; il fournit moins d'efforts physiques et perd moins de temps. Il n'a plus à manipuler et à laver de bidons. Le délai de conservation après la fin de la traite peut être allongé sans préjudice pour la qualité du lait, ce qui assouplit ses contraintes d'horaire.
Pour le collecteur les avantages sont nombreux. Le pompage du lait directement du tank dans la citerne de collecte, la suppression des bidons, l'augmentation de la durée de conservation permettent d'améliorer les conditions du ramassage, d'en réduire le coût et de disposer à l'usine d'un lait de meilleure qualité, ce qui permet à la fois d'améliorer l'organisation du travail et la qualité des produits fabriqués.
Le passage des méthodes traditionnelles à celle de la réfrigération en tank et de la collecte en vrac doit être justifié. Il ne l'est pleinement que
si le alit au départ de la ferme et à l'arrivée à l'usine présente une faible charge bactérienne. La tolérance maximale, admissible dans les situations difficiles, est de 500.000 bactéries aérobies “totales” par ml au départ de la ferme et de 1.000.000 par ml à la réception à la laiterie. Divers pays sont beaucoup plus exigeants. Certains n'acceptent aucun lait dépassant à l'arrivée à l'usine 50.000 germes par ml.
si l'épuration est économiquement valable tant pur le producteur que pour le laitier. Le premier doit voir ses efforts justifiés (prix du lait, assistance technique, aide à l'investissement). Le second doit améliorer sa rentabilité par une meilleure qualité des produits fabriqués, par une économie des frais de collecte et par une meilleure organisation du travail à l'usine. La réalisation d'économie n'est généralement possible que si la quantité de lait ramassé par ferme ou par centre de collecte est suffisante.
Ces conditions “idéales” nepeuvent pas toujours être remplies. Aussi convient-il de leur accorder une importance relative en fonction des situations particulières d'une région ou d'une entreprise. Dans les pays où le développement laitier est à ses débuts, les exigences ne peuvent généralement pas être les mêmes que dans ceux de grande production et d'ancienne tradition laitières. Pour les seconds, où par exemple les fermes sont petites et dispersées, les accès par véhicule à moteur difficiles, voire impossibles à certaines époques, l'emploi d'un tank réfrigéré placé dans un centre de collecte où les producteurs ou de petits collecteurs apportent rapidement le lait, permet déjà une amélioration certaine de la qualité et des conditions de travail. Avant d'être versé dans le tank, le lait peut aussi être rapidement contrôlé ; les récipients de transport peuvent être lavés correctement. L'amélioration est encore plus sensible lorsque la réfrigération en tank est suivie de la collecte en citerne isotherme.
Les marques et les modèles de tanks sont variés. Les documentations présentées ne rendent pas toujours compte des possibilités véritables des appareils dans les conditions réelles de fonctionnement auxquelles ils seront soumis. Dans divers pays, les tanks doivent faire l'objet d'une homologation. Celle-ci n'est pas nécessairement adaptée à un autre pays. C'est pourquoi, lorsque l'acheteur ne peut se référer à une homologation nationale, l'établissement d'un cahier des charges constitue une sage et nécessaire précaution.
Au cours des pages précédentes on a vu les principaux points auxquels l'acheteur doit s'efforcer de s'attacher. Il faut aussi rappeler que tout tank, même bien conçu et bien monté doit être régulièrement vérifié (de l'ordre de une fois par an). En outre, une panne risque toujours de se produire. C'est pourquoi pour assurer l'entretien préventif et les réparations éventuelles, il est nécessaire de tenir compte de la proximité d'un service après-vente efficace, c'est-à-dire compétent, capable d'intervenir rapidement et pourvu d'un stock de piéces de rechanges. Dans les régions où les tanks sont nombreux, certaines laiteries ont leur propre service d'entretien et de réparation, doté d'une réserve de fluide frigorigène et de pièces de rechange.
Lorsque l'on procède à l'équipement en tanks d'une zone de collecte, il est préférable de choisir du matériel de série et d'une même marque (car généralement moins cher à qualité égale) et de limiter le plus possible le nombre de modèle de façon à éviter un stock important mais néanmoins souvent incomplet de matériel de rechange.
Le coût de la réfrigération constitue un facteur important voire déterminant dans le choix des tanks. Il est déterminé par deux éléments :
le prix d'achat de l'appareil et les frais de consommation d'énergie par litre de lait,
les facteurs d'utilisation de la cuve.
Les frais d'achat du tank et de consommation d'énergie dépendent de plusieurs facteurs : marque et modèle de l'appareil, qualité et capacité de celui-ci. A qualité égale et pour une même capacité les prix présentent des variations souvent notables, notamment quand il s'agit de matériels fabriqués en petite série et lorsque la concurrence entre fournisseurs est faible. Un appareil très bon marché risque d'être d'une qualité insuffisante. Divers avantages tels qu'un meilleur coefficient d'utilisation d'énergie, une excellente isolation, une construction très robuste et très soignée, la présence de certains accessoires, peuvent constituer des avantages compensant largement le prix à l'achat plus élevé. Un dispositif efficace de nettoyage automatique efficace peut compenser les frais de main-d'oeuvre, permettre d'économiser les détergents et assurer un meilleur nettoyage qui se répercute sur l'abaissement du nombre de germes et peut amener une valorisation du prix du lait quand celui-ci est payé en fonction de sa qualité, ce qui devrait être la règle générale.
Normalement, le prix du tank par litre de lait logé diminue lorsque la capacité de la cuve augmente, sauf pour les appareils de petite contenance.
La différence de consommation moyenne d'énergie pour des appareils de capacités égales peut varier de façon très importante, presque du simple au double. Ceci montre bien qu'il convient bien de se préoccuper non seulement du prix d'achat de la cuve mais aussi des frais qu'entraîne son utilisation. Les frais de nettoyage doivent aussi être pris en compte. Ils sont constitués par le temps de travail consacré à celui-ci et le coût des produits (eau chaude, détergent).
Un facteur important de variation du coût est habituellement le coefficient de remplissage de la cuve. Il dépend de la production laitière annuelle et de ses fluctuations saisonnières. Non seulement les tanks de faibles capacités sont d'une utilisation plus coûteuse que ceux de grosses capacités mais, de plus, les variations du coefficient de remplissage ont une plus grande incidence.
Le coefficient de remplissage (C.R.) est le rapport entre les quantités de lait réfrigéré entre deux collectes et la capacité utile du tank, soit :
L : la production journalière de lait
V : la capacité utile du tank
Pour un appareil deux traites C.R. =L/V (1 jour)
Pour un appareil quatre traites C.R. = L×2/v (2 jours)
Pour obtenir une rentabilité correcte, le coefficient moyen annuel de remplissage doit être voisin de 0,6 à 0,8, soit 60 à 80 % de la capacité totale de la cuve. Or on sait que si les variations saisonnières sont souvent de l'ordre de 1, 3 à 2, elles peuvent être beaucoup plus importantes : 5, 10 ou même davantage. Dans certains pays, en saison sèche, il y a arrêt quasi-total de la production.
En pratique, lors de la détermination de la capacité du tank, on est amené à tenir compte des variations prévisibles de la production, bien que sa rentabilité soit étroitement liée à son coefficient moyen de remplissage qui devrait être le plus proche possible de 100 % et bien que ses performances techniques risquent d'en être réduites. C'est ainsi qu'on tiendra compte de l'augmentation prévisible du nombre de vaches lai ières et de l'accroissement de leur rendement ; dans certains cas, peu recommandés, un tank à deux traites peut être utilisé pour quatre traites.
Un autre facteur à ne pas négliger dans la détermination du coût est le nombre de traites que peut recevoir le tank. En général, on observe que la consommation lactique est notablement plus importante pour les tanks 6 traites que pour ceux de 4 traites. Non seulement les tanks 6 traites sont à proscrire en raison du risque d'une augmentation considérable des bactéries psychrotrophes, mais aussi du surcroît de consommation d'électricité qu'il entraînent.
On verra dans la suite de cette étude que le coût de la réfrigération se décompose en frais fixes et en frais variables.
Les frais fixes sont, pour un tank de même capacité, indépendants de la quantité de lait réfrigérée. Ils comprennent l'amortissement du matériel (5 à 10 ans) et l'intérêt du capital investi. Lorsqu'on les rapporte au litre de lait, ils sont fonction de la quantité annuelle de lait réfrigéré et du coefficient moyen d'utilisation. L'exemple donné au tableau 10 montre quelle peut être l'incidence du coefficient d'utilisation sur le coût au litre pour des frais fixes identiques.
Les frais variables sont proportionnels à la quantité de lait refroidi. La consommation annuelle moyenne en énergie électrique varie relativement peu pour un tank donné, quelle que soit la quantité de lait. Mais cette consommation varie avec la capacité du tank et le coefficient d'utilisation de l'énergie. Les frais du nettoyage de la cuve qu'il soit manuel ou automatique dépendent du coût de la main-d'oeuvre, des produits de nettoyage et de l'eau. Ces frais augmentent avec la contenance totale de la cuve indépendamment de son coefficient de remplissage ; ils sont deux fois moins élevés avec un tank 4 traites qu'avec un tank 2 traites. En ce qui concerne les frais d'entretien et de réparation, ils sont évidemment aléatoires mais dépendent en partie de la qualité de l'équipement et de son mode d'utilisation.
| Coefficient d'utilisation % | Quantité de lait réfrigéré l | Facteur de multipli- cation du coût des des frais fixes par litre de lait |
|---|---|---|
| 100 | 36.500 | 1,00 |
| 75 | 23.375 | 1,32 |
| 50 | 18.250 | 2,00 |
| 25 | 5.125 | 4,00 |
Pour obtenir une réfrigération dans des conditions satisfaisantes (4°C au plus en 2 h au maximum) il ne suffit pas de disposer d'un équipement de bonne qualité. Il faut aussi l'utiliser correctement et surveiller son bon fonctionnement. Ceci nécessite quelques précautions simples demandant seulement un peu d'attention. ELles sont rappelées ci-après :
Mal nettoyé, le tank devient rapidement une source importante de contaminations qui peuvent annihiler les soins pris au niveau de la production et les effects de la réfrigération.
Lorsque du lait a séjourné ou circuleé au contact d'un matériel, il laisse toujours un résidu sous forme d'un film ou de dépôts plus ou moins importants. Ces résidus s'amassent particulièrement dans les parties angulaires, creuses ou en saillie. Laissés à l'air ils se dessèchent rapidement en adhérant fortement à leur support. A chaque apport de lait, de nouveaux résidus se forment et se fixent aux précédents. En peu de temps, ces couches successives constituent un enduit tenace et d'autant plus difficile à éliminer qu'il est plus ancien.
Ces résidus servent de support protecteur aux bactéries qui, de plus, y trouvent les substances nutritives nécessaires à leur développement. Il est done indispensable de procéder au nettoyage complet du tank aussitôt après l'évacuation du lait.
Les dépôts formés sont toujours difficiles à éliminer en raison de leur composition (matière grasse, protéines, sucre, sels minéraux) et de la force avec laquelle ils adhérent aux parois. L'eau seule, même chaude, n'y suffit pas. Elle doit être accompagnée de produits dit détergents, dotés de propriétés particulières. Les solutions détergentes doivent notamment permettre de décoller les souillures, de les dissoudre, de les mettre en solution ou en suspension et empêcher qu'elles se redéposent sur les surfaces. En outre, ces solutions doivent pouvoir être complètement éliminées des surfaces nettoyées par rinçage à l'eau. En aucun cas elles ne doivent corroder les matériaux ni être toxiques au cas où, par suite d'un rinçage insuffisant, une faible quantité viendrait dans le lait. Enfin, elles doivent empêcher les eaux dites dures, c'est-à-dire chargées de sels calcaires, de former sur le matériel des dépôts de tartre. Pour répondre à ces propriétés, les détergents doivent être composés de substances variées soigneusement sélectionnées et mélangées en proportions convenables. C'est pourquoi il est toujours conseillé de ne pas utiliser un produit simple (phosphate trisodique, carbonate de soude…) mais des mélanges spéciaux bien adaptés à la nature des souillures, au type de de matériel et de matériau et à la méthode de nettoyage.
Il est évident que les détergents alcalins et acides ne doivent jamais être mélangés. Lorsqu'ils sont successivement utilisés, ils doivent être séparés par un copieux rinçage.
Les détergents n'ont généralement qu'un pouvoir désinfectant faible. Ils agissent à l'égard des bactéries par élimination des souillures leur servent de support. C'est pourquoi un excellent nettoyage assure généralement une bonne propreté microbiologique et suffisante mais pas une complète désinfection. Dans certains cas, lorsque par exemple l'eau est polluée ou que l'entraînement mécanique des bactéries n'est pas complètement satisfaisant, il est bon d'utiliser une solution désinfectante soit seule, après nettoyage, soit en mélange avec les détergents que l'on désigne alors sous le terme de détergents bactéricides. Les produits désinfectants les plus efficaces et les plus utilisés sont à base de chlore (eau de Javel, produits chlorés) ou base d'iode (iodophores).
Pas plus qu'il n'est recommandé d'utiliser une substance détergente simple, il n'est conseillé d'employer des produits ménagers qui non seulement coûtent cher mais ne sont pas adaptés au nettoyage des cuves. Le choix d'un détergent ne doit jamais être laissé au hasard ni se fonder sur les seuls critères de prix. Il faut s'adresser à des fournisseurs spécialisés et très compétents, capables de déterminer les détergents à utiliser et d'en faire connaître le mode d'emploi optimum qui devra être respecté. Certains pays publient la liste des produits autorisés à entrer dans la composition des détergents et des désinfectants en contact avec un produit alimentaire.
Il est fondé sur la combinaison de trois facteurs :
L'eau. Par trempage des souillures, elle les ramollit, commence à les désagréger et en solubiliser certaines. En outre, elle sert de véhicules aux détergents et aux souillures. Elle doit être potable ;
L'action mécanique. Celle-ci est indispensable pour compléter l'action de la solution détergente sur les souillures dont l'adhérence est souvent très forte. Elle est réalisée par brossage, circulation et injection (ou pulvérisation). Selon les méthodes de nettoyage et la conception des matériels à nettoyer on utilise un ou plusieurs de ces traitements.
Les conditions de mise en oeuvre de ces trois facteurs ont une grande influence sur l'efficacité du nettoyage.
La température. Son élévation favorise cell-ci et accélère le processus. Elle est toujours préférable. Toutefois, elle doit être limitée pour certains produits de nettoyage et de désinfection. En raison des difficultés que peuvent avoir certaines fermes de disposer facilement d'eau chaude en quantité suffisante, il existe des méthodes de nettoyage “à froid”, c'est-à-dire faites à température ambiante.
La concentration de la solution de détergent. Elle est variable selon le produit. En général, elle est de 1 à 2 %. L'augmentation de la dose prescrite par le fournisseur n'améliore pratiquement pas l'efficacité des nettoyages, constitue une dépense inutile et risque parfois d'endommager le matériel.
L'action mécanique. Elle doit toujours être énergique. Dans les procédés par circulation et injection, de fortes pressions sont nécessaires.
La durée d'action de al solution détergente. Pour chaque méthode et chaque produit elle présente un minimum de l'ordre de quelques minutes à une demi-heure selon les cas. Là encore il est inutile de dépasser le temps prescrit, mais il faut le respecter.
Les tanks peuvent être nettoyés selon deux procédés. L'un est manuel, l'autre automatique. Ils sont fondés sur le même principe. Le second a l'avantage de réduire l'intervention humaine d'où une économie de temps et d'efforts. De plus, le nettoyage manuel étant une opération assez pénible et fastidieuse, on a souvent tendance à le simplifier ou à l'alléger, ce que l'on est beaucoup moins tenté ou impossible à faire avec un nettoyage automatique programmé. Ce système s'est largement développé et équipe la plupart des tanks de grande capacité.
La première opération à réaliser, immédiatement après l'évacuation du lait, est de procéder à un simple ou double rinçage du tank à l'eau froide. La vanne d'évacuation est ouverte mais doit être plusieurs fois manoeuvrée. L'emploi du jet sous pression la facilite. Ce pré-rinçage indispensable a pour but d'éliminer la plus grande partie des restes de lait et d'éviter qu'il ne sèche, ce qui rendrait beaucoup plus difficile l'action mécanique et détergente.
Dans un seau, généralement en matière plastique, on prépare la solution détergente alcaline, en respectant la concentration et la température voulue (par exemple 1 % à 50°C). La vanne d'évacuation étant fermée, on procède alors au brossage énergique des parois intérieures du tank en procédant de haut en bas. Bien nettoyer aussi l'agitateur, le rebord du tank, le couvercle et les accessoires divers. Ne pas oublier que des restes de lait provenant notamment d'éclaboussures souillent fréquemment les parties supérieures du tank, le couvercle et les accessoires, qui ne sont pas en contact direct avec le lait. Il ne doit, après brossage, rester aucune impureté visible. On évacue ensuite la solution détergente et dans le même temps le robinet de vidange est démonté et soigneusement brossé.
Il n'y a plus qu'à procéder à un copieux rinçage à l'eau fraîche et claire. Si celle-ci n'est pas potable, il convient d'ajouter à celle-ci une cuillère à soupe (environ 15 ml) d'eau de javel du commerce (à 12° chlorométrique environ) pour 10 litres d'eau.

Figure 52 - Dispositif de lavage automatique (Cliché SERAP)

Figure 53 - Diffuseur tournant de solutions de nettoyage
(Cliché JAPY)
• Nettoyage acide
Une fois par semaine il est recommandé de remplacer le nettoyage alcalin par un nettoyage à l'aide d'une solution acide en se référant au mode d'emploi indiqué par le fournisseur. Ce procédé élimine le film de pierre de lait ou de tartre, souvent invisible, que n'élimine pas la détersion alcaline et protège efficacement les bactéries qu'il renferme.
Lorsque les tanks atteignent une grande capacité, leur nettoyage manuel est difficile, délicat et nécessite beaucoup de temps, de sorte que le résultat reste souvent douteux. Pour cette raison on a développé un procédé mécanique d'un principe analogue à celui utilisé en laiterie industrielle. Il est connu sous le terme de N.E.P. (nettoyage en place) ou C.I.P. (cleaning in place). Il a l'avantage de permettre un nettoyage efficace, rationnel, permettant d'économiser la main d'oeuvre, de le simplifier et d'éviter les gaspillages d'eau et de détergents. Mais il demande un outillage très bien conçu et de ce fait relativement coûteux.
A quelques variantes près ce procédé ne fait qu'automatiser les phases classiques du nettoyage : pré-rinçage - détersion - rinçage. Il consiste à faire ruisseler le liquide, de façon continue, sur la totalité des surfaces à nettoyer (figure 52). Au moyen d'une pompe le liquide est projeté sous pression par l'intermédiaire de divers dispositifs fixés ou mobiles (éjecteurs, turbines, spères…) (figure 53). La solution détergente peut être récupérée à la base de la cuve et être ainsi utilisée en circuit fermé. Il est indispensable que tous les points de projection du liquide soient très soigneusement déterminés de telle sorte que toutes les surfaces, de quelque forme qu'elles soient, se trouvent énergiquement balayées.
Tout contact manuel avec la solution détergente étant évité, il est possible d'élever fortement sa température (65°C ou davantage), ce qui renforce l'efficacité du lavage. La solution est préparée à proximité du tank. Il faut attentivement veiller à maintenir sa concentration et sa température. Une grande attention doit aussi être portée à ce que les injecteurs ne soient pas partiellement ou totalement obstrués.

Figure 54 - Dispositif de commande automatique de nettoyage d'un tank (Cliché ALFA-LAVAL)
Il existe divers dispositifs de nettoyage automatique, plus ou moins complexes, à commande manuelle ou entièrement commandés par programmateur (fig.54). Avant d'acquérir un procédé de nettoyage automatique, il faut s'assurer de son efficacité et des moyens qu'a l'exploitation d'assurer son fonctionnement correct.
Le nettoyage satisfaisant d'un tank (et du matériel de traite) doit normalement être fait avec une solution détergente chaude. A la ferme, il n'est pas toujours facile de disposer d'eau chaude et sa préparation entraîne une dépense d'énergie dont le coût est croissant. Or, la chaleur extraite du lait est évacuée en pure perte dans le milieu ambiant au niveau du condenseur du groupe frigorifique. Si l'on place un échangeur de température sur la canalisation allant du compresseur vers le condenseur et dans laquelle circule les vapeurs chaudes du fluide frigorigène, il est possible de récupérer partiellement la chaleur (figure 55).
Les récupérateurs actuels de calories sont constitués d'un échangeur de chaleur fluide frigorigène - eau plus ou moins complexe. Le type le plus simple est un serpentin immergé dans une enceinte d'eau dans lequel circule le fluide frigorigène chaud. Ce dernier est généralement le Fréon R 22 dont les vapeurs chaudes atteingent au moins 80°C. Le récupérateur fait partiellement office de condenseur.
Dès l'arrivée du lait de la première traite dans le tank à détente directe, le groupe frigorifique est mis en marche. La condensation du fluide frigorifique devient rapidement supérieure à celle de l'eau contenue dans le récupérateur. Après un certain temps de fonctionnement (par exemple 20 à 30 minutes) les deux températures s'égalisent puis s'inversent. En effet, l'eau du récupérateur s'est échauffée et la température de con densation a diminué selon une courbe suivant approximativement celle de la température du lait. La récupération de chaleur est alors beaucoup moins forte et la température de l'eau se stabilise assez vite. En définitive, la récupération est de l'ordre de 30 % de la quantité totale de chaleur dégagée, ce qui représente approximativement 45 % de celle provenant du lait. Lors des traites suivantes la quantité de chaleur récupérée est plus faible car la température de condensation est plus basse puisque la température du mélange lait chaud + lait réfrigéré est moins élevée qu'à la première traite.

Figure 55 - Schéma d'un tank réfrigérant à détente directe et à condenseur à air équipé d'un récupérateur de chaleur (D'après DELAUNAY, 1981)

Figure 56 - Récupérateur de calories à accumulation
(D'après MIETTON, 1979)
Le fait de placer un récupérateur sur le circuit du fluide frigorigène amène un sous-refroidissement de celui-ci, ce qui est avantageux pour les performances du groupe frigorifique sous réserve de ne pas dépasser certaines limites et d'utiliser un détendeur adapté, du type thermostatique. Afin d'empêcher un sous-refroidissement excessif qui se répercuterait défavorablement sur la température de l'eau et sur la vitesse de réfrigération du lait, on est conduit à arrêter de façon intermittente la ventilation du condenseur à air quand la température de condensation diminue trop. Dans ce cas la température de condensation évolue en deats de scie, ce qui provoque une certaine fatigue du compresseur de même que du ventilateur qui subit une succession d'arrêts et de remises en marche.
Une installation de récupération de calories couplée à un tank réfrigéré ne permet pas d'obtenir à la fois une quantité importante d'eau chaude et une température élevée de celle-ci. Il y a un choix à faire. Le plus souvent, on adopte une température de l'ordre de 45°C à 55°C, selon la fréquence du soutirage. Dans ces conditions, à partir d'une eau froide à 12–15°C, on peut approximativement obtenir un litre d'eau chaude pour trois ou quatre litres de lait réfrigéré. L'eau chauffée n'étant pas utilisée au fur et à mesure de sa production est accumulée dans un ballon calorifugé (figure 56).
Lorsque la quantité d'eau chaude est insuffisante pour répondre aux besoins, ce qui peut arriver lorsque la quantité de lait diminue comme en période de basse production, ou bien encore si l'on désire de l'eau plus chaude (75°C – 80°C), il est possible de compléter l'apport calorifique à l'aide d'une résistance électrique.
Il faut souligner qu'un récupérateur de calories ne constitue pas un simple additif au tank réfrigéré en raison des influences qui s'exercent de l'un à l'autre. La température de l'eau réchauffée est déterminée par celle du fluide frigorigène dans la partie haute pression du circuit frigorifique. Si l'on veut augmenter la température de l'eau, il faut élever celle du fluide, ce qui nécessite un groupe frigorifique plus puissant et une plus grande consommation d'électricité, faute de quoi on ne peut maintenir la réfrigération du lait dans de bonnes conditions. Au cas où l'on conserve le même groupe, il y a non seulement une augmentation de la consommation électrique mais, en plus, le risque d'une mauvaise réfrigération. Inversement, l'abaissement excessif de la température de condensation du fluide frigorigène provoque une alimentation défectueuse de l'évaporateur et, par suite, un allongement du temps de réfrigération du lait.
Lorsque la réfrigération du lait est réalisée par détente directe, le groupe frigorifique fonctionne de façon continue pendant toute la durée de l'opération. Il s'ensuit que toute atteinte à son bon fonctionnement se répercute défavorablement sur les conditions de la réfrigération.
Dans le cas des tanks à accumulation de glace, le principe de la récupération des calories est le même. Toutefois, les risques d'incidences sur la réfrigération du lait sont moins importants à la condition que la réserve de glace soit toujours suffisante. En outre, la récupération de calories peut être un peu plus importante car la température de condensation du fluide frigorigène est plus constante. Mais cette température est plus basse qu'en détente directe, de sorte que pour donner à l'eau un certain niveau de température, il faut faire fonctionner le groupe avec une température de condensation plus élevée. Il s'ensuit que le groupe frigorifique a de moins bonnes performances ; il fonctionne plus longtemps et consomme davantage d'électricité.
Malgré l'augmentation de la consommation d'énergie électrique que nécessite le fonctionnement du groupe frigorifique, la récupération de calories constitue un moyen ingénieux et généralement intéressant du point de vue économique pour produire l'eau chaude nécessaire pour le nettoyage du tank de réfrigération et éventuellement de la machine à traire. La quantité de lait nécessaire pour que l'opération soit bénéficiaire varie avec les diverses situations particulières. Elle peut déjà l'ètre avec 300 à 500 litres de lait par jour alors que dans d'autres cas il en faut au moins 1.000 à 1.200 litres. Comme pour un tank de réfrigération, l'acquisition d'un récupérateur de calories doit faire au préalable l'objet d'une étude très sérieuse portant sur ses performances réelles, l'investissement qu'il entraîne, les frais de fonctionnement qu'il exige et les véritables économies qu'il permet. Il faut bien tenir compte des quantités de lait à réfrigérer, des besoins en eau chaude et aussi des possibilités locales de réglage et d'entretien de l'installation. Enfin, on ne doit pas oublier qu'une installation constituée d'un tank de réfrigération associé à un récupérateur constitue un ensemble assez complexe. lorsque ces deux équipements sont mal adaptés l'un à l'autre ou mal réglés l'un par rapport à l'autre, il peut en résulter divers inconvénients, à savoir : de mauvaises conditions de réfrigération, une production d'eau chaude insuffisante en quantité ou à température inférieure à celle prévue, une usure prématurée des appareils et une consommation accrue d'énergie.
Dans le double souci d'économiser l'énergie et d'augmenter la vitesse de réfrigération du lait, on tend à développer, dans les grandes fermes laitières la préréfrigération et la réfrigération instantanée.
Préréfrigération (figure 57)
Le procédé consiste à refroidir le lait à l'eau naturelle, immédiatement après chaque traite, à l'aide d'un échangeur de température à plaques en acier inoxydable, avant de l'envoyer dans le tank où s'achève la réfrigération. Ce procédé permet d'abaisser en quelques secondes la température du lait chaud à une température supérieure d'environ 2 à 3°C à celle de l'eau. Il s'ensuit plusieurs avantages. Sur le plan économique : réduction de la puissance du groupe frigorifique et de la consommation d'énergie. Sur le plan de la qualité, l'augmentation de la vitesse de réfrigération, la diminution de l'écart de température entre le lait déjà réfrigéré et le lait d'une nouvelle traite diminuent les risques de développement bactérien et de lipolyse.
Réfrigération instantanée (figure 58)
Le premier procédé peut encore être amélioré en ajoutant à l'échangeur à circulation d'eau un échangeur à eau glacée; celle-ci, en circuit fermé, peut être fournie par le même groupe frigorifique que celui alimentant le tank.

Figure 57 - Schéma d'installation d'un prérefroidisseur associé à un tank à détente directe
(D'après MIETTON, 1979)

Figure 58 - Schéma d'installation d'une installation de réfrigération instantanée (eau + eau glacée) associée à un tank
(D'après MIETTON, 1979)
Lorsque l'eau est en quantité insuffisante ou à température trop élevée (ou biensisoncoût dépasse celui de l'énergie électrique), l'eau glacée seule assure la réfrigération. Comme dans le cas de la préréfrigération, le lait est immédiatement versé dans le tank à la température de conservation (2 à 4°C). Toute remontée de température est ainsi supprimée et le rôle du tank se limite à maintenir cette température.
La quantité d'eau nécessaire est de l'ordre de 2 à 3 litres par litre de lait. Elle peut être récupérée pour divers usages. Le nettoyage de l'échangeur est réalisé par rinçage copieux puis circulation d'une solution alcaline. Après un nouveau rinçage il est recommandé d'utiliser une solution acide à intervalle défini selon le risque d'entartrage. Le circuit de nettoyage peut être automatisé et être, par exemple, inclus dans celui de la machine à traire.
Ces installations demandent des investissements importants. Elles ne se justifient que pour des quantités importantes de lait, variables selon les situations locales, mais qui ne semblent pas devoir être inférieures à 2.000 ou 2.500 litres de lait par jour. L'économie possible d'énergie doit être estimée avec le maximum de précision. Elle paraît se limiter, dans les meilleures conditions, pour un double circuit (eau + eau glacée), à 45 ou 50 % au maximum. La réalité est souvent plus proche de 30 à 35 %. L'amélioration éventuelle des échanges de température entraîne, au-delà d'une certaine limite, des investissements qui ne peuvent pas être compensés par les gains probables d'énergie. Dans tous les cas ces installations doivent être envisagées avec prudence et être préalablement étudiées sous leurs différents aspects techniques et économiques.