Uno de los factores más importantes a la hora de construir un criadero de bivalvos -que no siempre se tiene en cuenta- es la selección de un emplazamiento idóneo. Existen varios aspectos que pueden condicionar la ubicación de una instalación en el lugar inadecuado, como por ejemplo, la falta de alguno de los componentes esenciales de la infraestructura, la disponibilidad de terreno a un coste razonable, el suministro local de electricidad y de agua dulce, la existencia de personal cualificado o de buenas comunicaciones. Puede ocurrir que una empresa o un particular decida construir un criadero al lado de una instalación de engorde de bivalvos que ya esté en funcionamiento, en cuyo caso, el criadero se convertiría en una unidad adicional de la instalación ya existente. En otras ocasiones, por ejemplo, un particular o una empresa pueden poseer o ser propietarios de los derechos de propiedad sobre un emplazamiento, que reúne las condiciones idóneas para la construcción de un criadero. Si bien es cierto que no siempre es posible construir los criaderos en el lugar adecuado, al menos se deberían seguir ciertos criterios para evitar condenar el criadero al fracaso.
El primer aspecto que hay que considerar es la posibilidad de que la reglamentación gubernamental permita la construcción de un criadero de bivalvos en el emplazamiento escogido. Esto se puede resolver rápidamente consultando con las autoridades locales, estatales, provinciales o federales. Si la ley no permite la construcción de un criadero en el lugar elegido, habrá que encontrar otro emplazamiento autorizado o bien intentar cambiar la reglamentación gubernamental para así conseguir la autorización necesaria para el lugar escogido.
Antes de obtener la autorización para construir cualquier tipo de infraestructura puede que sea necesario tramitar una serie de permisos y licencias para cumplir con las normas de construcción locales y con las reglamentaciones nacionales y locales sobre el medio ambiente. Este proceso puede llevar tiempo y llegar a ser costoso y quizás se necesite contar con una evaluación del impacto potencial del criadero en el medio local antes de que se conceda, o no, el permiso para empezar a construir.
Antes de analizar los elementos que conforman el emplazamiento idóneo para instalar un criadero, es esencial poder garantizar la calidad de la captación de agua de mar durante todo el año en el sitio en cuestión. Este requisito es imprescindible, ya que si no se dispone de una buena captación de agua de mar, será difícil, si no imposible, desarrollar las actividades del criadero de manera eficiente y rentable. Por este motivo es muy importante obtener toda la información que se pueda sobre la calidad del agua de mar del sitio escogido a lo largo de todo el año. No sólo se necesita información de las aguas superficiales sino también de toda la columna de agua, ya que pueden aparecer termoclinas y circulaciones ascendentes de forma periódica. Si con anterioridad se han realizado estudios oceanográficos de la zona, deberían analizarse los datos. Pero si no se cuenta con esta información, el interesado debería realizar un muestreo detallado de las aguas en el emplazamiento propuesto y durante al menos un año.
La ubicación geográfica del sitio y las posibles especies de cultivo determinarán en parte los parámetros ambientales del agua de mar que necesitan ser examinados. Las larvas, los juveniles y los adultos de los bivalvos tienen requisitos fisiológicos estrictos, como por ejemplo, la temperatura del agua, la salinidad y los niveles de oxígeno; parámetros que deben mantenerse en el criadero. La temperatura del agua es más elevada en los trópicos que en las zonas templadas y los bivalvos autóctonos están bien adaptados a estas condiciones y las toleran bien. Sin embargo, las temperaturas en el criadero no deberían descender demasiado para evitar efectos negativos sobre la supervivencia de las larvas y los juveniles o sobre su crecimiento. En las zonas templadas, la temperatura del agua no debería sobrepasar los niveles inferiores o superiores letales para las larvas y para los juveniles. La salinidad puede sufrir grandes variaciones y la tolerancia a estas fluctuaciones varía en las diferentes especies de bivalvos. Algunas necesitan altos niveles oceánicos de salinidad mientras que las especies eurihalinas (de estuarios y de aguas salobres) muestran una tolerancia mucho mayor. Las estaciones de lluvias torrenciales pueden desencadenar períodos de baja salinidad, y las fuertes escorrentías asociadas a estas lluvias también pueden provocar un incremento de la cantidad de limo y de otros materiales que a su vez pueden crear problemas en el criadero. Las elevadas concentraciones (afloraciones) de algunas algas marinas y especies bacterianas pueden liberar sustancias tóxicas que podrían llegar a reducir la supervivencia y crecimiento de las larvas o de los juveniles de bivalvos, e incluso en casos extremos provocar importantes mortandades. Es esencial recopilar tantos datos como sea posible sobre estos parámetros antes de tomar una decisión sobre la idoneidad de un emplazamiento para un criadero de bivalvos. Las medidas correctoras para mejorar un inadecuado nivel de calidad del agua de mar pueden resultar muy costosas y comprometer la rentabilidad de un proyecto.
Sería conveniente evitar aquellos emplazamientos que puedan verse afectados por vertidos procedentes de plantas industriales, ya que todavía no se conocen a fondo los efectos letales y subletales de muchos contaminantes industriales. Tampoco se comprenden bien los efectos aditivos de varias industrias ubicadas en un mismo lugar y que vierten residuos potencialmente tóxicos para los tramos aguas abajo. Los efectos de dichos efluentes pueden ser muy perjudiciales para las larvas de los bivalvos. Por ejemplo, un compuesto que se encuentra en muchas pinturas marinas antiincrustantes, el tributilestaño (TBT), ha resultado ser letal para las larvas de bivalvos, aún en concentraciones tan bajas como unas partes por billón. Se debe evitar la captación de agua de mar desde zonas cercanas a puertos deportivos y comerciales. Siempre que sea viable, es aconsejable realizar estudios de bioensayos utilizando embriones de bivalvos para ayudar a determinar la calidad del agua en el emplazamiento donde se piensa instalar el criadero. La presencia de materiales deletéreos puede ser temporal o estacional, por tanto el muestreo de los bioensayos debe llevarse a cabo durante un período de no menos de un año y realizarse preferentemente cada semana.
También es recomendable evitar los focos de contaminación agraria, incluso forestal. Recientemente se ha podido demostrar que la escorrentía de algunos suelos agrícolas puede llevar concentraciones de plaguicidas deletéreas para el crecimiento y supervivencia de las larvas de bivalvos. A veces, la contaminación doméstica no sólo contiene contaminantes tóxicos para las larvas de bivalvos, sino que su alto contenido orgánico puede provocar el agotamiento del oxígeno y dar lugar a mayores niveles de bacterias que a su vez pueden reducir el crecimiento y provocar la mortalidad de las larvas.
Al decidir sobre el emplazamiento de un criadero de bivalvos también hay que tener en cuenta otros factores como el desarrollo urbano y prever la posibilidad de que la «civilización» llegue pronto a engullir el sitio. El desarrollo urbanístico, con todos los problemas que conlleva, es una de las mayores preocupaciones en el cultivo de bivalvos. Si está previsto que la urbanización llegue pronto al emplazamiento, convendrá tomar todas las medidas necesarias para mantener al mínimo las fuentes potenciales de contaminación. Esto requiere una estrecha colaboración entre los responsables de la planificación y las empresas constructoras.
El criadero debe estar situado cerca del océano para reducir al mínimo la distancia que hay que salvar para bombear el agua, y así evitar tener que emplear tuberías muy largas. También tiene que estar ubicado tan cerca como sea posible del nivel del mar para evitar bombear agua sobre grandes distancias verticales. Si se dan fluctuaciones frecuentes en la temperatura y la salinidad de las aguas superficiales, será preciso colocar las tomas a cierta profundidad (hasta 20 m por debajo de la superficie) para mantener niveles más constantes de temperatura y salinidad del agua. Dependiendo de la naturaleza de los estratos geológicos, a veces se pueden perforar pozos cerca de la orilla para acceder a los acuíferos de agua de mar. Una captación de agua de esta naturaleza mantendrá la temperatura más constante durante todo el año y proporcionará agua ya filtrada, por haberse percolado a través de los estratos. Sin embargo, puede que se necesite oxigenar esta agua antes de poder utilizarla. Siempre conviene consultar con un ingeniero debidamente cualificado cuando se toman decisiones sobre las mejoras metodológicas y tecnológicas en el abastecimiento de agua.
El emplazamiento debe disponer de suficiente superficie para los edificios auxiliares y permitir una futura ampliación de las instalaciones. Otro aspecto importante es la necesidad de contar con una vigilancia apropiada, además de un suministro adecuado de energía eléctrica, captación de agua dulce y personal cualificado para el funcionamiento del criadero. Deben existir buenas comunicaciones para facilitar el suministro de materiales y el rápido transporte de larvas y semilla a su destino. También hay que considerar la proximidad de instituciones, tales como universidades, laboratorios gubernamentales y bibliotecas, ya que estos recursos pueden ser de gran ayuda en el funcionamiento del criadero y en la búsqueda de soluciones a problemas. Como paso previo es recomendable elaborar una relación de parámetros que han de cumplirse, o que hay que comprobar, cuando se está valorando la posibilidad de elegir un emplazamiento para un criadero de bivalvos. Hay que analizar todos los elementos de la lista para comprobar que el emplazamiento cumple el máximo número de requisitos.
No existe un diseño único para los criaderos de bivalvos. La distribución de los criaderos varía de un sitio a otro, según la especie cultivada, la ubicación geográfica, el presupuesto, la especie que se quiera producir, además de las preferencias personales (Ilustración 3). Existen criaderos pequeños que producen semilla para sus propias actividades de engorde de bivalvos. Otros son más grandes y se dedican sólo a la producción de semilla para la venta o para sus propias actividades además de un excedente que venden a otros productores. Hay criaderos que tienen semillero propio, mientras que algunos sólo producen larvas maduras para enviar a otros sitios, a diferencia de los criaderos que cultivan y suministran semilla de tamaño variable, desde 1 a 12 mm de longitud de concha. Todo ello depende en gran medida de la naturaleza, necesidades y nivel de sofisticación de las actividades de engorde que de forma conjunta conforman la clientela.
|
|
|
|
|
|
Ilustración 3: Selección de fotografías de criaderos que refleja las distintas dimensiones y los niveles de sofisticación de las construcciones que existen en el mundo. De izquierda a derecha y de arriba a abajo: Tinamenor S.A. (Pesués, España), Criadero Turpiolito, (Golfo de Cariaco, Venezuela), criadero de vieiras de la Estación de Investigación Biológica de Bermudas que utiliza contenedores de carga aislados y el criadero de ostras SMS (Point Pleasant, Nueva Escocia, Canadá).
Muchos criaderos se han construido sin demasiada planificación o sin pensar en la posibilidad de ampliar en el futuro. Hay criaderos que se construyen con el objetivo inicial de producir una cantidad determinada de semilla y una vez cumplido ese objetivo deciden ampliar y añadir un módulo, pero la instalación posterior de módulos adicionales no suele ser ni eficiente ni cómoda para el trabajador. En otros casos, los criaderos se construyen inicialmente para producir semilla de una única especie, pero después, al empezar a producir otras especies, el criadero deja de ser eficiente en su nuevo papel.
Se puede ahorrar mucho tiempo y evitar muchas frustraciones con una buena planificación antes de construir el criadero. Hay que considerar varios aspectos antes de diseñar un criadero, pero hay dos factores que requieren una atención especial. En primer lugar, el trabajo en el criadero tiene que ser cómodo para los operarios y eficiente para que las actividades sean lo más rentables posible, y en segundo lugar, es necesario contar con una posible ampliación en el futuro.
Los criaderos de bivalvos tienen dos partes principales, el sistema de agua de mar y las instalaciones propiamente dichas.
Como ya se apuntó, es necesario contar con agua de mar de alta calidad, y es importante asegurarse de que la fuente de agua de mar y el sistema de bombeo y tratamiento estén convenientemente situados cerca del criadero y que se haga uso óptimo del mismo para mantener al mínimo los gastos de explotación y de capital.
El criadero debe estar ubicado lo más cerca posible del nivel del mar para evitar tener que bombear agua. Las tomas de agua de mar deben ser lo más cortas posible y estar ubicadas convenientemente para que se puedan arreglar o mantener con un esfuerzo mínimo. Es recomendable colocar las tomas de agua salada a cierta profundidad para evitar fluctuaciones en la temperatura y la salinidad y para reducir también el número de organismos y residuos que puedan entrar en el sistema. En zonas templadas es conveniente que las tomas estén por debajo de cualquier termoclina que se dé en verano para reducir las variaciones de temperatura. En las zonas donde puede haber períodos de lluvias fuertes, las tomas instaladas a suficiente profundidad evitarán tanto las fluctuaciones súbitas de salinidad como la excesiva acumulación de lodos por la lluvia. La colocación de las tomas a cierta profundidad evita que se produzcan fuertes afloraciones de plancton, que podrían llegar a ser perjudiciales para las larvas de los bivalvos, y reducir considerablemente la entrada en el sistema de organismos incrustantes que pueden adherirse a las cañerías y reducir notablemente el caudal de agua que llega al criadero. Se puede evitar la incidencia de muchas de las fuentes de variabilidad arriba mencionadas perforando pozos para la captación de agua de mar. Esta es una posibilidad que habría que contemplar antes de abordar cualquier otra solución.
El tamaño de la bomba y el diámetro de las cañerías dependerá de la escala a la que se trabaje y los volúmenes de agua de mar necesarios para todas las etapas de la producción. Las bombas se pueden encontrar en establecimientos comerciales y el tipo y tamaño de bomba se puede determinar comentándolo con los distribuidores. Es importante asegurarse de que las superficies que entran en contacto con el agua de mar no sean tóxicas. La mayoría de los plásticos, hierro fundido y ciertas clases de acero inoxidable son una opción adecuada. Sería aconsejable evitar el uso de bombas con componentes de acero dulce o latón.
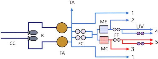
Una vez bombeada directamente desde el océano, el agua de mar pasa primero a través de filtros de arena que retienen la mayor parte del material particulado de más de 20-40 µm (Ilustración 4). Un filtro de arena en buenas condiciones elimina la mayor parte de los desechos y organismos del agua que pudieran afectar a las larvas de los bivalvos. También elimina muchos de los organismos incrustantes que podrían adherirse y crecer en las tuberías del criadero. No sólo pueden generar problemas en el caudal de agua sino que al morir provocan condiciones anaerobias que pueden llegar a ser tóxicas para las larvas de los bivalvos. También pueden retener y eliminar bacterias perjudiciales para las larvas. Los filtros de arena se comercializan en las tiendas especializadas y son parecidos o iguales a los que se emplean para filtrar el agua de las piscinas. Se suelen instalar una serie de dos o más filtros de este tipo que se retrolavan de forma regular para evitar la obturación del medio de filtración. Se puede emplear otro tipo de filtros según la preferencia personal y los costes. Los filtros de tambor giratorio y autolimpiables son una alternativa para eliminar el material particulado de gran tamaño, y los filtros de cartuchos o bolsas de gran superficie son muy efectivos para retener partículas de menor tamaño.
|
|
|
|
|
|
|
|
|
Ilustración 4: Diagrama de las diversas etapas en el tratamiento del agua de mar para uso en criaderos, desde los conductos de captación (CC) hasta los puntos donde se utiliza el agua para las diferentes actividades (1 a 5). B - bombas de agua de mar; FA - filtros de arena (fotografía C) o filtros de tambor alternativos de autolimpieza (fotografía A); TA - hacia los tanques de almacenamiento (si fuera necesario); FC - filtros de cartuchos de 20 µm y 10 µm; ME - módulo de enfriamiento del agua de mar (si fuera necesario); MC - módulo de calentamiento del agua de mar (si fuera necesario - fotografía B); FF - filtrado final (5 µm y 1 ó 2 µm - fotografía D); UV - módulos de desinfección con luz ultravioleta (si fuera necesario).
Indicaciones de uso (los niveles de tratamiento varían de un criadero a otro):
1 - Agua sin calentar y filtrada con arena para reproductores y juveniles de mayor tamaño (paso 3 si se necesita calentar el agua).
2 - Agua de mar refrigerada y filtrada a 10 µm para el desove de reproductores o para el cultivo a gran escala de algas de especies resistentes. El agua refrigerada (o a temperatura ambiente) se suele mezclar con agua de mar calentada para proporcionar temperaturas intermedias con diferentes fines.
3 - Agua de mar calentada y filtrada a 10 µm para acondicionar y desovar reproductores y para cultivar semilla de mayor tamaño. Algunos criaderos tienen un sistema separado de calefacción bien para agua de mar sin filtrar o para agua filtrada con arena para acondicionar a los reproductores.
4 - Agua refrigerada y filtrada a 1 µm y desinfectada o no con UV para el cultivo de algas.
5 - Agua calentada y filtrada a 1 µm y desinfectada o no con UV para el cultivo de larvas.
Otra manera de obtener agua de mar para un criadero es bombeándola desde un pozo de agua marina. En los últimos años ésta se ha convertido en la fuente de agua de mar preferida de los criaderos. Se trata de excavar o perforar un pozo cerca del criadero y a suficiente profundidad como para suministrar bastante agua marina para el criadero. El agua de este tipo de pozos es de alta calidad y suele tener una salinidad y temperatura constantes. Además ya se ha filtrado a través de la roca sedimentaria o porosa, contiene pocos desechos y pocos o ningún organismo incrustante. El agua que se capta de esta manera no necesita filtrarse o filtrarse muy poco. La construcción de pozos de agua de mar puede tener un coste inicial elevado pero éste se ve compensado al reducirse los gastos de explotación.
Después de filtrada el agua de mar, toda o parte se bombea hacia un tanque de almacenamiento de hormigón o de fibra de vidrio. El empleo de un tanque de almacenamiento es cuestión de preferencias y existen muchos criaderos que no cuentan con ellos. Son útiles cuando sólo se puede obtener agua en momentos determinados, p. ej. con marea alta. A veces se utiliza este método en zonas con un suministro eléctrico poco fiable, para así garantizar el aporte de agua de mar. Se bombea suficiente agua al tanque como para que abastezca al criadero hasta que se rellene el tanque de nuevo. El tanque se coloca en alto para que con el efecto de la gravedad se mantenga un caudal de agua suficiente en todo el criadero. Otros criaderos cuentan con un sistema de agua de mar continuo y el agua se bombea al criadero de forma constante para que se use donde sea necesario y luego se elimina como residuo. Muchos criaderos han instalado recientemente sistemas de recirculación completos o parciales para reducir los gastos de explotación, lo cual es especialmente interesante si existe un suministro limitado de agua de mar o si se ha calentado o enfriado. Se pueden utilizar filtros activados biológicamente con el agua recirculada para eliminar los residuos metabólicos y guardarla hasta que se vaya a reutilizar. Si se ha calentado o enfriado el agua, se pueden usar intercambiadores de calor para calentar o enfriar parcialmente el agua que entra y así reducir los costes energéticos.
Las tuberías no deben ser tóxicas, normalmente se emplean de PVC (cloruro de polivinilo), Clase 40 ó 80, aunque a veces como alternativa se emplean conductos y accesorios de ABS o polietileno. El diámetro de las tuberías depende de las necesidades de agua, pero en la mayoría de los criaderos las líneas principales de distribución dentro del criadero tienen 50 mm o menos de diámetro a pesar de que los conductos principales de captación puedan tener hasta 15 cm de diámetro. Las tuberías deberían estar bien apoyadas y a suficiente altura, para así estar apartadas pero accesibles para las operaciones de limpieza. Las válvulas y desagües tienen que estar convenientemente ubicados. Si el agua se ha filtrado suficientemente no será necesario limpiar las tuberías con frecuencia. En el caso de que sea necesaria una limpieza periódica es importante contar con tomas o juntas de rosca limpias y ubicadas de tal forma que las líneas puedan limpiarse con facilidad in situ o desmontarse rápidamente para realizar una limpieza a fondo.
En la mayoría de los criaderos instalados en zonas templadas se necesita contar con la posibilidad de calentar y a veces enfriar parte del agua de mar. En el mercado se pueden encontrar módulos con este fin y junto con el distribuidor se puede calcular la capacidad necesaria para garantizar la disponibilidad de un suministro adecuado a la temperatura precisa. De nuevo es esencial evitar que las superficies de aquellos módulos que entran en contacto con el agua de mar sean tóxicas para las larvas de bivalvos. La mayoría de los intercambiadores de calor que se encuentran en el mercado utilizan titanio en la superficie de transferencia de calor, el material más empleado en los criaderos. El gerente del criadero puede decidir esterilizar (o dicho de forma más correcta, desinfectar) toda o parte del agua de mar antes de su uso, especialmente en el caso de enfermedades. El agua de mar se puede esterilizar con luz UV (ultravioleta) o con ozono. Existen en el mercado módulos comerciales y con un simple cálculo se puede determinar el tamaño de módulo que se precisa. Estos módulos comerciales suelen estar clasificados según su calidad a la hora de esterilizar el agua dulce. En el caso del agua de mar, donde la carga orgánica y turbidez producida por los materiales coloidales suele ser superior a la del agua dulce, se aconseja utilizar estos módulos a mitad del caudal (o menos) recomendado, para obtener resultados satisfactorios. Si se esteriliza utilizando luz UV, el agua tiene que filtrarse aproximadamente a 1 µm antes de la esterilización ya que las partículas en el agua absorben rápidamente la luz UV y por lo tanto se reduce la eficiencia del módulo. La filtración se puede incorporar fácilmente al módulo de UV y muchos módulos disponibles cuentan con filtros y lámparas de UV.
En algunos lugares existe una normativa oficial que regula el vertido de efluentes de criaderos, que hay que estudiar antes de construir un criadero y en el caso de que exista una reglamentación al respecto, debe cumplirse.
Es esencial contar con grandes desagües que bajen hacia el fondo de las zonas húmedas y que estén colocados convenientemente en todo el criadero. Estos desagües tienen que estar preparados para descargar grandes volúmenes de agua cuando se realizan operaciones tales como el vaciado de tanques.
Algunos criaderos producen especies o variedades o razas de especies exóticas, y según la normativa oficial, habría que instalar un centro de cuarentena para asegurarse de que no se introducen plagas, parásitos o enfermedades junto con las especies o larvas exóticas y evitar que puedan escapar de forma accidental hacia el entorno natural. Para ello es necesario disponer de un sistema separado de drenaje en la zona del criadero destinada a la cuarentena y que vacíe su contenido en tanques especiales donde los efluentes puedan ser esterilizados con una fuerte solución de hipocloruro. Luego se trata el agua esterilizada con tiosulfato para neutralizar cualquier resto de cloro antes de devolverla al exterior. Las instalaciones de cuarentena tienen que contar con una sala independiente para mantener, acondicionar y desovar adultos. Los desagües procedentes de esa sala también vaciarán en los tanques de tratamiento de cuarentena.
El diseño del criadero tiene que estudiarse con detenimiento para facilitar un trabajo eficiente y cómodo. Además, el criadero debe ser versátil y poder adaptarse a los cambios sin caer en la necesidad de hacer grandes obras. En algunos criaderos, por ejemplo, donde se han construido tanques de hormigón, después no ha sido fácil hacer cambios. Es mejor contar con tanques de plástico o de fibra de vidrio que se desplazan con facilidad o se cambian si la ocasión lo requiere. El suelo debe ser de hormigón y tener suficientes desagües. Todas las superficies tienen que estar cubiertas de una terminación duradera y resistente al moho para garantizar unas buenas condiciones de limpieza. Los armarios y módulos de almacenamiento de madera que están sobre el suelo deberían montarse sobre pedestales de hormigón para evitar que se dañen con el agua de mar. Si no es posible, las superficies de madera tienen que pintarse con una resina epoxídica de buena calidad.

Ilustración 5: Plano general de una planta diseñada especialmente como criadero de bivalvos (véase la explicación en el texto que a continuación sigue).
Los criaderos tienen varias zonas interconectadas y que, por practicidad, se han dividido de la siguiente manera: cultivo de algas, acondicionamiento y desove de reproductores, cría de larvas, cultivo de juveniles y zonas de servicio (Ilustración 5).
El éxito de un criadero de bivalvos depende de la producción de algas. Es una parte muy importante de cualquier criadero y es imprescindible un buen diseño para proporcionar una zona de trabajo adecuada para este fin ya que se necesita contar con grandes cantidades de algas de alta calidad (CA - Ilustración 5). Como las algas se utilizan en todas las fases de producción, la instalación debería ubicarse en una zona céntrica y conveniente. El espacio necesario para el cultivo de algas dependerá en parte de los niveles de producción, los métodos de cultivo y si las algas se van a cultivar dentro del criadero con iluminación artificial, o si se van a criar en el exterior con luz natural, o una combinación de los dos métodos. Si se opta por usar la luz natural se necesitará un invernadero bien ventilado que tendrá que instalarse de forma tal que reciba la máxima cantidad de luz solar, aunque habrá que proteger a los cultivos más jóvenes o menos densos del sol directo.
Será necesario contar con una pequeña sala para mantener las cepas de algas [también llamadas cultivo patrón (CP)]. Las dimensiones varían pero pueden llegar a ser tan reducidas como de 2 x 3 m. La sala debe contar con aislamiento y temperatura fría constante. Si se utilizan luces fluorescentes se necesitarán estanterías al fondo para proporcionar la fuente de luz. También será necesario contar con un aporte de aire. En esta sala también se guardan tubos de ensayo con cultivo inclinado de algas y pequeños matraces con cepas monoespecíficas y axénicas normalmente dentro de una incubadora refrigerada e iluminada. Los métodos se describen en la Parte 3.
En la siguiente fase de cultivo se utilizan las cepas de la sala fría y se cultivan en matraces de 4 l y botellones de 20 l delante de una batería de lámparas fluorescentes (LF). Esto puede ser parte de la zona principal de cultivo de algas o una pequeña sala independiente. El espacio necesario dependerá del número de especies y la cantidad de algas que se produzcan. Esta zona requiere un aporte de aire y dióxido de carbono y debe mantenerse de 15 a 18 ºC. Otra pequeña sala adyacente (SA) alberga una autoclave (a), que se utiliza para termoesterilizar el medio para los cultivos más pequeños. Algunos criaderos utilizan métodos alternativos para preparar el medio de cultivo que se describen en la Parte 3.
El tamaño de la zona principal de cultivo de algas dependerá del número de especies que se cultiven y de la cantidad de algas que se necesiten. Esta zona puede llegar a ocupar una parte sustancial del criadero.
Si la mayoría de las algas se cultivan dentro del criadero utilizando el método de cultivo en tandas entonces tiene que haber suficiente espacio para una serie de tanques de 3-4 m de diámetro y 2 m de profundidad. Si se emplean los métodos de cultivo en saco o cilindro alto se puede reducir la superficie de suelo necesaria. Las reactancias para las lámparas fluorescentes empleadas para iluminar los cultivos tienen que ser del tipo «funcionamiento en frío» o estar aisladas en una zona independiente desde donde se pueda disipar el calor que generan. En condiciones ideales esta zona debería mantenerse de 15 a 20 ºC.
En muchos criaderos, una parte importante de las algas, si no todas, se cultivan en invernaderos, que pueden ser estructuras independientes o anejas a un lateral del criadero -preferentemente el lado sur en el hemisferio norte y el lado norte en el hemisferio sur- para así obtener máxima luz solar. El tamaño de los invernaderos dependerá del método de cultivo y de las cantidades de algas que se vayan a producir.
Debe haber suficiente energía eléctrica para la iluminación artificial cuando la natural es inadecuada. El aporte de aire y dióxido de carbono es esencial. También deberá haber una correcta ventilación o instalación de aire acondicionado para mantener la temperatura a o por debajo de 20 ºC aquellos días en los que la fuerte luz solar calienta las instalaciones. Se necesitará un generador en aquellas zonas donde el suministro de electricidad sea poco fiable o pueda estar desconectado durante varias horas. Aunque la falta de luz durante una o dos horas no compromete la supervivencia de los cultivos de algas, sí es necesario airearlos. Sin aireación las diatomeas se irán al fondo de los cultivos y éstos pueden llegar a peligrar.
Se necesita contar con espacio para mantener y acondicionar a los reproductores (SR - Ilustración 5). Esto dependerá en parte del número de especies que se mantienen y si el acondicionamiento o parte de éste se realiza en entorno abierto en lugar de en el criadero. Puede que sea preciso utilizar agua de mar calentada o refrigerada en esta parte del proceso en algunos períodos del año. También es deseable poder aislar los tanques para así ajustar el fotoperíodo ya que las fluctuaciones de luz y oscuridad pueden afectar a la maduración de las gónadas.
Hay que contar con espacio para las bandejas de desove (bd), aunque éstas pueden formar parte de la zona de cultivo larvario ya que el espacio no se necesita de forma continua. Luego se pueden almacenar las bandejas o platos de desove cuando ya no se empleen. Los métodos para el acondicionamiento de reproductores, desove y fecundación se describen en la Parte 4.
Otra parte importante del criadero está ocupada por la instalación de cultivo larvario (CL) y sus dimensiones estarán determinadas por la escala de producción. El espacio está ocupado por tanques, en un número que dependerá de los niveles de producción y las técnicas utilizadas para cultivar las larvas. En la costa pacífica de Norteamérica se cultivan larvas a densidades bajas de 2-3 por ml en grandes tanques que miden 3-4 m de diámetro, 4-5 m de altura, con capacidad para 40 000 a 50 000 l. En otros criaderos, las larvas se cultivan en tanques más pequeños de hasta 5 000 l de volumen a densidades larvarias mayores. Cuando se diseña esta parte del criadero, el gerente debe tomar decisiones sobre la producción deseada para satisfacer la demanda del mercado y la metodología que empleará para criar las larvas.
Los tanques de cultivo larvario están normalmente realizados en fibra de vidrio o de un plástico adecuado y deben estar convenientemente lavados antes de su uso. Independientemente del tamaño del tanque, es preciso que haya grandes desagües por debajo del nivel del suelo capaces de soportar grandes volúmenes de agua cuando se vacíen los tanques. En la sala de cultivo larvario se necesita contar con una zona de preparación (P) para lavar, clasificar, contar y medir las larvas y para acomodar el equipo utilizado. Esta área debe estar dotada de armarios y estanterías para guardar el equipo cuando no se use.
Una vez que las larvas maduras se han fijado (se han asentado y han iniciado la metamorfosis) se trasladan a tanques en la sala de cultivo de juveniles (CJ) para su cultivo hasta que alcancen la talla suficiente para transferirse a los sistemas de semilleros, que pueden estar en el criadero o en otro sitio. Normalmente esto ocurre cuando los juveniles (semilla) sobrepasan los 2 mm de longitud de concha. El tamaño y tipo de tanques, en cuanto a volumen y superficie utilizada para este fin, varía de una especie a otra.
Las larvas maduras se fijan en el criadero o en instalaciones externas (a veces a cierta distancia). Cuando este procedimiento se da dentro del criadero se suele hacer en la zona de cultivo larvario, y con frecuencia directamente en los tanques larvarios. Puede que sean necesarios tanques adicionales para estos propósitos específicos. La semilla (fase inicial de juveniles) se transfiere después a los sistemas de tanques en una zona independiente y específica para el cultivo de juveniles (JC). El tamaño y tipo de tanques, en cuanto a volumen y superficie utilizada para este fin, varía de una especie a otra. Los juveniles se crían en sistemas de circulación ascendente, descendiente o en bandejas con variada configuración hasta que sobrepasan los 2 mm de longitud de concha. No es muy rentable cultivar la semilla hasta una talla superior dentro del criadero basándose en alimento cultivado ya que las necesidades de alimento incrementan de manera exponencial con el tamaño. Si el sistema de semillero está ubicado fuera del criadero, se debe asignar suficiente espacio para esta actividad. Los métodos de cultivo larvario se describen en la Parte 5 y los de cultivo de semilla en la Parte 6.
Como se ha comentado antes, los criaderos que trabajan con reproductores procedentes de lugares remotos o con especies exóticas a veces necesitan someterlos a cuarentena y cultivar las crías de forma separada. Este tipo de criaderos cuenta con salas de cuarentena (SC) para este fin, y el efluente de las mismas se vierte en los tanques de tratamiento (TT). Cuentan también con un laboratorio seco (LS), oficina (O) y cuarto de baño (CB). En el laboratorio seco se realizan las trasferencias de algas (si no hay otro espacio asignado para esta actividad), se pesan y mezclan las sustancias químicas, se guardan los microscopios para estudiar los cultivos, los registros y el equipo científico.
La maquinaria estática, como las bombas principales, filtros y prefiltros de arena (para eliminar partículas de hasta 10 µm), el módulo de calentamiento o enfriamiento de agua de mar, las calderas, el sistema de ventilación, los compresores o calefactores de aire, un generador de reserva para suministrar energía en caso de emergencia, junto con los paneles eléctricos y equipamiento de control, se guardan en una sala de máquinas insonorizada (SM). Es preferible duplicar el equipo esencial por si hubiera un fallo mecánico o eléctrico. Se necesita aire comprimido en todas las fases del cultivo así como anhídrido carbónico para el cultivo de algas. En muchos criaderos las bombas de entrada de agua de mar y los filtros de arena están ubicados en una caseta de bombas cerca del punto de captación y la filtración final de agua de mar puede hacerse en el punto de uso en lugar de en el módulo central de filtración fina.
Como el almacenamiento es siempre un problema en un criadero, es útil tener una amplia zona para uso general (ZUG) que pueda emplearse para almacenar equipo y material, envasar semilla así como para taller. La mayor parte de las zonas de trabajo deberían contar con encimeras y fregaderos (ef). Es preferible que las distintas partes del criadero se puedan aislar en caso de que haya un brote de alguna enfermedad.
Un criadero de bivalvos es un negocio y como tal debe gestionarse, de forma eficiente y ser económicamente viable. Las subvenciones o ayudas de los gobiernos pueden servir para compensar los costes, especialmente durante las etapas iniciales de la actividad, pero luego el criadero tiene que mantenerse sólo y ser rentable. Los aspectos económicos de la construcción y funcionamiento de un criadero de bivalvos varían de una empresa a otra, de una zona a otra y de un país a otro, pero en cualquier caso esta actividad siempre tiene que dar beneficios.
Los criaderos son actividades caras. Se necesita bastante capital para construir un criadero y financiar sus actividades. El propietario debe contar con suficiente capital circulante como para llevar adelante actividades hasta que se generen ingresos. Antes de tomar la decisión de construir un criadero hay que examinar con detenimiento todas las facetas de la construcción y funcionamiento y determinar el nivel al que el criadero será viable económicamente. Hay que tener en cuenta muchos costes, incluidos la compra del terreno, la construcción del criadero, la instalación del sistema de agua de mar, el equipo necesario en todas las fases de la producción, el mantenimiento, los gastos generales de material y electricidad, la amortización de préstamos y la necesidad de contar con personal capacitado.
La rentabilidad puede variar enormemente dependiendo de otros factores como la zona geográfica, la escala operativa y si forma parte de un negocio de cultivo de bivalvos plenamente integrado. En las zonas templadas un elemento importante de los gastos de explotación es el calentamiento (y enfriamiento) del agua de mar, un coste que normalmente se evita en las zonas tropicales. Esto puede condicionar el emplazamiento elegido para el criadero en zonas templadas hacia sitios donde haya agua de mar templada al menos en algún momento del año, para reducir de esta manera los costes de la calefacción.
Algunos criaderos son pequeñas empresas familiares que solo producen suficiente semilla para sus propias necesidades de producción. Los criaderos de este tipo suelen estar en funcionamiento unos meses al año, con una producción limitada, y sus costes son mucho menores que los de criaderos más grandes.
Los criaderos grandes suelen formar parte de un negocio de cultivo de bivalvos plenamente integrado o pueden dedicarse sólo a producir semilla. Si el criadero es parte de un negocio integrado de cultivo, puede que funcione para recuperar gastos y no obtenga ganancias o incluso funcione con pequeñas pérdidas, ya que los beneficios de la empresa se obtendrán en otras fases del negocio de cultivo. En el caso de que el criadero solo exista para producir y vender semilla a otros productores, se tiene que sacar beneficio de la actividad del criadero. Esto no hace sino subrayar el hecho de que antes de construir un criadero hay que hacer una valoración minuciosa del mercado de la semilla que se vaya a producir; no sólo la cantidad de semilla que se pueda vender, sino también el precio que se estará dispuesto a pagar por esa semilla.
Otro aspecto del funcionamiento de un criadero de bivalvos es mantener un nivel crítico de producción para permitir la rentabilidad. Un criadero no puede existir produciendo simplemente unos miles de juveniles cada año, lo cual resulta demasiado costoso. De hecho, los costes asociados a la producción de unos miles de juveniles son prácticamente los mismos que si se produjeran varios millones - es decir, se aplican las economías de escala. El gerente debe determinar el nivel crítico de producción que necesita alcanzar para rentabilizar la actividad, lo cual nos lleva de nuevo a la necesidad de conocer la amplitud y valor del mercado de este producto.
Es imprescindible llevar un registro minucioso de los costes, producción y ventas para valorar la rentabilidad del criadero.
Anon. 1979. Feasibility study for a commercial oyster hatchery in Tasmania. Tas. Fish. Devel. Authority: 115 pp.
Breese, W.P. & Malouf, R.E. 1975. Hatchery manual for the Pacific oyster. Sea Grant Program Pub. No. ORESU-H-002. Oregon State Univ. Corvallis, Oregon, USA: 22 pp.
Castagna, M. & Kraeuter, J.N. 1981. Manual for growing the hard clam Mercenaria.VIMS Spec. Rep. In Applied Mar. Sci. and Ocean Eng. 249: 110 pp.
Curtin, K. 1983. Oyster hatchery pilot scheme; setting up, operation and future role of hatcheries. N.Z. MAF: 16 pp.
Dupuy, J.L., Windsor, N.T. & Sutton, C.E. 1977. Manual for design and operation of an oyster seed hatchery for the American oyster, Crassostrea virginica. Spec. Rep. Applied Mar. Sci. Ocean. Eng. 142. VIMS, Gloucester Point, Virginia.
Helm, M.M. 1994. Towards reliable bivalve seed supply in Nova Scotia. Bull. Aquacul. Assoc. Canada 94 (4): 9-14
Holliday, J.E. 1984. International developments in oyster hatchery technology. Misc. Bull. 1. Div. Fish, Dept. Agriculture. New South Wales, Australia: 101 pp.
Huguenin, J.E. & Colt, J. (eds.). 1989. Design and operating guide for aquaculture seawater systems. Dev. Aquaculture Fish. Sci. Elsvier. 20: 264 pp.
Hurley, G., Henderson, K., Percy, M. & Roscoe, D. 1987. Design of a small scale shellfish hatchery. Nova Scotia Dept. Fish. Halifax, NS, Canada: 45 pp.
Im, K.H. & Langmo, R.D. 1977. Hatchery produced Pacific oyster seed: economic feasibility on cultch in the Pacific Northwest. Sea Grant, Oregon State Univ. Corvallis, Oregon, USA. Pub. No. ORSESU-T-77-010: 80 pp.
Neima, P.G. & Kenchington, E. 1997. Report on commercial scallop hatchery design. Can. Tech. Rep. Fish. Aquat. Sci., 2176: 55 pp.
Robert, R. & Gerard, A. 1999. Bivalve hatchery technology: the current situation for the Pacific oyster, Crassostrea gigas, and the scallop Pecten maximus in France. Aquat. Living Resour. 12 (2): 121-130
Spencer, B.E., Helm, M.M. & Dare, P.J. 1977. Recommended quarantine measures for marine molluscs. MAFF Fish. Res. Tech. Rep., Lowestoft, No. 32: 7 pp.
Utting, S.D. & Helm, M.M. 1985. Improvement of seawater quality by physical and chemical pre-treatment in a bivalve hatchery. Aquaculture, 44: 133-144
Wickins, J.F. & Helm, M.M. 1981. Sea water treatment. p 63-128. In: Hawkins, A. D. (ed.) Aquarium Systems. Academic Press, London: 452 pp.