Section 1. Introduction of Integrated Fish Farming
Chinese integrated fish farming system is so broad in scale with so many models that there is no comparative in the world, and it has developed its own characteristics as well. This technology attracts the world's attention. Perhaps, the reason for this is that it can fully develop and utilize local natural resources and it can produce more materials for the people and it can satisfy the needs of the world economic development on many aspects.
1. The advantages of integrated fish farming
1) Establishment of a man-made ecosystem without any wastes
In developed countries, the more their industry develops, the more intensive their farming is, and the larger the scale of chicken and pig raising factory farms is, the more the wastes accumulate, e.g. in Japan, only the excreta of cattle, pig and chicken reach more than 70 million metric tons per annum. If this great amount of excreta is not disposed of, it must pollute the environment.
The annual output of animal manures is considerably high ---10.4–11.8 tons per black-and-white cow; 4.1–4.7 tons per pig; 0.04–0.07 tons per duck. The decomposition of so much excreta produces gaseous ammonia, etc. The odour pervades everywhere. As a result, the water, the land and the air are all polluted and it will jeopardize the people's health.
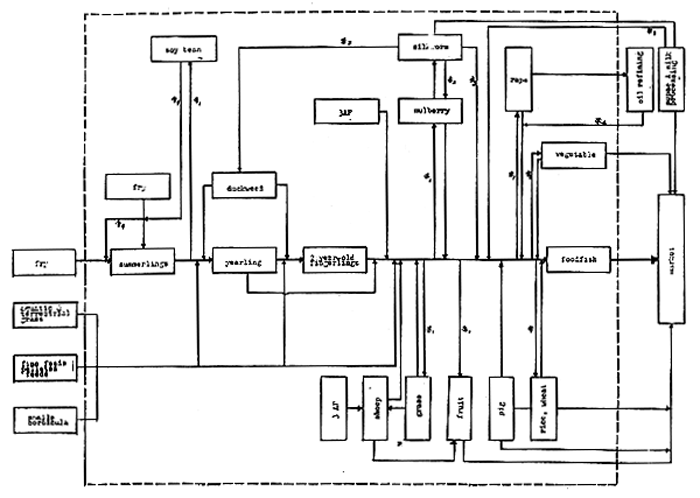
In fact, the manures of livestock and poultry are good organic fertilizers for fish farming. About 40–50 kg of organic manures can be converted into one kg of fresh fish. If the farm combines fish farming with mulberry cultivation, sericulture and silk extraction from the cocoons, the pupae will be a fine feed for fish while the worm faeces and waste water obtained at the processing factory are used as pond fertilizers. In an integrated fish farm, the manures of livestock and poultry and the dregs, lees and waste water obtained from starch processing and wine brewing are all used for fish farming. The pond silt can be used as fertilizers for terrestrial fodder crops which can in turn be used to raise livestock and poultry or directly for fish farming. Thus, it forms a recycling ecosystem, which utilizes various wastes and afterwards, an agricultural ecosystem can be set up without any wastes. (see Fig. 1)
2) Increasing the food supply for the mankind
Short supply of food and protein is a serious problem that we are now facing. Therefore, merely using the pelleted feeds of grains and animal protein as fish feeds is not economical and often makes the food for the mankind more insufficient. If the grains such as wheat are used in fish culture, the output could be up to 4815–9750 kg/ha. But the average Food Conversion Rate of grain is 3, i.e. 3 kg of grains in dry weight could converted into 1 kg of fresh fish. This kind of fish culture is not suitable for the countries which want for food. However, the natural food organisms cultured in fish ponds by using organic manures could totally take the place of pelleted feeds or grains. The quality of fish will not be changed by using animal manures as fertilizers in fish culture. The daily output could reach 15–32.25 kg/ha or even higher. E.g. Helei Fish Farm in Wuxi has not only built fish ponds with an area of 69.4 ha but also a dairy with 100 cows and pigsties with 1000 pigs and duck yards producing 10,000 eggs per day. It has become a subsidiary food production base, which is an integration of aquaculture industry and commerce. So far as aquaculture is concerned, they combine fish farming with livestock and poultry raising, however, putting fish farming first. In 1981, it supplied not only large amount of fertilizers to produce 600,000 kg of fish for market but also supplied 490,000 kg of pork, etc.
The scope of integration in an integrated fish farm could be considerably wide. Apart from fish cultured in the water body, the water surface can be used for goose and duck raising, pond dikes for fruit tree and mulberry cultivation or for setting up pig-sties, slopes for fodder crops. The products from an integrated fish farm are not only fish but also meat, milk, eggs, fruit, vegetables, etc. It is apparent that integrated fish farming can fully utilize the water body, the water surface, the land and the pond silt, etc. to increase the food supply for people.
3) More job offer
In unitary fish farm, the labour force cannot be reasonably employed while the integrated fish farm may offer more jobs, for example, in Helei Fish Farm, the occupations except fish culture offer 149 jobs, among which there are 48 persons for duck raising, 19 for cow farming, 14 for pig raising.
4) Reducing the cost, raising the output and increasing economic benefits
Nowadays, the problem that the aquaculture in developed countries is facing is that the cost of pelleted feeds is too high. It is related to energy crisis and protein shortage also. The integrated fish farm produces feeds and fertilizers for itself, savrer energy and reducing. expenditure considerably, e.g. in 1981, Helei Fish Farm produced 5.5 million kg of pig manure, 1.85 million kg of cow dung, 1 million kg of duck manure, 9.5 million kg of waste water from silk extracting workshop. The total amount of organic fertilizers was 17.65 million kg. Outflow of animal excreta by gravity could reduce the production cost by about 97 year each mu of fish pond.
In 1976, Helei Fish Farm began to put duck, cow and pig raising into
integrated fish farming system, food processing industry in 1979 and
commerce in 1980. During the period of 1977–1981, the yield of fresh
fish increased from 115,000 kg to 600,000 kg (the same area) while the
yields of livestock and poultry increased from 135,000 kg to 490,000 kg.
In 1981, average income per capita increased by 120.
2. The characteristics of Chinese integrated fish farming
1) The integrated fish farming practices have developed into a complicated structural network in line with the local conditions.
China is a vast country with a large population and varied natural environments. The agricultural structure and the economic conditions of each locality are also different. Therefore, various integrated fish farming systems in line with the local conditions have developed into a complicated structural network. The Pearl River Delta is located to the south of the Tropic of Cancer. Its annual solar irradiation is 110 kcal/cm2 but averaging 60 Kcal/cm2. Average temperature is about 22°C; 2–3 days of frost a year; more rain and high temperature in summer with maximum temperature of about 37°C and relative humidity 76–85%; annual sunshine time between 2000 and 2500 hours. Such geographic and climatic conditions are very conducive to the cultivation of mulberry trees, sericulture and fish farming. Hence, the farmers in the Pearl River Delta through production practices have been able to take advantage of local natural resources by integrating mulberry cultivation and sericulture with fish farming, which leads to the establishment of a complete, scientific “mulberry plot-fish pond” man-made ecosystem.
Even in the same geographical zone, the items of integration by various production units are different. Helei Fish Farm, Xinan Fish Farm, Helei First Fishery Brigade, Wangzhuang Fish Farm as well as the Municipal Fish Culture Farm in Wuxi practise different items of integration. (See Fig. 3, 4, 5 and 6). Liutan village has recently incorporated agriculture, sideline occupations, aquaculture and commerce into its integrated system. The integrated fish farm was established in 1980. The farm site was earlier a water-logged paddy field of 17.33 ha, subject to annual flooding and with low yield of agricultural crops. Based on the topography of the low land, the farmers restructured the land into fish ponds of 10.67 ha. in the winter of 1979 and the spring of 1980.
The farm consists of 15 grow-out ponds (8 ha), 11 fingerling ponds (2.67 ha). Apart from pig raising, green fodder planting is the major item of the integrated management. It has 1.33 ha of pond dykes for the cultivation of English rye grass (Lolium pereme), sow thistle (Lactuca indica), etc. They utilized water cane shoots field to cultivate duckweed with average yield of 37,500–45,000 kg/ha. With sufficient supply of green fodder, Grass carp and Wuchang fish (Megalobrama spp.) become the dominant cultured species, with the yield of 5250 kg/ha, that is 45% of the total pond fish production. It indicates that the maximal efficiency of the integrated fish farming system can be obtained only through maximal utilization of natural conditions and the agricultural characteristics of the regions concerned.
The socio-economic conditions should be taken into consideration in developing integrated fish farming. The fact is that the diversified economy develops in the harmonious interaction among the socioeconomic conditions, agricultural production, and natural conditions on the basis of regional climatical differences. Since the development of integrated fish farming is site-specific and the conditions of each site are different and complicated either from the macro or micro view points, the linkage between the trades of integrated fish farms in China become a complex matrix. Simple modele involving mono-integration of fish-cum-animal husbandry, fish-cum-poultry or fish-cum-crops are now getting fewer and fewer in China with the exception of small-scale individual farms.
2) Utilising wastes by various ways of recycling
The integrated system of fish farming
Fresh animal manure can be applied directly to the fish ponds. pigsties, poultry coops and pens for ducks and geese can be constructed on the dikes or above the ponds. Fresh manure thus enter the ponds directly, avoiding energy losses due to processing of manure and transportation. The feedstuff of livestock are not fully digested and then can be directly utilized by fish. Therefore, the number of animals should be compatible with unit water surface.
The residues and liquid part after anaerobic fermentation to produce biogas are used for fertilizing fish ponds.
Compost after aerobic fermentation can also be used for fish culture.
Animal manure can be used indirectly through one or two trophic levels in a food chain such as growing fodder crop to feed herbivorous fish, producing earthworms or other animal-feedstuff for carnivorous fish directly or used as part of the composition of pelleted feeds.
Poultry manure can be used to feed pigs and pig manure can in turn be used as fertilizers for fish pond.
3. Further development and Research needs
The prosperity of agricultural economy and the application of new technology stimulated and improved the production of integrated fish farming, e.g. the use of aerators and the mechanization, to certain extent, raised production efficiency of the classical mode of Chinese fish culture. Although integrated fish farming has long been practised in China and rich experience has been gained through years of improvement and considerably high yields have been achieved, the scientific basis for some of the existing techniques are still awaiting clarification.
In order to raise the efficiency of integrated fish farming considerably, the biological basis of integrated fish farming must be studied, finding out the rule and developing aquaculture technology. In theory, two ecosystems must be clarified: First, the integrated fish-livestock-crop land-and-water ecosytem research should be carried out on its structure and functions so as to set up an optimal and harmoneous ecosystem on a perfect structure and with sound functions; second, the pond ecosystem.
The structural research concerns the biological interaction among fish, livestock and crops and their matched proportion. Material cycle and energy flow should be measured to elucidate the biological relationship and exact proportion of quantity among these production links. So far as the land-and-water structural ecosystem of integration is concerned, crops are producers; livestock and fish are consumers; aquatic organisms and soil organisms are decomposers. It is a rather complete ecosystem. In this system, benign circulation demands that there be no wastes in any link of this structure and the production be not hindered by lack of sufficient energy. For this reason, it needs a thorough research on fish pond ecosystem. Manureloaded pond is a semi-closed man-made ecosystem. Being put into fish ponds, animal manures begin to enter into the process of decomposition by bacteria. It's a complex process of pond dynamics in which animal manures will be converted into fish protein. It involves many factors such as physical or chemical parameters or biological factors in food chains. In order to investigate the rule of variation and intricate relationship between biology and non-biology, the research needs cooperation and common efforts of different scientists and specialists from multidisciplines such as aquaculture, ecology, botany, microbiology and chemistry.
Integrated fish farming is a low energy consumptive but high efficient aquaculture system. It's a right way to develop fresh water fish culture and also it's a strategic measure of developing Chinese aquaculture. Integrated fish farming will play a promising role in solving the problem of “hard to get fish”.

Fig. 1. Diagram on substance recycling of ecosystem in wall-managed integrated fish farm
![]() | ![]() |
| Fig. 2. (a) Income from 1977 to 1981 | (b) Average production volume dra wage from 1977 to 1981 |

Fig. 3. Xinan Fish Farm, 14 Yuan People's

Fig.4. Fishery Team Number:

Fig 5. Wang Chauan people Commune fish farm
Fig. 6

Section 2 Integrated Management of Fish and Crop Farming
Fish-cum-crop integration is the most ancient and popular pattern of integrated fish farming.
1. The necessity and the feasibility of fish-cum-crop integration
Why can we combine fish farming with crop cultivation? It's due to the demand of fish feeds and the excessive pond silt. On one hand, abundant silt deteriorates the pond water and yet on the other hand, it is one of high quality manures for agriculture to plant fodder crops which can in turn be used as feeds for fish. Therefore, pond silt is a link between fish and crops in this integration.
1) Formation and function of pond silt
Large amount of feeds and manures are put into fish ponds year after year. There is a considerable amount of residues and manures which often sink to the bottom. Moreover, the excrements of fish and aquatic animals, the corpse of the aquatic, and alluvial soil incessantly descend to the bottom too. The sedimentary organic material decomposed by bacteria forms a great deal of humus, which in turn combines with sludge on the surface of the pond bottom to form silt.
The thickness of silt varies greatly with many factors. Even in the same pond, the thickness in different locations is different. The mean thickness formed in a high-yielding earthen pond with target yield of 500 kg/mu and with no slope protection is about 10–20 cm, which is about 50–95 m3/mu/year or 100–190 tons in wet weight.
The proper amount of silt is beneficial to fertilize the pond water whereas the excessive amount is not so good to fish. Microbes propagate rapidly when large amount of feeds and manures are applied. The pH value will decline, the BOD will increase, and gases such as nitrites NH3, H2S, CH4, PH3, etc. and surplus nitrites will do harm to fish. The median tolerated limit (TLm) value of Silver carp and Bighead fry in 24 hours at the temperature of 25°C is 0.91 mg/l and 0.46 mg/l respectively. Grass carp is more susceptible (Lei Xingzhi Et al 1983). Surplus nitrites will easily induce hemorrhagic septicemia of fish. Silt contains a lot of ichthyopathogen parasites and other harmful creatures. The more the thickness of silt, the more the deterioration of the pond water. It directly affects fish yields and thus, the excessive silt should be removed after the pond is drained.
On the other side of the coin, silt is a manure of high quality which contains several nutritive elements. In Pearl River Delta and Taihu Lake basin, the pond silt is often removed 3 to 6 times every year. The nutritive content of the pond silt is shown in Table 7-2-1 and 7-2-2.
Table 7-2-1 Nutritive Content of Various Silt
| Kind | organic substance (%) | Ttl N (%) | Ttl P (%) P2O5 | Ttl K K2O (%) | N in ammonium form | N in nitrate form | Quick acting P (ppm) | Quick acting K (ppm) |
| Pond silt | 2.45 | 0.20 | 0.16 | 1.00 | 273 | 6 | 97 | 245 |
| Silt in pig-manured pond | 2.10 | 0.201 | 0.234 | 2.39 | ||||
| Silt in ponds with composite feeds and manures | 3.23 | 0.21 | 0.27 | 22.5 | 562.2 | |||
| River silt | 5.28 | 0.29 | 0.36 | 1.82 | 1.25 | 1.4 | 2.8 | 17.5 |
Table 7-2-2 Equivalent Weight of Fertilizers to Silt
unit: kg
| Equivalent wt. | Silt nutritive | Total N,P,K | Quick Acting N,P,K | ||
| Fertilizers nutritive | 100kg dry silt | dry silt/mu /year | 100kg dry silt | dry silt/mu/yr | |
| N 21% ammonium sulphate | 0.962 | 481 | 0.134 | 67 | |
| 46% urin | 0.435 | 217 | 0.061 | 31 | |
| P P2O5 16% calcium super phosphate | 1.0 | 500 | 0.061 | 31 | |
| K K2O 60% potassium oxide | 1.667 | 834 | 0.041 | 21 | |
| Ttl | 3.629 | 1815 | 0.236 | 119 | |
The nitrogen content of pond silt/mu/year is equal to 481 kg of ammonium sulphate. Furthermore, as pond silt is quite complete in nutrition, it contains not only nitrogen but also phosphorus and potassium. Generally, ⅔ of silt is removed per mu per year and that is equal to 1.2 tons of N.P.K. fertilizers. The quick-acting component of silt is equal to 119 kg of fertilizers, which can also serve as additional manure besides the basal one. Silt could increase the thickness of cultivation layer, improve the soil particle structure and strengthen its ability to absorb ions of N.P.K. and the ability to keep the water. It is beneficial to the prevention of fish diseases. Since it is also a slow-acting fertilizer which is beneficial to late crops. In terms of mass's experience, the quick-acting component of 100 kg of silt in dry weight can increase 1 kg of rice.
If we only use silt as fertilizer, 100 kg of silt in dry weight can produce 10 kg of rye grass. Provided that 50 m3 of silt is removed from each mu of fish ponds, all the silt can be used to cultivate 6 mu of rice, and then it could increase about 500 kg of rice; if it is used to cultivate rye grass, the output can reach over 6000 kg/mu. The yield can be increased by 2.5 times. From investigation data, the yield of per-unit paddy field by using 10–15 tons of silt composted with green grasses is near to the one by using 5 tons of animal manures composted. The cost of digging silt in China is cheaper than the one of purchasing animal manures from outside the fish farm.
2) The demand of feeds in fish farming
The demand of both commercial feeds and natural food organisms is great in fish farming alone. The feeds and foods sometimes are hard to get and the great amount of supply also affects the balance of the market and ecology. Besides, the cost of transportation and energy consumption is surprising. The fish pond with the target net yield of 250 kg including 100 kg of herbivorous fish, 100 kg of planktoneater, 50 kg of omnivorous fish needs 1500 kg of aquatic grass, 1000 kg of vegetables, 150 kg of grains apart from manures. In order to meet the demand of feeds and foods in fish farming and to reduce the cost, it's necessary to combine fish farming with crop cultivation.
3) The feasibility of fish-cum-crop integration
Aquaculture can provide large amount of silt and fertile water for agriculture. There still exists a potentiality of land on fish farms. E.g. the mean pond dyke is three meters wide, the gradient of a slope is 1:1.5–3. The mean area of a fish pond is 10 mu. The arable area of pond dyke and slope and the area of the water surface is in the ratio of one to five. The arable land might be greater before May with shallow water in the pond. With extra 0.3 mu of forage field attached to one mu of fish pond plus all the areas available, the average forage field for one mu of fish pond could amount to 0.5 mu or even higher which can provide fodder crops for herbivorous fish and proportionable filter-feeding fish in one-mu fish pond with net target yield of 400 kg. What's more, it's possible to plant aquatic plants on scattered unused surface.
In short, it is necessary and feasible to integrate fish farming with crop production so as to fully utilize pond silt, arable land and water surface. As a result of that, the needs of fish feeds could be satisfied wholly or partially.
2. Major patterns of fish-cum-crop integration
According to crop variety and various cultivation systems, fishcum-crop integration can be divided into four patterns: fish farming integrated with terrestrial crop production; cultivating crops in ponds first, fish farming next; fish farming combined with aquatic plant cultivation and dyke-pond system.
1) Fish-cum-terrestrial crops integration
All or most part of crops planted in the fodder crop field and corner plots on pond dykes and slopes are used as green fodder for fish and as fertilizers for ponds. This is the most popular pattern in fish-cum-crop integration.
(1) Crop variety
Choose crop variety which are palatable to fish, rich in nutrition, strong in resistance to diseases, easy to manage and has features such as well-developed root, which protects the slope, etc. If it serves as straw manure, it should be easy to decompose. (See Table 7-2-3)
Besides, the average yield of some leguminous plants such as Trifolium repens, T.pratense, Medicago sativa, Astragaluo sinicus can reach 5000–7500 kg/mu. These grasses serve as both feeds and fertilizers. The average yield of some gramineous plants such as Pennisetum purpureum, Phalarosarundinacea, Pennisetum alopecuroidescross, P. purpureum can reach over 10,000 kg/mu. The seeds and young crops of other grains such as barley, wheat, maize and rice are also palatable foods of fish. The tender and juicy vines and leaves of sweet potatoes Ipomoea batatas and squash Cucurbita are pulverized as fish feeds for Grass carp in Wuxi area. The tuber and squash, etc. are cooked to feed feed-eaters.
(2) Collocation of fish farming and crop cultivation
(i) Collocation of production period
The ingestive variation of fish is caused by the growth of fish and environmental conditions. Among the environmental conditions, the seasonal change of water temperature is the main factor. The production period, therefore, has to be collocated with this variation of fish ingestion so as to synchronize the daily production of fodder grass with the daily ingestion of fish. The period of the lowest ingestion amount of cultivated fish in Changjiang Drainage is between Feb. and Mar. and between Nov. and Dec. in a year. The peak is between Jun. and Sept. accounting for 50% of the annual total amount. (See Fig. 7-2-1)
The production mode of English Ryegrass and Sudan grass nowadays coincides with the demand of fish feeds. (See Fig. 7-2-2)
Ryegrass is sowed in Sept. every year and transplanted in Oct. and mowed in Dec. in Changjiang Drainage. It reaches the peak production between Apr. and May. The integrated fish farm can supply itself sufficiently by the production of Ryegrass. Sudan grass is sowed in mid Apr. and mowed for the first time when it grows to 50 cm high just before the withering of rye grass. It reaches the peak production between June and Sept. The daily output is about 100 kg/mu. Based on the experiments the annual production of 2 grasses can reach about 15,000 kg/mu if it's well managed. The other ways of collocation are as follows:
To intercrop gramineous grasses: Ryegrass, Sudan grass and leguminous fodder grasses.
The unit area output of two families of fodder grass can be increased and the quality can be improved.
To adopt ensiling method if there is a surplus of ryegrass or to pelletize ryegrass with other materials, so as to be supplied during crop change in June as supplements.
To adopt sowing and transplanting by stages and to mow the grass in turn. (See Fig. 7-2-3)
In Changjiang Drainage the seeds of Sudan grass are sowed by stages in April ahead of the usual time and can be mowed in mid May. In order to maintain the fertility of the land, pond silt must be fully utilized with some additional organic fertilizers apart from planting leguminous grass, and at last, the grasses should be harvested with stubble remaining in the field.
(ii) The ratio of water surface and crop field
The ratio of water surface and crop fields means the total area of crop fields collocated with one mu of water surface of fish farming. The following factors must be taken into consideration:
Source of feeds and fertilizers and their prices.
The abundance of land.
The yield & the proportion of various spp.
Because the result of grasses is better than the one of grains to feed fish, grass cultivation is more preferable on fish farms. If so, please reference to the following equation:

R = the ratio of one mu of actual water surface and the area of crop fields
Y1 = net output of herbivorous fish (kg/mu)
f1 = average food coefficient of green fodder
p1 = average yield of green fodder (kg/mu)
(iii) Stocking models of fish in fish-cum-crop integration
The main or only source of feeds and fertilizers is the pasture grasses cultivated on the farm. The spp. stocked should be grass carp and Wuchang fish megalobrama spp. as major spp. which occupy 60–70%. Silver carp & Bighead as minor spp. which occupy about 20–30% assorted with a few of omnivorous fish which occupy about 10%. The omnivorous fish can not only utilize residues and detritus but also can clean the fish pond for herbivorous fish but the ratio should be limited within 10%.
In order to get natural food organism ready for Silver carp and Bighead after stocking, it is necessary to mow the grass and make a compost to fertilize the pond water or stock Silver carp and Bighead half a month later after stocking of Grass carp. If the farm produces more compost, the proportion of omnivorous fish may be increased a little.
(3) The use of pond silt in fish-cum-crop integration There are 2 methods to use pond silt in accordance with crop strains and cropping system:
Pond silt is directly used as base manure for Ryegrass, etc. The silt should be harrowed and smoothed after it dries a little and then the seeds can be sowed. If it's a transplantation, there's no need to harrow. The seedlings could be interpolated, economizing on much labour and time. If the silt is used as additional manure, it should be topdressed to the roots of the plant. In summer, silt will be bailed with water to the fields. This method is beneficial for the silt to release or diffuse nutrient elements and detritus. It also benefits increasing of dissolved oxygen in the bottom layer of water.
Making compost with pond silt and grass
Usually, there's a surplus of pond silt in winter whereas there's a shortage of pond silt in summer. Therefore dig out a pit, 5 meters square with a depth of 1 m near the crop field and then put in pond silt and grass (straw manure and stable matted grass are better) to make compost and cover the pit with mud. After fermentation, the effectiveness of manure is increased. The compost is usually used as base manure, sometimes mixed with water as topdressing.
It's safer to use pond silt as manure. The applying amount is not necessarily limited, with an average rate of 5–15 tons/mu or even a thickness of 35 cm on the soil.
(4) Economic efficiency of fish-cum-crop integration
To increase sources of feeds and fertilizers
This pattern of integration could provide a considerable amount of feeds for fish farming. The source of feeds is stable. They are much cheaper and of high quality. The cost could be reduced by one third.
To save energy
The energy consumption of transportation of purchasing feeds and fertilizers could be reduced.
To rationally utilize the labour
Fish farming is a seasonal work. The input of labour varies greatly. The labour in slack season can be used for crop production. Part time worker can be fully utilized. This offers more jobs and increases the income
To set up reasonable ecological system
Pond silt is used to plant fodder crops which in turn are used to feed fish. Large amount of fish could be produced and pond silt is accumulated again. It's a cycle which can fully utilize the sunlight, land, pond silt and fertile pond water and can improve the ecological condition of a pond. According to some data, grass planting on pond dyke can reduce the erosion of soils by 57%.
Fish-cum-crop integration in line with the local conditions means to combine the Chinese traditional aquaculture with modern technology.
2) “Rotation” of fish and grass
Owing to the non-continuity of fish farming production, most of nursery ponds and grow-out ponds have been left fallow for a certain period of time, e.g. a yearling rearing pond has half a year of fallow from Nov. to June next year. During this period, fish ponds can be used to plant green fodder or green manure crops and then to culture fish. This could lead to the full utilization of fish ponds.
(1) The method of “rotation” of fish and grass
The “rotation” of fish and grass can be divided into single pond rotation and multi-pond rotation.
(i) Single pond rotation
That means the “rotation” of fish and grass in the same pond. This method is usually adopted after transferring fingerlings to other ponds.
Drain the pond, expose its bottom to the sun, trim the pond dyke, smooth the bottom, dig a ditch for drainage and then sow seeds of rye grass or barnyard grass or rice, etc. on the bottom and the slope. The seeds of rye grass are broadcasted in Nov. at a rate of about 2 kg/mu while the seeds of barnyard and rice are generally sowed in late Apr. or early May in Jiangsu Province. In order to extend the growing period germinated seeds could be sowed in the 1st 10 days of Apr. at a rate of 5–6 kg/mu. After sowing, get rid of birds and control the water depth and adopt different field management towards different plants. Rye grass is a dry crop which can't endure waterlogging. Barnyard grass seedlings like to grow in shallow water with a depth of about 5–6 cm. During their growth period, they can be mowed as green fodder crops. Ryegrass can be mowed four times, with the yield of 3000–5000 kg/mu; barnyard grass and rice can be mowed once with the yield of about 2000 kg/mu. The last ratooning plant of the green fodder or green manure crops should be submerged for fermentation as manure. But the amount of grass per square meter should be controlled within 4–5 kg. Then add water to about 2 meters high. In this way, it won't cause lack of oxygen in the pond water. 11–15 days later summerlings are stocked. After stocking, keep close watch over the water quality and fill the pond with fresh water or change the pond water in time accordingly.
Barnyard and rice can be mowed and submerged by stages on the basis of their growth and then different summerlings can be stocked by groups.
(ii) Multi-pond rotation
It needs a set of fish ponds, of which, a few are used to grow grass or green manure crops. Here are two ways. Because of short period of fallow of grow-out ponds, a few of fish ponds are drained first and planted with grass as early as possible but stocked with fish later than the other ponds, thus, extending the growing period of the grass; the rest are drained later but stocked with fish first. The fish ponds are rotated to do this each year. If there is a food constraint for fish, one or two fish ponds could be used to grow crops to provide feedstuff for fish in the other fish ponds. The fish ponds are rotated to grow grass each year. (Table 7-2-4)
(2) The effects of “rotation” of fish and grass
The system of rotation of fish and grass can fully utilize the productivity of fish ponds to provide both green fodder crops for fish and green manure crops for fish ponds to propagate large amount of natural food organisms.
According to the practices of Suzhou Municipal Fish Farm, the phytoplankton can reach 3×108 ind/1 at the peak time. The growth of summerlings can reach 1.8–2.5 mm/day in the initial month. If the yield of barnyard grass in a pond is 5000kg, 40kg of grass can be transformed into 1 kg of fingerlings averagely. It can save 0.5–0.8 kg of marketable feeds and reduce 10% of the cost.
In this system, crops utilize the nutrients of pond silt, whereas crop nutrients, which return back to the pond after submergence, not only improve the water quality but also increase the soil fertility. Practices prove that the fish yield increases after submergence of crops, e.g. Suzhou Municipal Fish Farm has adopted this method to nurture fingerlings since 1979. In 1982, the average yield increased from 150 kg/mu to 391 kg/mu, increasing by 1.6 times.
3) Fish farming integrated with aquatic plant culture
In a network of rivers like lower reaches of Changjiang River, a fish farm is often near lakes, rivers or water-logging area or in the vicinity of inlet and outlet of irrigation canal. These water bodies are rich in nutrients, esp. effluents from cities and fish farms. In order to utilize these water resources, fish farmers in the southern part of China often culture aquatic plants in these water bodies. The principal aquatic plants are water hyacinth Eichhornia crassipes, water lettuce Pistia stratistes and water peanut or alligator weed Alternanthera philoxeroides, so-called three Ap's; the secondary are duckweed such as (Spirodela polyrhiza) and Wolffia arrhiza and Lemuna minor.
(1) The ways of utilization of aquatic macrophytes
The output of aquatic macrophytes is the highest among the green fodder crops for fish. The yield could be about 15 ton/mu, even above 25 ton/mu. The aquatic macrophytes grow too fast and it causes a lot of trouble in the Tropics and sub-Tropics. However, the nutrients of aquatic macrophytes are higher. (See Table 7-2-4)
Water hyacinth is called “King of Aquatic Plants”. So far as protein produced from per unit area is concerned, it is 6–10 times that of soy bean. Aquatic macrophytes are easy to manage with less labour and lower cost. It's said that one labour can manage 50 mu of 3 aquatic plants and can produce 13.1 ton of crude protein in half a year. The cost of one ton of three aquatic plants (including wages) is only about 1 yuan.
The methods of utilization
(i) Three Ap's directly serve as fish feeds
Three Ap's are processed in different ways to turn into different sized feeds for a variety of fish spp. in different size.
To nurture fry, 3 Ap's should be mashed into grass paste, and the residues of leaves must be filtered out; then the paste can be sprinkled to the whole nursery pond. Table salt, 2--5% of the weight of the plant should be added to the water hyacinth paste to decrease the toxicity of saponin. The equivalent ratio of three Ap's and soy bean in fish farming is 17.5--25 : 1. It needs 5 kg of soy bean to nurture 10,000 ind of summerlings. We can use 87.5--125 kg of 3 Ap's instead. The cost of soy bean is 13–18 times that of three Ap's. Fry will grow fast with higher survivability if three Ap's are used as fish feeds. For example, Zhuang Aquaculture Brigade, Wuxian Country stocked 80,000 fry in 1977. After 16 days of nurturing, the transferred size was 3,33 cm, with 94.5% survivability from the pond fed with water hyacinth paste while the transferred size was 2.93 cm with 92.8% survivability from the pond fed with soybean milk.
To rear fingerlings three Ap's are esp. good for Silver carp and Bighead. 3 Ap's should be mashed into grass paste too but it's not necessary to remove the residues.
To rear adult fish, with herbivorous fish of different spp. in different sizes as major spp. three Ap's are often pulverized by green fodder crops pulverizer and then fed to the fish.
According to the experiments, about 45 kg of three Ap's
could be converted into 1 kg of fish. The macrophytes per-mu can be
converted into more than 400 kg of fish. If rice and wheat brans
are used as feeds, it will need 1600 kg of brans to produce the same
amount of fish. The cost of three Ap's is about 10% of that of brans,
but three Ap's are less effective if they are not process.
Moreover, since the contents of N.P. and K in three Ap's are
(ii) Three Ap's” - livestock, poultry-fish
“Three Ap's” are also palatable food for various animals in integrated fish farms. They do not need processing or just a simple processing, so the rate of utilization is very high. 900--1000 kg of three Ap's can rear one piglet to an adult with a body weight of 60–70 kg with a little amount of wheat and rice brans. The excreta of one pig can be converted into more than 40 kg of fish. In Helei Fish Farm, water hyacinth is fed to ducks at a rate of 150 g/duck/day with a little amount of wheat and rice brans. This can save 10,000 Yuan in feeding 22,000 ducks in half a year. The average excrement of each duck is about 52 kg and can be converted into 3 kg of fish. Thus, three Ap's become fish yield through two trophic levels (i.e. feeding levels).
4) Dyke-oond system
This is a special pattern of fish-cum-crop integration. On some farms, much of the broad dykes is devoted to economic crops:mulberry bushes, sugarcane, fruit trees, tea and rape, etc, or crops, vegetables and grasses. With different crops, this system can be called “mulberry plotfish pond”; “sugarcane dyke-fish pond”; “fruit tree dyke-fish pond” “rice paddy-fish pond”, etc. Among these, mulberry plot-fish pond is more popular. Most of dyke-pond systems are distributed in Pearl River Delta and Taihu Lake basin. According to the historical records, mulberry cultivation and fish farming could be traced back to the 5th century B.C., but they did not form a well-linked dyke-pond system until the 16th century. The dyke-pond system in Taihu Lake basin is similar to that in Pearl River Delta, which is related to the common factors of the nature and the society. Take mulberry plot-fish pond system as an example:
(1) Ecological structure of “mulberry plot-fish pond” system This system has a perfect ecological structure. (See table 7-2-5) It includes mulberry cultivation, sericulture, silk extraction, and fish farming with silkworm faece, pupae and waste water. Mulberry is the producer; silkworm is the first consumer; fish are the second ones land ecological system. In fish ponds, there are four ways of energy flow:
Silkworm faeces are directly taken in by fish and part of detritus can be filtered by filter-feeding fish.
The inorganic nutrients in silkworm faces are utilized by phytoplankton & heterotrophic bacteria and the biomass of phytoplankton and bacteria in turn are eaten by filter-feeding fish directly or indirectly.
The leftover of input and fish faces are decomposed by hydro microbes, releasing inorganic nutrients; and then, the same process occurs as in (ii).
At the same time, pond silt which is composed of all kinds of sediments returns to the pond dyke and the new material cycle begins.
2. The material link of “mulberry plot-fish pond”
The link of energy flow in “mulberry plot-fish pond” system is pond silt and feeds.
(1) Pond silt
Pond silt is the main source of manure for crops on the pond dyke. Each mu of fish ponds can provide pond silt for 1–2 mu of plants on dyke, usually for direct application but making compost in paddy-fish ponds in Taihu Lake basin. In winter pond mud (much mud, less water) is removed from fish ponds after draining and applied between mulberry bush lines on pond dyke or bailed (with a little water) to pond dykes and spread evenly after dry. After that, winter crops are intercropped between mulberry bush Lines. In summer and autumn, liquid silt known as “nihua” (less mud, much water) is bailed to the pond dyke after mulberry leaves are picked 1–2 times, which is practised 2–3 times in Pearl River Delta and 5–6 times in Taihu Lake basin respectively every year to increase the soil fertility and when the base thickness of the soil of mulberry plants increase by 5–6 cm, it is beneficial to next crops. The mud on pond dykes are washed into fish ponds by rains; pond silt is supplied to pond dykes with nutrients. The process runs again and again.
(2) Feeds and fertilizers
Mulberry plots can supply feeds for fish directly or indirectly:
To provide feeds directly, including pasture grass, vegetables and mulberry leaves.
On mulberry dykes, grass and vegetables can be planted after autumn leaves being picked; grasses and vegetables could be harvested at a rate of 3000 kg/mu and they can be converted into about 100 kg of herbivorous fish and 40 kg of other fish.
To provide feeds indirectly.
The first one is silkworm wastes which are a mixture of silkworm faeces, worm sloughs and mulberry leave residues. Silkworm wastes are rich in nutrients: organic material 87%; N 2.2–3.5%; P2O5 2.0–2.5%; K20 1.5–2% and several trace elements but with less moisture, so the nutritive contents of silkworm wastes is higher than that in any kind of livestock or poultry manures. They serve as both fertilizers and feeds. One mu of mulberry plot can produce 2400–2500 kg of mulberry leaves, even 5000 kg. 100 kg of mulberry leaves when fed to silkworm can produce about 30–50 kg of silkworm wastes; therefore, 1250 kg of silkworm wastes can be obtained from sericulture with the mulberry leaves from one mu of mulberry plots. The conventional FCC of silkworm wastes in fish ponds of polyculture is 8. Hence, 1250 kg of silkworm wastes can be converted into over 150 kg of fish. The next one is pupae, which are by-products of silk extraction of cocoons. The protein content of pupae holds 55.8%, crude fat 29.1%. Pupae therefore are good feedstuff for feed-eaters. Its FCC is 1.5–2. In Pearl River Delta, the production of cocoons from one mu of mulberry field is between 160 and 175 kg out of which about 130 kg of pupae can be obtained, and used as fish feeds, producing 90 kg of feed-eater spp. and their assorted spp. The third one is waste water with large amount of protein detritus and soluable protein, which is obtained when the cocoons are steamed and processed at the factory. According to practices of the masses, 200 kg of waste water can be transformed into 1 kg of fish. More than 2500 kg of waste water can be obtained from the processing of cocoons which are gained from sericulture with mulberry leaves of one mu. Thus, 15 kg of fish can be produced. When the ratio of dyke and pond is 1:1, the total products (except pupae) from dyke can meet the demand of feedstuff for the fish pond with net fish yield of 300 kg.
Table 7-2-3 Main Terrestrial Fodder Crops & Straw Manure
| variety | yield kg/mu | sow (mon) | seed | sowing type | harvesting period (mon) | use | food coefficient |
| Rye grass Lolium perenne | 5000– 10,000 | 8–9 | 2–2.5 | spreading drilling transplanting | 12–6 | stalk as feeds | 17–23 |
| Sudan grass Sorghum sudanese | 7500–13,000 | 4 | 2 | drilling spreading dibbling transplanting | 5–10 | stalk as feeds | 19–28 |
| Lactuca indica | 5000– 7500 | 3–8 | 1 | drilling spreading | 5–9 | leaves as feeds | 30–35 |
| Symphytum peregrinum | 7500– 12500 | 3–4 | 2500 ind | transplanting | 5–10 | leaven as feeds | 40–45 |
| Chinese cabbage | 2000– 3000 | 4–5 batches | 0.75–3 | spreading transplanting | 4–5 batches | leaves as feeds | 40–45 |
| Cabbage | 2000– 4000 | 3–4 batches | 0.75–2 | spreading transplanting | 3–4 batches | leaves as feeds | 40–45 |
| Broad bean young crop | 3000– 7500 | 10–11 | 10–15 | dibbling | 1,4 cutting | stalk as strew manure | 40 |
| Soy bean | 30–130 | 3–4; 6 | 6–7.5 | dibbling | 7; 10 | bean milk as feeds 3 bear, cake as |
Table 7-2-4 Nutritive Contents of “3 Aquatic Plants”
| nutrients | dry matter | crude protein | crude fat | non-nitrogen extract | crudefibre | ash | Ca | P % | Output |
| kind | % | % | % | % | % | % | % | % | Ton/mu |
| Water peanut | 9.2 | 2.18 | 0.18 | 2.49 | 1.19 | 1.25 | 0.232 | 0.028 | 15–25 |
| Water lectuce | 4.6 | 1.07 | 0.26 | 1.63 | 1.1 | 1.3 | 10–20 | ||
| water hycinth | 7.3 | 1.9 | 0.25 | 2.21 | 1.11 | 1.33 | 0.11 | 0.03 | 10–16 |

Fig. 7-2-1 Curve of variations in ingestion & daily output of rye grass & sudan grass
| * * | rye grass & sudan grass |
| food intake of fish in Shanghai area | |
| . . | food intake of fish in Linhu |
| — — — — | food intake of fish in Wuxi area |

Fig. 7-2-2 Allocation block of sudan grass and rye grass production
![]() | ![]() |
| (a) | (b) |
| Fig. 7-2-3 rotational operation in fodder crop plots | (a) fodder crop plots 1,2,3 initial mowing areas |
| (b) pond dyke |
![]() | ![]() |
| Fig. 7-2-4 multi-pond rotation | rotational order by years |

Fig. 7-2-5(a) Network of Dyke-Pond System in Pearl River Delta
Note: *1 Silt; *2 Silkworm dregs; *3 by products and the wastes from sugar refining and silk extracting; dash line means out of the unit.

Fig. 7-2-5(b) Network of Dyke-Pond System in Taihu Lake Basin
Note: *1 silt; *2 silkworm dregs; *3 pupae and waste water from pupae; *4 rapeseed cake; *5 soyabean milk; dash line means out of the unit.
Section 3 Integrated Management of Fish-Livestock-Poultry Farming
1. Fish-Cum-Duck Integration
The model of fish-cum-duck integration is rather common in China. Both land and water surface are the habitats of ducks. Fish-cum-duck integration is to utilize the biological relationship between fish and duck, which is of mutual benefit. It's not only beneficial to the fattening of ducks but also beneficial to the fish farming by providing more organic manures to fish. Thus, the fish yields can be increased. It's apparent that fish-cum-duck integration could result in good economic efficiency of fish farms.
1) The history and status quo of fish-cum-duck integration
Duck raising in fish ponds is an ancient practice in Asia and Europe and this has long been practised in China too. The ancient farmers probably didn't know the advantageous effects of duck raising on fish culture. It's more likely that this integrated production pattern was formed incidentally on the basis of swimming propensity of ducks.
In 1934, the German scientist Probst conducted scientific experiments of integrated fish-cum-duck farming for the first time. He raised ducks in Common carp fish ponds and found that 0.9–1.7 kg of fish could be increased by raising one duck. Since the original output of fish in the experimental fish pond was rather low at that time, the increment of fish yields was conspicuous after ducks were raised in the pond; however, the outbreak of World War II kept the results unemployed. After World War II, the food was in shortage, especially animal protein. The short supply of animal protein urged the development of the intensive commercial fish farming. Hungary, Czechoslovakia, GDR began to conduct integrated management experiments of fish-cum-duck in large scale early or late from 1952 to 1955. So far, integrated management pattern of fish-cum-duck has chiefly been practised in China, Hungary, GDR, Poland and Soviet Union. Fish-cum-duck integration has developed into a fixed model of integrated fish farming. In recent years, this model either on the scale aspect or on the managerial aspect has been developing very rapidly, especially in the area of a network of rivers like Jiangsu and Zhejing Provinces.
2) Beneficial interactions in fish-cum-duck polyculture
From biological standpoint, a fish pond is a semi-closed biological unit. In fish ponds, there are many aquatic animals and plants, most of which could be used as natural food organisms of fish; some are predators of fry and fingerlings or detrimental to fish but can be utilized by ducks. If duck raising is conducted in fish ponds, the water surface can also be put in full utilization. Fish ponds provide ducks with an excellent environment, which prevents them from infection of any parasitic and other diseases. Ducks like to eat juvenile frog, tadpole, larvae of dragonfly. That means to eradicate predators for fry and fingerlings. Furthermore, the protein content of these natural food organisms of ducks is high. Therefore, duck raising in fish ponds can appropriately reduce the demand for protein in duck feeds. For ducks raised in pens, the digestable protein content in duck feeds must be 16–18%, even higher up to 20% while for ducks raised in fish ponds, the digestable protein content might be reduced to 13–14%. This can save 200–300g available protein each duck, an equivalent to 2–3% of duck feeds. If the water surface is employed to raise ducks, the droppings of ducks directly go into water bodies providing C, N and P elements frequently. Thus, the biomass of natural food organisms in fish ponds can be increased. Here are two merits:
First, the droppings of ducks go directly into the pond water so that the availability of manure will not be lost at all; second, the “manuring” conducted by ducks on the surface is more homogeneous without any heaping of duck droppings. For this reason, duck raising in fish ponds can promote the growth of fish and increase the fish yields; in the meantime, it can naturally eliminate a series of problems which might be caused by pollution of duck excreta in duck pen.
Duck droppings are good organic manures in pond fish culture. The organic substance content in duck droppings are 3–5 times that of human excreta, inorganic substance such as N, 1.5–2.2 times; K2O, 2.6–3.1 times. It shows that the quality of duck excreta is higher than that of human excreta. However, the quality and quantity of duck excreta are determined by duck species, feeds given, culturing management as well as climatical conditions, etc. In Europe, the stocking rate of ducks is generally 300–500 ducks/ha in summer and each duck produces about 7 kg of droppings during the fattening period of 36 days. If 500 ducks are raised, the total duck excreta would reach 3000–3500 kg in that period. The moisture content in duck excreta holds 56.6%; organic substance, 26.2%; C,10%; P2O5, 1.4%;N,1%; K2O, 0.62%; Ca, 1.8% and some other elements. The annual excreta of each egg-laying duck is 7.5–10 kg in dry weight, about 70 kg in wet weight. Each egg-laying duck raised in Helei fish farm, Wuxi, produces 40–45 kg of manure in wet weight per annum.
Besides the above mentioned, fish-cum-duck integration is beneficial to fish farming:
It can fully utilize the uneaten feeds because 10–20% of feeds are spilt by ducks to the ground. Based on the investigation, the fine feeds lost is 23–30g per duck per day or even higher. These spilt feeds and leftover falling directly into the pond water or flushed into fish ponds are utilized as fine feeds for fish resulting in achieving relevant fish yields. Furthermore, it reduces the wasting of duck feeds.
It can promote the recycling of nutrients in pond ecological system. The water surface is usually the duck's habitat. In shallow places, a duck often puts its head into the pond bottom and turns the silt to search for benthos. By virtue of this digging action, the nutritional elements deposited in the pond humus will diffuse. It's beneficial to the material recycling in the pond.
Ducks are the volunteer aerators. The swimming, playing and chasing of ducks in a pond more or less play a role in aeration, disturbing the smooth surface of the pond in reality.
Barash et al (1982) carried out an experiment on fish-cum-duck integration, rearing Common carp, Tilapia, Silver carp and Grass carp in an experimental pond of 400 m2. Ducks were fed with nutrient-balanced feed pellet. At the beginning of the test, duck manure was applied at a rate of about 85 kg/ha in dry weight. At the end of the test, at a rate of 95 kg/ha in conformity with the growth of ducks. There was no other input of manures and feeds except duck excreta and spilt feeds. (See Table 7-3-1) Compared with the duck raising in pens, the growth rate, feed efficiency and vitality and cleanness of eiderdowns and skin of the ducks raised in fish ponds are better than that in duck pens. Daily fish yield reached 38.5 kg/ha. (Table 7-3-2).
Duck raising in fish ponds compared with duck raising in duck pens has three advantages based on table 7-3-2:
The feed efficiency and the body weight of each duck increased. The higher feed efficiency also implies the spilt feeds uneaten by duck could be utilized by fish. Thus, the food conversion rate of fish-cum-duck integration was reduced from 3.84 to 2.64.
The survival rate of duck raising in fish ponds increased by 3.3% because fish ponds provided a clean environmental conditions for ducks.
Without any other feeds, only the droppings and leftover of ducks made the daily fish output of 36.5 kg/ha. However, someone thinks that if fish and ducks are raised together in the same pond, ducks will eat small fish. Based on many years practices in Helei fish farm and the introduction of duck raising experts, it's easy for ducks to swallow a fish with a body weight below 4 g. Fish with a body weight above 5g have a strong ability to swim and can get away from ducks. In Helei Fish Farm, the recovery rate does not decline when Silver carp summerlings are stocked in fish-cum-duck ponds. Of course, the fry ponds and yearling ponds are not suitable to raise ducks because fish are too small and in high stocking density. Duck raising is generally practised in fingerling ponds or grow-out ponds.
Table 7--3--1 Amounts of duck excreta and spilt feeds as input in fish ponds
| Duration (day) | Consumed feeds g/per duck/day | Duck excreta | Percentage in feeds % | Spilt feeds | ||
| Wet wt. (g) | Dry wt. (g) | g/day | Percentage in feeds % | |||
| 21–30 | 194 | 127 | 68 | 35.1 | 29 | 15 |
| 31–40 | 227 | 248 | 74 | 32.6 | 34 | 15 |
| 41–50 | 248 | 420 | 73 | 29.4 | 37 | 13 |
Duck excreta may generally count up to 30% of the feed amount while spilt feeds may generally count up to 15%.
Table 7--3--2 Comparison between duck raising in fish ponds and duck pens
| Year | 1977 | 1978 | Average | 1977 | 1978 | Average |
| Food conversion rate | 3.58 | 4.01 | 3.84 | 3.74 | 4.13 | 3.93 |
| Increment of body wt. g/each duck | 2162 | 1780 | 1935 | 1962 | 1638 | 1801 |
| Survival rate | 96.7 | 99.0 | 97.8 | 95.0 | 93.7 | 94.3 |
| Daily fish output kg/ha | 39.1 | 33.9 | 36.5 | 43.4 | 29.5 | 36.5 |
| Fish-cum-duck food conversion rate | 2.73 | 2.55 | 2.64 | - | - | - |