Todos los mataderos tendrán, por obligación, instalaciones para clasificar y limpiar a los subproductos antes de someterlos a su tratamiento principal en los locales o de que sean recogidos por otras personas para procesarlos en otro lugar. Resulta económico procesar los subproductos comestibles en el matadero, como los intestinos y las tripas pero en cambio las tripas y los intestinos se deben enviar, a menos que se trate de una producción importante, diariamente a los elaboradores especializados. Las salidas para los subproductos principales que se pueden recuperar o procesar económicamente en un matadero de tamaño intermedio se pueden agrupar como sigue, según un orden aproximado del valor del producto por tonelada:
Alimentos (mondongos, grasas de bovinos comestibles, tripas, grasas de vísceras y sangre comestible).
Productos farmacéuticos (glándulas).
Productos industriales generales (pieles y cueros, sebo).
Productos para la agricultura (carne/sangre/harina de hueso, y fertilizantes).
Con producciones mayores, sin embargo, estos grupos se pueden ampliar para incluir a otros subproductos. La cuarta categoría es de lejos la más importante en tonelaje, pero por la que se obtiene un menor valor por tonelada. Además, por regla general, la estabilidad del mercado y de los precios, así como la rentabilidad, muestran también una mejora progresiva de la categoría 3 hacia arriba, pero ello exige igualmente cantidades de materias primas que sólo están en condiciones de suministrar tres o cuatro mataderos de tamaño medio.
En lo que respecta a las perspectivas a largo plazo para muchos países en desarrollo, la consecuencia de ello es que se procura procesar una proporción mucho mayor de los materiales de la categoría 3 y 4 para transformarlos en productos de categoría de un valor superior mediante una mejor elaboración.
El grado de elaboración de los productos comestibles depende de las exigencias relativas a la salud de los animales de los mercados receptores y de que éstos sean lo suficientemente grandes como para absorberlos. Para los mataderos que prestan servicios a la población urbana, las consideraciones de salud pública justifican por sí solas la conversión de materiales potencialmente putrescentes en productos útiles, incluso si sólo se ponen a disposición de comunidades agrícolas.
En general, la tecnología conocida con respecto a ese tratamiento en los países en desarrollo no tiene que ser excesivamente compleja. A continuación se describen las instalaciones de este tipo así como las de limpieza y almacenamiento que se necesitan en el matadero.
La primera limpieza de los intestinos se debe llevar a cabo inmediatamente después de la matanza. Después de la inspección, el estómago y el tubo intestinal se extraen y depositan en el cuarto para tripas, por medio de una carretilla o de mesas móviles que se desplazan desde la cadena de carnización o por conductos de caída por gravedad hasta el piso inferior (figs. 62 y 63).
El cuarto destinado a las tripas es un área en el que sólo se llevan a cabo la separación y la limpieza preliminar de los estómagos y los intestinos. Otros procesos, verbigracia la preparación de las tripas, se realizan en una zona separada. El cuarto de las tripas debe estar dispuesto y equipado de manera que el trabajo con las materias primas se realice a la altura de la mesa. Esa mesa debe estar colocada de forma que los estómagos y los intestinos se puedan separar para limpiarlos en sitios diferentes del cuarto. Este debe tener una superficie impermeable lisa. La mesa debe ser de un metal resistente a la corrosión, siendo la mejor superficie el acero inoxidable.
Es imperativo que en la construcción no hayan grietas, resquebrajaduras ni espacios difíciles de limpiar. Un reborde alzado en torno al lugar de trabajo evitará que se desborde el agua o los materiales. La parte superior del lugar de trabajo debe estar inclinada hacia un agujero que termine aproximadamente de 50 a 70 mm por encima del nivel del suelo y cerca de un canal de desagüe. Una tubería para regar en torno a la mesa ayudará a mantener la superficie de trabajo limpia.
Si los estómagos no se despachan a diario, pero se destinan al consumo humano, tendrán que almacenarse en recipientes con tapas ajustadas en un cuarto separado.
Los estómagos se vaciarán en la mesa a través de una apertura que conducirá a una tubería de descarga de estiércol conectada directamente con el sistema de recogida y vaciado del estiércol o con un recipiente de descarga. Se puede utilizar a este respecto un tipo de transferencia neumática que permita que el contenido sea impulsado al compartimento del estiércol o a un receptáculo por conducto de una tubería insertada.
Tras vaciarlos, los estómagos se tienen siempre que lavar con agua corriente, es decir, con un rociador de agua fría, y es preciso facilitar también esterilizadores e instalaciones para lavarse las manos.
(Nota: Es una buena práctica excluir al estiércol del sistema principal de desagüe y en la medida de lo posible debe separarse en el lugar donde se vacía el estómago).

FIGURA 62 DETALLES DE LOS CONDUCTOS DE DISTRIBUCION DE SUBPRODUCTOS

FIGURA 63 DETALLES DEL CONDUCTO EN ESPIRAL PARA VISCERAS
En el tratamiento de los intestinos, la materia prima suministrada al limpiador de las entrañas, el alimento parcialmente digerido se puede extraer y posteriormente limpiar a mano, sistema que sigue siendo utilizado en los países en desarrollo donde la mano de obra es abundante. El principal proceso siguiente (que se realiza después de poner en remojo a los materiales durante 24 horas en la primera de las tres tinas interconectadas) consiste en extraer mediante el raspado a mano en la segunda tina la fibra - la capa externa de los intestinos - y la capa mucosa interna, así como una capa de grasa adicional cuando se trata de bueyes, y, tras darle la vuelta, del raspado y el lavado finales en la última tina.
Se trata de actividades que requieren mucha mano de obra y tiempo y que producen fuertes olores. Estas tinas para eliminar la grasa, cubrir de cieno y finalmente limpiar son aproximadamente de 0,75 m × 0,75 m cuadrados y de 0,75 m a 0,50 m de profundidad en lo que respecta a la última tina fabricada con acero suave galvanizado y tubos de extracción del rebosamiento, y colocadas sobre pies de metal para facilitar las conexiones de desagüe. La temperatura de las dos primeras tinas se debe mantener a entre 32°C y 37°C. La otra solución que consiste en el procesamiento a máquina en todas las etapas elimina el problema del olor. Una serie de máquinas (con una mojadura mínima) utilizan unos cilindros de caucho duro que avanzan muy cerca el uno del otro, con lo que se aplasta suavemente las tripas para soltar y extraer la mucosidad, así como la fibra (y también la capa grasienta cuando se trata de los bueyes, aunque en este caso se utilizan a veces máquinas algo diferentes).
La mucosidad se puede utilizar en la industria farmacéutica, mientras que la fibra secada constituye un pienso altamente proteínico. Aunque el procesamiento a máquina es obviamente más caro, puede resultar económico si se recoge la materia prima de otros mataderos con el fin de constituir una instalación de procesamiento centralizada. Las figs. 64 y 65 muestran disposiciones típicas de la nave de procesamiento para bovinos, cerdos y ovejas y la producción de mondongos de cabra, respectivamente.
Los estómagos de los bovinos y los cerdos que se desean para elaborar tripas se limpian y escaldan y enfrían. Las figs. 66 y 67 muestran la disposición de la cadena de elaboración típica que utiliza maquinaria para las operaciones con bovinos y animales pequeños anteriormente esbozadas.
En general las operaciones hasta la preparación de las tripas de los bovinos son comunes para todas las categorías de animales y se llevan a cabo sucesivamente con el equipo siguiente:
Bandeja y placa delantal. La bandeja es una mesa de acero inoxidable sobre la que se depositan los mondongos después de haber sido separados del mesenterio. La bandeja y el primer raspador están conectados por la placa delantal, que es una reja deslizante de acero inoxidable con una placa para vaciar el estiércol.
Transportador. Después de haber separado unos 8m de mondongo, éste se deposita sobre la cinta transportadora, que lo conduce hasta el primer raspador. La operación está en este punto totalmente automatizada hasta el depósito para dar la vuelta a las tripas.
Raspador. Esta máquina extrae por presión el contenido de las tripas y luego un transportador lleva a los mondongos más adelante para la eliminación de la grasa.
Con los mondongos de bovinos una vasija de apoyo situada debajo del transportador impide que el mondongo entre en contacto con el suelo. Esa vasija está conectada con el sumidero principal, lo que ayuda a mantener unas condiciones higiénicas y un entorno de trabajo satisfactorio.
Máquina de eliminación de las grasas. La parte intermedia de las tripas desciende automáticamente del transportador a la lengua de alimentación de la máquina de eliminación de las grasas. Esta máquina extrae la grasa exterior de las tripas que a continuación se transportan más adelante para proceder a la eliminación de la mucosidad. La vasija de apoyo tiene la misma función que en d) y se necesita principalmente en la elaboración de los productos de bovino.
Conducto para la mucosidad. Se trata de un conducto para la mucosidad de acero inoxidable, montado sobre el raspador de mucosidad o la máquina de eliminación de las grasas para recoger la mucosidad extraída de las tripas.
El raspador de las tripas de ovejas y cerdos desempeña una doble función que consiste en extraer parte de la piel mucosa soltada de las tripas y en contribuir a arrastrar a las tripas a través de la cisterna donde se remojan.
Raspador - Triturador. Esta máquina completa la expulsión de la piel mucosa de las tripas de oveja/cerdo, y al mismo tiempo actúa sobre las fibras externas de las tripas para facilitar su extracción en la máquina siguiente antes de que se depositen en una cisterna recolectora.
Máquina de acabado. El mondongo está listo para la supresión de las fibras después del tratamiento precedente. Esta fase final requiere el avance manual, pero como se pueden introducir de cuatro a cinco tripas a la vez, es fácil mantener el ritmo de las demás máquinas de la cadena.
Cisterna de recogida final. Se trata de una cisterna de acero inoxidable desde la que las tripas de los animales pequeños pasan a ser clasificadas, medidas y curadas con sal.
En los bovinos es necesario que la mucosidad suelta sea extraída de las tripas con el raspador de mucosidad. Esto facilita el paso siguiente, que consiste en dar la vuelta a las tripas. Después de haber pasado por esta máquina, sus partes medias caen automáticamente sobre un gancho de recogida y están listas para que se les dé la vuelta.
Depósito para dar la vuelta. El pretratamiento de las tripas está ahora completado si se exceptúa la extracción de la piel mucosa interior, operación que se efectúa después de haber dado la vuelta a las tripas.
Esta última operación se suele realizar como sigue: la tripa se levanta desde el gancho de recogida del raspador de mucosidad, donde está suspendido por su centro. Luego se aprieta contra uno de los colgadores de acero del extremo exterior del depósito donde se efectúa la vuelta y se empuja hacia adelante, con el resultado de que queda perforada. Parte de la tripa se empuja a través del agujero, con lo que se crea un bolsillo. Este último se sumerge en el depósito para dar la vuelta y se llena de agua. A continuación la tripa se cuelga de dos ganchos situados muy cerca sobre el depósito para dar la vuelta con el fin de que el bolsillo lleno de agua de la tripa cuelgue fuera del depósito. Cuando se introduce algo más de agua en el bolsillo la tripa empieza espontáneamente a darse la vuelta debido al peso del agua. El procedimiento se repite luego con la tripa siguiente.
Conducto para dar la vuelta. La tripa tratada en el depósito para dar la vuelta se extiende ahora (sin colocarse sobre el suelo) en el conducto para dar la vuelta que se encuentra debajo del depósito. Se pueden introducir dos o tres tripas simultáneamente desde este conducto hasta la parte terminal de la cadena, a saber: la máquina para eliminar la mucosidad.
Máquina para eliminar la mucosidad (bovinos). La piel mucosa se extrae simultáneamente de dos a tres tripas con esta máquina. Si está muy adherida, la tripa se vuelve a pasar de nuevo por la máquina para asegurarse de un resultado perfecto.
Depósito de recogida. La tripa se recoge en la parte posterior de la máquina de eliminación de la mucosidad con un gancho. Debajo del gancho se encuentra un depósito de recogida desde el que se transportan las tripas para su clasificación final.
Después de estas operaciones, todas las tripas se clasifican por tamaño para que sean adecuadas para la fabricación de pieles de salchicha y, por último, son atadas, curadas con sal y almacenadas en espera de su distribución a los abastecedores de los carniceros.
Todo el proceso puede emitir un olor relativamente menor dentro del local que el tratamiento manual debido a las materias primas, aunque apenas es discernible fuera de los locales. El único problema que plantea este tipo de operaciones surge cuando hay una provisión excesiva de materia prima en ciertas estaciones del año en cuyo caso un almacenamiento prolongado puede provocar problemas con respecto al olor.
La inversión de capital en edificios y equipo para la operación de “utilización de la masa abdominal”, como se describe algunas veces, produce invariablemente un buen rendimiento y es cada vez más importante en una época en que el valor de los diversos productos está disminuyendo y las exigencias del mercado de exportación son mayores.
Esas normas son alcanzables en los países en desarrollo que pueden beneficiarse de la demanda constante de tripas de buena calidad mediante la manipulación cuidadosa del producto en locales adecuados del matadero para evitar una disminución excesiva y en gran parte innecesaria del valor de las tripas desde el momento en que se sacrificó a los animales.

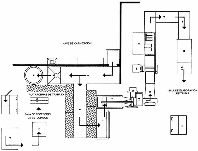
FIGURA 64 PLANTA DE SECCION DE TRATAMIENTO DE ESTOMAGOS Y TRIPAS DE BOVINOS
CODIGO

1 Recepción y separación de estómagos
2–4 Vaciado, lavado y escaldado de estómagos
5–6 Separación de los intestinos y paso al transportador de alimentación
7 Depósito de recepción de residuos de tripas
8–10 Eliminación de las grasas restantes
11–12 Elaboración de los chicharrones
13 Determinación de las irregularidades
14 Medición y clasificación de las tripas
15 Salazón de las tripas
16 Secado de las tripas
17 Envasado y almacenamiento de las tripas
18 Conservación en sal
FIGURA 65 PLANTA DE SECCION DE TRATAMIENTO DE ESTOMAGOS E INTESTINOS

FIGURA 66 CADENA MECANIZADA DE LIMPIEZA DE TRIPAS DE BOVINOS

FIGURA 67 SISTEMA DE CADENA PARA TRIPAS DE CERDOS Y OVEJAS CON REMOJO AUTOMATICO
Las grasas crudas pueden ser utilizadas para convertirlas en productos de salazón. Sin embargo, proceden casi exclusivamente de las canales de los bovinos y los cerdos.
La cantidad de grasas que pueden obtenerse de las canales de ovejas y cabras es pequeña y en los países en desarrollo esta grasa normalmente se deja con la canal.
Las plantas de preparación de grasas comestibles elaboran las materias primas que, cuando están preparadas, dan un producto clasificado como comestible. Estos materiales proceden de las grasas de los redaños en los bovinos, las grasas del abdomen y de la espalda en los cerdos y de recortes grasientos limpios de las vísceras y de trozos de carne comestibles. También se obtienen grasas comestibles mediante el tratamiento de huesos tiernos.
El cuarto de almacenamiento donde se guardan solamente grasas comestibles en espera de su tratamiento o despacho suele estar junto al cuarto para tripas y no debe estar totalmente separado por paredes hasta el techo. Después del enfriamiento (si no se han tratado) las grasas deben despacharse de una manera higiénica. En el cuarto para grasas debe haber una instalación para lavarse las manos y, si es necesario en algún momento utilizar cuchillos, debe también existir un esterilizador.
- Tratamiento
El tratamiento se puede realizar por diversos métodos, según el tonelaje de materias primas del matadero y otras fuentes y según los productos finales deseados.
Los sistemas varían desde el tratamiento simple en una caldera abierta hasta el procesamiento mecánico continuo. Con muchos de esos procedimientos, se reduce mecánicamente el tamaño de las grasas crudas porque cuanto menor son las piezas menos temperatura se requiere y más fino es el sabor. La producción de un matadero de capacidad media justificaría desde el punto de vista económico únicamente el sistema de caldera abierta (fig. 68).
Las grasas comestibles procedentes de los procesos de matanza y limpieza de las tripas deben recogerse en recipientes de acero inoxidable y trasladarse a la sala de tratamiento de las grasas comestibles para su elaboración. En esas naves primero se enfrían las grasas en un depósito de agua fría. A continuación se desmenuzan finamente con un moledor o desintegrador de carne para salchichas. El tratamiento se lleva a cabo en una caldera abierta que tiene una chaqueta de agua a través de la cual circula agua caliente a una temperatura de 71 °C a 82 °C.
Se utilizan paletas agitadoras, montadas en una vara vertical, para mantener en circulación la masa que se está fundiendo. Existe un procedimiento análogo pero más rápido si se dispone de vapor para la preparación de la caldera abierta. Con este método, se utiliza una caldera con chaqueta de vapor equipada también con un agitador. La presión del vapor utilizado varía de 1,03 mbar a 2,068 mbar, con unas temperaturas de 120 °C a 135 °C. Debido a la mayor temperatura no es preciso desmenuzar finamente las grasas crudas después del tratamiento y la refrigeración, por lo que la grasa se puede envasar en cajas de cartón, para lo cual una máquina de envasar manual que puede llenar de seis a ocho cajas a la vez resultará bastante económica.
El tratamiento con el sistema de caldera abierta requiere un mínimo de 0,75 toneladas de materia prima al día para que resulte económico con dos turnos en días alternos. Si en el matadero no se dispone de esas cantidades, habrá que elegir entre enviar la materia prima “cruda” a una planta de tratamiento de grasas comestibles centralizada o utilizarla para productos no comestibles valiosos en el propio matadero o en plantas centralizadas situadas en otra parte.
El otro sistema de recoger grasas de pequeñas empresas (carniceros, otros mataderos) es factible si se organiza una recogida diaria y los gastos de transporte no resultan prohibitivos.
La sangre de animales sanos es una fuente valiosa de proteínas que tiene muchos usos cuando se recoge y almacena de manera higiénica.
La sangre descargada directamente en el sistema de drenaje causa problemas a menudo debido a los gastos elevados del tratamiento de aguas residuales. Siempre que es posible, se debe recuperar. Sin embargo, a menos que exista un volumen de producción de sangre comestible, aunque sea procedente de diversas fuentes, resulta más económico convertir a toda la sangre en un polvo fertilizante que da un 11 por ciento de nitrógeno. En los países industrializados la elaboración de sangre comestible se consideraría economica en una instalación central de recogida de una zona en la que se sacrifiquen al año entre 250 000 y un millón de reses.

FIGURA 68 FUSION DE GRASAS EN CALDERA ABIERTA
La sangre para el consumo humano debe ser recogida de una manera que elimine la contaminación. Debe también corresponder a la canal hasta la conclusión de su inspección y no debe tocarse ni batirse salvo con instrumentos concebidos para ese fin. El almacenamiento posterior debe efectuarse en recipientes claramente identificados y no corrosivos con cubiertas ajustadas y no han de utilizarse para otro fin.
La sangre comestible se recoge con un cúchillo ahuecado (fig. 69) o con un cuchillo normal utilizado en el puesto de degüello o en la cubeta para recoger la sangre de varios animales en recipientes cerrados de acero inoxidable (con una capacidad de hasta 30 litros) en espera de la autorización veterinaria de la canal después de la inspección (fig. 70).
Cuando se utiliza un cuchillo ordinario, resulta ventajoso efectuar el desangrado sobre una cubeta para sangre cuya forma excluya las secreciones nasales (fig. 29).
Si alguno de los animales cuya sangre está en el recipiente es decomisado, todo el contenido del recipiente se debe rechazar como materia de productos comestibles. Se añade constantemente una solución anticoagulante para aportar de 0,8 por ciento a 1 por ciento de citrato de sodio a la sangre sin citratos.

FIGURA 69 RECOGIDA DE LA SANGRE COMESTIBLE CON CUCHILLO CONCAVO

FIGURA 70 DIAGRAMA DEL SISTEMA BASICO DE RECUPERACION Y TRATAMIENTO DE LA SANGRE COMESTIBLE
Una vez obtenida la aprobación veterinaria de la canal, se supone que la sangre de los recipientes es apta para el consumo humano y puede despacharse al procesador local o transferirse (de preferencia con bomba) a recipientes aislados y cerrados de 1000 litros para su manipulación por medio de camiones con elevadores de horquilla y transferirse a medios de transporte por carretera o ferrocarril hasta una planta de procesamiento centralizada.
En los climas templados la sangre se puede procesar hasta seis horas después de la recogida. De lo contrario, si el período de transporte es más largo, o en climas tropicales, se debe enfriar a 4 °C antes de llenar los recipientes.
Varias glándulas y otros productos de origen animal pueden, en circunstancias definidas, utilizarse para la producción de medicamentos humanos o veterinarios. No obstante, su tamaño y su distribución en los animales criados para dar carne son variables hasta tal punto que su recuperación sólo puede resultar comercialmente viable si la producción del matadero alcanza un mínimo de 50 reses o más al día, debido a las pequeñas cantidades que se pueden obtener de cada animal.
Se pueden extraer/refrigerar y acumular hasta una semana cuando se trata de glándulas conservadas en cajas de refrigeración destinadas a los establecimientos de elaboración que recogen productos de otros mataderos con el fin de alcanzar un volumen de extractos adecuado.
A continuación se indican los órganos y tejidos internos que, junto con la bilis, se utilizan comercialmente: glándula tiroides, páncreas, ovarios, glándulas pituitarias, glándulas suprarrenales, hígado, duodeno, renina, estómago y cerebro.
Es esencial destacar la importancia de los aspectos que se han de tener en cuenta para obtener la mejor calidad:
Sólo se deben utilizar animales sanos debido a que los procedimientos de fabricación no siempre garantizan la esterilidad de los productos.
Las glándulas deben estar absolutamente desprovistas de grasas y otros tejidos debido a que ello causa dificultades en la preparación (filtración).
Algunas glándulas tienen que extraerse en un máximo de 10 a 15 minutos y refrigerarse de inmediato, por ejemplo, el páncreas y si el píloro se extrae tres minutos después de la matanza se dice que el rendimiento de la producción es de dos a tres veces mejor que si se extrae más tarde.
Nunca se insistirá lo bastante en la importancia de mantener a los órganos en frío y de despacharlos a lo largo de una cadena de refrigeración continua y no almacenarlos demasiado tiempo (máximo seis meses), dado que sus componentes biológicos activos son muy vulnerables al movimiento.